WLAN测试标准
- 格式:pdf
- 大小:151.85 KB
- 文档页数:9
wifi测试方法和标准在网络环境中,我们需要对WiFi网络的性能进行全面的测试和评估,以确保其满足我们的需求并提供稳定的服务。
为了实现这一目标,我们需要遵循一定的测试方法和标准。
以下是对WiFi测试方法和标准的简要概述。
1. 连接性测试:连接性测试是评估WiFi网络性能的基础。
测试方法通常包括使用网络测试工具,如Wi-Fi Analyzer、Wi-Fi Explorer等。
连接性测试应包括以下几个方面:a. 网络覆盖范围:测试WiFi网络在不同位置的信号强度和连接速度。
b. 稳定性:评估网络在各种环境下的稳定性,例如温度、湿度、电磁干扰等。
c. 多设备连接:评估在多用户环境下,WiFi网络的负载能力和连接速度。
2. 信号质量测试:信号质量测试主要关注WiFi信号的频段、信道和信号强度。
测试方法包括使用信号分析仪或信号测试软件,如Wi-Fi Signal Expert、Wi-Fi Signal Levels Tracker 等。
3. 传输速率测试:传输速率测试是评估WiFi网络性能的关键指标。
测试方法通常包括使用网络测试工具,如Speedtest、iPerf等。
传输速率测试应包括以下几个方面:a. 最大传输速率:评估在高峰时段网络环境中,WiFi网络的最大传输速率,以及在不同距离和障碍物遮挡下的传输速率变化情况。
4. 安全性测试:安全性测试是评估WiFi网络安全性能的重要环节。
测试方法通常包括使用安全测试工具,如Wireshark、WildPackets Captive Portal Tester等。
安全性测试应包括以下几个方面:a. 加密性能:评估WiFi网络在传输数据时的加密性能,包括数据加密的速度和安全性。
b. 网络入侵检测:测试WiFi网络能否有效地检测和防止恶意攻击,如DDoS 攻击、ARP欺骗等。
c. 用户认证和授权:评估WiFi网络的用户认证和授权机制,确保只有合法用户才能访问网络资源。
WLAN性能测试及参数优化方法无线局域网(WLAN)在现代通信领域中发挥着重要作用,而对其性能的测试和参数的优化是确保其稳定运行和提升用户体验的重要环节。
本文将介绍WLAN的性能测试方法,以及优化WLAN参数的方法。
一、WLAN性能测试方法1. 信号强度测试信号强度是衡量WLAN性能的重要指标之一。
可以使用专业的测试工具或手机APP测量设备之间的信号强度,并绘制热力图来观察信号分布情况。
在测试中,应该关注覆盖范围和信号强度是否满足需求。
2. 信噪比测试信噪比是指有效信号与背景噪声之间的比值,较高的信噪比意味着更清晰的信号传输。
可以通过采用专业的信号分析仪进行信噪比测试,以确保WLAN信号质量的稳定和可靠。
3. 传输速率测试传输速率是衡量WLAN性能的另一个重要指标。
可以使用专业的测试工具或者通过下载和上传文件来测试WLAN的传输速率。
在测试中,应该关注实际的传输速率是否接近设备的理论传输速率。
4. 延迟和抖动测试延迟和抖动是WLAN性能的关键指标之一,直接影响到数据传输的实时性和稳定性。
可以使用专业的网络测试工具来测试延迟和抖动,并根据测试结果对网络进行优化调整。
二、WLAN参数优化方法1. 频段选择WLAN可以在不同的频段进行工作,如2.4GHz和5GHz。
不同频段的性能和干扰情况不同,应根据实际需求选择合适的频段。
通常情况下,5GHz频段相对较少干扰,传输速率更快,但覆盖范围较小。
2. 信道设置在无线网络中,不同的设备会使用不同的信道进行通信。
合理设置信道可以减少信号干扰和碰撞,提升网络性能。
可以通过扫描周围环境和使用专业的网络优化工具选择最佳信道。
3. 功率控制合理的功率控制可以保持WLAN信号的稳定,避免过度干扰周围设备。
应根据实际需求和场景设定合适的信号功率,避免过高或过低。
4. 安全设置WLAN安全设置是保护网络免受未经授权访问和攻击的重要手段。
应启用WPA2等高级加密方式,并设置强密码、MAC地址过滤等措施来增强网络安全性。
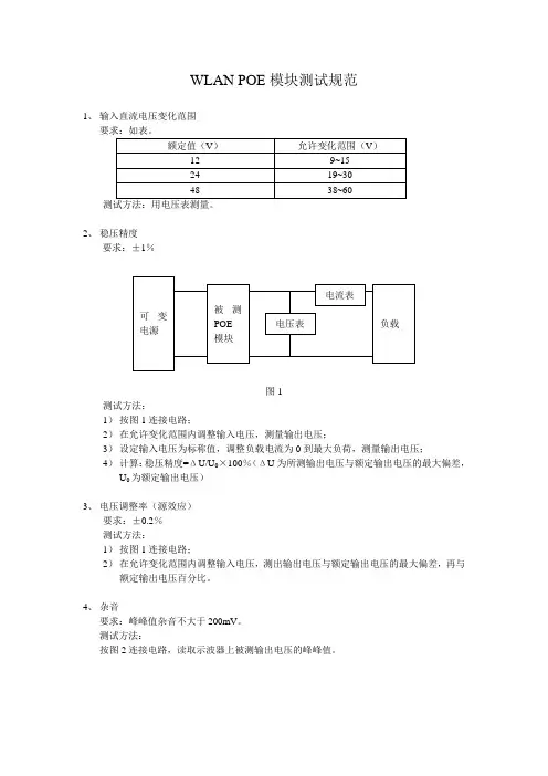
WLAN POE 模块测试规范
1、 输入直流电压变化范围
测试方法:用电压表测量。
2、 稳压精度
要求:±1%
图1
测试方法:
1) 按图1连接电路;
2) 在允许变化范围内调整输入电压,测量输出电压;
3) 设定输入电压为标称值,调整负载电流为0到最大负荷,测量输出电压; 4) 计算:稳压精度=ΔU/U 0×100%(ΔU 为所测输出电压与额定输出电压的最大偏差,
U 0为额定输出电压)
3、 电压调整率(源效应)
要求:±0.2% 测试方法:
1)
按图1连接电路;
2) 在允许变化范围内调整输入电压,测出输出电压与额定输出电压的最大偏差,再与
额定输出电压百分比。
4、 杂音
要求:峰峰值杂音不大于200mV 。
测试方法:
按图2连接电路,读取示波器上被测输出电压的峰峰值。
图2。
WLAN测试标准WLAN测试标准中国移动通信集团福建有限公司漳州分公司网络优化中心2012年06月1WLAN测试工具及测试选点方法1.1测试设备名称数量备注测试便携电脑(安装Windows XP 或Windows 7)1台内置Intel无线网卡或外置USB/PCMCIA无线网卡(支持802.11a/b/g协议)WLAN智能测试分析仪表或软件(CDS、EastDragon业务测试软件、NetStumbler、FTP等) 1套要求能够测试WLAN场强、信噪比;能够分析出测试区域内的干扰情况及同邻频干扰情况、能够测试Web认证成功率、时延、下线成功率、FTP上传下载速率、时延等1.2测试选点方法测试应覆盖高校的全部热点区域,教学区、图书馆、宿舍、等需要增加测试次数。
在各热点不同覆盖区域中至少选取5个采样测试点,测试点均匀分布,而且应考虑用户使用习惯,尽量选择用户的平常接入区域。
2WLAN测试用例测试项目测试编号测试子项目备注WLAN无线网络检测1.1 场强信噪比检测1.2 同邻频干扰检测1.3 网络ping包成功率测试1.4 网络ping包时延测试WLAN宽带上网测试2.1 FTP上下行速率测试2.2 网站访问成功率2.3 网站访问首页刷新时延基于WEB 认证方式的接入测试3.1 WEB认证接入成功率3.2 WEB认证接入时延3.3 WEB认证下线成功率测试项目标准信号强度-75dBm 信噪比24dBm-40dBmWeb认证接入成功率95% Web认证下线成功率95% 门户网站登录成功率95% 门户网站登录时延4s FTP下载成功率95%FTP平均下载速率200KB/SFTP上传成功率95%FTP平均上传速率120KB/S ping服务器丢包率(%) 4ping服务器时延(ms)40终端pingAC丢包率(%) 3终端pingAC时延(ms)30 2.1场强信噪比检测1-1编号项目WLAN无线网络检测场强信噪比检测分项目目的测试规定区域内网络覆盖情况指标定义:AP覆盖区域内的信号强度及信噪比预置条件:1、AP正常运行2、天线正确安装或者天馈系统符合标准3、使用专业测试仪器测试流程:1、明确某个AP覆盖的区域2、在AP覆盖区边缘选取测试点3、使用工具测试该点信号稳定后的场强、信噪比预期结果:1、信号强度大于-75dBm2、信噪比在24dBm-40dBm之间2.2同邻频干扰检测编1-2号项目WLAN无线网络检测同邻频干扰检测分项目目的测试网络覆盖区域内的WLAN信号同邻频干扰情况指标定义:WLAN网络指定覆盖区域的信号是否同频信号干扰或邻频信号干扰预置条件:1、AP正常运行2、天线正确安装或者天馈系统符合标准3、使用专业测试仪器测试流程:1、明确某个AP覆盖的区域2、在AP覆盖区边缘选取测试点3、对于有多个AP同时使用的信道,进行单信道测试,查看是否有同频干扰4、观察是否有AP工作在相邻信道上,查看是否有邻频干扰预期结果:1、同频干扰小于-80dBm;2、邻频干扰小于-70dBm。
WIFI验收标准WIFI性能验收测试标准智能两票WIFI覆盖项⽬⽆线信号覆盖强度测试需在“指定信号覆盖区域”进⾏信号扫描,对信号的强度,稳定度,地址获取,安全加密形式进⾏逐项测试。
包括但不限于如下指定范围:设备区域:WIFI信号覆盖区域内的设备四周,⼈⾏通道,安全操作区等位置。
1.信号强度:所有“指定信号覆盖区域”,要求达到如下信号强度:测试信号强度:⼤于-75dbm;测试信号平均强度:⼤于-65dbm;测试信号稳定度:在3分钟内,平均信号强度持续在单点测试基础上±5dbm 的范围内。
2.地址获取:所有信号覆盖区域,各终端都能通过DHCP的⽅式⾃动获取到IP地址,并需要通过验证后才能链接⽹络。
3.AP配置检测:AP频率配置必须符合设计⽂档中为每个AP指定的信道。
4.安全标准:所有WIFI⽹络统⼀采⽤WPA2加密。
5.Ping包测试:笔记本通过认证接⼊⽹络,ping⽹关ip地址,ping包次数为100次,并记录响应时间、丢包率;例ping包:ping 192.168.1.1 -n 100 ;Ping丢包率不⼤于1%,不能有连续3个丢包,延时不⼤于5ms。
6.⽆线漫游笔记本通过认证接⼊⽹络,长ping⽹关ip地址,移动⾄相邻AP的覆盖范围,在此期间⼀直进⾏ping包测试,查看和⽹关通信是否正常,是否有丢包现象;例ping包:ping 192.168.1.1 –t;Ping包丢包率不⼤于1%,不能有连续3个丢包,延时不⼤于5ms。
7.测试⽅法:笔记本电脑在“指定信号覆盖区域”,使⽤⽆线信号认证接⼊。
使⽤测试软件进⾏测试,截取测试信号截图作为测试点报告。
测试软件选择:。
移动无线局域网(WLAN)测试规范(V 2.0)中国移动通信集团有限公司网络优化中心目录移动无线局域网(WLAN)测试规范 (1)一、总则 (4)二、适用范围 (4)三、测试范围 (4)四、相关术语、缩略语解释 (5)五、测试时间和测试区域 (5)5.1测试时间 (5)5.1.1WLAN热点质量验收测试 (5)5.1.2周期优化测试 (5)5.1.3用户投诉测试 (6)5.2测试区域 (6)六、测试设备 (8)七、WLAN测试用例 (9)7.1WLAN热点验收测试项目 (9)7.1.1WLAN热点网络功能验收测试 (9)7.1.1.1AP配置检查 (9)7.1.1.2用户隔离控制 (10)7.1.1.3AP间切换 (10)7.1.1.4热点压力测试 (10)7.1.1.5热点吞吐量测试 (11)7.1.1.6混合接入认证 (11)7.1.2WLAN热点无线质量验收 (12)7.1.2.1信号覆盖强度测试 (12)7.1.2.2载干比测试 (13)7.1.2.3同邻频干扰检测 (14)7.1.2.4AP关联平均时间 (14)7.1.2.5AP关联成功率 (15)7.1.2.6Portal 页面弹出时延 (15)7.1.2.7Portal页面弹出成功率 (16)7.1.2.8Web认证时长 (16)7.1.2.9Web 认证成功率 (17)7.1.2.10Web认证下线成功率 (18)7.1.2.11Http页面响应时延 (18)7.1.2.12Http完整显示时延 (19)7.1.2.13Http页面访问成功率 (20)7.1.2.14Ping测试平均时延 (20)7.1.2.15Ping测试成功率 (21)7.1.2.16FTP下载平均速率 (21)7.1.2.17FTP下载成功率 (22)7.1.2.18FTP上传平均速率 (22)7.1.2.19FTP上传成功率 (23)7.1.2.20与电信、联通对比测试 (24)7.2.1.1信号覆盖强度测试 (25)7.2.1.2载干比测试 (26)7.2.1.3同邻频干扰检测 (26)7.2.1.4AP关联平均时间 (27)7.2.1.5AP关联成功率 (27)7.2.1.6Portal 页面弹出时延 (28)7.2.1.7Portal页面弹出成功率 (28)7.2.1.8Web认证时长 (29)7.2.1.9Web 认证成功率 (30)7.2.1.10Web认证下线成功率 (30)7.2.1.11Http页面响应时延 (31)7.2.1.12Http完整显示时延 (32)7.2.1.13Http页面访问成功率 (32)7.2.1.14Ping测试平均时延 (33)7.2.1.15Ping测试成功率 (33)7.2.1.16FTP下载平均速率 (34)7.2.1.17FTP下载成功率 (34)7.2.1.18FTP上传平均速率 (35)7.2.1.19FTP上传成功率 (36)八、WLAN测试结果反馈和测试求报告 (38)一、总则1.为了解WLAN网络覆盖情况及服务质量,保证工程质量,规范移动WLAN网络质量测试内容,提高WLAN网络服务水平和服务质量,特制定《移动无线局域网(WLAN)测试规范》,指导今后WLAN网络验收测试、周期优化测试、客户申告测试中的工作。
WIFI测试指标WiFi测试是指对无线网络的性能进行评估和优化的过程,通过测试可以了解无线网络的覆盖范围、信号强度、传输速率等指标,以进一步提高用户的网络使用体验。
下面将介绍几个常见的WiFi测试指标。
1.信号强度:信号强度是评估WiFi信号质量的一个重要指标,通常以分贝(dBm)为单位表示,负值越大表示信号质量越好。
在WiFi测试中,常采用不同位置接收信号的方式,测量不同位置的信号强度,以此来评估WiFi的覆盖范围和信号强弱情况。
3.信道利用率:信道利用率是指WiFi网络中其中一信道被占用的时间比例,它是评估WiFi网络拥塞情况的一个指标。
通过测试信道利用率,可以了解WiFi网络中的信道分配情况,判断是否存在信道拥塞的问题,并提出相应的优化方案。
4.信噪比:信噪比是指WiFi信号强度与背景噪声之间的比值,它反映了信号强度与干扰的关系。
信噪比越大,表示信号质量越好,WiFi网络的传输性能也会更好。
通过测试信噪比,可以判断WiFi网络是否受到了干扰,有助于分析和解决网络性能问题。
5.延迟:延迟是指从发送数据到接收数据之间的时间间隔,也称为网络延迟或延时。
WiFi网络的延迟主要受到网络拥塞、信号传输距离等因素的影响。
通过测试延迟,可以评估WiFi网络的响应速度,判断其是否满足实时性要求。
6.丢包率:丢包率是指在数据传输过程中丢失的数据包占总发送数据包数量的比例。
WiFi网络的丢包率主要受到信号强度、干扰等因素的影响,丢包率过高会导致网络质量下降,影响用户体验。
通过测试丢包率,可以评估WiFi网络的稳定性和可靠性。
7. 吞吐量:吞吐量是指 WiFi 网络每单位时间传输的数据量,常以Mbps(兆位每秒)为单位表示。
通过测试吞吐量,可以评估 WiFi 网络的传输能力,判断其是否满足用户对于大流量数据传输的需求。
总结:WiFi测试指标包括信号强度、传输速率、信道利用率、信噪比、延迟、丢包率和吞吐量等,通过对这些指标的测试,可以评估WiFi 网络的性能和质量,帮助优化网络设置,提供更好的网络使用体验。
Wi-Fi信号质量测试指标
Wi-Fi是无线局域网技术的一种,是一项重要的无线通信技术。
在使用Wi-Fi时,我们经常遇到的一个问题就是信号质量不佳。
因此,我们需要了解Wi-Fi信号质量测试的相关指标。
以下是Wi-Fi信号质量测试的主要指标:
信号强度
Wi-Fi信号强度是指Wi-Fi信号的强度和接收器之间的距离及
其他影响因素的综合影响,主要衡量接收Wi-Fi信号的强弱。
通常,我们使用RSSI指标来表示Wi-Fi信号强度的强弱。
这个指标的单
位是dBm,数值越大表示信号越强。
信噪比
信噪比是衡量信号质量的重要指标之一,是信号与噪声的比值。
通常,我们使用SNR指标来衡量信噪比,单位是dB。
在Wi-Fi的
环境中,信号噪声来源于其他的Wi-Fi网络,以及其他的电磁干扰源。
速率
Wi-Fi的速率是指Wi-Fi传输数据的速率,也就是网速。
它可以用Mbps(兆位每秒)来表示。
Wi-Fi的速率受到多种因素影响,如信号干扰、信号距离等。
延迟
延迟是指Wi-Fi信号从发送端到接收端经过的时间。
通常,我们使用ping指令来测试Wi-Fi网络的延迟。
低延迟对于在线游戏、视频等有很重要的影响。
信道干扰
在Wi-Fi的环境中,可能会存在多个Wi-Fi网络,这些网络之间可能会产生信道干扰。
通过测试信道干扰程度,可以找到最合适的信道,减少网络干扰,提高信号质量。
综上所述,了解Wi-Fi信号质量测试的相关指标,可以帮助我们更好地优化Wi-Fi网络,提高网络的质量和稳定性。
WLAN无线测试方案WLAN(Wireless Local Area Network)无线局域网是一种无线通信技术,可以在局域网中使用无线方式进行数据传输。
对于WLAN无线设备的开发和设计,需要进行一系列的测试来保证其性能和稳定性。
本文将介绍一种WLAN无线测试方案,包括测试目标、测试环境、测试方法和测试工具等内容。
一、测试目标1.信号覆盖范围:测试设备在不同距离、障碍物等条件下的信号覆盖范围,确定设备的传输性能。
2.数据传输速率:测试设备在不同信道、带宽等条件下的数据传输速率,评估设备的网络速度和带宽利用率。
3.连接稳定性:测试设备在高负载、干扰等条件下的连接稳定性,保证设备在复杂环境下的可靠性。
4.安全性:测试设备的数据加密和认证功能,验证设备是否能提供安全的无线网络。
二、测试环境1.设备配置:测试需要使用至少两台支持WLAN无线通信的设备,如笔记本电脑、智能手机等。
2. 网络环境:测试设备需要连接到一个局域网中,可以使用路由器或者无线接入点(Access Point)来提供无线网络。
3.信号环境:测试需要在不同环境下进行,包括室内和室外环境,以模拟真实使用场景。
4.测试工具:测试需要使用一些专业的测试工具,如网络分析仪、信号发生器、频谱分析仪等。
三、测试方法1.信号覆盖范围测试:在不同距离下,测试设备的信号强度,确定信号衰减的情况。
可以通过测量信号的接收功率来评估设备的发射功率和接收灵敏度。
2.数据传输速率测试:使用专业的测试软件或工具,在不同信道、带宽等条件下,测试设备的数据传输速率。
可以通过发送和接收文件的时间来确定设备的网络速度。
3.连接稳定性测试:在高负载和干扰环境下,测试设备的连接稳定性。
可以通过连续发送数据并监测丢包率和延迟来评估设备的稳定性。
4.安全性测试:测试设备的数据加密和认证功能,验证设备是否能提供安全的无线网络。
可以使用专业的安全测试工具来模拟攻击并评估设备的安全性。
wifi测试标准Wi-Fi测试标准。
Wi-Fi技术作为无线网络连接的重要手段,已经成为人们日常生活和工作中不可或缺的一部分。
而对于Wi-Fi产品的质量和性能,测试标准是非常重要的,它可以保证Wi-Fi产品在不同的环境下都能够稳定可靠地工作。
本文将介绍Wi-Fi测试标准的相关内容,帮助大家更好地了解Wi-Fi产品的测试标准。
首先,Wi-Fi测试标准主要包括以下几个方面,传输速率、覆盖范围、信号强度、干扰抑制、稳定性和兼容性。
传输速率是衡量Wi-Fi产品性能的重要指标,它直接影响到用户的网络体验。
覆盖范围和信号强度则关系到Wi-Fi产品在不同区域的覆盖能力,这对于大型场所和办公楼等环境尤为重要。
干扰抑制是指Wi-Fi产品在复杂的无线环境中能够有效抑制干扰信号,保证网络的稳定性。
稳定性是指Wi-Fi产品在长时间运行中能够保持良好的网络连接状态,不会出现频繁掉线或者断网的情况。
兼容性则是指Wi-Fi产品能够与不同厂家、不同型号的设备进行良好的兼容,确保用户可以自由选择设备进行连接。
其次,针对以上几个方面,Wi-Fi测试标准需要遵循一定的测试方法和流程。
传输速率的测试可以采用吞吐量测试、距离测试等方法,通过模拟不同应用场景下的网络负载情况来评估Wi-Fi产品的传输速率。
覆盖范围和信号强度的测试可以采用场强测试、覆盖测试等方法,通过在不同区域进行测试来评估Wi-Fi产品的覆盖能力和信号强度。
干扰抑制的测试可以采用干扰源加入测试、干扰信号注入测试等方法,通过模拟复杂的无线环境来评估Wi-Fi产品的干扰抑制能力。
稳定性的测试可以采用长时间稳定性测试、断网恢复测试等方法,通过长时间运行和模拟网络异常情况来评估Wi-Fi 产品的稳定性。
兼容性的测试可以采用设备兼容性测试、协议兼容性测试等方法,通过连接不同厂家、不同型号的设备来评估Wi-Fi 产品的兼容性。
最后,Wi-Fi测试标准的制定需要考虑到不同的应用场景和用户需求。
AP测试项目对应数值获取方法1,“关联的AP MAC地址”、“关联时延”、“覆盖场强”通过使用WirelessMon软件,具体如下图,具体步骤如下:1)选取自己使用的无线网卡;2)查看对应的SSID和MAC地址;3)选择要测试的AP的MAC地址,双击则关联至对应AP,记录关联所用时延;4)查看对应AP的RSSI,即是AP的场强。
2,“认证界面推送成功率”、“正常下线成功率”具体步骤如下:1)在关联成功后,打开IE浏览器,在IE网址栏输入任意网址,如:,会弹出一个portal页面,要求在10s弹出;2)在对应的用户名密码栏输入相应账号,认证通过,则会弹出一个计时和下线按钮的页面,此页面不要随意关掉;3)点击下线按钮,提示下线成功;4)重复1-3步骤5次,要求全部成功。
3,“门户网站登录测试”具体步骤如下:1)在通过关联、认证后,打开网页,通常打开主流网页如:,,等,记录打开时长;2)重复5次,要求时长不超5s,打开均成功。
4,“测试ftp上传速率”、“测试ftp下载速率”具体步骤如下:1)在通过关联、认证后;2)通过ftp软件,输入ftp服务器的ip地址、用户名、密码;移动wlan测试ftp: 218.202.0.46 u:cmccuser p:cmcctest3)选择要上传的文件,通常选取5MB左右大小的文件,选择上传,记录相应速率;从左边本地目录里面找一个文件,用鼠标拖至右边,完成后,4)同理,从右边选择要下载的文件,通常选取5MB左右大小的文件,双击下载,记录相应速率。
5,“ping AC网关时延”、“ping AC网关丢包率”具体步骤如下:1)在通过关联、认证后;2)在“开始”、“运行”里面输入“cmd”;3)在弹出来的对话框中输入“ipconfig /all”4)查看相应无线网络的ip地址和网关“Default Gateway”地址,对网关地址进行ping测,在命令行中输入:ping 192.200.200.1 -l 1400 -n 20,如下图5)记录相应的丢包率和平均延时,如上图0%,average=4ms;要求丢包率小于3%,平均延时小于50ms。
wifi测试标准
一、测试环境准备。
1. 确定测试场景,根据实际使用场景确定测试的环境,包括室内、室外、开放
空间、封闭空间等不同场景。
2. 检查设备状态,确保所有测试设备处于正常工作状态,包括路由器、手机、
电脑等。
3. 排除干扰因素,在进行测试前,需要排除可能影响测试结果的干扰因素,如
电磁干扰、信号屏蔽等。
二、测试方法。
1. 测试参数设置,在进行wifi测试时,需要设置好测试参数,包括频率、带宽、功率等参数。
2. 测试数据采集,使用专业的测试工具或设备,对wifi信号进行采集和记录,
包括信号强度、速率、延迟等数据。
3. 多维度测试,除了基本的信号强度和速率测试外,还需要进行多维度的测试,如覆盖范围、干扰情况、漫游性能等。
三、测试报告。
1. 数据分析,对采集到的测试数据进行分析,包括数据的统计、图表的绘制等,以便更直观地展现测试结果。
2. 结论和建议,根据测试结果,对wifi性能进行评估,并提出相应的改进建议,以提高wifi的使用体验。
3. 报告撰写,将测试过程、结果、结论和建议等内容进行整理,撰写成标准的
测试报告,以便后续的参考和使用。
综上所述,wifi测试标准对于保证wifi性能的稳定和可靠具有重要意义。
在进行wifi测试时,我们应该严格遵守相关的测试标准,以确保测试结果的准确性和可比性,从而为提高wifi性能提供有力的支持。
希望本文对于大家了解wifi测试标准有所帮助,也希望大家在实际测试中能够严格按照标准要求进行操作,以获得准确可靠的测试结果。
无线wifi测试标准无线wifi测试标准是指对无线网络进行测试时需要遵循的一系列标准和规范。
随着无线网络技术的不断发展,无线wifi测试标准也在不断完善和更新。
本文将介绍无线wifi测试标准的相关内容,希望能够对广大测试工程师和相关人员有所帮助。
首先,无线wifi测试标准需要考虑的内容包括但不限于以下几个方面:1. 信号覆盖范围测试,对无线网络的信号覆盖范围进行测试是非常重要的,因为信号覆盖范围直接影响到用户在不同区域的网络连接质量。
测试时需要考虑不同环境下的信号覆盖情况,包括室内、室外、高楼、地下室等。
2. 信号强度测试,除了覆盖范围外,无线网络的信号强度也是需要测试的重要指标。
信号强度测试可以帮助我们了解在不同位置和距离下信号的强弱情况,从而优化网络布局和设备部署。
3. 速度和带宽测试,无线网络的速度和带宽是用户关注的重点,因此需要进行相应的测试。
通过测试可以了解网络在不同情况下的传输速度和带宽情况,从而为用户提供更好的网络体验。
4. 干扰和抗干扰测试,无线网络在实际使用中可能会受到各种干扰,包括其他无线设备、电磁干扰等。
因此需要进行干扰和抗干扰测试,以确保网络在干扰环境下的稳定性和可靠性。
5. 安全性测试,无线网络的安全性是非常重要的,需要进行相应的安全性测试,包括加密算法、认证方式、漏洞扫描等,以确保网络数据的安全性和隐私保护。
综上所述,无线wifi测试标准涉及到多个方面的内容,需要综合考虑网络的覆盖范围、信号强度、速度和带宽、干扰和抗干扰、安全性等指标。
只有全面、准确地进行测试,才能够为用户提供稳定、高效、安全的无线网络服务。
希望本文对无线wifi测试标准有所帮助,也希望大家在进行无线网络测试时能够严格遵循相关标准和规范,为用户提供更好的网络体验。
1 WLAN网络性能指标验收细则AP测试验收规范AP信号覆盖验收规范(按每个热点测)1.1.1.1 无线覆盖信号强度测试1.1.1.2 信噪比1.1.1.3 同邻频干扰检测1.1.2 AP功能测试(按每个热点测)1.1.2.1 同AP下用户隔离测试1.1.2.2 AP间切换1.1.2.3 混合接入测试1.1.2.4 系统吞吐量及接入带宽1.1.2.5 WLAN客户端(随e行客户端)认证延时测试认证接入时延测试1.1.3 AP定点业务测试规范(按每个AP测)1.1.3.1 AP配置检测1.1.3.2 AP关联测试1.1.3.3 Web用户认证测试1.1.3.4 WEB认证接入时延测试1.1.3.5 时延和丢包率1.1.3.6 Web认证用户下线测试1.1.3.7 FTP上下行速率测试1.1.3.8 网站访问成功率1.1.3.9 网站访问平均时延1.1.4 AP信号覆盖验收测试说明➢通过专业软件打点测试,记录场强及信噪比等参数,直接出报告,以附件方式上报➢打点标准以20平方米最少选取一个,重要场点需增加打点次数。
➢手工测试项目的结果添加到信号覆盖验收测试结果附件中。
格式等厂家定制表格出来后再定1.1.5 AP定点业务测试说明➢通过专业软件测试,每次测试新增一个log,每个log做好和AP设备的关联记录➢每个AP测试一次,测试需选取场强大于-75db的地点;特殊情况可以增加测试点。
➢最终通过log形成每个热点的测试结果,以附件形式上报。
➢测试网站选取如下:官网热点➢ftp下载地址如下:ftp: 218.202.0.46 u:cmccuser p:cmcctest1.2 压力测试规范(每个AP厂家抽测一次)1.2.1 用户容量测试AC设备测试验收规范1.3.1 基于DHCP方式的IP地址分配1.3.2 用户认证WEB认证1.3.2.2 随e行认证1.3.3 用户下线方式1.3.3.2 AC侦测到用户下线1.3.4 PORTAL推送功能1.3.5 NAT功能1.3.6 用户接入控制功能1.3.7 备份切换功能1.3.8 用户隔离功能1.3.9 用户带宽控制功能1.3.10 AC支持长用户名认证能力1.3.11 AC支持白名单检查功能1.3.12 AC国漫功能支持能力1.3.13 AC支持PPPoE认证能力1.3.14 不同VLAN分配不同Hot Spot ID的能力1.3.15 时钟同步支持功能1.3.16 支持按系统操作人员分配账号1.3.17 支持限制允许远程登录的账号1.3.18 AC日志记录功能1.3.19 AC接入网管能力。