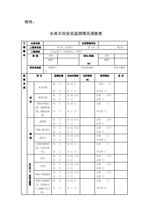
小型水库大坝安全监测情况调查表
- 格式:xls
- 大小:34.00 KB
- 文档页数:2
程监
附件1:水库大坝安全监测及检查现状调研表
现状调研表
附件1:水库大坝安全监测及检查现状调研表
1、库水位和降雨量监测包括库区及坝头所有测点的相关资料;
2、竖向位移包括测点、起测基点和校核基点的相关资料; 水平位移包括测点、工作基点和校核基点的相关资料;
3、渗流压力测量设施包括测压管或渗压计或测压管内安装渗压计;
4、渗流量测量设施包括量水堰型式及其测量仪器;
5、自动化系统中数据采集装置、通信方式及设施、防雷设施项目中包括主要仪器设备生产厂家、型号及其技术参数;
6、现场检查中日常检查记录指有或者没有填写检查记录表格,如有请提供;
7、建议包括对大坝安全监测设计、安装、运行管理等建议;
8、所有日期按照“****-**-**”的格式填写,如:2011-11-20;
9、表格后面有单位的请按照该单位填写数字;10、如有多座副坝,可按此格式增加。
流量。
附录 A
(规范性附录)
监测设施检查测试方法表A.1 大坝现状调查表
表A.2 变形监测设施现状调查表
表A.3 测压管现状调查
表A.4 渗压计现状调查表
表A.5 渗流量现状调查表
表A.6 表面变形测点、基点现场检查测试评价表
表A.7 表面变形监测控制网现场检查测试评价表
表A.8 表面裂缝测点现场检查测试评价表
表A.9 测压管现场检查测试评价表
表A.10 测压管灵敏度试验记录表
表A.11 差阻式渗压计现场检查测试表
表A.12 振弦式渗压计现场检查测试记录表
表A.13 量水堰现场检查评价表
表A.14 自动监测系统现场检查评价表
表A.15 浮子式水位计现场检查评价表
表A.16 超声波水位计现场检查评价表
表A.17 翻斗式雨量计现场检查评价表
表A.18 虹吸式雨量计现场检查评价表
工程名称:检测使用的仪器:日期:
表A.19 现有表面变形观测点、工作基点、校核基点测试统计表
表A.20 测压管测试统计表
附录 B
(规范性附录)
监测设施安装埋设考证表
表B.1水准基点安装埋设考证表
表B.2垂直位移测点安装考证表
表B.3工作基点(视准线法)安装考证表
表B.4水平位移测点安装考证表
表B.5测压管安装埋设考证表。
小型水库安全管理记录表_____ 水库汛限水位:m记录人: ___________20_年水库大坝安全检査制度一、大坝安全检查指水库大坝运行后,对其结构和运行安全可靠性的检査,和时发现大坝的异常现象或存在的隐患和缺陷,提出补救措施和改善意见。
以作为大坝维护、修复或加固、改善的基础。
二、大坝安全检查分为日常巡査、定期观测、年度详查和特种检査四种类型。
三、日常巡査由水库现场管理人员负责。
指定有经验的大坝运行维护人员在现场对大坝建筑物、溢洪道、输水洞、启闭闸门、电源、通信设施和水流和库区岸坡等进行巡视、检査;正常情况下每三日巡査一次,水库高水位、暴雨、特大洪水、地震、大风时应每日进行巡査,巡查结果和时记录;如发现异常迹象或变化,应详细记录并和时报告处理。
四、定期观测由*杆第二水利管理站负责。
由水库专业技术人员按规定的时间对水库大坝、输水洞、溢洪道等建筑物的变形、渗流进行全面系统连续的观测,汛期每月二次,非汛期每月一次。
正常情况下,变形观测应3月观测一次;特殊情况,水库高水位、强烈地震、水位骤降、特大洪水或暴雨等水库非常运行时变形应立即进行观测。
对观测结果应和时进行计算、整理、分析。
五、年度详査由—水利工程灌溉管理中心负责。
每年汛前、汛后对大坝进行详细检査。
其内容包括分析观测资料数据,审阅检査、运行、维护记录等资料档案,对大坝各种设施进行全面或专项的现场检査,提出大坝安全年度详査报告。
六、特种检査由*杆防汛抗旱指挥部负责的一种特殊情况检査。
当发生特大洪水、特大暴雨、强烈地霞或重大事故,工程非常运用以和遇有紧急情况而迅速降低水位时,有异常迹象对大坝安全有怀疑时,应安排特种检査,检査范围取决于自然事件的严重程度和所担忧的事故后果。
检査后, 应立即提出大坝安全特种检査报告。
七、巡视范围,包括坝体、坝基、坝肩、各类泄洪输水设施,以和对大坝安全有重大影响的近坝区岸坡和其他与大坝安全有直接关系的建筑物和设施。
八、巡査次数。
水坝工程安全检查表
概述
本文档旨在提供一份水坝工程安全检查表,用于评估和确保水坝工程的安全性。
水坝工程安全检查应该由专业人员进行,以确保水坝在设计、建造和运行过程中符合安全标准。
检查事项
1. 水坝结构
- 检查水坝结构是否完好无损,有无明显的破损、裂缝或漏水现象。
- 检查水坝表面是否有明显的变形或塌方。
2. 溢洪道
- 检查溢洪道的通畅性,确保没有障碍物或积水。
- 检查溢洪道闸门的运行情况,确保闸门的开关灵活可靠。
3. 应急预案
- 检查水坝建设方是否编制了应急预案,并进行定期演练。
- 检查应急预案中的联系方式是否准确有效。
4. 监测系统
- 检查监测设备的运行情况,确保传感器、监控系统等设备正
常工作。
- 检查监测数据的准确性和及时性,确保监测数据能够及时反
映水坝的运行状态。
5. 维护保养
- 检查维护保养记录,确保定期清理水坝周围的杂草和垃圾。
- 检查维护保养工作的执行情况,确保维护保养工作按时进行。
6. 安全标识
- 检查水坝周边是否设置了清晰可见的安全标识牌,提醒人员
注意水坝安全。
- 检查安全标识牌的内容是否完整,是否受损或模糊不清。
结论
水坝工程安全检查是确保水坝运行安全的重要措施。
本文档提供了水坝工程安全检查的几个要点,但并不包括所有检查事项。
专业人员应根据实际情况进行详细的安全检查,并采取相应的措施来解决发现的问题,以确保水坝工程的可靠性和安全性。
以上是本次水坝工程安全检查表的内容,请妥善使用。
木龙水库日常巡查记录表年月日天气情况:水库水位:m 水库容量:万m3序号巡查部位巡查内容白班(07:30-15:30)中班(15:30-23.30)巡查人员(签名)巡查时间巡查人员(签名)巡查时间巡查结果巡查结果1 坝顶有无裂缝、异常变形;防浪墙有无开裂、错断、倾斜、积水、沉陷等情况2 迎水坡护坡(面板)有无裂缝、剥落、滑动、降起、塌坑、错位;止水有无变形、损坏;近坝水面有无冒泡、变浑或漩等异常现象。
3 坝后有无裂缝、滑动、隆起、塌陷、散浸或扩大、涌水、流土或管涌、兽洞、排水系统是否通畅。
4 溢洪道有无堵淤或其它阻水现象,侧墙、底板、伸缩缝、排水孔是否正常,消能设施也用无损坏,下游泄水是否通畅,交能桥有无异常。
5 启闭设备启闭机运转有无异常,钢丝绳子有无破损、锈蚀现象,螺丝帽有无松动现象。
6 变形观测水平位移观测、垂直位移观测结果。
7 上级检查情况及指示盘县水库大坝安全巡查表部位巡视检查内容检查结果坝顶有无裂缝、异常变形;防浪墙有无开裂、错断、倾斜、积水、沉陷等情况迎水坡护坡(面板)有无裂缝、剥落、滑动、降起、塌坑、错位;止水有无变形、损坏;近坝水面有无冒泡、变浑或漩等异常现象。
坝后有无裂缝、滑动、隆起、塌陷、散浸或扩大、涌水、流土或管涌、兽洞、排水系统是否通畅。
溢洪道有无堵淤或其它阻水现象,侧墙、底板、伸缩缝、排水孔是否正常,消能设施也用无损坏,下游泄水是否通畅,交能桥有无异常。
启闭设备启闭机运转有无异常,钢丝绳子有无破损、锈蚀现象,螺丝帽有无松动现象。
变形观测水平位移观测、垂直位移观测结果。
由技术负责人填写,测量过程作为附件。
上级检查情况及指示巡查结论检查人:当日水位:天气情况:日期:年月日。
大坝安全现场检查表
工程
检查日期:年月日至年月日所在地区
所在河流
主管单位(或业主)
原设计单位
原施工单位
坝型
竣工日期首次蓄水日期
正常蓄水位m 设计最高水位m 运行期最高水位m 运行期最低水位m 检查时运行情况:
水库水位m 水库蓄水量万m3检查人员:
安全辅助设施检查表1 通讯设施
型式
存在问题
2 照明
型式
存在问题
3 交通设施
型式
存在问题
4 观测设施
外部
内部
观测仪器完好状况
5 其它
坝体检查表1 坝顶
2 防浪墙
3 迎水坡
4 背水坡
5 坝趾
6 排水系统
7 导渗降压设施
8 其它
坝基及坝区检查表1 坝基
2 两岸坝端
3 坝趾近区
4 坝端岸坡
5 上游铺盖
6 其它
坝内输水涵检查表1 引水段
2 进水塔
3 洞(管)身
4 出口
5 消能工
6 工作桥
7 闸(阀)门及启闭机
8 其它
溢洪道检查表1 进水段(引渠)
2 堰顶或闸室
3消能工
4 工作桥
5 闸(阀)门及启闭机
6 其它
厂房检查表1 厂房近区
2 泄流槽
3防洪墙
4 厂房结构
5 厂房内机电设备
6 其它。
全省小型水库安全大检查有关材料
(2012年5月6日)
一、山塘应急预案编制要点
1、简述工程所在乡、村,库容,坝体结构(长、高、型式),
涉及下游范围及人口和主要安全问题。
2、责任单位、责任人、日常巡查人员和通讯电话号码。
3、负责险情发布人员和发布方式。
4、负责险情处置的负责人和通讯电话号码。
5、下游可能受威胁的村庄、单位的联系人和通讯电话号码。
6、下游群众应急转移安置点。
7、其他需要编入的有关情况。
二、已加固重点小(一)型病险水库安全复查表
检查组组长签字:检查人员:检查日期:
三、正在加固的小(一)、小(二)型病险水库安全检查表
检查组组长签字:检查人员:检查日期:
四、小型水库安全检查表
检查组组长签字:
检查人员: 检查日期:
五、可能存在安全隐患水库(含山塘)安全检查表
检查组组长签字: 检查人员: 检查日期:
六、县山塘登记表
4。
小型水库雨水情测报和大坝安全监测技术标准随着我国经济的发展和人口的增加,对水资源的需求也在逐年增加。
为了满足人们的用水需求,我国建设了大量的水库和水利工程。
其中,小型水库作为分布广泛、功能多样的一类水利工程,在农田灌溉、人畜饮水、防洪排涝等方面发挥着重要的作用。
然而,水库的安全性和雨水情况的监测成为了水利工程领域的重要问题。
小型水库雨水情况的监测报告是指通过实施雨水监测系统,对小型水库附近雨量变化进行实时监测,并进行预测和预警的技术标准。
在制定小型水库雨水情测报技术标准时,应考虑以下内容:1.监测点布设:在选取监测点时,应考虑水库周边地形、气象条件等因素,合理确定监测点的数量和位置,以保证对水库附近雨量变化进行全面的监测。
测设备,如雨量计、雨量传感器等。
同时,还需考虑设备的可靠性、耐用性和易维护性等方面的要求。
3.数据采集与传输:通过数据采集器和传输设备,将监测得到的雨量数据实时传输到数据中心,并通过网络平台实现对数据的存储、管理和分析。
4.雨水量计算和预测算法:需要制定一套科学合理的雨水量计算和预测算法,以准确预测水库附近雨量的变化情况,为水库的调度和运行提供参考依据。
大坝安全监测技术标准是指对大坝结构、水位、土体渗透等方面进行实时监测和预警的技术要求。
在制定大坝安全监测技术标准时,应考虑以下内容:1.监测点布设:应根据大坝的结构特点、地质条件等因素,合理确定监测点的数量和位置,对大坝结构的变形、水位、土体渗透等进行全面监测。
备,如倾斜度计、水位计、应力应变计等。
同时,还需考虑设备的可靠性、耐用性和易维护性等方面的要求。
3.数据采集与传输:通过数据采集器和传输设备,将监测得到的数据实时传输到数据中心,并通过网络平台实现对数据的存储、管理和分析。
4.预警系统建设:在大坝监测中,应建立一套完善的预警系统,对监测数据进行实时分析和处理,以便及时发出警报,并采取相应的措施,确保大坝的安全。
综上所述,小型水库雨水情况的监测报和大坝安全监测技术标准对水利工程的安全运行具有重要的意义。
××××县××××水库大坝安全评价报告××××水利水电勘测设计有限公司二〇〇八年十二月编制单位:××××水利水电勘测设计有限公司设计证号:法定代表人:项目负责人:核定:审查:校核:编写人员:目录1 水库大坝安全综合评价 (3)1.1 综述 (3)1.2 本次安全鉴定工作简况 (9)1.3 现场安全检查 (10)1.4 大坝安全综合评价 (13)1.5 结论和建议 (20)2 现场安全检查 (24)2.1 现场安全检查依据和项目 (24)2.2 存在问题 (26)2.3 结论和建议 (29)2.4 大坝安全检查附件 (30)3 工程地质勘察与评价 (34)3.1 前期勘察工作成果 (34)3.2 本次安全评价勘察工作简述 (34)3.3 区域地质概况 (34)3.4 库区地质概况 (35)3.5 工程区地质概况 (36)3.6 大坝坝体填筑质量与评价 (37)3.7 大坝坝基及坝肩工程地质条件与评价 (38)3.8 溢洪道工程地质条件与评价 (38)3.9 输水建筑物工程地质条件与评价 (39)3.10 结论和建议 (39)4 工程质量评价 (40)4.1 评价依据及方法 (40)4.2 工程质量评价 (40)4.3 工程质量综合评价 (42)4.4 建议 (42)5 水库大坝运行管理评价 (44)5.1 管理概况 (44)5.2 大坝运行 (44)5.3 大坝维修 (45)5.4 大坝安全监测 (46)5.5 大坝运行管理综合评价 (47)5.6 建议 (47)6 防洪标准复核 (48)6.1 流域基本情况 (48)6.2 水文气象特性 (48)6.3 基本资料收集整理 (48)6.4 洪水标准 (52)6.5 设计洪水 (52)6.6 调洪计算 (64)6.7 水库抗洪能力复核 (68)6.8 泄洪影响复核 (71)6.9 结论 (71)7 渗流安全评价 (73)7.1 运行中暴露与渗流安全有关问题及处理措施 (73)7.2 评价依据及方法 (73)7.3 大坝渗流安全评价 (73)7.4 绕坝渗流评价 (75)7.5 溢洪道渗流安全评价 (76)7. 6 输水设施渗流安全评价 (76)7. 7 结论及建议 (76)8 结构安全评价 (78)8.1 水库建设及历次加固情况 (78)8.2 评价依据及方法 (78)8.3结构安全评价 (79)8.4 结论 (86)9 抗震复核 (87)10 金属结构安全评价 (87)1 水库大坝安全综合评价1.1 综述1.1.1 工程概况(1)地理位置××××水库是××县水利局管理的一座小(1)型水库,属于左江二级支流××××河,东径106°59′,北纬22°09′,位于××县城中镇××××村,距城中镇政府所在地约15公里,是一座以灌溉为主,兼有防洪、水产养殖等功能的小(1)型水库。
××××县××××水库大坝安全评价报告××××水利水电勘测设计有限公司二〇〇八年十二月编制单位:××××水利水电勘测设计有限公司设计证号:法定代表人:项目负责人:核定:审查:校核:编写人员:目录1 水库大坝安全综合评价 (3)1.1 综述 (3)1.2 本次安全鉴定工作简况 (8)1.3 现场安全检查 (10)1.4 大坝安全综合评价 (12)1.5 结论和建议 (18)2 现场安全检查 (22)2.1 现场安全检查依据和项目 (22)2.2 存在问题 (24)2.3 结论和建议 (27)2.4 大坝安全检查附件 (27)3 工程地质勘察与评价 (31)3.1 前期勘察工作成果 (31)3.2 本次安全评价勘察工作简述 (31)3.3 区域地质概况 (31)3.4 库区地质概况 (32)3.5 工程区地质概况 (33)3.6 大坝坝体填筑质量与评价 (34)3.7 大坝坝基及坝肩工程地质条件与评价 (35)3.8 溢洪道工程地质条件与评价 (35)3.9 输水建筑物工程地质条件与评价 (35)3.10 结论和建议 (35)4 工程质量评价 (37)4.1 评价依据及方法 (37)4.2 工程质量评价 (37)4.3 工程质量综合评价 (39)4.4 建议 (39)5 水库大坝运行管理评价 (41)5.1 管理概况 (41)5.2 大坝运行 (41)5.3 大坝维修 (42)5.4 大坝安全监测 (43)5.5 大坝运行管理综合评价 (43)5.6 建议 (44)6 防洪标准复核 (45)6.1 流域基本情况 (45)6.2 水文气象特性 (45)6.3 基本资料收集整理 (45)6.4 洪水标准 (49)6.5 设计洪水 (49)6.6 调洪计算 (61)6.7 水库抗洪能力复核 (65)6.8 泄洪影响复核 (68)6.9 结论 (68)7 渗流安全评价 (69)7.1 运行中暴露与渗流安全有关问题及处理措施 (69)7.2 评价依据及方法 (69)7.3 大坝渗流安全评价 (69)7.4 绕坝渗流评价 (71)7.5 溢洪道渗流安全评价 (71)7. 6 输水设施渗流安全评价 (72)7. 7 结论及建议 (72)8 结构安全评价 (73)8.1 水库建设及历次加固情况 (73)8.2 评价依据及方法 (73)8.3结构安全评价 (73)8.4 结论 (80)9 抗震复核 (81)10 金属结构安全评价 (81)1 水库大坝安全综合评价1.1 综述1.1.1 工程概况(1)地理位置××××水库是××县水利局管理的一座小(1)型水库,属于左江二级支流××××河,东径106°59′,北纬22°09′,位于××县城中镇××××村,距城中镇政府所在地约15公里,是一座以灌溉为主,兼有防洪、水产养殖等功能的小(1)型水库。