(水泥杆)技术规范
- 格式:doc
- 大小:116.00 KB
- 文档页数:17
水泥杆规范水泥杆是一种用于支撑、固定和加固的结构材料,常用于建筑工程、桥梁、道路和其他工程施工中。
水泥杆的规范通常是由国家、行业协会和相关标准制定机构制定的,在设计、制造和安装水泥杆时必须严格遵守。
本文将针对水泥杆的规范进行详细的介绍,以便读者更好地了解水泥杆的使用和施工。
首先,水泥杆的规范要求在制造过程中应选择高质量的水泥和骨料,并以上等钢筋为骨架进行加固。
水泥杆的材料应符合国家相关标准的要求,并经过质量检测合格后方可使用。
其次,水泥杆的外观应平整光滑,无明显的裂缝、缺陷和变形。
水泥杆的表面应进行防腐处理,以提高其耐久性和抗风化能力。
水泥杆的颜色和底漆的选择应符合设计要求,并且应定期维护和保养,以延长使用寿命。
水泥杆的尺寸和形状应符合设计要求,经计算和测试,以确保其承载能力和稳定性。
水泥杆的直径、长度和厚度应根据具体的工程需要确定,并按照规范进行设计和制造。
水泥杆的标志和标示应清晰可辨,以便在使用和维护中能准确地进行识别和辨认。
在水泥杆的安装过程中,应按照规范和设计要求进行施工,并采取适当的安全措施,确保施工人员的人身安全和杆体的完整性。
水泥杆的安装位置和间距应根据具体的工程需要确定,并进行测量和标志,以保证安装的准确性和一致性。
此外,水泥杆的质量控制和检测是非常重要的一环。
在生产和施工过程中,应定期进行质量检查和监测,确保水泥杆的符合规范的要求。
对于不符合要求的水泥杆,应及时进行修复或更换,以保证工程的质量和安全。
总之,水泥杆的规范对于保证工程的质量和安全至关重要。
在设计、制造和安装水泥杆时,需要遵守相关的规范和标准,确保水泥杆的质量和可靠性。
只有这样,才能保证水泥杆在工程中的正常使用和长期稳定。
水泥电杆技术规范书中国联通广东分公司本地网工程水泥电杆及高低标桩技术规范书中国联通广东分公司〔2020年〕1、概述1.1本技术规范书未规定的其它技术要求应不劣于中国国家标准、行业标准的要求。
1.2本技术规范书未标明日期的中国国家标准、行业标准均使用最新版本〔截至2006年底〕。
1.3应提供对«第四部分申请技术规范书文件»中的〝逐点、逐条〞应答,严禁对所有〔或部分条款〕进行〝全部满足〞简单化应答,否那么,视为无效应答。
1)只能使用〝满足〞、〝不满足〞。
2)其他用词〔包括〝部分同意〞、〝部分同意〞、〝部分满足〞〝明白〞、〝明白得〞、〝注意到〞,以及补充说明的文字等在内〕均视为〝不满足〞。
3)点对点应答中的漏项,视为〝不满足〞例:1.6本次招标文件文件的说明权属于广东联通。
应答:满足〔或不满足〕。
1.4投标方至少应提供包括以下内容的技术文件:1.水泥电杆及高低桩制造厂家的名称和地址。
2.水泥电杆及高低桩的技术标准、制造方法及质量保证措施。
3.水泥电杆及高低桩的结构〔包括截面〕图、各部分的详细尺寸和重量。
4.水泥电杆及高低桩所用要紧原材料的生产厂家、型号及要紧技术标准5.保证水泥电杆及高低桩寿命的有关技术措施、水泥电杆及高低桩预期寿命的测试方法和运算公式。
1.6现场验证/动作投标方为本工程提供的水泥电杆及高低桩必须是通过现场验证过的,而且必须是为1个电信主管部门〔运营商〕提供一年以上中意服务的水泥电杆及高低桩类型。
投标方在技术文件中应提供购买上述类型水泥电杆及高低桩投入使用的电信主管部门的名称和地址〔包括邮政编码、电报挂号、及号码〕。
并详细列出水泥电杆及高低桩的型号、技术数据和长度、验收日期等。
广东联通保留证实所供水泥电杆及高低桩性能的权力。
1.6本次招标文件的说明权属于广东联通。
1.7广东联通有权对资格入围申请方供应的产品进行随机抽检测试。
假如日后发觉投标方供应的产品质量不合格或者质量比投标时提供的样品质量差,那么资格入围申请方须无条件更换不合要求的产品,并须将该批次供应的物资的总款的50%作为罚金支付给广东联通;而且广东联通有权赶忙终止与中标方签订的供货合同,所有的一切后果由中标方承担。
第二部分技术规范书中国联通广东分公司本地网工程水泥电杆及高低标桩技术规范书中国联通广东分公司(2008年)1、概述1.1本技术规范书未规定的其它技术要求应不劣于中国国家标准、行业标准的要求。
1.2本技术规范书未标明日期的中国国家标准、行业标准均使用最新版本(截至2006年底)。
1.3应提供对《第四部分申请技术规范书文件》中的“逐点、逐条”应答,严禁对所有(或部分条款)进行“全部满足”简单化应答,否则,视为无效应答。
1)只能使用“满足”、“不满足”。
2)其他用词(包括“部分同意”、“部分接受”、“部分满足”“明白”、“理解”、“注意到”,以及补充说明的文字等在内)均视为“不满足”。
3)点对点应答中的漏项,视为“不满足”例:1.6本次招标文件文件的解释权属于广东联通。
应答:满足(或不满足)。
1.4投标方至少应提供包括以下内容的技术文件:1.水泥电杆及高低桩制造厂家的名称和地址。
2.水泥电杆及高低桩的技术标准、制造方法及质量保证措施。
3.水泥电杆及高低桩的结构(包括截面)图、各部分的详细尺寸和重量。
4.水泥电杆及高低桩所用主要原材料的生产厂家、型号及主要技术标准5.保证水泥电杆及高低桩寿命的有关技术措施、水泥电杆及高低桩预期寿命的测试方法和计算公式。
1.6现场验证/动作投标方为本工程提供的水泥电杆及高低桩必须是经过现场验证过的,而且必须是为1个电信主管部门(运营商)提供一年以上满意服务的水泥电杆及高低桩类型。
投标方在技术文件中应提供购买上述类型水泥电杆及高低桩投入使用的电信主管部门的名称和地址(包括邮政编码、电报挂号、传真及电话号码)。
并详细列出水泥电杆及高低桩的型号、技术数据和长度、验收日期等。
广东联通保留证实所供水泥电杆及高低桩性能的权力。
1.6本次招标文件的解释权属于广东联通。
1.7广东联通有权对资格入围申请方供应的产品进行随机抽检测试。
如果日后发现投标方供应的产品质量不合格或者质量比投标时提供的样品质量差,则资格入围申请方须无条件更换不合要求的产品,并须将该批次供应的货物的总款的50%作为罚金支付给广东联通;而且广东联通有权立即终止与中标方签订的供货合同,所有的一切后果由中标方承担。
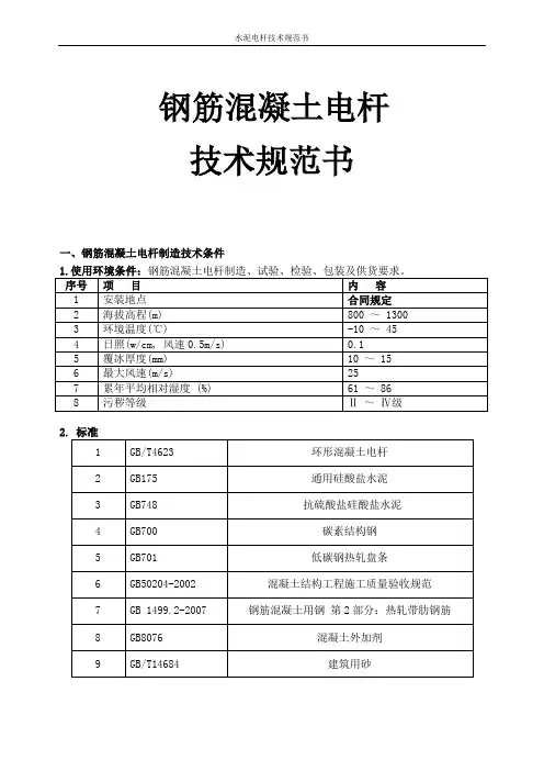
水泥电杆技术规范书钢筋混凝土电杆技术规范书一、钢筋混凝土电杆制造技术条件二、技术要求1.基本要求1.1 电杆规格、型号、制造质量应符合现行国家标准《环形混凝土电杆GB/T4623-2006》的规定。
1.2外观质量应符合下列规定:(1)表面光洁平整,壁厚均匀,无露筋、漏浆等现象。
(2)应无纵向、环向裂纹。
(3)杆身弯曲不应超过标准要求。
1.3 离心混凝土的设计强度不得低于C50,脱模时混凝土抗压强度不宜低于30Mpa。
备注:φ190杆型钢筋混凝土锥形杆配筋说明如下:φ190×10(S190-10-1416);φ190×12(S190-12-1416);φ190×15(S190-9-1616、X310-6-1816);φ190×18(S190-9-1616、X310-9-1816)。
φ230杆型钢筋混凝土锥形杆配筋说明如下:φ230×12(S230-12-1816);φ230×15(S230-9-1816、X350-6-1816);φ230×18(S230-9-1816、X350-9-1816)2.试拼与试装检查技术要求2.1 钢筋混凝土电杆的试装,应保证每一种塔型都应经过试组装,经检验合格后方可投入批量生产。
钢筋混凝土电杆试组装时应有买方的代表及有关单位人员参加。
组装时各零件均应按施工图要求进行就位。
安装不适应查明原因,不得强行组装。
试装时,所使用的螺栓数目应不少于连接杆件端螺栓总数的60%,并应进行紧固。
2.2钢筋混凝土电杆试组装检验应包括以下项目(1)塔型控制尺寸检查;(2)钢筋混凝土电杆根开、基础根开检查;(3)挂线点尺寸及位置检查;(4)构件规格与设计图或经批准的设计转换图的校对;(5)构件偏差的抽查;(6)构件几何断面尺寸偏差的抽查;(7)挂线点构件几何断面尺寸的检查。
对每一种塔型在试组装后需修改原设计的部位,应由承包人提出清单报买方,经设计单位修改、买方批准后,承包人再按批准的图纸、文件进行加工。
水泥杆规范水泥杆规范通常是指用于铺设电力线路、电力设备杆塔和其他工程的水泥电杆的相关规范。
下面是一个关于水泥杆规范的1000字简介:1. 引言水泥杆是一种常用的建筑材料,用于支撑电力线路、电力设备杆塔以及其他工程。
水泥杆的质量和规范的执行对工程的稳定和安全起着至关重要的作用。
本规范的目的是确保水泥杆在设计、制造、运输和安装过程中遵循一定的标准,以保证工程的质量和安全。
2. 材料2.1 水泥:水泥应符合相关国家标准,具有足够的强度和耐久性。
2.2 钢筋:钢筋应符合相关国家标准,具有足够的强度和耐久性。
2.3 混凝土:混凝土应符合相关国家标准,具有足够的强度和耐久性。
3. 设计3.1 电力线路杆塔设计:水泥杆的设计应满足电力线路的荷载要求,包括安装线缆的重量和风力对杆塔的影响。
3.2 水泥杆的高度、直径和壁厚:水泥杆的高度、直径和壁厚应按照相关标准进行设计,以保证足够的强度和稳定性。
3.3 钢筋使用:水泥杆中的钢筋应按照设计要求进行布置和使用,以增加杆塔的抗弯强度和抗震性能。
4. 制造4.1 水泥杆的制造应按照相关标准进行,包括混凝土的配制、浇筑和养护过程。
4.2 水泥杆的钢筋应按照设计要求进行布置和焊接,以确保杆塔的强度和稳定性。
5. 运输和安装5.1 水泥杆在运输过程中应注意杆塔的固定和保护,以防止损坏和变形。
5.2 水泥杆的安装应符合相关标准,包括安装深度、固定方式和水平度要求。
6. 质量控制6.1 水泥杆的质量控制应包括原材料的检验、生产过程的控制和产品的抽样检测。
6.2 水泥杆的质量验收应符合相关标准和规范,包括外观质量、尺寸和强度等项目的检验。
7. 技术要求和试验7.1 水泥杆应满足相关技术要求,包括外观、尺寸、强度和稳定性等要求。
7.2 水泥杆的试验应按照相关标准进行,包括抗压、抗折和抗震等试验。
8. 安全措施8.1 水泥杆的制造、运输和安装过程中应注意安全措施,包括使用必要的防护装置和遵守相关规定。
水泥杆技术规范书工程名称:南宁市银海大道拓宽三期工程(平乐大道~那马镇)(K1+300~K3+403.541)(K4+800~K7+200)涉及南宁良庆水利电业有限公司高低压供电线路迁改工程广西金宇电力开发有限公司2017年04月目录1 总则 (1)2 工作范围 (1)2.1.范围和界限 (1)2.2.服务范围 (2)3 应遵循的主要标准 (4)4 使用条件 (5)4.1.正常使用条件 (6)4.2.特殊使用条件 (6)5 技术要求 (7)5.1基本参数 (7)5.2结构和功能要求 (7)6 试验要求 (12)7 产品对环境的影响 (13)8常用型号及技术参数 (14)9技术文件 (15)10起吊、运输和贮存 (16)10.1起吊 (16)10.2标志 (16)10.3贮存 (17)10.4运输 (18)11技术差异表 (18)12 卖方需说明的其他问题 (19)附录A:预应力、部分预应力混凝土锥形杆开裂检验弯矩附录B:整根钢筋混凝土锥形杆开裂检验弯矩附录 C:组装钢筋混凝土锥形杆开裂检验弯矩附录D:大拔梢杆(高强杆)开裂检验弯矩1 总则1.1 本招标技术文件适用于中国南方电网公司电网建设工程项目采购的环型钢筋混凝土电杆,它提出了该设备本体及附属设备的功能设计、结构、性能、安装和试验等方面的技术要求。
1.2 本设备招标技术文件提出的是最低限度的技术要求。
凡本招标技术文件中未规定,但在相关设备的行业标准、国家标准或IEC标准中有规定的规范条文,卖方应按相应标准的条文进行设备设计、制造、试验和安装。
对国家有关安全、环保等强制性标准,必须满足其要求。
1.3 如果卖方没有以书面形式对本招标技术文件的条文提出异议,则意味着卖方提供的设备完全符合本招标技术文件的要求。
如有异议,不管是多么微小,都应在报价书中以“对招标技术文件的意见和同招标技术文件的差异”为标题的专门章节中加以详细描述。
1.4 本招标技术文件所使用的标准如遇与卖方所执行的标准不一致时,按较高标准执行。
水泥杆基础施工工艺技术标准1.1 适用范围本节内容适用于10kV线路水泥杆基础施工1.2 引用标准GB50173—92《电气装置安装工程35kV及以下架空电力线路施工及验收规范》GB 50202-2002《建筑地基基础工程施工质量验收规范》Q/G D1 1123.8-2009《广东电网公司配网工程施工作业指导书》第一篇架空线路安装工程第一部分:土建工程分册第一篇架空线路土建工程Q/DSG11105-2008《南方电网工程施工工艺控制规范》第4部分:配网工程《广东电网公司电网建设“安全、优质、文明”样板工程标准》《工程建设标准强制性条文》1.3 设计要求1.3.1 基础坑定位(1)直线杆顺线路方向位移不超过设计档距的3%。
直线杆横线路方向位移不超过50mm。
(2)转角杆、分支杆的横线路、顺线路方向的位移均不超过50mm。
1.3.2 基础坑(1)当设计施工基面为零时,杆塔基础坑深以设计中心桩处自然地面标高为基准。
拉线基础坑深以拉线基础中心的地面标高为基准。
(2)电杆基础坑深度的允许偏差为+100mm、-50mm。
同基基础坑在允许偏差范围内按最深一坑持平。
(3)双杆基坑,根开的中心偏差不应超过±30mm,两杆坑深度一致。
1.3.3 底盘安装1.3.4 卡盘安装500mm1.3.5 基坑回填土要求(1(2)(3) 松软土质的基坑,(4) 回填土后的电杆基坑设置防沉土层。
土层上部面积不小于坑口面积;培土高度超出地面300-500mm。
(5) 当采用抱杆立杆留有滑坡时,滑坡(马道)回填土夯实,并留有防沉土层。
1.4 施工工艺要点1.4.1 杆基础深度、顺线路偏移量符合设计要求;双杆基础的中心根开、双杆基底相对高差符合设计要求,若双杆基础的落差较大,应使最浅杆坑满足设计深度要求。
1.4.2 杆基础坑底夯实、平整。
1.5 样板图片图4-1-1 电杆基础开挖图4-1-3基坑回填后图4-1-2基坑回填。
水泥杆技术规范 Prepared on 22 November 2020水泥杆(非预应力)技术规范1.总则1.1.本技术条件适用于电网改造工程所需环形(非预应力)钢筋混凝土电杆的结构、性能、检验等方面的技术要求。
1.2投标人应按本技术条件及所列的标准要求提供高质量工程材料及相应服务,同时还必须满足国家有关安全、环保等强制性标准的要求。
1.3投标人在投标时应提供由国家技术监督局认证的并且有省级钢筋混凝土电杆制品质检部门进行的产品质量检验报告,产品质量检验报告的有效期规定为二年。
投标厂家所提供的产品应符合设计要求。
2.引用标准3.lGB175硅酸盐水泥、普通硅酸盐水泥。
碳素结构钢。
低碳钢热轧原盘条。
T14684建筑用砂。
混凝土结构设计规范。
普通混凝土力学性能试验方法。
混凝土强度检验评定标准。
预制混凝土构件质量检验评定标准。
混凝土拌合用水标准。
4.10GB396环形钢筋混凝土电杆本技术条件中未尽事项均应满足相应的GB标准或更高标准。
5.使用环境条件6.1海拔高度:<1800m7.2最大风速:35m/s8.3最高温度:+40℃最低温度:-40℃9.5覆冰厚度:10mm10.环形钢筋混凝土电杆结构和技术参数11.1检验标准应符合相应国标标准,组装锥形杆杆段标准检验弯矩如表组装锥形杆杆段标准检验弯矩原材料应符合附录A的要求。
离心混凝土的设计强度:当电杆壁厚为30~35mm时,离心混凝土的设计强度不得低于400kgf/cm2;当电杆壁厚大于36mm时,不得低于300kgf/cm2。
脱模强度应不低于设计强度的50%。
构造要求:保护层厚度:主筋直径为6mm或小于6mm时,不得小于12mm;主筋直径在6mm以上时,不得小于15mm。
主筋直径应不大于壁厚的2/5。
如主筋采用低碳冷拨钢丝,其直径应不大于壁厚的1/5。
主筋沿电杆环向均匀配置。
整根锥形杆主筋不得少于6根,等径杆不得少于8根,或按设计图纸配置。
主筋接头须采用对焊连接。
水泥电线杆的拉线安装技术规范
水泥电线杆的拉线安装技术规范主要包括以下几个方面:
1. 电线杆的选择:选择具有良好机械性能和稳定性能的水泥电线杆,确保其能够承受
预期拉线的张力。
2. 拉线类型的选择:根据具体情况选择适合的拉线类型,包括金属拉线、绝缘拉线等,根据电力线路的需要确定拉线的导体截面积和材料。
3. 拉线张力的确定:根据电力线路设计的要求和张力计的测量结果,确定拉线的张力。
拉线的张力应符合设计要求,既不能过紧导致电线杆承受过大的拉力,也不能过松导
致电线挂垂。
4. 拉线的固定方法:拉线的固定应符合相关标准,使用合适的拉线夹、线夹或吊线夹
等固定拉线。
固定部位的选择应注意避免对拉线造成损坏,并确保固定点的承载能力。
5. 拉线的走向和间距:拉线的走向应符合设计要求,避免与其他设施物进行交叉。
拉
线间距的确定应根据电力线路的需求和相关标准进行。
6. 拉线的保护:拉线在穿越桥梁、路灯、河流等地方时,应采取适当的保护措施,例
如使用导线管或护线套等。
7. 拉线的接地:拉线的接地应符合相关标准,确保拉线能够正常进行接地保护,保证
电力线路的安全运行。
在进行水泥电线杆拉线安装时,还应考虑天气条件、施工环境以及安全操作等因素,
并严格按照相关标准和规范进行操作,确保拉线的稳定安全。
水泥电线杆的拉线安装技术规范
1.水泥电线杆应该根据受力的情况来安装,水泥电线杆的拉线要与电杆的夹角保持在45度左右,拉线的深度可以按照受力的大小来决定,一般深度在1.2-1.5米左右。
2.水泥电线杆的安装主要流程是:埋好地铺--做好中把--上把与绝缘子的连接--水泥电线杆拉线的上下固定住--收紧中把和下把的连接等。
在埋设水泥电杆的时候需要注意锚木或者拉线盘改正,分层填土充实,并注意拉线的角度。
3.水泥电线杆拉线安装技术规范:
A同一个水泥电线杆在安装的时候使用多条拉线的时候,每条拉线的受力一定要一致。
B采用的是镀锌线合股组成的拉线,拉线的数量不要少于3股。
C合股组成的镀锌铁线的拉线,可以采用直径不小于3.2毫米的镀锌铁线绑扎固定,绑扎应该整齐紧密。
2.1 环境条件2.2 原材料2.2.1水泥预应力杆采用不低于53.5MPa的硅酸盐水泥、普通硅酸盐水泥、矿渣硅酸盐水泥,抗硫酸盐水泥、或不低于42.5MPa的快硬硅酸盐水泥,其性能应符合GB175、GB199、GB748及GB1344规定。
采用43.5MPa以上的硅酸盐水泥、普通硅酸盐水泥、矿渣硅酸盐水泥,抗硫酸盐水泥、其性能应符合GB175、GB1344、GB7482.2.2集料砂子采用中粗,石子采用碎石,其质量应分别符合GB/T 14684、GB/T 14685的规定,并符合GBJ204的规定。
预应力并应符合GBJ204的规定。
2.2.3水拌制混制土须采用饮用水,水质应符合JGJ63的规定。
2.2.4外加剂掺入混凝土中的外加剂,其性能应符合GB8076的规定,严禁掺入氯盐类外加剂2.2.5钢筋预应力钢筋采用冷拉Ⅱ级、冷拉Ⅲ级、冷拉Ⅳ级、Ⅴ级(热处理)钢筋、甲级冷拔低碳钢丝、刻痕钢丝和钢铰丝、碳素结构钢,其性能应分别符合GB1499、GB5223、GB5224和GB4463的规定非预应力钢筋采用I级、II级钢筋,其性能应分别符合GB700,GB701的规定2.2.6混凝土预应力电杆离心混凝土的设计强度不低于C50级离心混凝土的设计强度不低于C40级,出厂时混凝土强度等级应不低于设计强度的80%。
2.3 结构要求2.3.1保护层厚度不得小于17mm;钢板圈接头端顶部必须有混凝土保护层,电杆在正常使用时,在10年以内外环筋不应出现外露锈蚀现象。
2.3.2环形混凝土电杆钢筋骨架加工应符合GB4623-2006的规定2.4电杆接头、预埋件及预留孔2.4.1 12米及以下电杆为整根。
2.4.2 接头采用钢板圈2.4.3主筋与连接板的连接应采用焊接,焊接质量应符合GBJ204的规定2.4.4电杆接头强度不得低于接头处断面承载能力的95%2.4.5预埋件、预留孔按设计图纸设置,并清理干净2.4.6接地螺母部分应有明显标记,并清理干净,接地螺母的位置与买方协商确定。
中国联合网络通信有限公司西藏分公司水泥电杆技术规范书中国联合网络通信有限公司西藏分公司水泥电杆技术规范书中国联合网络通信有限公司西藏分公司2012年3月1、概述1.1本技术规范书为中国联通西藏自治区分公司关于水泥杆的主要技术要求,供厂商或代理商提供产品配置、报价以及产品服务承诺之用。
1.2本技术规范书未规定的其它技术要求应不劣于中国国家标准、行业标准的要求。
1.3本技术规范书未标明日期的中国国家标准、行业标准均使用最新版本。
1.4投标方应在投标书中提供购买这类水泥杆的用户证明,其中包括投入实际运营的电信主管部门的名称、地址、传真和电话号码、设备的类型、验收数据及应用地点等。
招标方保留证实所供管道性能的权力,如有必要,可现场调查。
1.5投标方至少应提供包括以下内容的技术文件:(1)水泥电杆制造厂家的名称和地址。
(2)水泥电杆的技术标准、制造方法及质量保证措施。
(3)水泥电杆的结构(包括截面)图、各部分的详细尺寸和重量。
(4)水泥电杆所用主要原材料的生产厂家、型号及主要技术标准(5)保证水泥电杆寿命的有关技术措施、水泥电杆预期寿命的测试方法和计算公式。
1.6现场验证/动作投标方为本工程提供的水泥电杆及高低桩必须是经过现场验证过的,而且必须是为1个电信主管部门(运营商)提供一年以上满意服务的水泥电杆及高低桩类型。
1.7西藏联通有权对投标方供应的产品进行随机送检,送检的所有费用全部由资格入围申请方承担。
1.8本次招标文件的解释权属于西藏联通。
西藏联通有权对资格入围申请方供应的产品进行随机抽检测试。
如果日后发现投标方供应的产品质量不合格或者质量比投标时提供的样品质量差,则资格入围申请方须无条件更换不合要求的产品;而且西藏联通有权立即终止与中标方签订的供货合同,所有的一切后果由中标方承担。
假如上述不合要求的产品西藏联通已使用在工程建设中,造成工程质量有问题或存在质量隐患,则中标方须负相应的责任。
2、主要型号、技术要求和指标2.1水泥电杆结构材料规范要求2.2.1钢筋骨架2.2.1.1纵向受力钢筋沿电杆环向均匀配置,锥形杆不得少于6根,等径杆不得少于8根。
锥形水泥杆整根杆,无根部法兰技术规范书版本号:2020版V1.0第一部分:通用部分11总则11.1一般规定11.2标准和规范12技术要求和性能参数22.1环境条件22.2原材料32.2.1水泥32.2.2集料32.2.3水32.2.4外加剂32.2.5掺合料32.2.6钢筋32.3结构要求42.4电杆接头、预埋件及预留孔42.4.1接头采用钢板圈42.5技术要求42.5.1混凝土抗压强度42.5.2外观质量42.6其它要求63试验内容及要求73.1试验分类73.2试验时机及抽样73.2.1型式试验73.2.2出厂试验73.2.3交接试验73.2.4抽检试验73.3试验方法和要求73.3.1混凝土抗压强度83.3.3力学性能83.3.4保护层厚度83.3.5钢筋骨架质量83.4判定规则93.4.1外观质量和尺寸偏差9 3.4.2力学性能93.4.3保护层厚度93.4.4钢筋骨架质量93.4.5总判定94技术服务、检验和监造9 4.1技术服务94.2检验和监造104.2.1工厂检验104.2.2监造104.2.3目的站检验104.2.4现场检验105标志、包装、运输115.1标志115.2包装115.3运输11第二部分:专用部分121. ..................................................................................................................... 技术特性参数表122. ..................................................................................................................... 组件材料配置表133. ..................................................................................................................... 主要生产设备清单134........................................................................................................................ 主要实验设备清单135. ....................................................................................................................... 供货业绩14第一部分:通用部分1总则1.1一般规定1.1.1本技术条件适用于XXX公司锥形水泥杆整根杆,无根部法兰的订货,是相关设备招标书/订货合同的技术条款。
环形混凝土电杆技术规范书XXXXX公司2017年3月目录编制说明 (3)一、总则 (4)二、技术要求 (6)三、检验与厂验 (13)四、质量体系 (20)五、技术文件 (20)附录A 电杆力学性能试验方法 (21)编制说明为了在XXXXX公司(以下简称湖北公司)的传输网工程中统一环形混凝土电杆的技术规范要求,施行最新的国家标准,强化工程管理,规范工程建设,特制定本技术规范书。
本技术规范书依据中华人民共和国国家标准GB/T 4623-2006《环形混凝土电杆》的技术要求进行编写。
本技术规范书以GB/T 4623-2006 为基础,针对湖北公司对传输网工程的质量要求,作了如下修订:(1)规定湖北公司传输网工程所用环形混凝土电杆须为全部预应力混凝土锥形电杆,且为整根杆,不采用组装杆。
(2)规定湖北公司传输网工程所用环形混凝土电杆的尺寸规格、外观质量及力学性能等要求。
(3)要求将电杆的标准埋设深度增加至电杆的临时标志中。
(4)增加了产品质量体系及技术文件的相关要求。
本技术规范书自发布之日起,在湖北公司范围内作为设计、施工、监理、器材采购、招标文件和验收的技术依据。
一、总则1 范围本技术规范书规定了湖北公司环形混凝土电杆的分类、原材料及构造、技术要求、试验方法、检验规则、标志与出厂证明书、贮存运输、质量体系及技术文件等内容。
本技术规范书适用于湖北公司传输网工程建设的设计、施工、监理、器材采购、招标文件和验收等。
2 规范性引用文件下列文件中的条款通过本技术规范书的引用而成为本技术规范书的条款。
凡是注日期的引用文件,其随后所有的修改单(不含勘误的内容)或修订版均不适用于本技术规范书。
凡是不注明日期的引用文件,其最新版本适用于本技术规范书。
GB/T 4623-2006 《环形混凝土电杆》GB l75 硅酸盐水泥、普通硅酸盐水泥GB l99 快硬硅酸盐水泥GB 748 抗硫酸盐硅酸盐水泥GB 1344 矿渣硅酸盐水泥、火山灰质硅酸盐水泥及粉煤灰硅酸盐水泥GB 1499 钢筋混凝土用热扎带肋钢筋(GB 1499-1999,neq ISO 6935-2:1991)GB/T 5223-2002 预应力混凝土用钢丝(ISO 6934-2:1991,NEQ)GB/T 5223.3-2005 预应力混凝土用钢棒(ISO 6934-3:1991,MOD)GB/T 5224-2003 预应力混凝土用钢绞线(ISO 6934-4:1991,NEQ)GB 8076 混凝土外加剂GB 13013 钢筋混凝土用热扎光圆钢筋GB/T 14684 建筑用砂GB/T 14685 建筑用卵石、碎石GB/T 50081-2002 普通混凝土力学性能试验方法标准GB 50204-2002 混凝土结构工程施工质量验收规范GBJ 107-1987 混凝土强度检验评定标准JGJ 19-1992 冷拨钢丝预应力混凝土构件设计与施工规程JGJ 63 混凝土拌合用水标准3 术语和定义下列术语和定义适用于本技术规范书。
阳朔县2011年县城电网建设与改造项目环形钢筋混凝土电杆招投标技术规范书桂林丰源电力勘察设计有限公司阳朔分公司2011年5月目录1、总则2、引用标准3、使用条件4、技术要求5、试验方法6、检验规则7、标志与出厂证明8、保管及运输9、供货范围附录A附录B1 总则1.1 本规范书仅提出材料的功能设计、结构、性能、安装和试验等方面的技术要求。
1.2 需方在本规范书中提出了最低限度的技术要求,并未规定所有的技术要求和适用的标准,供方应提供一套满足本规范书和所列标准要求的高质量产品及其相应服务。
1.3 供方须执行现行国家标准和行业标准。
有矛盾时,按要求较高的标准执行。
2 应遵循的主要现行标准2.1GB /T4623-2006 《环型混凝土电杆》2.2SD 149—85 《环型预应力混凝土电杆制造工艺规程(离心成型)》2.3混凝土电杆的制造技术:2.3.1混凝土电杆应根据现行标准,按施工图进行制造。
2.3.2制造混凝土电杆所用的钢材,水泥及混凝土骨土料,添加剂等均应符合设计要求及现行标准,并附有质量保证书及合格的复验资料。
2.3.3预埋钢管及脚钉螺母,泄水孔应符合设计要求,位置及方向应符合图纸的要求。
其外露金属部分应有明显标记,并清理干净。
2.3.4外表面应光洁平直无麻面和露筋现象。
合逢处不漏桨(漏浆大于30cm为不合格)。
2.4试验2.4.1离心混凝土强度采用与产品同质,同配合比,同成型工艺、同养护条件的离心环形试件按规定的试验方法进行。
2.4.2采用简支试验方法进行力学性能试验,试验方法按有关标准进行。
2.4.3加工中采用的各类钢材均应有常规物理,化学试验的证明报告。
2.5标志与出厂证明书2.5.1在混凝土电杆表面应有厂名或商标,制造年份与型号的永久标志。
2.5.2出厂证明书应有下列内容:a 证明书编号;b 相应标准的编号;c 制造厂厂标及制造年、月;d 产品规格及数量;e 离心混凝土强度检验结果;f 力学性能检验结果;g 外观尺寸检验结果;h 制造厂技术检查部门签章。
2.6.3 出厂前的保管应按规定的堆放标准堆放。
2.6.4产品运输时装卸起吊应轻放,严禁抛掷,碰撞。
3 使用条件各单位订货时应参照下列条文结合工程实际提出使用条件,并符合相关的国家规定。
3.2环境条件室外架空线路,环境温度;3.3使用导线铝绞线及钢芯铝绞线.4技术要求厂商提供导线结构尺寸、特性参数等技术资料和电杆构造各部分的原材料及其来源、性能指标等,并在供货合同中明确。
4.1品种和规格4.1.1环形钢筋混凝土电杆为锥形杆(锥度为1∶75).4.1.2锥形杆有整根杆和组装杆两种。
长度在12米及以下电杆全部为整根杆,大于12米高度的为组装杆。
组装杆由杆段连接成整根杆。
4.2 产品外形尺寸应符合GB396-4标准的要求,主要指标符合表1和表2的要求。
4.3 原材料应符合附录A(补充件)的要求。
4.4离心混凝土的设计强度:当电杆壁厚为30~35mm时,离心混凝土的设计强度不得低于400kgf/cm2;当电杆壁厚大于36mm时,不得低于300kgf/cm2。
脱模强度应不低于设计强度的50%。
4.5构造要求:4.5.1 保护层厚度:主筋直径为6mm或小于6mm时,不得小于12mm;主筋直径在6mm以上时,不得小于15mm。
4.5.2 主筋直径应不大于壁厚的2/5。
如主筋采用低碳冷拨钢丝,其直径应不大于壁厚的1/5。
主筋沿电杆环向均匀配置。
整根锥形杆主筋不得少于6根,等径杆不得少于8根,或按设计图纸配置。
4.5.3 主筋接头须采用对焊连接。
其对焊接头在间距为500mm、并不得小于30d(d 为主筋直径)的两个断面间接头面积不得大于主筋总截面积的25%,其接头技术性能应符合GBJ 10-65《钢筋混凝土工程施工及验收规范》(修订本)的规定。
当主筋采用冷拉强化时,其性能应符合GBJ 10-65的规定。
4.5.4 螺旋筋直径宜采用2~6mm,其间距不得大于150mm。
当手工缠绕时螺旋筋应用铁丝与主筋绑牢或用接触焊固定,当用机械缠绕时,两端必须挂牢,且两端均密缠3~5圈。
4.5.5 电杆接头、预埋件及预留孔应符合下列要求:4.5.5.1 当电杆分段制造时,接头可采用钢板圈、法兰盘或其他接头形式。
钢板圈或法兰盘用电弧焊与主筋焊接。
4.5.5.2 预埋件、预留孔及泄水孔按设计图纸设置。
4.5.5.3 接地螺母、脚钉母、接线盒等的外露金属部分应有明显标记,并清理干净。
4.6 外观及尺寸检查应符合下列要求:4.6.1 外表面应光洁平直,但在每米长度内局部麻面和粘皮面积不大于同长度总面积的5%时,允许修补。
4.6.2 合缝处不应漏浆。
但当漏浆深度不大于主筋保护层厚度、每处漏浆的长度不大于300mm、且累计长度不大于杆长的10%,或对称漏浆的搭接长度不大于100mm时,允许修补。
4.6.3 梢端及根端不应磋伤或漏浆。
但当环向碰伤或漏浆长度不大于周长的1/4、且纵向长度不大于50mm时,允许修补。
4.6.4 钢板圈或法兰盘与杆身结合而不应漏浆。
但当漏浆深度不大于主筋保护层、环向漏浆长度不大于周长的1/4、纵向漏浆长度不大于50mm、又非对称漏浆时,允许修补。
4.6.5 预留孔周围的混凝土不应损伤。
但在损伤深度不大于10mm时,允许修补。
4.6.6 外表面的环向裂缝宽度不得超过0.05mm。
4.6.7 不得有纵向裂缝。
但龟裂、水纹等不在此限。
4.6.8 内、外表面均不得露筋。
内表面混凝土不应有坍落。
4.6.9 钢板圈焊口处内壁的混凝土端面与焊口处距离不得小于10mm。
4.6.10 电杆各部尺寸允许误差应符合表3规定。
表3外观尺寸允许误差 mm注:①当用一根钢段同时生产两根杆段时,其长度负误差允许加大一倍。
②Dr系埋管处电杆直径。
4.7 力学性能检验包括强度、挠度与抗裂性检验,如表1、表2和表3预列标准检验弯矩作为检依据。
并应符合下列要求:4.7.1 加荷至标准检验弯矩的100%时,裂缝宽度不得超过0.2mm。
不同杆长的锥形杆杆顶挠度应符合表4的要求。
表44.7.2 加荷至标准检验弯矩的100%卸荷后,残余裂缝宽度不得超过0.05mm。
4.7.3 加荷至标准检验弯矩的200%时(即破坏弯矩),不得出现下列任一种情况:a.受拉区裂缝宽度达到1.5mm,或受拉钢筋被拉断。
b.受压区混凝土破坏。
c.挠度:按悬臂式试验时,挠度大于L1+L3/10;简支式试验时,挠度大于L0/50。
4.7.4 产品出厂前,顶端应用混凝土封实。
如有特殊要求,另行处理。
5试验方法5.1 离心混凝土强度采用与产品混凝土同材料、同配合比、同成型工艺、同养护条件的离心环形试件测定。
试验方法见附录B(补充件)。
5.2 力学性能试验:5.2.1 锥形杆采用悬臂式试验方法。
* 梢径为310mm以上、长度在8m以下的组装锥形杆杆段不做挠度试验。
5.2.2 不同杆形的加荷顺序第一步:由零按标准检验弯矩20%的级差加荷至标准检验弯矩的40%,每次静停时间不少于3min,然后按标准检验弯矩10%的级差继续加荷至标准检验弯矩的50%,每次静停时间不少于5min。
观察是否有裂缝并测定其裂缝宽度及挠度值。
第二步:由标准检验弯矩的50%卸荷至零。
卸荷后的静停时间不少于5min。
第三步:由零按标准检验弯矩20%的级差加荷至标准检验弯矩的100%。
每次静停时间不少于5min,测定其裂缝宽度及挠度值。
第四步:由标准检验弯矩的100%卸荷至零,卸荷后静停时间不少于5min。
测定其残余裂缝宽度。
第五步:由零按标准检验弯矩20%的级差加荷至标准检验弯矩的100%时,测其裂缝宽度及挠度值。
递增至标准检验弯矩的160%后,按标准检验变矩10%的级差继续加荷,递增至标准检验弯矩的200%时,测定其裂缝宽度及挠度值,并检查是否达到破坏状态。
如未达到破坏时,继续加荷到破坏为止。
每次静停时间不少于5min。
5.3 电杆挠度计算公式* U型垫板放置位置:A支点位于垫板中心线上,到电杆根端面的距离等于150mm。
B支点右端而起到电杆根端面的距离等于L2。
按简支式进行力学性能试验时,任一级荷载下的跨中实际挠度fn按式(1)计算:式中:P0-在仪表为零读数时,已作用于电杆上的荷载,如电杆自重与弯矩试验的设备重量,kgf;P1-按标准荷载的第一级荷载(不包括P0),kgf;fA-由百分表测得支点A任一级荷载的挠度,mm;fB-由百分表测得支点B任一级荷载的挠度,mm;fc-由百分表测得中点任一级荷载的挠度,mm;f1-在第一级荷载作用下的挠度值按式(2)计算:式中:fA1-由百分表测得支点A第一级荷载的挠度,mm;fB1-由百分表测得支点B第一级荷载的挠度,mm;fC1-由百分表测得支点C第一级荷载的挠度,mm。
按悬臂式进行力学性能试验时,任一级荷载下,梢端挠度f按式(3)计算:式中:fA-由百分表测得支点A的变形值,mm;fB-由百分表测得支点B的变形值,mm;fC-由挠度测定架测得支点C的变形值,mm。
6 检验规则6.1 制造厂技术检查部门应对产品的材料性能、产品外观质量、尺寸偏差和力学性能进行检验。
凡符合本标准技术要求者为合格品。
产品出厂时的混凝土强度应不低于设计强度的80%。
6.2 材料性能检验:6.2.1 钢筋力学性能检验应按GBJ10-65进行。
6.2.2 混凝土强度检验:当混凝土配合比及其所用材料变更时,或每生产电杆300根及连续生产3天,应取三级试件进行强度检验。
一组检验脱模强度,一组检验设计强度,另一组可作备用或检验出厂强度。
6.3 全部产品均应进行外观及尺寸检查,不符合本标准3.5任一项规定者,不得进行验收。
6.4 外观及尺寸的检查工具应符合下列要求:6.4.1 长度、外径及两端壁厚,用精度为1mm的钢尺测量。
6.4.2 弯曲度用拉线或直尺测量。
6.4.3 裂缝宽度用不小于20倍的读数放大镜测量。
6.4.4 合缝漏浆深度用专用工具测量。
6.4.5 端部倾斜用特制角尺测量。
6.5 产品力学性能检验包括破坏弯矩和标准检验弯矩两项:6.5.1 凡属下列情况之一者均需进行破坏弯矩检验。
6.5.1.1 当产品首次投入生产或原材料加工艺与配筋有变更时,应检验3根。
6.5.1.2 当不同梢径或直径的产品各连续生产3000根或在4个月内生产总数不足3000根时,应按不同梢径或直径抽取1根*进行破坏弯矩试验。
* 如果用户需要增加电杆力学性能抽样检验数量时,可由供需双方协商解决。
6.5.2 当不同桃径或直径的产品各连续生产1000根或当在两个月内生产总数不足1000根时,应按不同梢径或直径抽取1根*进行标准检验弯矩试验。
6.6 在进行破坏弯矩试验时,按下列位置测量保护层厚度:6.6.1 锥形杆测量三点:第一点在B支点处;第二点在距梢端0.6m处;第三点在前面二点中间的任一处。