常用地岩土和岩石物理力学全参数
- 格式:doc
- 大小:177.00 KB
- 文档页数:11
基坑各向平均厚度〔m〕重度内摩擦角凝聚力土体与锚固体极限摩阻力标准值东向南向西向北向γφ CBC DE CD EF FA AB填土8 5 9 4 5 10 19 10 13 18 粘土12 15 30 圆砾 1 1 20 35 / 120 粉质粘土19 25 60 强风化板岩7 30 30 150 中风化板岩15 15 15 15 15 15 35 35 220常用岩土材料力学参数(E, ν) 与(K, G)的转换关系如下:)21(3ν-=EK)1(2ν+=EG 〔7.2〕当ν值接近0.5的时候不能盲目的使用公式3.5,因为计算的K 值将会非常的高,偏离实际值很多。
最好是确定好K 值(利用压缩试验或者P 波速度试验估计),然后再用K 和ν来计算G 值。
给出了岩土体的一些典型弹性特性值。
岩石的弹性〔实验室值〕〔Goodman,1980〕土的弹性特性值〔实验室值〕〔Das,1980〕 表各向异性弹性特性——作为各向异性弹性体的特殊情况,横切各向同性弹性模型需要5中弹性常量:E 1, E 3, ν12,ν13和G 13;正交各向异性弹性模型有9个弹性模量E 1,E 2,E 3, ν12,ν13,ν23,G 12,G 13和G 23。
这些常量的定义见理论篇。
均质的节理或是层状的岩石一般表现出横切各向同性弹性特性。
一些学者已经给出了用各向同性弹性特性参数、节理刚度和空间参数来表示的弹性常数的公式。
表3.7给出了各向异性岩石的一些典型的特性值。
横切各向同性弹性岩石的弹性常数〔实验室〕 表7.3 固有的强度特性在FLAC 3D 中,描述材料破坏的根本准那么是摩尔-库仑准那么,这一准那么把剪切破坏面看作直线破坏面:s 13N f φσσ=-+ 〔〕其中 )sin 1/()sin 1(N φφφ-+=1σ——最大主应力 (压缩应力为负);3σ——最小主应力φ——摩擦角c ——粘聚力当0f s <时进入剪切屈服。
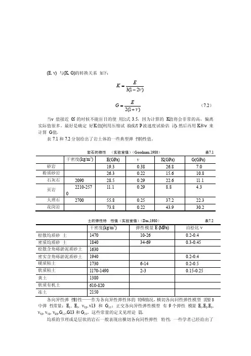
(E, ν) 与(K, G)的转换关系如下:)21(3ν-=EK)1(2ν+=EG (7.2)当ν值接近0.5的时候不能盲目的使用公式3.5,因为计算的K 值将会非常的高,偏离实际值很多。
最好是确定好K 值(利用压缩试验或者P 波速度试验估计),然后再用K 和ν来计算G 值。
表7.1和7.2分别给出了岩土体的一些典型弹性特性值。
岩石的弹性(实验室值)(Goodm a n,1980) 表7.1土的弹性特性值(实验室值)(Das,1980) 表7.2各向异性弹性特性——作为各向异性弹性体的特殊情况,横切各向同性弹性模型需要5中弹性常量:E 1, E 3, ν12,ν13和G 13;正交各向异性弹性模型有9个弹性模量E 1,E 2,E 3, ν12,ν13,ν23,G 12,G13和G 23。
这些常量的定义见理论篇。
均质的节理或是层状的岩石一般表现出横切各向同性弹性特性。
一些学者已经给出了用各向同性弹性特性参数、节理刚度和空间参数来表示的弹性常数的公式。
表3.7给出了各向异性岩石的一些典型的特性值。
流体弹性特性——用于地下水分析的模型涉及到不可压缩的土粒时用到水的体积模量K f ,如果土粒是可压缩的,则要用到比奥模量M 。
纯净水在室温情况下的K f 值是2 Gpa 。
其取值依赖于分析的目的。
分析稳态流动或是求初始孔隙压力的分布状态(见理论篇第三章流体-固体相互作用分析),则尽量要用比较低的K f ,不用折减。
这是由于对于大的Kf 流动时间步长很小,并且,力学收敛性也较差。
在FLAC 3D 中用到的流动时间步长,∆ tf 与孔隙 度n ,渗透系数k 以及Kf 有如下关系:'f f kK nt ∝∆ (7.3) 对于可变形流体(多数课本中都是将流体设定为不可压缩的)我们可以通过获得的固结系数来决νC 定改变Kf 的结果。
(E, ν与) (K, G) 的转换关系如下:KE3(1 2 )GE(7.2)2(1 )当 ν值接近0.5 的时候不能盲目的使用公式 3.5,因为计算的 K 值将会非常的高,偏离实际值很多。
最好是确定好K 值 (利用压缩试验或者P 波速度试验估计 ),然后再用 K 和 ν来计算 G 值。
表 7.1 和 7.2 分别给出了岩土体的一些典型弹性特性值。
岩石的弹性(实验室值) (Goodman,1980) 表 7.1干密度 (kg/m 3)E(GPa) ν K(GPa)G(GPa)砂岩 19.3 0.38 26.8 7.0 粉质砂岩26.30.22 15.6 10.8石灰石 2090 28.5 0.29 22.6 11.1页岩 2210-25711.10.298.84.3大理石 270055.8 0.25 37.2 22.3花岗岩73.80.2243.930.2土的弹性特性值(实验室值) (Das,1980)表 7.2松散均质砂土 密质均质砂土松散含角砾淤泥质砂土 密实含角砾淤泥质砂土硬质粘土 软质粘土 黄土软质有机土冻土3弹性模量 E(MPa)泊松比 ν 干密度 (kg/m ) 1470 10-260.2-0.41840 34-690.3-0.45163019400.2-0.41730 6-14 0.2-0.5 1170-1490 2-30.15-0.251380610-820 2150各向异性弹性特性——作为各向异性弹性体的特殊情况,横切各向同性弹性模型需要5 中弹性常量: E E 3 , ν12 , ν 和 G 13 ;正交各向异性弹性模型有9 个弹性模量 E1, 131,E 2,E 3,ν12 , ν , ν 和 G 23。
这些常量的定义见理论篇。
1323 ,G 12,G 13均质的节理或是层状的岩石一般表现出横切各向同性弹性特性。
一些学者已经给出了用各向同性弹性特性参数、节理刚度和空间参数来表示的弹性常数的公式。
(E, ν) 与(K, G)的转换关系如下:)21(3ν-=EK)1(2ν+=EG (7.2)当ν值接近0.5的时候不能盲目的使用公式3.5,因为计算的K 值将会非常的高,偏离实际值很多。
最好是确定好K 值(利用压缩试验或者P 波速度试验估计),然后再用K 和ν来计算G 值。
表7.1和7.2分别给出了岩土体的一些典型弹性特性值。
岩石的弹性(实验室值)(Goodman,1980) 表7.1土的弹性特性值(实验室值)(Das,1980) 表7.2各向异性弹性特性——作为各向异性弹性体的特殊情况,横切各向同性弹性模型需要5中弹性常量:E 1, E 3, ν12,ν13和G 13;正交各向异性弹性模型有9个弹性模量E 1,E 2,E 3, ν12,ν13,ν23,G 12,G 13和G 23。
这些常量的定义见理论篇。
均质的节理或是层状的岩石一般表现出横切各向同性弹性特性。
一些学者已经给出了用各向同性弹性特性参数、节理刚度和空间参数来表示的弹性常数的公式。
表3.7给出了各向异性岩石的一些典型的特性值。
横切各向同性弹性岩石的弹性常数(实验室) 表7.3流体弹性特性——用于地下水分析的模型涉及到不可压缩的土粒时用到水的体积模量K f ,如果土粒是可压缩的,则要用到比奥模量M 。
纯净水在室温情况下的K f 值是2 Gpa 。
其取值依赖于分析的目的。
分析稳态流动或是求初始孔隙压力的分布状态(见理论篇第三章流体-固体相互作用分析),则尽量要用比较低的K f ,不用折减。
这是由于对于大的K f 流动时间步长很小,并且,力学收敛性也较差。
在FLAC 3D 中用到的流动时间步长,∆ tf 与孔隙度n ,渗透系数k 以及K f 有如下关系:'f f k K nt ∝∆ (7.3) 对于可变形流体(多数课本中都是将流体设定为不可压缩的)我们可以通过获得的固结系数νC 来决定改变K f 的结果。
f'K nm k C +=νν (7.4)其中3/4G K 1m +=νf 'k k γ=其中,'k ——FLAC 3D 使用的渗透系数k ——渗透系数,单位和速度单位一样(如米/秒) f γ——水的单位重量考虑到固结时间常量与νC 成比例,我么可以将K f 的值从其实际值(Pa 9102⨯)减少,利用上面得表达式看看其产生的误差。
岩土的物理力学性质指标
岩土的物理力学性质指标应根据工程地质划分的扇形区及各区的边坡变形破坏特点,选取与之有关的试样进行力学试验,测定岩石及软弱夹层物理力学性质指标。
岩石及软弱夹层的物理性质指标详见表1至表7。
表1 部分岩石的容重
岩石名称
容重γ(g/cm3)
岩石名称
容重γ(g/cm3)
变化范围平均值变化范围平均值
花岗岩 2.25~2.80 2.65 泥质砂岩— 2.28 响岩——粘土质砂岩— 2.52 正长岩 2.50~3.00 2.79 页岩 2.3~2.6 2.50 流纹岩——砂质页岩 2.08~2.65 2.36 流纹斑岩 2.49~2.63 2.60 粘土质页岩 2.51~2.72 2.65
表2 部分岩石的孔隙率与吸水率
表3 不同成因粘土的有关物理力学性质指标(一)
表4 不同成因粘土的有关物理力学性质指标(二)
表5 几种土的渗透系数表
表6 土的平均物理、力学性质指标(一)
表7 土的平均物理、力学性质指标(二)
注:1.平均比重取:砂为2.65;轻亚粘土为2.70;亚粘土为2.71;粘土2.74。
2.粗砂与中砂的Eo值适用于不均系数Cu=3时,当Cu>5时应按表中所列值减少2/3。
Cu为中间值时, Eo 值按内插法确定。
3.对于地基稳定计算,采用内摩擦角φ的计算值低于标准值2°。
岩石及软弱夹层的力学性质指标见表8至表25。
表8 岩石力学性质指标的经验数据(一)
(注:文档可能无法思考全面,请浏览后下载,供参考。
可复制、编制,期待你的好评与关注!)。
常用的岩土和岩石物理力学参数岩土和岩石物理力学参数是指描述岩土和岩石力学性质的一些重要参数,对于工程和地质领域的研究和实践具有重要意义。
以下是一些常用的岩土和岩石物理力学参数。
1.密度:岩土和岩石的密度是指单位体积的质量。
岩土和岩石的密度是其成分和结构的重要表征,常用单位是千克/立方米。
2.孔隙度:岩土和岩石内部的空隙或孔隙的体积与总体积的比值。
孔隙度是描述岩土和岩石中孔隙性质的重要参数,通常用百分比表示。
3.孔隙水压力:岩土和岩石中存在的地下水与孔隙水压力是一种重要的物理力学参数。
孔隙水压力对岩土和岩石的稳定性、渗透性和强度等产生重要影响。
4.饱和度:饱和度是指岩土和岩石中孔隙所含的水的含量与孔隙容量的比值。
饱和度是衡量岩土和岩石中含水情况的一项指标。
5.孔隙比:孔隙比是指岩土和岩石中孔隙体积与固体体积的比值。
孔隙比是岩土和岩石的一个重要参数,它关系到其渗透性、存储性以及力学性质等。
6.孔隙率:岩土和岩石中孔隙的比例,描述含孔岩体的空间特征的参数。
7.饱和度指数:饱和度指数是指岩土和岩石中各向同性材料,当孔隙度小于50%时,饱和度指数与孔隙度有关,其表征了岩土和岩石中孔隙数量和大小对其力学性质的影响。
8.波速:岩土和岩石中机械波传播的速度是一项重要的物理力学参数。
根据波速可以推算岩土和岩石的弹性模量和泊松比等力学参数。
9.阻尼比:用来描述岩土和岩石中振动能量的衰减情况,是衡量动力响应特性的一个重要参数。
10.岩石强度参数:包括抗拉强度、抗压强度、抗剪强度等,是衡量岩石材料抵抗各种力学载荷的重要参数。
11.几何参数:岩土和岩石中的几何参数包括颗粒形状、颗粒大小分布、颗粒间隙度等,对岩土和岩石的物理力学性质具有重要影响。
总之,岩土和岩石的物理力学参数是描述其物理性质和力学性质的重要参数,对于工程和地质领域的研究和实践具有重要意义。
不同的参数描述了岩土和岩石在不同方面的力学性质,研究者和工程师需要根据具体情况选择合适的参数进行分析和计算。
岩土的物理力学性质指标岩土的物理力学性质指标应根据工程地质划分的扇形区及各区的边坡变形破坏特点,选取与之有关的试样进行力学试验,测定岩石及软弱夹层物理力学性质指标。
岩石及软弱夹层的物理性质指标详见表1至表7。
表1 部分岩石的容重
表2 部分岩石的孔隙率与吸水率
表3 不同成因粘土的有关物理力学性质指标(一)
表4 不同成因粘土的有关物理力学性质指标(二)
表5 几种土的渗透系数表
表6 土的平均物理、力学性质指标(一)
表7 土的平均物理、力学性质指标(二)
注:1.平均比重取:砂为2.65;轻亚粘土为2.70;亚粘土为2.71;粘土2.74。
2.粗砂与中砂的Eo值适用于不均系数Cu=3时,当Cu>5时应按表中所列值减少2/3。
Cu为中间值时, Eo 值按内插法确定。
3.对于地基稳定计算,采用内摩擦角φ的计算值低于标准值2°。
岩石及软弱夹层的力学性质指标见表8至表25。
表8 岩石力学性质指标的经验数据(一)。
岩土的物理力学性质指标
岩土的物理力学性质指标应根据工程地质划分的扇形区及各区的边坡变形破坏特点.选取与之有关的试样进行力学试验.测定岩石及软弱夹层物理力学性质指标。
岩石及软弱夹层的物理性质指标详见表1至表7。
表1 部分岩石的容重
表2 部分岩石的孔隙率与吸水率
表3 不同成因粘土的有关物理力学性质指标(一)
表4 不同成因粘土的有关物理力学性质指标(二)
表5 几种土的渗透系数表
表6 土的平均物理、力学性质指标(一)
表7 土的平均物理、力学性质指标(二)
注:1.平均比重取:砂为2.65;轻亚粘土为2.70;亚粘土为2.71;粘土2.74。
2.粗砂与中砂的Eo值适用于不均系数Cu=3时.当Cu>5时应按表中所列值减少2/3。
Cu为中间值时. Eo 值按内插法确定。
3.对于地基稳定计算.采用内摩擦角φ的计算值低于标准值2°。
岩石及软弱夹层的力学性质指标见表8至表25。
表8 岩石力学性质指标的经验数据(一)。
(E , ν) 与(K , G )的转换关系如下:)1(2ν+=EG ()当ν值接近的时候不能盲目的使用公式,因为计算的K 值将会非常的高,偏离实际值很多。
最好是确定好K 值(利用压缩试验或者P 波速度试验估计),然后再用K 和ν来计算G 值。
表和分别给出了岩土体的一些典型弹性特性值。
岩石的弹性(实验室值)(Goodman,1980) 表土的弹性特性值(实验室值)(Das,1980) 表各向异性弹性特性——作为各向异性弹性体的特殊情况,横切各向同性弹性模型需要5中弹性常量:E 1, E 3, ν12,ν13和G 13;正交各向异性弹性模型有9个弹性模量E 1,E 2,E 3, ν12,ν13,ν23,G 12,G 13和G 23。
这些常量的定义见理论篇。
均质的节理或是层状的岩石一般表现出横切各向同性弹性特性。
一些学者已经给出了用各向同性弹性特性参数、节理刚度和空间参数来表示的弹性常数的公式。
表给出了各向异性岩石的一些典型的特性值。
横切各向同性弹性岩石的弹性常数(实验室) 表流体弹性特性——用于地下水分析的模型涉及到不可压缩的土粒时用到水的体积模量K f ,如果土粒是可压缩的,则要用到比奥模量M 。
纯净水在室温情况下的K f 值是2 Gpa 。
其取值依赖于分析的目的。
分析稳态流动或是求初始孔隙压力的分布状态(见理论篇第三章流体-固体相互作用分析),则尽量要用比较低的K f ,不用折减。
这是由于对于大的K f 流动时间步长很小,并且,力学收敛性也较差。
在FLAC 3D 中用到的流动时间步长,? tf 与孔隙度n ,渗透系数k 以及K f 有如下关系:'f f k K nt ∝∆ () 对于可变形流体(多数课本中都是将流体设定为不可压缩的)我们可以通过获得的固结系数νC 来决定改变K f 的结果。
f'K n m k C +=νν ()其中其中,'k ——FLAC 3D 使用的渗透系数k ——渗透系数,单位和速度单位一样(如米/秒) f γ——水的单位重量考虑到固结时间常量与νC 成比例,我么可以将K f 的值从其实际值(Pa 9102⨯)减少,利用上面得表达式看看其产生的误差。
岩土的物理力学性质指标
岩土的物理力学性质指标应根据工程地质划分的扇形区及各区的边坡变形破坏特点,选取与之有关的试样进行力学试验,测定岩石及软弱夹层物理力学性质指标。
岩石及软弱夹层的物理性质指标详见表1至表7。
表1部分岩石的容重
岩石名称
容重γ(g/cm3)
岩石名称
容重γ(g/cm3)
变化范围平均值变化范围平均值
花岗岩 2.25~2.80 2.65 泥质砂岩— 2.28 响岩——粘土质砂岩— 2.52 正长岩 2.50~3.00 2.79 页岩 2.3~2.6 2.50 流纹岩——砂质页岩 2.08~2.65 2.36 流纹斑岩 2.49~2.63 2.60 粘土质页岩 2.51~2.72 2.65
表2部分岩石的孔隙率与吸水率
表3不同成因粘土的有关物理力学性质指标(一)
表4不同成因粘土的有关物理力学性质指标(二)
表5几种土的渗透系数表
表6土的平均物理、力学性质指标(一)
表7土的平均物理、力学性质指标(二)
注:1.平均比重取:砂为2.65;轻亚粘土为2.70;亚粘土为2.71;粘土2.74。
2.粗砂与中砂的Eo值适用于不均系数Cu=3时,当Cu>5时应按表中所列值减少2/3。
Cu为中间值时, Eo 值按内插法确定。
3.对于地基稳定计算,采用内摩擦角φ的计算值低于标准值2°。
岩石及软弱夹层的力学性质指标见表8至表25。
表8岩石力学性质指标的经验数据(一)。
常用岩土材料力学参数(E, ν与) (K, G) 的转换关系如下:E3(1 2 )G (7.2)2(1 )当ν值接近0.5 的时候不能盲目的使用公式3.5 ,因为计算的K 值将会非常的高,偏离实际值很多。
最好是确定好K 值(利用压缩试验或者P 波速度试验估计),然后再用K 和ν 来计算G 值。
表7.1 和7.2 分别给出了岩土体的一些典型弹性特性值。
岩石的弹性(实验室值)(Goodman,1980)表7.15 中弹性常量:E1, E3, ν12, ν13 和G13;正交各向异性弹性模型有9 个弹性模量E1,E2,E3, ν12, ν13, ν23,G 12,G 13 和G23。
这些常量的定义见理论篇。
均质的节理或是层状的岩石一般表现出横切各向同性弹性特性。
一些学者已经给出了用各向同性弹性特性参数、节理刚度和空间参数来表示的弹性常数的公式。
表3.7 给出了各向异性岩石的一些典型的特性值。
横切各向同性弹性岩石的弹性常数(实验室)表7.37.3 固有的强度特性在 FLAC 3D中,描述材料破坏的基本准则是摩尔 - 库仑准则,这一准则把剪切破坏面看 作直线破坏面:其中 N φ (1 sin )/(1 sin )1 ——最大主应力 ( 压缩应力为负 );3 ——最小主应力——摩擦角c ——粘聚力当f s 0时进入剪切屈服。
这里的两个强度常数 φ和 c 是由实验室的三轴实验获得的。
当主应力变为拉力时,摩尔 -库仑准则就将失去其物理意义。
简单情况下, 当表面的在拉应 力区域发展到 3 等于单轴抗拉强度的点时, t,这个次主应力不会达到拉伸强度 —例如;f t 3 t( 7.8 )当 f t 0 时进入拉伸屈服。
岩石和混凝土的抗拉强度通常有由西实验获得。
注意,抗 拉强度不能超过 σ 3, 这是和摩尔 -库仑关系的顶点的限制是一致的。
最大的值由下式给出tc max tan表 7.4 列出了一系列具有代表性的典型的岩石标本的粘聚力、摩擦角和抗拉强度值。
岩土的物理力学性质指标岩土的物理力学性质指标是边坡的稳定性计算的基本参数和重要依据。
应根据工程地质划分的扇形区及各区的边坡变形破坏特点,选取与之有关的试样进行力学试验,测定岩石及软弱夹层物理力学性质指标。
岩石及软弱夹层的物理性质指标详见表1至表7。
表2 部分岩石的孔隙率与吸水率岩石名称孔隙率n (%)吸水率^(%)变化范围平均值H-R UJ-J U-J 花冈石流纹斑岩闪长岩正长岩安山岩玄武岩辉绿岩霏细岩凝灰岩火山角砾岩安山凝灰集块岩砾岩砂岩砂岩(第三纪)砂岩(白垩纪)砂岩(侏罗纪)砂岩(三迭纪)砂岩新鲜的风化的石英砂岩0.04 〜2.801.10 〜3.400.25 〜3.00—0.29 〜1.131.10 〜4.301.00 〜2.200.29 〜5.101.59 〜2.230.90 〜7.540.40 〜4.102.00 〜5.101.04 〜9.305.00 〜20.002.20〜42.007.20〜37.704.20〜24.600.60 〜27.70—0.952.001.252.540.702.301.702.201.803.202.103.205.0413.0015.3017.1013.2019.3021.112.260.10 〜1.700.14 〜1.650.18 〜1.000.48—0.20 〜1.000.30 〜0.800.20 〜1.000.18 〜0.350.34 〜2.120.14 〜4.000.40 〜1.000.14 〜4.101.00 〜9.00—————石英砂岩新鲜的风化的页岩砂质页岩泥质页岩煤质页岩泥灰岩石灰石石灰岩(第三纪)石灰岩(中生代)石灰岩(古生代)白垩石膏硬石膏片麻岩大理岩白云岩石英岩石英片岩角闪石片岩云母片岩绿泥石片岩千枚岩——0.70 〜7.000.80 〜4.15——1.00 〜52.000.53 〜27.00—1.20 〜26.500.80 〜27.005.00 〜58.000.10 〜4.000.63 〜6.260.30 〜2.400.10 〜6.000.30 〜25.000.00 〜8.701.53 〜2.80—1.714.91——1.35I.0318.0012.0020.00II.6512.0026.401.701.651.351.007.702.402.002.960.792.103.60——2.30 〜6.00———1.00—5.000.20 〜6.40——————0.14 〜0.30——0.02 〜0.280.10〜0.300.110.08 〜0.420.55〜1.12表3 不同成因粘土的有关物理力学性质指标(一)表4 不同成因粘土的有关物理力学性质指标(二)表5 几种土的渗透系数表表6 土的平均物理、力学性质指标(一)表7 土的平均物理、力学性质指标(二)注:1.平均比重取:砂为2.65;轻亚粘土为2.70;亚粘土为2.71 ;粘土2.74。
岩土的物理力学性质指标
岩土的物理力学性质指标应根据工程地质划分的扇形区及各区的边坡变形破坏特点,选取与之有关的试样进行力学试验,测定岩石及软弱夹层物理力学性质指标。
岩石及软弱夹层的物理性质指标详见表1至表7。
表1 部分岩石的容重
表2 部分岩石的孔隙率与吸水率
表3 不同成因粘土的有关物理力学性质指标(一)
表4 不同成因粘土的有关物理力学性质指标(二)
表5 几种土的渗透系数表
表6 土的平均物理、力学性质指标(一)
表7 土的平均物理、力学性质指标(二)
注:1.平均比重取:砂为2.65;轻亚粘土为2.70;亚粘土为2.71;粘土2.74。
2.粗砂与中砂的Eo值适用于不均系数Cu=3时,当Cu>5时应按表中所列值减少2/3。
Cu为中间值时, Eo 值按内插法确定。
3.对于地基稳定计算,采用内摩擦角φ的计算值低于标准值2°。
岩石及软弱夹层的力学性质指标见表8至表25。
表8 岩石力学性质指标的经验数据(一)。
常用岩土材料力学重要参数(E, v与(K, G)的转换关系如下:G (7.2)2(1 .)当v值接近0.5的时候不能盲目的使用公式 3.5,因为计算的K值将会非常的高,偏离实际值很多。
最好是确定好K值(利用压缩试验或者P波速度试验估计),然后再用K和v来计算G值。
表7.1和7.2分别给出了岩土体的一些典型弹性特性值。
各向异性弹性特性一一作为各向异性弹性体的特殊情况,横切各向同性弹性模型需要中弹性常量:E1, E3, V2, V3和G13;正交各向异性弹性模型有9个弹性模量E1,E2,E3,v2, v3, v3,G12,G 13和G23。
这些常量的定义见理论篇。
均质的节理或是层状的岩石一般表现出横切各向同性弹性特性。
一些学者已经给出了用各向同性弹性特性参数、节理刚度和空间参数来表示的弹性常数的公式。
表 3.7给出了各向异性岩石的一些典型的特性值。
E x (GPa) E y (GPa) V xG xy (GPa) 砂岩 43.0 40.0 0.28 0.17 17.0 砂岩 15.7 9.6 0.28 0.21 5.2 石灰石 39.8 36.0 0.18 0.25 14.5 页岩 66.8 49.5 0.17 0.21 25.3 大理石68.6 50.2 0.06 0.22 26.6 花岗岩10.75.20.200.411.2流体弹性特性一一用于地下水分析的模型涉及到不可压缩的土粒时用到水的体积模量K f ,如果土粒是可压缩的,则要用到比奥模量 M 。
纯净水在室温情况下的 K f 值是2 Gpa 。
其取值依赖于分析的目的。
分析稳态流动或是求初始孔隙压力的分布状态(见理论篇第三章流体-固体相互作用分析),则尽量要用比较低的 K f ,不用折减。
这是由于对于大的 K f 流动时间步长很小,并且,力学收敛性也较差。
在FLAC ’D 中用到的流动时间步长,."f 与孔隙度n ,渗透系数k 以及K f 有如下关系:― n■ :t f'(7.3)K f k对于可变形流体(多数课本中都是将流体设定为不可压缩的) 我们可以通过获得的固结系数C 来决定改变K f 的结果。
岩土的物理力学性质指标
岩土的物理力学性质指标应根据工程地质划分的扇形区及各区的边坡变形破坏特点,选取与之有关的试样进行力学试验,测定岩石及软弱夹层物理力学性质指标。
岩石及软弱夹层的物理性质指标详见表1至表7。
表1 部分岩石的容重
岩石名称
容重γ(g/cm3)
岩石名称
容重γ(g/cm3)
变化范围平均值变化范围平均值
花岗岩 2.25~2.80 2.65 泥质砂岩— 2.28 响岩——粘土质砂岩— 2.52 正长岩 2.50~3.00 2.79 页岩 2.3~2.6 2.50
表2 部分岩石的孔隙率与吸水率
表3 不同成因粘土的有关物理力学性质指标(一)
表4 不同成因粘土的有关物理力学性质指标(二)
表5 几种土的渗透系数表
表6 土的平均物理、力学性质指标(一)
表7 土的平均物理、力学性质指标(二)
注:1.平均比重取:砂为2.65;轻亚粘土为2.70;亚粘土为2.71;粘土2.74。
2.粗砂与中砂的Eo值适用于不均系数Cu=3时,当Cu>5时应按表中所列值减少2/3。
Cu为中间值时, Eo 值按内插法确定。
3.对于地基稳定计算,采用内摩擦角φ的计算值低于标准值2°。
岩石及软弱夹层的力学性质指标见表8至表25。
表8 岩石力学性质指标的经验数据(一)。
(E, ν) 与(K, G)的转换关系如下:)21(3ν-=EK)1(2ν+=EG (7.2)当ν值接近0.5的时候不能盲目的使用公式3.5,因为计算的K 值将会非常的高,偏离实际值很多。
最好是确定好K 值(利用压缩试验或者P 波速度试验估计),然后再用K 和ν来计算G 值。
表7.1和7.2分别给出了岩土体的一些典型弹性特性值。
岩石的弹性(实验室值)(Goodman,1980) 表7.1土的弹性特性值(实验室值)(Das,1980) 表7.2各向异性弹性特性——作为各向异性弹性体的特殊情况,横切各向同性弹性模型需要5中弹性常量:E 1, E 3, ν12,ν13和G 13;正交各向异性弹性模型有9个弹性模量E 1,E 2,E 3, ν12,ν13,ν23,G 12,G 13和G 23。
这些常量的定义见理论篇。
均质的节理或是层状的岩石一般表现出横切各向同性弹性特性。
一些学者已经给出了用各向同性弹性特性参数、节理刚度和空间参数来表示的弹性常数的公式。
表3.7给出了各向异性岩石的一些典型的特性值。
横切各向同性弹性岩石的弹性常数(实验室) 表7.3流体弹性特性——用于地下水分析的模型涉及到不可压缩的土粒时用到水的体积模量K f ,如果土粒是可压缩的,则要用到比奥模量M 。
纯净水在室温情况下的K f 值是2 Gpa 。
其取值依赖于分析的目的。
分析稳态流动或是求初始孔隙压力的分布状态(见理论篇第三章流体-固体相互作用分析),则尽量要用比较低的K f ,不用折减。
这是由于对于大的K f 流动时间步长很小,并且,力学收敛性也较差。
在FLAC 3D 中用到的流动时间步长,∆ tf 与孔隙度n ,渗透系数k 以及K f 有如下关系:'f f kK nt ∝∆ (7.3) 对于可变形流体(多数课本中都是将流体设定为不可压缩的)我们可以通过获得的固结系数νC 来决定改变K f 的结果。
f'K nm k C +=νν (7.4)其中3/4G K 1m +=νf 'k k γ=其中,'k ——FLAC 3D 使用的渗透系数k ——渗透系数,单位和速度单位一样(如米/秒) f γ——水的单位重量考虑到固结时间常量与νC 成比例,我么可以将K f 的值从其实际值(Pa 9102⨯)减少,利用上面得表达式看看其产生的误差。
(E, ν) 与(K, G)的转换关系如下:
)
21(3ν-=
E
K
)
1(2ν+=
E
G (7.2)
当ν值接近0.5的时候不能盲目的使用公式3.5,因为计算的K 值将会非常的高,偏离实际值很多。
最好是确定好K 值(利用压缩试验或者P 波速度试验估计),然后再用K 和ν来计算G 值。
表7.1和7.2分别给出了岩土体的一些典型弹性特性值。
岩石的弹性(实验室值)(Goodman,1980) 表7.1
土的弹性特性值(实验室值)(Das,1980) 表7.2
各向异性弹性特性——作为各向异性弹性体的特殊情况,横切各向同性弹性模型需要5中弹性常量:E 1, E 3, ν12,ν13和G 13;正交各向异性弹性模型有9个弹性模量E 1,E 2,E 3, ν12,ν13,ν23,G 12,G 13和G 23。
这些常量的定义见理论篇。
均质的节理或是层状的岩石一般表现出横切各向同性弹性特性。
一些学者已经给出了用各向同性弹性特性参数、节理刚度和空间参数来表示的弹性常数的公式。
表3.7给出了各向异性岩石的一些典型的特性值。
横切各向同性弹性岩石的弹性常数(实验室) 表7.3
流体弹性特性——用于地下水分析的模型涉及到不可压缩的土粒时用到水的体积模量K f ,如果土粒是可压缩的,则要用到比奥模量M 。
纯净水在室温情况下的K f 值是2 Gpa 。
其取值依赖于分析的目的。
分析稳态流动或是求初始孔隙压力的分布状态(见理论篇第三章流体-固体相互作用分析),则尽量要用比较低的K f ,不用折减。
这是由于对于大的K f 流动时
间步长很小,并且,力学收敛性也较差。
在FLAC 3D
中用到的流动时间步长,∆ tf 与孔隙度n ,渗透系数k 以及K f 有如下关系:
'
f f k
K n
t ∝
∆ (7.3) 对于可变形流体(多数课本中都是将流体设定为不可压缩的)我们可以通过获得的固结系数νC 来决定改变K f 的结果。
f
'K n
m k C +
=
νν (7.4)
其中
3
/4G K 1
m +=
ν
f 'k k γ=
其中,'
k ——FLAC 3D
使用的渗透系数
k ——渗透系数,单位和速度单位一样(如米/秒) f γ——水的单位重量
考虑到固结时间常量与νC 成比例,我么可以将K f 的值从其实际值(Pa 9
102⨯)减少,利用上面得表达式看看其产生的误差。
流动体积模量还会影响无流动但是有空隙压力产生的模型的收敛速率(见1.7节流动与力学的相互作用)。
如果K f 是一个通过比较机械模型得到的值,则由于机械变形将会产生孔隙压力。
如果K f 远比k 大,则压缩过程就慢,但是一般有可能K f 对其影响很小。
例如在土体中,孔隙水中还会包含一些尚未溶解的空气,从而明显的使体积模量减小。
在无流动情况下,饱和体积模量为:
n
K K K f
u +
= (7.5) 不排水的泊松比为:
)
G 3K (22G
3K u u u +-=
ν (7.6)
这些值应该和排水常量k 和ν作比较,来估计压缩的效果。
重要的是,在FLAC 3D
中,排水特性是用在机械连接的流变计算中的。
对于可压缩颗粒,比奥模量对压缩模型的影响比例与流动。
7.3 固有的强度特性
在FLAC 3D
中,描述材料破坏的基本准则是摩尔-库仑准则,这一准则把剪切破坏面看作直线破坏面:
s 13N f φσσ=-+ (7.7)
其中 )sin 1/()sin 1(N φφφ-+=
1σ——最大主应力 (压缩应力为负); 3σ——最小主应力
φ——摩擦角
c ——粘聚力
当0f s <时进入剪切屈服。
这里的两个强度常数φ和c 是由实验室的三轴实验获得的。
当主应力变为拉力时,摩尔-库仑准则就将失去其物理意义。
简单情况下,当表面的在拉应力区域发展到3σ等于单轴抗拉强度的点时,t
σ ,这个次主应力不会达到拉伸强度—例如;
t 3t f σσ-= (7.8)
当0f t >时进入拉伸屈服。
岩石和混凝土的抗拉强度通常有由西实验获得。
注意,抗拉强度不能超过σ3, 这是和摩尔-库仑关系的顶点的限制是一致的。
最大的值由下式给出
φ
σtan c
t
max =
(7.9) 表7.4列出了一系列具有代表性的典型的岩石标本的粘聚力、摩擦角和抗拉强度值。
土体的具有代表性的典型粘聚力和摩擦角的具有代表性的典型值见表7.5。
土体强度用无侧限抗压强度u q 表示,u q 与粘聚力C 和摩擦角φ的关系由下式确定
/2)2ctan(45q u φ+= (7.10)
岩石的强度特性值(实验室测定) 表7.4
土体的强度特性值(排水实验测定)表7.5
岩石物理力学性质一览表----岩石物理力学性质各项指标
土类
岩类
[1] 唐大雄佑荣文殊王清工程岩土学(第二版)地质 1998
[2] 建筑工程学院同济大学岩体力学中国建筑工业 1981.10
[3] 工程地质手册编写委员会工程地质手册(第三版)中国建筑工业 1992.12
[4]先炜岩体力学性质煤炭工业
泊松比围为0~0.5,不会大于0.5。
砂岩泊松比0.22左右,煤岩0.3左右。
一般岩石弹性模量量级为10,单位Pa。
煤岩弹性模量量级为9,Pa。
在岩石的弹性工作围,μ一般为常数,但超越弹性围以后,μ随应力的增大而增大,直到μ=0.5为止。
土的泊松比。