隔离网栏安装单元工程施工质量验收评定表
- 格式:docx
- 大小:14.28 KB
- 文档页数:1
栏杆安装单元工程质量评定表
栏杆安装单元工程质量评定表
填表说明
填表时必须遵守“填表基本规定”,并符合以下要求:
1、单元工程划分:按栏杆安装工程的施工区、段划分:每一区、段为一个单元工程。
2、单元工程量:填写本单元工程栏杆安装工程量(m)。
3、检查项目:全面检查,质量标准有“符合设计要求”的规定,须填出设计具体要求。
设计要求内容较多,以及检测结果较多应另附页。
4、检测项目:按要求逐项检查,总检测点数不少于30个。
5、单元工程评定质量标准:
合格:主要检查项目全部符合质量标准,一般检查项目基本符合质量标准,一般检测项目合格率不小于70%。
优良:主要检查项目全部符合质量标准,一般检查项目基本符合质量标准,检测项目合格率不小于90%。
水利水电工程
栏杆安装单元工程质量评定表。
栏杆安装质量评定表
栏杆安装单元工程质量评定表
子单位工程名称:无
分部工程名称:栏杆安装
单元工程名称:无
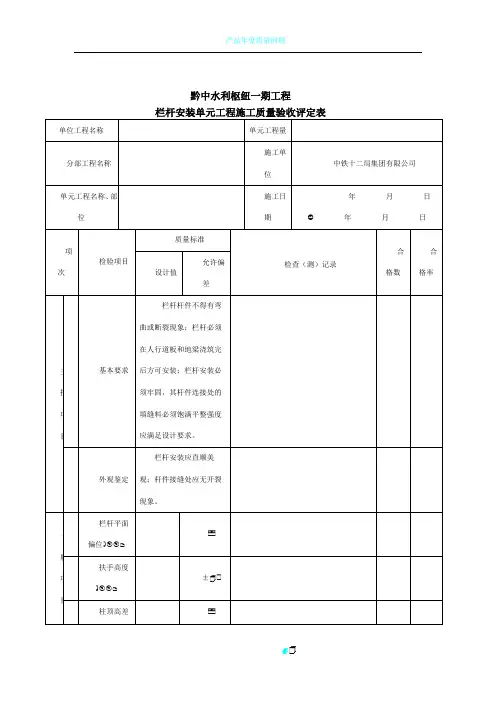
项次检验项目:外观鉴定、栏杆平面偏位、扶手高度、柱顶高差、接缝两侧扶手高差、竖杆或柱纵横向竖直度质量标准:栏杆杆件不得有弯曲或开裂现象,填缝料必须饱满平整,强度应满足设计要求
设计值允许偏差:栏杆平面偏位±10mm
子单位工程编号:无
分部工程编号:无
单元工程编号:无
检查(测)记录合格数合格率:全部符合质量要求,主控项目检验点逐项检测点合格率为%,一般项目检验点最低合率为%,且不合格点不集中分布
栏杆安装必须牢固,杆件连接处的填缝料必须饱满平整,强度应满足设计要求。
栏杆安装应直顺美观,杆件接缝处应无开裂现象。
单元工程质量等级评定为:无
经复核,检查项目全部符合质量要求,主控项目检验点逐项检测点合格率为%,一般项目检验点最低合率为%,且不合格点不集中分布。
监理工程师:年月日
监理单位:无。
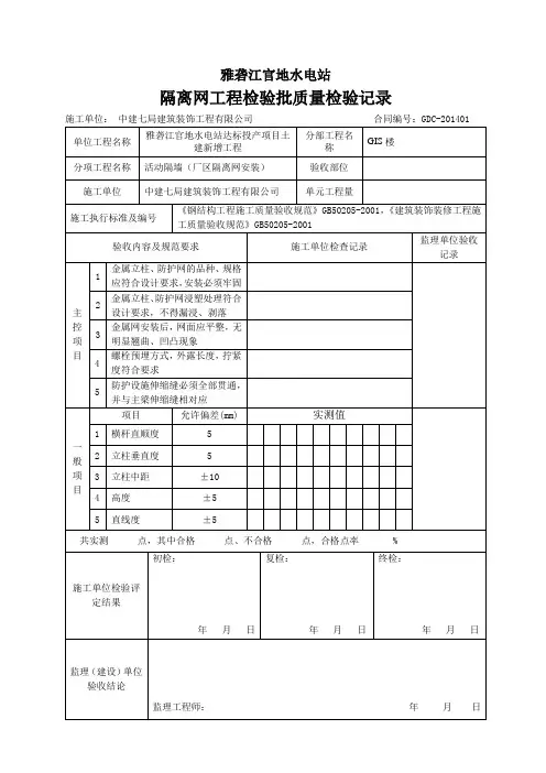
防护网安装质量评定表
水利水电工程中,护栏网制作与安装是一个重要的单元工程。
为了评定其质量,需要制作一张评定表。
在评定表中,需要填写单位工程名称、分部工程名称、单元工程名称、部位和项次等信息。
同时,还需要对材料质量、工程数量、施工单位、施工日期等进行检验,并记录合格数和合格率。
在护栏网制作与安装中,所使用的材料必须符合设计要求,包括材质、规格、数量和燃烧性能等级。
同时,护栏网的造型、尺寸和安装位置也必须符合设计要求。
预埋件的数量、规格和位置以及护栏与预埋件的连接点也需要符合设计要求。
护栏高度、栏杆间距和安装位置必须符合设计要求,并且护栏安装必须牢固。
转角、接缝和表面质量也需要符合设计要求,不得有裂缝、翘曲和损坏等情况。
护栏垂直度和栏杆间距的偏差不得超过±3mm。
在评定表中,主控项目检验点必须100%合格,一般项目
逐项检验点的合格率不得低于80.0%,且不合格点不得集中分
布。
如果有不合格点,需要进行自评和复核,并进行工序质量等级评定。
水利水水电工程表(粤水)路29 栏杆安装单元工程施工质量验收评定表单位工程名称火炬开发区张家边泵站及水闸工程—河涌整治Ⅱ标段工序编号95m分部工程名称左侧1+415至1+500段分部工程施工单位深圳市新朗建设工程有限公司单元工程名称、部位花岗岩栏杆施工日期质量标准项次检验项目设计值允许偏差检查(测)记录或备查资料名称合格数合格率1基本要求栏杆杆件不得有弯曲或断裂现象;栏杆必须在人行道板铺完后方可安装;栏杆安装必须牢固,其杆件连接处的填缝料必须饱满平整强度应满足设计要求栏杆杆件不得有弯曲或断裂现象;栏杆必须在人行道板铺完后方可安装;栏杆安装必须牢固,其杆件连接处的填缝料必须饱满平整强度应满足设计要求/100主控项目2外观鉴定栏杆安装应直顺美观;杆件接缝处应无开裂现象。
栏杆安装应直顺美观;杆件接缝处应无开裂现象。
/1001栏杆平面偏位(mm)4/2扶手高度(mm)±10详见检查记录表5100 3柱顶高度(mm)4详见检查记录表51004接缝两侧扶手高差(mm)3详见检查记录表480.0一般项目5竖杆或柱纵横向竖直度(mm)4详见检查记录表5100施工单位自评意见主控项目检验结果全部符合验收评定标准,一般项目逐项检验点的合格率80.0~100 %。
单元工程质量等级评定为:合格(签字,加盖公章)年月日监理单位复核意见经抽检并查验相关检测报告和检测资料,主控项目检验结果全部符合验收评定标准,一般项目逐项检验点的合格率80.0~100 %。
单元工程质量等级评定为:合格(签字,加盖公章)年月日注1:对重要隐蔽单元工程和关键部位单元工程的施工质量验收评定应有设计、建设等单位的代表签字,具体要求应满足SL176的规定。
注2:本表所填“单元工程量”不作为施工单位工程量结算计量的依据。