制冷管道安装工艺
- 格式:docx
- 大小:25.54 KB
- 文档页数:4
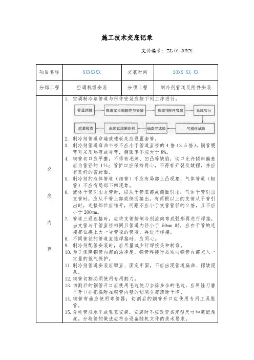
施工技术交底记录文件编号:ZL-01-20XX-1.空调制冷剂管道与附件安装应按下列工序进行。
2.制冷剂管道穿墙或楼板处应设置套管。
3.制冷剂管道弯曲半径不应小于管道直径的4倍(3.5倍)。
铜管煨弯可采用热弯或冷弯,椭圆率不应大于8%。
4.铜管切口应平整,不得有毛刺、凹凸等缺陷,切口允许倾斜偏差应为管径的1%;管扩口应保持同心,不得有开裂及皱褶,并应有良好的密封面。
5.制冷剂的液体管道(细管)不应有局部上凸现象,气体管道(粗管)不应有局部下凹现象。
6.液体干管引出支管时,应从干管底部或侧面引出;气体干管引出支管时,应从干管上部或侧面接出。
有两根以上的支管从干管引出时,连接部位应错开,间距不应小于支管管径的2倍,且不应小于200mm。
7.管道三通连接时,应将支管按制冷剂流向弯成弧形再进行焊接,当支管与干管直径相同且管道内径小于50mm时,应在干管的连接部位换上大一号管径的管段,再进行焊接。
8.不同管径的管道直接焊接时,应同心。
9.制冷剂配管安装时,应尽量减少钎焊接头和转弯。
10.为了保障铜管内部的洁净度,铜管焊接时必须向铜管内部充入一定量的氮气保护。
11.制冷剂管道安装应顺直、固定牢固,不应出现管道扁曲、褶皱现象。
12.铜管切割必须使用专用割刀。
13.切割后的铜管开口应使用毛边绞刀去除多余的毛边,应用锉刀磨平开口并把黏附在铜管内壁的切屑全部清除干净。
14.铜管弯曲应使用弯管器;切割后的铜管开口应使用专用工具胀管。
15.分歧管应水平或竖直安装,安装时不应改变其定型尺寸和装配角度。
分歧管的做法应符合设备随机文件的技术要求。
16.制冷剂管道支、吊架焊接应采用角焊缝满焊,焊缝高度应与较薄焊接件厚度相同,焊缝饱满、均匀,不应出现漏焊、夹渣、裂纹、咬肉等现象。
17.支、吊架焊缝处应做防腐处理。
18.制冷剂管道支、吊架的最小间距依据下表执行:19.制冷剂管道应采取绝热措施。
20.制冷剂管道应与电气管路分开布置,切勿绑扎在一起一同敷设。
空气能制冷管道安装流程下载温馨提示:该文档是我店铺精心编制而成,希望大家下载以后,能够帮助大家解决实际的问题。
文档下载后可定制随意修改,请根据实际需要进行相应的调整和使用,谢谢!并且,本店铺为大家提供各种各样类型的实用资料,如教育随笔、日记赏析、句子摘抄、古诗大全、经典美文、话题作文、工作总结、词语解析、文案摘录、其他资料等等,如想了解不同资料格式和写法,敬请关注!Download tips: This document is carefully compiled by theeditor.I hope that after you download them,they can help yousolve practical problems. The document can be customized andmodified after downloading,please adjust and use it according toactual needs, thank you!In addition, our shop provides you with various types ofpractical materials,such as educational essays, diaryappreciation,sentence excerpts,ancient poems,classic articles,topic composition,work summary,word parsing,copy excerpts,other materials and so on,want to know different data formats andwriting methods,please pay attention!空气能制冷管道安装流程详解空气能制冷系统以其高效、环保的特性,越来越受到广大用户的青睐。
冷库系统管道安装要求一、管道材料制冷工程常用管材有钢管和铜管两类。
钢管又分为无缝钢管和焊接钢管两种。
无缝钢管的特点:是质地均匀、强度高、易于加工、内壁光滑,有热轧和冷拔之分;焊接钢管又称有缝钢管,按其表面处理与否有镀锌管和不镀锌管之分。
制冷工程中常使用热轧无缝钢管。
铜管又分为纯铜管和黄铜管两种,纯铜管的特点:是质软、易弯曲加工、耐腐蚀、管壁光滑,但强度稍弱。
制冷系统中较多使用纯铜管。
(1)氟里昂制冷系统的管材常用紫铜管或无缝钢管,一般管径小于25mm时用紫铜管,管径较大时,用无缝钢管。
氨制冷系统则全部采用无缝钢管,当工作温度低于-40℃时采用低合金钢管;盐水管压力不高,可采用镀锌钢管;冷却水管一般也采用镀锌钢管。
(2)当紫铜管采用烧红退火时,管内易产生氧化皮。
为清除氧化皮,可用铁丝绑上棉纱反复拉洗,直至拉洗干净为止。
(3)氟里昂及氨制冷装置的阀门、安全阀、压力表等,都是专用的,由厂家配套供应,不可随意取代。
二、安装前管道的清洗(1)制冷管道在安装前必须进行除锈、清洗和干燥,管内要清洁且不能有水分。
(2)对于钢管,可用人工或机械方法清除管内污物及铁锈,再用棉纱、破布反复拉洗干净。
(3)对于铜管和灌砂煤制的弯管,应用吹洗的方法将管腔清洗干净。
三、制冷管道安装(1)制冷管道通常沿墙、柱架空敷设,需要采用地下敷设时,通常为不通行地沟,并设活动盖板。
(2)液体管道,不得有局部向上的凸出部分,以免形成'气囊';气体管道不得有局部向下的凹陷部分,以免形成'液囊'。
(3)从液体干管引出支管时,应从干管底部或侧面接出;从气体干管引出支管时,应从干管顶部或侧面接出。
(4)吸气管安装在排气管下面(同架敷设),平行管道之间净距为200~250mm。
压缩机的吸气管和排气管的配管,尺寸要准确。
管道支架要牢固,以承受压缩机运转时的振动;制冷管道穿过墙壁、楼板,应装套管,套管与管道的间隙用不燃柔性材料填塞。
氟利昂制冷管道安装工艺1 范围本工艺适用于a,工作温度在-20~150℃的蒸汽紧缩式制冷系统氟利昂制冷剂管道安装工程。
2 标准性引用文件以下文件中的条款通过本标准的引用而成为本标准的条款。
但凡注日期的引用文件,其随后所有文件的修改单〔不包括订正的内容〕或修订版均不适用于本标准,但是,鼓舞依照本标准达到协议的各方研究是不是可利用这些文件的最新版本。
但凡不注日期的引用文件,其最新版本适用于本标准。
GB50243-2002 通风与空调工程施工质量验收标准GB50236-98 现场设备、工业管道焊接工程施工及验收标准GB50235-97 工业金属管道工程施工及验收标准GB50185-93 工业设备及管道绝热工程质量查验评定标准GB/T7306.2-2000 55°密封管螺纹第2局部:圆锥内螺纹与圆锥外螺纹3工艺流程方框图 (见图1)图1 工艺流程方框图4 工艺进程4.1.1.1熟悉施工图纸和有关的技术资料,了解施工程序、施工方式、质量标准及施工验收技术标准。
4.1.1.2按施工图与现场复查查对,发觉问题及时提请有关部门解决,并按规定办理确认手续。
4.1.1.3编制施工预算及施工方案及施工技术方法。
4.1.1.4依照施工方案对施工班组进展技术交底。
交底包括执行标准标准、施工方式、技术质量要求、平安操作规定、施工进度,材料及加工件利用要求等。
4.1.2.1管道管件和阀门的型号、材质及工作压力等必需符合设计要求,而且有合格证,质量证明书。
4.1.2.2计划和搭设临时设施和管道预制加工及管道清洗场地。
4.1.2.3施工工具、施工机械预备就绪,计量器具应在定检、周检期内。
4.1.3.1按进度方案要求编制材料方案及加工件方案的申报。
4.1.3.2认真清点到场的材料及加工件,并应分类分项整齐堆放在指定地址,做好标色。
4.1.4.1动工前,焊接技术人员应按焊接工艺编制焊接作业指导书,填写上岗焊工记录表。
4.1.4.2动工前做好焊工培训与考核工作,取得资格证书前方可上岗施焊。
空气能制冷管道安装流程咱今儿个来唠一唠空气能制冷管道安装的那些事儿。
这安装流程要是弄错了,那日后使用起来可就麻烦不断,所以咱得仔仔细细地把每一步都弄明白。
在开始安装之前,咱得先把准备工作给做好喽。
您得先把安装需要的工具都给备齐了,像扳手、螺丝刀、焊接设备、切割工具,还有那些测量工具,比如尺子、水平仪啥的,一个都不能少。
另外,管道材料也得选好了,得用质量好、耐用的,不然用不了多久出了问题,那可闹心了。
准备好了工具和材料,咱就可以开始安装了。
第一步,先得规划一下管道的走向和布局。
您得根据空气能制冷设备的位置,还有使用空间的需求,好好琢磨一下管道怎么铺才合理。
比如说,要尽量走直线,减少弯曲,这样制冷效果更好,而且还能节省材料。
定好了走向,就可以用尺子和记号笔在墙上或者地上做好标记。
接下来,就该切割和连接管道了。
按照咱之前做好的标记,用切割工具把管道切成合适的长度。
连接管道的方法有好几种,要是小口径的管道,用螺纹连接或者快速接头连接就挺方便;要是大口径的管道,可能就得焊接了。
不管用哪种方法,都得保证连接牢固,不能有漏水或者漏气的地方。
在连接的时候,还得注意保持管道的水平和垂直,不然安装出来歪歪扭扭的,既不好看又影响使用。
管道连接好了,就得把它们固定在墙上或者天花板上了。
这时候就该用到那些支架和管卡了,把管道稳稳地固定住,不能让它晃来晃去。
固定的时候,间距要合适,不能太密也不能太疏,一般每隔一段距离就固定一个。
固定好管道之后,就该进行检漏和试压了。
给管道里充上一定压力的气体或者水,看看有没有地方漏。
要是有漏的地方,能看到有气泡冒出来或者压力下降,这时候就得赶紧把漏的地方找出来,重新连接或者修补。
可别小看这一步,要是没检查好,等都安装好了才发现有漏,那可就麻烦大了。
检漏没问题了,就可以进行保温处理了。
给管道包上保温材料,这样可以减少冷量的损失,提高制冷效率。
保温材料要包得严实,不能有缝隙,不然冷量还是会跑掉。
制冷系统管道安装作业指导书1本作业指导书采用国家现行规范《工业管理道工程施工及验收规范》、《空气压缩机、空气分离设备安装工程施工及验收规范》。
本作业指导适用于制冷系统管道工程的安装及验收。
2 制冷系统管理、管件焊材、阀门在使用前必须进行验收并应符合下列要求:2.1必须具有合格证或质量证明书,规格型号必须符合设计要求2.2管件、钢管不得有锈蚀麻点。
2.3管材、管件表面不得有严重缺陷。
2.4阀门:⑴对进、出口封闭性良好,具有合格证并在保证期限内安装的阀门,可只清洗密封面;不符合上述条件的阀门,均应拆卸、清洗,并应按阀门的要求更换填料和垫片。
⑵每个阀门均应进行单体气密性试验,其试验压力当设计和设备文件无规定时,企业现行标准《制冷附属设备安装作业指导书》中表3的规定值执行。
阀门试验合格,应填写G5《阀门试验记录》,阀门试验自检和专检应在试验时进行,现场应配制0-3.0MPa压力表(0.5级)不少于两块。
3制冷系统管道安装之前,应将管子内的氧化皮、污杂物和锈蚀除去,使内壁出现金属光泽面后,将管子两端封闭待用。
除锈可采用机械除锈和酸洗除锈法。
方法可根据管子锈蚀程度现场条件等选用,如用酸洗法,须注意要充分中和并用清水冲洗,而后用压缩空气吹干封口待用。
管道除锈自检合格后,应请检查员检查并做好标记。
4管道焊接宜采用氩弧焊打底,电焊盖面的焊接工艺。
焊接采用企业现行标准《碳钢管道焊接作业指导书》,管道安装采用企业现行标准《中低压碳钢、不锈钢管道安装作业指导书》。
5管道的法兰、焊缝和管路附件等不应埋于墙内或不便检修的地方;管道穿过墙壁或楼层,要加保护管套,其间隙宜留10mm左右,间隙内不应填充材料,有绝热层的管道在管道与支架之间应衬垫木,其厚度不应小于绝热层的厚度。
6在液体管上接支管,应从主管的底部或侧部接出;在气管上接支管,应从主管的上部或侧部接出。
供液管不能出现上凸的弯曲。
吸气管除氟系统中专门设置的回油处,不应出现下凹的弯曲。
制冷系统管道、管件的安装规定1)制冷系统的管道、管件和阀门的型号、材质及工作压力等必须符合设计要求,并应具有出厂合格证、质量证明书;2)法兰、螺纹等处的密封材料应与管内的介质性能相适应;3)制冷剂液体管不得向上装成“Ω”形。
气体管道不得向下装成“Ω”形(特殊回油管除外);液体支管引出时,必须从干管底部或侧面接出;气体支管引出时,必须从干管顶部或侧面接出;有两根以上的支管从干管引出时,连接部位应错开,间距不应小于2倍支管直径,且不小于200mm;4)制冷机与附属设备之间制冷剂管道的连接,其坡度与坡向应符合设计及设备技术文件要求。
当设计无规定时,应符合表8.2.5的规定;5)制冷系统投入运行前,应对安全阀进行调试校核,其开启和回座压力应符合设备技术文件的要求。
6)管道、管件的内外壁应清洁、干燥;铜管管道支吊架的型式、位置、间距及管道安装标高应符合设计要求,连接制冷机的吸、排气管道应设单独支架;管径小于等于20mm的铜管道,在阀门处应设置支架;管道上下平行敷设时,吸气管应在下方;7)制冷剂管道弯管的弯曲半径不应小于3.5D(管道直径),其最大外径与最小外径之差不应大于0.08D,且不应使用焊接弯管及皱褶弯管;8)制冷剂管道分支管应按介质流向弯成90°弧度与主管连接,不宜使用弯曲半径小于1.5D的压制弯管;9)铜管切口应平整、不得有毛刺、凹凸等缺陷,切口允许倾斜偏差为管径的1%,管口翻边后应保持同心,不得有开裂及皱褶,并应有良好的密封面;10)采用承插钎焊焊接连接的铜管,其插接深度应符合表8.3.4的规定,承插的扩口方向应迎介质流向。
当采用套接钎焊焊接连接时,其插接深度应不小于承插连接的规定。
采用对接焊缝组对管道的内壁应齐平,错边量不大于0.1倍壁厚,且不大于lmm。
11)制冷管道系统应进行强度、气密性试验及真空试验,且必须合格。
12)管道穿越墙体或楼板时,管道的支吊架和钢管的焊接应按本规范第9章的有关规定执行。
制冷系统管路连接关键工艺制冷系统管路连接是制冷系统中非常重要的一环,它关系到系统的正常运行和制冷效果。
这篇文章将从管路连接的材料选择、连接方式和管路布局三个方面来介绍制冷系统管路连接的关键工艺。
一、管路连接材料选择在制冷系统中,常用的管路连接材料主要有铜管、钢管和塑料管。
铜管具有良好的导热性和耐腐蚀性,是制冷系统中最常见的管路连接材料。
钢管则具有较高的强度和耐压性能,适用于一些高压制冷系统。
塑料管具有质轻、绝缘性能好等优点,适用于一些特殊场合。
在选择管路连接材料时,需要根据制冷系统的具体要求和工作环境来进行选择。
二、连接方式1. 焊接连接:焊接是制冷系统中常用的一种连接方式。
通过焊接可以实现管路的密封和固定。
常见的焊接方式有氩弧焊和铜管焊接。
氩弧焊适用于对连接质量要求较高的场合,而铜管焊接则适用于一些小型制冷系统。
焊接连接的优点是连接牢固,密封性好,但需要专业的焊接技术和设备。
2. 螺纹连接:螺纹连接是一种简便易行的连接方式。
通过螺纹连接可以实现管路的拆卸和更换。
常见的螺纹连接方式有内螺纹和外螺纹连接。
内螺纹连接适用于管道的连接,而外螺纹连接适用于管件的连接。
螺纹连接的优点是安装方便,适用范围广,但其密封性较差,需要使用密封胶或垫片来进行密封。
3. 卡套连接:卡套连接是一种常用的连接方式。
通过卡套连接可以实现管路的快速拆卸和更换。
卡套连接的优点是安装方便,拆卸方便,但其密封性较差,需要使用密封胶或垫片来进行密封。
三、管路布局管路布局是制冷系统中管路连接的重要环节,合理的管路布局可以提高制冷效果和系统的运行效率。
在管路布局中,需要考虑以下几个因素:1. 管路长度:管路长度的增加会导致制冷系统的压力损失增加,影响制冷效果。
因此,在管路布局中应尽量减少管路的长度,避免过长的管路。
2. 管径选择:管径的选择会影响制冷系统的流量和压力损失。
一般来说,流量较大的管路应选择较大的管径,以减小压力损失;而流量较小的管路则可以选择较小的管径。
暖通空调制冷系统管道安装摘要:当下暖通空调成为满足人们生活需求的基本表现方式,而制冷系统管道作为暖通空调中的一部分,也是实际生活中暖通空调正常运作的关键。
对于暖通空调来说,不管是根据现场制定的安装方案,还是实际安装过程中的施工操作,制冷系统管道的安装和操作都是暖通空调非常重要的一环,是保证暖通空调是否能够正常运作的主要原因,也是保证人们在实际生活中使用和操作起来对其舒适度的关键一环。
关键词:暖通空调;制冷系统;管道安装1.制冷系统管道安装的要求在进行暖通空调制冷系统管道安装前,安装人员务必要对安装部分的要点进行悉知,避免在安装过程中出现漏洞,影响后期的使用效果。
暖通空调制冷系统管道安装的要求有:(1)根据设计要求进行施工。
在选择制冷管道、阀门、仪表等具体配件时,一定要注意各个配件的型号与设计的标注,以及不同厂商的不同配件之间是否能够正常兼容,同时确保配件出产的质量合格。
对于制冷管道的衔接材料,如螺纹法兰,要先考虑材料是否与管道型号相匹配,其次要检验材料的密封性以及构件质量是否过关。
暖通空调制冷系统管道的制冷剂液体管在安装过程中需要额外注意,制冷剂液体管的气体支管于液体支管选择上,气体支管从干管侧面以及顶部分出,一般不从下方接出。
在对各个管道安装过程中需注意管道的清洁工作。
(2)冷凝水管道安装冷凝水管排水坡度一般是1%,最小不能小于0.5%。
自然排水时,对吊顶标高影响较大,排水管必须设置存水弯,防止产生负压,并加装堵头或阀门,以便日后清洗。
采用提升水泵时,因有排水泵的加入,使得水管中的水具有动力,处于流动状态,脏物不易沉积。
贯穿楼板部位和穿越防火隔墙的两侧宜采取阻火措施,在冷凝水主管道的末端或中间部位设置排气管以利于排水流畅,排气管口的位置要高于排水系统中最高室内机的水位,防止水从排水孔溢出,同时排气口的开口需朝下,以防止灰尘或垃圾进入排水管内。
冷凝水管必须与其他水管分开安装,以防止其他水管堵塞时水倒流入室内机,导致空调漏水。
制冷剂管道安装工艺标准一、总则1 范围本标准适用于在建项目空调制冷系统工作压力低于 2. 5Mpa,工作温度在-20℃〜150℃范围内,制冷剂和润滑油的管道、管件与阀件的安装的施工管理和质量验收,如本标准的要求高于国家相关规范的规定,以本标准为准,否则以国家规范为准。
2 规范性引用文件下列文件中的条款通过本标准的引用而成为本标准的条款,内容随最新版本更新适用于本标准。
GB50300-2001建筑工程施工质量验收统一标准GB50242-2002建筑给水排水及采暖工程施工质量验收规范GB50243-2002通风与空调工程施工质量验收规范GB50235-2010工业金属管道工程施工及验收规范GB50236-2011现场设备、金属工业管道焊接工程施工及验收规范二、施工准备1技术准备1.1施工图齐全,并已会审完成。
1.2掌握施工工艺流程、施工程序及技术质量要求。
1.3项目已完成对施工单位的交底。
1.4施工的作业人员应具备相应的施工技术资质,特殊工种的作业人员应持证上岗。
1.5根据施工图进行管道位置、标高测量放线,检查并找出支、吊架预埋铁件。
2物资准备2.1用于工程项目的设备、材料的规格、型号应符合设计要求,质量符合现行设备、材料技术标准要求。
2.2设备基础己按设计要求具备,并经检査符合要求。
2.3无缝钢管、铜管的几何尺寸符合有关标准要求。
无缝管内外表面应无明显腐蚀、无裂纹、重皮及凹凸不平等缺陷。
铜管内外璧均应光洁、无疵孔、裂缝、结疤、层裂或气泡等缺陷。
并应进行除锈、清洗、脱脂、内部防腐。
对暂时不用的管子应将管口封闭,并保持内壁干燥。
3作业条件准备a)建筑结构工程施工完毕,与管道连接的设备已安装完毕,管道穿越结构的孔洞已配合预留,尺寸正确。
预埋件设置恰当,符合制冷管道施工要求。
b)按施工图所示管道位置、标高测量放线,査找出支、吊架预埋件。
现场的安全配套设施完成。
三、施工工艺1施工工艺流程2操作要求2.1管道支、吊架的制作a)制作管道支、吊架应按照管道系统所在的空间位置、现场支持结构的具体情况及管道的材质、规格、重量等确定支、吊架的形式和所用材料。
空调水管安装施工方案一. 空调水管道安装说明本工程管径DN≤80mm的采用热镀锌钢管,螺纹连接;100mm≤DN≤450mm的采用无缝钢管,焊接连接;DN>450mm的采用螺旋钢管,焊接连接;空调凝结水管均采用镀锌钢管,螺纹连接。
二. 管道支架制作(一)工艺流程(二)支架安装①管道支架符合管道补偿移位和设备推力的要求,防止管道振动。
管道支架必须满足管道的稳定和安全,允许管道自由伸缩并符合安装高度。
②管道支架加工制作前应根据管道的材质、管径大小等按标准图集进行选型。
支架的高度应与其它专业进行协调后确定,防止施工过程中管道与其它专业的管线发生“碰撞”。
③临近阀门和其他大件管道须安装辅助支架,以防止过大的应力,临近水泵、冷水机组等设备的接头处亦须安装落地支架以免设备受力。
对于机房内压力管道及其他可把震动传给建筑物的压力管道,必须安装弹簧支架并垫橡胶垫圈以达到减震的目的。
④垂直安装的总(干)管,其下端应设置承重固定支架,上部末端设置防晃固定支架。
管道的干管三通与管道弯头处应加设支架固定,管道支吊架应固定牢固。
管道支吊架的间距最大间距如下表所示:(三)管道支吊架的通用安装形式①立管支吊架安装形式如下表所示:②水平安装管支吊架安装形式见下表所示:③设备出口的管道支架安装形式见下表所示:五层弧板支撑参数选择表:④热力管道支架安装形式见下表所示:a支架布置1滑轮位置可调整接卷扬机b 立管滑动支架一层接卷扬机管道焊接在本工程中存在着管径大、重量大、管壁厚等特点,这也导致了在工程施工中,焊接质量难以控制、施工效率低、管道难以装配准确等困难。
因此对管道焊接控制也是本次管道安装重点控制项目,我单位将采用以下措施保证焊接质量。
(一)焊接方法的选用为了满足大型管道的焊接工艺要求,对常用的两种焊接工艺:手工电弧焊和CO2气体保护焊作对比分析,通过对比分析做出选择。
两种工艺的特点见下表所示:通过上述两种焊接方法的比较并根据我单位多年的施工经验,对本工程使用焊接连接的管道作如下选择:管道焊接均采用手工电弧焊。
第1篇一、施工准备1. 设计审查:对制冷系统设计进行审查,确保设计符合国家相关规范和标准,满足冷库使用需求。
2. 材料设备准备:根据设计要求,准备制冷机组、冷凝器、蒸发器、管道、阀门、仪表、保温材料等设备和材料。
3. 人员培训:对施工人员进行制冷系统施工技术培训,确保施工人员掌握制冷系统施工工艺和操作规范。
4. 施工现场准备:清理施工现场,确保施工环境整洁、安全,满足施工要求。
二、施工工艺1. 管道安装:根据设计图纸,按照管道走向、高度和间距要求,进行管道安装。
管道应保持平直,连接处应牢固,避免出现泄漏。
2. 阀门安装:按照设计要求,安装阀门,确保阀门启闭灵活,无泄漏。
3. 制冷机组安装:将制冷机组放置在指定位置,按照设备说明书进行安装,确保设备运行稳定。
4. 冷凝器安装:将冷凝器放置在指定位置,按照设计要求进行安装,确保冷凝器与制冷机组连接紧密。
5. 蒸发器安装:将蒸发器放置在指定位置,按照设计要求进行安装,确保蒸发器与制冷机组连接紧密。
6. 仪表安装:按照设计要求,安装压力表、温度表、流量计等仪表,确保仪表准确可靠。
7. 保温施工:对制冷管道、设备进行保温,采用聚氨酯保温材料,确保保温效果。
8. 系统调试:对制冷系统进行调试,确保系统运行稳定,制冷效果达到设计要求。
三、施工注意事项1. 施工过程中,注意保护设备和材料,避免损坏。
2. 施工现场应保持整洁,施工人员应穿戴防护用品。
3. 施工过程中,严格遵守操作规程,确保施工安全。
4. 施工完成后,对制冷系统进行试运行,检查系统运行情况,确保制冷效果。
5. 施工过程中,注意节约能源,降低施工成本。
四、施工总结冷库制冷系统工程施工是一项技术性较强的工程,施工过程中要严格按照设计要求进行施工,确保制冷系统运行稳定,满足冷库使用需求。
通过本次施工,积累了丰富的施工经验,为今后类似工程提供了借鉴。
第2篇一、施工准备1. 技术交底:组织施工人员进行技术交底,明确施工要求、质量标准、安全措施等。
制冷管道安装工艺1范围本工艺标准适用于制冷系统中工作压力低于2MPa、温度在150〜-20C范围内、输送介质为制冷剂和润滑油的管道安装工程。
2施工准备2.1材料及主要机具2.1.1所采用的管子和焊接材料应符合设计规定,并具有出厂合格证明成质量鉴定文件。
2.1.2制冷系统的各类阀件必须采用专用产品,并有出厂合格证。
2.1.3无缝钢管内外表面应无显著腐蚀、无裂纹、重皮及凹凸不平等缺陷。
2.1.4铜管内外壁均应光洁、无疵孔、裂缝、结疤、层裂或气池等缺陷。
2.1.5施工机具:卷扬机、空气压缩机、真空泵、砂轮切割机、手砂轮、压力工作台、倒链、台钻、电锤、坡口机、铜管板边器、手锯、套丝板、管钳子、套筒扳手、梅花扳手、活板子、水平尺、铁锤、电气焊设备等。
2.1.6测量工具:钢直尺、钢卷尺、角尺、半导体测温计、形压力计等。
2.2作业条件2.2.1设计图纸、技术文件齐全,制冷工艺及施工程序清楚。
2.2.2建筑结构工程施工完毕,室内装修基本完成,与管道连接的设备已安装找正完毕,管道穿过结构部位的孔洞已配合预留,尺寸正确。
预埋件设置恰当,符合制冷管道施工要求。
2.2.3施工准备工作完成,材料送至现场。
3操作工艺3.1工艺流程:预检f施工准备f管道等安—系统吹污f系统气密性试f 验3.2施工准备3.2.1认真熟悉图纸、技术资料,搞清工艺流程、施工程序及技术质量要求。
3.2.2按施工图所示管道位置、你高、测量放线、查找出支吊架预埋铁件。
3.2.3制冷系统的阀门,安装前应按设计要求对型号、规格进行核对检查,并按照规范要求做好清洗和严密性试验。
3.2.4制冷剂和润滑油系统的管子、管件应将内外壁铁锈及污物清除干净,除完锈的管子应将管口封闭,并保持内外壁干燥。
3.2.5按照设计规定,预制加工支吊管架、须保温的管道、支架与管子接触处应用经防腐处理的土垫隔热。
木垫厚度应与保温层厚度相同。
支吊架型式间距见表1制冷管道支吊架间距表表13.3制冷系统管道、阀门、仪表安装3.3.1管道安装:331.1制冷系统管道的坡度及坡向,如设计无明确规定应满足表2要求。
制冷管道安装工艺
一、施工准备
1 、材料及主要机具
1.1所采用的管子和焊接材料应符合设计规定,并具有出厂合格证明成质量鉴定文件。
1.2制冷系统的各类阀件必须采用专用产品,并有出厂合格证。
1.3无缝钢管内外表面应无显著腐蚀、无裂纹、重皮及凹凸不平等缺陷。
1.4铜管内外壁均应光洁、无疵孔、裂缝、结疤、层裂或气池等缺陷。
1.5施工机具:卷扬机、空气压缩机、真空泵、砂轮切割机、手砂轮、压力工作台、倒链、台钻、电锤、坡口机、铜管板边器、手锯、套丝板、管钳子、套筒扳手、梅花扳手、活板子、水平尺、铁锤、电气焊设备等。
1.6 测量工具:钢直尺、钢卷尺、角尺、半导体测温计、形压力计等。
2、作业条件
2.1设计图纸、技术文件齐全,制冷工艺及施工程序清楚。
2.2建筑结构工程施工完毕,室内装修基本完成,与管道连接的设备已安装找正完毕,管道穿过结构部位的孔洞已配合预留,尺寸正确。
预埋件设置恰当,符合制冷管道施工要求。
2.3施工准备工作完成,材料送至现场。
二、操作工艺
1 、工艺流程:
预检→施工准备→管道等安装→系统吹污→系统气密性试验→系统抽真空→管道防腐→系统充制冷剂→检验
2 、施工准备
认真熟悉图纸、技术资料,搞清工艺流程、施工程序及技术质量要求。
按施工图所示管道位置、你高、测量放线、查找出支吊架预埋铁件。
制冷系统的阀门,安装前应按设计要求对型号、规格进行核对检查,并按照规范要求做好清洗和严密性试验。
制冷剂和润滑油系统的管子、管件应将内外壁铁锈及污物清除干净,除完锈的管子应将管口封闭,并保持内外壁干燥。
按照设计规定,预制加工支吊管架、须保温的管道、支架与管子接触处应用经防腐处理的土垫隔热。
木垫厚度应与保温层厚度相同。
支吊架型式间距见表4-36。
制冷管道支吊架间距表表 4-36
管道安装:
制冷系统管道的坡度及坡向,如设计无明确规定应满足表4-37 要求。
制冷系统管道的坡度波向表 4-37
制冷系统的液体管安装不应有局部向上凸起的弯曲现象,以免形成气囊。
气体管不应有局部向下凹的弯曲现象。
以免形成液囊。
从液体干管引出支管,应从干管底部或侧面接出,从气体干管引出支管,应从干管上部或侧面接出。
管道成三通连接时,应将支管按制冷剂流向弯成弧形再行焊接(图 4-37a),当支管与干管直径相同且管道内径小于50mm 时,则需在干管的连接部位换上大一号管径的管段,再按以上规定进行焊接(图4-37b)。
不同管径的管子直线焊接时,应采用同心异径管(图 4-37c)。
紫铜管连接宜采用承插口焊接,或套管式焊接,承口的扩口深度不应小于管径,扩口方向应迎介质流向(图4-38)。
紫铜管切口表面应平齐,不得有毛刺、凹凸等缺陷。
切口平面允许倾斜偏差为管子直径的1%。
紫铜管煨弯可用热弯或冷弯,椭圆率不应大于8%。
阀门安装:
阀门安装位置、方向、高度应符合设计要求不得反装。
安装带手柄的手动截止阀,手柄不得向下。
电磁阀、调节阀、热力膨胀阀、升降式止回阀等,阀头均应向上竖直安装。
热力膨胀阀的感温包,应装于蒸发器末端的回气管上,应接触良好,绑扎紧密,并用隔热材料密封包扎,其厚度与保温层相同。
安全阀安装前,应检查铅封情况和出厂合格证书,不得随意拆启。
安全阀与设备间若设关断阀门,在运转中必须处于全开位置,并予铅封。
仪表安装:
所有测量仪表按设计要求均采用专用产品,压力测量仪表须用标准压力表进行校正,温度测量仪表须用标准温度计校正并做好记录。
所有仪表应安装在光线良好,便于观察,不妨碍操作检修的地方。
压力继电器和温度继电器应装在不受震动的地方。
4、系统吹污、气密性试验及抽真空。
系统吹污:
整个制冷系统是一个密封面又清洁的系统,不得有任何杂物存在,必须采用洁净干燥的空气对整个系统进行吹污,将残存在系统内部的铁屑、焊渣、泥砂等杂物吹净。
吹污前应选择在系统的最低点设排污口。
用压力 0.5~0.6MPa 的干燥空气进行吹扫;如系统较长,可采用几个排污口进行分段排污。
此项工作按次序连续反复地进行多次,当用白布检查吹出的气体无污垢时为合格。
系统气密性试验:
系统内污物吹净后,应对整个系统(包括设备、阀件)进行气密性试验。
制冷剂为氨的系统,采用压缩空气进行试压。
制冷剂为氟利昂系统,采用瓶装压缩氮气进行试压。
对于较大的制冷系统也可采用压缩
空气,但须经干燥处理后再充入系统。
检漏方法:用肥皂水对系统所有焊口、阀门、法兰等连接部件进行仔细涂抹检漏。
在试验压力下,经稳压 24h 后观察压力值,不出现压力降为合格(温度影响除外)。
试压过程中如发现泄漏,检修时必须在泄压后进行,不得带压修补。
系统气密性试验压力见表 4-38。
系统气密性试验压力MPa (kgf/cm2) 表 4-38
注: 1. 括号内为kgf/cm。
2. 低压系统:指节流阀起经蒸发器到压缩机吸入口的试验压力;高压系
统:指自压缩机排出口起经冷凝器到节流阀止的试验压力。