功率表讲解全解共25页
- 格式:ppt
- 大小:2.76 MB
- 文档页数:25
功率表原理关键字:功率,功率因素cosφ正文:功率表是测量直流,交流电路中功率的机械式指示电表。
直流电路和交流电路中的功率分别为P=UI。
直流电路和交流电路中的功率分別为P=UI和P=UIcosφ﹐U,I 为负载电压和电流,φ为电流相量与相量间夹角﹐cosφ为功率因数。
虽然各系电表的测量机构都有可能构成测量功率的电表﹐但最适于制成功率表的是电动系电表和铁磁电动系电表的测量机构。
功率表的结构:由于功率表的种类很多,这里只以单相电动系功率表进行分析。
单相电动系功率表的接线原理见图。
这种电表测量机构的转动力矩M与I1I2cosθ有关﹐I1为静圈电流,I2为动圈电流﹐θ为两电流相量间夹角。
使负载电流I通过静圈﹐即I1=I。
将负载电压加于动圈及与动圈串联的大电阻R上﹐则动圈中电流I2=U/R。
这样θ=φ﹐而转动力矩M=kI1I2cosφ﹐这反映了功率P的大小。
改变与动圈串联的电阻值﹐可改变电压量程﹐将静圈的两线圈由串联改为并联﹐可扩大电流量程。
功率表的表盘一般按额定电压与额定电流相乘﹐并使功率因数cosφ=1來标值。
如电压量程为300V﹑电流量程为5A的功率表﹐表盘的满刻度值为300×5×1=1500W。
也有制成功率因数为0.1的低功率因数功率表﹐其满刻度值为300×5×0.1=150W。
功率表的量程不能简单地只提功率量程﹐而应同時指明电压﹑电流量程及功率因数数值。
功率表的接线:功率表的正确接法必须遵守“发电机端”的接线规则。
1)功率表标有“*”号的电流端必须接至电源的一端,而另一端则接至负载端。
电流线圈是串联接入电路的。
2) 功率表上标有“*”号的电压端子可接电流端的任一端而另一端子则并联至负载的另一端。
功率表的电压支路是并联接入电路的。
a) 电压线圈前接法适用于负载电阻的电流线圈的电阻大的情况,电流线圈的电压降使测量产生误差。
b) 电压线圈后接法适用于负载电阻远比电压,支路电阻小的情况流过电压线圈的电流使测量产生误差。
功率表功率在直流电路中能反映被测电路中电压和电流的乘积(P=UI),在交流电路中除反映电流与电压之乘积外,还能反映其功率因数。
功率表俗称电力表,多采用电动系结构,既能测直流也能测交流;既可测正弦电路,也可测非正弦电路的功率。
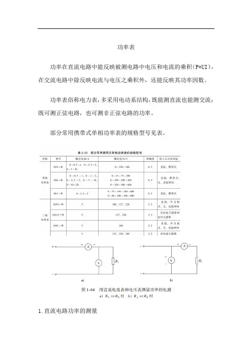
部分常用携带式单相功率表的规格型号见表。
1.直流电路功率的测量直流电路内负载功率P=UI。
因此只要用直流电流表和电压表测量出电路中的电流和电压值,两者相乘即可。
当电压表的内阻R V>>负载电阻R Z时,可按图a接线。
当电流表内阻R A﹤﹤R Z时,可按图b接线。
如果用直流功率表来测量直流电路的功率,功率表的读数就是被测负载的功率值。
2.单相交流电路功率的测量在单相交流电路内,负载的功率P=UIcosφ,它可以用交流电流表、交流电压表和功率因数表测得的3个数值相乘求得。
但由于此法用表较多,内阻影响大,又需同时读数,故一般不采用。
常用的测量方法是用功率表直接测得。
这是一种电动系交直流两用功率表,它由两组线圈组成:一组是电流线圈,负载电流通过它;一组是电压线圈。
指针的偏转与负载的电压、电流以及它们的相位差的余弦乘积成正比,因此可以测量交流电路的功率。
由于它的测量与电流、电压之间的相位有关,所以电流线圈与电压线圈的接线必须按规定的方式连接,才能获得正确的测量值。
仪表上注有“∗”在一起。
要注意功率表的读数是偏移格数,而实际功率值还要经过计算。
当需要对高电压、大电流电路进行功率测量时,功率表的量程不够,可按图所示接线。
这时电路的功率为1)三相四线制电路中有功功率的测量方法:用3只单相有功功率表按图所示接线。
此种方法无论三相电压是否对称,也无论三相电流是否平衡,测量的结果总是正确的。
当三相电压全平衡且三相电流也完全对称时,可以用图中任何一只功率表来测量,然后把该表的读数乘以3就是三相有功功率值。
2)三相三线制电路中有功功率的测量方法:①双功率表法。
按图所示接线,无论负载是星形联结还是三角形联结,三相功率值是两只功率表读数的代数和。
功率表的使用方法电动式功率表的使用方法、电动式功率表的结构及工作原理电动式功率表的结 构如图 2-1 所示。
它的 固定部分是由两个平 行对称的线圈 1 组成, 这两个线圈可以彼此 串联或并联连接,从 而可得到不同的量 限。
可动部分主要有 转轴和装在轴上的可力矩和将电流引入动圈的游线 5 组成。
电动式功 率表的接线如图 2-2 所示,图中固定线圈串联在 被测电路中,流过的电流就是负载电流,因此, 这个线圈称为电流线圈。
可动线圈在表内串联一 个电阻值很大的电阻 R 后与负载电流并联,流过 线圈的电流与负载的电压成正比, 而且差不多与 其相同, 因而这个线圈称为电压线圈。
固定线圈 产生的磁场与负载电流成正比, 该磁场与可动线 圈中的电流相互作用, 使动圈产生一力矩, 并带动线圈 2,指针 3,空 气阻尼器 4,产生反抗图2-1 电动式功率表动指针转动。
在任一瞬间,转动力矩的大小总是与负载电流以及电压瞬时值的乘积成正比,但由于转动部分有机械惯性存在,因此偏转角决定于力矩的平均值,也就是电路的平均功率,即有功功率。
图2(-a2 功率表的两种接线方(b式由于电动式功率表是单向偏转,偏转方向与电流线圈和电压线圈中的电流方向有关。
为了使指针不反向偏转,通常把两个线圈的始端都标有“*”或“±”符号,习惯上称之为“同名端” 或“发电机端”,接线时必须将有相同符号的端钮接在同一根电源线上。
当弄不清电源线在负载哪一边时,针指可能反转,这时只需将电压线圈端钮的接线对调一下,或将装在电压线圈中改换极性的开关转换一下即可。
图 2-2( a)和 2-2( b)的两种接线方式,都包含功率表本身的一部分损耗。
在图 2-2(a)的电流线圈中流过的电流显然是负载电流,但电压线圈两端电压却等于负载电压加上电流线圈的电压降,即在功率表的读数中多出了电流线圈的损耗。
因此,这种接法比较适用于负载电阻远大于电流线圈电阻(即电流小、电压高、功率小的负载)的测量。