地感线圈安装规范
- 格式:doc
- 大小:87.50 KB
- 文档页数:3
地感线圈施工规范(1)要求须知1.线圈材料:标准Φ0.75mm 耐高温镀锡线。
2.周围50公分范围内不能有大量的金属,如井盖、雨水沟盖板等。
3.周围1米范围内不能有超过220V 的供电线路。
4.作多个线圈时,线圈与线圈之间的距离要大于2米,否则会互相干扰。
5.标准3米宽马路,地感线圈的尺寸为2米长80-100CM 米宽,角上做45°、20厘米长的切角。
6.线圈与马路边的距离在30-50厘米左右,线圈为垂直叠加绕4-6圈,总长度在30-40m。
7.埋设线槽切割参数:宽度3-5mm、深度40-50mm,深度和宽度要均匀一致,应尽量避免忽深忽浅、忽宽忽窄的情况。
8.线圈应与道闸或控制机处于同一平衡位置。
9.线圈引出的两根线应该双绞,密度为每米不少于50结,未双绞的输出引线将会引起干扰。
输出引线长度一般不应超过5米。
由于探测线圈的灵敏度随引线长度的增加而降低,所以引线电缆的长度要尽可能短。
10.在进行线圈布线时一定要把线槽里的小石子清理干净,以免后期车辆来回压过导致线圈断了或是破皮造成地感工作不正常。
①矩形安装通常探测线圈应该是长方形。
两条长边与金属物运动方向垂直,彼此间距推荐为0.8-1米。
长边的长度取决于道路的宽度,通常两端比道路间距窄0.3米至1米。
斜角避免导线过度弯折进入道闸机里的导线必须双绞道闸里车辆检测器或是票箱里的车辆检测感应宽度感应长度长度30-50CM②倾斜45°安装在某些情况下需要检测自行车或摩托车时,可以考虑线圈与行车方向倾斜45°安装。
③“8”字形安装在某些情况下,路面较宽(超过六米)而车辆的底盘又太高时,可以采用此种安装形式以分散检测点,提高灵敏度。
这种安装形式也可用于滑动门的检测,但线圈必须靠近滑动门。
⑶线圈的匝数为了使检测器工作在最佳状态下,线圈的电感量应保持在100uH-300uH之间。
在线圈电感不变的情况下,线圈的匝数与周长有着重要关系。
周长越小,匝数就越多。
地感线圈施工规范(1)请求须知1.线圈材料:尺度Φ0.75mm耐高温镀锡线.2.四周50公分规模内不克不及有大量的金属,如井盖.雨水沟盖板等.3.四周1米规模内不克不及有超出220V的供电线路.4.作多个线圈时,线圈与线圈之间的距离要大于2米,不然会互相关扰.5.尺度3米宽马路,地感线圈的尺寸为2米长80-100CM米宽,角上做45°.20厘米长的切角.6.线圈与马路边的距离在30-50厘米阁下,线圈为垂直叠加绕4-6圈,总长度在30-40m.7.埋设线槽切割参数:宽度3-5mm.深度40-50mm,深度和宽度要平均一致,应尽量防止忽深忽浅.忽宽忽窄的情形.8.线圈应与道闸或掌握机处于统一均衡地位.9.线圈引出的两根线应当双绞,密度为每米许多于50结,未双绞的输出引线将会引起干扰.输出引线长度一般不该超出5米.因为探测线圈的敏锐度随引线长度的增长而下降,所以引线电缆的长度要尽可能短.10.在进行线圈布线时必定要把线槽里的小石子清算干净,以免后期车辆往返压过导致线圈断了或是破皮造成地感工作不正常.①矩形装配平日探测线圈应当是长方形.两条长边与金属物活动偏向垂直,彼此间距推举为1米.长边的长度取决于道路的宽度,平日两头比道路间距窄至1米.②竖直45°装配在某些情形下须要检测自行车或摩托车时,可以斟酌线圈与行车偏向竖直45°装配.③“8”字形装配在某些情形下,路面较宽(超出六米)而车辆的底盘又太高时,可以采取此种装配情势以疏散检测点,进步敏锐度.这种装配情势也可用于滑动门的检测,但线圈必须接近滑动门.⑶线圈的匝数为了使检测器工作在最佳状况下,线圈的电感量应保持在100uH-300uH之间.在线圈电感不变的情形下,线圈的匝数与周长有着主要关系.周长越小,匝数就越多.一般可参照下表:因为道路下可能埋设有各类电缆管线.钢筋.下水道盖等金属物资,这些都邑对线圈的现实电感值产生很大影响,所以上表数据仅供用户参考.在现实施工时用户应应用电感测试仪现实测试电感线圈的电感值来肯定施工的现实匝数,只要包管线圈的最终电感值在合理的工作规模之内(如在100uH—300uH之间).⑷输出引线在绕制线圈时,要留出足够长度的导线以便衔接到环路感应器,又能包管中央没有接头.绕好线圈电缆今后,必须将引出电缆做成慎密双绞的情势,请求起码1米绞合20次.不然,未双绞的输出引线将会引入干扰使线圈电感值变得不稳固.输出引线长度一般不该超出5米.因为探测线圈的敏锐度随引线长度的增长而下降,所以引线电缆的长度要尽可能短.⑸埋设办法线圈埋设起首要用切路机在路面上切出槽来.在四个角长进行45度倒角,防止尖角损坏线圈电缆.切槽宽度一般为4到8毫米,深度30到50毫米.同时还要为线圈引线切一条通到路边的槽.但要留意:切槽内必须干净无水或其它液体渗入.绕线圈时必须将线圈拉直,但不要绷得太紧并紧贴槽底.将线圈绕好后,将双绞好的输出引线经由过程引出线槽引出.在线圈的绕制进程中,应应用电感测试仪现实测试电感线圈的电感值,并确保线圈的电感值在100uH—300uH之间.不然,应对线圈的匝数进行调剂.在线圈埋好今后,为了增强呵护,可在线圈上绕一圈尼龙绳.最后用沥青或软性树脂将切槽封上.这是布完地感线的后果图。
地感线圈道闸安装注意事项地感线圈是一种常见的道闸安装设备,用于探测车辆的进出,实现自动开关道闸的功能。
在安装地感线圈道闸时,需要注意以下事项:1.选择合适的安装位置:地感线圈需要埋设在地面下,应选择空旷的地方进行安装,以便能够准确感应到车辆的进出情况。
2.确定合适的布线方式:地感线圈需要与道闸控制系统进行连接,一般可以选择有线或者无线方式进行布线。
有线布线需要保证线缆的质量,避免损坏或者断裂。
3.正确埋设地感线圈:地感线圈应当埋设在车辆经过的地方,一般需要埋设在停车场的入口和出口处。
地感线圈的埋设深度一般为10-20厘米,埋设时应平整地面,避免影响车辆通行。
4.调试安装角度:地感线圈应安装在正确的角度,以便能准确感应到车辆的进出情况。
安装时应注意调整角度,保证感应范围覆盖到道路的中央,并且避免感应到不必要的干扰信号。
5.保护地感线圈:地感线圈是一种较为脆弱的设备,需要特别注意保护。
在安装完毕后,应及时进行埋土,并且加装盖板或者护坡,保证地感线圈不受外界物体的碾压和损坏。
6.测试和调试:安装完地感线圈后,需要进行测试和调试,以确保其正常工作。
可以用车辆进行测试,看地感线圈是否能准确感应到车辆的进出情况,并且实现道闸的自动开关。
7.维护和保养:安装完地感线圈后,需要定期进行维护和保养,保证其正常工作。
可以定期清洁地感线圈及周围环境,避免灰尘和油污对其工作的影响。
同时,在使用过程中,如果发现地感线圈出现故障,应及时修复或更换。
8.注意安全防护:在安装地感线圈时,需要注意安全防护措施,避免发生事故。
工作时应戴好安全帽和手套,避免触电或者受伤。
同时,在进行有线布线时,应注意防水和绝缘,以免出现漏电或者短路等安全隐患。
总之,地感线圈道闸的安装需要仔细注意各项细节,保证其正常工作。
只有在正确安装的基础上,才能实现道闸的自动开关功能,提高车辆通行的效率和安全性。
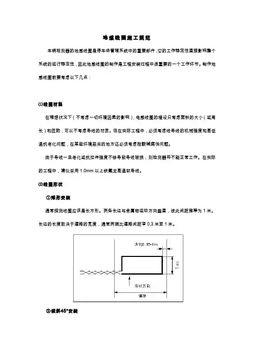
地感线圈施工规范车辆检测器的地感线圈是停车场管理系统中的重要部件,它的工作稳定性直接影响整个系统的运行稳定性,因此地感线圈的制作是工程安装过程中很重要的一个工作环节。
制作地感线圈前要考虑以下几点:⑴线圈材料在理想状况下(不考虑一切环境因素的影响),电感线圈的埋设只考虑面积的大小(或周长)和匝数,可以不考虑导线的材质。
但在实际工程中,必须考虑线导线的机械强度和高低温抗老化问题,在某些环境恶劣的地方还必须考虑耐酸碱腐蚀问题。
由于导线一旦老化或抗拉伸强度不够导致导线破损,则检测器将不能正常工作。
在实际的工程中,建议采用1.0mm以上铁氟龙高温软导线。
⑵线圈形状①矩形安装通常探测线圈应该是长方形。
两条长边与金属物运动方向垂直,彼此间距推荐为1米。
长边的长度取决于道路的宽度,通常两端比道路间距窄0.3米至1米。
②倾斜45°安装在某些情况下需要检测自行车或摩托车时,可以考虑线圈与行车方向倾斜45°安装。
③“8”字形安装在某些情况下,路面较宽(超过六米)而车辆的底盘又太高时,可以采用此种安装形式以分散检测点,提高灵敏度。
这种安装形式也可用于滑动门的检测,但线圈必须靠近滑动门。
⑶线圈的匝数为了使检测器工作在最佳状态下,线圈的电感量应保持在100uH-300uH之间。
在线圈电感不变的情况下,线圈的匝数与周长有着重要关系。
周长越小,匝数就越多。
一般可参照下表:由于道路下可能埋设有各种电缆管线、钢筋、下水道盖等金属物质,这些都会对线圈的实际电感值产生很大影响,所以上表数据仅供用户参考。
在实际施工时用户应使用电感测试仪实际测试电感线圈的电感值来确定施工的实际匝数,只要保证线圈的最终电感值在合理的工作范围之内(如在100uH—300uH之间)。
⑷输出引线在绕制线圈时,要留出足够长度的导线以便连接到环路感应器,又能保证中间没有接头。
绕好线圈电缆以后,必须将引出电缆做成紧密双绞的形式,要求最少1米绞合20次。
道闸地感线圈安装规范
,书写规范
道闸地感线圈安装规范
道闸作为停车场管理的重要设备,停车场能正常地运行和智能化管理,它必不可少。
地感线圈是道闸自动检测、识别和检查车辆状态的重要装置,先有安全可靠的地感线圈安装规范,地感线圈才发挥其真正的功效。
一、安装环境要求
1.安装区域必须保持干燥、清洁,避免受到空气中金属杂质、振动或油雾的影响;
2.电源电压支配要求隔离度及抗干扰能力符合设计规范;
3.冷却空间保证空调、散热器等能自由发挥作用。
二、安装工艺要求
1.安装位置应尽量垂直均匀,且不受汽车轮胎影响;
2.安装前应检查地感线圈和控制柜之间的电气及机械接触;
3.地感线圈的两端应分别安装地线和受电端,接触松动时应重新拧紧,以保证安装质量。
三、调试调整要求
1.检查地感线圈辐射器占位正确,隔离电源电压是否正常;
2.检查地感线圈电源与控制柜之间电路是否接良好;
3.将道闸模拟车辆灯光、挡风玻璃对应的位置置于地感线圈的发射线位置,检查其动作是否正常。
以上是道闸地感线圈安装规范,遵守此规范,保证地感线圈的安装、调试调整工作,为保障停车场正常运行、智能化管理作出宝贵贡献。
最新地感线圈标准规范
1. 引言
最新地感线圈标准规范旨在确保地感线圈的设计、安装和维护满足一定的标准和要求。
本规范适用于地感线圈在交通信号系统中的使用。
2. 设计要求
地感线圈的设计应满足以下要求:
- 尺寸:地感线圈的尺寸应根据交通流量和车辆类型进行合理选择。
- 材料:地感线圈应采用耐用、防水和抗腐蚀的材料制造,以确保使用寿命和可靠性。
- 布置:地感线圈应合理布置,确保对目标车辆的检测效果最大化。
- 电气特性:地感线圈的电气特性应符合相关国家或地区的标准要求,如电阻、感应量和工作频率等。
3. 安装指南
地感线圈的安装应按照以下指南执行:
- 安装位置:地感线圈应放置在交通道路上的适当位置,以便
检测过往车辆。
- 嵌入式安装:地感线圈通常采用嵌入式安装方式,应确保固
定稳固且与周围路面平齐。
- 连接与调试:地感线圈的连接和调试应由专业技术人员进行,以确保信号的准确传输和数据的可靠采集。
4. 维护要求
为确保地感线圈的正常运行和长期可靠性,应进行定期维护和
检修:
- 清洁:地感线圈应定期清洁,防止积尘和杂物影响检测效果。
- 检测:定期进行地感线圈的检测和测试,确保其正常运行和
准确性。
- 维修:出现故障或损坏的地感线圈应及时维修或更换,以恢复正常功能。
5. 总结
最新地感线圈标准规范提供了对地感线圈设计、安装和维护的详细要求。
遵循这些标准规范,可以确保地感线圈在交通信号系统中的稳定运行和有效性。
请确保在设计、安装和维护地感线圈时遵循这些规范,以确保交通系统的正常运行和安全。
地感线圈施工规范(1)要求须知1. 线圈材料:标准Φ0.75mm 耐高温镀锡线。
2. 周围50公分范围内不能有大量的金属,如井盖、雨水沟盖板等。
3. 周围1米范围内不能有超过220V 的供电线路。
4. 作多个线圈时,线圈与线圈之间的距离要大于2米,否则会互相干扰。
5. 标准3米宽马路,地感线圈的尺寸为2米长80-100CM 米宽,角上做45°、20厘米长的切角。
6. 线圈与马路边的距离在30-50厘米左右,线圈为垂直叠加绕4-6圈,总长度在30-40m 。
7. 埋设线槽切割参数:宽度3-5mm 、深度40-50mm ,深度和宽度要均匀一致,应尽量避免忽深忽浅、忽宽忽窄的情况。
8. 线圈应与道闸或控制机处于同一平衡位置。
9. 线圈引出的两根线应该双绞,密度为每米不少于50结,未双绞的输出引线将会引起干扰。
输出引线长度一般不应超过5米。
由于探测线圈的灵敏度随引线长度的增加而降低,所以引线电缆的长度要尽可能短。
10.在进行线圈布线时一定要把线槽里的小石子清理干净,以免后期车辆来回压过导致线圈断了或是破皮造成地感工作不正常。
①矩形安装通常探测线圈应该是长方形。
两条长边与金属物运动方向垂直,彼此间距推荐为0.8-1米。
长边的长度取决于道路的宽度,通常两端比道路间距窄0.3米至1米。
②倾斜45°安装在某些情况下需要检测自行车或摩托车时,可以考虑线圈与行车方向倾斜45°安装。
③“8”字形安装在某些情况下,路面较宽(超过六米)而车辆的底盘又太高时,可以采用此种安装形式以分散检测点,提高灵敏度。
这种安装形式也可用于滑动门的检测,但线圈必须靠近滑动门。
⑶线圈的匝数为了使检测器工作在最佳状态下,线圈的电感量应保持在100uH-300uH之间。
在线圈电感不变的情况下,线圈的匝数与周长有着重要关系。
周长越小,匝会对线圈的实际电感值产生很大影响,所以上表数据仅供用户参考。
在实际施工时用户应使用电感测试仪实际测试电感线圈的电感值来确定施工的实际匝数,只要保证线圈的最终电感值在合理的工作范围之内(如在100uH—300uH之间)。
地感线圈施工规范(1)要求须知1.线圈材料:标准Φ0.75mm耐高温镀锡线。
2.周围50公分范围内不能有大量的金属,如井盖、雨水沟盖板等。
3.周围1米范围内不能有超过220V的供电线路。
4.作多个线圈时,线圈与线圈之间的距离要大于2米,否则会互相干扰。
5.标准3米宽马路,地感线圈的尺寸为2米长80-100CM米宽,角上做45°、20厘米长的切角。
6.线圈与马路边的距离在30-50厘米左右,线圈为垂直叠加绕4-6圈,总长度在30-40m。
7.埋设线槽切割参数:宽度3-5mm、深度40-50mm,深度和宽度要均匀一致,应尽量避免忽深忽浅、忽宽忽窄的情况。
8.线圈应与道闸或控制机处于同一平衡位置。
9.线圈引出的两根线应该双绞,密度为每米不少于50结,未双绞的输出引线将会引起干扰。
输出引线长度一般不应超过5米。
由于探测线圈的灵敏度随引线长度的增加而降低,所以引线电缆的长度要尽可能短。
10.在进行线圈布线时一定要把线槽里的小石子清理干净,以免后期车辆来回压过导致线圈断了或是破皮造成地感工作不正常。
①矩形安装通常探测线圈应该是长方形。
两条长边与金属物运动方向垂直,彼此间距推荐为0.8-1米。
长边的长度取决于道路的宽度,通常两端比道路间距窄0.3米至1米。
②倾斜45°安装在某些情况下需要检测自行车或摩托车时,可以考虑线圈与行车方向倾斜45°安装。
③“8”字形安装在某些情况下,路面较宽(超过六米)而车辆的底盘又太高时,可以采用此种安装形式以分散检测点,提高灵敏度。
这种安装形式也可用于滑动门的检测,但线圈必须靠近滑动门。
斜角避免导线过度弯折进入道闸机里的导线必须双绞道闸里车辆检测器或是票箱里的车辆检测感应宽度感应长度长度30-50CM⑶线圈的匝数为了使检测器工作在最佳状态下,线圈的电感量应保持在100uH-300uH之间。
在线圈电感不变的情况下,线圈的匝数与周长有着重要关系。
周长越小,匝数就越多。
地感线圈埋设要求与方法一、地感线圈埋设要求1.埋设位置合理:地感线圈应埋设在车辆或行人经过的位置上,一般按照车辆的停车或行驶需求进行布置。
2.埋设深度适当:地感线圈的埋设深度要适当,一般要求深度在5-10厘米之间,以保证线圈的稳定性和可靠性。
3.埋设宽度合适:地感线圈的埋设宽度应根据车辆或行人的通行宽度进行设计,以确保能够准确检测到车辆或行人的通过。
4.线圈间距恰当:如果需要同时检测多条车道的车辆或行人,地感线圈之间的间距应合理设置,以充分覆盖车道,避免漏测或重测现象的发生。
5.埋设密度合理:地感线圈的埋设密度要合理,一般车辆经过的位置要保证有至少两个线圈,以提高检测的准确性和可靠性。
6.衔接稳定可靠:地感线圈与检测设备之间的连接要牢固可靠,以确保检测信号的传输和处理正确无误。
7.耐久性强:地感线圈要具备一定的耐久性和抗外界干扰能力,能够在各种恶劣环境下正常工作。
二、地感线圈埋设方法1.清理路面:在正式进行地感线圈埋设之前,首先要清理路面上的杂物和灰尘,以确保线圈能够贴合路面并保持良好的接触。
2.准确定位:确定好地感线圈的埋设位置,并在路面上做好标记,以便准确埋设。
3.开槽:使用电锤等工具在路面上开槽,将地感线圈放入槽中,保持线圈的整齐和平整。
4.固定线圈:使用特殊的胶水或胶带将地感线圈固定在槽内,保证线圈与路面的贴合度。
5.连接线圈:将线圈与检测设备进行连接,一般使用线缆将线圈与设备之间进行连接,注意连接的牢固和正确。
6.测试调试:完成地感线圈埋设后,需要进行测试和调试,确保线圈能够正常工作并能准确检测到车辆或行人的通过。
7.封闭槽口:完成调试后,将线圈埋设的槽口进行封闭,一般使用特殊的水泥材料填充槽口,以保护线圈并提高线圈的使用寿命。
总结:地感线圈埋设的要求与方法是确保地感线圈能够准确可靠地检测到车辆或行人的通过,通过合理的埋设位置、正确的埋设方法以及稳定可靠的连接和调试,可以保证地感线圈的工作效果,并提高道路交通的管理和控制能力。
最新地感线圈标准规范一、引言地感线圈是用于监测车辆通过的一种传感器装置。
为了确保地感线圈的质量与性能符合要求,特制定本标准规范。
二、适用范围本标准规范适用于地感线圈的设计、制造、安装和维护。
三、地感线圈的要求1. 材料要求:- 线圈材料应具有良好的耐磨性和耐腐蚀性。
- 线圈外壳材料应具有良好的防水性能。
2. 尺寸要求:- 地感线圈的尺寸应符合标准要求,并能适应各种道路条件。
3. 电气要求:- 地感线圈应具备稳定的工作电压范围,并能适应电压波动。
- 线圈的电阻应符合标准要求,并能保持在合理范围内。
4. 安装要求:- 地感线圈的安装位置应符合交通管理部门的规定。
- 安装时应保证线圈与道路之间的紧密接触。
5. 维护要求:- 定期检查地感线圈的工作状态,及时处理线圈故障或损坏。
- 清洁线圈表面,保证线圈的正常工作。
四、测试方法1. 电阻测试:- 使用万用表测量地感线圈的电阻值。
- 电阻值应在合理范围内。
2. 工作电压测试:- 使用电压表测量地感线圈的工作电压范围。
- 工作电压范围应符合标准要求。
五、标签和包装地感线圈应附有标签和合适的包装,以保护线圈免受损坏和污染。
六、质量控制1. 生产过程中应严格按照标准规范进行控制和检验。
2. 产品出厂前应进行质量检测,确保符合标准要求。
七、附则本标准规范的制定、执行和解释归属于相关监管部门。
以上为最新地感线圈标准规范的主要内容,请按照规范要求进行设计、制造、安装和维护。
如有疑问,请及时与相关管理部门联系。
最新地感线圈安装规范
本文档旨在提供最新的地感线圈安装规范,确保地感线圈的正
确安装和性能。
1. 安装位置和方向
- 安装地感线圈应选择平整、干燥、无明显裂痕的道路表面。
- 地感线圈应垂直于道路方向安装,以确保最佳的信号接收效果。
2. 安装方法
2.1 准备工作
- 在安装地感线圈之前,清理并清除安装位置的杂物和灰尘。
- 根据车辆流量和道路宽度要求,确定地感线圈的数量和间距。
2.2 安装步骤
1. 使用合适的工具将地感线圈的安装位置划线。
2. 使用切割工具切割道路表面,确保切割宽度和深度符合要求。
3. 将地感线圈放置在切割的道路表面内,确保线圈完全贴合。
4. 使用耐高温胶水或焊接材料固定地感线圈,确保线圈不会移动。
5. 用道路补材料填充切割的道路表面,保持平整。
3. 注意事项
- 安装地感线圈时应注意保护线圈,避免损坏。
- 定期检查地感线圈的连接情况和运行状态,确保正常工作。
- 不得随意更改线圈位置和方向,以免影响地感系统的准确性
和可靠性。
以上为最新地感线圈安装规范,请按照规范要求进行安装。
如
有任何疑问或需要进一步的指导,请咨询专业人士。
地感线圈施工规范之欧侯瑞魂创作(1)要求须知1.线圈资料:标准Φ0.75mm耐高温镀锡线.2.周围50公分范围内不能有年夜量的金属, 如井盖、雨水沟盖板等.3.周围1米范围内不能有超越220V的供电线路.4.作多个线圈时, 线圈与线圈之间的距离要年夜于2米, 否则会互相干扰.5.标准3米宽马路, 地感线圈的尺寸为2米长80-100CM米宽,角上做45°、20厘米长的切角.6.线圈与马路边的距离在30-50厘米左右, 线圈为垂直叠加绕4-6圈, 总长度在30-40m.7.埋设线槽切割参数:宽度3-5mm、深度40-50mm, 深度和宽度要均匀一致, 应尽量防止忽深忽浅、忽宽忽窄的情况.8.线圈应与道闸或控制机处于同一平衡位置.9.线圈引出的两根线应该双绞, 密度为每米很多于50结, 未双绞的输出引线将会引起干扰.输出引线长度一般不应超越5米.由于探测线圈的灵敏度随引线长度的增加而降低, 所以引线电缆的长度要尽可能短.10.在进行线圈布线时一定要把线槽里的小石子清理干净, 以免后期车辆来回压过招致线圈断了或是破皮造成地感工作不正常.①矩形装置通常探测线圈应该是长方形.两条长边与金属物运动方向垂直, 彼其间距推荐为1米.长边的长度取决于路途的宽度, 通常两端比路途间距窄至1米.②倾斜45°装置在某些情况下需要检测自行车或摩托车时, 可以考虑线圈与行车方向倾斜45°装置.③“8”字形装置在某些情况下, 路面较宽(超越六米)而车辆的底盘又太高时,可以采纳此种装置形式以分散检测点, 提高灵敏度.这种装置形式也可用于滑动门的检测, 但线圈必需靠近滑动门.⑶线圈的匝数为了使检测器工作在最佳状态下, 线圈的电感量应坚持在100uH-300uH之间.在线圈电感不变的情况下, 线圈的匝数与周长有着重要关系.周长越小, 匝数就越多.一般可参照下表:由于路途下可能埋设有各种电缆管线、钢筋、下水道盖等金属物质, 这些城市对线圈的实际电感值发生很年夜影响, 所以上表数据仅供用户参考.在实际施工时用户应使用电感测试仪实际测试电感线圈的电感值来确定施工的实际匝数, 只要保证线圈的最终电感值在合理的工作范围之内(如在100uH—300uH之间).⑷输出引线在绕制线圈时, 要留出足够长度的导线以便连接到环路感应器, 又能保证中间没有接头.绕好线圈电缆以后, 必需将引出电缆做成紧密双绞的形式, 要求最少1米绞合20次.否则, 未双绞的输出引线将会引入干扰使线圈电感值变得不稳定.输出引线长度一般不应超越5米.由于探测线圈的灵敏度随引线长度的增加而降低, 所以引线电缆的长度要尽可能短.⑸埋设方法线圈埋设首先要用切路机在路面上切出槽来.在四个角上进行45度倒角, 防止尖角破坏线圈电缆.切槽宽度一般为4到8毫米, 深度30到50毫米.同时还要为线圈引线切一条通到路边的槽.但要注意:切槽内必需清洁无水或其它液体渗入.绕线圈时必需将线圈拉直, 但不要绷得太紧并紧贴槽底.将线圈绕好后, 将双绞好的输出引线通过引出线槽引出.在线圈的绕制过程中, 应使用电感测试仪实际测试电感线圈的电感值, 并确保线圈的电感值在100uH—300uH之间.否则, 应对线圈的匝数进行调整.在线圈埋好以后, 为了加强呵护, 可在线圈上绕一圈尼龙绳.最后用沥青或软性树脂将切槽封上.这是布完地感线的效果图。
地感线圈施工规范(1)要求须知1. 线圈材料:标准Φ0.75mm 耐高温镀锡线。
2. 周围50公分范围内不能有大量的金属,如井盖、雨水沟盖板等。
3. 周围1米范围内不能有超过220V 的供电线路。
4. 作多个线圈时,线圈与线圈之间的距离要大于2米,否则会互相干扰。
5. 标准3米宽马路,地感线圈的尺寸为2米长80-100CM 米宽,角上做45°、20厘米长的切角。
6. 线圈与马路边的距离在30-50厘米左右,线圈为垂直叠加绕4-6圈,总长度在30-40m 。
7. 埋设线槽切割参数:宽度3-5mm 、深度40-50mm ,深度和宽度要均匀一致,应尽量避免忽深忽浅、忽宽忽窄的情况。
8. 线圈应与道闸或控制机处于同一平衡位置。
9. 线圈引出的两根线应该双绞,密度为每米不少于50结,未双绞的输出引线将会引起干扰。
输出引线长度一般不应超过5米。
由于探测线圈的灵敏度随引线长度的增加而降低,所以引线电缆的长度要尽可能短。
10.在进行线圈布线时一定要把线槽里的小石子清理干净,以免后期车辆来回压过导致线圈断了或是破皮造成地感工作不正常。
①矩形安装通常探测线圈应该是长方形。
两条长边与金属物运动方向垂直,彼此间距推荐为0.8-1米。
长边的长度取决于道路的宽度,通常两端比道路间距窄0.3米至1米。
②倾斜45°安装在某些情况下需要检测自行车或摩托车时,可以考虑线圈与行车方向倾斜45°安装。
③“8”字形安装在某些情况下,路面较宽(超过六米)而车辆的底盘又太高时,可以采用此种安装形式以分散检测点,提高灵敏度。
这种安装形式也可用于滑动门的检测,但线圈必须靠近滑动门。
⑶线圈的匝数为了使检测器工作在最佳状态下,线圈的电感量应保持在100uH-300uH之间。
在线圈电感不变的情况下,线圈的匝数与周长有着重要关系。
周长越小,匝会对线圈的实际电感值产生很大影响,所以上表数据仅供用户参考。
在实际施工时用户应使用电感测试仪实际测试电感线圈的电感值来确定施工的实际匝数,只要保证线圈的最终电感值在合理的工作范围之内(如在100uH—300uH之间)。
道闸地感线圈安装规范道闸地感线圈是一种依照道闸穿入地下的金属线,该线外层包裹有一层绝缘材料,表面有一层铝箔等,这些线可以识别穿行在线圈内的所有金属物体,从而实现道闸自动区分有无收费车辆、自动开启或关闭道闸之功能。
二、技术要求(1)压要求:道闸地感线圈使用的是24V低压电源,电压可以提供至道闸地感线圈终端结构上。
(2)气性能及参数要求:道闸地感线圈的电气性能应满足电阻值小于50欧,磁通强度大于1000国际单位(nT),响应范围在16毫米内,误报率应小于0.1。
(3)构及外观要求:道闸地感线圈外表面应坚固耐用,无明显损伤,应完好无缺。
三、安装要求(1)备工作:在安装之前,应先确认道闸地感线圈所有配件是否完整,是否有不符合规定的部件;检查道闸地感线圈的电气连接是否有松动的螺钉等缺陷;确保安装环境清洁,尤其是道闸地感线圈和道闸底座周围的环境没有污染。
(2)装要求:将道闸地感线圈的一端接在道闸底座上,然后将另一端穿入地下,确保线圈的外表整洁,线圈接触平整;将线圈接好电源,并调节电源电压;确保道闸地感线圈与道闸底座安装到同一平面位置,确保它们处于正确的工作距离,以确保道闸地感线圈正常工作;将道闸地感线圈装置固定在底座上,防止地感线圈运动或偏位,采用绝缘螺钉或尼龙螺母等;道闸地感线圈安装完成后,应及时检查线圈的电气性能,完成调整和设置。
四、注意事项(1)闸地感线圈安装过程中应避免受到电击和潮湿;(2)装完成后,应及时检查接线情况,确保接线牢固可靠;(3)装过程中,应避免使用储备式电源,以防止地感线圈断电;(4)闸地感线圈安装内容应符合国家有关法规规定,遵循安全原则,使道闸地感线圈能够长期可靠安全的工作。
五、总结道闸地感线圈安装是系统的一个重要组成部分,其安装质量和安全性直接关乎系统的可靠性和安全性,因此,道闸地感线圈安装应严格按照《道闸地感线圈安装规范》来进行,确保合理、安全和可靠的道闸安装。
地感线圈施工规范之宇文皓月创作(1)要求须知1.线圈资料:尺度Φ0.75mm耐高温镀锡线。
2.周围50公分范围内不克不及有大量的金属,如井盖、雨水沟盖板等。
3.周围1米范围内不克不及有超出220V的供电线路。
4.作多个线圈时,线圈与线圈之间的距离要大于2米,否则会互相干扰。
5.尺度3米宽马路,地感线圈的尺寸为2米长80-100CM米宽,角上做45°、20厘米长的切角。
6.线圈与马路边的距离在30-50厘米左右,线圈为垂直叠加绕4-6圈,总长度在30-40m。
7.埋设线槽切割参数:宽度3-5mm、深度40-50mm,深度和宽度要均匀一致,应尽量防止忽深忽浅、忽宽忽窄的情况。
8.线圈应与道闸或控制机处于同一平衡位置。
9.线圈引出的两根线应该双绞,密度为每米很多于50结,未双绞的输出引线将会引起干扰。
输出引线长度一般不该超出5米。
由于探测线圈的灵敏度随引线长度的增加而降低,所以引线电缆的长度要尽可能短。
10.在进行线圈布线时一定要把线槽里的小石子清理干净,以免后期车辆来回压过导致线圈断了或是破皮造成地感工作不正常。
①矩形装置通常探测线圈应该是长方形。
两条长边与金属物运动方向垂直,彼此间距推荐为0.8-1米。
长边的长度取决于道路的宽度,通常两端比道路间距窄0.3米至1米。
②倾斜45°装置在某些情况下需要检测自行车或摩托车时,可以考虑线圈与行车方向倾斜45°装置。
③“8”字形装置在某些情况下,路面较宽(超出六米)而车辆的底盘又太高时,可以采取此种装置形式以分散检测点,提高灵敏度。
这种装置形式也可用于滑动门的检测,但线圈必须靠近滑动门。
⑶线圈的匝数为了使检测器工作在最佳状态下,线圈的电感量应坚持在100uH-300uH之间。
在线圈电感不变的情况下,线圈的匝数与周长有着重要关系。
周长越小,匝数就越多。
一般可参照下表:由于道路下可能埋设有各种电缆管线、钢筋、下水道盖等金属物质,这些都会对线圈的实际电感值发生很大影响,所以上表数据仅供用户参考。
地感线圈设计、安装规范及注意事项操作指引一、地感线圈介绍地感线圈材质:国标多芯软线BVR1.5地感线圈使用场景:●控制机地感(车牌识别场景):用于检测未能识别到的无牌车辆,通过压地感抓拍车辆图片作为入场记录、出场记录比对并完成缴费的凭证作用;●控制机地感(取票场景):用于检测出入口是否有车,仅当地感检测到有车辆时,才允许取票、吞票;●控制机地感(红绿灯应用场景):用于检测出入口是否有车,当地感检测到有车辆时,会触发红绿灯控制器控制灯为红色,没有检测到车辆时,则为绿色;●道闸开闸地感(压地感开闸场景):用于检测出入口道闸开闸,当检测到有车辆,则会触发道闸开闸;没有检测到车辆时,则不开闸;●道闸防砸地感:用于检测车辆是否正在通行,起防砸车作用。
二、设计规范1、设计原则地感设计依据现场实际应用场景、合理优化地感设计方案,保证车辆能够控制及检测地感信号,且需做到抗临道干扰;对于喇叭口、T字型口、栅栏杆、大型货车通行,必须配备红外对射装置。
2、应用场景设计指引2.1、常规场景设计指引2.1.1、线圈常规形状及尺寸a.控制机地感:标准宽度为0.8m,标准长度为2m,距离安全岛边沿0.5m-1m;控制机前面的地感主要是用来检测是否有车、无牌车图片抓拍,施工时地感可按矩形(倒角,倒角为30cm/45°)形状施工,如下图:b.道闸地感:车道≤4m,标准宽度为1m,标准长度2m;通常地感探测线圈是长方形(倒角),一边距离安全岛边沿0.5m-1m,另一边距离道闸杆尾端0.5m-1m。
从车辆行车方向,以道闸杆为分界线3:7切割,如果出入口共道的情况直接进行5:5切割。
c.道闸地感:4m<车道≤6m,且大货柜为主的车场,道闸地感可将宽度调整为1.5m-2m;小车为主的车道宽度调整为1.2m-1.5m,调整为”8”字型或日字型,每个口字长度不能超过2米(大货车为主情景,必须配备2组红外对射装置、立柱高度依据现场大货柜车的高度决定,呈斜角高低对射),如下图:注:当路面为沥青路面时,两地感线圈之间的宽度调整为600,以便不损坏线圈的连接角处。
地感线圈施工规范⑴线圈材料在理想状况下(不考虑一切环境因素的影响),电感线圈的埋设只考虑面积的大小(或周长)和匝数,可以不考虑导线的材质。
但在实际工程中,必须考虑线导线的机械强度和高低温抗老化问题,在某些环境恶劣的地方还必须考虑耐酸碱腐蚀问题。
由于导线一旦老化或抗拉伸强度不够导致导线破损,则检测器将不能正常工作。
在实际的工程中,建议采用1.0mm以上铁氟龙高温软导线。
⑵线圈形状①矩形安装通常探测线圈应该是长方形。
两条长边与金属物运动方向垂直,彼此间距推荐为1米。
长边的长度取决于道路的宽度,通常两端比道路间距窄0.3米至1米。
②倾斜45°安装在某些情况下需要检测自行车或摩托车时,可以考虑线圈与行车方向倾斜45°安装。
③“8”字形安装在某些情况下,路面较宽(超过六米)而车辆的底盘又太高时,可以采用此种安装形式以分散检测点,提高灵敏度。
这种安装形式也可用于滑动门的检测,但线圈必须靠近滑动门。
⑶线圈的匝数为了使检测器工作在最佳状态下,线圈的电感量应保持在100uH-300uH之间。
在线圈电感不变的情况下,线圈的匝数与周长有着重要关系。
周长越小,匝数就越多。
一般可参照下表:由于道路下可能埋设有各种电缆管线、钢筋、下水道盖等金属物质,这些都会对线圈的实际电感值产生很大影响,所以上表数据仅供用户参考。
在实际施工时用户应使用电感测试仪实际测试电感线圈的电感值来确定施工的实际匝数,只要保证线圈的最终电感值在合理的工作范围之内(如在100uH—300uH之间)。
⑷输出引线在绕制线圈时,要留出足够长度的导线以便连接到环路感应器,又能保证中间没有接头。
绕好线圈电缆以后,必须将引出电缆做成紧密双绞的形式,要求最少1米绞合20次。
否则,未双绞的输出引线将会引入干扰使线圈电感值变得不稳定。
输出引线长度一般不应超过5米。
由于探测线圈的灵敏度随引线长度的增加而降低,所以引线电缆的长度要尽可能短。
⑸埋设方法线圈埋设首先要用切路机在路面上切出槽来。
地感线圈施工规范
(1)要求须知
1. 线圈材料:标准Φ0.75mm 耐高温镀锡线。
2. 周围50公分范围内不能有大量的金属,如井盖、雨水沟盖板等。
3. 周围1米范围内不能有超过220V 的供电线路。
4. 作多个线圈时,线圈与线圈之间的距离要大于2米,否则会互相干扰。
5. 标准3米宽马路,地感线圈的尺寸为2米长80-100CM 米宽,角上做45°、20厘米长的切角。
6. 线圈与马路边的距离在30-50厘米左右,线圈为垂直叠加绕4-6圈,总长度在30-40m 。
7. 埋设线槽切割参数:宽度3-5mm 、深度40-50mm ,深度和宽度要均匀一致,应尽量避免忽深忽浅、忽宽忽窄的情况。
8. 线圈应与道闸或控制机处于同一平衡位置。
9. 线圈引出的两根线应该双绞,密度为每米不少于50结,未双绞的输出引线将会引起干扰。
输出引线长度一般不应超过5米。
由于探测线圈的灵敏度随引线长度的增加而降低,所以引线电缆的长度要尽可能短。
10.在进行线圈布线时一定要把线槽里的小石子清理干净,以免后期车辆来回压过导致
线圈断了或是破皮造成地感工作不正常。
①矩形安装
通常探测线圈应该是长方形。
两条长边与金属物运动方向垂直,彼此间距推荐为0.8-1米。
长边的长度取决于道路的宽度,通常两端比道路间距窄0.3米至1
②倾斜45°安装
在某些情况下需要检测自行车或摩托车时,可以考虑线圈与行车方向倾斜45°安装。
③“8”字形安装
在某些情况下,路面较宽(超过六米)而车辆的底盘又太高时,可以采用此种安装形式以分散检测点,提高灵敏度。
这种安装形式也可用于滑动门的检测,但线圈必须靠近滑动门。
⑶线圈的匝数
为了使检测器工作在最佳状态下,线圈的电感量应保持在100uH-300uH之间。
在线圈电感不变的情况下,线圈的匝数与周长有着重要关系。
周长越小,匝
线圈周长线圈匝数
3米以下根据实际情况,保证电感值在100uH-200uH之
间即可
3—6米5-6匝
6—10米4-5匝
10--25米3匝
25米以上2匝
由于道路下可能埋设有各种电缆管线、钢筋、下水道盖等金属物质,这些都会对线圈的实际电感值产生很大影响,所以上表数据仅供用户参考。
在实际施工时用户应使用电感测试仪实际测试电感线圈的电感值来确定施工的实际匝数,只要保证线圈的最终电感值在合理的工作范围之内(如在100uH—300uH之间)。
⑷输出引线
在绕制线圈时,要留出足够长度的导线以便连接到环路感应器,又能保证中间没有接头。
绕好线圈电缆以后,必须将引出电缆做成紧密双绞的形式,要求最少1米绞合20次。
否则,未双绞的输出引线将会引入干扰使线圈电感值变得不稳定。
输出引线长度一般不应超过5米。
由于探测线圈的灵敏度随引线长度的增加而降低,所以引线电缆的长度要尽可能短。
⑸埋设方法
线圈埋设首先要用切路机在路面上切出槽来。
在四个角上进行45度倒角,防止尖角破坏线圈电缆。
切槽宽度一般为4到8毫米,深度30到50毫米。
同时还要为线圈引线切一条通到路边的槽。
但要注意:切槽内必须清洁无水或其它液体渗入。
绕线圈时必须将线圈拉直,但不要绷得太紧并紧贴槽底。
将线圈绕好后,将双绞好的输出引线通过引出线槽引出。
在线圈的绕制过程中,应使用电感测试仪实际测试电感线圈的电感值,并确保线圈的电感值在100uH—300uH之间。
否则,应对线圈的匝数进行调整。
在线圈埋好以后,为了加强保护,可在线圈上绕一圈尼龙绳。
最后用沥青或软性树脂将切槽封上。
这是布完地感线的效果图。