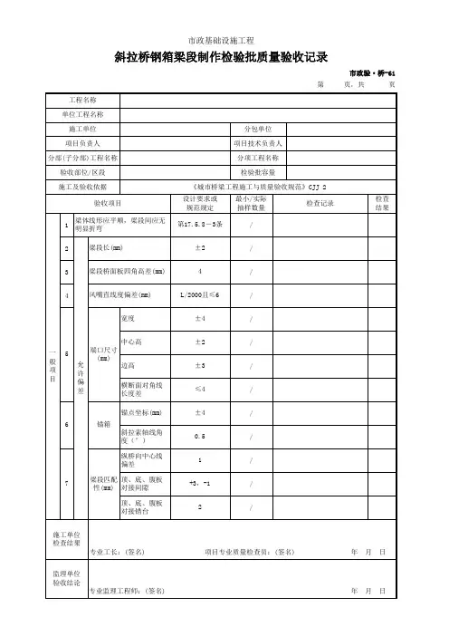
钢箱梁制作检验批质量验收记录
- 格式:doc
- 大小:16.12 KB
- 文档页数:1
钢箱梁钢板进场验收记录表工程名称施工单位进进场日期月日序号名称规格型号数量进场钢材质量证明书和检查报告钢材化学成分、力学性能指标钢板探伤符合国家现行标准钢材外观质量(不应有裂纹、气泡、结疤、折叠、夹杂、钢板不应有分层)钢材表面的锈蚀等级应符合国家现行标准实测项目每米波浪度每米瓢曲度长度公差宽度公差厚度公差1 方矩管100*150*10 80m 符合要求符合要求符合要求符合要求符合要求1-1-12 02 方矩管100*50*4 140m 符合要求符合要求符合要求符合要求符合要求1-11 1 03 热轧H型钢200*200*10 200m符合要求符合要求符合要求符合要求符合要求0 0 1 0 14 热轧钢板5 20张符合要求符合要求符合要求符合要求符合要求1 1-11 05 热轧钢板10 20张符合要求符合要求符合要求符合要求符合要求1 1-21 06 热轧钢板20 20张符合要求符合要求符合要求符合要求符合要求1 12 2 1验收结论:口合格,同意进场。
口不合格,退场。
材料施工项目技术负责监理工程师:年月日员:人:质检员月日。
钢箱梁制作检验批质量验收记录
一、项目背景
钢箱梁作为一种常用的构件,广泛应用于桥梁、高速公路、铁
路等工程中。
为了确保钢箱梁的制作质量,需要对其进行检验批质
量验收。
二、检验批信息
工程名称:XXX桥梁工程
钢箱梁数量:XX根
材料:Q345B钢
焊接方式:自动埋弧焊
涂装方式:喷涂
验收时间:XXXX年XX月XX日
三、质量检验标准
1. 钢箱梁的制作应符合国家相关标准和工程设计要求。
2. 钢材的成分分析应符合设计要求,力学性能满足规定的要求。
3. 焊缝的焊接质量应符合相关标准,无裂纹、气孔等焊接缺陷。
4. 钢箱梁涂层应均匀牢固,无脱落现象。
四、质量验收内容和结果
1. 材料检验
1.1 钢材的成分分析结果符合设计要求。
1.2 钢材的力学性能测试结果符合规定的要求。
2. 感应加热预热
2.1 预热温度和时间符合设计要求。
2.2 预热后的钢材表面无明显氧化和锈蚀现象。
3. 焊接工艺和焊接质量检验
3.1 焊缝外观质量良好,无裂纹、气孔等焊接缺陷。
3.2 焊接接头的尺寸符合设计要求。
3.3 焊缝的拉力试验结果符合规定的要求。
4. 涂装质量检验。
钢箱梁制作检验批质量验收记录一、项目概述本文档是钢箱梁制作检验批的质量验收记录,旨在对钢箱梁的制作过程进行全面的质量验证和评估,确保其符合相关技术规范和质量要求。
二、项目背景钢箱梁是一种常见的桥梁组件,用于支撑和承载桥梁的荷载,具有承重能力强、耐久性好的特点。
为了确保钢箱梁在使用过程中的安全稳定运行,本次制作过程的质量验收非常重要。
三、验收标准钢箱梁制作的质量验收遵循以下标准:1.《钢箱梁制作技术规范》2.《钢箱梁质量验收规范》四、质量验收内容及结果1. 钢材接收验收验收目标:确保接收的钢材质量符合要求。
验收内容:a. 验证货物与合同要求的品牌、规格、数量等是否一致;b. 检查钢材表面是否有明显的损伤、腐蚀等;c. 对货物进行必要的检测,如质量抽查或化学成分分析等;验收结果:验收合格/验收不合格2. 设计文档审阅验收目标:确保钢箱梁的设计符合技术规范和要求。
验收内容:a. 审查梁体设计图纸、计算书等文件;b. 验证设计参数是否满足要求;c. 确认设计文件与实际制作过程的一致性;验收结果:验收合格/验收不合格3. 制作过程的质量控制验收目标:确保制作过程符合技术规范和质量要求。
验收内容:a. 检查制作现场的工艺控制;b. 检查钢箱梁焊接和连接的质量;c. 检查梁体的尺寸和几何形状;d. 检查钢箱梁表面处理和防腐涂装的效果;验收结果:验收合格/验收不合格4. 焊缝质量检验验收目标:确保焊缝的质量符合要求。
验收内容:a. 对钢箱梁的焊接缺陷进行外观检查;b. 对关键焊缝进行无损检测,如超声波检测、射线检测等;验收结果:验收合格/验收不合格5. 梁体表面防腐涂装检验验收目标:确保梁体表面的防腐涂装质量符合要求。
验收内容:a. 检查梁体表面涂装的环境条件是否符合标准;b. 检查涂装材料的质量,如涂层厚度、附着力等;c. 进行必要的涂装质量检测,如盐雾试验、附着力检测等;验收结果:验收合格/验收不合格五、质量验收结论根据以上的质量验收内容和结果,综合评估钢箱梁制作的质量,得出以下结论:从接收钢材到最终的梁体表面防腐涂装,钢箱梁制作的各个环节均符合技术规范和质量要求,故本次钢箱梁制作的质量验收结论为验收合格。