(完整版)重大危险点源辨识及应急处理措施(完整版)
- 格式:doc
- 大小:279.01 KB
- 文档页数:16
重大危险源辨识、监控措施(精选五篇)第一篇:重大危险源辨识、监控措施引言重大危险源辨识建筑业是高风险的行业,安全形势十分严峻。
建筑施工因具有作业流动性大、露天作业多、产品体积大、形式多样、施工周期长、劳动强度大和作业人员更换频繁等特点,经常会出现高处坠落、物体打击、触电、机械伤害、坍塌等安全事故。
随着我国经济体制改革的不断深化,高层、超高层建筑物、轨道交通工程、大跨度、深基坑工程、异性建筑物等数量日益增加,新材料、新工艺在建设工程上的应用也使得工程建设速度大大加快,施工难度不断加大,引发了新的危险因素,使得我国建筑业事故起数和死亡人数逐年增加。
为控制和减少施工现场的施工安全风险,实现安全目标,并持续改进安全业绩,实现事故预防,需要找到导致事故的根源—施工过程中的危险源,对其进行全面、正确认识,并及时采取最佳方案进行有效控制,以求降低事故率,减少人们生命财产损失,保持建筑业持续健康发展。
2 重大危险源定义根据《重大危险源辨识》(GBl821 8-2000),所谓重大危险源就是指长期或临时地生产、加工、搬运或贮存危险物质,且危险物质的数量等于或大于临界量的单元。
对于建筑工程施工过程中,重大危险源的界定主要包括:人的危险行为及管理的漏洞、物的不安全的状态、恶劣的环境影响等。
由于建筑施工现场的复杂性,工程施工事故可能随时发生,并可导致人员死亡及伤害、环境破坏、财产损失,这对于建筑施工工程的整体施工进度以及企业的经济效益都会造成恶劣的影响,甚至危及企业的发展,因此建筑施工过程中对于重大危险源的辨识、评价和控制,就显得格外重要。
建筑工程施工重大危险源的辨识根据现行的国家法律法规、国家标准、行业规范、操作规程、以前一些事故案例以及国家住房城乡建设部发布的历年建筑施工安全生产形势分析报告,列出建筑工程各个施工阶段、部位和场所中导致事故发生可能性较大、且事故发生会造成严重后果的施工危险因素,对其进行定性或定量分析研究评价,可以辩识施工现场重大危险源。
大丰小学三元校区扩建工程重大危险点源辨识、监控专项施工方案四川省蜀宇建筑工程有限公司目录一、工程概况及特点 (3)二、建筑工程施工场所危险源识别 (3)(一)、施工场所危险源 (3)(二)、施工场所及周围地段危险源 (4)三、危险点源的确定范围和应采取的防范措施 (5)1、深坑土方作业 (5)2、“三宝”、“四口”、“五临边” (5)3、外脚手架 (6)4、施工用电 (6)5、机械设备 (7)6、起重设备 (7)7、易燃易爆 (7)四、项目重大危险源清单 (9)五、甲方、监理、施工单位对危险点源管理 (11)(一)、建设单位对重大危险源监控管理办法 (11)(二)监理单位对重大危险源监控管理办法 (12)(三)、施工单位对重大危险源监控管理办法 (13)六、总结 (14)一、工程概况及特点项目名称:大丰小学三元校区扩建工程。
建设地点:大丰街道三元社区。
建设规模:本工程扩建总建筑面积11997.16平方米(其中:教学楼3326.70平方米、食堂3623.70平方米;风雨操场1477.36平方米,地下室3503.72平方米,门卫室65.68平方米),主要建设内容包括土建、装饰、安装及相关配套设施、绿化景观、配套管线等总平工程。
为加强对本项目施工安全重大危险源的监控管理,预防重特大事故的发生,保障人民群众生命和财产的安全,针对我项目实际情况和问题,根据《建设工程安全生产管理条例》,特制定本管理办法及监控措施。
二、建筑工程施工场所危险源识别(一)、施工场所危险源局限于存在施工过程现场的活动;主要与施工分部、分项(工序)工程,施工装置(设施、机械)及物质有关。
对于建设施工安全管理组织来看,一个施工项目是一个危险源;对项目安全管理来看,一个施工项目过程可能包含若干个危险源。
1、存在于分部、分项(工序)工程施工、施工装置运行过程和物质的危险源:(1)脚手架(包括落地架,悬挑架、爬架等)、模板和支撑、起重塔吊、物料提升机、施工电梯安装与运行,人工挖孔桩(井)、基坑(槽)施工,局部结构工程或临时建筑(工棚、围墙等)失稳,造成坍塌、倒塌意外;(2)高度大于2m的作业面(包括高空、洞口、临边作业),因安全防护设施不符合或无防护设施、人员未配系防护绳(带)等造成人员踏空、滑倒、失稳等意外;(3)焊接、金属切割、冲击钻孔(凿岩)等施工及各种施工电器设备的安全保护(如:漏电、绝缘、接地保护、一机一闸)不符合,造成人员触电、局部火灾等意外;(4)工程材料、构件及设备的堆放与搬(吊)运等发生高空坠落、堆放散落、撞击人员等意外;(5)工程拆除、人工挖孔(井)、浅岩基及隧道凿进等爆破,因误操作、防护不足等,发生人员伤亡、建筑及设施损坏等意外;2、人工挖孔桩(井)、隧道凿进、室内涂料(油漆)及粘贴等因通风排气不畅造成人员窒息或气体中毒危险源。
重大危险源辨识应急预案重大危险源辨识应急预案一、前言在现代社会中,各种危险源时刻威胁着人们的安全。
为了有效地预防和应对这些危险源,建立一套科学的辨识和应急预案十分必要。
本文将围绕重大危险源的辨识和应急预案展开阐述。
二、重大危险源的辨识重大危险源的辨识是建立一套科学有效的预防和应急预案的前提。
在辨识重大危险源时,应考虑以下要素:1.场地分析:对可能发生危险的场地进行分析,明确潜在的危险因素和可能带来的风险。
2.设备设施分析:评估设备设施的安全可靠性、操作风险和可能导致事故的因素。
3.人员素质分析:考察从业人员的培训情况、操作能力和应急意识,评估其在事故发生时的应对能力。
4.环境因素分析:考虑环境因素对事故的影响,如天气、地质、气候等。
5.社会因素分析:分析社会因素对事故的潜在影响,如政策法规、社会预期等。
通过对以上要素的综合评估和分析,可以确定重大危险源,并针对性地制定应对预案。
三、应急预案的制定应急预案是针对重大危险源制定的一套应对措施和应急流程,旨在在发生事故或突发事件时做出快速、有效的反应。
1.建立预警系统:通过建立线索收集机制,及时获取可能导致事故的预警信息,并及时预警。
2.设立应急组织:成立应急事故处置组织,明确各成员的职责和权限,并进行定期演练和培训。
3.制定应急措施:根据不同的危险源和事故类型,制定相应的应急措施,包括救援、疏散、灭火等方面,确保及时有效。
4.建立信息报告机制:建立信息上报和协调机制,及时通报事故信息,保证信息流动畅通。
5.制定事故调查分析机制:发生事故后,开展事故调查和分析,查明事故原因,为以后的预防提供依据。
6.提高应急能力:加强从业人员的培训,提高其应对事故的能力和技巧,在事故发生时能够迅速做出反应。
7.定期检查修订:定期对应急预案进行检查和修订,保证其持续适应当前的危险源和情况。
四、应急演练与评估应急预案的有效性取决于实际的演练和评估。
通过定期的应急演练和评估,可以发现和修正预案中的不足之处,提高其实际应对能力。
2020模板工程重大危险源辨识及应急救援预案范文Document Writing模板工程重大危险源辨识及应急救援预案范文前言语料:温馨提醒,公务文书,又叫公务文件,简称公文,是法定机关与社会组织在公务活动中为行使职权,实施管理而制定的具有法定效用和规范体式的书面文字材料,是传达和贯彻方针和政策,发布行政法规和规章,实行行政措施,指示答复问题,知道,布置和商洽工作,报告情况,交流经验的重要工具本文内容如下:【下载该文档后使用Word打开】1、重大危险源识别1)由于局部失稳引起整体失稳或由于砼浇筑方法不对引起整体失稳,一般情况是钢管严重变形,扣件多数爆裂,模板倾斜等。
2)模板、扣件、钢管等造成的物体打击。
3)高处坠落。
4)机械伤害。
5)触电事故。
2、预防措施1)模板支撑体系按本专项方案施工,材质符合要求。
2)加强工人的安全教育及项目部的日常检查力度。
3)加强工人安全用电教育、班前安全活动;用电设备专人专用;电线电缆架空设置。
4)机械设备专人专用;严格按操作规程操作;机械不带病运转等。
3、应急预案3.1支撑体系失稳、模板坍塌倾覆应急处置砼浇筑过程中应急领导小组人员进入紧急状态。
做好防治突发事故的准备。
模板支撑体系一旦失效,立即启动应急预案。
(1)总指挥立刻安排警戒指挥、疏散指挥、施救指挥进入工作状态,分别负责警戒、疏散、施救指挥工作。
指挥协调各方面抢救工作,同时向公司安全部门及领导汇报;(2)警戒指挥负责事故现场和施工现场警戒指挥工作,成员为保卫班组。
除必要的抢救人员外,其余人员不得进入事故现场,外界人员不得进入施工现场,以免影响抢救工作;(3)疏散指挥负责事故现场及施工现场的疏散、抢救,指挥后勤管理人员运送应急物资;(4)事故发生后,现场的所有施工人员立刻疏散到事故现场外安全的地方并及时拨打"120"救护电话。
3.2物体打击、高处坠落应急处置(1)迅速移走周围可能继续产生危险的坠落物、障碍物,为急救医生留出通道,使其可以最快到达伤员处;(2)高空坠落会产生内、外伤,所以不可急速移动或摇动伤员身体。
目录1、编制依据------------------------------------------------------------------------------------- 2 2、工程概况-------------------------------------------------------------------------------- 2 3、施工部署-------------------------------------------------------------------------------- 3 4、危险源辨识、分析策划-----------------------------------------------------------------7、策划-------------------------------------------------------------------------------------7 对危险源辩识、风险评价和风险控制的策划--------------------------------7 法规和其它要求------------------------------------------------------------------1 1 目标------------------------------------------------------------------------------------1 1 职业健康安全管理方案---------------------------------------------------------12 实施和运行--------------------------------------------------------------------1 6结构和职责----------------------------------------------------------------------1 6 培训、意识和能力----------------------------------------------------------------21协商和沟通----------------------------------------------------------------21文件------------------------------------------------------------------------2 1 文件和资料控制--------------------------------------------------------------22 运行控制--------------------------------------------------------------------------2 3 应急准备和响应-------------------------------------------------------------23 附表一:重大危险因素清单----------------------------------------------------------------27 附表二:危害辨识与风险评价台帐------------------------------------------------------34重大危险源辨识、应急预案1、编制依据1.1工程承包合同:1.2施工图:李沧区上臧、炉房社区城中村改造D地块工程相关图纸1.3主要图集、标准、法规、规程、规范:(1)主要法规:《中华人民共和国建筑法》;《中华人民共和国劳动法》;《中华人民共和国环境保护法》;《中华人民共和国安全生产法》;《建设工程安全生产管理条例》;(2)主要规程、规范:《建设工程项目管理规范》(GB/T50326-2001);《职业健康安全管理体系规范》(GB/T28001-2001);《建筑内部装修防火施工及验收规范》(GB50354-2005);《建筑设计防火规范》(GB50016-2006);《民用建筑工程室内环境污染控制规范》(GB50325-2001);《建设工程施工现场用电安全规范》(GB50194-93);《建筑施工安全检查标准》(JGJ59-2011);《施工现场临时用电安全技术规程》(JGJ46-2005);《建筑机械使用安全技术规程》(JGJ33-2012);2工程概况2.1工程简介3、施工部署保证结构及内装工程在施工过程中做到有组织、有部署,使工程施工自始自终的有条不紊进行。
模板工程重大危险源辨识及应急救援预案范文第1篇:模板工程重大危险源辨识及应急救援预案范文1、重大危险源识别1)由于局部失稳引起整体失稳或由于砼浇筑方法不对引起整体失稳,一般情况是钢管严重变形,扣件多数爆裂,模板倾斜等。
2)模板、扣件、钢管等造成的物体打击。
3)高处坠落。
4)机械伤害。
5)触电事故。
2、预防措施1)模板支撑体系按本专项方案施工,材质符合要求。
2)加强工人的安全教育及项目部的日常检查力度。
3)加强工人安全用电教育、班前安全活动;用电设备专人专用;电线电缆架空设置。
4)机械设备专人专用;严格按*作规程*作;机械不带病运转等。
3、应急预案3.1支撑体系失稳、模板坍塌倾覆应急处置砼浇筑过程中应急领导小组人员进入紧急状态。
做好防治突发事故的准备。
模板支撑体系一旦失效,立即启动应急预案。
(1)总指挥立刻安排*戒指挥、疏散指挥、施救指挥进入工作状态,分别负责*戒、疏散、施救指挥工作。
指挥协调各方面抢救工作,同时向公司安全部门及领导汇报;(2)*戒指挥负责事故现场和施工现场*戒指挥工作,成员为保卫班组。
除必要的抢救人员外,其余人员不得进入事故现场,外界人员不得进入施工现场,以免影响抢救工作;(3)疏散指挥负责事故现场及施工现场的疏散、抢救,指挥后勤管理人员运送应急物资;(4)事故发生后,现场的所有施工人员立刻疏散到事故现场外安全的地方并及时拨打"120"救护电话。
3.2未完,继续阅读 >第2篇:水上重特大险情应急救援预案第一章总则第一条为及时有效组织南海辖区水域水上交通应急救援工作,提高应急反应能力,避免或减少人员伤亡和财产损失,维护水上交通秩序,防止水域污染,根据《中华*共和国内河交通安全管理条例》和《佛山市水上重特大险情(事故)应急救援预案》,特制定本预案。
第二条在南海辖区水域内发生的水上重特大险情(事故)的应急救援,适用本预案。
第三条本预案所指的重特大险情(事故)是指:造成一次*死亡(失踪)3?5人的水上交通事故,或一次*遇险人数为3?10人的险情。
编号:AQ-BH-01884( 应急管理)单位:_____________________审批:_____________________日期:_____________________WORD文档/ A4打印/ 可编辑模板工程重大危险源辨识及应急救援预案Major hazard identification and emergency rescue plan for formwork engineering模板工程重大危险源辨识及应急救援预案备注:应急预案明确了应急救援的范围和体系,有利于做出及时的应急响应,当发生超过应急能力的重大事故时,便于与应急部门的协调,降低事故的危害程度。
1、重大危险源识别1)由于局部失稳引起整体失稳或由于砼浇筑方法不对引起整体失稳,一般情况是钢管严重变形,扣件多数爆裂,模板倾斜等。
2)模板、扣件、钢管等造成的物体打击。
3)高处坠落。
4)机械伤害。
5)触电事故。
2、预防措施1)模板支撑体系按本专项方案施工,材质符合要求。
2)加强工人的安全教育及项目部的日常检查力度。
3)加强工人安全用电教育、班前安全活动;用电设备专人专用;电线电缆架空设置。
4)机械设备专人专用;严格按操作规程操作;机械不带病运转等。
3、应急预案3.1支撑体系失稳、模板坍塌倾覆应急处置砼浇筑过程中应急领导小组人员进入紧急状态。
做好防治突发事故的准备。
模板支撑体系一旦失效,立即启动应急预案。
(1)总指挥立刻安排警戒指挥、疏散指挥、施救指挥进入工作状态,分别负责警戒、疏散、施救指挥工作。
指挥协调各方面抢救工作,同时向公司安全部门及领导汇报;(2)警戒指挥负责事故现场和施工现场警戒指挥工作,成员为保卫班组。
除必要的抢救人员外,其余人员不得进入事故现场,外界人员不得进入施工现场,以免影响抢救工作;(3)疏散指挥负责事故现场及施工现场的疏散、抢救,指挥后勤管理人员运送应急物资;(4)事故发生后,现场的所有施工人员立刻疏散到事故现场外安全的地方并及时拨打"120"救护电话。
施工现场重大危险源辨识与监控措施一、引言施工现场是一处危险的场所,存在着许多安全风险和危险源。
挖掘、起重、钢筋加工等施工作业需要使用各种设备和机械,由于设备维护不当、操作不当等原因常常导致事故的发生。
为此,必须对施工现场存在的危险源进行识别和监控,并制定有效的监控措施,以确保施工现场的安全。
本文主要介绍施工现场重大危险源的辨识方法和监控措施,旨在提高施工现场安全管理水平,保障职工生命财产安全。
二、危险源辨识危险源是指在施工过程中随时可能造成事故的对象和情况。
在施工之前,必须对施工现场进行危险源辨识,找出潜在的危险源,做好防范措施,避免事故的发生。
危险源辨识的方法主要有以下几种:1. 现场勘察法现场勘察法是通过对施工现场进行实地查看和了解,找出危险源的存在,并确定相关的防范措施。
在现场勘察时,应注意以下事项:•仔细观察施工现场,包括用地、建筑物、设备、材料等。
•询问职工、现场管理人员、技术人员等对施工过程中可能存在的问题和意见。
•查看相关资料,如设计方案、施工图纸、技术规范等。
2. 风险评估法风险评估法是通过分析施工过程中可能存在的安全隐患,对危险源进行分类和评估,确定重大危险源,并确定相应的防范措施。
风险评估主要包括以下步骤:•识别危险源•分析危险源的性质和危害程度•评估危险源的风险等级•制定相应的防范措施3. 专家论证法专家论证法是将现场勘察的结果和风险评估的提交给相关专家进行论证,确定危险源和防范措施的合理性和可行性。
三、监控措施除了对危险源进行辨识和评估之外,还需要制定相应的监控措施,确保施工现场安全。
监控措施主要包括以下几个方面:1. 监控设备施工现场需要安装监控设备,进行监视和记录施工过程中的情况。
监控设备主要有摄像头、GPS定位设备、安全帽、安全鞋等。
通过监控设备,可以实现对施工现场人员和设备的实时监控,及时发现和纠正存在的安全问题,避免事故发生。
2. 安全培训对施工人员进行安全培训,提高他们的安全意识和技能,是方便有效的监控措施之一。
重大危险源识别与防范措施(建筑施工现场)建筑施工现场是建筑施工的作业场所,也是建筑施工生产中易发生伤亡事故的场地。
这主要是建筑施工产品固定性,生产方式多样性,生产流动性,作业环境特殊性等多方面因素造成的。
根据我公司多年来生产实际,有五个方面是事故多发性的隐患,即高空坠落、坍塌、触电、物体打击、机械伤害,现制定原因分析及防范控制措施。
发生事故原因分析一、高处坠落:主要发生在脚手架作业,各类登高作业,洞口临边作业所涉及的部位。
其主要原因如下:(1)高空作业不系安全带。
(2)四口(楼梯口、电梯井口、预留洞口.、道口)五边(楼面临边、屋面临边、阳台临边、升降口临边、基坑临边)处不设防护拦杆。
(3)搭设脚手架时,材质过细,钢木混用,立杆间距过大,连墙杆过少,拉结不牢,基础不平以及脚手架跳板不满铺,架体防护不严密。
(4)施工升降机的安装和拆除时发生的倒塌。
(5)横板支撑体系不经过计算,无剪刀撑或拉杆数量不够,立杆排列混乱,造成整体失稳。
(6)塔吊安装拆卸中,违反安装拆除程序或使用中超载,斜拉斜吊。
违章乘坐吊篮,钢丝绳断裂和断绳保险,吊篮停靠装置,超高限位失误失灵造成的坠落。
二、坍塌:主要发生在施工基坑、边坡、桩壁、模板涨撑及施工现场临时建筑倒塌等。
其主要原因是:(1)开挖基坑、基槽时,未按图纸情况设置安全放坡或支护,或者是放坡和支护不符合规范要求。
(2)在人工挖桩孔中,没按设计进行护壁等安全措施(3)在刚施工成型的楼板上堆放过多的物料。
(4)在拆除工程,设备施工中,没按施工方案进行,野蛮施工。
三、触电:多发生在施工现场的临时用电中。
(未按TN-S系统两级保护)其主要原因是:(1)工程外侧边缘与外电高压线距离小于安全距离时,没有增设遮拦或保护网。
(2)施工过程中机械漏电。
(3)手持式电动工具未进行有效的接地零保护。
(4)电线、电缆保护层老化、破损造成的漏电。
(5)移动式照明未使用安全电压或电极接错漏电。
(6)漏电保护装置动作电流过大四、物体打击:该种事故来源存在多方面,综合起来主要有以下几个方面:(1)作业人员不带安全帽。
大丰小学三元校区扩建工程重大危险点源辨识、监控专项施工方案四川省蜀宇建筑工程有限公司目录一、工程概况及特点 (3)二、建筑工程施工场所危险源识别 (3)(一)、施工场所危险源 (3)(二)、施工场所及周围地段危险源 (4)三、危险点源的确定范围和应采取的防范措施 (5)1、深坑土方作业 (5)2、“三宝”、“四口”、“五临边” (5)3、外脚手架 (6)4、施工用电 (6)5、机械设备 (7)6、起重设备 (7)7、易燃易爆 (7)四、项目重大危险源清单 (9)五、甲方、监理、施工单位对危险点源管理 (11)(一)、建设单位对重大危险源监控管理办法 (11)(二)监理单位对重大危险源监控管理办法 (12)(三)、施工单位对重大危险源监控管理办法 (13)六、总结 (14)一、工程概况及特点项目名称:大丰小学三元校区扩建工程。
建设地点:大丰街道三元社区。
建设规模:本工程扩建总建筑面积11997.16平方米(其中:教学楼3326.70平方米、食堂3623.70平方米;风雨操场1477.36平方米,地下室3503.72平方米,门卫室65.68平方米),主要建设内容包括土建、装饰、安装及相关配套设施、绿化景观、配套管线等总平工程。
为加强对本项目施工安全重大危险源的监控管理,预防重特大事故的发生,保障人民群众生命和财产的安全,针对我项目实际情况和问题,根据《建设工程安全生产管理条例》,特制定本管理办法及监控措施。
二、建筑工程施工场所危险源识别(一)、施工场所危险源局限于存在施工过程现场的活动;主要与施工分部、分项(工序)工程,施工装置(设施、机械)及物质有关。
对于建设施工安全管理组织来看,一个施工项目是一个危险源;对项目安全管理来看,一个施工项目过程可能包含若干个危险源。
1、存在于分部、分项(工序)工程施工、施工装置运行过程和物质的危险源:(1)脚手架(包括落地架,悬挑架、爬架等)、模板和支撑、起重塔吊、物料提升机、施工电梯安装与运行,人工挖孔桩(井)、基坑(槽)施工,局部结构工程或临时建筑(工棚、围墙等)失稳,造成坍塌、倒塌意外;(2)高度大于2m的作业面(包括高空、洞口、临边作业),因安全防护设施不符合或无防护设施、人员未配系防护绳(带)等造成人员踏空、滑倒、失稳等意外;(3)焊接、金属切割、冲击钻孔(凿岩)等施工及各种施工电器设备的安全保护(如:漏电、绝缘、接地保护、一机一闸)不符合,造成人员触电、局部火灾等意外;(4)工程材料、构件及设备的堆放与搬(吊)运等发生高空坠落、堆放散落、撞击人员等意外;(5)工程拆除、人工挖孔(井)、浅岩基及隧道凿进等爆破,因误操作、防护不足等,发生人员伤亡、建筑及设施损坏等意外;2、人工挖孔桩(井)、隧道凿进、室内涂料(油漆)及粘贴等因通风排气不畅造成人员窒息或气体中毒危险源。
3、施工用易燃易爆化学物品临时存放或使用不符合、防护不到位,造成火灾或人员中毒意外;工地饮食因卫生不符合,造成集体中毒或疾病。
(二)、施工场所及周围地段危险源存在于施工过程现场并可能危害周围杜区的活动,主要与工程项目所在社区地址、工程类型、工序、施工装置及物质有关。
对于城市建设施工安全管理组织,从可能危害社区的重要角度来看,一个施工项目应当确定为一个危险源,进行辨识和监控。
1、临街或居民聚集、居住区的工程深基坑、隧道、地铁、竖井、大型管沟的施工,因为支护、项撑等设施失稳,坍塌,不但造成施工场所破坏,往往引起地面、周边建筑和城市运营重要设施的坍塌、坍陷、爆炸与火灾等意外。
2、基坑开挖、人工挖孔桩等施工降水,造成周围建筑物因地基不均匀沉降而倾斜、开裂,倒塌等意外。
3、临街施工高层建筑或高度大于2m的临空(街)作业面,因无安全防护设施或不符合,造成外脚手架、滑模失稳等坠落物体(件)打击人员等意外。
4、工程拆除、人工挖孔(井)、浅岩基及隧道凿进等爆破,因设计方案、误操作、防护不足等造成发生施工场所及周围已有建筑及设施损坏、人员伤亡等意外。
5、在高压线下、沟边、崖边、河流边、强风口处、高墙下、切坡地段等设置办公区或生活区临建房屋,因高压放电、崩(坍)塌、滑坡、倾倒、泥石流等引致房倒屋塌,造成人员伤亡等意外。
三、危险点源的确定范围和应采取的防范措施1、深坑土方作业分级危险点源分布危险因素防范措施A 直壁坑作业土方垮塌1、施工组织设计方案中必须制定土方垮塌的具体安全措施,或由设计部门提出安全技术方案后认真落实。
2、施工中应专人监护。
3、在醒目处悬挂警示标志、标牌(“危险”标牌)。
4、制定出现异常情况的应急处理措施。
5、对危险部位作业工人应有正对性的安全技术交底。
A 因场地价则或其他原因导致边坡不能按照规范规定设置的土方作业同上同上B边坡系数为达到设计要求的深坑坑放作业同上1、施工中应派专人负责监督、检查,发现异常情况应及时处理汇报。
2、现场还应根据周围环境的具体情况制定有针对性的防范措施,并悬挂警示标志、标牌。
2、“三宝”、“四口”、“五临边”分级危险点源分布危险因素防护措施A 因各种特特殊原则,临时性使水平网、“四口”、“五临边”的防护不能及时部位的区域。
高处坠落伤害和物体打击伤人1、指定专人监护、并明确责任、权限挂牌工作制度。
2、悬挂警示标志、标牌。
3、制定有针对性的防护措施。
4、落实人员、限制时间、及时补位。
5、加强职工的安全意识教育。
A 特殊原因防护不能满足安全要求或无法防护的区域同上同上B 由于各种原因造成作业人员操作困难,需要越过安全防护的区域同上1、悬挂警示标志、危险标牌。
2、应指定专人经常驻地进行监督检查。
3、在有条件的情况下,尽可能的及时调整作业区域的防护,以求最大限度满足作业人员安全操作。
3、外脚手架分级危险点缘分布危险因素防护措施A 脚手架的搭设和拆除高处坠落伤害和物体打击伤害1、施工组织设计(方案)中应制定有针对性的安全技术措施。
2、搭设脚手架时应该坚持“十道关”。
3、拆架应制定有针对性的拆除方案,并有技术部门负责人审批。
4、搭设和拆除脚手架均有交接验收记录的工作制度。
5、架工在操作时应系安全带安全带和穿防滑鞋。
6、悬挂警示标志、标牌。
7、在特定环境区域作业时应设专人喊话。
8、在有条件的现场应采取隔离措施。
B 上下层交叉作业区域物体打击1、设置上下隔离措施2、派专人监护、喊话。
3、悬挂警示标志、标牌。
B 由于特殊原因造成脚手架临边防护不能及时补位的区域同上1、设置上下隔离措施2、派专人监护、喊话。
3、采取其他措施。
4、有针对性的加强操作人员的安全教育和安全技术交底。
A 由于各种原因未搭设防护棚的建筑物出入口1、封闭出入口。
2、制定责任人监督、喊话。
3、悬挂警示标志、标牌。
4、施工用电分级危险点分布危险因素防护措施A 在建工程与邻近高、低压线的距离小于规范规定的区域触电1、按照规定要求采取有效的防护隔离措施。
A 在潮湿场所使用手持式电动工具同上1、安装漏电保护器,维修手持电动工具,要有检验交接记录。
2、作业人员必须穿戴符合要求的绝缘防护用品。
3、悬挂操作规程和警示标志(“危险”标牌)4、应派专人经常检查,发现隐患及时整改。
A 夜间施工时,无照明的死角地段高坠或其他伤害1、安装警示灯,悬挂警示标志(“危险”标牌)。
2、实行局部区域封闭或派专人监护。
5、机械设备危险点分布危险因素防护措施1、接电线路及电气系统。
2、电焊机及进出线路。
3、手持电动工具。
4、机械传动系统。
5、机械悬挂系统。
机械伤害触电6、按规定架设固定、绝缘良好的供电线路,保护好设备负荷线,保护好零线和开关箱,现场问题及时报告解决。
7、搬迁或移动用电设备,必须经专业人员切断电源并作妥善处理后进行。
8、建立和执行专人专机负责制,遵守《建筑机械施工安全技术规程》,悬挂安全操作规程,并定期检查和维护保养。
9、各类机电设备保险、安全装置(罩),漏电保护器必须配备齐全、灵敏有效可靠。
10、传动,悬挂系统有防护保险装置。
6、起重设备危险点分布危险因素防范措施1、起重机械安拆。
2、塔机臂与外电高压线距离。
3、塔机供电电源线路。
4、塔机臂碰撞。
5、施工电梯轿厢附着。
6、基础和附墙架。
垮塌坠落伤人物体打击触电雷击1、起重机械安拆前必须制定方案,报警公司有关部门审定后方可施行,特殊情况还须报总工程师审定。
2、电气设备应符合GB144-85《塔式起重机安全规程》中的要求。
3、塔机吊臂与外电线路必须有足够的安全距离,夜间施工必须要有足够的照明和亮度。
4、施工电梯轿厢,内外均应安装紧急停车开关盒防坠装置,上下极限装置。
5、施工电梯均要设置有效安全门,防护栏。
6、施工电梯地面出入处设防护棚,周边隔离封闭。
7、基础要有方案,做好基础隐蔽记录,附墙架与建筑物连接牢固。
8、操作人员专业培训持证上岗,并严格安操作规程作业。
7、易燃易爆危险点分布危险因素防范措施1、配电房、箱。
火灾1、易燃易爆物品规定规划出区域专门定点存放,制定管理制度2、涂料、材料房、住宿、木作间3、食堂、锅炉、烘炉4、乙炔、氧气瓶、电割焊爆炸和责任人。
2、配置足够针对性的消防器材,设置明显警示标志。
3、展开定期或不定期的安全教育,检查等活动。
4、随时清除,排除易燃易爆隐患。
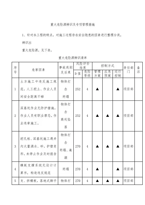
四、项目重大危险源清单序号施工部位作业活动危险源可导致事故风险级别控制方式1基础施工旋挖护壁防护及监控不到位机械伤害ⅢB、加强教育、培训D、编制专项方案 E 加强现场监督检查2基础、主体施工钢筋工程临边作业无防护设施或未系安全带高处坠落ⅢB、加强教育、培训 E 加强现场监督检查3模板工程模板拆除区域未设置警戒线或无人监护物体打击ⅣA制定管理方案 D、编制专项方案 E 加强现场监督检查4 临边作业无防护设施或未系安全带高处坠落ⅢA制定管理方案B、加强教育、培训E 加强现场监督检查5砼工程临边作业无防护设施或未系安全带高处坠落ⅢA制定管理方案B、加强教育、培训E 加强现场监督检查6钢筋工程现场高层焊接无防焊花飞溅措施火灾ⅢA制定管理方案B、加强教育、培训E 加强现场监督检查7脚手架工程在未经技术负责人同意,且未采取加固措施的情况下,将杆件或连墙拉接拆除坍塌ⅣB、加强教育、培训方C、应急救援预案D、编制专项方案 E、加强现场监督检查8脚手架工程脚手架连墙拉接、扣件被人为拆除坍塌ⅣB、加强教育、培训方C、应急救援预案D、编制专项方案 E、加强现场监督检查9脚手架工程脚手架缺少防护设施或防护不严密物体打击ⅢB、加强教育、培训方C、应急救援预案D、编制专项方案 E、加强现场监督检查10高处坠落ⅢB、加强教育、培训方C、应急救援预案D、编制专项方案 E、加强现场监督检查11临电工程线路未经过漏电保护器或漏电保护器失灵触电ⅢA、制定管理方案B、加强教育、培训D、编制专项方案E 加强现场监督检查12装饰装修工程外墙装修高处、临边作业无防护设施或未系安全带高处坠落ⅢA、制定管理方案 D、编制专项方案E、加强现场监督检查13油漆贮存无灭火器材火灾ⅢB、加强教育、培训C、应急救援预案E 加强现场监督检查14四口、五临边电梯井电梯井口未搭设防护栏杆或防护栏杆不牢固、井内未按规范要求设置水平硬隔断防护高处坠落ⅢA、制定管理方案B、加强教育、培训 E、加强现场监督检查15施工机械塔吊安全防护设施不齐或限位器失灵机械伤害ⅣA制定管理方案B、加强教育、培训C、应急救援预案E 加强现场监督检查16塔吊多台塔吊作业无防碰撞措施或措施不可靠起重伤害ⅢA制定管理方案B、加强教育、培训C、应急救援预案E 加强现场监督检查17塔吊力矩限位器或重量限位器失灵起重伤害ⅢA制定管理方案B、加强教育、培训C、应急救援预案E 加强现场监督检查18塔吊带病运行或超负荷运转起重伤害ⅢA制定管理方案B、加强教育、培训C、应急救援预案E 加强现场监督检查19施工机械施工电梯安全防护设施不齐或限位器失灵机械伤害ⅣB、加强教育、培训C、应急救援预案E 加强现场监督检查20门架安全防护设施不齐或限位器失灵机械伤害ⅣB、加强教育、培训C、应急救援预案E 加强现场监督检查21 氧气瓶、乙炔瓶乙炔瓶使用或存放时采用平放爆炸ⅢA制定管理方案B、加强教育、培训C、应急救援预案E 加强现场监督检查22机动车辆驾驶驾驶人员酒后驾车交通事故ⅢA、制定管理方案 D、编制专项方案E、加强现场监督检查23 驾驶人员疲劳驾驶交通事故ⅢB、加强教育、培训 D、编制专项方案24管理工作食堂炊事煤气罐、液化气罐使用不当爆炸ⅢB、加强教育、培训C、应急救援预案D、编制专项方案 E 加强现场监督检查25 使用霉变的大米,食物未煮熟、炒熟食物中毒ⅢB、加强教育、培训C、应急救援预案D、编制专项方案 E 加强现场监督检查注:风险级别(Ⅲ、Ⅳ)详见程序文件中作业条件的危险程度性(D)表格一栏A、制定目标、指标或管理方案B、加强教育、培训C、应急救援预案D、编制专项方案、措施或办法,定制度 E 加强现场监督检查五、甲方、监理、施工单位对危险点源管理(一)、建设单位对重大危险源监控管理办法1、建设单位(业主)在领取施工许可证书后,应当组织工程项目的设计、监理和施工单位的主要技术负责人,针对工程项目施工中潜在的重大危险源进行辨识、评价,并提出消除或控制危险源的对策措施。