重大危险源及其控制措施
- 格式:xls
- 大小:29.00 KB
- 文档页数:8
重大危险源防控措施范例6篇【关键词】危险源;体育场馆;控制方法一、前言危险源控制是利用工程技术和管理方法来减少人误,从而起到消除或控制危险源,防止危险源导致安全事故造成人员伤害和财产损失的过程。
危险源控制的对象是整个施工过程,横向包括人、机械、材料、施工工艺技术和管理等方面存在的缺陷;纵向涉及施工项目系统的各个层次。
危险源控制的一般原则:一是立足消除和降低危险,构建系统安全,落实个人防护;二是预防为主,防控结合,预案与应急措施联动机制;三是动态跟踪,重点控制,应变策略,对极不可承受的危险要禁止作业。
二、体育场馆危险源的控制方法分析1、技术控制方法控制体育场馆施工危险源,可以通过技术措施来实现。
技术控制方法,是指采取技术措施对体育场馆施工的危险源进行控制。
危险源控制技术包括防止事故发生的安全技术和减少或避免事故损失的安全技术。
前者在于约束、限制系统中的能量,防止发生意外的能量释放;后者在于避免或减轻意外释放的能量对人或物的作用。
主要采用的技术控制方法有:距离防护、时间防护、屏蔽危险源、坚固防护设施、消除薄弱环节、不接近或靠近危险源、闭锁危险触发、取代操作、警告警示、冗余技术、个人防护等。
施工现场应根据危险源的性质、存在状态,以及施工企业能够采用的技术、财力、人力、物力,有选择地采用上述技术措施以达到消除、控制、防护、转移危险源的目的。
危险源控制的技术措施有工艺过程中的危险源控制技术和安全设施两个方面。
一是工艺过程的危险源控制技术。
工艺过程的危险源控制技术,是指根据现有的工艺技术安全要求和标准,一方面对施工过程中危险源,如机械设备、材料构建等的危险属性如温度、压力、强度等加以控制,避免一旦约束失效导致失控产生事故。
另一方面,加强紧急情况下的控制装置执行能力,如高空作业防坠落保护装置、紧急过电保护装置、机械突发事件紧急停车系统等。
二是安全措施。
安全措施是指一些预防危险源发生事故的手段,如工地消防设施(消防水、消防车、灭火器、其它灭火装置、消防通道等)、危险源监控系统、检测报警系统和防静电设施等。
重大危险源治理措施及应急预案重大危险源治理措施及应急预案随着经济的飞速发展,工业化进程的推进,我们的生产活动越来越重视安全生产,尤其是对于那些涉及到重大危险源的企业,必须高度重视其安全生产工作。
因此,建立完善的重大危险源治理措施和应急预案,成为这些企业安全生产工作的重要组成部分。
一、重大危险源的概念重大危险源是指那些一旦发生事故,就可能对人身安全、环境质量造成严重影响的场所、设施、物质等。
重大危险源一般包括以下几个方面的内容:(1) 毒物、烟气、有毒废气、有毒废液等有毒物质。
(2) 爆炸、火灾等危险物质。
(3) 较高的温度、压力等物理因素。
(4) 重型机械、高空作业、化学等作业方式和场所等。
以上方面是目前国家对于重大危险源基本的分类和定义。
二、重大危险源治理措施针对重大危险源,我们必须要采取一系列的治理措施,以下是几点:(1) 能源的控制:能源是所有生产活动中的重要环节,必须在每一个细节上进行严格的控制,以避免能源的利用对工业生产过程中的安全造成威胁。
(2) 物质的控制:对于毒性强的有害物质、易爆易燃的危险物质和压力较高的物质等都必须进行严格的控制和管理,确保其在工业生产过程中的使用安全。
(3) 设施的控制:针对危险源所在的生产设施,必须进行定期的检修和维护,确保其正常的运行和使用,在发生意外的情况下能够及时的响应。
三、应急预案即使在实施了以上的治理措施,为了有效应对紧急情况,必须及时制定完善的应急预案,以达到应急响应、灾害预防以及应对控制的目的。
以下是具体的措施:(1) 对于不同类型的危害源,应进行分类分级,制定同类型危害源的应急预案。
(2) 确定突发事件的应急联系人员,建立应急指挥中心,并设立应急救援组织体系,明确各单位应急工作职责和任务。
(3) 明确预警和监测的方法和标准,制定标准化操作规程和工作程序,确保预警和监测的及时性、准确性和可靠性。
(4) 开展应急演练,提高组织的应急处理能力和员工的危险素质。
重大危险源及预防控制措施重大危险源是指可能导致重大事故或灾害的潜在因素或条件。
在工业生产、交通运输、建筑施工等领域,存在着许多重大危险源,如化学品泄漏、火灾爆炸、机械伤害、高处坠落等。
为了保障人员的生命安全和财产安全,必须采取适当的预防控制措施。
以下是一些常见重大危险源及预防控制措施。
1.化学品泄漏重要预防控制措施包括:-使用符合安全标准的容器和管道进行储存和运输。
-建立化学品泄漏应急处理预案,包括正确使用个人防护装备。
-对于易燃、易爆或有毒的化学品,应选择合适的储存条件,如通风良好的地方或专用储存室。
-定期进行泄漏检测,并确保设备和管道的完整性。
-培训员工如何正确处理泄漏事故以减少伤害。
2.火灾爆炸重要预防控制措施包括:-完善消防系统,包括灭火器、喷淋系统和报警系统。
-定期进行火灾风险评估和消防演练。
-储存易燃物品时保持适当的通风和温湿度控制。
-确保设备和电线路的维护和检查,避免电器故障引发火灾。
-培训员工如何正确使用消防设备并逃生。
3.机械伤害重要预防控制措施包括:-对所有机械设备进行定期检查和维护,并遵循操作手册中的安全规范。
-提供适当的个人防护装备,如手套、安全鞋、护目镜等。
-将机械设备周围的危险区域标识清楚,并限制未经培训人员进入。
-培训员工如何正确操作和维护机械设备,以及如何处理意外事故。
4.高处坠落重要预防控制措施包括:-提供适当的安全设备,如安全网、安全带和扶手等,用于工作平台和悬挑平台。
-定期检查和维护工作平台和悬挑平台的稳定性和可靠性。
-提供足够的安全培训,让员工了解安全操作规程,并且要求他们佩戴个人防护装备。
-在高处作业场所周围设置明确的警示标志和限制区域。
-对高处作业进行严格的监督和管理,确保员工按照规定操作。
综上所述,重大危险源的预防控制措施涉及许多方面,包括设备的维护和检查、员工的培训和安全意识、安全设备的使用和管理等。
组织和企业需要制定适合自身特点和风险情况的预防控制措施,并且持续改进和更新,以确保危险源的安全控制和管理。
铁路工程重大危险源和控制措施清单
1. 引言
铁路工程具有高风险性,需要采取措施来识别、评估和控制危险源。
本文档旨在列举铁路工程中的重大危险源及其对应的控制措施。
2. 重大危险源及控制措施
2.1 高处作业
危险源:高处作业可能导致坠落、物体飞行、电击等事故。
控制措施:
- 实行安全带、安全网等防护措施;
- 对作业人员进行安全教育和培训,保证其熟知高处作业的风险和安全要求;
- 设置安全监测系统,确保作业在安全状态下进行。
2.2 道岔作业
危险源:道岔作业可能导致铁路信号故障、车辆脱轨等事故。
控制措施:
- 定期检查、维修道岔设备;
- 对作业人员进行安全教育和培训,保证其严格按照作业流程进行;
- 实行安全防护措施,防止作业人员被列车撞击。
2.3 架线作业
危险源:架线作业可能导致电击、坠落等事故。
控制措施:
- 对作业人员进行安全教育和培训,保证其了解电气安全知识和使用防护用具;
- 采用绝缘工具和绝缘防护装置;
- 确保作业人员严格遵循安全操作规程。
3. 结论
铁路工程中存在多种高风险危险源,必须采取严格有效的控制措施来识别、评估和控制隐患,确保铁路工程的安全稳定运行。
环境保护重大危险源及控制措施1. 引言本文档旨在探讨环境保护中的重大危险源及相应的控制措施。
通过了解和管理这些重大危险源,我们可以采取有效的措施来保护环境并预防潜在的环境灾难。
2. 重大危险源的定义在环境保护领域,重大危险源是指可能对环境造成显著影响的因素,包括但不限于工业生产过程中的污染物排放、有害废物的处理和运输、环境破坏性行为等。
3. 典型的重大危险源及其影响以下是一些典型的重大危险源及其可能对环境造成的影响:3.1 工业生产过程中的污染物排放工业生产过程中排放的污染物,如废气、废水和固体废物,可能对空气、水和土壤造成严重污染,影响生态平衡和人们的健康。
3.2 有害废物的处理和运输有害废物的不当处理和运输可能导致地下水和土壤的污染,对人体健康和生态系统造成潜在威胁。
3.3 环境破坏性行为不合法的砍伐森林、盗采矿产资源等环境破坏性行为,可能导致生物多样性丧失、土地退化和水源短缺等问题。
4. 重大危险源的控制措施为了防止和减轻重大危险源对环境的潜在影响,以下是一些常见的控制措施:4.1 确立合理的环境标准与监管机制制定并执行合理的环境标准,建立有效的监管机制,通过对重大危险源的排放、处理和运输进行监督和管理,确保其符合环境要求。
4.2 推动清洁生产和可持续发展鼓励企业采用清洁生产技术和可持续发展策略,减少对环境的负面影响,提高资源利用效率,推动绿色经济的发展。
4.3 完善有关法律法规和政策措施建立健全的法律法规和政策措施,明确重大危险源的责任主体和应采取的措施,加强执法力度,保障环境保护的有效实施。
4.4 加强监测与应急响应能力建立健全的重大危险源监测体系,加强精细化监测和早期预警,做好应急响应准备工作,及时应对可能发生的环境灾害。
5. 结论重大危险源对环境的潜在影响不可忽视,通过采取适当的控制措施,我们可以降低这种影响并保护环境。
要加强法律法规的制定和执行,推动清洁生产和可持续发展,加强监测和应急响应能力,共同努力保护我们的环境。
重大危险源监控措施与应急预案____年的重大危险源监控措施与应急预案主要包括以下方面的内容:一、重大危险源监控措施1. 加强安全生产管理:《生产安全法》等法律法规的实施,全面落实企业安全生产主体责任,强化企业安全生产管理制度,确保危险源监控的整体安全。
2. 完善危险源监测系统:建立完善的危险源监测系统,包括高风险行业的全天候监控、实时数据采集与分析,并建立与政府监管部门的数据交换机制,及时报告与共享监测数据。
3. 强化应急预警机制:建立健全危险源监测的应急预警机制,包括防范措施、人员撤离与救援方案等环节,并加强应急预警信息的发布与宣传,提高公众的安全意识。
4. 加强危险源风险评估:全面开展危险源风险评估工作,科学评估危险源的程度与影响范围,并制定相应的风险管控措施,确保重大危险源的安全运行。
5. 完善危险源监管制度:加强对危险源的监督与检查,建立健全危险源监管制度,包括危险源准入机制、定期检查与评估机制等,确保危险源的合规运行。
6. 强化信息化建设:加快推进危险源监控信息化建设,包括危险源监控设备的网络化、智能化,提高监控设备的精准度与响应速度,实现危险源监控的科学化与规范化。
二、应急预案1. 建立健全应急预案体系:制定危险源应急预案,包括灾害防范预案、事故应对预案等,建立健全应急预案体系,确保危险源在事故发生时能够迅速做出响应,减少事故损失。
2. 强化应急救援能力:加强公共应急救援队伍的建设与培训,提高应急救援能力,确保在事故发生时能够快速、有效地进行救援工作,最大限度地减少人员伤亡与财产损失。
3. 加强应急通信与联动:建立健全应急通信与联动机制,包括建立紧急通信系统、信息发布机制等,以便在事故发生时能够及时、准确地进行信息传递与指挥调度。
4. 提高公众应急意识:加强公众应急教育与培训,提高公众的应急意识与应急技能,定期组织应急演练活动,增强公众在事故发生时的自救与互救能力。
5. 加强应急物资储备:建立健全应急物资储备体系,包括紧急救援装备、医疗物资、生活物资等,确保在事故发生时能够及时投入救援工作,并保障救援工作的顺利进行。
交通工程重大危险源清单及控制措施1. 简介本文档为某交通工程项目的重大危险源清单及相应控制措施,旨在确保施工过程中的安全性和有效性。
2. 重大危险源清单以下是该交通工程项目中的重大危险源清单:2.1 施工现场危险源- 高处作业:存在墙体施工、楼层施工等高处作业风险;- 设备操作:涉及吊装机械、动力工具等危险源;- 施工材料:如钢筋、混凝土等重型材料的搬运和使用;- 施工车辆:行车作业、地下车库运输等带来的交通安全隐患。
2.2 施工过程危险源- 断电操作:对电力设备进行检修、维护等操作;- 高温作业:如焊接、切割等工艺带来的火灾和烫伤风险;- 标识不清:导致误操作、违规行为等不良影响;- 施工噪音:对周边环境和工人健康造成影响。
2.3 环境风险源- 水域作业:如河道纵横、桥梁修建等涉及水域的作业;- 气象条件:如强风、雷电等恶劣天气条件。
3. 控制措施为了保障施工过程中的安全,以下是针对不同危险源的控制措施:3.1 施工现场危险源控制- 严格遵守高处作业规范,使用安全带和防护设施;- 在设备操作前,进行完整的设备检查和操作培训;- 使用合适的吊装工具和操作技巧,保证材料搬运时的安全;- 调度施工车辆,保证施工现场交通秩序和工人安全。
3.2 施工过程危险源控制- 严格执行断电操作规程,确保电力设备的安全维护;- 提供适当的防护用具和培训,以减少高温作业带来的伤害;- 明确施工区域、设备的标识,防止误操作和违规行为;- 控制施工噪音,采取降噪措施和为工人提供防护设备。
3.3 环境风险源控制- 在水域作业中,使用合适的安全装备,并确保有合格的救援人员;- 密切关注天气预报,采取相应的防护措施和紧急应对计划。
4. 总结本文档对交通工程项目中的重大危险源进行了清单化管理,并提供了相应的控制措施。
在实施施工过程中,务必遵守相关规范和操作流程,严格落实控制措施,以确保施工的安全和顺利进行。
以上是交通工程重大危险源清单及控制措施的文档,旨在提高工程施工的安全性和质量。
项目管理重大危险源及控制措施1. 简介本文档旨在介绍项目管理中的重大危险源以及相应的控制措施。
通过识别和管理这些危险源,可以最大程度地减少项目的风险,保障项目顺利进行。
2. 重要概念在进行危险源分析之前,我们需要明确以下概念的定义:2.1 重大危险源重大危险源是指可能对项目目标产生重要影响并导致严重后果的因素、条件或事件。
在项目管理中,重大危险源往往涉及时间、成本、质量和安全等方面。
2.2 控制措施控制措施是指为了降低或消除重大危险源而采取的预防、监测、应对等手段或策略。
通过控制措施的实施,可以有效管理重大危险源,减少潜在风险的发生。
3. 重大危险源及控制措施以下是一些常见的项目管理重大危险源及相应的控制措施:3.1 时间管理危险源- 危险源:项目进度延误、任务排期冲突等。
- 控制措施:制定详细的项目计划、设定里程碑、合理分配资源等。
3.2 成本管理危险源- 危险源:项目预算超支、费用估计不准确等。
- 控制措施:严格监控成本、建立预算控制机制、进行费用预测和核算等。
3.3 质量管理危险源- 危险源:项目交付物不符合要求、质量问题频发等。
- 控制措施:建立质量管理体系、实施质量检查和评估、培训团队成员等。
3.4 安全管理危险源- 危险源:工作环境不安全、事故风险高等。
- 控制措施:执行安全操作规范、加强事故预防和应急准备、提供必要的安全装备等。
4. 结论通过对项目管理重大危险源的识别和相应的控制措施的实施,可以最大限度地降低潜在风险,确保项目的顺利进行。
项目管理团队应认真分析项目中存在的危险源,并针对性地制定有效的控制策略,以保证项目的成功交付。
重大危险源及其控制措施
重大危险源是指长期地或临时地生产、加工、使用或储存危险化学品,且危险化学品的数量等于或超过临界量的单元。
重大危险源控制措施如下:
1. 建立重大危险源管理制度,明确管理职责和要求。
2. 对重大危险源进行评估和分级,制定相应的应急预案。
3. 加强重大危险源的监测和监控,及时发现和处理安全隐患。
4. 对重大危险源进行定期检查和维护,确保设备和设施的正常运行。
5. 加强对重大危险源操作人员的培训和教育,提高其安全意识和应急处理能力。
6. 建立重大危险源事故应急救援体系,配备相应的应急救援设备和人员。
7. 加强与相关部门的协调和沟通,共同做好重大危险源的安全管理工作。
以上是一些常见的重大危险源控制措施。
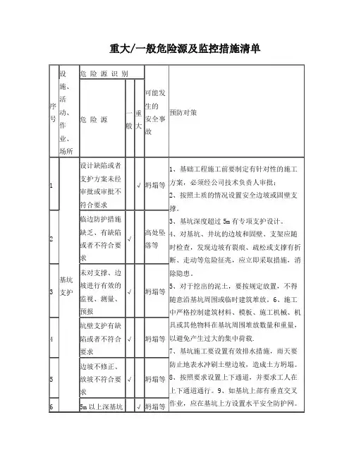
重大/一般危险源及监控措施清单
求 4、基坑四周设防护栏杆,人员上下要有专用爬梯,非作业人员严禁进入作业区。
5、挖土司机必须持证上岗,并按照操作
规章施工。
20
挖土司机
无证或违章作业
√ 机械伤害等 21
围护缺失,其他人员进入
挖土机作业区 √ 机械伤害等
22
23
脚手架工程 脚手架搭设方案及
架体材料不符合要求 √
架体倒坍、 高处坠落等 1、根据工程情况和选用脚手架的类型,
分别编制落地式钢管脚手架、悬挑式、附着式脚手架专项施工方案,并编制安全技
术措施。
2、各种不同类型的脚手架应按各类脚手架搭设规范进行搭设和验收。
3、在脚手架搭设过程中,应注重架体与建筑结构的拉结,杆件间距与剪刀撑的设
置,脚手板与防护栏杆,悬挑梁及架体稳定,脚手架荷载,制作组装,安全装置,
外降操作和验收与交底等九个重大环节,
保证脚手架安全可靠。
4、各类脚手架搭设完成后,项目部应组
织技术、安全部门验收。
5、暴风雨,防汛期间,应组织对脚手架
的专项检查,发现隐患,应及时整改。
6、脚手架基础必须平整坚实,有排水措施,架体必须支搭在底座或通长脚手板
24 脚手架基
础不能保证架体的荷载 √
架体倒坍、
高处坠落等
25
脚手板铺设或材质不符合要求 √ 高处坠落等
26
架体稳定
性不符合要求
√ 架体倒坍、倾斜等
27
脚手架荷载超载或
√
架体倒坍、 高处坠落。
施工现场重大危险源安全风险控制措施
1. 识别和评估危险源风险
在施工现场,首先需要对重大危险源进行全面的识别和评估。
这包括但不限于高处作业、电气设备、机械设备、化学品等。
针对每个危险源,应该评估其可能引发的事故类型和程度,并确定相应的风险等级。
2. 制定合理的控制措施
根据危险源的风险等级,制定合理的控制措施以降低风险。
这些措施可能包括但不限于:
- 工作场所布局和标记:确保工作场所符合安全规范,设置明确的出入口和紧急疏散通道,并进行必要的标记和警示。
- 个人防护装备:为工作人员提供适当的个人防护装备,如安全帽、防护眼镜、耳塞等,并确保其正确使用。
- 安全培训和监督:对工作人员进行必要的安全培训,包括工
作操作规范、急救知识等,并进行定期监督和检查。
- 工艺和操作控制:确保施工工艺符合安全标准,并实施必要
的操作控制措施,如工作许可制度、机械设备检修等。
- 应急预案和救援:制定完善的应急预案,明确责任和应急处
置流程,设立应急救援队伍,并进行演练和培训。
3. 监督和改进措施
施工现场安全风险控制措施的有效性需要进行监督和改进。
应
建立相应的监督机制,包括但不限于定期检查、隐患排查和评估等。
同时,及时反馈和整改不安全行为和隐患,并进行经验总结和教训
吸取,以不断改进措施的有效性。
结论
施工现场重大危险源的安全风险控制措施是确保施工安全的重
要一环,务必重视并认真执行。
通过全面识别和评估危险源风险、
制定合理的控制措施以及进行监督和改进,可以有效减少事故的发生,保障工作人员和现场的安全。
(完整版)环境工程重大危险源和控制措施
清单
1. 危险源清单
- 重金属废水排放
- 挥发性有机物排放
- 高浓度气体泄漏
- 固体废弃物堆放
2. 控制措施清单
2.1 重金属废水排放控制措施
- 安装重金属沉淀池和过滤设备进行预处理
- 使用离子交换法或其他适当的技术进行重金属去除
- 定期监测废水中重金属浓度,确保符合排放标准
2.2 挥发性有机物排放控制措施
- 采用封闭式生产工艺,减少有机物挥发
- 安装有机物吸附设备进行废气处理
- 对废气进行定期监测,确保符合排放标准
2.3 高浓度气体泄漏控制措施
- 定期检查设备和管道,确保密封性良好
- 安装气体泄漏报警系统,及时发现泄漏情况
- 提供员工培训,加强对泄漏事故的应急响应能力
2.4 固体废弃物堆放控制措施
- 分类收集固体废弃物,避免交叉污染
- 配备合适的储存设施,确保固体废弃物不会外泄
- 定期清理和处理固体废弃物,确保符合环境要求
以上是环境工程重大危险源和控制措施的清单, 按照这些措施进行管理和监督,能够有效降低环境污染风险,保护环境的安全与健康。
建筑工地重大危险源清单及控制措施1. 前言本文档旨在列出建筑工地常见的重大危险源,并提供相应的控制措施,以确保工人和其他相关人员的安全。
2. 重大危险源清单及控制措施以下是建筑工地常见的重大危险源及其相应的控制措施:2.1 高处坠落- 建筑工地经常涉及高处作业,存在坠落风险。
- 确保所有工人配备适当的个人防护装备,如安全帽、安全带等。
- 在需要进行高处作业的区域设置防护栏杆或挡板。
- 提供合适的梯子或脚手架,并定期检查其安全状况。
2.2 电气危险- 建筑工地使用大量电力设备,存在电气危险。
- 所有电力设备应由专业人员进行安装和维护。
- 工人应接受必要的电气安全培训,并了解常见的电气风险和预防措施。
- 定期进行电气设备的检查和维修,确保其安全运行。
2.3 倒塌风险- 在建筑工地,尤其是在进行土方工程时,存在倒塌风险。
- 应按照规范要求进行土方工程,包括正确的挖土、支护等操作。
- 不得操作超过设计要求承载力的设备或工具。
- 工人应时刻注意土方工程的警示标志,严禁在倒塌风险区域内停留。
2.4 化学品危险- 建筑工地常使用各类化学品,存在化学品泄露及中毒风险。
- 所有工人应接受相关化学品安全知识的培训。
- 建立合适的化学品储存区域,并确保密封和标识。
- 使用化学品时应戴上合适的个人防护装备,如手套、护目镜等。
3. 结论建筑工地上存在各种重大危险源,但通过严格执行相应的控制措施,可以最大程度地降低事故发生的可能性。
所有相关人员都应受到适当的培训,并遵守安全规范,以确保工地的安全运行。
重大危险源管理措施一、背景介绍重大危险源是指在生产、经营、工程建设等活动中产生的可能引发严重事故的因素。
为了确保企业安全生产,保护员工和公众的生命和财产安全,重大危险源管理措施是必不可少的。
二、重大危险源辨识与评估1. 辨识重大危险源通过对企业生产流程的全面分析,辨识出可能存在的重大危险源。
例如,在化工企业中,化学物品泄漏、高温反应以及设备故障都是潜在的重大危险源。
2. 评估重大危险源的风险对辨识出来的重大危险源进行风险评估,根据可能导致的事故后果和概率进行等级划分。
这有助于确定哪些重大危险源需要特别关注和采取控制措施。
三、控制措施1. 技术控制措施通过改变工艺、设备或设施来降低或消除重大危险源。
例如,在化工企业中安装气体泄漏监测装置、提供个体防护设备等。
2. 管理控制措施通过制定制度、流程、管理手段等来管理重大危险源。
例如,建立安全生产责任制度、加强监督检查、进行安全培训等。
3. 应急预防措施制定详细的应急预案,包括事故应对流程、人员配备、应急设备等,以应对重大危险源事故的发生。
同时,进行定期演练,提高员工应急处置能力。
四、监督与改进1. 监督建立健全的监督机制,确保企业按照规定的重大危险源管理措施进行操作。
如定期抽查、检查和评估,及时发现并纠正违规行为和安全隐患。
2. 改进根据监督结果和事故隐患排查,在必要时对重大危险源管理措施进行改进。
可以通过技术升级、流程改进等方式,进一步提升生产安全水平。
五、案例分析:某化工企业重大危险源管理措施某化工企业通过对自身生产工艺进行辨识和评估,建立了科学合理的重大危险源管理措施。
在技术上,安装了气体泄漏监测装置,并定期维护检修,以确保设备运行正常。
同时,制定了岗位操作规程和急救措施,保证员工了解事故应对流程和急救知识。
在管理上,该企业建立了安全生产责任制度,明确各岗位职责和安全要求。
通过定期的安全教育和培训,提高员工的安全意识和技能水平。
此外,企业还加强了监督检查,设立了内部安全检查小组,及时发现存在的问题并进行整改。
某工程项目部重大危险源控制措施在工程项目的施工过程中,存在着各种各样的重大危险源,例如高处坠落、机械设备事故、电气火灾等。
为了保障施工人员的生命安全和项目的顺利进行,必须要采取有效的控制措施来降低这些危险源的风险。
下面将就工程项目部几个重大危险源及其相应的控制措施进行详细介绍。
1.高处坠落高处坠落是施工现场最常见的事故之一,一旦发生往往造成严重的伤亡。
为了控制高处坠落的风险,必须要采取以下措施:-设立临时的防护栏杆和安全网,确保施工人员的安全。
在进行高空作业时,必须要佩戴安全带,并且确保安全带连接的固定点牢固可靠。
-对于存在坠落风险的区域,必须要设置明显的警示标志,提醒工人注意危险。
并且要定期检查、维护安全设施的完好性,确保其有效性。
-加强对施工人员的安全教育和培训,增强他们的安全意识和自我保护能力。
同时,要严格执行相关的施工操作规程,禁止违反安全规定的行为。
2.机械设备事故在工程项目中,大量的机械设备被使用,如果使用不当或者维护不及时,很容易造成事故。
以下是几个针对机械设备事故的控制措施:-对机械设备进行定期的检查和维护,确保其正常工作和安全性能。
定期检查包括对设备的电气线路、润滑系统、机械零部件等的检查,发现问题及时修复。
-在使用机械设备时,必须要按照操作规程进行操作,并且要进行足够的安全防护措施,如戴上耳塞、安全帽、防护眼镜等。
-对使用机械设备的施工人员进行培训,确保他们了解机械设备的操作技巧和安全知识。
同时,要强调他们的责任意识,严禁私自操作设备或者使用不熟悉的设备。
3.电气火灾在施工过程中,电气设备的使用是必不可少的,但是一旦电气设备发生故障,就容易引发火灾。
以下是几个针对电气火灾的控制措施:-选用符合安全标准的电气设备,并进行正常使用和维护。
例如,选用有UL认证的插座、使用防水插头等。
-对电气设备进行定期的检查和维护,确保其电气线路和设备的安全性能。
-在进行电气设备安装和维护时,必须要按照相关规范和要求进行操作,禁止违规操作。