埋件施工方案工艺参考
- 格式:doc
- 大小:1000.30 KB
- 文档页数:12
第1篇一、项目概述本项目为XX建筑工地,位于XX市XX区XX路XX号。
工程总建筑面积为XX万平方米,建筑高度为XX米,共XX层。
本次施工方案针对建筑物的埋件部分,包括预埋件、锚固件等,旨在确保埋件安装质量,为后续施工提供坚实保障。
二、施工准备1. 施工组织(1)项目经理:负责整个项目的施工管理工作,确保施工进度、质量和安全。
(2)技术负责人:负责施工技术指导,解决施工过程中遇到的技术难题。
(3)施工员:负责现场施工管理,确保施工质量。
(4)安全员:负责施工现场安全监督,确保施工安全。
2. 材料准备(1)预埋件:根据设计要求,选用符合国家标准的预埋件。
(2)锚固件:选用符合国家标准的锚固件,包括锚杆、锚筋等。
(3)混凝土:选用符合国家标准的混凝土,确保混凝土强度。
(4)钢筋:选用符合国家标准的钢筋,确保钢筋质量。
3. 工具准备(1)钻机:用于预埋件、锚固件的钻孔。
(2)水平仪:用于检测预埋件、锚固件的垂直度。
(3)拉线:用于检测预埋件、锚固件的水平度。
(4)螺丝刀、扳手等工具:用于预埋件、锚固件的安装。
4. 施工方案编制(1)施工图纸审查:对施工图纸进行仔细审查,确保施工方案与图纸相符。
(2)施工方案编制:根据施工图纸,编制详细的埋件施工方案,包括施工顺序、施工方法、质量控制要点等。
三、施工工艺1. 预埋件施工(1)钻孔:根据设计要求,使用钻机在混凝土中钻孔,孔径、深度应符合设计要求。
(2)清理孔洞:将孔洞内的杂物清理干净,确保孔洞光滑。
(3)安装预埋件:将预埋件放入孔洞中,确保预埋件与孔洞垂直。
(4)固定预埋件:使用螺丝、锚杆等将预埋件固定牢固。
2. 锚固件施工(1)钻孔:根据设计要求,使用钻机在混凝土中钻孔,孔径、深度应符合设计要求。
(2)清理孔洞:将孔洞内的杂物清理干净,确保孔洞光滑。
(3)安装锚固件:将锚固件放入孔洞中,确保锚固件与孔洞垂直。
(4)固定锚固件:使用螺丝、锚杆等将锚固件固定牢固。
埋件施工方案i. 埋件工程的概况及概述本案塔楼玻璃幕墙部分采用热镀锌平板锚筋预埋件,巨型柱铝板幕墙部位采用热镀锌平板预埋件,采用焊接技术直接焊接在巨型柱上。
玻璃幕墙部分所用的预埋件,随现场钢结构及土建的实际施工进度进行埋设,巨柱铝板幕墙的埋件,在钢结构柱进场后,依照图纸在现场进行焊接。
ii. 预埋件的安装方案1. 预埋件安装的工艺预埋件安装的工艺流程:施工准备——测量放线——固定(固定在土建钢筋笼或模板上)——复测、调整——电焊——隐蔽验收——混凝土浇筑——拆除模板——埋件清理1)测量准备工作测量仪器进场报验,提供合格的测量仪器(按总包单位要求提供检测报告等材料);测量人员进场报验,测量人员持有测量上岗证;与总包单位交接轴线、基准点标高(含控制点三维坐标),办理移交手续;建立幕墙控制网架,并报总包(监理)验收,在审批后使用;预埋件安装期间拟投入全站仪一套、水准仪一套、铅垂仪一套、钢卷尺等,安排两名测量人员及辅助工人。
2)施工人员进场准备提前上报预埋件安装人员进场花名册,申请安全帽;总包审批后组织人员进场;组织进场人员进行三级安全教育;电焊工、电工特殊工种人员上报特殊工种上岗证,并进行特殊工种技术交底。
(提交符合总包管理要求的特殊工种上岗证))预埋件测量方案根据总包移交的轴线或控制点坐标确定各个单体的主要控制轴线及控制点坐标;将控制轴线引测到结构表面或者模板表面,用明显标志标记;控制轴线之间的埋件通过拉钢丝线进行分格;以确定埋件的左右及进出位置。
同时,预埋件垂直方向控制利用水平仪,架设于施工层上,测量每一个埋件的水平标高误差在规范允许范围之内。
5)预埋件的检验预埋件的审批:提前申报预埋件的规格、生产厂家,并得到业主的审批。
预埋件进场报验:厂家资质报审(符合招标文件要求);预埋件相关原材质量证明文件(符合招标文件要求);上述指标达到后报监理验收,验收通过后才可进场。
6)埋设前准备预埋件埋设之前,对施工人员进行设计交底,特别要说明转角位置埋件之间的相互关系,并填写技术交底表备案;预埋件安装前需确定好基准轴线,检查土建各轴线的偏差,特别是塔楼,因其高度达到597m,尤其要控制轴线的传递,避免上下埋件错位,从而影响单元板幕墙安装;土建支设底模时,就进行分格,将预埋件的分格线弹在底模外檐口处。
目录预埋件施工方案 0框架式玻璃幕墙施工方案 (3)点式玻璃幕墙施工方案 (9)石材幕墙施工方案 (16)铝板(金属)幕墙施工方案 (19)玻璃栏杆施工方案 (22)铝合金百叶安装方案 (24)预埋件施工方案一、技术准备预埋件设计应依据建筑图对幕墙立面造型的要求及相关幕墙规范进行设计,满足幕墙的施工要求。
二、材料准备及检测本工程预埋件依据每层所使用的数量,一次累计进三层或五层的预埋件(根据工程实际情况调整),所使用预埋件应具有材料质量证明文件,产品合格证等。
预埋件进场后,项目质检员应核实预埋所用材料规格、厚度、材质及焊接质量是否符合预埋件设计图纸及相关规范要求,如不符合,退回厂家重新加工;现场应根据规范及现场监理要求对进场预埋件进行现场见证送检.三、预埋件安装(一)预埋件施工工艺流程示意如下:((1.过程中,置偏移.2.当预埋件位于砼侧面时,可选用下列方法:预埋件面积不大时,可将预埋件的锚筋直接绑扎在梁筋上,在木工完成支模后,再把预埋板紧靠梁外侧模板,绑扎固定.预埋件位置应放在主筋内侧,且不应突出混凝土表面,预埋件位置偏差应符合规定(四)预埋件施工1。
按照图纸及规范文件的要求预制钢板预埋件,如图纸大样所示,将L形φ12螺纹钢焊接在钢板上,焊接部位长度60mm,锚固部分长度不小于15d=180mm。
如遇框梁宽度小于200mm,可将锚钩折弯。
2.在预埋件埋设之前,当土建支设底模时,就进行分格,将预埋件的分格线弹在底模外檐口处。
3。
预埋件在埋设过程中,要以多轴线进行埋设,相对来说轴线之间的精确度足以满足埋件的尺寸要求,若以单轴线定位,丈量过程中尺寸误差会积累,造成埋件的偏位.4。
预埋件分格二次复核,每层控制线进行吊线,并在模板上弹出墨线,继而对预埋件位置进行准确确定,这样,左右偏差控制在设计图纸允许的范围内;5。
当土建结构钢筋绑扎完毕后,开始标注预埋件的标高,预埋件的标高以底模为依据,按照图纸标高位置,用红油漆将预埋件的上标高画在钢筋上.按照定位标记,将预埋件埋在梁(或柱)侧的预埋件在梁(或柱)钢筋绑完后即进行埋设,用电焊点焊于梁非主受力钢筋(如箍筋、加筋等),梁(或挑板)底的埋件在梁(或挑板)底模支完后,用铁钉轻敲定位。
埋件施工方案范文一、项目概况埋件施工是指在建筑物或结构物的地下、墙体内部或其他需要固定的部位埋设需要装饰、管线或其他组件的过程。
本文将详细介绍埋件施工方案。
二、施工准备1.材料准备准备所需的埋件材料,根据具体的要求和设计图纸,选用合适的型号和规格。
常见的埋件材料有螺栓、膨胀螺栓、锚固螺栓等。
2.工具设备准备准备必要的工具设备,如钢钻、电锤、焊机、扳手等。
根据具体的施工要求,选用适合的工具设备,以确保施工过程的顺利进行。
3.施工人员准备确定施工人员的数量和资质要求,确保施工人员具备相关的技能和工作经验。
埋件施工涉及到安全风险,所以要求施工人员必须经过相关培训,熟悉施工工艺和安全操作规程。
三、施工步骤1.确定埋件位置根据设计图纸和建筑物或结构物的实际情况,确定埋件的位置和数量。
在确定位置时,考虑结构的承载能力、装饰效果和使用功能等因素,确保埋件的安全和稳定。
2.打孔根据埋件的尺寸和要求,在墙体或地板上进行打孔。
使用钢钻和电锤,根据设计图纸上的标志点进行准确定位,注意避开其他管线和电线等。
3.埋设埋件将埋件插入打孔孔口,并根据设计要求进行固定。
根据具体情况,可使用焊接、膨胀螺栓、锚固胶等方式进行固定,确保埋件的牢固和稳定。
4.检验每埋设一组埋件后,进行检验。
检查埋件的位置、数量和固定效果是否符合设计要求,如有问题及时调整和修正。
5.保护和修饰对已经固定的埋件进行保护和修饰。
根据具体的装饰要求,可以使用防腐涂料、涂饰、粘贴装饰材料等方式进行保护和修饰,使埋件更美观和耐久。
四、施工安全注意事项1.施工过程中,必须严格按照施工规程和安全操作规定进行操作,确保施工安全。
2.施工现场必须进行临时封闭和标识,防止无关人员进入施工区域,避免意外发生。
3.施工人员必须佩戴个人防护用品,如安全帽、防护镜、耳塞等,确保施工人员的人身安全。
4.对于需要使用电动工具的施工,施工人员必须具备相关的电工证,确保施工过程中的电气安全。
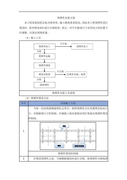
预埋件安装方案
本工程质量创优目标为鲁班奖,施工精度要求较高,因此本工程预埋件进行埋设时,需对埋设部位进行全面检查、校正,对不合格或尺寸误差较大的位置予以调整,以保证预埋质量。
(1)施工工艺
(2)预埋件埋设方法
预埋件加工预埋件加工
预埋件运输
预埋件埋设
埋设后检查清理埋件
后埋件安装、处理
不合格
合格合格
不合格
钢筋
箍筋
预埋件控制线
分格线模板
轴线
1号埋件 2号埋件 3号埋件…… N号埋件
预埋件编号
(3)埋设要求
具体施工方法
辅筋
埋件
土应立即往下打,使埋件与混凝土面一样平。
预埋件土建结构
不正确正确
埋件浇筑
(4)后补埋件施工
本工程后置埋件主要是通过化学锚栓来固定,安装方法如下:
具体施工方法
钻孔。
槽式埋件施工方案
一、前言
槽式埋件施工是一种常见的建筑施工方法,适用于各类建筑和结构的基础加固
和支撑。
本文将介绍槽式埋件施工的步骤、注意事项和施工流程。
二、施工准备
在进行槽式埋件施工之前,需要进行充分的施工准备工作,包括但不限于:
1.确定施工图纸和设计方案。
2.准备所需的施工设备和工具。
3.清理施工现场,确保施工区域干净整洁。
三、槽式埋件施工步骤
槽式埋件施工的步骤主要包括以下几个阶段:
1. 确定埋件位置
根据设计要求和土壤条件,确定槽式埋件的位置和深度。
2. 开挖槽槽
使用适当的设备和工具对槽槽进行开挖,保证槽槽的深度和宽度符合设计要求。
3. 安装埋件
将埋件依次安装到槽槽中,确保埋件的位置和朝向正确。
4. 浇筑混凝土
在埋件安装完毕后,进行混凝土浇筑,填满槽槽,保证埋件的牢固性。
5. 处理表面
等混凝土干燥后,对表面进行必要的处理,确保施工完成的质量和美观度。
四、施工注意事项
在进行槽式埋件施工时,需要注意以下事项:
1.槽槽的开挖要根据设计要求进行,不得过深或过浅。
2.埋件的安装要按照正确的方法进行,避免出现偏位或倾斜。
3.混凝土浇筑要均匀,避免出现空洞或裂缝。
五、施工结束
完成槽式埋件施工后,需进行施工质量检查和验收,确保施工质量符合要求。
结语
槽式埋件施工是一项重要的建筑施工工艺,正确的施工方案和注意事项对保证施工质量和工程安全至关重要。
希望本文对槽式埋件施工有所帮助。
埋件施工方案埋件施工方案一、施工方法:1.确定现场的埋件位置,进行测量和标记。
2.在埋件位置挖掘适当大小的坑,确保埋件能够完全放入。
3.按照设计要求,将埋件放入坑中。
4.使用水泥砂浆或其他固定材料将埋件牢固地固定在坑中,确保其稳定性。
5.对固定后的埋件进行重新测量,确保其高度和位置符合设计要求。
6.进行后续的埋地工作,如填埋土、整平表面等。
二、施工注意事项:1.在选择埋件位置时,要考虑到其使用功能和安全性,避免埋件位置与其他设施或管线冲突。
2.在挖掘坑时,要确保坑的大小能够容纳埋件,并且坑的四周要平整,不得有突出物。
3.在放置埋件时,要注意埋件的方向和位置,保持水平、垂直或者按照设计要求的角度。
4.在固定埋件时,要选择适当的固定材料和固定方式,确保埋件稳固不动。
5.在进行后续的埋地工作时,要注意填埋土的质量和厚度,确保埋件能够完全埋入土中。
三、施工工具和材料:1.挖掘工具:如挖掘机、铁铲等。
2.测量工具:如量角器、水平仪等。
3.固定材料:如水泥砂浆、钢筋等。
4.填埋土:选择质量好、无杂质的土壤。
5.其他辅助工具:如木楔、锤子等。
四、施工人员:1.具备一定施工经验的工人。
2.熟悉施工要求和安全规范的工程师。
3.有关监理人员,随时监督施工过程,并进行质量检查。
五、施工时间计划:1.根据具体工程情况,制定详细的施工计划。
2.保证施工时间的合理安排,确保施工进度和质量。
六、施工质量控制:1.严格按照设计要求进行施工,确保埋件位置和固定方式正确。
2.加强施工现场管理,保证施工环境整洁和安全。
3.定期检查施工质量,对不合格的工程进行整改或返工。
七、施工安全措施:1.施工现场要设立明显的安全警示标志,以提醒工人注意安全。
2.工人必须佩戴合适的防护用品,如安全帽、手套等。
3.严禁在施工区域内吸烟、使用火源以及进行危险操作。
4.施工现场要进行定期的安全检查,消除隐患。
通过以上方案,可以确保埋件施工的顺利进行,并达到设计要求和施工质量标准,保障使用功能和安全性。
后置埋件的施工方案和技术措施本工程主要施工部位位于本工程石材干挂、天棚吊顶等:一、说明根据我国现行行业标准《金属与石材幕墙工程技术规范》JGJ133—2001规定;幕墙构件与混凝土结构通过预埋件连接,预埋件必须在主体结构混凝土施工时埋入。
由于本工程的预埋件由中标公司来进行埋设,若我公司有幸中标,则中标后将对埋设部位进行全面检查、校正,对现场建筑尺寸进行复核以保证后置预埋位置准确.由于建筑结构必然存在一定的误差,所以我们的埋件在设计上就已经充分考虑了如何吸收土建误差的方法,保证预埋件的安装精度同时利用我公司的挂件系统可以吸收掉土建误差,对于土建误差较大的地方我公司将特别订制挂件,保证幕墙的安装质量和安装精度。
二、幕墙后置埋件的施工方法1范围本施工工艺适用于幕墙工程中的后置埋件施工. 2施工准备 1)材料要求后置埋件的品种、类型、规格、尺寸、性能、板材的壁厚、表面处理应符合设计要求,且应有出厂合格证。
化学锚栓品种、类型、规格、尺寸、性能应符合设计要求,产品且应有质保书、合格证以及检验报告。
2)主要器具电锤10台、水准仪一台、水平尺、卷尺、紧线器、吊锤、钢丝线。
施工人员30人(其中技术人员10人)。
3)作业条件:建筑结构施工完毕,已提供幕墙施工作业面;根据建筑提供的基本线位(50线、轴线)。
3操作工艺1)后置埋件施工工艺流程为:熟悉现场/(埋件图)--测量放线 -–打孔清理-添加药栓-—后置埋件安装-紧固-防锈处理2)熟悉图纸:安装作业人员在接到施工图后,先要对施工图进行全面的熟悉和了解,主要了解以下几个方面的内容:了解施工图的页数和图号图幅,对设计后置埋的内容进行全面了解;找出设计主导的分格尺寸,对照检查尺寸标注的准确性; 对图纸进行答疑;设计人员对现场施工技术人员进行后置埋件施工图的技术交底,对疑点难点问题进行详细解答;明确转角及异形处的处理方法;对照土建施工图校对后置埋件施工图的轴线标注尺寸的正确性. 3)测量放线:找出定位轴线:将图纸中标明的定位轴线与实际施工现场进行对照找出定位轴线的准确位置。
埋件施工方案埋件施工方案一、背景及目的:为了更好地保护电器设备的电缆、管道和其他配件,减少安装空间所带来的危险,提高电器设备的使用寿命和安全性,我们需要进行埋件施工。
二、施工内容:1.首先,确定埋件的位置和数量。
根据电器设备的布局和需要连接的电缆、管道的数量和尺寸,合理规划埋件的位置和数量。
2.清理施工区域。
将施工区域周围的杂物和垃圾清除,保持施工环境的整洁。
3.进行地面的开挖。
使用适当的工具和设备进行开挖,保证开挖深度和宽度满足埋件的要求。
4.设置埋件支架。
根据埋件的尺寸和材料,设计和制作合适的支架,并将其固定在开挖的位置上。
5.安装埋件。
将埋件放置在支架上,并用螺栓或其它合适的固定方式固定在支架上。
6.对埋件进行防腐处理。
因为埋件会出现在地下,容易受潮,所以需要对埋件进行防腐处理,使用具有防腐性能的材料进行覆盖和保护。
7.填充土壤。
将开挖的土土填充到埋件周围,使用合适的工具和设备进行压实,保证埋件固定稳定。
三、施工要求:1.施工过程中要注意安全。
在施工过程中,要注意安全问题,穿戴安全防护用具,防止发生意外。
2.施工现场要整洁。
施工人员应保持施工现场的整洁,避免施工垃圾和工具散乱。
3.埋件要固定牢固。
埋件安装后要进行检测和固定,保证其稳固可靠,不会出现松动或脱落的情况。
4.土壤填充要紧密压实。
土壤填充时要注意不要出现空洞,使用合适的工具和设备进行压实,保证土壤的紧密度。
5.埋件要进行防腐处理。
对于埋存在地下的设备,要使用防腐材料进行包裹和保护,防止受潮和腐蚀。
四、施工时间和费用:1.施工时间:根据具体工程规模和要求,制定合理的施工计划。
通常来说,施工时间会受到季节和气候的影响。
2.施工费用:根据埋件的数量、尺寸和材料的不同,制定合理的费用预算。
五、施工效果评估:1.目标达成程度:通过对施工完成后的埋件进行检验和测试,判断其是否达到预期的效果。
2.投资回报率:根据施工费用和设备的保护效果,评估埋件施工的投资回报率。
埋件制作安装施工方案一、施工准备1.确定工程范围和工程要求,绘制详细的设计图纸,确保施工过程中符合设计要求。
2.分析工程环境,评估施工难度和风险,并制定相应的安全措施。
3.准备必要的施工机具和材料,确保施工过程能够顺利进行。
二、材料准备1.钢筋:依据设计图纸计算所需的钢筋数量和规格,然后采购相应的钢筋,并对其进行验收和编号。
2.预埋件:根据设计要求和施工图纸,采购相应的预埋件,并进行验收和编号。
3.混凝土:计算所需的混凝土数量,采购相应的材料,并进行验收和编号。
4.其他辅助材料:如水泥、砂浆、膨胀剂等,根据设计要求采购相应的辅助材料,并进行验收和编号。
三、施工方案1.清理施工现场:清除施工区域内的杂物和垃圾,并确保施工区域内的道路畅通。
2.布置施工设备:根据实际情况,安排施工设备的布置位置,并确保设备能够正常运转。
3.钢筋制作:按照设计要求和图纸,进行钢筋的弯曲和焊接加工,确保钢筋的尺寸和形状符合要求。
4.安装预埋件:根据施工图纸的要求,将预埋件按照相应的位置和数量安装到混凝土模板中,并进行水平和垂直的校正。
5.混凝土浇筑:在预埋件安装完成后,根据设计要求,将混凝土倒入模板中,并使用振动器进行浇筑和均匀压实。
6.质量检查:对混凝土浇筑后的结构进行质量检查,包括验收预埋件的位置和数量是否符合要求,混凝土的密实度和均匀性是否满足要求等。
7.后续处理:对混凝土进行养护,包括及时浇水和防止日晒和风化。
四、安全措施1.工人安全:严禁在高空作业时不戴安全帽、防滑鞋等个人防护用品,必要时应统一设置安全网。
2.机械设备安全:设备使用前必须经过检测和试运行,同时保持设备的正常运转和维护。
3.施工环境安全:禁止在施工现场堆放杂物和易燃物品,保持施工区域内的通风和照明设施正常运转。
五、质量控制1.混凝土:混凝土的配比和浇筑要符合设计要求,确保强度和均一性。
2.钢筋:钢筋的规格和数量要符合设计要求,焊接强度和焊缝的质量要满足标准。
埋件施工方案工艺埋件施工是一种在地下进行的工程建设方式,用于保护和安装电缆、管道和其他重要的设备。
该方案工艺是埋件施工的详细计划,包括选址、设计、施工流程、设备选用、安全措施等。
以下是一份关于埋件施工方案工艺的详细说明,共计1200字以上。
一、选址埋件施工的选址是非常重要的,需要考虑以下因素:1.地形地貌:地形平坦、无崩塌、无滑坡的地方最为合适。
2.土壤条件:土壤质地要求适宜,无影响埋件施工的难以处理的问题。
3.地下管线:要确保选址处没有其他地下管线或设施,以免影响施工或安全问题。
二、设计埋件施工的设计需要根据实际需求进行,包括以下几个环节:1.埋深:根据埋件类型和要求设计合适的埋深,确保安全、稳定和方便维修。
2.布置方式:根据工程需求确定埋件的布置方式,如线性、网状或支架式等。
3.支撑结构:设计合适的支撑结构,如支架、支架悬挂或负一层支撑等,确保埋件的稳定性和安全性。
4.方案优化:根据实际情况和需求,对方案进行优化,提高施工效率和工程质量。
三、施工流程埋件施工的流程包括以下几个步骤:1.准备工作:确定施工范围、调查地质情况、采购材料和设备等。
2.挖掘基坑:按照设计要求挖掘基坑,确保基坑的尺寸和稳定性。
3.安装支撑结构:根据设计要求安装支撑结构,保证埋件的稳定性。
4.安装埋件:按照设计要求进行埋件的安装,确保位置准确、稳定可靠。
5.填充材料:对基坑进行填充,保护埋件和支撑结构,增加地下结构的稳定性。
6.检测和验收:进行埋件和施工质量的检测和验收,确保工程符合要求。
四、设备选用埋件施工需要使用一些专用的设备和工具,包括挖掘机、吊车、钢筋切割机、焊接设备等。
根据施工要求和工程规模,选择合适的设备和工具,提高施工效率和质量。
五、安全措施埋件施工是一项危险性较高的工程,需要采取一系列安全措施,包括:1.安全培训:对施工人员进行安全培训,提高其安全意识和技能。
2.防护措施:建立安全防护措施,包括围挡、警示标志、安全警示灯等,确保施工区域的安全。
幕墙埋件施工工艺及技术方案本工程预埋件采用板槽式埋件,依照下述预埋件放线工艺要求执行。
预埋件安装时,严格按照施工图安放预埋槽,其允许位置尺寸偏差为+20mm。
(一)预埋件的埋设施工准备工作(1)埋件施工图的设计是依据被认可的幕墙立面分格图及结构布置图进行的。
预埋件的(锚板和锚筋)的设计,应符合JGJ102中的5.7.15条的规定。
(2)预埋设计图在完成经业主确认后,转至业主及加工厂,以便工厂办理预埋铁件之采购作业,同时将预埋图三份送交工地单位。
(3)工地单位收到预埋图后,即开始办理预埋件之加工。
(4)加工工作完成后,工地人员即会同有关人员至工地现场了解状况,核对工地之建筑图,并向业主之工地技术主管人员要求出示各项放样之基准点及线。
(5)预埋件运抵现场后,应会同监理进行检验,确认后才能进行安装。
(二)预埋放样及施工方法(1)施工工艺概述预埋件的放线安装与主体结构的混凝土浇筑施工同步。
由于主体施工误差以及变更等原因,产生无埋件或偏位失效,此时应采用化学螺栓进行补强、后埋。
(2)预埋件的测量放线根据预埋件布置图,进行预埋件测量放线。
当楼层之底板铺设完成后,侧模尚未施工前,即开始进行预埋件的放样工作。
放样时若发现模板施工尺寸有误差时,及时提出并要求整改。
此项工作我司将派专人跟进主体施工进度,避免漏埋、误埋,并做好测量记录。
(3)预埋件的敷设预埋件是通过焊接钢板与主体砼结构或工字钢梁连接,预埋件的外侧面必须紧贴楼板面,埋件锚筋必须与主体钢结构焊(绑扎)牢固,并注意与主体的防雷网电气连通,埋件的允许误差严格控制,即标高≤±5mm,水平分格≤±10mm。
由于本工程主要采用的板槽式预埋件,在埋设时,应在埋件腔体内填充塑料泡沫,以免主体浇筑时,混凝土进入腔体。
拆模时应及时跟进,所有埋件外侧均裸露砼面。
各楼层埋件安装示意图以下:(1)8-16F剖面示意正向示意(1)17-32F(4)预埋件的放样施工1)依据工地提供的之水平基准,丈量出楼层高度,并将预埋件安装置之水平高度标示於侧模上。
埋件制作安装施工方案在建筑和装修领域,埋件的制作和安装是十分重要的工序,不仅关乎整体工程质量,还直接影响到后期的使用效果和安全性。
下面将针对埋件的制作安装过程进行详细介绍和方案建议。
1. 埋件的概念和作用埋件是一种在建筑物中固定和连接材料的构件,常用于吊挂装饰物、悬挂空调等重物,以及固定管道、电缆等。
埋件的质量直接关系到整体结构的安全和稳固,因此在施工过程中必须谨慎对待。
2. 埋件制作的材料和工具制作埋件需要准备的材料和工具包括:钢筋、螺栓、螺母、膨胀螺栓、膨胀管、胶水、电动钻、扳手、角磨机等。
这些材料和工具的质量和选择将直接影响到埋件的稳固性和牢固性。
3. 埋件制作流程3.1 钢筋切割和弯曲首先,根据设计图纸要求,将钢筋按照需要的长度进行切割,然后通过电钻和角磨机进行相应的弯曲和加工,确保钢筋能够符合设计要求并能够完全固定。
3.2 螺栓螺母的固定将螺栓和螺母通过扳手等工具固定在钢筋上,确保螺栓固定稳固,螺母能够紧密固定在钢筋上,并留有一定的伸出长度用于后期的固定和连接。
3.3 膨胀螺栓的安装在需要固定埋件的位置,使用电钻等工具将孔钻好,并将膨胀螺栓插入孔内,然后用扳手将螺母旋紧,使膨胀螺栓能够紧密固定在墙体或地面中。
4. 埋件安装施工方案4.1 确定埋件位置在进行埋件安装前,需要根据设计要求和实际需要,确定埋件的具体位置和数量,保证位置准确无误。
4.2 预先试装在正式安装埋件前,可以进行预先试装,检查埋件和固定件是否符合要求,确保无误后进行正式安装。
4.3 使用胶水固定对于特殊要求或在需要额外固定的情况下,可以使用胶水等胶合剂对埋件进行固定,注意固定位置和方法,以确保固定效果。
4.4 整体检查在所有埋件完成安装后,进行整体检查,确保每个埋件都符合要求并牢固可靠,保证整体工程质量。
结语埋件的制作和安装是整个建筑工程中至关重要的一环,只有在严格按照规范要求进行制作和安装,才能保证建筑物的使用效果和安全性。
埋件施工方案1. 引言埋件是一种常用的施工工艺,用于将各种管线、电缆、设备等埋设在地下,以便在地表上充分利用空间、美观、安全。
本文档旨在描述埋件施工方案,包括材料准备、工程准备、施工流程和质量控制等内容。
2. 材料准备在进行埋件施工前,需要准备以下材料:•埋设管道、电缆等的材料,如PVC管、钢管等。
•埋设管道的配件,如弯头、三通等。
•固定管道的支架,如管道夹、固定夹等。
•填充材料,如沙土、碎石等。
3. 工程准备在进行埋件施工前,需要进行以下工程准备工作:•完成地勘工作,了解地下情况,如土质、地下水位等。
•制定详细的工程施工图纸,包括埋设管道的位置、起止点、弯头位置等。
•清理施工区域,确保施工区域干净整洁,方便施工作业。
4. 施工流程4.1 实施挖掘工作1.根据工程设计图纸,确定挖掘起止点和埋设管道的位置。
2.使用挖掘工具(如挖掘机)进行挖掘,确保挖掘的尺寸符合设计要求。
3.将挖掘的土方垫放在施工区域周围做垫土,以便后续填充使用。
4.2 安装管道和配件1.将事先准备好的管道和配件按照设计要求进行连接,确保连接牢固。
2.在需要转弯的位置安装弯头等配件,确保管道连接处的密封性。
4.3 固定管道和配件1.根据设计要求,将管道和配件固定在支架上,确保固定牢固。
2.检查固定部位是否存在松动现象,如有松动及时进行修复。
4.4 填充和夯实1.在埋设完管道后,使用填充材料(如沙土、碎石)将管道周围填充至设计要求的高度。
2.使用夯实工具对填充材料进行夯实,确保填充材料紧实,不产生空隙。
4.5 完成施工1.清理施工现场,确保施工区域整洁。
2.进行质量检查,保证施工质量符合要求。
3.编制施工报告,记录施工过程和结果,作为后续工作的参考。
5. 质量控制•进行严格的材料验收,确保材料质量达到设计要求。
•施工过程监控,及时发现和解决问题,确保施工质量。
•定期进行现场检查和检测,确保施工质量符合要求。
6. 安全措施在进行埋件施工过程中,需遵守以下安全措施:•操作人员需经过专业培训,了解安全操作规程。
埋件制作安装施工方案青岛金沙滩建设集团有限公司青岛东方船研试验厂房工程埋件制作安装专项施工方案目录一.编制依据 (3)二.工程概况 (3)三.施工准备 (4)四.预埋件安装流程及焊接工艺 (4)五.预埋件制作 (5)六.预埋件安装 (6)七.质量保证措施 (9)八.安全施工保证措施 (11)九.现场文明施工 (12)一、编制依据1、设计图纸2、依据工地的实际情况3、公司质量管理规定二、工程概况本工程为青岛东方船研试验厂房工程,位于长江东路以南,新嘉陵江东路北,包括试验厂房1#厂房和水池厂房,总建筑面积为10953.69平方米。
试验厂房总建筑面积为7961m2,占地面积为5861.2m2。
由主厂房及三层辅房组成。
厂房部分结构形式为钢排架结构,辅房部分为钢筋混凝土框架结构。
厂房一层,辅房三层。
厂房建筑高度27.45m (檐口高度),辅房15.45m(檐口高度)。
抗震设防烈度为6度。
建筑设计使用年限为50年。
水池厂房总建筑面积为2992.79m2,占地面积为2629.75m2,其中地下建筑面积89.05m2。
厂房部分结构形式为钢筋混凝土排架结构,辅房部分为钢筋混凝土框架结构,水泵房为钢筋混凝土框架结构。
层数:厂房一层,辅房二层,消防泵房地上一层、地下一层,水处理水池及实验水池地下一层。
厂房建筑高度18.05m(女儿墙檐口高度),内部辅房7.2m(结构屋面板顶),单层泵房砼屋顶标高为3.6m,水处理系统水池池底标高-4.03m,实验水池池底标高-9.53m局部 -12.53m。
抗震设防烈度为6度。
建筑设计使用年限为50年。
为保证主体安全性,结构埋板以先期预埋为主。
具体位置如下:1#厂房埋件加工工程量表三、施工准备1、技术要求根据图纸设计,对埋件的制作、安装进行优化,做到位置正确,安装平整牢固,标高复合设计要求。
满足设备安装工艺要求。
2、人员准备本项目部需配备项目经理、项目技术负责人、施工员、安全员、质检员、资料员、取(送)样员、材料员。
后置埋件的施工方案和技术措施后置埋件是一种常见的土木工程施工技术,主要用于加固土地基和土体工程的稳定性。
下面是后置埋件的施工方案和技术措施。
1.施工方案:1.1前期准备:在正式进场之前,需进行现场勘测和设计,确定后置埋件的类型和数量,制定详细的施工方案。
施工前还需要清理现场,并搭建必要的安全保护措施和施工设施。
1.2后置埋件的选择:根据工程需要和地质条件,选择适用的后置埋件类型,如锚杆、锚网、土钉等。
1.3施工设备准备:确定所需的机械设备和工具,如钻机、压力泵、注浆泵、测量仪器等。
1.4桩基施工:根据设计要求,进行桩基的打桩和埋设工作,打桩时要保证桩身的垂直度和定位精度。
1.5锚杆/土钉的钻孔:根据设计要求,在桩基上钻孔,钻孔深度需达到设计要求,在钻孔过程中要注意地质条件的变化,及时调整钻孔方案。
1.6注浆:在钻孔完毕后,进行注浆工作,通过注浆将桩基与后置埋件连接起来,提高整体的稳定性。
注浆时要保证注浆材料的均匀分布,同时在注浆过程中要控制注浆压力和注浆速度。
1.7后置埋件的固结:待注浆完毕后,进行后置埋件的固结工作,根据不同的埋件类型,使用相应的固结技术,如张拉、灌浆等。
1.8现场监测:在施工过程中,实时监测施工质量和变形情况,如使用变形监测仪器进行实时测量和数据采集。
1.9施工总结:在施工结束后,进行施工总结和验收工作,对施工过程和质量进行评估和记录,为后续类似工程提供经验借鉴。
2.技术措施:2.1施工管理:制定详细的施工方案和施工组织设计,合理安排施工进度和施工人员,确保施工过程的顺利进行。
2.2安全保护:建立完善的安全保护措施,保证工人在施工过程中的人身安全,如设置防护栏、安全警示标识等。
2.3质量控制:加强质量监督和质量检查,对关键节点进行抽查和检测,确保施工质量符合设计要求。
2.4样品检测:抽取现场采集的后置埋件样品进行实验室试验,对样品进行力学性能、抗震性能等方面的检测。
2.5设备维护:定期对施工设备进行检修和维护,确保设备在施工过程中的正常运行。
埋件施工方案工艺参考在建筑工程领域,埋件是一种重要的施工工艺方法,用于在混凝土浇筑前将构件或其他部件暂时或永久性地连接到混凝土结构中。
埋件施工方案的设计和执行对于确保建筑结构的质量和安全具有重要意义。
本文将针对埋件施工方案工艺进行探讨和参考。
1. 总体设计在制定埋件施工方案时,首先需要进行总体设计。
总体设计应包括埋件的类型、规格、数量和布置等内容。
根据工程的具体情况和设计要求,确定埋件的种类,包括锚固件、预埋件、螺栓等,规范埋件的尺寸和材质,确定埋件的数量和布置方式,确保埋件的位置和间距符合设计要求。
2. 埋件材料和规格埋件材料的选择对于施工效果和工程质量至关重要。
常见的埋件材料包括钢筋、螺栓、预埋件等。
在选择埋件材料时,需要考虑材料的强度、耐腐蚀性能、施工便利性等因素。
同时,埋件的规格应符合设计要求,确保埋件在使用过程中具有足够的承载能力和稳定性。
3. 埋件施工工艺埋件施工工艺是保证埋件质量的关键。
在进行埋件施工前,需要做好相应的准备工作,包括清理施工现场、检查埋件材料、确定埋件位置等。
在进行埋件安装时,应按照设计要求进行固定和连接,确保埋件与混凝土结构之间的牢固连接。
在施工过程中,需要注意埋件的垂直度、水平度和间距等指标,及时进行调整和修正。
4. 施工质量控制为了确保埋件施工的质量,需要进行相应的质量控制措施。
在施工过程中,应定期对埋件进行检查和测试,检查埋件的尺寸、位置、固定状态等。
同时,应注意埋件与混凝土结构之间的连接情况,确保埋件的承载能力和稳定性。
在施工完成后,需要进行验收和资料整理,确保埋件施工符合设计要求和规范要求。
结语本文探讨了埋件施工方案工艺的设计和执行过程,包括总体设计、埋件材料和规格、施工工艺以及质量控制等方面。
通过对埋件施工的规范化和标准化,可以有效提高建筑结构的质量和安全性,保证施工工程的顺利进行和顺利完成。
希望本文的内容能为埋件施工方案的设计和执行提供一些参考和借鉴。
1.埋件施工工艺
1.1.埋件说明
按本工程幕墙工程实际情况,幕墙埋件有槽型埋件和平板预埋件两种。
塔楼单元幕墙采用槽型埋件,框架幕墙采用平板预埋
1.本工程使用的槽型埋件:
2.本工程使用的平板埋件:
幕墙埋件是幕墙的受力构件,它的安装工序是幕墙产品质量的关键工序。
埋件的埋设质量直接影响幕墙的安装质量和幕墙的安全使用。
为确保埋件埋设满足幕墙设计要求、特制定本施工工艺。
1.2.埋件施工工艺流程
预埋埋件:检查预埋件→预埋件
的定位→预埋件固定→检查→混凝
土浇灌→拆模板→清理预→埋件检
查。
1.3.埋件检查
开始预埋之前,应检查预埋件的品种、规格、数量是否与该工程设计要求相符并有合格证书。
并按工艺要求抽查预埋件的外形尺寸和焊缝质量。
焊接应牢固、焊缝应饱满、无裂纹、夹渣、气泡等缺陷。
槽形预埋件应检查槽内泡沫条填充是否完好。
并按楼层需要的预埋件品种、规格、数量进行配置。
1.4.埋件定位与固定(关键工序、质量控制点)
1.根据幕墙的分格尺寸,按工程预埋件安装点位图的位置、品种、数量要求进行埋设。
2.埋件距墙体构件的边距应按设计要求确定。
3.埋件的定位偏差应符合下列要求:标高偏差不大于10.0mm,轴线与幕墙轴线的偏差前后不大于10.0mm,左右偏差不大于20.0mm。
4.在楼层边板埋设时,由于楼板钢筋较少,应按照该工程的埋件埋设工艺要求,进行加强。
5.检查埋件定位完毕后,检验员应进行检查并记录,将记录反馈到技术处。
6.预埋件定位后,用钢丝把预埋件上锚筋与主体结构的钢筋捆绑牢固(或焊接牢固)。
定位后埋件表面与模板表面应紧密贴合。
7.焊接
每个预埋件的锚筋中应有1~2根与主体结构的钢筋焊接。
如有错位,允许加钢筋进行搭接,搭接长度不小于50mm。
本工程埋件埋设方式多样,无论是槽型埋件还是平板埋件,都有有顶埋式,侧埋式以及底埋式三种埋设方式。
首先根据幕墙的分格尺寸确定埋件平面布置图,埋件平面布置图将预埋件安装点位图的位置、品种、数量要求进行了明确。
安装以下定位和固定工艺进行埋设:
1.1.1.槽型埋件安装定位工艺措施
1.1.1.1.顶埋
对于顶埋,先将槽型埋件用木螺钉固定在L型模具上,定位准确后用木螺钉将L型模具固定在混凝土模板上。
1.1.1.
2.侧埋
对于侧埋,可利用钉孔将槽型埋件固定在模板上。
槽型埋件标高定位制作定尺模具定位
1.1.1.3.底埋
对于底埋,采用定制木模定位并将槽型埋件用木螺钉固定在混凝土底部模板上。
1.1.
2.槽型埋件安装定位要求
1.1.1.1.顶埋
顶埋精度要求:左右20mm
顶埋精度要求:前后10mm,标高-10mm,不允许高出结构表面
1.1.1.
2.侧埋
侧埋精度要求:左右20mm
侧埋精度要求:标高正负10mm,内退-10mm,不允许凸出结构表面
1.1.1.3.底埋
底埋精度要求:左右20mm
底埋精度要求:前后10mm
1.1.3.平板埋件安装定位工艺措施
1.1.1.1.顶埋
对于顶埋,先将平板埋件用木螺钉固定在L型模具上,定位准确后用木螺钉将L 型模具固定在混凝土模板上。
埋件过重可采用锚筋点焊的方式辅助固定。
1.1.1.
2.侧埋
对于侧埋,可利用钉孔将埋件固定在混凝土模板上或利用钢筋将锚筋与箍筋点焊牢固。
1.1.1.3.底埋
对于底埋,采用定制木模定位并将槽型埋件用木螺钉固定在混凝土底部模板上。
1.1.4.平板埋件安装定位要求
1.1.1.1.顶埋
顶埋精度要求:左右20mm
顶埋精度要求:前后10mm,标高-10mm,不允许高出结构表面
1.1.1.
2.侧埋
侧埋精度要求:左右20mm
侧埋精度要求:标高正负10mm,内退-10mm,不允许凸出结构表面
1.1.1.3.底埋
底埋精度要求:左右20mm
底埋精度要求:前后10mm
1.1.5.埋件与避雷均压环搭接要求
在建筑高度30M以上的预埋件,每三层中应有一层的预埋件锚筋和均压环梁的纵向钢筋焊接接通(幕墙防雷需要)。
预埋件焊接接通的楼层,检验员应做好记录反馈到技术出处并在幕墙转接件安装时通知安装人员。
1.1.1.1.哈芬槽型埋件与避雷均压环搭接要求
1.1.1.
2.平板埋件与避雷均压环搭接要求
1.5.混凝土浇灌
混凝土浇灌、捣固时,注意防止预埋件的位移和与模板分离。
1.6.拆模板
1.7.埋件清理
清理粘附在埋件外表面上混凝土,露出其表面。
1.8.埋件检查
1.在弹线放样过程中,预埋件位置的检查与结构检查的工作相继展开,依据某一轴线为检查起始点,进行预埋件位置与结构的检查,并记录检测结果。
2.对照预埋件的编号图,依次逐个进行检查,用激光经纬仪、水平仪、铅垂仪等仪器检查各楼层埋件相互的位置偏差。
标高偏差大于10.0mm,轴线与幕墙轴线的偏差前后不大于10.0mm,左右偏差不大于20.0mm。
将每一编号处的结构偏差,与埋件的偏差值记录下来,将记录结果提交给设计进行分析,对偏位埋件进行补救措施,同时记录结构偏差大于设计标准的,请总承包单位配合进行处理。
3.对检查出不合格的埋件应做好记录,及时查明原因并提交业主(甲方)等相关方面确认。
若预埋件结构偏差较大,已超出施工图范围或垂直度达不到国家和地方标准的,则应将报告以及检查数据,呈报给业主、监理、总包与设计人员,并提出建议性方案供有关部门参考,待业主、监理、设计同意后再进行施工。
4.若偏差在范围内,则依据施工图进行施工。