导线颜色的选择
- 格式:doc
- 大小:21.50 KB
- 文档页数:1
1、电线各种颜色代表什么意思1.1、黑色——装置和设备的内部布线。
1.2、棕色——直流电路的正极。
1.3、红色——三相电路的C相;半导体三极管的集电极;半导体二极管、整流二极管或可控硅管的阴极。
1.4、黄色——三相电路的A相;半导体三极管的基极;可控硅管和双向可控硅管的控制极。
1.5、绿色——三相电路的B相。
1.6、蓝色——直流电路的负极;半导体三极管的发射极;半导体二极管、整流二极管或可控硅管的阳极。
1.7、淡蓝色——三相电路的零线或中性线;直流电路的接地中线。
1.8、白色---双向可控硅管的主电极;无指定用色的半导体电路。
黄和绿双色(每种色宽约15~100毫米交替贴接)——安全用的接地线。
1.9、红、黑色并行——用双芯导线或双根绞线连接的交流电路。
2、依电路选择导线颜色时2.1、交流三相电路:A相:黄色;B相:绿色;C相:红色;零线或中性线:淡蓝色;安全用的接地线:黄和绿双色。
2.2、用双芯导线或双根绞线连接的交流电路:红黑色并行。
2.3、直流电路:正极:棕色;负极:蓝色;接地中线:淡蓝色。
2.4、半导体电路:半导体三极管的集电极:红色;基极:黄色;发射极:蓝色。
半导体二极管和整流二极管的阳极:蓝色;阴极:红色。
2.5、可控硅管的阳极:蓝色;控制极:黄色;阴极:红色。
2.6、双向可控硅管的控制极:黄色;主电极:白色。
整个装置及设备的内部布线一般推荐:黑色;半导体电路:白色;有混淆时:容许选指定用色外的其它颜色(如:橙、紫、灰、绿蓝、玫瑰红等)。
2.7具体标色时,在一根导线上,如遇有两种或两种以上的可标色,视该电路的特定情况,依电路中需要表示的某种含义进行定色。
附表:各国三相导线颜色要求标准。
三相颜色标准
三相颜色标准是指在电气工程中用于区分三相电路的颜色标准。
在三相电路中,通常使用三根导线来传输电力,这三根导线通常被涂上不同颜色的绝缘材料,以便工程师和电工能够快速区分它们,确保正确连接。
根据国际电工委员会(IEC)和国际电工协会(IEEE)的标准,三相电路的导
线颜色通常分为以下几种标准:
1. A相:红色。
在三相电路中,A相通常用红色来表示。
2. B相:黄色。
B相通常用黄色来表示。
3. C相:蓝色。
C相通常用蓝色来表示。
这三种颜色的标准是国际通用的,在不同的国家和地区都会遵循这种颜色标准。
这种颜色标准的使用可以有效地帮助电工在安装和维护电气设备时快速区分三相电路的导线,避免错误连接导致设备损坏或安全事故的发生。
除了这种基本的三相颜色标准外,有些国家和地区还会有自己的特殊标准。
例如,一些地区可能会在三相电路的导线上额外添加黑色导线,用于表示中性线,以便更好地区分。
因此,在进行电气工程设计和安装时,电工需要根据当地的具体标准来选择正确的颜色标准,确保电路连接正确并符合安全标准。
总的来说,三相颜色标准在电气工程领域起着至关重要的作用,它不仅能够帮
助电工快速区分三相电路的导线,还能提高电路连接的准确性和安全性。
因此,在进行电气工程设计和安装时,电工们务必严格遵循相应的三相颜色标准,确保电路连接正确、稳定和安全。
导线绝缘颜色的含义
1、按导线绝缘颜色标识电路
黑色表示装置和设备的内部布线;
棕色表示直流电路的正极;
红色表示三相电路的W相,半导体三极管的集电极,二极管、整流二极管或晶闸管的阴极;
黄色表示三相电路中的U相,晶闸管和双向晶闸管的控制极;
绿色表示三相电路的V相;
蓝色表示直流电路的负极,半导体三极管的发射极,半导体二极管、整流二极管或晶闸管的阳极;三相电路的零线或中性线;直流电路中的接地线;
白色表示双向晶闸管的主电极,或无指定用色的半导体电路;
黄绿双色(每种色宽约15~100毫米交替贴接)表示安全用的接地线;
红、黑并行表示双心导线或双根绞线连接的电路。
2、接电路选择导线颜色
交流三相电路的U相用黄色表示,V相用绿色表示,W相用红色表示,零线或中性线用淡蓝色表示,安全用电的
接地线用黄绿双色表示;
直流电路的正极接地线用淡蓝色表示;
整个装置及设备的内部布线一般用黑色,半导体电路则用白色表示。
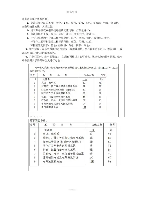
依电路选择导线颜色时:
1:交流三相电路的A相:黄色;B相:绿色;C相:红色;零线或中性线:淡蓝色;安全用的接地线:黄绿双色;
2:用双芯导线或双根绞线连接的交流电路:红黑色并行;
3:直流电路的正极:棕色;负极:蓝色;接地中线:淡蓝色;
4:半导体电路的半导体三极管集电极:红色;基极:黄色;发射机:蓝色;
半导体二极管和整流二极管的阳极:蓝色;阴极:红色;
可控硅管的阳极:蓝色;控制级:黄色,阴极:红色;
5:整个装置及设备的内部线内部布线一般推荐黑色;半导体电路为白色;有混淆时:容许选用指定用色外的其他颜色;
6:具体标色时,在一根导线上,如遇有两种以上的可标色,视该电路的具体情况,依电路中需要表示的某种含义进行定色。
国标QC/T414-1999。
多芯控制电缆颜色标准多芯控制电缆是一种用于传输信号和控制系统的电缆,它通常由多根绝缘导线组成,每根导线都有不同的颜色标准。
正确的颜色标准对于安装、维护和故障排除至关重要。
本文将介绍多芯控制电缆的颜色标准,以便用户正确选择、安装和维护电缆。
1. 电缆颜色标准。
多芯控制电缆的每根导线都有不同的颜色,这些颜色通常是根据国际电工委员会(IEC)的标准制定的。
在多芯电缆中,每根导线的颜色应该是唯一的,这样可以确保在安装和维护过程中不会出现混淆。
常见的颜色包括红色、黄色、蓝色、绿色、黑色、白色、橙色等,每种颜色都代表着不同的功能或信号。
2. 颜色编码规范。
根据IEC标准,多芯控制电缆的颜色编码应该遵循一定的规范。
例如,红色通常用于电源线,黄色用于保护接地线,蓝色用于中性线,绿色和黄色相间用于接地线等。
这些颜色编码规范的制定是为了确保在不同的系统中,用户可以准确地识别每根导线的功能,从而降低安装和维护过程中的错误风险。
3. 安装和维护注意事项。
在安装多芯控制电缆时,用户应该严格按照颜色标准进行接线,确保每根导线都连接到正确的位置。
在维护过程中,也需要根据颜色标准进行识别和排查故障。
如果出现故障或需要更换电缆时,正确的颜色标准可以大大简化维护人员的工作,提高维护效率。
4. 总结。
多芯控制电缆的颜色标准对于系统的安装、维护和故障排除至关重要。
正确的颜色标准可以降低安装和维护过程中的错误风险,提高工作效率,保障系统的稳定运行。
因此,用户在选择、安装和维护多芯控制电缆时,务必严格遵循颜色标准,确保每根导线都能正确识别和使用。
以上就是关于多芯控制电缆颜色标准的介绍,希望能对用户在实际应用中有所帮助。
如果您对多芯控制电缆的颜色标准还有其他疑问或需要进一步了解,可以咨询相关专业人士或参考IEC标准文档。
一、依导线颜色标志电路时
1、黑色装置和设备的内部布线。
2、棕色直流电路的正极。
3、红色三相电路和C相;半导体三极管的集电极;半导体二极管、整流二极管或可控硅管的阴极。
4、黄色三相电路的A相;半导体三极管的基极;可控硅管和双向可控硅管的控制极。
5、绿色三相电路的B相。
6、蓝色直流电路的负极;半导体三极管的发射极;半导体二极管、整流二极管或可控硅管的阳极。
7、淡蓝色三相电路的零线或中性线;直流电路的接地中线。
8、白色双向可控硅管的主电极;无指定用色的半导体电路。
9、黄和绿双色(每种色宽约15~100毫米交替贴接)安全用的接地线。
10、红、黑色并行用双芯导线或双根绞线连接的交流电路。
二、依电路选择导线颜色时
1、交流三相电路的A相:黄色;B相:绿色;C相:红色;零线或中性线:淡蓝色;安全用的接地线:黄和绿双色。
2、用双芯导线或双根绞线连接的交流电路:红黑色并行。
3、直流电路:正极:棕色;负极:蓝色;接地中线:淡蓝色。
4、半导体电路:半导体三极管的集电极:红色;基极:黄色;发射极:蓝色。
半导体二极管和整流二极管的阳极:蓝色;阴极:红
色。
可控硅管的阳极:蓝色;控制极:黄色;阴极:红色。
双向可控硅管的控制极:黄色;主电极:白色。
5、整个装置及设备的内部布线一般推荐:黑色;半导体电路:白色;有混淆时:容许选指定用色外的其它颜色(如:橙、紫、灰、绿蓝、玫瑰红等)。
6、具体标色时在一根导线上,如遇有两种或两种以上的可标色,视该电路的特定情况,依电路中需要表示的某种含义进行定色。
电工成套装置中的导线颜色GB 2681—811 范围本标准系为在电工成套装置中以导线颜色来标志电路,或依电路去选择导线颜色的统一规定。
2 目的本标准的目的是统一各种颜色的标定含义。
并依裸导线(包括母线)或绝缘导线的颜色识别电路。
3 依导线颜色标志电路时3.1 黑色:装置和设备的内部布线。
3.2 棕色:直流电路的正极。
3.3 红色:三相电路的C相;半导体三极管的集电极;半导体二极管、整流二极管或可控硅管的阴极。
3.4 黄色:三相电路的A相;半导体三极管的基极;可控硅管和双向可控硅管的控制极。
3.5 绿色:三相电路的B相。
3.6 蓝色:直流电路的负极;半导体三极管的发射极;半导体二极管、整流二极管或可控硅管的阳极。
3.7 淡蓝色:三相电路的零线或中性线;直流电路的接地中线。
3.8 白色:双向可控硅管的主电极;无指定用色的半导体电路。
3.9 黄和绿双色(每种色宽约15~100毫米交替贴接):安全用的接地线。
3.10 红、黑色并行:用双芯导线或双根绞线连接的交流电路。
4 依电路选择导线颜色时4.1 交流三相电路的A 相:黄色;B 相:绿色;C 相:红色;零线或中性线:淡蓝色;安全用的接地线:黄和绿双色。
4.2 用双芯导线或双根绞线连接的交流电路:红黑色并行。
4.3 直流电路的正极:棕色;负极:蓝色;接地中线:淡蓝色。
4.4 半导体电路的半导体三极管的集电极:红色;基极:黄色;发射极:蓝色。
半导体二极管和整流二极管的阳极:蓝色;阴极:红色。
可控硅管的阳极:蓝色;控制极:黄色;阴极:红色。
双向可控硅管的控制极:黄色;主电极:白色。
4.5 整个装置及设备的内部布线一般推荐:黑色;半导体电路:白色;有混淆时:容许选指定用色外的其它颜色(如:橙、紫、灰、绿蓝、玫瑰红等)。
4.6 具体标色时,在一根导线上,如遇有两种或两种以上的可标色,视该电路的特定情况,依电路中需要表示的某种含义进行定色。
注: 对于某种产品(如船舶电器)的母线,如国际上已有指定的国际标准,且与第4.1和4.3条的规定有差异时,亦允许按该国际标准所规定的色标进行标色。
在平时工作和生活中,小编偶尔会接触电线,大家也都注意过电缆里面电线都有不同的颜色,我们在接线时,往往都忽略了这点,也不对其深究。
但作为专业的电工从业人员来说,这是不应该的。
下面小编就给大家介绍一下不同颜色电线代表了什么含义。
1、依导线颜色标志电路黑色——装置和设备的内部布线。
棕色——直流电路的正极。
红色——三相电路的C相;半导体三极管的集电极;半导体二极管、整流二极管或可控硅管的阴极。
黄色——三相电路的A相;半导体三极管的基极;可控硅管和双向可控硅管的控制极。
绿色——三相电路的B相。
蓝色——直流电路的负极;半导体三极管的发射极;半导体二极管、整流二极管或可控硅管的阳极。
淡蓝色——三相电路的零线或中性线;直流电路的接地中线。
白色——双向可控硅管的主电极;无指定用色的半导体电路。
黄和绿双色(每种色宽约15~100毫米交替贴接)——安全用的接地线。
红、黑色并行——用双芯导线或双根绞线连接的交流电路。
2、依电路选择导线颜色时交流三相电路——A相:黄色;B相:绿色;C相:红色;零线或中性线:淡蓝色;安全用的接地线:黄和绿双色。
用双芯导线或双根绞线连接的交流电路——红黑色并行。
直流电路——正极:棕色;负极:蓝色;接地中线:淡蓝色。
半导体电路——半导体三极管的集电极:红色;基极:黄色;发射极:蓝色。
半导体二极管和整流二极管的阳极:蓝色;阴极:红色。
可控硅管的阳极:蓝色;控制极:黄色;阴极:红色。
双向可控硅管的控制极:黄色;主电极:白色。
整个装置及设备的内部布线一般推荐:黑色;半导体电路:白色;有混淆时:容许选指定用色外的其它颜色(如:橙、紫、灰、绿蓝、玫瑰红等)。
具体标色时——在一根导线上,如遇有两种或两种以上的可标色,视该电路的特定情况,依电路中需要表示的某种含义进行定色。
附表:各国三相导线颜色要求标准此外,小编再说一句:各国有地区差异,要具体情况具体分析,不能教条,维修进口设备尤其注意,万用表测量实际为准。
电线、电缆作为电力传输的主要载体,广泛应用于电器装备、照明线路、家用电器等方面,而经常接触电缆电线的不只是电工行业的工作人员,我们每个人家里都少不了电线电缆,大家都知道电缆里面的几根线上都有不同的颜色,但是有多人少清楚这些五颜六色的导线外皮(表皮)分别表示什么意思?下面给大家介绍一下电线电缆表皮每一个颜色的含义!1导线外皮颜色的规定国标:黄、绿、红.蓝分别代表A.B.C.N欧洲标准:红色(L1)、黄色/白色(L2)、蓝色(L3)、黑色(中线)、绿/黄(地线)今后标准颜色:棕色(L1)、黑色(L2)、灰色(L3)、蓝色(中线)、绿/黄(地线)交流三相电路的A相:黄色;B相:绿色;C相:红色;零线或中性线:淡蓝色;接地线:黄和绿双色。
用双芯导线或双根绞线连接的交流电路:红黑色并行。
直流电路的正极:棕色;负极:蓝色;标准:GB7947-2006(IDT IEC60446-1999):2下列颜色容许用于导体的标识:黑、棕、红、橙、黄、绿、蓝、紫、灰、白、粉红、青绿。
1、优先使用黑色或棕色表示系统中的交流相导体。
2、仅在与保护导体着色不太可能发生混淆的地方,允许使用单一的绿色和黄色。
3、在电路中包含一个中性或中间导体的地方应使用蓝色作为颜色标识。
为避免混淆推荐使用淡蓝色。
香港:(新标准于97年7月执行)旧:三相:红、黄(或白)、蓝;中性线:黑;保护地:黄绿色新:三相:棕、黑、灰;中性线:蓝;保护地:黄绿色交流三相电路的A相:黄色;B相:绿色;C相:红色;零线或中性线,淡蓝色;接地线:黄和绿双色。
用双芯导线或双根绞线连接的交流电路:红黑色并行。
直流电路的正极:棕色;负极:蓝色;3依导线颜色标志电路时黑色:装置和设备的内部布线。
棕色:直流电路的正极。
红色:三相电路和C相;半导体三极管的集电极;半导体二极管、整流二极管或可控硅管的阴极。
黄色:三相电路的A相;半导体三极管的基极;可控硅管和双向可控硅管的控制极。
绿色:三相电路的B相。
电气穿电线技术措施.一. 要求穿线工作是关系使用功能及使用维修的关键工序,必须严格按设计要求及施工验收规范施工。
二.导线选择1)应根据图纸设计选择导线,严禁擅自改变导线规格、型号。
2)导线颜色选择:三相五线(火线)-A-相为黄色,B-相为绿色,C-相为红色,N(中性线)为蓝色,PE(保护线)为黄/绿双色线。
3)单相三线(A、B、C相火线)为红色,N(中性线)为蓝色,PE(保护线)为黄/绿双色线。
开关控制线为黄色。
三.穿线1)穿线前,清扫管路,穿好引线,带好护口。
2)导线在管内不得扭结、接头、断线、背扣,严禁出现死弯。
3)穿管导线外径总截面积不应超过管内面积的40%。
4)同一交流回路的导线必须穿在同一管内,不同回路不同电压和交流与直流的导线,不得穿入同一管内。
5)在任何情况下,导线均不得明露,箱盒须用盖板封闭,盖板螺丝齐全紧固。
6)导线在接线盒、开关盒、插座盒及灯头盒内预留150mm,在配电箱内预留箱体半周长。
四.导线连接导线连接方式-小于6mm2采用压线帽压接,多股线采用压接端子。
1)压线帽压接法:主要用于导线之间连接。
a 根据导线线径压接根数选择适当的压线帽规格。
b 导线剥削后,将线芯插入压线帽内,若填不实,可将线芯折回头,填满为止,线芯必须插到底,导线绝缘层与压线帽平齐。
c 用专用压线钳压接,要依据压接根数和压线帽规格选择适当的咬齿模数,防止不到位虚接或受力过大线芯受损、变形。
2)导线与开关、插座、灯具接线连接、导线与端子板连接。
单股导线可直接煨圈压接在螺丝上,根据螺丝大小做满圈,不应反圈压接,盘圈开口不得大于2mm。
一个接线柱宜压接一根导线,不得压接2根以上的导线,多根单芯导线压接在同一根接线柱上时,采用压接线鼻子法压接。
弹簧垫、平垫齐全,连接牢固。
3)导线与针孔式接线柱连接,主要用于导线与小型空开、插座,灯头等连接。
五.线路检查及绝缘摇测照明线路的绝缘摇测一般选用500V,量程为0-500MΩ表,线路的绝缘电阻值不小于0.5MΩ。
3.4 一次绝缘软母线3.4.1 一次绝缘软母线的选择应满足回路额定电流的要求,其绝缘等级应大于各配电装置的绝缘等级,一般采用黑色铜芯导线。
3.4.2 软母线在配线时应拉紧挺直行线应平直齐牢,整齐美观,尽量减少重叠交叉。
3.4.3软母线可以在硬母线平弯机上进行弯曲,其弯曲半径不得软母线绝缘直径的三倍,但导线线芯和绝缘都不能损坏.3.4.4根据铜芯绝缘导线的线芯截面来选择相应的接线鼻,独股线直接连接,不用接线鼻,4㎜2以下的BVR线也可以采用线头搪锡的方法而不采用接线鼻。
3.4.5根据接线鼻的尺寸,用电工刀削去导线两头的绝缘层,误差不超过+(1.5~2)㎜。
导线削除绝缘层后,在导线芯表面不得有明显的划痕,以免弯曲时导线断裂,削去绝缘层后,应将线芯表面的污物和氧化层除去,以保证接触良好。
3.4.6将导线线芯插入接线鼻的圆管中,用压模或冷压钳压接,压接牢固,但线芯与接线鼻接触处,不得有明显的变形,然后进行搪锡。
整个导线电阻不大于同样规格长度导线电阻值的110~120%。
3.4.7多根绝缘导线并列在接线鼻铜管中压接时,伸入铜管的裸露部分应尽可能短,绝缘处不整齐度小于1㎜。
导线芯伸出铜管部分长度在1~2㎜之间,且不应有明显的不整齐现象。
3.4.8软母线在电器元件的接线端连接时,不应使接点受到任何附加应力。
3.4.9一次软母线一般采用绑扎线进行帮扎固定,特殊情况也可采用缠绕管绕扎,控制屏(柜)则一律采用行线槽固定线束。
3.4.10绑扎线的每扎距离保持在150㎜左右,拐弯处可适当加密,但不能再弯曲部分绑扎。
绑扎线的圈数,以扎线与导线成正方形为基准,且最少不低于三股,绑扎线扎成后,接头应留在不可见部位。
3.4.11注意事项:a.导线在穿越金属板孔时,必须在金属板孔上套上大小适宜的保护套,如橡皮圈、保证导线外层不磨损。
b.线束应尽量远离发热元件(如电阻母排等),并应避免敷设于发热元件的上方。
3.5 一次母排3.5.1按认证产品规定要求的电器元件的电流等级选用母排,回路中有多个一次元件时按电流值大的选用一次母排。
各种颜色导线的含义
导线的颜色一般有黑色、白色、绿色、红色、蓝色、橙色、棕色、灰色。
各种颜色通常都有自己特定的意义。
1、红色
火线
三相电路的C相
半导体三极管的集电极
半导体二极管或整流二极管和可控硅管的阴极
2、蓝色
零线
直流电路的负极
半导体三极管的发射极
半导体二极管或整流二极管和可控硅管的阳极
3、绿色
三相电路的B相
4、黑色
一般是设备箱以及柜内的布线
5、棕色
直流电路的正极
6黄色
三相电路的A相
半导体三极管的基极
可控硅管和双向可控管的控制极7、白色
双向可控硅管的主电极
无指定用色的半导体电路
8黄绿双色
安全用的接地线
9、红黑并行
10、双芯导线连接的交流电路11橙色
一般为电源线。
埃及三相电导线颜色标准埃及的三相电导线颜色标准通常使用了一套特定的色彩组合来区分不同的导线。
这种标志系统是为了提供一种直观和易于辨认的方式来识别不同的电源回路和电气设备。
在埃及的电气安装中,通常会使用红、黄、蓝三种颜色的导线来表示三相电源回路。
这个颜色组合是埃及国家标准机构制定的,并且在埃及的电气行业中被广泛采纳和应用。
首先,红色导线通常表示A相,黄色导线表示B相,蓝色导线表示C相。
这种颜色组合是由于这三种颜色在国际上被广泛接受并与特定的电气功能关联。
红色导线通常用于表示A相,因为红色在许多文化中都与正极或者高电压有关联。
这使得红色成为了一种直观和易于辨认的选择来表示A相。
黄色导线通常用于表示B相,黄色在电气行业中通常用于表示中性线或者中间电压,因此它成为表示B相的常用选择。
蓝色导线通常用于表示C相,蓝色被广泛接受为表示阴极或低电压的颜色。
因此,将蓝色用于表示C相也是一种直观和易于辨认的选择。
除了这些主要的三相导线颜色外,埃及的电气安装还可能使用其他颜色来表示其他功能或信号线。
例如,绿/黄相组合通常用于表示地线,即PE线;白色可能用于表示中性线;而橙色则可能用于表示特殊信号线。
需要注意的是,虽然埃及使用了这套特定的颜色组合来标识三相导线,但并不是所有的电气设备和安装都一定遵循这一标准。
在实际应用中,还可能出现其他颜色标志系统的情况,例如基于国际电工委员会(IEC)标准的导线颜色组合。
总之,埃及的三相电导线颜色标准通常采用红、黄、蓝的颜色组合来表示A相、B相和C相。
这套标志系统提供了一种直观和易于辨认的方式来区分不同的导线,使得电力工程师和电工能够更加方便地进行电气安装和维护工作。
十芯控制电缆颜色标准-概述说明以及解释1.引言1.1 概述十芯控制电缆是一种具有10根导线的电缆,它通常用于工业自动化领域中的信号传输和控制系统。
这些电缆通过将不同颜色的导线与不同的功能相对应来简化安装和维护过程。
十芯控制电缆颜色标准是指为每根导线指定特定颜色以表示其功能的一套规定。
具体来说,根据十芯控制电缆颜色标准,每根导线都具有独特的颜色,用于表示其所连接的设备或设施的特定功能。
这种标准确保了在安装和维护过程中的可靠性和一致性。
通过遵循这种标准,操作人员可以轻松地识别和连接正确的导线,节省时间和减少错误。
在工业自动化领域中,使用十芯控制电缆的应用非常广泛。
例如,在机器人控制系统中,不同颜色的导线用于识别和传输不同类型的信号,如电源、传感器信号、通信信号等。
这种区分不同功能的颜色标准化不仅提高了工程师和技术人员的工作效率,还减少了出错的可能性。
因此,了解和遵守十芯控制电缆颜色标准对于确保工业自动化系统的安全性、可靠性和一致性至关重要。
下面将在本文中介绍建议的十芯控制电缆颜色标准,以便读者对此有更深入的了解并在实际应用中得到应用。
1.2 文章结构文章结构部分的内容是讨论整篇文章的组织结构和内容安排。
在本文中,我们将按照以下的结构来展开讨论十芯控制电缆颜色标准的相关内容:1. 引言:本部分将提供一个总体概述,介绍十芯控制电缆颜色标准的背景和意义。
我们将简要介绍十芯控制电缆的基本定义和应用领域,以便读者对全文内容有一个整体的了解。
2. 正文:本部分将详细讨论十芯控制电缆的定义和应用领域。
首先,我们将对十芯控制电缆的定义进行阐述,包括其结构、特点和功能。
接着,我们将探讨十芯控制电缆在各个领域的应用情况,如工业自动化、机械制造、航空航天等。
通过实际案例的引用,我们将阐明十芯控制电缆在不同领域中的重要性和作用。
3. 结论:在本部分中,我们将强调十芯控制电缆颜色标准的重要性,并提出一些建议的颜色标准。
首先,我们将探讨为什么需要统一的颜色标准,包括提高工作效率和减少错误连接的重要性。
1范围
本标准系为在电工成套装置中以导线颜色来标志电路,或依电路去选择导线颜色
2目的
本标准的目的是统一各种颜色的标定含义。
并依裸
导线(包括母线)或绝缘导线的颜色识别电路。
3依导线颜色标志电路时
3.1黑色:装置和设备的内部布线
3.2棕色:直流电路的正极。
3.3红色:三相电路的C相
半导体三极管的集电极
半导体二极管、整流二极管或可控硅的阴极。
3.4黄色:三相电路的A相;
半导体三极管的基极;
可控硅和双向可控硅的控制极
3.5绿色:三相电路的B相
3.6蓝色:直流电路的负极、
半导体三极管的发射极
可控硅和双向可控硅的控制极
3.7淡蓝色:三相电路的零线或中性线;
直流电路的接地中线;
3.8白色:双向可控硅的主电极;
无指定用色的半导体电路
3.9黄和绿双色:(每种色宽约12-100毫米交替贴接);
安全用的接地线;
4依电路选择导线颜色时
4.1交流三相电路的A相:黄色
B相:绿色
C相:红色
4.2用双芯导线或双根绞线连接的交流电路:红黑色
并行。
4.3直流电路的正极:棕色
负极:蓝色
接地中线:淡蓝色
4.4半导体电路的半导体二极管的集电极:红色
基极:黄色
发射极:蓝色
半导体二极管和整流二极管的阳极:蓝色
阴极:红色
可控硅管的阳极:蓝色
控制极:黄色
阴极:红色
双向可控硅管的控制极:黄色
主电极:白色
4.5整个装置及设备的内部布线一般推荐:黑色
半导体电路:白色
有混淆时:容许选指定用色外的其他颜色(如:橙、紫、灰、绿蓝、玫瑰红等)。
导线颜色的选择
GB50258—96《电气装置安装工程1KV及以下配线工程施工及验收规范》第3.1.9条规定:当配线采用多相导线时,其相线的颜色应易于区分,相线与零线(即中性线N—编者注)的颜色应不同,同一建筑物、构筑物内的导线,其颜色选择应统一;保护地线(PE线)应采用黄绿颜色相间的绝缘导线;零线宜采用淡兰(应为“蓝”——编者注)色绝缘导线。
在电气配线施工中违反该条规定的屡见不鲜,错误理解此条的也不少。
由于规范的条文说明中对该条未作说明,故笔者根据实际工程中遇到的情况,谈一点见解。
1、相线颜色
宜采用黄、绿、红三色。
以三相进建筑物的住宅为例,三相电源引入三相电度表箱内时,相线宜采用黄、绿、红三色;单相电源引入单相电度表箱时,相线宜分别采用黄、绿、红三色。
由单相电度表箱引入到住户配电箱的三芯护套线,其相线颜色没有必要和所接的进户线相线颜色一致。
只有当用户采用三相电度表箱时,从三相电度表箱引入到住户配电箱的箱线颜色应和进三相电度表箱的相线的相线一致。
2~4室进住户配电箱的箱线可用黄、绿、红中的任意一种,因为GB50258—96只规定配线采用多相导线时,相线颜色才要求易于区分。
例如,2室的用户出现断电时,根据2室的单相电度表相的进线是红色,只要用验电笔检查进建筑物的红色相线是否有电,即可判断故障。
从电度表箱到各住户配电箱的导线,住宅设计规范规定其截面不得小于10mm2。
如果住户配电箱至单相电度表箱的相线颜色采用和单相电度表箱的进线同色,那么就要购买三种颜色10mm2的护套线。
,必然增加建设投资。
如按附图施工,只要购买一种10mm2的三芯护套线,其中一根是淡蓝色中性线,一根是黄绿双色的PE线,第三根是黄、绿、红三色中任意一色相线。
2、中性线颜色
规范规定中性线宜采用淡蓝色绝缘导线。
“宜”的含义是:在条件许可时首先应采用淡蓝色。
有的国家中性线采用白色,如果其建筑物因业主要求采用白色作同性线,那未该建筑物内所有的中性线都应采用白色。
如果中性线的颜色是深蓝色,那末相线颜色不宜采用绿色,因为在暗淡的灯光下,深蓝色与绿色差别不大,此时相线颜色参单相供电时,应采用红色或黄色。
3、保护地线的颜色
规范规定应采用黄绿颜色相间的绝缘导线。
“应”的含义是必须,在正常情况下均必须采用黄绿相间的绝缘导线。
4、订购电缆或护套线时必须注明导线颜色
实际工程中经常发现电缆或护套线内导线的颜色不符合要求。
有的工程用的三相照明电缆,三根相线是同色线;有的工程用的单相三芯照明电缆,导线是黄、绿、红三色。
这是规范所不允许的。
此外,在导线上包色带的补救措施也不应该采用。
所以,工程中订购电缆或护套线时,除型号外还应注明导线的截面和颜色。