实验1图灵机模型与计算机硬件系统虚拟拆装实验报告
- 格式:doc
- 大小:59.50 KB
- 文档页数:3
计算机拆装实训报告计算机拆装实训报告一、实训目的计算机拆装实训旨在让学生了解计算机硬件的组成和工作原理,并通过实际操作,培养学生动手能力和解决问题的能力。
二、实训内容1. 硬件组成:学生首先学习计算机硬件的基本组成,包括主板、CPU、内存、硬盘等。
了解每个硬件的功能和作用。
2. 拆装流程:学生学习计算机的拆装流程,包括拆开计算机外壳、拆卸电源、主板等,并注意防止静电等问题。
3. 组件替换:学生通过实际操作,替换计算机的硬件组件。
例如,更换故障的内存条、更换旧的硬盘等。
4. 故障排除:学生在拆装实验中,学会通过观察和检测排除计算机故障。
例如,通过检查硬件连接是否松动、清理灰尘等。
5. 组装调试:学生在拆装实验后,需要进行计算机的组装和调试。
确保所有硬件组件正确安装并能正常工作。
三、实训过程1. 理论学习:学生在实训前,需要通过课堂学习掌握计算机硬件的基本知识和拆装流程。
2. 实际操作:学生在实训课程中,亲自进行计算机的拆装操作。
老师会提供实验设备和工具,并指导学生操作。
3. 故障排除:学生在实际操作中,遇到计算机故障时,需要通过观察和检测找出问题所在,并及时解决。
4. 组装调试:学生在拆装实验后,需将计算机正确组装并进行调试。
确保所有硬件组件能正常工作。
四、实训结果通过计算机拆装实训,学生能够熟悉计算机硬件的组成和工作原理,掌握计算机的拆装流程,培养了动手能力和解决问题的能力。
学生还学会了通过故障排除找出问题所在,并进行组装调试。
实训结果良好。
五、实训心得计算机拆装实训是一次很有趣的经历,通过实际操作,让我更加深入地了解了计算机的内部结构和工作原理。
在实训中我遇到了不少问题和困难,但是通过老师的指导和同学们的帮助,我一一解决了这些问题,并成功完成了计算机的拆装和调试。
这次实训让我对计算机硬件有了更深入的理解,也增强了我动手实践的能力。
我相信这次实训对我的计算机学习之路将会有很大的帮助。
一、实验目的1. 熟悉计算机硬件的组成和功能。
2. 掌握计算机硬件的拆装方法。
3. 培养动手实践能力和故障排除能力。
二、实验器材1. 计算机一台(包括主机、显示器、键盘、鼠标等)2. 螺丝刀一把3. 线缆若干4. 计算机拆装工具一套三、实验原理计算机是由多个硬件部件组成的,主要包括主机、显示器、键盘、鼠标等。
拆装计算机的过程,就是将这些部件从计算机中取出、安装或更换的过程。
通过拆装实验,可以了解计算机的内部结构,掌握硬件的安装和更换方法。
四、实验步骤1. 准备工作(1)关闭计算机电源,拔掉所有外接设备。
(2)将计算机放置在平稳的桌面上,方便操作。
(3)准备好螺丝刀、线缆和拆装工具。
2. 拆卸显示器(1)打开显示器背部的固定螺丝,将显示器底座与显示器本体分离。
(2)拔掉显示器与主机之间的VGA/DVI/HDMI等线缆。
(3)将显示器从主机上取下。
3. 拆卸主机(1)打开主机侧面板的固定螺丝,将面板取下。
(2)断开电源线、数据线、风扇线等连接线。
(3)拆卸主机内部的固定螺丝,取出硬盘、光驱、内存、显卡等硬件。
4. 拆卸硬件(1)取出硬盘:打开硬盘支架固定螺丝,将硬盘从支架上取下。
(2)取出光驱:打开光驱支架固定螺丝,将光驱从支架上取下。
(3)取出内存:打开内存插槽固定螺丝,将内存从插槽中取出。
(4)取出显卡:打开显卡固定螺丝,将显卡从插槽中取出。
5. 安装硬件(1)将显卡插入相应插槽,并固定好。
(2)将内存插入相应插槽,并固定好。
(3)将光驱和硬盘安装到支架上,并固定好。
(4)连接电源线、数据线、风扇线等连接线。
6. 组装主机(1)将主机侧面板装回,并固定好。
(2)将显示器装回主机,并连接好线缆。
7. 启动计算机,检查硬件是否正常工作。
五、实验结果与分析1. 实验结果通过本次拆装实验,成功拆卸和组装了计算机主机、显示器、硬盘、光驱、内存、显卡等硬件。
在拆装过程中,没有出现任何损坏现象。
2. 实验分析(1)拆装计算机需要掌握一定的技巧,如拆卸螺丝时要轻柔,避免损坏硬件。
计算机的拆装实训报告关于计算机的拆装实训报告导语:以下是小编整理的一篇关于计算机的拆装实训报告,内容如下,以供参考:以前对计算机的结构和组装就挺有兴趣,所以虽然已经大三了还选修了这门课程。
通过这次拆装实验我才真正的体验了一下拆机装机的过程,在本次实验中,拆机装机分组,大约2-3人为一组,通过我们组两个人的努力,我们的成果也得到了老师的'肯定,使我在这一次拆装实习中学到了不少东西!一、实验目的1、认识主机箱内微机各部件。
2、对机箱内主要部件的连接有一个感性认识。
3、感知主机箱内各部件拆装方法。
二、拆卸电脑部件的顺序(1)拔除主机背后的所有连接线,卸掉机箱盖。
(2)拆掉硬盘、光驱、软驱,它们的数据线与主板相连,两头都可以拨出来,电源线则连到电源盒。
拔掉连接的电源线和数据线后,拧掉固定螺丝即可将它们从机箱里取出。
(3)拆掉各种功能卡,在这里要先拧下固定功能卡的螺丝钉,然后才能将卡拔出,可以用一只手压住主板,另一只手抓住卡,垂直地拔出,以免主板被弄坏。
(4)拆掉电源盒,拧下螺丝钉电源就可以取出来了。
(5)拆卸内存,注意内存拆掉时需要掰开两边的卡子,然后取出内存条。
(6)拆下CPU。
(7)拆掉主板,先把电源线和连接面板指示灯及开关的信号线从主板上拔掉,然后拧出固定螺丝钉,最后是塑料卡子。
三、下面是我们拆装电脑的型号参数:主板的性能参数如下:型号:联想启天M5000 芯片厂商:AMD 北桥芯片:AMD870 南桥芯片:AMDSB850 CPU插槽:AM3CPU类型:AMD Athlon XP 3000+ 支持通道模式:双通道 1、内存条内存条品牌:金士顿内存条大小:256M 使用电压:2.6V 2、板载芯片BIOS芯片:Pentlum Ⅳ 集成显卡:RTM360-520板载声卡:集成VIA VT8237板载网卡:板载Realtek RTL8111E千兆网卡3、独立显卡生产厂家:三星显卡型号:K4D551638F-TC50 4、硬盘的性能参数型号:DiamondMax plus 9 容量:80G 盘体尺寸:3.5寸接口标准:ATA/133 HDD 5、光驱参数光驱型号:S/N 4A258266 光驱电压:DC 5V 1.0A 6、电源参数生产厂家:航嘉电源型号:HK280-25AP 主要参数:220V~ 50HZ 4A 7、扩展参数 SATA III接口数量:6 磁盘阵列类型:SATA 磁盘阵列模式:RAID 0,RAID 0+1,RAID 1,RAID 5,RAID 10 支持显卡标准:PCIE 2.0扩展插槽:2×PCI-E X1,1×PCI-E X16 PCI插槽:3×PCI扩展接口:键盘PS/2,鼠标PS/2,USB2.0,RJ45网卡接口,音频接口,光纤接口四、组装电脑主要按下面的步骤和方法进行(1)安装机箱:将电源安装在机箱内(有一些机箱内已经安装好电源)(2)安装主板:将主板用专用的螺钉固定在机箱内适当位置。
计算机拆装实训报告专院:班级:姓名:学号:2013年4月16日以前对计算机的结构和组装就挺有兴趣,所以虽然已经大三了还选修了这门课程。
通过这次拆装实验我才真正的体验了一下拆机装机的过程,在本次实验中,拆机装机分组,大约2-3人为一组,通过我们组两个人的努力,我们的成果也得到了老师的肯定,使我在这一次拆装实习中学到了不少东西!一、实验目的1、认识主机箱内微机各部件。
2、对机箱内主要部件的连接有一个感性认识。
、感知主机箱内各部件拆装方法。
二、拆卸电脑部件的顺序拔除主机背后的所有连接线,卸掉机箱盖。
拆掉硬盘、光驱、软驱,它们的数据线与主板相连,两头都可以拨出来,电源线则连到电源盒。
拔掉连接的电源线和数据线后,拧掉固定螺丝即可将它们从机箱里取出。
拆掉各种功能卡,在这里要先拧下固定功能卡的螺丝钉,然后才能将卡拔出,可以用一只手压住主板,另一只手抓住卡,垂直地拔出,以免主板被弄坏。
拆掉电源盒,拧下螺丝钉电源就可以取出来了。
拆卸内存,注意内存拆掉时需要掰开两边的卡子,然后取出内存条。
拆下CPU。
拆掉主板,先把电源线和连接面板指示灯及开关的信号线从主板上拔掉,然后拧出固定螺丝钉,最后是塑料卡子。
三、下面是我们拆装电脑的型号参数:主板的性能参数如下:型号:联想启天M5000 芯片厂商:AMD 北桥芯片:AMD870 南桥芯片:AMD SB850 CPU插槽:AM3CPU类型:AMD Athlon XP000+ 支持通道模式:双通道1、内存条内存条品牌:金士顿内存条大小:256M 使用电压:2.6V、板载芯片BIOS芯片:Pentlum Ⅳ集成显卡:RTM360-520 板载声卡:集成VIA VT8237板载网卡:板载Realtek RTL8111E千兆网卡、独立显卡生产厂家:三星显卡型号:K4D551638F-TC50、硬盘的性能参数型号:DiamondMax plus 容量:80G 盘体尺寸:3.5寸接口标准:A TA/13HDD、光驱参数光驱型号:S/NA25826光驱电压:DCV 1.0A、电源参数生产厂家:航嘉电源型号:HK280-25AP 主要参数:220V~0HZA、扩展参数SA TA III接口数量:磁盘阵列类型:SA TA磁盘阵列模式:RAID 0,RAID 0+1,RAID 1,RAID,RAID 10 支持显卡标准:PCIE.0扩展插槽:2×PCI-E X1,1×PCI-E X1PCI插槽:3×PCI扩展接口:键盘PS/2,鼠标PS/2,USB2.0,RJ45网卡接口,音频接口,光纤接口四、组装电脑主要按下面的步骤和方法进行安装机箱:将电源安装在机箱内安装主板:将主板用专用的螺钉固定在机箱内适当位置。
1计算机硬件拆装实验报告(01)(精选5篇)第一篇:1计算机硬件拆装实验报告(01)计算机组装过程实验报告院系: 班级:姓名:学号:【实验目的】组装一台计算机。
认识了解主板、CPU、CPU风扇、内存、显卡、声卡(主板中都有板载声卡,除非用户特殊需要)、光驱(VCD或DVD)、机箱、机箱电源、键盘鼠标、显示器、数据线和电源线等结构作用。
【实验内容】拆装计算机硬件【实验工具】除了计算机配件以外,还需要准备要用到的螺丝刀、尖嘴钳、镊子等装机工具(1)十字口螺丝刀:用于螺丝的安装或拆卸。
最好使用带有磁性的螺丝刀,这样安装螺丝钉时可以将其吸住,在机箱狭小的空间内使用起来比较方便。
(2)一字口螺丝刀:用于辅助安装,一般用处不大。
(3)镊子:用来夹取各种螺丝、跳线和比较小的零散物品。
例如,在安装过程中一颗螺丝掉入机箱内部,并且被一个地方卡住,用手又无法取出,这时镊子就派上用场了。
(4)尖嘴钳:主要用来拆卸机箱后面的挡板或挡片。
不过,现在的机箱多数都采用断裂式设计,用户只需用手来回对折几次,挡板或挡片就会断裂脱落。
当然,使用尖嘴钳会更加方便。
(5)散热膏(硅脂):在安装CPU时必不可少的用品。
用户只需将散热膏涂到CPU上,帮助CPU和散热片之间的连接,以增强硬件的散热效率。
在选购时一定要购买优质的导热硅脂。
【实验步骤】 1.拆卸机箱>确定机箱侧板固定螺丝的位置,将固定螺丝拧下。
>转向机箱侧面,将侧板向机箱后方平移后取下,并以相同方式将另一侧板取下。
>取出机箱内的零件包。
2.安装电源(P4电源)主机电源一般安装在主机箱的上端靠后的预留位置上。
>开电源包装盒,取出电源。
>将电源安装到机箱内的预留位置。
>用螺丝刀拧紧螺丝,将电源固定在主机机箱内。
3.将CPU和CPU散热器安装在主板上 >抬起主板上的CPU零拔插力插座(ZIF)的压杆,将CPU底板缺针的角对着插座上的缺口,然后水平放下,将CPU 插入插座,然后将压杆往下压,卡住以后CPU就安装到位了。
第1篇一、实验目的本次实验旨在通过拆装电脑,加深对电脑内部结构和工作原理的理解,提高动手能力和故障排查能力。
通过实际操作,掌握电脑主要部件的安装与拆卸方法,了解电脑组装的流程,为以后维护和升级电脑打下基础。
二、实验器材1. 电脑一台(含主机、显示器、键盘、鼠标等)2. 拆装工具一套(十字螺丝刀、尖嘴钳、撬棒等)3. 电脑配件(CPU、主板、内存、硬盘、显卡等)三、实验步骤1. 拆卸显示器- 关闭电脑,断开电源和信号线。
- 打开显示器后盖,取出连接线和电源线。
- 使用螺丝刀拆卸显示器支架,取出显示器。
2. 拆卸主机外壳- 关闭电脑,断开电源和信号线。
- 使用螺丝刀拆卸主机后盖,取出内部连接线和电源线。
- 使用撬棒轻轻将主机外壳撬开。
3. 拆卸内部部件- 使用螺丝刀拆卸CPU风扇和散热器。
- 使用螺丝刀拆卸内存条。
- 使用螺丝刀拆卸硬盘和光驱。
- 使用螺丝刀拆卸显卡。
- 使用螺丝刀拆卸主板。
4. 安装新部件- 将新购买的CPU、内存、硬盘、显卡等部件按照拆卸的顺序逐一安装。
- 使用螺丝刀固定好CPU风扇和散热器。
- 将内存条、硬盘、光驱、显卡等部件安装到主板上。
- 连接好电源线和信号线。
5. 组装主机- 将拆卸的主机外壳安装回去。
- 连接好显示器、键盘、鼠标等外部设备。
6. 开机测试- 连接电源,打开电脑,检查各项功能是否正常。
四、实验结果与分析1. 通过本次实验,成功拆装了一台电脑,掌握了电脑主要部件的安装与拆卸方法。
2. 了解到了电脑内部结构和工作原理,为以后维护和升级电脑打下了基础。
3. 实验过程中,遇到以下问题:- 拆卸CPU风扇时,散热器没有取下,导致风扇无法安装。
- 安装内存条时,方向错误,导致无法插入。
- 组装主机时,电源线连接错误,导致电脑无法启动。
4. 针对以上问题,分析原因如下:- 拆卸CPU风扇时,未仔细阅读说明书,导致操作失误。
- 安装内存条时,未仔细观察内存条接口,导致方向错误。
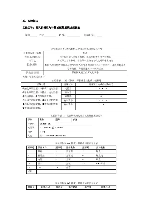
五、实验报告
实验名称:图灵机模型与计算机硬件系统虚拟拆装
学号姓名班级:实验时间:
实验报告表1-1图灵机模型中的主要组成部分及作用
说明:可根据需要加行
实验报表1-2冯.诺依曼计算机体系结构的功能描述
实验报告表1-3 实验所使用的计算机硬件配置登记表
实验报告表1-4 微型计算机拆卸顺序记录表
实验报告表1-5 微型计算机安装顺序记录表
实验报告表1-6 微型计算机安装顺序调整记录表
说明:可根据需要加行
实验报告表1-7 6个指定部件的安装顺序记录表
实验报告表1-8 扩充内存
实验报告表1-9更换显卡。
第1篇一、实验目的1. 熟悉计算机硬件的组成和结构。
2. 掌握计算机硬件拆卸的基本步骤和技巧。
3. 了解各硬件部件的功能和作用。
4. 培养动手实践能力和问题解决能力。
二、实验器材1. 计算机一台(硬件配置齐全)。
2. 螺丝刀(十字口和一字口)。
3. 尖嘴钳。
4. 镊子。
5. 散热膏。
6. 计算机相关配件(主板、CPU、内存、显卡、硬盘、光驱等)。
三、实验步骤1. 准备工作- 确保计算机电源关闭,并拔掉电源线。
- 释放自身静电,避免对计算机硬件造成损害。
2. 拆卸机箱- 使用十字口螺丝刀拧下机箱侧面板的螺丝,拆下侧面板。
- 将机箱侧面板轻轻向外推,使其与机箱主体分离。
3. 拆卸电源- 使用一字口螺丝刀拧下电源上的固定螺丝,将电源从机箱中取出。
4. 拆卸主板- 使用一字口螺丝刀拧下固定主板的螺丝,将主板从机箱中取出。
- 注意主板上的各种数据线和电源线,确保在拆卸过程中不损坏。
5. 拆卸CPU- 使用镊子夹取CPU风扇的卡扣,将风扇从CPU上取下。
- 使用一字口螺丝刀拧下固定CPU的螺丝,将CPU从主板上取下。
- 将散热膏涂抹在CPU表面,以便于安装散热器。
6. 拆卸内存条- 将内存条从内存插槽中拔出。
7. 拆卸显卡- 使用一字口螺丝刀拧下固定显卡的螺丝,将显卡从主板上取下。
8. 拆卸硬盘和光驱- 使用一字口螺丝刀拧下固定硬盘和光驱的螺丝,将它们从机箱中取出。
9. 整理拆卸下来的部件- 将拆卸下来的部件按照顺序摆放整齐,方便后续组装。
四、实验结果与分析1. 实验过程中,成功拆卸了计算机的所有硬件部件,并对其功能有了更深入的了解。
2. 在拆卸过程中,注意了以下事项:- 避免对硬件部件造成损坏。
- 注意拆卸顺序,确保在组装过程中能够顺利还原。
- 在拆卸过程中,学会了使用各种工具和技巧。
五、实验心得与体会1. 通过本次实验,对计算机硬件的组成和结构有了更深入的了解。
2. 学会了计算机硬件拆卸的基本步骤和技巧,为今后的计算机维护和升级奠定了基础。
计算机拆装实验实验报告实验题目:计算机的拆装实验一、实验目的:通过实验熟悉计算机的拆卸和组装的过程,知道计算机的内部结构以及了解各部分的功能。
并掌握计算机拆卸和组装基础技能。
二、试验环境硬件环境:硬件部件完备的计算机一台,维修工具若干。
三、实验内容及实验原理1.听老师做报告,了解计算机的硬件配置、组装一般流程和注意事项。
2.自己动手配置、拆卸并组装一台计算机。
原理及步骤:(一)拆卸计算机硬件1.释放自身静电,切断电源,打开机箱。
2.拆除计算机主板上的连接,拆除与主板相连的数据线、信号线。
3.拆除计算机主板上的板卡。
4.依次拆除主板->内存->CPU风扇->CPU。
5.拆除硬盘、光驱、软驱。
(二)组装计算机硬件(拆卸完毕后,指导教师先演示,学生再操作。
强调安装过程中各种接口的方向问题)1.准备好相关硬件2.安装硬盘、光驱、软驱。
3.把CPU装上主板,安装CPU风扇,并把主板固定到机箱上。
4.连上主板的信号线(没有能力可先不安装)。
5.安装内存及板卡。
6.连接IDE设备及软驱的数据线并检查电源是否和主板相连。
四、实验结果及分析实验时能够安全并有效的拆装计算机主机,能够迅速发现各个部件之间的联系,并能记清各个部件的位置及拆卸顺序,实验很顺利。
五、心得体会与建议通过这次的计算机拆装实验,我基本对玉带闹闹的硬件知识有了更进一步的了解与掌握,首先想说的是这次试验让我第一次真正的接触到电脑机箱的内部结构,了解了机箱内部CPU,网卡,插槽,CPU风扇,数据线的各个位置,以前看书时,遇到这些部件的位置总是记不住,可是通过这次自己动手拆卸电脑,可以说是收获不小。
也让我明白“实践出真知”、“没有实践就没有发言权”这两句话的深刻含义。
当然,在这次的实验中也遇到一些问题,比如刚开始拆卸电脑时都不知从巴黎入手。
当把电脑拆开后,面对机箱内部结构很惊讶与耗子,如此小的空间,内部竟然如此得有条不紊,在正式差一些零部件是,去没有注意到网卡与中央处理下面有卡子。
计算机硬件系统及组装预习实验报告目录一计算机的硬件系统的主要组成部分说明 (1)1.计算机的硬件系统的组成 (1)2.计算机的基本结构 (2)1.2.1 运算器 (2)1.2.2 控制器 (2)1.2.3 存储器 (3)1.2.4 输入设备 (3)1.2.5 输出设备(Output Device) (3)二计算机系统的安装和配置 (4)2.1 组装计算机的主要部件及其说明 (4)2.1.1CPU (4)2.1.2主板 (4)2.1.3内存 (4)2.1.4硬盘 (4)2.1.5光驱 (5)2.1.6 显示卡 (5)2.1.7 声卡 (5)2.1.8 显示器 (5)2.1.9 机箱电源 (5)2.2计算机的组装步骤 (6)2.2.1组装工具 (6)2.2.2注意问题 (6)2.2.3安装步骤 (6)一计算机的硬件系统的主要组成部分说明1.计算机的硬件系统的组成计算机硬件系统分为主机和外部设备两大部分。
通常把内存储器、运算器和控制器合称为计算机主机。
而把运算器、控制器做在一个大规模集成电路块上称为中央处理器,又称CPU。
而主机以外的装置称为外部设备,外部设备包括输入、输出设备,外存储器等。
2.计算机的基本结构计算机硬件系统由运算器、控制器、存储器、输入设备和输出设备等五大部件组成。
图(2)计算机基本结构1.2.1 运算器运算器是一个“信息加工厂”。
数据的运算和处理工作就是在运算器中进行的。
这里的“运算”,不仅是加、减、乘、除等基本算术运算,还包括若干基本逻辑运算。
1.2.2 控制器控制器是整个计算机的指挥中心,它取出程序中的控制信息,经分析后,便按要求发出操作控制信号,使各部分协调一致地工作。
1.2.3 存储器存放程序和数据的地方,并根据命令提供存储器是计算机中给有关部分使用。
1) 存储器的主要技术参数:存储容量、存取速度和位价格(即一个二进制位的价格)。
2)存储器容量:表示计算机存储信息的能力,并以字节(byte)为单位。
关于计算机的拆装实训报告导语:以下是的一篇关于计算机的拆装实训报告,内容如下,以供参考:以前对计算机的结构和组装就挺有兴趣,所以虽然已经大三了还选修了这门课程。
通过这次拆装实验我才真正的体验了一下拆机装机的过程,在本次实验中,拆机装机分组,大约2-3人为一组,通过我们组两个人的努力,我们的成果也得到了老师的肯定,使我在这一次拆装实习中学到了不少东西!一、实验目的1、认识主机箱内微机各部件。
2、对机箱内主要部件的连接有一个感性认识。
3、感知主机箱内各部件拆装方法。
二、拆卸电脑部件的顺序(1)拔除主机背后的所有连接线,卸掉机箱盖。
(2)拆掉硬盘、光驱、软驱,它们的数据线与主板相连,两头都可以拨出来,电源线则连到电源盒。
拔掉连接的电源线和数据线后,拧掉固定螺丝即可将它们从机箱里取出。
(3)拆掉各种功能卡,在这里要先拧下固定功能卡的螺丝钉,然后才能将卡拔出,可以用一只手压住主板,另一只手抓住卡,垂直地拔出,以免主板被弄坏。
(4)拆掉电源盒,拧下螺丝钉电源就可以取出来了。
(5)拆卸内存,注意内存拆掉时需要掰开两边的卡子,然后取出内存条。
(6)拆下CPU。
(7)拆掉主板,先把电源线和连接面板指示灯及开关的信号线从主板上拔掉,然后拧出固定螺丝钉,最后是塑料卡子。
三、下面是我们拆装电脑的型号参数:主板的性能参数如下:型号:联想启天M5000芯片厂商:AMD北桥芯片:AMD870南桥芯片:AMDSB850CPU插槽:AM3CPU类型:AMDAthlonXP3000+支持通道模式:双通道1、内存条内存条品牌:金士顿内存条大小:256M使用电压:2.6V2、板载芯片 BIOS芯片:PentlumⅣ集成显卡:RTM360-520板载声卡:集成VIAVT8237板载网卡:板载RealtekRTL8111E千兆网卡3、独立显卡生产厂家:三星显卡型号:K4D551638F-TC504、硬盘的性能参数型号:DiamondMaxplus9容量:80G盘体尺寸:3.5寸接口标准:ATA/133HDD5、光驱参数光驱型号:S/N4A258266光驱电压:DC5V1.0A6、电源参数生产厂家:航嘉电源型号:HK280-25AP主要参数:220V~50HZ4A7、扩展参数SATAIII接口数量:6磁盘阵列类型:SATA磁盘阵列模式:RAID0,RAID0+1,RAID1,RAID5,RAID10支持显卡标准:PCIE2.0扩展插槽:2×PCI-EX1,1×PCI-EX16PCI插槽:3×PCI扩展接口:键盘PS/2,鼠标PS/2,USB2.0,RJ45网卡接口,音频接口,光纤接口四、组装电脑主要按下面的步骤和方法进行(1)安装机箱:将电源安装在机箱内(有一些机箱内已经安装好电源)(2)安装主板:将主板用专用的螺钉固定在机箱内适当位置。
计算机拆装实验_实验报告第一篇:计算机拆装实验_实验报告计算机拆装实验实验报告班级:计算机01班实验题目:计算机的拆装实验一、实验目的:通过实验熟悉计算机的拆卸和组装的过程,知道计算机的内部结构以及了解各部分的功能。
并掌握计算机拆卸和组装基础技能。
二、试验环境硬件环境:硬件部件完备的计算机一台,维修工具若干。
三、实验过程第一:用螺丝刀拧下机箱侧面板的螺丝拆开机箱。
第二:把主板上的各种数据线和电源线拔掉(注意记住它们的位置)。
第三:依次把主板上的内存、显卡、网卡、CPU风扇,CPU拆下。
第四:把主板上的螺钉卸了,把主板拆下。
第五:把硬盘,光驱,软驱拿下来。
四、实验结果及分析实验时能够安全并有效的拆装计算机主机,能够迅速发现各个部件之间的联系,并能记清各个部件的位置及拆卸顺序,实验很顺利。
五、心得体会与建议通过这次的计算机拆装实验,我基本对计算机硬件知识有了更进一步的了解与掌握,以前在家里只是把外壳打开吹一吹灰尘,而这次试验让我第一次真正的接触到电脑机箱的内部结构,了解了机箱内部CPU,网卡,插槽,CPU风扇,数据线的各个位置,通过这次自己动手拆卸电脑。
也让我明白“实践出真知”、“没有实践就没有发言权”这两句话的深刻含义。
当然,在这次拆机中我也遇到了一些问题,比如在拆机时去没有注意到网卡与中央处理下面有卡子。
当把这些拆下来后去不认识他是什么部件。
最后才逐渐明白过来。
这次试验除了对于知识的掌握,更主要的是锻炼了我实际动手能力,也是我认识了电脑的硬件、软件等方面的知识,当然我也深刻明白我的不足之处,那就是在装机时,有点小麻烦,总是感觉装的位置不对,线路理的也不顺。
这方面需要加强啊。
第二篇:计算机拆装实验报告计算机拆装实验报告一、实验概述【目的及要求】1、了解计算机配置原理和方法2、掌握计算机拆卸方法和注意要点3、掌握计算机安装方法和注意要点4、学会组装电脑【基本原理】计算机几个主要部件通过计算机主板上的插槽连接构成一台完整的计算机。
(完整版)计算机拆装实验报告计算机拆装实验报告一、实验概述【目的及要求】1、了解计算机配置原理和方法2、掌握计算机拆卸方法和注意要点3、掌握计算机安装方法和注意要点4、学会组装电脑【基本原理】计算机几个主要部件通过计算机主板上的插槽连接构成一台完整的计算机。
【实施环境】(使用的材料、设备、软件)计算机完整部件一套、螺丝刀二、实验内容:【项目内容】了解计算机各个主要部件,熟悉主板各个插槽的作用和接线柱的识别,掌握计算机组装技术。
【实验过程】(步骤、记录、数据、程序等)1.计算机拆卸步骤第一:首先把机箱后面的各种数据线先拔掉(包括显示器、键盘、鼠标等)。
第二:用螺丝刀拧下机箱侧面板的螺丝拆开机箱。
第三:把主板上的各种数据线和电源线拔掉(注意记住它们的位置)。
第四:依次把主板上的内存、显卡、网卡、CPU风扇,CPU拆下。
第五:把主板上的螺钉卸了,把主板拆下。
第六:把硬盘,光驱,软驱拿下来。
2.拆卸时应注意的几点事项!一、拆卸可插入主板内硬件。
通常包括内存、显卡和PCI扩展卡。
1、内存:在拆卸时请大家注意,一定要把两边的卡子放到底,这样便不会伤害到内存金手指,以及主板内存接口了!(清理时,如发现在金手指处有明显氧化,可用软性橡皮按顺时针方向匀力擦拭,氧化面即可被清洗掉)。
2、显卡:拆卸和清理时的注意事项和内存基本一致。
进一步清理。
偶用的另一台机器是9550(穷人),在拆下显卡后,发现在散热片和PCB版交接处存在大量积尘,而散热片却找不到一个膨胀螺栓。
故此时想到是用硅胶固定。
拆卸方法:可用无静电的专业吹风机对散热片加热(家用不可,家用吹风机出风口太大,容易造成显卡PCB板穿孔,切记切记!)或开机运行三型3D 游戏、执行3DMARK,使显卡持续高温,迅速关闭计算机后把显卡拆下,用细线把散热器和PCB 板分离!3、PCI扩展卡:其拆卸注意事项和内存、显卡基本相同,只需注意,在清理后,装回主板时,一定要远离显卡,否则造成显卡通风不畅哟^__^。
计算机拆装实训报告计算机拆装实训报告在我们平凡的日常里,报告使用的频率越来越高,不同的报告内容同样也是不同的。
我们应当如何写报告呢?下面是小编为大家收集的计算机拆装实训报告,希望能够帮助到大家。
计算机拆装实训报告1实习内容:计算机组装与维护实习目的:通过计算机的组装,认识计算机的硬件和结构,了解计算机的整个组装过程和注意事项。
实习要求:识别计算机的各个部件,能自己动手组装一台计算机。
一.识别部件:1.cpu (核心部件)主要功能:运算器,控制器。
cup就是通过这些引脚和计算机其他部件进行通信,传递数据,指令。
2.cpu风扇:cpu工作的时候要散发出大量的热量,如不及时散热,可能将cpu烧坏。
所以加上了风扇达到散热目的。
3.主板:是计算机主顶内最重要的一个部件,其它设备都是通过它来联结工作的4.内存条:是临时储存器,掉电后数据会消失。
5.硬盘:通过读写记录各种信息,存储各类软件.程序和数据.既是输入设备,也是输出设备,但只能和计算机内存交换信息.包括存储盘片及驱动器。
特点储存量大。
6.软驱:平时可以插入软盘,用以存放数据。
7.光驱:平时可以插入光盘,用以读数据.有耳机插孔:连接耳机或音箱,可输出audiocd音乐.音量控制:调整输出的cd音乐量大小.指示灯:显示光驱的运行状态.紧急出盒孔:用于断电或其他非正常状态下打开光盘托架.打开/关闭/停止健:控制光盘进出盒和停止audiocd播放.播放/跳道键:用于直接使用面板控制播放audiocd.8.电源:将ac交流电流转换成直流电压。
9.显示卡:由0和1组成的枯燥数字信息被转换成了丰富多彩的图像现在屏幕上,这都是显卡的功劳.显示卡通过系统总线连接cpu和显示器,是cpu和显示器之间的控制设备。
10.网卡:是将计算机与网络连接在一起的输入输出设备.具有向网络发送数据.控制数据.接受并转换数据的功能.11.声卡:是将计算机多媒体设备中的核心部件之一.它的功能主要是处理声音信号并把信号传输给音箱或耳机,使后者发出声音来.12.鼠标:由滚球的移动带动x轴及y轴光圈转动,产生0与1的数据,再将相对坐标值传回计算机并反映在屏幕上.(现在大多也基本上采用光电鼠了,原理和滚球鼠,基本一致)13.键盘:电脑的最重要输入设备之一,也是pc系统中必不可少的标准配件之一.14.显示器:主要有阴极射线管(crt)显示器和液晶显示器(lcd),还有新出现在等离子体(pdp)显示器等.现在大多数用lcd.15.机箱:是电脑的外衣.二、拆卸:注意:拆卸前,一定要关机,然后放掉身上的静电或者戴上防静电手套后才能进行如下操作。
一、实训目的本次计算机拆装实训旨在让学生了解计算机的硬件组成、结构及其工作原理,掌握计算机的拆装方法与技巧,提高动手实践能力和计算机维护水平。
通过实训,使学生能够熟练进行计算机的组装、拆卸和维护,为今后的学习和工作打下坚实的基础。
二、实训内容1. 计算机硬件认识(1)认识计算机硬件组成:CPU、主板、内存、硬盘、显卡、声卡、网卡、光驱、电源、机箱、键盘、鼠标等。
(2)了解计算机硬件工作原理:CPU负责处理数据,主板负责连接各硬件,内存负责存储数据,硬盘负责存储数据等。
2. 计算机组装(1)准备组装工具:十字螺丝刀、一字螺丝刀、镊子、尖嘴钳、防静电腕带等。
(2)组装步骤:①组装机箱:将主板、CPU、内存、硬盘、显卡、声卡、网卡等硬件按照顺序安装到机箱中。
②连接线缆:连接主板、CPU、内存、硬盘、显卡、声卡、网卡等硬件的电源线和数据线。
③连接外部设备:连接键盘、鼠标、显示器等外部设备。
④电源启动:检查各硬件连接无误后,接通电源,启动计算机。
3. 计算机拆卸(1)拆卸步骤:①断电:关闭计算机电源,确保安全。
②拆卸外部设备:先拆卸显示器、键盘、鼠标等外部设备。
③拆卸机箱:使用螺丝刀拆卸机箱背板,取出主板、CPU、内存、硬盘、显卡、声卡、网卡等硬件。
④拆卸硬件:按照顺序拆卸各硬件,注意记录拆卸顺序,以便后续组装。
4. 计算机维护(1)清洁:使用吸尘器或毛刷清洁机箱内部灰尘,擦拭各硬件表面。
(2)检查:检查各硬件连接是否牢固,电路板是否有损坏。
(3)升级:根据需要升级硬件,如更换内存、硬盘等。
三、实训过程1. 认真听取教师讲解,了解计算机硬件组成、结构及工作原理。
2. 在教师指导下,进行计算机组装、拆卸和维护实践。
3. 记录实训过程中的操作步骤和遇到的问题,及时向教师请教。
4. 完成实训报告,总结实训经验。
四、实训总结1. 通过本次实训,掌握了计算机硬件组成、结构及工作原理。
2. 学会了计算机的组装、拆卸和维护方法,提高了动手实践能力。
实验1 图灵机模型与计算机硬件系统虚拟拆装实验报告
学号51 姓名叶思凡班级:卫生检验与检疫15 实验时间: 2017年 2月 23 日
在本次实验中,你有哪些收获?遇到哪些问题?这些问题是否已经解决?如果已经解决了,请说说你是如何解决的。
也可谈谈你的其它想法。
在本次实验中,我认识到图灵机模型组成和冯诺依曼计算机体系组成及其功
能,并且了解到最初的计算机是如何诞生并运行的。
在实验中,对于图灵机模型模拟过程,以及冯诺依曼计算机的运行难以理解。
在搜素相关资料并询问老师后,得知图灵机是为了用机器模拟人的运算过程而实现的,图灵机是通过纸带来读取一个空格的信息,并根据控制器当前的状态和控制规则,改变控制器当前的状态,而冯诺依曼计算机结构则是通过计算机硬件设备将许多命令按一定的顺序组成的程序,然后把程序和数据一起输入计算机,计算机对已存入的程序和数据处理后,输出结果。
第一周作业题:(请认真查阅教材及相关资料,回答以下问题,并把答案附在问题之后)1.什么是图灵机的理论模型?其核心思想与贡献是什么?
答:图灵机模型是指图灵机具有一个有穷控制器, 一条两端无穷的输入输出带和一个带头,带划分为单元格, 每个单元格可以放置一个符号, 带头每次根据当前状态和带头处单元格的符号内容, 根据转移规则选择下一个动作, 每个动作都包括下一个状态, 修改带头处单元格的符号以及带头向左或向右移动一个单元。
图灵机的思想是关于数据、指令、程序及程序/指令自动执行的基本思想。
其贡献主要有:1、图灵机模型理论是计算学科最核心的理论之一;2、图灵机模型为计算机设计指明了方向;3、图灵机模型是算法分析和程序语言设计的基础理论。
2.什么是冯.诺依曼计算机体系结构?为什么说它是现代计算机的基础?
答:冯诺依曼的计算机体系结构是:数学计算机的数制采用二进制;计算机应该按照程序顺序执行。
人们把冯·诺依曼的这个理论称为冯·诺依曼体系结构
从ENIAC到当前最先进的计算机都采用的是冯·诺依曼体系结构。
所以冯·诺依曼是当之无愧的数字计算机之父。
冯诺依曼计算机体系机构也是现代计算机的基础。