单臂回转式机械手设计
- 格式:pdf
- 大小:329.03 KB
- 文档页数:5
卧式加工中心换刀机械手设计摘要机械手是自动换刀装置中交换刀具的主要工具它担负着把刀库上的刀具送到主轴上再把主轴上已用过的刀具返回刀库上的任务设计思路是用机械手的动作来实现对加工中心的换刀机械手的转动有回转液压缸运来实现其动力则由驱动系统实现加工中心的自动换刀装置通常是由刀库和机械手组成它是加工中心的象征又是加工中心成败的关键环节因此各加工中心制造厂家都在下大力研制动作迅速可靠性高的自动换刀装置以求在激烈的竞争中取得好效益自动换刀装置是加工中心的核心内容各厂家都在保密极少公开有关资料尤其机械手部分更是如此这种机械手的拔刀插刀动作大都由油缸动作来完成根据结构要求可以采用油缸动活塞固定或活塞动油缸固定的结构形式整个机械手由机械臂伸缩机构机械爪开合机构回转机构及装卸刀具直线运动机构组成SummaryThe machine hand changes the knife automatically to exchanges the main tool that knife have in the device it carry to have the knife the knife on the sends to the principal axis last useses again the principal axis the top already over ofthe knife has to return the knife the mission on the Designing the way of thinking is to uses the action of the machine hand realizes centrally to process to change the knife the machine turns to move the turn-over liquid presses the urn carries realize its motive is then from drive the system realizesProcess the central changing the knife the device automatically usually constitute with the machine from the knife it is a key to process the central symbol again is process the center success or failure linkTherefore each process the center manufactory house to all obtain the performance in descend strongly research to manufacture action quickly dependable highly automatically change the knife device in order to in the vigorous competition change the knife automatically the device is to process the central core contents each factory house is all at keep secret minimum amount public relevant data particularly the cent of machine hand is also suchThis kind of machine pulls out the knife and put the knife acts mostly from oil an action to completeRequest according to the construction can adopt the oil urn move the piston fixsOr the piston moves oil a fixed construction formWhole machine hand from flexible organization in machine arm the machine claw opens to match the organization turning round the organization and packing to unload the knife have the straight line the sport the organization constitutes 引言本次设计的题目是加工中心的自动换刀装置中的核心部件---机械手的设计机械手是自动换刀装置中交换刀具的主要工具它担负着把刀库上的刀具送到主轴上再把主轴上已用过的刀具返回刀库上的任务设计此机械手的目的是为了使加工中心能够更快的的工作使加工中心能够得到更加充分的利用以实现其的价值所在再者由于使用了机械手减少由于人工换刀带来的生产效率低并且容易出事故的弊端本次设计的内容主要有回转液压缸装置和机械运动的驱动系统对于其中动作的实现则由电气控制来实现由于本人能力及学识有限在设计中存在有很多缺陷望老师们能多加指导加工中心的总体布局盘式刀库的卧式加工中心卧式加工中心的主轴是水平设置的卧式加工中心刀库容量一般较大有的刀库可存放几百把刀具卧式加工中心的结构较立式加工中心复杂占地面积大价格也较高卧式加工中心较适用于加工箱体之类的零件特别对箱体零件上的一些孔和孔系以及孔和型腔与基准面有严格要求的箱体容易得到保证适合于批量加工卧式加工中心的功能较立式加工中心多在立式加工中心上加工不了的工件在卧式加工中心上一般都能加工21 技术条件我们所设计的加工中心的主要的技术参数有⑴刀库容量 24把刀⑵刀柄型号 40号刀柄⑶刀具最大直径 120㎜⑷刀具重量 11㎏⑸换刀时间 5s⑹选刀方式任选22 总体布局我们设计的加工中心的总体布局如图11所示图11 卧式加工中心的总体布局23 卧式加工中心的机械结构⑴主轴组件对加工中心主轴组件的基本要求是具有足够的刚度精度传递足够的功率和转矩以及高速运转和适应自动换刀的条件主轴轴承多采用高精度高刚度高速滚动轴承卧式加工中心的主轴组件按进给功能分有镗轴进给滑枕进给及非进给主轴等类型大多数采用非进给型主轴⑵立柱立柱有侧面导轨型与正面导轨型侧面导轨型立柱便于机床的总体设计制造成本也较低并抑易于与非数控卧式镗铣床建立模块化系列关系但这类立柱在机床工作时受力状况较差且热变形的对称性差因而对机床加工精度影响较大正面导轨型立柱多采用门式结构有较好的热对称结构和受力条件多数加工中心采用这种立柱形式工作台卧式加工中心可采用自动分度工作台数控回转工作台换刀机械手的设计31 刀具的交换装置com 自动换刀装置加工中心区别于NC镗铣床的主要特点就在于它具有根据工艺要求自动更换所需刀具的功能即自动换刀ATC机能机械手是自动换刀装置中交换刀具的主要工具它担负着把刀库上的刀具送到主轴上再把主轴上已用过的刀具返回刀库上的任务加工中心的自动换刀形式可分为有机械手换刀方式和无机械手换刀方式两类无机械手换刀方式适用于采用40号以下刀柄的小型加工中心或换刀次数少的用量型刀具的重型机床这种换刀方式没有机械手因而结构简单另外刀库回转是在工步与工步之间即非切削时进行的因此虽然刀库设置在立柱顶面却免去了刀库回转时的震动对加工精度的影响无机械手换刀方式中刀库可以是圆盘型直线排列式也可以是格子箱式等无机械手换刀方式中特别需要注意的是刀库转位定位的准确度为保证转位准确就要尽力消除刀库驱动传动链的间隙为此可采用双导程蜗杆蜗轮副或采用可以相互错位的两片齿轮结构形式或采用插销定位反靠定位等方法来准确定位圆盘型刀库可设在立柱顶上立柱主轴箱的侧面也可设在横梁一端或设在主轴箱上由主轴箱和刀库配合运动完成自动换刀动作直线排列式刀库可设在工作台上方也可设在工作台的一端或两端由主轴箱或工作台配合运动完成自动换刀动作格子箱式刀库可设在双工作台的中间换刀时小直径刀具可轴向取刀大直径刀具可径向取刀加工中心的自动换刀装置通常是由刀库和机械手组成它是加工中心的象征又是加工中心成败的关键环节因此各加工中心制造厂家都在下大力研制动作迅速可靠性高的自动换刀装置以求在激烈的竞争中取得好效益自动换刀装置是加工中心的核心内容各厂家都在保密极少公开有关资料尤其机械手部分更是如此无机械手换刀方式中特别需要注意的是刀库转位定位的准确度为保证转位准确就要尽力消除刀库驱动传动链的间隙为此可采用双导程蜗杆蜗轮副或采用可以相互错位的两片齿轮结构形式或采用插销定位反靠定位等方法来准确定位采用机械手进行刀具交换的方式应用的最为广泛这是因为机械手换刀有很大的灵活性而且可以减少换刀时间图见零号图自动换刀机械手换刀动作如表31所示表31 机械手的换刀动作机械手的种类加工中心换刀机械手的种类繁多可以说每个厂家都推出自己的独特的换刀机械手在加工中心的自动换刀系统中是机械手具体执行刀具的自动更换对其要求是迅速可靠准确协调由于加工中心机床的刀库和主轴其相对位置距离不同相应的换刀机械手的运动过程也不尽相同它们由各种形式的机械手来完成常见的机械手有⑴单臂单爪回转式机械手机械手摆动的轴线与刀具主轴平行机械手的手臂可以回转不同的角度来进行自动换刀换刀具的所花费的时间长用于刀库换刀位置的刀座的轴线相平行的场合如图所示图31 单臂单爪回转式机械手⑵单臂双爪回转式机械手图32 单臂双爪回转式机械手这种机械手的手臂上有两个卡爪两个卡爪有所分工一个卡爪只执行从主轴上取下旧刀送回刀库的任务另一个卡爪则执行由刀库取出新刀送到主轴的任务其换刀时间较上述单爪回转式机械手要短如图32所示⑶双臂回转式机械手俗称扁担式这种机械手的两臂各有一个卡爪可同时抓取刀库及主轴上的刀具在回转180°之后有同时将刀具归回刀库及装入主轴是目前加工中心机床上最为常用的一种形式换刀时间要比前两种都短如图33-a 所示图33-a 双臂回转式机械手这种机械手在有的设计中还采用了可伸缩的臂如图33-b 所示图33-b 双臂回转式机械手⑷双机械手这种机械手相当与两个单臂单爪机械手相互配合起来进行自动换刀其中一个机械手执行拔旧刀归回刀库另一个机械手执行从刀库取新刀插入机床主轴上如图34所示图34 双机械手⑸双臂往复交叉式机械手图35 双臂往复交叉式机械手这种机械手两臂可往复运动并交叉成一定角度两个手臂分别称作装刀手和卸刀手卸刀手完成往主轴上取下旧刀归回刀库装刀机械手执行从刀库取出新刀装入主轴整个机械手可沿导轨或丝杠作直线移动或绕某个转轴回转以实现刀库与主轴之间的运送刀具工作如图35所示⑹双臂端面夹紧式机械手这种机械手只是在夹紧部位上和前几种不同上述几种机械手均靠夹紧刀柄的外圆表面来抓住刀具而此种机械手则是夹紧刀柄的两个端面如图36所示图36 双臂端面夹紧式机械手由于双臂回转式机械手的动作比较简单而且能够同时抓取和装卸机床主轴和刀库集中的刀具换刀时间较短我们本次设计所要求的换刀时间为5秒故我们选用双臂回转式机械手如果我们采用不能伸缩的机械手由于机械手回转时其手部回转半径较大如刀库中刀具排得较密可能碰撞刀具且用这种类型的机械手直接在刀库与主轴之间换刀只宜采用顺序换刀或刀具编码式任意选刀不然换刀时间将增加故我们采用可伸缩式的双臂回转机械手com 手爪的选择1.单臂双爪式机械手的手爪这种机械手的手爪大都采用机械锁刀方式有些大型加工中心亦有采用机械加液压锁刀方式以保证大而重的刀具在换刀中不被甩出较普通采用的机械锁刀方式手爪弹簧销式手爪如图A-A放大图它是目前加工中心上用较多的一种手臂的两端个有一个手爪刀具被弹簧2推着的活动销4类似于人的手指顶靠在固定爪5中锁紧销3被弹簧1顶起使活动销4被锁住不能后退这就是保证了机械手在换刀过程中手爪中的刀具不会被甩出当手臂处于抓刀位置时锁紧销2被设置在主轴伸出端或刀库上的撞块压下活动销4就可以活动使得机械手可以抓住或放开主轴或刀库刀套中的刀具此外钳形手的杠杆手用得也较普遍锁销2在弹簧作用下其大直径外圆顶着止退销3杠杆手爪6就不能摆动张开手爪中的刀具就不会被甩出当抓刀或还刀时锁销2被装在刀库或主轴端处的撞块压回止退销3和杠杆手爪6就能摆动张开刀具就能装入或取出钳型手和杠杆手均为直线运动抓手机械手的手爪在抓住刀具后还必须具有锁刀功能以防止在换刀过程中掉刀或刀具被甩出当机械手松刀时刀库的夹爪既起着刀套的作用又起着手爪的作用对于双臂回转式机械手的手爪大都采用机械锁刀方式有些大型加工中心亦有采用机械液压锁刀方式以保证大而重的刀具在换刀中不被甩出手爪的形式有⑴机械锁刀手爪弹簧销式手爪使用这种形式的抓持机构手爪不需要设置专门的传递装置因而结构简单使用广泛但在机械手有旋转运动时为避免刀具甩脱手爪就必须有自锁夹持机构其结构较复杂⑵钳形杠杆机械手这种机械手手爪的张合需要动力传递装置传动较复杂但手爪的结构可较简单使用也较普遍⑶虎钳形指在手爪中设有定位销使刀具在手爪中定位用这种形式的夹持机构时刀具需经特殊补充加工不能使用标准刀具所以使用者较少我们在这里采用第一种手爪com 刀具的夹持在刀具自动交换装置上机械手抓刀具的方法大体上可以分为下列两类⑴柄式夹持轴向夹持⑵发兰式夹持这种夹持方式在刀具夹头的前端有供机械手用的发兰盘采用发兰式夹持当应用中间搬运装置时可以很方便地从一个机械手将刀具夹头过渡到另一个辅助机械手上去刀具夹头采用带洼形的法兰盘夹持刀夹在这里我们采用第一种夹持方式刀柄型号为BT40图37所示为标准刀具夹头的锥柄柄部由图可见刀柄圆柱部分的V形槽是供机械手夹持之用带V形槽圆柱右端按所装刀具例如钻头铣刀铰刀及镗杆等不同根据标准可设计成不同形式图37 刀柄的型式表3-1为日本BT标准刀柄的尺寸表3-1 日本BT标准刀柄的尺寸柄部型号锥体螺纹孔凸缘D1 L r l1 l2 l3 d1 g d2 t b BT40 4445 654 1 9 30 70 17 M1619 225 161 BT45 5715 828 12 11 38 70 21 M2023 29 193 BT50 6985 1018 15 13 45 90 25 M24 27353 257柄部型号凸缘参考尺寸L1 W D2 D3 T Y Y1 V d D4 BT40 21 012 53 63 25 16 16 166 10 75679BT45 26 012 68 80 30 32 32 212 12 95215 BT50 31 020 85 100 35 32 32 232 15 119019 32 机械手的驱动装置这种机械手的拔刀插刀动作大都由油缸动作来完成根据结构要求可以采用油缸动活塞固定或活塞动油缸固定的结构形式整个机械手由机械臂伸缩机构机械爪开合机构回转机构及装卸刀具直线运动机构组成图见自动换刀机械手的驱动装置和驱动装置外形com 手臂的伸缩运动回转头的两端对称分布着两个机械臂可以同时伸出抓刀机械臂伸缩机构由回转液压缸1见驱动外形图输出轴47齿轮44以及齿条39和45组成见自动换刀机械手图当压力油通过支架28和贯穿花键轴30的通孔见换刀机械手驱动装置图进入回转液压缸1时推动输出轴47转动轴上的齿轮44便带动齿条39和44作直线运动使两只机械臂同时伸出通过齿条39及44上的挡块52压向调整螺钉53来限制终点位置同时由左视图中的微动开关30发出信号以进行下一个动作当回转液压缸改变油路时机械臂便缩回com 手爪的开合见自动换刀机械手图机械臂的头部带有固定手爪14与活动手爪18用来夹持刀柄之用活动手爪18可绕小轴15转动其一端由弹簧杆19作用支靠在小轴20上当弹簧顶杆3未碰到挡块13而自由伸出时挡杆22在弹簧作用下其一端的斜面与活动手爪18的端部斜面台阶相靠从而将活动手爪18锁死当挡块13左移将弹簧顶杆3压入时顶杆3的一端迫使杠杆21顺时针转动这样杠杆21的一端将挡杆22的斜面自活动手爪18的端部斜面滑开因此当活动手爪18伸向刀柄拔刀或插刀后收回时刀柄表面可使活动手爪18压缩弹簧而稍微张开这样机械爪即可将刀柄抱住或退出与此同时齿条44或39上的挡杆压于调整螺钉而限位同时微动行程开关动作发出下一动作的信号由于机械爪伸向刀柄拔刀或插刀后收回都是当机械手处于轴向向左移动后的位置上进行的为了使机械手的活动手爪18在这时能从自锁状态下松开在机床床身立柱上设有固定杆35在机械臂的一侧有挡块装置挡块13锥孔盘4在端面上周向均匀分布有4个锥孔和轴9固定相连轴9装于支架12内其右端又与一端盖10用螺纹固定当挡块13未与固定杆35相碰时锥孔盘4处于与钢球5相对位置弹簧销11顶着端盖10使锥孔盘4紧靠于支架12的端面上此时机械臂的弹簧顶杆3自由伸出活动手爪1处8于锁死状态当机械手轴向向右移动后固定杆35迫使挡块13转动由于此时锥孔盘4端面上的锥孔与钢球5错开这样锥孔盘4即连同挡块13轴9端盖11压缩弹簧销11向左移动挡块13即将机械臂上的弹簧顶杆3压入将活动手爪18自锁紧状态下松开当机械爪伸出抓住刀柄后机械手轴向向左伸出此时挡块13亦同时离开固定杆35借弹簧1的作用将挡块13拉回原来的锥孔盘4上锥孔与钢球5相对的原始位置由弹簧销11的作用使挡块13又向右移动至锥孔盘4与支架12端面压紧的位置这时机械臂上的弹簧顶杆3又自由伸出将活动手爪18锁死保证机械手将刀具拔出后机械手能将刀具可靠地夹紧com 回转运动见驱动装置图回转机械用来实现刀具的交换动作由图驱动外形装置图可见它由手臂14回转座51组成的手臂14与花键轴50固定连接花键轴与两个花键套筒49相连后者则由固定在机床立柱上回转座51上的两个滚动轴承支撑齿轮41通过花键轴套筒安装在花键轴的右端回转液压缸的结构见第三张图回转缸壳体79和上端盖86下端盖74定片93间均用螺钉联接并将它们作为一体通过上端盖与固定在立柱上转轴2支承在上下端盖上与动片90固定联接其伸出端通过花键轴部分与中间座的齿轮联接向手臂传递运动当液压缸通入高压油而使转轴转动时通过传动齿轮99带动齿轮41回转这样由花键轴50带动手臂14转动其转角两相对180°的极限位置可由螺钉67及53限定同时由螺钉65及68压下微动开关69及52发出到位信号以进行下一个动作com 直线运动回转头14的向左或向右拔刀或插刀的直线运动是由液压缸来实现液压缸座系固定于机床立柱上活塞杆端部有联接件与花键轴相连当活塞杆因液压缸进入高压油而向左或向右运动时通过联接件即可带动花键轴作直线运动从而带动回转头及机械手臂作向左或向右运动在液压缸两端设有缓冲装置可防止活塞与液压缸端面的撞击当活塞在左右两极限位置时都设有可调挡块由微动开关作用发出到位信号需要提醒的是既要保证不漏油又要保证机械手动作灵活过紧的密封往往影响机械手的正常动作这种液压缸活塞驱动的机械手每个动作结束之前均需设置缓冲机构以保证机械手的工作平稳可靠缓冲结构可以是小孔节流可以外接节流阀或是缓冲阀等为了使机械手工作平稳可靠除了要设有缓冲机构外还要考虑尽可能减小机械手的惯量圆柱体围绕旋转中心的运动惯量可由下式确定J J0WR298 com2式中 J0圆柱体绕其自身中心的惯量N·m·s2W圆柱体的重量NR旋转半径 m由上式可见惯量与物体重量成正比与旋转半径的平方成正比因此要尽可能采用密度小质量请的材料制造有关的零件要尽可能的减小机械手的回转半径由于液压驱动的机械手需要采用严格的密封因此还需要缓冲机构33 设计计算com 手指夹紧力的计算手指对工件的夹紧力可按下式计算N≥k1k2k3G kg·f式中k1安全系数通常取122我们取k1 18k2动载系数主要考虑惯性力的影响可按k2=1+ag估算a为机械手在搬运过程中的加速度单位为ms2a=98ms2g为重力加速度所以这里k2 1k3方位系数按《机械工程手册》第10卷表562-3选取k3 0911我们取k3 10G被夹持工件的重量单位kg这里G 11kg则我们设计的机械手手指的夹紧力为N≥18×1×10×11 kg·f 198 kg·fcom 齿轮的设计齿轮传动按照两齿轮轴在机构中相对位置的不同分为两轴相互平行两轴相交和两轴交错即不平行也不相交三类用与平行轴传动的有直齿斜齿圆柱齿轮直齿斜齿内齿轮直齿斜齿缘这些齿轮有称为平面齿轮用与相交轴传动的有两轴线垂直相交和两轴线相交但不垂直的直齿圆弧齿延伸外摆线齿锥齿轮用与交错轴传动的有螺旋齿轮蜗轮蜗杆和轴线偏置的锥齿轮双曲线齿轮这些齿轮又称空间齿轮齿轮齿形曲线主要采用渐开线其它还有摆线圆弧线等由于渐开线齿形容易制造便于安装所以大多数齿轮采用渐开线齿形齿形标准摘自JB-100-60JB304-62齿轮传动是机械传动中最重要的传动之一形式很多应用广泛传递的功率近十万千瓦圆周速度可达200ms齿轮传动按照两齿轮轴在机构中相对位置的不同一齿轮传动主要特点①效率高在常用的机械传动中以齿轮传动的效率为最高如一级圆柱齿轮的效率可达99这对大功率传动十分重要因为即使效率只提高1也有很大的经济效益②结构紧凑在相同的使用条件下齿轮传动所需的空间尺寸一般较小③工作可靠寿命长设计制造正确合理使用维护良好的齿轮工作十分可靠寿命可长达一二十年这也是其它机械传动所不能比拟的这对车辆及矿井内工作的机器尤为重要④传动比稳定传动比稳定往往是对传动性能的基本要求齿轮传动获得广泛应用也就是由于这一特点但是齿轮传动的制造及安装精度要求高价格较贵且不宜用于传动距离大的场合齿轮传动可做成开式半开式及闭式如在农业机械建筑机械以及简易的机械设备中有一些齿轮传动没有防尘罩或机壳齿轮完全暴露在外边这叫开式齿轮传动这种传动外界杂物极易侵入而且润滑不良因此工作条件不好轮齿也极易磨损故只宜用于低速传动当齿轮传动装有简易的防护罩有时还把大齿轮部分地浸入油池中则称为半开式齿轮传动它的工作条件虽有改善但仍不能做到防止外界杂物侵入润滑条件也不算最好而汽车机床航空发动机等所用的齿轮传动都是装在精确加工而且封闭严密的箱体机匣内这称为闭式齿轮传动齿轮箱它与开式或半开式相比润滑及防护等条件最好多用于重要的场合二设计原则所设计的齿轮传动在具体的工作情况下必须具有足够的相应的工作能力以保证在整个工作寿命期间不致失效目前设计一般使用的。
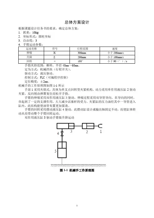
总体方案设计根据课题设计任务书的要求,确定总体方案:1.抓重:10kg2.坐标形式:圆柱坐标3.自由度:3定为方式:机械挡块(行程开关)。
驱动方式:液压驱动。
控制方式:PLC(可编程序控制)定位精度:±2mm。
机械手的工作原理图如图1-1所示手部1采用夹钳式,具体为单支点回转型夹紧机构。
动力采用单作用液压缸2驱动夹紧,反向则由弹簧复位而松开手指。
手臂的伸缩采用双作用液压缸3驱动,伸缩过程采用双导管导向,在导向的同时,亦起到了一定的支撑作用,大大减少活塞杆的受力。
夹紧缸的压力油经其中一导管进入缸内,此结构能使油管布置更加紧凑。
手臂的回转采用摆动液压缸4驱动,此摆动缸设计成输出轴固定不动,而使缸体转动从而带动整个手臂回转运动。
双作用液压缸5驱动手臂做升降运动图1-1 机械手工作原理图手部设计手部(亦称抓取机构)是用来直接握持工件的部件,由于被握持工件的形状、尺寸大小、重量、材料性能、表面处理等的不同,则机械手的手部机构是多种多样的,大部分的手部结构是根据特定的工件要求而设计的(林建龙,王小北,2003)。
常用的手部,按其握持工件的原理,大致可分成夹持式和吸附式两大类。
本设计采用常用的夹钳式手部结构,它是最常见的夹持式结构。
夹钳式手部是由手指、传动机构和驱动装置三部分组成的,它对抓取各种形状的工件具有较大的适应性,可以抓取轴、盘和套类零件(殷际英,何广平,2003)。
一般情况下多采用两个手指,少数采用三指或多指。
本设计中的工件是棒料,所以选择较简单的两指结构。
夹钳式手部设计的基本要求:1、应具有适当的夹紧力和驱动力手指握力(夹紧力)大小要合适,力量过大则动力消耗多,结构庞大,不经济,甚至会损坏工件;力量过小则夹持不住或产生松动、脱落。
在确定握力时,除考虑工件总量外,还应考虑传送或操作过程中所产生的惯性力和振动,亦保证工件夹持安全可靠(杨永清等,2008)。
对于手部的驱动装置来说,应有足够的驱动力。
毕业设计气动机械手回转臂结构设计毕业设计任务书题目名称:气动机械手回转臂结构设计具体要求:(原始数据、试验方案、手段及预期结果)结合所学专业知识,查阅相关书籍及资料,深入理解设计课题的要求,完成设计任务,具体要求如下:1.收集相关资料,气动机械手的工作原理,确定总体设计方案,做开题报告,翻译一篇与该课题有关的不少于5000 个英文字符的外文资料。
2.位置检测精度达到±1毫米。
伸缩行程 100mm,升降行程 50mm。
旋转180︒。
3.抓握零件直径5-20 ,最大重量 0.5kg。
4.总结设计过程,撰写毕业设计论文,准备答辩,按照论文撰写规范书写毕业设计论文,并做好答辩前的准备工作。
基本内容如下:本课题将要完成的主要任务如下:(1)进行气动机械手的总体研究,并进行整体运动方式设计;(2)设计气动机械手气路设计,进行关键部件的设计计算;(3)设计气动机械伸缩、回转臂部分结构,进行关键部件的设计计算;(4)PLC控制系统的设计及编程。
其中:参考文献篇10 篇以上数:6 000 字以上说明书字数:折合A0 图纸 3 张,其中至少 1 张装配图图纸张数:气动机械手回转臂结构设计摘要本文简要介绍了工业机器人的概念,机械手的组成和分类,机械手的自由度和坐标形式,气动技术的特点,PLC 控制的特点及国内外的发展状况。
本文对机械手进行总体方案设计,确定了机械手的坐标形式和自由度,确定了机械手的技术参数。
同时,设计了机械手的夹持式手部结构,设计了机械手的手腕结构,计算出了手腕转动时所需的驱动力矩和回转气缸的驱动力矩。
设计了机械手的手臂结构。
设计出了机械手的气动系统,绘制了机械手气压系统工作原理图,对气压系统工作原理图的参数化绘制进行了研究,大大提高了绘图效率和图纸质量。
利用可编程序控制器对机械手进行控制,选取了合适的PLC 型号,根据机械手的工作流程制定了可编程序控制器的控制方案,设计了机械手的工作时序图,并绘制了可编程序控制器的控制程序。
简易搬运机械手的设计
一、设计总体方案
1、机械手外形如上图所示。
2、本设计关于机械手具有4个自由度既:手部回转;手臂伸缩;手臂回转;手臂升降4个主要运动。
3、本设计机械手主要由4个大部件和5个液压缸组成:
(1)手部,采用一个双作用式液压缸,通过机构运动实现手抓的张合。
(2)腕部,采用一个回转液压缸实现手部回转0180。
(3)臂部,采用直线缸来实现手臂平动。
(4)机身,采用一个直线缸和一个回转缸来实现手臂升降和回转。
4、设计技术参数
抓重:30Kg (夹持式手部)
自由度数:4个自由度
座标型式:圆柱座标
最大工作半径:1600mm
手臂最大中心高:900mm
手臂运动参数
伸缩行程:800mm
伸缩速度:50mm/s
升降行程:330mm
升降速度:50mm/s
回转范围:00180 回转速度:s 40 手腕运动参数
回转范围: 00180 回转速度:s 40
手指夹紧油缸的运动速度 50mm/s
5、驱动方案选择液压驱动。
二、控制方案
1、控制流程:先左转 →下降 → 手腕逆时针转动90° →手臂伸长 →检查有无物品,若有物品,手爪抓紧 →手臂收缩 →手腕顺时针转动90° →上升 →右转 →手臂伸长至最
长→下降→手腕逆时针转动90°→手爪松开→手臂收缩最短→手腕顺时针转动90°→上升→延时T。
至此,一个工作循环完毕。
2、控制方案选择单片机控制。
1前言1.1 机械手发展历史与现状随着经济的不断发展,客户的需求日益多样化,人们对制造企业的生产模式提出了更高的要求,大批量的生产方式将逐渐被模块化、柔性化的生产方式所取代。
因此,企业对制造装备提出了更高的要求,柔性化的数控加工设备将成为装备制造业发展的主流。
因此,将卧式加工中心的机械手设计作为毕业设计题目,迎合了装备制造业发展趋势。
卧式加工中心的换刀机械手是自动换刀装置中交换刀具的主要工具,它用来把刀库上的刀具送到主轴上,同时把主轴上已用过的刀具返回刀库。
据不完全统计,全世界的工业机器人中大约有近一半的工业机器人用于各种形式的加工中心的自动换刀领域。
目前用得最广泛的是模仿人的手臂功能的多关节机器人,其手臂灵活性最大,可以使换刀卡爪的空间位置和姿势调至任意状态,满足换刀需求。
我国的机械手起步于20世纪70年代初期,经过30多年发展,大致经历了3个阶段:70年代萌芽期、80年代的开发期和90年代的应用化期。
在我国,机械手市场份额大部分被国外机械手企业占据着。
在国际强手面前,国内的机械手企业面临着相当大的竞争压力。
如今,我国正在从一个“制造大国”向“制造强国”迈进,中国制造业面临着与国际接轨、参与国际分工的巨大挑战,政府务必会加大对机器人的资金投入和政策支持,将会给机械手产业发展注入新的动力。
不仅如此,我国目前已基本掌握了机器人操作机的设计制造技术、控制系统硬件和软件设计技术、运动学和轨迹规划技术,生产了部分机器人关键元器件。
国际上,目前机器人界都在加大科研力度,进行机器人共性技术的研究。
例如,德国的CLOOS、REIS、KUKA 公司;瑞典的ABB公司;奥地利的IGM公司;意大利的CAMAU公司;日系有OTC、Panasonic、FANUC公司在机器人方面都做的比较好。
从机器人技术发展趋势看,自动换刀机器人和其它工业机器人一样,正在不断向智能化和多样化方向发展。
1.2设计目的及意义1.2.1 设计目的本次设计主要为卧式加工中心设计其用于换刀的机械手部分,目的是为了使加工中心能够更快的工作,使加工中心能够得到更加充分的利用,以实现其价值所在。
摘要对工业机械手各部分机械结构和功能的论述和分析,设计了一种圆柱坐标形式机械手。
重点针对机械手的立柱、手臂、手爪等各部分机械结构以及机械手控制系统进行了详细的设计。
具体进行了机械手的总体设计,立柱结构的设计,机械手手臂结构的设计,末端执行器(手爪)的结构设计,机械手的机械传动机构的设计,机械手驱动系统的设计。
同时对液压系统和控制系统进行了理论分析和计算。
基于PLC对机械手的控制系统进行了深入细致的设计,通过对机械手作业的工艺过程和控制要求的分析,设计了控制系统的硬件电路,同时编制了机械手的控制程序,达到了设计的预期目标。
关键词:机械手,可编程控制器PLC,液压伺服定位,电液系统AbstractIntegratting the knowledge of the past four years of Machine, discuss and analysis the each part and function of manipulator; design a kind of cylinderical coordinate manipulator used to pack and unload work piece for CNC machine tools. In particular, made the detailed design about base, arm, and end effector and the control system etc. including Total design, waist’s construction design, the arm’s construction design, the wrist’s construction design, the end effector’s construction design, and the drive system of manipulator. At the same time, analysis and compute the hydraulic pressure system and control system. Deeply design the manipulator’s control system, which based on PLC. After analysis about the craft process and the requests of the manipulator, the hardware circuit and the control program of the manipulator then is designed. In a word, the design of the manipulator has come to the anticipant object.Keyways: Manipulator, Programmable Logic Controller, Hydraulic servo control, Electrohydraulic system目录摘要 (1)Abstract (2)1 绪论 (1)1.1 选题背景 (1)1.2 设计目的 (1)1.3 国内外研究现状和趋势 (2)1.4 设计原则 (4)2 工业机械手的总体设计方案 (5)2.1 工业机械手传动方案设计 (5)2.2 工业机械手运动方案设计 (5)3 机械手结构设计 (9)3.1各执行部件(液压缸)的类型选择 (9)3.2 各执行部件之间的联接和固定方式设计 (9)3.3 手部的结构设计、计算及选型 (9)3.4 小手臂的结构设计、计算及选型 (13)3.5 大手臂的结构设计、计算及选型 (18)3.6 回转缸的结构设计、计算及选型 (20)4 液压系统设计 (25)4.1 液压系统的组成 (25)4.2 液压系统的特点 (26)4.3 拟定液压系统 (26)4.4 液压系统控制元件的选型 (27)4.5 液压控制原理及过程说明 (29)4.6 油缸泄露问题与密封装置 (30)4.7 管路布置 (31)5 PLC控制系统设计 (32)结论 (34)致谢 (35)参考文献 (36)1 绪论1.1 选题背景机械手是在自动化生产过程中使用的一种具有抓取和移动工件功能的自动化装置,它是在机械化、自动化生产过程中发展起来的一种新型装置。
题目1、机械手的手腕结构与手臂结构设(CAD图)机械手的手腕结构方案设计考虑机械手的通用性,同时由于被抓取工件是水平放置,因此手腕必须设有回转运动才可满足工作的要求。
因此,手腕设计成回转结构,实现手腕回转运动的机构为回转气缸。
机械手的手臂结构方案设计按照抓取工件的要求,本机械手的手臂有三个自由度,即手臂的伸缩、左右回转和升降(或俯仰)运动。
手臂的回转和升降运动是通过立柱来实现的,立柱的横向移动即为手臂的横移。
机械手的主要参数1、主参数机械手的最大抓重是其规格的主参数,目前机械手最大抓重以10公斤左右的为数最多。
故该机械手主参数定为10公斤,高速动作时抓重减半。
使用吸盘式手部时可吸附5公斤的重物。
2、基本参数运动速度是机械手主要的基本参数。
操作节拍对机械手速度提出了要求,设计速度过低限制了它的使用范围。
而影响机械手动作快慢的主要因素是手臂伸缩及回转的速度。
该机械手最大移动速度设计为1.2m/s,最大回转速度设计为1200°/s,平均移动速度为lm/s,平均回转速度为900°/s。
机械手动作时有启动、停止过程的加、减速度存在,用速度一行程曲线来说明速度特性较为全面,因为平均速度与行程有关,故用平均速度表示速度的快慢更为符合速度特性。
除了运动速度以外,手臂设计的基本参数还有伸缩行程和工作半径。
大部分机械手设计成相当于人工坐着或站着且略有走动操作的空间。
过大的伸缩行程和工作半径,必然带来偏重力矩增大而刚性降低。
在这种情况下宜采用自动传送装置为好。
根据统计和比较,该机械手手臂的伸缩行程定为600mm,最大工作半径约为1500mm,手臂安装前后可调200mm。
手臂回转行程范围定为2400(应大于180否则需安装多只手臂),又由于该机械手设计成手臂安装范围可调,从而扩大了它的使用范围。
手臂升降行程定为150mm。
定位精度也是基本参数之一。
该机械手的定位精度为土0.5~±lmm机械手的技术参数列表一、用途:用于 100 吨以上冲床上下料。
目录摘要 (1)1.功能设计 (1)2.设计原理 (2)3.结构设计..........................................................3.1腕部结构3.1.1手腕驱动力矩计算3.2 手臂回转结构3.2.1 手臂回转力矩计算4.零部件设计4.1两支点回转式钳爪的定位误差的分析 (2)4.2单片回转油缸4.3 油泵4.4 油泵电动机5. 三维模型展示.....................................................6.结论...........................................................机械手液压回转结构传动结构设计摘要机械手是模仿人的手部动作,按给定程序、轨迹和要求实现自动抓取、搬运和操作的自动装置。
机械手一般有执行机构、驱动系统、控制系统及检测装置三大不封闭组成。
本篇只详细介绍执行机构中的回转结构运动部分的结构设计。
1 功能设计①手腕的回转运动功能手腕回转利用回转油缸通过两腔通入压力油驱动动片连同夹紧油缸缸体和底座移动转动,实现手腕的回转功能,回转角度为 1150。
②手臂的回转运动功能采用齿条缸式臂回转机构。
回转运动由齿条活塞杆驱动齿轮,带动配油轴和缸体一起转动,再通过缸体上的平键带动外套一起转动实现手臂的回转。
液压回转结构传动部分主要有以下几个部分组成:①油泵它供给液压系统压力油,将电动机输出的机械能转换为油液的压力能,用着压力油驱动整个液压系统工作。
②液动机压力油驱动运动部件对外工作不分。
手臂做直线运动,液动机就是手臂伸缩油缸。
这里探究的是回转运动的液动机,一般叫作油马达,回转叫小于3600的液动机,一般叫作回转油缸(或称摆动油缸)。
③控制调节装置各种阀类,如单向阀、溢流阀、节流阀、减压阀、顺序阀等,各起一定作用,是机械手的手臂、手腕、能够完成所要求的运动。
毕业论文学生姓名:学号:所在学院:专业:设计(论文)题目:指导教师:单臂回转式机械手机械系统的设计摘要在工业生产中间,机械手可以代替人的繁重劳动,从而实现生产的机械化和自动化,能在有害环境下操作,这样子能够保护人身安全,很大程度提高劳动效率和改善工人工作环境,在很多方面都体现出其不可替代的优势,因而在工业生产中应用广泛。
本次所设计的机械手,为单臂回转式机械手,对机械手的要求是搬运一个一千克的铁块,从一个平台到另一个平台,旋转过的角度为90度。
从上面的这些条件可以看出,对于机械手结构的选取就比较的多样化。
我们可以选择圆柱坐标型的,也可以选择较为复杂的球坐标型和关节型。
根据对机械手的运动部分结构的设计及选型,以及选定的夹持的方式,我们定出了机械手的总体结构,其中包括两个相互平行的液压缸和一个旋转的气压缸、电磁铁吸附装置、支座和底座。
两个液压缸用于升降运动,气压缸用于回转运动,夹持器主要部分为一个吸附式电磁铁。
此次设计中机械手动作固定,结构简单,可靠性较高,易于拆装,可用于机械设计和液压相关课程实验教学中的演示和拆装练习。
关键词:机械手圆柱坐标型液压缸气压缸吸附式The design of the mechanical system of the Single Arm RotaryManipulatorAbstractDuring the industrial production, the manipulator can substitute the heavy working of the workers, which can undergo the hazardous conditions, to realize the mechanization and automation of the production. According to these, the manipulator can ensure the personal safety, improve the effectives of the production and ameliorate the working conditions of workers. In many aspects, the manipulators reflect its irreplaceable advantages to be used widely in the industrial production. The manipulator designed in this paper is a single arm rotary manipulator, which requires the manipulator to move a kilogram of the iron from one platform to another, the rotation angle is 90 degrees. As the selection of the manipulator’s structure is diversification, we can choose the cylindrical coordinate type, or we can choose the more complex one, the ball coordinate type or the joint type. According to the design and the selection of the motion part structure of the manipulator, and the determined clamping way, we define the overall structure of the manipulator, which including a pneumatic cylinder and two hydraulic cylinders which are mutually parallel, an electromagnet adsorbing device, bearing and a base. The hydraulic cylinders are respectively used for the lifting movement and the pneumatic cylinder is for the turning movement. The holder’s main part is an adsorption type of the electromagnet. In this paper, the designed manipulator has following advantages: the motion is fixed, the structure is simple, the reliability is high and the manipulator is easy to assemble and disassemble. The manipulator can be used in the related mechanical design and hydraulic course for the experiment teaching, as the demonstration and disassembly practice.Keywords: manipulator, cylindrical coordinate type, hydraulic cylinder, pneumatic cylinder, absorption目录摘要-----------------------------------------------------ⅠABSTRACT-------------------------------------------------Ⅱ第一章序言----------------------------------------------1 1.1概述 (1)1.2机械手的简介 (1)1.2.1机械手的应用 (1)1.2.2机械手的通常结构及其特点 (2)1.2.3机械手的结构 (3)1.2.4 机械手的发展 (4)第二章回转式机械手的机械系统的设计--------------------6 2.1回转式机械手总结构图的设计 (6)2.2回转式机械手回转部分的机械设计 (8)2.3回转式机械手的大臂的机械设计 (10)2.4回转式机械手的小臂的机械设计 (11)2.5回转式机械手的抓取部分的机械设计 (13)2.6回转式机械手立柱部分的设计 (14)2.7回转式机械手底座部分的设计 (15)第三章回转机械手的系统的仿真----------------------------17第四章总结----------------------------------------------19 参考文献-------------------------------------------------20 谢辞---------------------------------------------------22第一章序言1.1概述关于机械手,就是用来再现人手功能的技术装置[1]。
液压与气压传动课程设计任务书设计题目:机械手小臂回转液压系统设计年级:机械设计制造及其自动化姓名:2012年12月4日目录1工况分析与计算 (1)1.1工况分析 (1)1.1.1工作循环 (1)1.1.2工作循环图绘制 (2)1.2负载分析与计算 (2)1.21负载图与速度绘制 (2)2液压系统图的拟定 (4)2.1系统功能分析 (4)2.2系统图的拟定 (4)2.3系统图的绘制 (5)2.4系统功能说明 (6)3液压元件的计算与选择 (6)3.1确定液压泵的型号及电动机功率 (6)3.2阀类元件及辅助元件的选择 (7)4液压缸设计 (8)4.1液压缸结构的拟定 (8)4.2液压缸的结构的计算 (10)4.3液压缸结构图 (11)5设计总结 (12)6参考文献 (13)设计某型机械手腰部回转装置采用摆动缸,实现“快进-1 工进-2工进-快退”工作循环。
基本设计参数如下:1.1工况分析对液压传动系统的工况分析就是明确各执行元件在工作过程中的速度和负载的变化规律,也就是进行运动分析和负载分析。
1.1.1 工作循环通过该液压系统,可以使机器人手臂实现快进120°-工进100°-快退220°的工作状态。
1.1.2 工作循环图绘制1.2 负载分析与计算负载分析就是研究各执行元件在一个工作循环各阶段的受力情况。
工作负载 T L = 150Nm;根据题目给定条件,初步计算得: 快进 ︒=1201θ s rad s /3601πω=︒= s t 211==ωθ工进 ︒=1002θ s rad s /365252πω=︒= s t 422==ωθ 快退 ︒=2203θ s rad s /3603πω=︒= s t 31133==ωθ 1.2.1 负载图与速度图绘制ωπππθ°°°图1 速度图图2 工况图2液压系统图的拟定2.1系统功能分析通过该液压系统,可以使机器人手臂实现回转快进120°-工进100°-快退220 °的工作过程。
回斜式单臂单截机械手系列XZ-B550V1.机型可单独取水口,取制品,也可以同时取两板模的制品和水口;2.机台手臂采用高强度铝型材,配合精密线型滑轨;重量轻,钢性好,磨擦低,寿命长;3.采用进口元件,经久耐用;4.小巧型手持式控制器,操作简便,可设置100组程序;5.机台采用模内快速,模外慢速,不影响成型周期,性能更稳定,动作更安全.回斜式单臂双截机械手系列XZ-B650VⅡ1.机台可在大型机台上用来直接夹取水口或取制品,也可同时取两板模的制品和水口.减少机台成本,经济实用型的选择,具有机台高度小的优势,可在低矮厂房内安装;2.手臂应用倍速结构,手臂速度更快;3.手臂采用高强度铝型材,配合精密线型滑轨;重量轻,钢性好,磨擦低,寿命长;4.采用进口元件,经久耐用;5.小巧型手持式控制器,操作简便,可设置100组程序;6.机台采用模内快速,模外慢速,不影响成型周期,性能更稳定,动作更安全.回斜式双臂单截机械手系列XZ-B450S1.机台手臂采用高强度铝型材,配合精密线型滑轨;重量轻,钢性好,磨擦低,寿命长;2.采用进口元件,经久耐用;3.小巧型手持式控制器,操作简便,可设置100组程序;4.机台可以用来同时取三板模的制品和水口,也可以任意一个手臂单独使用.5.机台采用模内快速,模外慢速,不影响成型周期,性能更稳定,动作更安全横走式双臂单截机械手系列HZ-B650S1.机台采用无杆气动驱动,动作快,维护更容易;2.机台伺服横行采用交流伺服电机驱动,运动速度快,定位准确,可实行横行轴多点置物;3.机台横行采用变频马达驱动,动作速度平顺,定位精准;4.采用进口元件,经久耐用;5.手臂采用高强度铝型材,配合精密线型滑轨;重量轻,钢性好,磨擦低,寿命长;6.姿势组合设计,固定旋转90度,可配合固定模或移动模取出产品7.双臂结构可同时取制品和水口,也可以任意一个手臂单独使用.横走式单臂双截机械手系列HZ-B650VⅡ-S1.机台采用无杆气动驱动,动作快,维护更容易;2.机台伺服横行采用交流伺服电机驱动,运动速度快,定位准确,可实行横行轴多点置物;3.机台横行采用变频马达驱动,动作速度平顺,定位精准;4.采用进口元件,经久耐用;5.手臂采用倍速结构,手臂上下速度更快;具有机台高度矮的优势,可在低矮厂房内安装;6.手臂采用高强度铝型材,配合精密线型滑轨;重量轻,钢性好,磨擦低,寿命长;7.姿势组合设计,固定旋转90度,可配合固定模或移动模取出产品横走式双臂双截机械手系列HZ-B650SⅡ-M1.机台横行采用伺服电机驱动,运动速度快,定位准确, 可实行横行轴多点置物;2.机台横行采用变频马达驱动,动作速度平顺,定位精准;3.采用进口元件,经久耐用;4.手臂采用倍速结构,手臂上下速度更快;具有机台高度矮的优势,可在低矮厂房内安装;5.手臂采用高强度铝型材,配合精密线型滑轨;重量轻,钢性好,磨擦低,寿命长;6.姿势组合设计,固定旋转90度,可配合固定模或移动模取出产品7.双臂结构可同时取制品和水口,也可以任意一个手臂单独使用.大型横走式机械手系列HZ-C2500VⅡ-M1.伺服机台采用交流伺服电机驱动, 运动速度快,定位准确, 可实行横行轴多点置物;2.机台采用变频马达驱动,动作速度平顺,定位精准;3.采用进口元件,经久耐用;4.倍速机构的应用,手臂速度更快;具有机台高度矮的优势,可在低矮厂房内安装;5.手臂采用高强度铝型材,配合精密线型滑轨;重量轻,钢性好,磨擦低,寿命长;6.姿势组合设计,固定旋转90度,可配合固定模或移动模取出产品7.双截手臂机构,更适用于特大注塑机,手臂型材结构,运行更加稳固;8.双臂结构可同时取制品和水口,也可以任意一个手臂单独使用.侧取式机械手系列CZ-450C/55C/650C1.机台为立式注塑机专用机械手;2.机台可单独取水口,取制品,也可同时取两板模制品和水口;3.机台手臂采用高强度铝型材,配合精密线型滑轨;重量轻,钢性好,磨擦低,寿命长;4.采用进口元件,经久耐用;5.小巧型手持式控制器,操作简便,可设置100组程序;6.机台采用模内快速,模外慢速,不影响成型周期,性能更稳定,并能延长使用寿命.升降台LS-1400/18001.于机械手臂讯号相连接,准确的接住制品,保护制品;2.下降后可以自动倾斜面,将成品滑向工作台;3.上下行程可以调整,可根据注塑成型机与机械手高度调整。
气动机械手回转臂结构设计信息分别存储于两种以上的存储装置中,如顺序存储于插销板、凸轮转鼓、穿孔带内;位置信息存储于时间继电器、定速回转鼓等;集中存储是将各种控制因素的信息全部存储于一种存储装置内,如磁带、磁鼓等。
这种方式使用于顺序、位置、时间、速度等必须同时控制的场合,即连续控制的情况下使用。
2.2 腕部设计计算考虑到机械手的通用性,同时由于被抓取工件是水平放置,因此手腕必须设有回转运动才可满足工作的要求。
因此,手腕设计成回转结构,实现手腕回转运动的机构为回转气缸。
腕部采用回转结构,可以实现回转运动,手臂采用双作用式汽缸,可以实现伸缩、升降、回转运动。
腕部是将手部和臂部联接的部件,其运动主要用来改变被夹物体的方位,它动作灵活,转动惯性小。
本课题腕部具有回转这一个自由度,可采用具有一个活动度的回转缸驱动的腕部结构。
要求:回转±90°角速度W=45°/s以最大负荷计算:当工件处于水平位置时,摆动缸的工件扭矩最大,采用估算法,工件重10kg,长度l=650mm。
(1)计算扭矩M1、M2、M摩设重力集中于离手指中心200mm处,即扭矩M1=F×S =10×9.8×0.2=20(N·M)油缸(伸缩)及其配件的估算扭矩M2=F×S=5×9.8×0.1 =5(N·M)摆动缸的摩擦力矩M摩=F摩×S=6(N·M)(2)摆动缸的总摩擦力矩M;M=M1+M2+M摩=31(N·M);W=8Q/(ΦA12-Φmm2)b 所以Q=W(ΦA12-Φmm2)b/8 =28ml/s3 机械手回转臂的结构优化措施伸缩手臂在进行运动时,为防止手臂沿伸缩方向轴线转动、加大承载能力,以及提高运动精度,必须设有导向装置。
伸缩手臂的导向装置需根据伸缩手臂的安装形式、结构及负荷等条件来确定。
常用的有单导向杆和双导向杆。
回转式上下料机械手的设计车床上下料机械手的设计1摘要对工业机械手各部分机械结构和功能的论述和分析,设计了一种圆柱坐标形式机械手。
重点针对机械手的立柱、手臂、手爪等各部分机械结构以及机械手控制系统进行了详细的设计。
具体进行了机械手的总体设计,立柱结构的设计,机械手手臂结构的设计,末端执行器(手爪)的结构设计,机械手的机械传动机构的设计,机械手驱动系统的设计。
同时对液压系统和控制系统进行了理论分析和计算。
基于PLC对机械手的控制系统进行了深入细致的设计,通过对机械手作业的工艺过程和控制要求的分析,设计了控制系统的硬件电路,同时编制了机械手的控制程序,达到了设计的预期目标。
关键词:机械手,可编程控制器PLC,液压伺服定位,电液系统车床上下料机械手的设计2车床上下料机械手的设计3AbstractIntegratting the knowledge of the past four years of Machine, discuss and analysis the each part and function of manipulator; design a kind ofcylinderical coordinate manipulator used to pack and unload work piece for CNC machine tools. In particular, made the detailed design about base, arm, andend effector and the control system etc. including Total design, waist’s construction design, the arm’s construction design, the wrist’s construction design, the end effector’s construction design, and the dri ve system of manipulator. At the same time, analysis and compute the hydraulic pressure system and control system. Deeply design the manipulator’s control system, which based on PLC. After analysis about the craft process and the requests of the manipulator, the hardware circuit and the control program of the manipulator then is designed. In a word, the design of the manipulator has come to the anticipant object.Keyways: Manipulator, Programmable Logic Controller, Hydraulic servo control,Electrohydraulic system车床上下料机械手的设计4目录摘要 ........................................................................... (1)Abstract ..................................................................... .............................................................................. .... 2 1 绪论 ........................................................................... (1)1.1 选题背景 ........................................................................... .............................................................. 1 1.2 设计目的 ........................................................................... .............................................................. 1 1.3 国内外研究现状和趋势 ........................................................................... ................................... 2 1.4 设计原则 ........................................................................... .. (4)2 工业机械手的总体设计方案 ........................................................................... . (5)2.1 工业机械手传动方案设计 ........................................................................... ............................... 5 2.2 工业机械手运动方案设计 ........................................................................... . (5)3 机械手结构设计 ........................................................................... (9)3.1各执行部件(液压缸)的类型选择............................................................................ ............. 9 3.2 各执行部件之间的联接和固定方式设计 ........................................................................... ... 9 3.3 手部的结构设计、计算及选型 ........................................................................... ..................... 9 3.4 小手臂的结构设计、计算及选型 ........................................................................... ............... 13 3.5 大手臂的结构设计、计算及选型 ........................................................................... ............... 18 3.6 回转缸的结构设计、计算及选型 ........................................................................... (20)4 液压系统设计 ........................................................................... . (25)4.1 液压系统的组成 ........................................................................... ............................................... 25 4.2 液压系统的特点 ........................................................................... ............................................... 26 4.3 拟定液压系统 ........................................................................... ................................................... 26 4.4 液压系统控制元件的选型 ........................................................................... ............................. 27 4.5 液压控制原理及过程说明 ........................................................................... ............................. 29 4.6 油缸泄露问题与密封装置 ........................................................................... ............................. 30 4.7 管路布置 ........................................................................... (31)5 PLC控制系统设计 ........................................................................... ........................................... 32 结论 ........................................................................... ............................................................................34 致谢 ........................................................................... ............................................................................35 参考文献 ........................................................................... . (36)车床上下料机械手的设计11 绪论1.1 选题背景机械手是在自动化生产过程中使用的一种具有抓取和移动工件功能的自动化装置,它是在机械化、自动化生产过程中发展起来的一种新型装置。