中小学校课桌椅高度与身高对照表
- 格式:doc
- 大小:34.00 KB
- 文档页数:2
学生课桌椅尺寸标准
学生课桌椅的尺寸标准一般会根据年龄和身高来设定,以适应学生的生长发展。
以下是按照年级给出的大致尺寸标准(单位:厘米),请注意这些数据可能会因地域和具体需求有所不同:
1. 幼儿园:
- 低年级(3-4岁):桌高42,椅高22
- 中年级(4-5岁):桌高46,椅高26
- 高年级(5-6岁):桌高52,椅高28
2. 小学:
- 一、二年级(6-8岁):桌高60,椅高32
- 三、四年级(8-10岁):桌高64,椅高34
- 五、六年级(10-12岁):桌高68,椅高36
3. 初中:
- 初一、初二(12-14岁):桌高72,椅高38
- 初三(14-15岁):桌高76,椅高40
4. 高中:
- 全部年级(15-18岁):桌高78,椅高42
这些是一些参考数据,实际使用时,应考虑学生的个人身高和舒适度,同时也需要符合各地的相关规定和标准。
一般来说,学生坐在椅子上,脚平放地面,膝盖弯曲成90度角;坐姿端正时,书桌边缘应与肘部保持在同一水平面,这样最为合适。
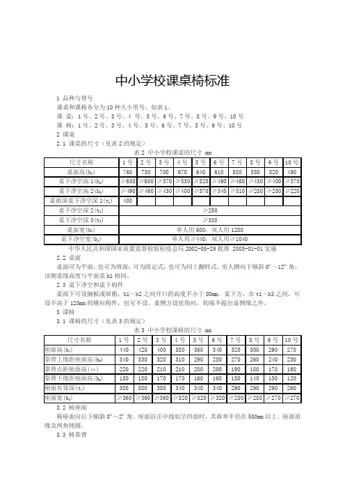
中小学校课桌椅标准1 品种与型号课桌和课椅各分为10种大小型号,如表1。
课桌:1号、2号、3号、4 号、5号、6号、7号、8号、9号、10号课椅:1号、2号、3号、4号、5号、6号、7号、8号、9号、10号2 课桌2.1 课桌的尺寸(见表2的规定)表2 中小学校课桌的尺寸 mm2.2 桌面桌面可为平面,也可为坡面;可为固定式,也可为同上翻转式。
坐人侧向下倾斜0º~12º角,该侧桌缘高度与平面桌h1相同。
2.3 桌下净空和桌下构件桌面下可设搁板或屉箱,h1~h2之间开口的高度不小于80mm。
桌下方,在t1~h3之间,可设不高于125mm的横向构件,也可不设。
桌侧方设挂钩时,钩端不超出桌侧缘之外。
3 课椅3.1 课椅的尺寸(见表3的规定)椅座面向后下倾斜0º~2º角。
座面沿正中线如呈凹面时,其曲率半径在500mm以上。
座面前缘及两角钝圆。
3.3 椅靠背靠背点以上向后倾斜,与垂直面之间呈6º~12º角。
靠背面的前凸呈漫圆,上、下缘加工成弧形。
靠背凹面的曲率半径在500mm以上。
靠背下缘与座面后缘之间留有净空。
注:靠背点是在椅正中线上,靠背向前最凸的点。
它是计算靠背上、下缘高度的基础,使靠背支承在肩胛下角下的腰背部位。
4 产品技术要求及试验方法4.1 桌面高、座面高的允许误差范围为±2mm,靠背点距座面高的允许误差范围为±15mm,其他尺寸误差见QB/T 3916的规定。
4.2 材料要求、工艺要求、漆膜理化性能要求、力学性能要求及试验方法见QB/T 3916的规定。
钢木课桌椅的桌面、座面及靠背三个部位为木制件。
漆膜色调浅淡、均匀,接近天然木色。
5 产品标志按本标准生产的课桌和课椅,附着永久性标牌,按表4标明型号及学生身高范围。
标牌的颜色也符合表4的规定。
6.1 学校预置课桌椅时,要根据当地学生学年中期乃至末期的身高组成比例状况,参照表5及附录A(提示的附录),确定各种大小型号的数量。
《中小学校课桌椅规范》1 品种与型号课桌和课椅各分为10种大小型号,如表1。
表1 中小学校课桌椅的品种与型号2 课桌2.1 课桌的尺寸:见表2的规定表2 中小学校课桌的尺寸mm中华人民共和国国家质量监督检验检疫总局2002-05-29批准2003-01-01实施2.2 桌面桌面可为平面,也可为坡面;可为固定式,也可为同上翻转式。
坐人侧向下倾斜0º~12º角,该侧桌缘高度与平面桌h1相同。
2.3 桌下净空和桌下构件桌面下可设搁板或屉箱,h1~h2之间开口的高度不小于80mm。
桌下方,在t1~h3之间,可设不高于125mm的横向构件,也可不设。
桌侧方设挂钩时,钩端不超出桌侧缘之外。
3 课椅3.1 课椅的尺寸:见表3的规定表3 中小学校课椅的尺寸mm3.2 椅座面椅座面向后下倾斜0º~2º角(图1,α)。
座面沿正中线如呈凹面时,其曲率半径在500mm以上。
座面前缘及两角钝圆。
3.3 椅靠背靠背点以上向后倾斜,与垂直面之间呈6º~12º角(图1,β)。
靠背面的前凸呈漫圆(图1),上、下缘加工成弧形。
靠背凹面的曲率半径(图2,γ)在500mm以上。
靠背下缘与座面后缘之间留有净空。
注:靠背点是在椅正中线上,靠背向前最凸的点。
它是计算靠背上、下缘高度的基础,使靠背支承在肩胛下角下的腰背部位。
4 产品技术要求及实验方法4.1 桌面高、座面高的允许误差范围为±2mm,靠背点距座面高的允许误差范围为±15mm,其他尺寸误差见QB/T 3916的规定。
4.2 材料要求、工艺要求、漆膜理化性能要求、力学性能要求及实验方法见QB/T 3916的规定。
钢木课桌椅的桌面、座面及靠背三个部位为木制件。
漆膜色调浅淡、均匀,接近天然木色。
5 产品标志按本规范生产的课桌和课椅,附着永久性标牌,按表4标明型号及学生身高范围。
标牌的颜色也符合表4的规定。
表4 中小学校课椅的尺寸cm6 分配使用6.1 学校预置课桌椅时,要根据当地学生学年中期乃至末期的身高组成比例状况,参照表5及附录A (提示的附录),确定各种大小型号的数量。
学校小学课桌椅尺寸标准
小学生课桌椅标准尺寸:
长60公分,宽40公分,抽屉高20公分,椅子的宽度30公分。
小学生,初中生,高中生的课桌椅规格都不一样的,特别是高度要符合各年龄段的身高,也可以说是人体工程学,一般都是高度在750至到800,宽在450到500,长度在800到1200之间。
小学生课桌桌面材质为厚20mm的AA级实木橡木插接板,桌面周边棱角成圆弧状。
桌子升降侧板:主体上部宽为355mm、下宽240mm、高368mm、折边13mm、厚度1.2mm优质冷轧板一次模压成型升降模压件,升降孔中心距30mm一个,共六个。
四档调节,每档升降孔固定螺丝中心距为60mm, 小学升降范围(750-660)初中升降范围,(780-690),桌腿双侧带挂钩孔,配一个PP工程塑料挂钩,挂钩不超出桌面(要确保学生安全),边沿及中间部分均有加强筋。
桌面与主体采用自攻丝连接(至少10个螺丝),不露丝。
桌腿:桌底横腿采用冷轧25mm*50mm*1.4mm扁圆形钢管,底腿长370mm。
底腿双立柱高400mm, 双立柱间距为35mm, 两侧双立柱之间外立柱距底腿80mm处用
长465mm扁圆形钢管20mm*50mm*1.4mm连接。
书斗:书洞规格:斗高为165mm×宽505mm×深350mm,采用1.2mm优质冷轧钢板板一次冲压成型;底部距开口部位60mm有18mm加强筋,开口部位方管形卷边。
书斗底板与侧板之间用铆钉连。
小学生桌椅高度对照表
小学生桌椅的正确高度对于孩子的学习情况至关重要。
有一定的桌椅高度可以帮助孩子正确的姿势和位置,减少脊椎的压力,改善孩子的学习状态。
为了让孩子能够拥有理想的学习环境,我们在这里提供了一份小学生桌椅高度对照表,可以帮助大家正确的选择桌椅的高度。
小学生桌椅高度对照表:
学生年龄面高度子高度
7岁以下 50-60 cm 25-35 cm
7岁至9岁 55-65 cm 30-40 cm
9岁至11岁 60-70 cm 35-45 cm
11岁以上 65-75 cm 40-50 cm
该表中桌面高度以及椅子高度是相互结合的,因为孩子的身高不仅和年龄有关,还与各孩子的身材及习惯有关。
一般来说,学生的桌子应该至少比学生的腰部高5-10厘米,椅子的高度应该比学生的腰
部低5-10厘米,比学生腰部低1-2厘米就比较合适。
选择正确高度的桌椅,可以让孩子在学习中获得更好的学习效果。
首先,孩子能够更自然地坐在椅子上,这样可以减少背部肌肉的疲劳,从而改善孩子的视力和提高学习效率。
此外,正确高度的桌椅可以减少由于坐位不合适而导致的膝关节和脊椎的压力,保护孩子的健康。
当然,除了选择合适的桌椅高度之外,还有一些方法可以改善孩子的学习环境。
比如,家长应该经常检查房间的空气质量,保持室内
温度适宜、光线足够强烈,这样可以帮助孩子更好的投入到学习中来。
同时,家长也应该在孩子学习的房间里摆上一些有趣的装饰品,让孩子的学习环境更加有趣。
总之,家长应该根据孩子的身高选择合适高度的桌椅,但是也要注意改善孩子的学习环境,让孩子在舒适的环境中学习,提高学习效率。
学生课桌椅尺寸及选择一、学生桌1、初中学生桌尺寸:600mm450mm(780-690)mm小学学生桌尺寸:600mm450mm(750-660)mm2、桌面尺寸及要求:600mm400mm,材质为厚20mm的AA级实木橡木插接板,桌面周边棱角成圆弧状。
3、桌子升降侧板:主体上部宽为355mm、下宽240mm、高368mm、折边13mm、厚度1、2mm优质冷轧板一次模压成型升降模压件,升降孔中心距30mm一个,共六个。
洛阳傲德办公家具学生桌子都有四档调节,每档升降孔固定螺丝中心距为60mm,小学升降范围(750-660)初中升降范围,(780-690),桌腿双侧带挂钩孔,配一个PP工程塑料挂钩,挂钩不超出桌面(确保学生安全),边沿及中间部分均有加强筋。
桌面与主体采用自攻丝连接(至少10个螺丝),不露丝。
4、桌腿:桌底横腿采用冷轧25mm*50mm*1、4mm扁圆形钢管,底腿长370mm。
底腿双立柱高400mm,双立柱间距为35mm,两侧双立柱之间外立柱距底腿80mm处用长465mm扁圆形钢管20mm*50mm*1、4mm连接。
5、书斗:书洞规格:斗高为165mm宽505mm深350mm,采用1、2mm优质冷轧钢板板一次冲压成型;底部距开口部位60mm有18mm加强筋,开口部位方管形卷边。
书斗底板与侧板之间用铆钉连接。
二、学生椅1、初中学生椅尺寸:345mm240mm(455-395)mm小学学生椅椅尺寸:345mm240mm(425-365)mm2、椅面:椅面尺寸及要求:345mm240mm,材质为厚20mm的AA级实木橡木插接板,椅面周边棱角成圆弧状。
3、椅子升降侧板:主体上部宽为190mm、下宽160mm、高180mm、折边15mm、厚度1、2mm优质冷轧板一次模压成型升降模压件,升降孔中心距30mm一个,共五个。
三档调节,每档升降孔固定螺丝中心距为60mm,小学升降范围(425-365)mm。
中小学校课桌椅高度与身高对照表(国家标准GB/T3976—2002 )单位:cm课桌椅型号桌面高座面高标准身高学生身高范围1 号 76 44 180.0 173~2 号 73 42 172.5 165~1793 号 70 40 165.0 158~1724 号 67 38 157.5 150~1645 号 64 36 150.0 143~1576 号 61 34 142.5 135~1497 号 58 32 135.0 128~1428 号 55 30 127.5 120~1349 号 52 29 120.0 113 ~12710 号 49 27 112.5 ~119注:1、标准身高系指各型号课桌椅最具代表性的身高。
对正在生长发育的儿童青少年而言,常取各向高段的中值。
2、学生身高范围厘米以下四舍五入。
教你如何用WORD文档 (2012-06-27 192246)转载▼标签:杂谈1. 问:WORD 里边怎样设置每页不同的页眉?如何使不同的章节显示的页眉不同?答:分节,每节可以设置不同的页眉。
文件――页面设置――版式――页眉和页脚――首页不同。
2. 问:请问word 中怎样让每一章用不同的页眉?怎么我现在只能用一个页眉,一改就全部改了?答:在插入分隔符里,选插入分节符,可以选连续的那个,然后下一页改页眉前,按一下“同前”钮,再做的改动就不影响前面的了。
简言之,分节符使得它们独立了。
这个工具栏上的“同前”按钮就显示在工具栏上,不过是图标的形式,把光标移到上面就显示出”同前“两个字来。
3. 问:如何合并两个WORD 文档,不同的页眉需要先写两个文件,然后合并,如何做?答:页眉设置中,选择奇偶页不同与前不同等选项。
4. 问:WORD 编辑页眉设置,如何实现奇偶页不同比如:单页浙江大学学位论文,这一个容易设;双页:(每章标题),这一个有什么技巧啊?答:插入节分隔符,与前节设置相同去掉,再设置奇偶页不同。
5. 问:怎样使WORD 文档只有第一页没有页眉,页脚?答:页面设置-页眉和页脚,选首页不同,然后选中首页页眉中的小箭头,格式-边框和底纹,选择无,这个只要在“视图”――“页眉页脚”,其中的页面设置里,不要整个文档,就可以看到一个“同前”的标志,不选,前后的设置情况就不同了。
学生课桌椅技术参数一、学生桌1、初中学生桌尺寸:600mm×450mm×(780-690)mm小学学生桌尺寸:600mm×450mm×(750-660)mm2、桌面尺寸及要求:600mm×400mm,材质为厚20mm的AA级实木橡木插接板,桌面周边棱角成圆弧状。
3、桌子升降侧板:主体上部宽为355mm、下宽240mm、高368mm、折边13mm、厚度1.2mm优质冷轧板一次模压成型升降模压件,升降孔中心距30mm一个,共六个。
四档调节,每档升降孔固定螺丝中心距为60mm, 小学升降范围(750-660)初中升降范围,(780-690),桌腿双侧带挂钩孔,配一个PP工程塑料挂钩,挂钩不超出桌面(要确保学生安全),边沿及中间部分均有加强筋。
桌面与主体采用自攻丝连接(至少10个螺丝),不露丝。
4、桌腿:桌底横腿采用冷轧25mm*50mm*1.4mm扁圆形钢管,底腿长370mm。
底腿双立柱高400mm, 双立柱间距为35mm, 两侧双立柱之间外立柱距底腿80mm处用长465mm扁圆形钢管20mm*50mm*1.4mm连接。
5、书斗:书洞规格:斗高为165mm×宽505mm×深350mm,采用1.2mm优质冷轧钢板板一次冲压成型;底部距开口部位60mm有18mm加强筋,开口部位方管形卷边。
书斗底板与侧板之间用铆钉连接。
二、学生凳1、初中学生凳凳尺寸:345mm×240mm×(455- 395)mm小学学生凳凳尺寸:345mm×240mm×(425- 365)mm2、凳面:凳面尺寸及要求:345mm×240mm,材质为厚20mm的AA级实木橡木插接板,凳面周边棱角成圆弧状。
3、凳子升降侧板:主体上部宽为190mm、下宽160mm、高180mm、折边15mm、厚度1.2mm优质冷轧板一次模压成型升降模压件,升降孔中心距30mm一个,×共五个。
把小白球吹跑了;或者你才在上一个洞吞了柏忌,下一个洞你就为抓了老鹰而兴奋不已。
中小学校课桌椅高度与身高对照表
(国家标准GB/T3976—2002 )
单位:cm
只有凭借毅力,坚持到底,才有可能成为最后的赢家。
这些磨练与考验使成长中的青少年受益匪浅。
在种种历练之后,他们可以学会如何独立处理问题;如何调节情绪与心境,直面挫折,抵御压力;如何保持积极进取的心态去应对每一次挑战。
往往有着
把小白球吹跑了;或者你才在上一个洞吞了柏忌,下一个洞你就为抓了老鹰而兴奋不已。
注:1、标准身高系指各型号课桌椅最具代表性的身高。
对正在生长发育的儿童青少年而言,常取各向高段的中值。
2、学生身高范围厘米以下四舍五入。
只有凭借毅力,坚持到底,才有可能成为最后的赢家。
这些磨练与考验使成长中的青少年受益匪浅。
在种种历练之后,他们可以学会如何独立处理问题;如何调节情绪与心境,直面挫折,抵御压力;如何保持积极进取的心态去应对每一次挑战。
往往有着。