仪表回路调试记录表
- 格式:xlsx
- 大小:11.64 KB
- 文档页数:1
仪表系统回路调校1、一般规定A.所有系统在检验前,均要按设计图纸认真检查仪表系统中的仪表设备安装、配管、配线、气源、电源及位号、测量范围、联锁报警值、调节器的正反作用,计量单位是否与设计相符。
对于调节阀、开关阀的气源压力、输入倍,定位器的正反作用,变送器的量程(包括迁移),压力开关的设定等关键参数,均依照仪表设备数据表进行核对调整,凡仪表设备铭牌上的这些参数与设计不相符,必须予以更正。
B.检查所有的标准表必须在鉴定合格期内,标准表的基本误差的绝对值,不应超过被校回路系统误差的绝对值的1/3。
C.系统检验应对系统中每台仪表的常用功能(如指示、报警、调节、积算、计数、手动节换等)进行检验,系统校验点一般选择在0%、50%、100%三点。
2、检测系统出现场仪表输入端,接正、反量程加入相当于量和的0%、50%、100%的模拟信号,用数字万用表监视DCS的输入值,同时观察操作站的显示值,其误差不得超过系统内所有仪表允许误差的平方和平方根值,若超出该值时,应单独调校系统内的所有仪表,检查线路或管路。
3、调节系统由现场仪表的输入端加入模拟信号,用便携式现场校验仪监视DCS的输入和输出信号,检查系统的基本误差、比例、积分、微分动作以及自动和手动的双向切换性能。
通过DCS的操作站,手动给调节阀(或执行机构)输入4-20mA电流信号,检查调节阀的动作情况,并进行行程精度检验,同时检查操作站的阀位状态指示与现场实际阀位的开、关指示是否一致。
如以上性能指标均符合设计及仪表说明书的要求,该系统为合格。
如系统不合格,则必须单独校验系统内所有仪表检查线路或管路。
4、报警系统由现场仪表的输入端加入模拟信号(或开关量信号),根据设计数据设定报警值,同时检查DCS操作站的声光报警信号是否符合设计要求。
如不符合要求应调校系统内所有仪表、电气元件及检查线路或管路。
5、联锁系统联锁系统可按联锁检测点分解成单个联锁回路,单个联锁回路的参数整定和试验与上述报警系统的调试基本相同,当单个联锁系统试验合格后,现做整套联锁系统的联动试验。
双阳化工淮安有限公司
生产车间:合成一
双阳化工淮安有限公司
生产车间:合成一
双阳化工淮安有限公司
生产车间:合成一
双阳化工淮安有限公司
生产车间:合成一
双阳化工淮安有限公司
生产车间:合成一
双阳化工淮安有限公司
生产车间:合成一
双阳化工淮安有限公司
生产车间:合成二
双阳化工淮安有限公司
生产车间:合成二
双阳化工淮安有限公司
生产车间:合成二
双阳化工淮安有限公司
生产车间:合成二
双阳化工淮安有限公司
生产车间:合成二
双阳化工淮安有限公司
生产车间:合成二
7
8
9
1
1
双阳化工淮安有限公司
生产车间:合成三
双阳化工淮安有限公司
生产车间:合成三
双阳化工淮安有限公司
生产车间:合成三
双阳化工淮安有限公司
生产车间:合成三
双阳化工淮安有限公司
生产车间:合成三
双阳化工淮安有限公司
生产车间:合成三。
说明:用于自控仪表回路安装完成以后,由现场给一次仪表输入模拟信号。
对整个回路进行参数检测,由施工方实施,说明:用于自控仪表回路安装完成以后,由现场给一次仪表输入模拟信号。
对整个回路进行参数检测,由施工方实施,说明:用于自控仪表回路安装完成以后,由现场给一次仪表输入模拟信号。
对整个回路进行参数检测,由施工方实施,说明:用于自控仪表回路安装完成以后,由现场给一次仪表输入模拟信号。
对整个回路进行参数检测,由施工方实施,说明:用于自控仪表回路安装完成以后,由现场给一次仪表输入模拟信号。
对整个回路进行参数检测,由施工方实施,说明:用于自控仪表回路安装完成以后,由现场给一次仪表输入模拟信号。
对整个回路进行参数检测,由施工方实施,说明:用于自控仪表回路安装完成以后,由现场给一次仪表输入模拟信号。
对整个回路进行参数检测,由施工方实施,说明:用于自控仪表回路安装完成以后,由现场给一次仪表输入模拟信号。
对整个回路进行参数检测,由施工方实施,说明:用于自控仪表回路安装完成以后,由现场给一次仪表输入模拟信号。
对整个回路进行参数检测,由施工方实施,仪表回路联校记录ZK-26说明:用于自控仪表回路安装完成以后,由现场给一次仪表输入模拟信号。
对整个回路进行参数检测,由施工方实施,仪表回路联校记录ZK-26说明:用于自控仪表回路安装完成以后,由现场给一次仪表输入模拟信号。
对整个回路进行参数检测,由施工方实施,仪表回路联校记录ZK-26说明:用于自控仪表回路安装完成以后,由现场给一次仪表输入模拟信号。
对整个回路进行参数检测,由施工方实施,仪表回路联校记录ZK-26说明:用于自控仪表回路安装完成以后,由现场给一次仪表输入模拟信号。
对整个回路进行参数检测,由施工方实施,说明:用于自控仪表回路安装完成以后,由现场给一次仪表输入模拟信号。
对整个回路进行参数检测,由施工方实施,说明:用于自控仪表回路安装完成以后,由现场给一次仪表输入模拟信号。
仪表开关量回路调试定额1. 任务背景在工业控制系统中,仪表开关量回路的调试是确保系统正常运行的重要环节。
通过对开关量回路的调试,可以验证传感器和执行器的工作状态,并确保信号的准确传输和响应。
编写一个仪表开关量回路调试定额是非常必要的。
2. 定额编写目的仪表开关量回路调试定额的目的是为了规范化和标准化调试过程,提高调试效率和质量。
定额中包含了调试所需的步骤、工具、材料等信息,使得各个参与者能够按照统一标准进行工作。
3. 定额内容3.1 调试步骤•步骤1:检查仪表开关量回路接线是否正确,并确认电源是否连接正常。
•步骤2:使用万用表测量电源电压,并记录下来。
•步骤3:检查传感器是否安装正确,并确认传感器与控制系统之间的连接是否牢固。
•步骤4:使用万用表测量传感器输出信号,并记录下来。
•步骤5:检查执行器是否安装正确,并确认执行器与控制系统之间的连接是否牢固。
•步骤6:使用万用表测量执行器输入信号,并记录下来。
•步骤7:根据控制系统的要求,设置仪表开关量回路的阈值和报警条件。
•步骤8:通过改变传感器输入或执行器输出,验证仪表开关量回路的响应是否符合预期。
•步骤9:记录调试结果,并进行必要的修正和调整。
3.2 调试工具•万用表:用于测量电压、电流和阻抗等参数。
•接线钳:用于连接电线和插头,确保电路连接牢固可靠。
•螺丝刀:用于拆卸和安装仪表开关量回路设备。
•记录本和笔:用于记录测量值、调试结果等信息。
3.3 调试材料•电源线:用于连接电源和仪表开关量回路设备。
•传感器和执行器:根据具体系统需求选择合适的传感器和执行器。
4. 定额使用方法在进行仪表开关量回路调试时,按照以下步骤使用定额:1.根据定额中的步骤,依次进行仪表开关量回路的调试。
2.使用定额中列出的工具和材料进行调试。
3.在每个步骤中,记录测量值、调试结果等信息。
4.根据需要,进行必要的修正和调整。
5. 定额维护与更新为了保持定额的有效性和适用性,定额需要进行定期维护和更新。
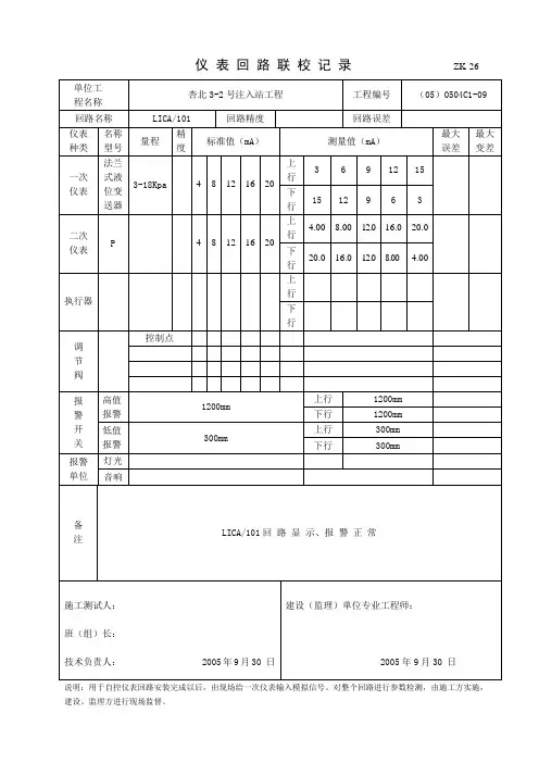
仪表回路调校方案1.系统回路一般试验方法:做回路试验一般由3-4人一组,在现场对仪表部分加模拟信号分别在操作站进行操作,监视,在控制站处监视。
通过对讲机取得联系。
根据系统容量大小及操作人员的多少可分成若干组,同时进行。
回路试验的覆盖面应该是100%。
首先从操作站上逐个调出被校回路的点画面显示,确认无误,然后从现场仪表发出或接受信号。
试验方法与常规仪表回路联动校验相似。
模拟量值应是包括量程的始点和终点,不得少于5点,画面的显示值不低于精度要求。
2.系统回路一般调试步骤:A.显示的确认:确认各槽路的组态是否与设计相符,在操作台上确认。
B.对联校回路,模拟联锁的工艺条件,检查联锁动作是否正确。
C.单回路试验:模拟工艺条件检查和操作有如下内容:1)设定点设定;2)比例积分时间,微分时间的设定操作;3)阀位限和PV报警限的设定操作;4)PV跟踪检查;5)报警输出检查;6)阀位输出正/反作用及执行机构的动作正确与否,在键盘上进行手动输出,检查执行机构的动作值是否符合精度要求。
D.复杂回路试验:应模拟工艺条件逐步或分部进行单回路检查,然后再进行整套回路系统检查。
3.检测系统:由现场仪表输入端,按正、反行程加入相于量程的0%、50%、100%的模拟信号,由数字万用表监视DCS 的输入值,同时观察操作站的显示值,其误差不得超过系统内所有仪表允许误差平方和的平方根值,若超过该值时,应单独调校系统内所有仪表(包括DCS的软件),检查线路或管路。
4.调节回路:由现场仪表的输入端加入模拟信号,用一台数字式万用表监视DCS的输入和输出信号,检验系统的基本误差、比例、积分、微分动作以及自动和手动的双向的双向切换性能。
通过DCS的操作站,手动给调节阀输入4—20mA 电流信号,检验调节阀动作情况,并进行行程精度检验,同时检验操作站的阀位状态指示与现场实际阀位的开、关指示是否一致。
如系统不合格,则必须单位调校系统内所有仪表(包括DCS的软件),检查线路和管路。
仪表回路调试的标准包括以下步骤:
1.仪表设备需要按照设计文件和施工图纸要求安装完毕,且验收合格。
取源部件位置应适当,正、负压管要正确无误,测量管道需经吹扫、试压合
格。
2.气动信号管道应进行导通试验检查,确保配管与回路图一致,接头紧固,气密件试验符合要求。
3.电源电压、频率、容量应符合设计文件要求,总开关、各分支开关和保险丝容量也应符合设计文件要求。
同时进行综合控制系统的调试,确保其
具备使用条件。
在这些基础上,对仪表回路进行联调,按照系统误差计算方法算出回路允许误差,再逐点进行上下行程联校。
联校过程中,误差不应大于规定的范围。
请注意,以上标准仅供参考,实际操作过程中,请根据具体设备的说明书和专业技术人员的指导进行操作。
中海油气〔〕化一体化工程运行一部5000Nm/h制氢装置、170万吨/年加氢精制装置仪表及控制系统联调联校案编制:之忠审批:董维光、凤滨2021 年5月12日1.... 概述1.1案编制目的为了促进中海油气〔〕化一体化5000NM/H制氢装置、170万吨/年加氢精制装置仪表回路联校工作高效、有序的进展,特编制该仪表回路联校专项施工案。
1.2案编制依据➢GB 50093-2021 自动化仪表工程施工及质量验收规➢SH/T3551-2021油化工仪表工程施工质量验收规➢SH3521- 2021油化工仪表工程施工技术规程1.3回路调试工作进展需具备的条件➢... 控制系统由工程部、运行部组织,由系统厂商进展上电检查后上电运行进入稳定状态➢... 控制系统的硬件、软件组态已全部完成并已进展下装➢... 各装置需协调至少提供DCS、SIS、CCS操作站各一台,并配备具有调试所需要操作权限的工艺、仪表人员➢... 仪表风系统正常投用,进入稳定运行状态〔调节阀、气动切断阀调试的必要条件〕2 ... 回路调试记录要求2.1在回路调试过程中,采用纸质版回路调试记录与电子版回路调试清单〔EXCEL表格〕相结合的方法进展管理。
具有业主、监理单位、施工队签字在调试工作进展时实时记录的纸质版原始回路调试记录侧重于起调试工作根底依据的作用;电子版回路调试清单侧重于确定回路调试点位总量的完整性、进展数据分析统计、进度分析及问题追踪的作用。
纸质版回路联校记录与电子版回路联校清单应做到数据的同一性〔仅仅排序不同〕,并可以依据调试时间为线索实现快速互查。
2.2回路调试记录管理具体实施法如下2.2.1在回路调试工作开场之前,需结合所有接线图及I/O索引等资料编制一份电子版回路联校点位清单。
2.2.2在回路调试工作进展时,控制室调试人员应对已完成的回路调试做实时纸质版记录,记录要求字迹清晰,记录数据准确、完整。
每页记录必须注明调试日期,手动编制页码,防治记录混乱与丧失。