房地产工程部工作流程大纲纲要大纲图.docx
- 格式:docx
- 大小:145.95 KB
- 文档页数:15
工程部业务管理流程图编号:工程部业务管理流程图节点说明第一阶段:施工前准备阶段节点D2,编制工作计划1.依据公司年度经营目标和工作计划编写部门年度和月度工作计划2.根据项目的进度总要求编制施工进度管理计划表。
节点C3、D3,图纸会审工程技术交底1.配合技术部进行施工图纸的会审。
2.组织工程综合技术交底。
节点C4、D4,施工组织设计的审核1.负责与技术进行施工组织设计的审核。
2.编制场区平面组织设计。
节点D5,编制进度报表1.依据施工单位的工程进度计划编制施工进度报表。
2.上报编制的施工进度报表给工程副总经理和总经理审核和审批。
节点B5,审批1.工程副总对上报的工程进度报表进行审核并签署意见。
2.将审核后的报表交总经理审核。
节点A5,审批1.总经理对工程副总上交的施工进度报表进行审核,参考工程副总的意见签署自己的意见。
2.将通过审批的施工进度报表下发工程部做开关准备。
节点D6,开工前准备1.工程部负责开工前的现场三通一平。
2.工程部负责施工单位进场前的组织安排和协调工作。
3.工程部负责组织协调材料进场前的准备和部门协调工作。
第二阶段:施工过程管理与控制节点C7、D7、E7、F7,组织协调施工进度、工程质量、技术问题及材料验收管理1.组织协调施工进度和控制。
2.负责施工过程的工程质量管理。
3.负责组织解决和处理施工过程中的技术问题。
4.会同材料设备部和施工单位对进场的材料进行现场验收。
节点D8 填写进度报表1.按月填写施工进度报表并对影响进度变化的因素进行统计。
节点D9 技术资料汇总1.负责收集整理各类工程技术资料、图纸、报表、工程质量记录及竣工资料并汇总。
2.技术资料施工图纸以及相关的报表交给技术部归档管理。
第三阶段:竣工验收阶段节点D10,竣工验收1.负责督导监理公司组织对基础工程、主体工程、隐蔽工程及分部分项工程的验收工作。
2.负责组织单体竣工验收和综合竣工验收工作。
z。
房地产开发公司工程部工作流程图工程部是房地产开发公司的重要部门,主要负责项目的设计、施工、验收等一系列工作。
为了更好地了解工程部的工作流程,本文将从概述工程部职能开始,逐步揭示其工作流程。
一、工程部职能概述工程部是房地产开发公司中的重要部门,主要职能如下:1.项目调研和选址负责评估和选择开发项目的地点和合理的土地用途,以及解决地方政府和社会的问题。
2.项目规划根据市场需求和企业战略指导,制定具体的项目计划、项目结构设计和竞争策略,并配合其他各部门开发方案。
3.项目设计根据规划方案,进行详细的项目设计,包括建筑设计、结构设计、机电工程设计等,并与市政部门完成联审工作。
4.项目建设由工程部组织调配资源,开发优良的供应链,确保施工过程中质量、进度、成本的达成目标,同时确保施工安全、环保等方面的要求。
5.项目交付与验收负责项目交付及验收任务,与相关部门合作,安排预售房屋的验收和售后服务工作。
以上是工程部的主要职能,接下来我们将从开发项目、项目调研、项目立项、项目设计、项目建设、项目竣工以及交付与验收七个方面分别阐述工作流程。
二、开发项目1.市场调查首先要进行市场研究,了解市场需求和环境,及时调整公司的开发策略。
市场调查的主要内容包括客户消费习惯、购买力和消费量,同时需要了解客户对所开发物业的需求和关注点。
2.选址确定确定开发项目地址,进行基础设施、交通状况等方面的评估,评估报告需提交高层审批。
3.项目预算工程部需要评估开发项目的成本,确定项目预算,确定项目开发的可行性。
4.资源调配根据项目预算和工作内容的具体要求,对人力资源和物力资源进行评估和调配,为项目开发提供支持。
三、项目调研1.市场调研根据开发项目的要求,调查目标市场及其需求,了解市场上其他项目的情况和市场空缺,确定开发项目的优势。
2.调研市政规划了解市政规划、建筑规划和基础设施规划,研究建筑应当考虑的因素,为项目的详细设计等工作提供依据。
3.工程可行性分析对所选项目地区的地质、水利、环境、安全等情况进行分析,并综合评估开发的可行性,并制定相应的开发方案意见。
房地产开发企业工程部工作流程一、项目策划阶段:在项目策划阶段,工程部需与市场部、财务部、行政部等相关部门进行沟通,了解市场需求以及公司的财务状况。
根据市场需求、项目规模以及财务情况,工程部需参与项目可研报告的编制,评估项目的可行性。
在项目可行性评估通过后,工程部需要与设计院等合作,完成项目概念设计、规划设计以及预算编制等工作。
二、设计阶段:在设计阶段,工程部需要与设计院等合作,完成项目的施工图设计、结构设计、给排水设计等工作。
工程部还需要协调与业主、设计方以及相关政府部门之间的沟通,确保设计方案的符合相关标准和规定。
在设计阶段结束后,工程部需要对施工图进行审核和审批,并开展设计变更管理工作。
三、施工阶段:施工阶段是工程部最为核心的阶段,工程部需要与施工单位进行合作,协调各个施工专业的工作进度。
工程部需要参与施工现场的管理,负责现场的协调、监督以及质量控制等工作。
在施工过程中,工程部还需要与监理单位进行协调,确保施工过程中的质量和安全。
四、交付阶段:在项目竣工前,工程部需要配合市场部、销售部等部门,准备相关的交付材料,包括工程竣工验收材料、物业交接材料等。
工程部还需要进行验收和验收结果的报批工作。
同时,工程部需要协助市场部、销售部进行项目的销售预售工作。
五、售后服务阶段:在项目交付后,工程部需要配合物业管理部门进行项目的物业管理工作。
工程部需要解决项目交付后出现的问题,及时处理居民投诉,并进行保修、维护等工作。
同时,工程部还需要与业主进行沟通,了解房屋使用情况,对房屋进行维护和保养。
在以上各个阶段,工程部还需要与相关的供应商和承包商进行合作,比如与建筑材料供应商合作采购材料、与施工单位合作进行工程施工等。
工程部还需要与相关政府部门进行沟通,办理相应的批准手续和审批手续。
总之,房地产开发企业工程部的工作流程涉及到项目策划、设计阶段、施工阶段、交付阶段以及售后服务阶段,其中包括与市场部、财务部、设计院、施工单位等部门和单位之间的协调和沟通。
房地产公司工程部工作流程1. 工程部管理结构图2. 管理目的:在确保工程质量的前提下,确保客户要求的迅速满足3. 工程部主要职能◆协助公司领导选择项目规划设计单位,对项目图纸进行审核;◆审核项目经理提交的项目进度计划和工程概预算,监督项目部工程施工的执行情况,和项目部共同解决有关工程施工问题,确保工程按质按期完成;◆树立强烈的客户意识,塑造高品质的公司形象。
4. 工程部兼管职能:由总经理(常务副总经理)临时指定的工作5. 工程部岗位职责5.1工程部经理◆遵守公司各项规章制度,时时、事事、处处维护公司利益和荣誉。
◆负责项目从前期准备至工程竣工全过程的项目管理。
◆制定部门制度、业务流程和岗位职责,做到责任到人,并加以监督。
◆负责项目部的日常工作,向全体员工贯彻落实公司的各项规定和政策,增强项目部的凝聚力。
◆协调处理好同设计单位、施工单位、其他合作单位、政府相关职能部门以及公司内部市场、销售、物业等各部门的关系。
◆负责编制项目全过程的质量、成本、进度控制计划和资金使用计划以及相应年度计划,签字后报公司副总经理、总经理。
◆审核监理公司的监理月报和项目部月工作总结及资金台帐。
每月28日前向公司提交下月项目工程进度计划和资金使用计划,以及本月项目工程施工进度计划完成情况,并总结本月工作中的经验、教训,签字后报公司副总经理、总经理。
◆主持施工单位、监理单位、招标代理单位等合作方的评价与选择,收集待选对象的相关资料并报公司;主持“甲供材料”材料、设备的采购工作。
◆办理项目施工的相关证件,主持各单位工程的发包、开工和验收,组织工程的竣工验收,并及时办理决算,严格控制项目成本。
◆对项目全体工作人员要经常进行职业道德教育和技术交流,大胆管理,严格要求。
每月工程施工进度计划要分解落实到人,考核到人,奖罚到人。
◆落实专人对项目图纸、资料、文件负责整理分类、归档保存,严格执行文件资料的保管交接,严守公司秘密。
◆审核并签署付款证明、设计变更以及其他工程相关资料、文件等。
房地产开发工程管理大纲第一部分房地产开发工程建设流程管理施工准备阶段工作流程管理房地产开发建设过程中,在企业取得《建设用地规划许可证》和《国土证》后工程口即介入。
第一节施工准备阶段工作流程第二节施工准备阶段主要节点工作内容详述一.围蔽工程1.围蔽前应进行的准备工作:(1)配套部办理齐全的收地手续后(取得国土证及建设用地规划许可证),由工程部进行收地围蔽工作。
围蔽工程可按零星工程的委托办法委托施工单位施工.对征收地块的围蔽应做到围蔽范围准确,围蔽速度快捷,避免或减少与当地群众的纠纷.(2)明确征地红线。
工程部根据国土局提供的红线控制坐标点,按征地红线图放出征地红线,做好标记。
若征地红线图中给出的坐标点与国土局提供的红线控制坐标点出入较大,应由配套部协调相关部门解决。
(3)测算围蔽工程量、办理围蔽工程委托、做好围蔽工程的实施方案、做好围蔽工程的材料准备、做好围蔽工程的人员准备、做好机械设备的进场准备。
2.围蔽工程注意事项(1)积极与当地政府部门沟通,取得当地政府部门的支持。
(2)按已制定的实施方案组织施工.(3)工程部应与配套部、办公室等部门协同做好解决突发事件的应急处理措施。
(4)围蔽完成后,应安排人员巡视,防止围蔽遭受恶意破坏或乱倒垃圾。
二.申报临水临电配套部申报临水临电时,应会同工程部确定临水临电的容量,同时了解申报流程及办理周期。
临电系统尽可能有足够的富余容量,在条件容许的情况下,应考虑评估首期交楼可能采用临时供电的需要。
三.现场查勘,进一步清理场地收地后,工程部应对场地内的情况进行详细的了解.正常情况下,已收地块内的拆迁、坟地迁移、青苗补偿、高压线的迁移等都应在配套部的协调督促下由当地政府相关部门完成.然而往往因各种原因的影响,收地后仍有部分迁移工作尚未完成,影响工程建设进度,因此,工程部进场后,也应积极协助配套部协调当地相关部门解决,进一步清理场地。
配套部应摸清原有地下管网的概况及图纸并向工程部通报,工程部应探明地块内电信、煤气、给排水管,特别是军用光缆的实际分布、走向情况,如影响工程施工,应及时协调相关部门解决。
一、房地产项目决策管理单位名称项目部流程名称房地产项目决策管理工作流程层次 2 任务概要房地产项目决策管理单位总经理项目经理项目部相关职能部门节点 A B C D12345678 910111213组织讨论可行性分析拟定《项目可行性分析报告》修改《项目可行性分析报告》设定项目目标组织市场调查开始撰写《市场调查报告》制定公司发展规划指导项目市场定位提出项目建议参与市场定位分析结束项目立项参与讨论编制《项目立项报告》审批审批参与参与讨论公司名称密级共页第页编制单位签发人签发日期任务名称节点任务程序、重点及标准时限相关资料市场调查A2B2B3C3D3C4程序《市场调查报告》☆项目经理在进行项目决策之前,要根据企业的整体发展规划,设定项目目标,然后依据目标组织市场调查。
☆项目部将市场调查结果进行汇总整理,并撰写调查报告》根据实际☆市场部、销售部、工程部、技术部针对项目的功能、特性、价格、客户群等方面,协助项目部进行项目市场定位重点☆市场调查标准☆调查及时、收集信息要及时、准确、全面项目可行性分析C5C6B6D6C7程序《项目可行性分析报告》☆项目部根据市场调查的结果,提出项目建议即时☆项目部在项目经理的指导下,对目标项目进行可行性分析,工程部、技术部、销售部、财务部从工程建设、销售、财务风险等多个角度对项目建议进行可行性分析。
根据实际☆可行性分析工作完成后,项目部应拟订《项目可行性分析报告》重点☆项目可行性分析,最终拟订出《项目可行性分析报告》标准☆分析合理、符合实际项目决策C8B8D8C9A9B10A11C12程序1、《项目可行性分析报告》2、《项目立项报告》☆项目部组织讨论《项目可行性分析报告》,项以及其他相关职能部门负责人参与讨论1个工作日☆项目部根据讨论结果,对相关部门的意见进行汇总、整理,修改并完善《项目可行性分析报告》1个工作日☆目部将《项目可行性分析报告》附带讨论结果,一起呈送总经理审批。
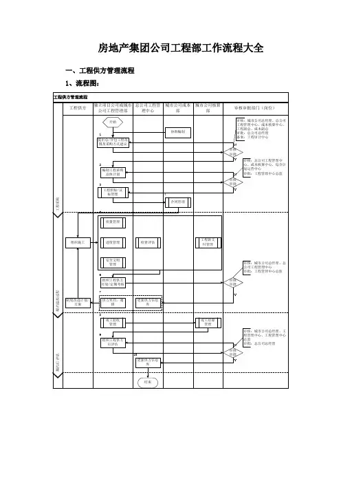
房地产集团公司工程部工作流程大全一、工程供方管理流程1、流程图:2、流程说明2.1流程说明《工程供方管理流程》是工程管理的总流程,包含招标、质量、进度、安全文明施工、检查监督、竣工等所有工程业务内容,是工程管理的总纲。
2.2职责说明2.3流程节点说明:3、支持性文件:4、记录要求:二、工程招标管理流程1、流程图:2、流程说明2.1招标说明(1)材料、设备采购招标有物资管理部负责,工程管理部、设计管理部配合;(2)集团战略采购的材料、设备物资管理中心负责,工程管理中心、总工办配合;(3)施工招标含材料的有工程管理部负责,物资管理部配合。
2.2职责说明2.3流程节点说明:3、支持性文件:4、记录要求:三、工程议标管理流程1、流程图:2、流程说明2.1职责说明2.2流程节点说明:3、支持性文件:4、记录要求:四、监理单位招标流程1、流程图:2、流程说明2.1职责说明2.2流程节点说明:3、支持性文件:4、记录要求:五、施工组织设计或施工方案评审流程1、流程图2、流程说明备注:经过项目公司审批的施组设计或者施工方案不得作为竣工结算的依据,最终以控股集团工程审计部审计金额为准。
3、支持性文件4、记录要求六、工程质量控制流程1、流程图:2、流程说明2.1职责说明2.2流程节点说明:3、支持性文件:4、记录要求:七、工程安全文明施工控制流程1、流程图:2、流程说明2.1职责说明2.2流程节点说明:3、支持性文件:4、记录要求:八、工程进度控制流程1、流程图:2、流程说明2.1职责说明2.2流程节点说明:3、支持性文件:4、记录要求:九、工程管理检查评估流程1、流程图:2、流程说明2.1职责说明2.2流程节点说明:。
房地产项当先期报批流程图土地使用权出让手续地形图丈量、土地勘探定界下达规划重点、划定地灾、矿压评估等(领土局)用地红线(规划局)调整设计条件控规调整(规划局)土地挂牌(公共资源交易中心)摘牌、缴纳出让金、签署土地出让合同(领土局)项目立项(江南新区)方案设计(设计院)建设用地规划允许证(规划局)土地初始登记(领土证、宗临水、临电、临设连接地图)土地所修筑性详尽规划并联审批垃圾处理、开道口等消防审总平节能、环保、水保、交通、抗震评论总图面规划设计方案批复(规划局)建筑设计(设计院)人防设计初步设计方案(设计院)地名(民政局地名办)施工图审察(审图企业)初步设计方案审批(规划局)市政园林质监人防设计审批 缴纳城市基础设备配套费(财政)防雷装置审察(防雷办)计审察人防质监、市政园林施工允许雷击风险评估建设工程规划允许证(规划局)人防动工允许定位放样、定位图(规划测绘队)工程招招标存案(公共资源交易中心)安全文明举措费(住建局)、农民工薪资保障金(劳施工合同、监理合同存案(住建局)保局)、散装水泥基金、新式墙体资料专项基金白蚁防治(白蚁防治站)质量、安全监察(或提早介入)物业招招标 建筑工程施工面积展望(房产一房一价存案项目形象达标,资本资本看管协议先期物业服务合同到位30%(住建局)局测绘队)(物价局)银行赞同预售物业三到位协议商品房预售允许证(房管局)中间查收水、电、气、智能化、公装消防、通信、室外综合管线等配套报建开盘销售人防中间查收预告登记主体查收幕墙、水电安装、自动消防、防水、室外管线等专项、分项施工墙体砌体达成未遮蔽前项目整体、分部、分项完工规划预验(规划局)墙材勘验(新墙办)幕墙.节能.电梯.智能化等专项查收及检完工丈量、建筑验房产面积实测界址测绘测,桩基.门窗.防水.空气.钢构.焊缝检测线、绿化、管线丈量(房管测绘队)门牌、报箱.人防检水. 电.气. 通环保质监防雷检测、道路、管线、环消防检规划核实交通标示测、查收查收讯.广电查收查收查收卫、绿化查收测、查收确认书城建档案合格证(城建档案馆)隶属工程城建档案合格证(城建档案馆)用地复核查收完工查收存案表(住建局)隶属工程完工查收存案表(园林局)现场指界确认物业用房移交(缴纳初次业主大会创办费、代施工方缴纳物业保修金、代收代缴维修基金)新式墙体资料基金返退散装水泥基金返退房子全部初始登记、分户大产证(房管局)项目资本解控土地抵押登记注销期房转现房销售土地大确权(领土所)贷款客户他项权登记(银行缴费,客户自行办理)土地切割(领土所)房产分户更改登记(房管局,客户自行办理)分户领土证(领土所,客户自行办理)。
房地产开发工程管理大纲第一部分房地产开发工程建设流程管理施工准备阶段工作流程管理房地产开发建设过程中,在企业取得《建设用地规划许可证》和《国土证》后工程口即介入。
第一节施工准备阶段工作流程图1-1施工准备阶段工作流程第二节施工准备阶段主要节点工作内容详述一. 围蔽工程1.围蔽前应进行的准备工作:(1)配套部办理齐全的收地手续后(取得国土证及建设用地规划许可证),由工程部进行收地围蔽工作。
围蔽工程可按零星工程的委托办法委托施工单位施工。
对征收地块的围蔽应做到围蔽范围准确,围蔽速度快捷,避免或减少与当地群众的纠纷。
(2)明确征地红线。
工程部根据国土局提供的红线控制坐标点,按征地红线图放出征地红线,做好标记。
若征地红线图中给出的坐标点与国土局提供的红线控制坐标点出入较大,应由配套部协调相关部门解决。
(3)测算围蔽工程量、办理围蔽工程委托、做好围蔽工程的实施方案、做好围蔽工程的材料准备、做好围蔽工程的人员准备、做好机械设备的进场准备。
2.围蔽工程注意事项(1)积极与当地政府部门沟通,取得当地政府部门的支持。
(2)按已制定的实施方案组织施工。
(3)工程部应与配套部、办公室等部门协同做好解决突发事件的应急处理措施。
(4)围蔽完成后,应安排人员巡视,防止围蔽遭受恶意破坏或乱倒垃圾。
二. 申报临水临电配套部申报临水临电时,应会同工程部确定临水临电的容量,同时了解申报流程及办理周期。
临电系统尽可能有足够的富余容量,在条件容许的情况下,应考虑评估首期交楼可能采用临时供电的需要。
三. 现场查勘,进一步清理场地收地后,工程部应对场地内的情况进行详细的了解。
正常情况下,已收地块内的拆迁、坟地迁移、青苗补偿、高压线的迁移等都应在配套部的协调督促下由当地政府相关部门完成。
然而往往因各种原因的影响,收地后仍有部分迁移工作尚未完成,影响工程建设进度,因此,工程部进场后,也应积极协助配套部协调当地相关部门解决,进一步清理场地。
配套部应摸清原有地下管网的概况及图纸并向工程部通报,工程部应探明地块内电信、煤气、给排水管,特别是军用光缆的实际分布、走向情况,如影响工程施工,应及时协调相关部门解决。
..
房地产工程部工作流程图工程部工作业务流程工程测绘工作业务流程行政、计划部门下达测绘计划并下发相关土地资料
工程部签发招标联络单给招标
招标部招标并订立合同
工程部协调技术部于现场对测绘单位现场技术交底
测绘单位现场测量,工程部督促并协调相关单位协助完成出具测绘报告并按相关规定制服相关费用
下发测量资料
..
工程开工前准备工作业务流程
接到项目开发、施工计划书
到技术部申领相关技术资料
不符合依据公司的整体投资、开发方案编写现场准备工作施工方案施工方案工程部内各专业审核,工程部经理签上报施工方案给技术部、行政事务部、投资管理部
四方会议审核、签发
符合要求
行政事务部需办理工程部签署各施工项目的招标联络单的各项手续联络单
招标部招标并签定合同手续办理
下发合同
下发办理文件
工程部督促施工单位按规定施工
验收
交付使用
项目总承包单位进场、施工
..
现场测试操作控制业务流程
工程部确定须测试的项目及时间
需要招标的测试打联络单给招标部
招标部招标、签合同
招标部下发各同文本
工程部联系实验单位确定进场时间
测试单位进场测试,建设、监理、施工三方协助
实验分析不需要招标部
出示实验结果按规定加倍测试或进行处理工程部发放结果资料、并分析、存档
..
现场子分部分项工程验收控制业务流程
施工单位提交验收申请
监理单位专业监理员审核资料并对现场进行初验(过程控制)
监理单位总监代表确定验收时间并告知建设单位专业管理员
监理单位总监代表组织现场验收,建设单位代表参加
汇总现场验收存在的质量问题
无
质
监理单位下发质量整改通知单
量
问
施工单位整改完成后重新报验题
签署合格评价
进入下道工序施
..
现场主要分部子分部工程验收操作控制业务流程
施工单位自评合格后提交验收申请
监理单位专业监理员审核施工技术资料并对现场进行初验监理单位总监(或总监代表)复审资料及现场实体质量合格后告知建设单建设单位专业管理员审核资料合格后,计划安排验收时间并通知各相关单位
确定各相关单位参加验收人员名单
工程部组织现场实体验收
汇总现场存在的质量问题
监理单位下发整改通知无
质
量
施工单位整改完成后重新报验
问
题
按程序组织复验
合格
签署合格验收意见
进入下道工序
有外部单位参加的主要分部、子分部工程验收操作控制业务流程
施工单位质检合格后提交报验申请
监理单位专业监理员审核资料及工程实体初验合格
监理单位总监复审资料及现场合格后告知建设单位
建设单位专业管理员复审施工、监理资料及现场
建设单位联络外部单位(如:设计、勘察、质监等)
工程部确定验收时间及人员,下发通知
工程部组织相关人员进行现场试题验收
汇总验收情况
有不符合项
下发验收单
监理单位下发整改通知单
不
符施工单位整改
合
不报验整改情况
符
合
监理单位复验
工程部按照规定组织相关单位复验
合格无不符合项
签署合格证明
建设工程竣工规划验收操作业务流程
搜集、整理申报所需资料
到规划局申领规划验收申请表
填写申报表并归档相关资料
上报规划窗口受
工程部配合规划验收人员现场勘查、初验督促相关单位整改存在问题规划局相关科长、局长审查,签发证件
领证
安检手续办理控制业务流程
收到综合事务部手续办理计划书
工程部督促承包商办理,并下达办理时
承
承包商领取报检书、责任书
包
商
组
监理方签章
织
上
报
材建设单位签章
料
承包商上报资料
安检站审核
发证
工程部将资料上交综合事务部
竣工前行政验收操作业务流程
施工单位报验申请
监理单位验收合格后签署意见并提供上报相关资料
工程部组织全部的相关资料
上报相关单位(公安、消防、环保、气象、规划等)申请验收
相关单位现场验收
有问题时提出相关整改意见
工程部督促监理单位或相关单位落实整改
相关单位整改
无
质
量
问
现场验收题
、
合
格
相关单位复检
签署合格意见
工程竣工验收业务操作流程
施工单位提交工程竣工报告,申请工程竣工验收
监理单位总监签署合格及准予验收意见,并提交相关齐全资料
工程部审查符合验收条件后,并整理相关资料
工程部向相关单位发出验收意向
工程部将验收时间、地点、验收组名单书面报送质检站领取报告报表、备案表质检站确认验收人员、时间
工程部组织验收,质检站监督
意见不统一时,协商提出解决办法
合
问题的处理过程格
无
异
议
重新组织工程竣工验收
各相关单位签署工程竣工验收合格意见
工程备案操作业务流程
工程竣工验收合格7 日内向质检站提交工程竣工验收报告及相关附件资料
质检站审核
质检站出具工程质量监督报告,5 个工作日内
综合验收合格
合格 15 日内向备案机关提交备案申请,并提交相关资料
备案机关审核
备案机关签署文件收讫,盖章
综合事务部资料归档
工程进度预结算审计及进度款支付业务流程
施工单位提交进度预结算书
监理单位初审完成工程量及工程实体质量是否合格并签署意见
工程管理岗复审
工程部经理签署是否可以审计意见
预算部审核审计部复审外部审计公司审计
预算部将审定值下发各个相关部门
工程部依据下发的审定值和合同等相关规定计算应付额
工程部提交付款申请
分管领导审核,审批
工程部按照审批额下发付款通知
办理付款相关手续
..
非受检工程竣工验收及物业交接业务流程
施工方提交工程竣工验收申请及相关资料
监理单位审核资料及现场工程实体是否按照合同、设计、法规等要求完成且达到合格
工程部组织相关单位及人员进行初验
汇总质量整改意见
监理单位下发整改通知
合
不
格
合
施工单位整改完成,提交回复单
格
监理单位复检
工程、技术部复议、复检
工程部提交联络单给综合事务部,由综合事务部通知物业公司交接验收事宜
确定交接时间
工程部组织各方验收并交接
物业公司提出相关要求
工程部依据物业的合理要求通知监理单位督办
整改完成,监理、工程部、物业复检合格
物业公司签署整改合格意见并全面接收
办理工程竣工验收证明不
合
格
合
格
受检(商品房)工程物业交接流程
项目竣工验收完成并合格
房地产工程部组织交接资料并由综合事务部联络物业公司
在规定时限内物业公司做出接收答复
房地产工程部组织相关单位进行现场交接物业公司提出以便于管理与使用角度为主存在的工程问题工程部做出相关答复并对需整改的内容统计下发相关单位房地产工程部督促相关单位完成整改内容
房地产工程部组织相关单位复验
办理交接手续
工程维护、保养工作业务操作控制流程物业公司编写
工程保修期内的维修工作业务操作流程物业公司编写
工程保修金的支付业务控制流程
施工方到财务核实应付金额
施工方到物业公司核算保修金剩余额并签章
房地产按照程序支付余款。