混凝土灌注桩(钢筋笼)工程检验批质量验收记录表
- 格式:doc
- 大小:52.57 KB
- 文档页数:2
混凝土灌注桩工程检验批质量验收记录表GB50202—2002(Ⅱ)说明(Ⅱ)010405主控项目:1、桩位。
桩位允许偏差和桩的位置及成孔方法不同而不同。
尺量检查。
2、入孔深。
+300mm。
只能深不能浅,测钻杆、套管长度或重锤测。
嵌岩桩应确保进入设计要求的嵌岩深度。
3、桩体质量检查。
应用动力法检测,或钻芯取样至桩尖下50cm。
符合设计要求,按设计要求方法检测。
设计为甲级地基或地质条件复杂,成桩质量可靠性低的灌注桩,抽检数量为总数的30%,且不少于20根;其他桩不少于总数的20%,且不少于10根;对混凝土预制桩及地下水位以上且终孔后经过核查的灌注桩。
检查不少于总数10%。
且不少于10根。
每个柱子承台下不少于1根。
4、混凝上强度。
每50m3取(不足50m3)取一组试块,每根柱必须有一组试块。
强度符合设计要求。
5、承载力。
设计等级为甲级或地质条件复杂,成桩质量可靠性低的灌注桩,应采用静载荷试验,数量不少于总桩数1%,且不少于3根。
总桩数少于50根时,为2根。
其它桩应用高应变动力检测。
对地质条件、桩型,成桩机具和工艺相同、同一单位施工的桩基。
检验桩数不少于总桩数的2%,且不少于5根。
静载荷试验,高应变动力检测方法。
检查检测报告。
一般项目:1、垂直度。
除人工挖孔混凝土护壁桩为<0.5%;其它桩为<1%。
检查套筒、钻杆的垂直度或吊垂球检查。
2、桩径。
套管成孔、干成孔的桩径为-20mm;泥浆护壁钻孔为+50mm;人工挖孔为+50mm。
用井径仪、尺量检查。
3、泥浆比重(粘土、砂性土中)。
1.15~1.20。
用比重计测量。
4、泥浆面标高(高于地下水位)。
0.5~1.0m。
观察检查5、沉渣厚度:端承桩≤50mm。
用沉渣仪或吊锤测量。
磨擦桩≤150mm。
用沉渣仪或吊锤测量。
6、混凝土坍落度:水下灌注160~220mm,灌注前坍落度仪测量。
干施工70~100mm。
灌注前坍落度仪测量。
7、钢筋笼安装深度:±100mm,尺量检查。
混凝土灌注桩钢筋笼检验批质量验收记录四川省建设厅制混凝土灌注桩钢筋笼检验批质量验收记录混凝土灌注桩钢筋笼检验批质量验收记录混凝土灌注桩钢筋笼检验批质量验收记录混凝土灌注桩钢筋笼检验批质量验收记录混凝土灌注桩钢筋笼检验批质量验收记录混凝土灌注桩钢筋笼检验批质量验收记录混凝土灌注桩钢筋笼检验批质量验收记录混凝土灌注桩钢筋笼检验批质量验收记录四川省建设厅制四川省建设厅制四川省建设厅制四川省建设厅制混凝土灌注桩钢筋笼检验批质量验收记录四川省建设厅制混凝土灌注桩钢筋笼检验批质量验收记录四川省建设厅制四川省建设厅制四川省建设厅制四川省建设厅制四川省建设厅制四川省建设厅制四川省建设厅制四川省建设厅制四川省建设厅制混凝土灌注桩钢筋笼检验批质量验收记录四川省建设厅制S G-T008混凝土灌注桩钢筋笼检验批质量验收记录四川省建设厅制混凝土灌注桩钢筋笼检验批质量验收记录四川省建设厅制混凝土灌注桩钢筋笼检验批质量验收记录四川省建设厅制混凝土灌注桩钢筋笼检验批质量验收记录四川省建设厅制混凝土灌注桩钢筋笼检验批质量验收记录混凝土灌注桩钢筋笼检验批质量验收记录四川省建设厅制混凝土灌注桩钢筋笼检验批质量验收记录四川省建设厅制混凝土灌注桩钢筋笼检验批质量验收记录四川省建设厅制混凝土灌注桩钢筋笼检验批质量验收记录四川省建设厅制混凝土灌注桩钢筋笼检验批质量验收记录四川省建设厅制混凝土灌注桩钢筋笼检验批质量验收记录四川省建设厅制混凝土灌注桩钢筋笼检验批质量验收记录四川省建设厅制混凝土灌注桩钢筋笼检验批质量验收记录四川省建设厅制混凝土灌注桩钢筋笼检验批质量验收记录四川省建设厅制混凝土灌注桩钢筋笼检验批质量验收记录四川省建设厅制混凝土灌注桩钢筋笼检验批质量验收记录四川省建设厅制混凝土灌注桩钢筋笼检验批质量验收记录四川省建设厅制混凝土灌注桩钢筋笼检验批质量验收记录四川省建设厅制混凝土灌注桩钢筋笼检验批质量验收记录四川省建设厅制混凝土灌注桩钢筋笼检验批质量验收记录。
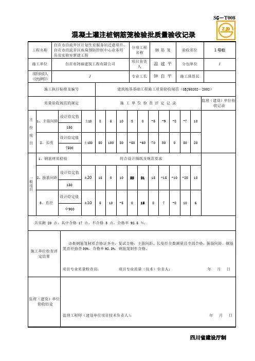
混凝土灌注桩钢筋笼查验批质量验收记录(GB50202-2002)表5.6.4-1 编号:010405□□□(1)
010405□□□(1)说明
强制性条文
参照《混凝土结构工程施工质量验收规范》GB 50204-2002
5.1.1 当钢筋的品种、级别或规格需作变更时,应办理设计变更文件。
5.2.1 钢筋进场时,应按现行国家标准《钢筋混凝土用热轧带肋钢筋》GB1499
等的规定抽取试件作力学性能查验,其质量必需符合有关标准的规定。
检查数量:按进场的批次和产品的抽样查验方案肯定。
查验方式:检查产品合格证、出厂查验报告和进场复验报告。
5.2.2 对有抗震设防要求的框架结构,其纵向受力钢筋的强度应知足设计要求;
当设计无具体要求时,对一、二级抗震品级,查验所得的强度实测值应符合下列规
定:
一、钢筋的抗拉强度实测值与屈服强度实测值的比值不该小于;
二、钢筋的屈服强度实测值与强度标准值的比值不该大于。
检查数量:按进场的批次和产品的抽样查验方案肯定。
查验方式:检查进场复验报告。
表5.6.4-1 混凝土灌注桩钢筋笼质量查验标准(mm)
注:本表由施工项目专业质量检查员填写,专业监理工程师(建设单位项目专业技术负责人)组织
项目专业质量(技术)负责人等进行验收。
条
11/12
1/111/121/131/1混凝土灌注桩(钢筋笼)检验批质量验收记录
GD-C5-71117
单位(子单位) 工程名称龙岗宝龙街道G02405-0007宗地项目基坑支护及土石方工程
分部(子分部)
工程名称 地基与基础分部
-基础子分部
分项工程名称
泥浆护壁成孔灌注桩基础分
项
施工单位
中国华西企业有限公司
项目负责人杨成荣
检验批容量
分包单位
深圳市冠磊基础工程有
限公司
分包单位 项目负责人
李小平检验批部位支护桩
施工依据
《建筑桩基技术规范》
JGJ94-2008
验收依据
《建筑地基基础工程施工质 量验收规范》GB50202-2002验收项目
设计要求及 规范规定
最小/实际 抽样数量
检查记录
检查 结果
主 控 项 目
主筋间距(mm)±10查处1处,合格1处100%
长度(mm)±100100%
一般 项目
钢筋材质检验设计要求试验合格√
箍筋间距(mm)±20100%
直径(mm)±10100%
施工单位 检查结果
专业工长:
项目专业质量检查员:
1监理单位 验收结论
专业监理工程师:
年 月 日。
混凝土灌注桩钢筋笼检验批质量验收记录一、项目概况项目名称:混凝土灌注桩钢筋笼检验批项目编号:项目地点:日期:二、工程概述该项目是为了确保混凝土灌注桩钢筋笼的质量达到设计要求而进行的检验批工作。
本次检验批主要包括钢筋笼材质、规格、数量、尺寸、加工工艺及表面质量的检验。
三、检验内容及方法1.钢筋笼材质的检验检验方法:抽查取样检测检验内容:钢筋笼材质符合设计要求,具有足够的强度和韧性,以确保整体的稳定性和持久性。
2.钢筋笼规格、数量及尺寸的检验检验方法:抽查检测检验内容:-钢筋笼规格:检查钢筋笼是否符合设计要求,包括直径、长度、周长等。
-钢筋笼数量:检查钢筋笼的数量是否满足设计要求。
-钢筋笼尺寸:检查钢筋笼的尺寸是否符合设计要求,包括直径、长度等。
3.钢筋笼加工工艺检验检验方法:现场观察、抽查检测检验内容:检查钢筋笼的加工工艺是否符合规范要求,包括钢筋的焊接、连接、排列是否牢固、整齐等。
4.钢筋笼表面质量检验检验方法:目测检查、触摸检测检验内容:检查钢筋笼表面是否有裂纹、锈蚀、变形等缺陷,以确保钢筋笼无损伤,并符合设计要求。
四、检验结果1.钢筋笼材质检验结果:符合设计要求,具有足够的强度和韧性。
2.钢筋笼规格、数量及尺寸检验结果:钢筋笼规格、数量及尺寸符合设计要求。
3.钢筋笼加工工艺检验结果:钢筋笼加工工艺符合规范要求,钢筋焊接、连接、排列牢固、整齐。
4.钢筋笼表面质量检验结果:钢筋笼表面无裂纹、锈蚀、变形等缺陷,符合设计要求。
五、质量问题及处理经过检验批的检测,未发现任何质量问题。
六、结论本次混凝土灌注桩钢筋笼检验批的质量验收结果符合设计要求,可以正常使用。
七、质量记录1.检验批工程量清单(详细列出钢筋笼的规格、数量、尺寸等信息)2.检验批工程的抽样记录描述每个被检验的钢筋笼的编号、数量、采样方法及结果。
3.检验批工程的检查记录描述每个被检验的钢筋笼的检查内容、方法、结果。
4.检验批工程的质量问题记录描述出现的质量问题及处理过程。
混凝土灌注桩钢筋笼检验批质量验收记录
SG—T008填写说明一、本表适用于混凝土灌注桩钢筋笼检验批质量验收记录。
二、本表由施工单位专业质量检查员填写,监理工程师审查后组织施工单位技术负责人验收记录。
三、检验批的划分:一般应划分为一个检验批,为施工方便,对分批制作的钢筋笼可划分成若干个检验批。
四、主控项目中:
1.主筋间距:指两平行纵筋间的最小距离,其偏差应<±10mm,施工单位应全数检查每根钢筋笼
并做好施工记录。
验收时抽查部分钢筋笼并用钢尺分别在两端及中间测量。
2.长度:施工单位应全数检查每根钢筋笼长度,与设计值比较偏差应≤±100mm,检查方法:用钢尺量主筋长度取平均值为钢筋笼长度,再与设计给定值比较计算偏差。
五、一般项目中:
1.钢筋材质检验应按GB50204—2002 5.2规定抽样送检,查看检验报告,应符合设计要求。
2.箍筋间距:施工单位应抽查20%的钢筋笼,用钢尺测量不同位置的间距,其与设计给定值偏差
<±20mm。
验收时可随机抽样检查。
3.直径:施工单位应抽查20%的钢筋笼用钢尺测量两端和中间的直径,取平均值与设计值比较偏
差应<±10mm。
六、本表一式四份,建设、监理单位各一份,施工单位两份。
四川省建设厅制。