应变片及电阻应变电桥特性实验
- 格式:pdf
- 大小:396.29 KB
- 文档页数:5
应变片全桥实验报告实验目的:掌握应变片全桥测量方法,了解应变片的应变测量原理,熟悉应变片在力学实验中的应用。
实验原理:应变片是一种将物体在应变情况下的应变转化为电阻变化的敏感元件,其原理是根据伏安特性的基本规律。
全桥电路通过测量电阻变化来间接地获得物体的应变情况,从而间接地得到物体受力过程中的各种参数。
全桥电路包括应变片、标准电阻和电桥。
在实际测量过程中,通过向电桥的两个对角电阻R1和R2加上恒定的电流I,通过测量电桥两对角的电压U1和U2的大小,通过改变电桥上的电阻Rx的大小来使电桥平衡,从而测量到被测物体的应变。
实验器材:1.应变片全桥实验仪;2.应变片;3.标准电阻箱;4.电源;5.万用表;6.手动蝼蚁拉力机。
实验步骤:1.将手动蝼蚁拉力机的加荷靠右的滑块拉到最右端,使得下方的呆扳手完全松开。
2.在呆扳手上紧固上准备安装应变片的试件。
3.将应变片按照预先设计的位置进行安装,并使用胶水固定。
4.将应变片连接到应变片全桥实验仪上,注意连接正确。
5.打开电源,将电源电压调整到适当范围。
6.使用标准电阻箱调整电桥电阻,使得电桥平衡。
7.通过万用表测量电桥两对角的电压值,记录下来。
实验结果及分析:在实验中,我们通过应变片全桥实验仪测量了应变片在力学实验中的应变情况。
根据测量结果,我们可以计算出力学实验中的应变量。
通过调整电桥电阻,使得电桥平衡,我们可得到电桥两对角的电压值为U1和U2、根据应变片的标定系数,我们可以将电压值转化为应变值。
应变值可以通过应变本构模型进一步计算得到应力。
在实验中,我们还可以测量到随着受力的增加,应变值的增加情况。
通过绘制应变-应力曲线,我们可以分析被测物体的力学性质,如在材料屈服之前的弹性变形情况、屈服点的位置等。
实验结果也可以与材料的材料力学性质进行比对,从而检验被测物体的机械性能和使用性能。
结论:通过应变片全桥实验,我们可以测量出应变片在被力作用下的应变情况,并进一步计算得到应力。
实验一应变片单臂电桥性能实验
实验一:应变片单臂电桥性能实验
实验设备:
1. 应变片:选择合适的应变片,并保证其表面干净、光滑。
2. 悬挂支架:用于固定应变片。
3. 变压器:提供所需的电源电压。
4. 电压表:用于测量电压值。
5. 多用表:用于测量电阻、电流等参数。
实验步骤:
1. 将应变片固定在悬挂支架上,使其能够受到外力引起的变形。
2. 将应变片连接到单臂电桥电路中,其中三个电阻分别为R1、R2、R3。
3. 通过调节R3的阻值,使得电桥平衡,即电桥两个输出端的
电压为零。
4. 测量R3的阻值。
5. 给电桥施加一定的外力,观察电桥的输出电压变化情况。
6. 根据电桥输出电压的变化,计算应变片的应变值。
实验原理:
应变片是一种可以将外力作用下的应变转化为电阻变化的器件。
在单臂电桥电路中,由于应变片的变形导致其电阻值发生变化,从而引起电桥不平衡,产生输出电压。
通过调节R3的阻值,
使得电桥平衡,即电桥两个输出端的电压为零,可以得到应变片的相对电阻变化量。
根据此相对电阻变化量,可以计算出应变片的应变值。
实验注意事项:
1. 应保证应变片的表面光滑,并且避免应变片受到过大的外力导致破坏。
2. 在进行电桥平衡调节时,应谨慎调节R3的阻值,以避免短路或断路的情况发生。
3. 在测量电桥输出电压变化时,应注意观察其变化趋势,并保证测量的准确性。
4. 在计算应变值时,应根据实验所使用的应变片的特性曲线进行计算,以获得更为准确的结果。
实验2 应变片全桥性能实验一、实验目的:了解应变片全桥工作特点及性能。
二、基本原理:1. 应变片的基本原理:电阻应变式传感器是在弹性元件上通过特定工艺粘贴电阻应变片来组成。
一种利用电阻材料的应变效应将工程结构件的内部变形转换为电阻变化的传感器。
此类传感器主要是通过一定的机械装置将被测量转化成弹性元件的变形,然后由电阻应变片将弹性元件的变形转换成电阻的变化,再通过测量电路将电阻的变化转换成电压或电流变化信号输出。
它可用于能转化成变形的各种非电物理量的检测,如力、压力、加速度、力矩、重量等,在机械加工、计量、建筑测量等行业应用十分广泛。
2. 应变片的电阻应变效应:所谓电阻应变效应是指具有规则外形的金属导体或半导体材料在外力作用下产生应变而其电阻值也会产生相应地改变,这一物理现象称为“电阻应变效应”。
以圆柱形导体为例:设其长为:L 、半径为r 、材料的电阻率为ρ时,根据电阻的定义式得:2ρρπ==g L L R A r ..................(1-1) 当导体因某种原因产生应变时,其长度L 、截面积A 和电阻率ρ的变化为dL 、dA 、dρ相应的电阻变化为dR 。
对式(1—1)全微分得电阻变化率 dR/R 为:2ρρ=-+dR dL dr d R L r ..................(1-2) 式中:dL/L 为导体的轴向应变量εL ; dr/r 为导体的横向应变量εr 。
由材料力学知识可得:εL = - μεr ..................(1-3)式中:μ为材料的泊松比,大多数金属材料的泊松比为0.3~0.5左右;负号表示两者的变化方向相反。
将式(1-3)代入式(1-2)得:()12ρμερ=++dR d R ..............(1-4),该式说明电阻应变效应主要取决于它的几何应变(几何效应)和本身特有的导电性能。
3. 半导体的应变灵敏度:主要取决于其压阻效应;dR/R<≈dρ⁄ρ。
竭诚为您提供优质文档/双击可除应变电桥特性应用实验报告篇一:直流电桥实验报告清华大学实验报告系别:机械工程系班号:72班姓名:车德梦(同组姓名:)作实验日期20XX年11月5日教师评定:实验3.3直流电桥测电阻一、实验目的(1)了解单电桥测电阻的原理,初步掌握直流单电桥的使用方法;(2)单电桥测量铜丝的电阻温度系数,学习用作图法和直线拟合法处理数据;(3)了解双电桥测量低电阻的原理,初步掌握双电桥的使用方法。
(4)数字温度计的组装方法及其原理。
二、实验原理1.惠斯通电桥测电阻惠斯通电桥(单电桥)是最常用的直流电桥,如图是它的电路原理图。
图中R1、R2和R是已知阻值的标准电阻,它们和被测电阻Rx连成一个四边形,每一条边称作电桥的一个臂。
对角A和c之间接电源e;对角b和D之间接有检流计g,它像桥一样。
若调节R使检流计中电流为零,桥两端的b点和D点点位相等,电桥达到平衡,这时可得I1R?I2Rx,两式相除可得I1R1?I2R2Rx?R2RR1只要检流计足够灵敏,等式就能相当好地成立,被测电阻值Rx可以仅从三个标准电阻的值来求得,而与电源电压无关。
这一过程相当于把Rx 和标准电阻相比较,因而测量的准确度较高。
单电桥的实际线路如图所示:将R2和R1做成比值为c的比率臂,则被测电阻为Rx?cR其中c?R2R1,共分7个档,0.001~1000,R为测量臂,由4个十进位的电阻盘组成。
图中电阻单位为?。
2.铜丝电阻温度系数任何物体的电阻都与温度有关,多数金属的电阻随文的升高而增大,有如下关系式:Rt?R0(1??Rt)式中Rt、R0分别是t、0℃时金属丝的电阻值;?R是电阻温度系数,单位是(℃)。
严格-1地说,?R一般与温度有关,但对本实验所用的纯铜丝材料来说,在-50℃~100℃的范围内?R的变化很小,可当作常数,即Rt与t呈线性关系。
于是?R?Rt?R0R0t利用金属电阻随温度变化的性质,可制成电阻温度计来测温。
应变片电桥性能实验报告应变片电桥性能实验报告引言:应变片电桥是一种常见的测量应变和力的传感器。
它通过将应变片安装在被测物体上,利用应变片的应变与被测物体受力之间的线性关系,通过电桥电路来测量应变片的电阻变化,从而得到被测物体的应变和力的信息。
本实验旨在研究应变片电桥的性能,包括灵敏度、线性度和温度补偿等方面。
实验装置和方法:实验使用了一套标准的应变片电桥装置,包括应变片、电桥电路和数据采集系统。
首先,将应变片粘贴在被测物体上,并通过电缆将应变片连接到电桥电路。
然后,通过电源提供电桥所需的电压,同时使用数据采集系统记录电桥的输出电压。
在实验过程中,通过施加不同的力或应变来改变被测物体的状态,以观察电桥输出的变化。
实验结果与分析:1. 灵敏度:灵敏度是指电桥输出电压与被测物体应变或力之间的比例关系。
为了研究电桥的灵敏度,我们分别施加不同大小的力,并记录相应的电桥输出电压。
实验结果显示,电桥输出电压与施加的力呈线性关系,且随着力的增加而增加。
这表明应变片电桥具有较高的灵敏度,能够准确测量被测物体的应变和力。
2. 线性度:线性度是指电桥输出电压与被测物体应变或力之间的线性关系程度。
为了研究电桥的线性度,我们施加不同大小的力,并记录电桥输出电压。
实验结果显示,电桥输出电压与施加的力之间存在一定的偏差,但整体呈现较好的线性关系。
这表明应变片电桥具有较好的线性度,能够准确测量被测物体的应变和力。
3. 温度补偿:温度对应变片电桥的性能有较大影响,因此需要进行温度补偿。
为了研究电桥的温度补偿效果,我们在实验过程中改变环境温度,并记录电桥输出电压。
实验结果显示,随着温度的变化,电桥输出电压存在一定的漂移。
通过对漂移进行补偿,可以减小温度对电桥的影响,提高测量的准确性。
结论:通过本实验的研究,我们得出以下结论:1. 应变片电桥具有较高的灵敏度,能够准确测量被测物体的应变和力。
2. 应变片电桥具有较好的线性度,能够准确反映被测物体应变和力之间的关系。
实验一应变片单臂电桥性能实验一、实验目的:了解电阻应变片的工作原理与应用并掌握应变片测量电路。
二、基本原理:电阻应变式传感器是在弹性元件上通过特定工艺粘贴电阻应变片来组成。
一种利用电阻材料的应变效应将工程结构件的内部变形转换为电阻变化的传感器。
此类传感器主要是通过一定的机械装置将被测量转化成弹性元件的变形,然后由电阻应变片将弹性元件的变形转换成电阻的变化,再通过测量电路将电阻的变化转换成电压或电流变化信号输出。
它可用于能转化成变形的各种非电物理量的检测,如力、压力、加速度、力矩、重量等,在机械加工、计量、建筑测量等行业应用十分广泛。
1、应变片的电阻应变效应 所谓电阻应变效应是指具有规则外形的金属导体或半导体材料在外力作用下产生应变而其电阻值也会产生相应地改变,这一物理现象称为“电阻应变效应”。
以圆柱形导体为例:设其长为:L、半径为r、材料的电阻率为ρ时,根据电阻的定义式得(1—1)当导体因某种原因产生应变时,其长度L、截面积A和电阻率ρ的变化为dL、dA、dρ相应的电阻变化为dR。
对式(1—1)全微分得电阻变化率 dR/R为:(1—2)式中:dL/L为导体的轴向应变量εL; dr/r为导体的横向应变量εr由材料力学得:εL= - μεr (1—3)式中:μ为材料的泊松比,大多数金属材料的泊松比为0.3~0.5左右;负号表示两者的变化方向相反。
将式(1—3)代入式(1—2)得:(1—4)式(1—4)说明电阻应变效应主要取决于它的几何应变(几何效应)和本身特有的导电性能(压阻效应)。
2、应变灵敏度它是指电阻应变片在单位应变作用下所产生的电阻的相对变化量。
(1)、金属导体的应变灵敏度K:主要取决于其几何效应;可取(1—5)其灵敏度系数为:K=金属导体在受到应变作用时将产生电阻的变化,拉伸时电阻增大,压缩时电阻减小,且与其轴向应变成正比。
金属导体的电阻应变灵敏度一般在2左右。
(2)、半导体的应变灵敏度:主要取决于其压阻效应;dR/R<≈dρ⁄ρ。
实验四 电阻应变片在电桥中的接法应变片感受的是构件表面某点的拉应变或压应变。
在实际构件中,这个应变可能是由多种内力因素造成的。
有时,只需测出由某种内力因素造成的应变,而要求把其余部分的应变从结果中排除掉。
诚然,应变片本身不会分辩它示值中的各应变成分,但只要合理选择贴片位置,方位把应变片合理地接入电桥,就能利用电桥的性质,从比较复杂的组合应变中测出指定成分而排除其它成分。
一、实验目的1、掌握在静载荷下使用电阻应变仪的单点测量方法。
2、学会应变电桥的半桥,全桥接法。
3、测定弯扭组合构件中的弯矩M 及扭矩T 并与理论值对照。
二、仪器和设备1、弯扭组合装置2、静态电阻应变仪三、实验原理与方法电阻应变仪的电桥输出电压U 与各桥臂应变片的指示应变1e 有下列关系1234()4EK U e e e e =-+- 其中1e 、2e 、3e 、4e 分别为各桥臂应变片的指示应变,K 为应变片灵敏系数,E 为桥压。
对于弯扭组合构件,(见图4-1)我们根据材料力学中组合变形知识,可得出各点的应力为弯曲与扭转的组合M T s s s =+,那么,我们可以通过电桥的不同连接,把其分离,从而分别测出其e 弯、e 扭算出其弯矩及扭矩。
图4-1四、实验步骤1、利用I-I 截面上、下两个直角应变花设计出分别用电桥的全桥、半桥连接方法。
测量弯矩e 弯、扭矩e 扭2、按设计连接方法接入电阻应变仪。
3、分级加载50N P =、100N 、150N 、200N(P ∆=50N)加卸载三次测量出e 弯、e 扭。
五、实验报告要求1、画出电桥连接方法图。
2、画出测试结果表。
3、计算出弯矩M 及扭转T 值。
4、分析引起误差的主要因素。
电阻应变片的实验报告电阻应变片的实验报告引言电阻应变片是一种常见的传感器,用于测量物体的应变或变形。
本实验旨在探究电阻应变片的原理和特性,并通过实验验证其性能。
一、电阻应变片的原理电阻应变片是一种由导电材料制成的薄片,其电阻随着应变而发生变化。
这种应变可以是由物体的拉伸、压缩或弯曲引起的。
当物体受到外力作用时,电阻应变片会发生微小的形变,进而改变其电阻值。
这种电阻值的变化可以通过电路连接进行测量。
二、实验装置与步骤实验装置包括电阻应变片、电桥、电源和数字万用表。
首先,将电阻应变片固定在被测物体上。
接下来,将电桥连接到电源和电阻应变片上,并调整电桥的平衡,使其输出为零。
最后,通过数字万用表测量电桥输出的电压,即可得到电阻应变片的电阻变化值。
三、实验结果与分析在实验中,我们对不同物体施加不同的力,测量了电阻应变片的电阻变化。
结果显示,当物体受到拉伸力时,电阻应变片的电阻值增加;当物体受到压缩力时,电阻值减小。
这与电阻应变片的工作原理相符。
此外,我们还发现电阻应变片的灵敏度与其材料的特性有关。
不同材料的电阻应变片在相同应变下的电阻变化程度不同。
因此,在实际应用中,我们需要根据具体需求选择合适的电阻应变片材料。
四、应用领域与前景电阻应变片在工程领域有广泛的应用。
它们可以用于测量结构物的应变,如桥梁、建筑物等,以及机械零件的变形。
通过监测应变,我们可以及时发现结构物的变形情况,从而提前采取措施进行修复或加固,保障结构的安全性。
此外,电阻应变片还可以用于制造压力传感器和称重传感器。
通过测量电阻应变片的电阻变化,我们可以准确地获取被测物体的压力或重量信息。
这在工业生产中具有重要意义,可以实现对生产过程的精确控制。
未来,随着科技的不断进步,电阻应变片的应用领域将进一步扩展。
例如,在医学领域,电阻应变片可以用于监测人体的生理参数,如心率、呼吸等,为医生提供更准确的诊断和治疗依据。
结论通过本次实验,我们深入了解了电阻应变片的原理和特性,并通过实验验证了其性能。
塔里木大学课程实验报告姆)重量(g)0 20 40 60 80 100 120 140 160 180 200电阻R4(欧姆)350.82350.81350.80350.78350.77350.75350.74350.72350.71350.69350.682.差分放大器调零算法描述及实验步骤1、应变片的电阻应变效应所谓电阻应变效应是指具有规则外形的金属导体或半导体材料在外力作用下产生应变而其电阻值也会产生相应地改变,这一物理现象称为“电阻应变效应”。
以圆柱形导体为例:设其长为:L、半径为r、材料的电阻率为ρ时,根据电阻的定义式得(1—1)当导体因某种原因产生应变时,其长度L、截面积A和电阻率ρ的变化为dL、dA、dρ相应的电阻变化为dR。
对式(1—1)全微分得电阻变化率 dR/R为:(1—2)式中:dL/L为导体的轴向应变量εL; dr/r为导体的横向应变量εr由材料力学得:εL= - μεr (1—3) 式中:μ为材料的泊松比,大多数金属材料的泊松比为0.3~0.5左右;负号表示两者的变化方向相反。
将式(1—3)代入式(1—2)得:(1—4)式(1—4)说明电阻应变效应主要取决于它的几何应变(几何效应)和本身特有的导电性能(压阻效应)。
2、应变灵敏度它是指电阻应变片在单位应变作用下所产生的电阻的相对变化量。
(1)、金属导体的应变灵敏度K:主要取决于其几何效应;可取(1—5)其灵敏度系数为:k=金属导体在受到应变作用时将产生电阻的变化,拉伸时电阻增大,压缩时电阻减小,且与其轴向应变成正比。
金属导体的电阻应变灵敏度一般在2左右。
(2)、半导体的应变灵敏度:主要取决于其压阻效应;dR/R<≈dρ⁄ρ。
半导体材料之所以具有较大的电阻变化率,是因为它有远比金属导体显著得多的压阻效应。
在半导体受力变形时会暂时改变晶体结构的对称性,因而改变了半导体的导电机理,使得它的电阻率发生变化,这种物理现象称之为半导体的压阻效应。
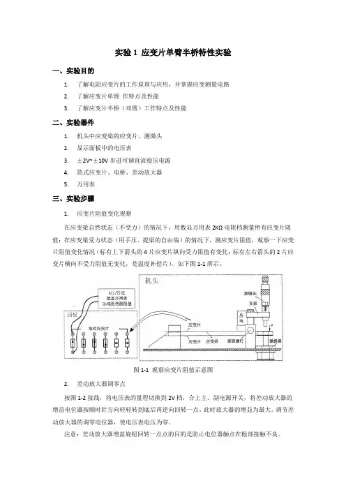
实验1 应变片单臂半桥特性实验一、实验目的1.了解电阻应变片的工作原理与应用,并掌握应变测量电路2.了解应变片单臂作特点及性能3.了解应变片半桥(双臂)工作特点及性能二、实验器件1.机头中应变梁的应变片、测微头2.显示面板中的电压表3.±2V~±10V步进可调直流稳压电源4.箔式应变片、电桥、差动放大器5.万用表三、实验步骤1.应变片阻值变化观察在应变梁自然状态(不受力)的情况下,用数显万用表2KΩ电阻档测量所有应变片阻值;在应变梁受力状态(用手压、提梁的自由端)的情况下,测应变片阻值,观察一下应变片阻值变化情况(标有上下箭头的4片应变片纵向受力阻值有变化;标有左右箭头的2片应变片横向不受力阻值无变化,是温度补偿片)。
如下图1-1所示。
图1-1 观察应变片阻值示意图2.差动放大器调零点按图1-2接线,将电压表的量程切换到2V档,合上主、副电源开关,将差动放大器的增益电位器按顺时针方向轻轻转到底后再逆向回转一点,此时放大器的增益为最大。
调节差动放大器的调零电位器,使电压表电压为零。
注意:差动放大器增益旋钮回转一点点的目的是防止电位器触点在根部接触不良。
图1-2 差放调零接线图3.应变片单臂电桥特性测量(1)将±2V~±10V步进可调直流稳压电源切换到4V档,将主板上传感器输出单元中的箔式应变片(标有上下箭头的4片中任意一片)与电桥单元中R1、R2、R3组成电桥电路。
电桥的一对角接±4V直流电源,另一对角作为电桥的输出接差动放大器的两个输入端。
将W1电位器、r电阻直流调节平衡网络接入电桥中(W1电位器二固定端接电桥的±4V电源端、W1的活动端r电阻接电桥的输出端)。
如图1-3所示。
图1-3 应变片单臂电桥特性实验接线示意图(2)检查无误后合上主电源开关,当机头上应变梁自由端的测微头离开自由端时调节电桥的直流调节平衡网络W1电位器,使电压表显示为0或接近0。
一、实验目的1. 理解应变片的工作原理和特性。
2. 掌握应变片单臂电桥的构成和原理。
3. 通过实验验证应变片单臂电桥的线性度、灵敏度等性能指标。
4. 学习应变片在力学测量等领域的应用。
二、实验原理应变片是一种将机械应变转换为电阻变化的传感器。
其基本原理是,当应变片受到外力作用时,其长度、截面积和电阻率发生变化,从而导致电阻值发生变化。
应变片单臂电桥是利用应变片将机械应变转换为电阻变化,并通过电桥电路放大并转换为电压信号的一种测量方法。
实验中使用的应变片为金属箔式应变片,其电阻值随应变的变化而变化。
单臂电桥电路由应变片、电阻R1、R2、R3和直流电源E组成。
当应变片受到拉伸或压缩时,其电阻值发生变化,导致电桥电路的输出电压发生变化。
三、实验仪器与设备1. 金属箔式应变片2. 单臂电桥电路3. 直流电源4. 数字电压表5. 静态拉伸装置6. 计算机及数据采集软件四、实验步骤1. 将应变片粘贴在静态拉伸装置上,确保粘贴牢固。
2. 按照电路图连接应变片单臂电桥电路,将应变片作为电桥的一个桥臂,其余三个桥臂由电阻R1、R2、R3组成。
3. 打开直流电源,调节电源电压至合适值。
4. 使用数字电压表测量电桥输出电压。
5. 逐渐增加拉伸装置的拉伸力,记录应变片电阻值和电桥输出电压的变化。
6. 将实验数据输入计算机,使用数据采集软件进行数据处理和分析。
五、实验结果与分析1. 线性度分析通过实验数据,绘制应变片电阻值与电桥输出电压的关系曲线。
根据曲线斜率,计算应变片单臂电桥的线性度。
实验结果表明,应变片单臂电桥具有良好的线性度。
2. 灵敏度分析根据应变片电阻值的变化量,计算电桥输出电压的变化量。
根据变化量,计算应变片单臂电桥的灵敏度。
实验结果表明,应变片单臂电桥具有较高的灵敏度。
3. 温度特性分析在实验过程中,对应变片单臂电桥的温度特性进行观察。
实验结果表明,应变片单臂电桥的温度特性较好,输出电压随温度的变化较小。
一、实验目的1. 理解应变片电桥的工作原理及组成。
2. 掌握应变片电桥的测量方法及操作步骤。
3. 分析应变片电桥的输出特性,包括灵敏度、非线性误差和温度误差等。
4. 了解应变片在力学测试领域的应用。
二、实验原理应变片电桥是一种将应变信号转换为电信号的传感器。
当应变片受到外力作用时,其电阻值发生变化,通过电桥电路将这种变化转换为电压输出。
电桥电路由四个电阻组成,其中两个电阻为应变片,另外两个电阻为固定电阻。
应变片电桥的输出电压与应变片的电阻变化成正比,其关系式为:\[ U = \frac{R_1}{R_1 + R_2} \times U_{max} \]其中,\( U \) 为输出电压,\( R_1 \) 和 \( R_2 \) 为应变片电阻,\( U_{max} \) 为电源电压。
三、实验仪器与设备1. 应变片电桥传感器2. 电桥电源3. 数据采集系统4. 计算机5. 加载设备(如砝码、力传感器等)四、实验步骤1. 将应变片电桥传感器安装于加载设备上。
2. 将应变片电桥传感器与数据采集系统连接。
3. 启动数据采集系统,设置采样频率和采样时长。
4. 对应变片电桥传感器施加不同大小的力,记录对应的应变值和输出电压。
5. 分析应变片电桥的输出特性,包括灵敏度、非线性误差和温度误差等。
五、实验结果与分析1. 灵敏度:应变片电桥的灵敏度表示单位应变引起的输出电压变化。
通过实验数据计算得到应变片电桥的灵敏度为:\[ S = \frac{ΔU}{Δε} \]其中,\( ΔU \) 为输出电压变化,\( Δε \) 为应变变化。
2. 非线性误差:应变片电桥的输出电压与应变之间存在非线性关系。
通过实验数据绘制输出电压与应变的关系曲线,分析非线性误差。
3. 温度误差:应变片电桥的输出电压受温度影响较大。
通过实验数据绘制输出电压与温度的关系曲线,分析温度误差。
六、实验结论1. 应变片电桥能够将应变信号转换为电信号,具有较高的灵敏度和稳定性。
应变片电桥实验报告应变片电桥实验报告引言:应变片电桥是一种常用的测量应变的装置,它利用电桥平衡原理来测量材料的应变。
本实验旨在通过搭建应变片电桥实验装置,探究应变片的应变特性,并研究其在工程领域中的应用。
实验装置:实验装置主要由应变片、电桥、电源和测量仪器组成。
应变片是一种能够随外力的作用而发生形变的材料,通常由金属或半导体材料制成。
电桥是用来测量应变片上的应变的仪器,它包括四个电阻,其中两个电阻是应变片上的电阻,另外两个电阻是可调的标准电阻。
实验步骤:1. 将应变片固定在实验台上,并连接到电桥的两个电阻上。
2. 调节电桥的可调电阻使电桥平衡,记录下电桥的平衡位置。
3. 施加外力或改变应变片的形状,观察电桥的平衡位置的变化。
4. 根据电桥平衡位置的变化,计算出应变片的应变。
实验结果与分析:在实验中,我们通过施加外力或改变应变片的形状,观察到电桥平衡位置的变化。
根据电桥平衡位置的变化,我们可以计算出应变片的应变。
应变片的应变是指材料在受到外力作用时,单位长度的形变量。
应变片电桥实验中,我们可以通过电桥平衡位置的变化来间接测量应变片的应变。
根据电桥平衡条件,当电桥平衡时,电桥两侧的电阻比例相等。
因此,我们可以通过调节电桥的可调电阻,使电桥平衡,进而测量出应变片的应变。
应变片的应变与外力的大小和方向有关。
当外力作用于应变片时,应变片会发生形变,进而导致电阻值的变化。
通过测量电桥平衡位置的变化,我们可以间接地计算出应变片受到的应变。
应变片在工程领域中有广泛的应用。
例如,在结构工程中,应变片可以用来测量建筑物或桥梁的变形情况,从而评估其结构的稳定性和安全性。
在机械工程中,应变片可以用来测量机械零件的变形,从而评估其工作状态和寿命。
在航空航天领域中,应变片可以用来监测飞机或火箭的结构变化,从而确保其安全运行。
结论:通过应变片电桥实验,我们可以间接测量应变片的应变。
应变片的应变与外力的大小和方向有关,通过测量电桥平衡位置的变化,我们可以计算出应变片受到的应变。
实验一金属箔式应变片一电桥性能实验一、实验目的1、了解金属箔式应变片的应变效应,电桥工作原理、基本结构及应用。
2、比较单臂、半桥、全桥输出的灵敏度和非线性度,得出相应结论。
3、了解温度对应变测试系统的影响以及补偿方法。
4、掌握应变片在工程测试中的典型应用。
二、基本原理电阻丝在外力作用下发生机械变形时,其电阻值发生变化,这就是电阻应变效应。
描述电阻应变效应的关系式为:△R/R =kε式中:△R/R 为电阻丝电阻相对变化,k 为应变灵敏系数,ε=△L/L 为电阻丝长度相对变化。
同时,由于应变片敏感栅丝的温度系数的影响,以及应变栅线膨胀系数与被测试件的线膨胀系数不一致,产生附加应变,因此当温度变化时,在被测体受力状态不变时,由于温度影响,输出会有变化。
金属箔式应变片是通过光刻、腐蚀等工艺制成的应变敏感元件,通过它转换被测部位受力状态变化。
电桥的作用完成电阻到电压的比例变化,电桥的输出电压反映了相应的受力状态。
对单臂电桥输出电压 U01=EKε/4。
当应变片阻值和应变量相同时,半桥输出电压 U02=EKε/2。
全桥输出电压 U03=EK ε,其输出灵敏度比半桥又提高了一倍,非线性度和温度误差均得到改善。
三、需用器件与单元应变式传感器实验模板、应变式传感器、砝码(每只约 20g)、数显表、±15V 电源、±4V 电源、万用表。
四、实验方法与步骤(一)应变传感器实验模板电路调试及说明1、实验模板说明实验模板如图 1.1 所示,Ri、R2、Ra、R4 为应变片,没有文字标记的 5 个电阻符号下面是空的,其中 4 个组成电桥模型是为实验者组成电桥方便而设,图中的粗红曲线表示连接线。
根据图 1. 1 应变式传感器(电子秤传感器)已装于应变传感器模板上。
传感器中 4 片应变片和加热电阻已连接在实验模板左上方的 R1、R2、Ra、R4 和加热器上。
传感器左下角应变片为 R1; 右下角为 R4;右上角为 Ra、左上角为 R2。
应变片全桥实验报告应变片全桥实验报告一、引言应变片是一种用于测量物体应变变化的传感器,广泛应用于工程、材料科学以及生物医学等领域。
本实验旨在通过应变片全桥实验,探究应变片的工作原理、测量方法以及应变片在不同应变条件下的性能表现。
二、实验原理1. 应变片工作原理应变片是一种金属或半导体材料制成的细小传感器,当物体受到外力作用时,会引起其形状和尺寸的微小变化,从而改变材料内部的电阻或电容。
应变片全桥利用应变片的电阻变化来测量物体的应变程度。
2. 应变片全桥电路应变片全桥电路由四个应变片组成,分别连接在电桥的四个臂上。
其中两个应变片处于拉伸状态,另外两个处于压缩状态。
当物体受到外力作用时,拉伸和压缩的应变片的电阻值会发生变化,从而导致电桥的电势差发生变化。
3. 应变片的测量方法通过测量电桥的电势差变化,可以计算出应变片的应变程度。
常用的测量方法有电压法和电流法。
电压法通过测量电桥两端的电压差来计算应变片的应变值,而电流法则通过测量通过电桥的电流大小来计算应变片的应变值。
三、实验步骤1. 搭建应变片全桥电路根据实验要求,搭建应变片全桥电路,确保电桥的四个臂上分别连接了四个应变片。
2. 调整电桥平衡通过调节电桥上的可变电阻,使得电桥平衡,即电桥两端的电势差为零。
3. 施加外力在已搭建好的电桥上施加外力,可以通过拉伸或压缩物体来引起应变片的应变变化。
4. 测量电势差变化使用电压表或电流表,测量电桥两端的电势差变化。
记录不同外力条件下的电势差值。
5. 计算应变值根据测得的电势差值,利用已知的公式计算应变片的应变值。
四、实验结果与分析根据实验数据,我们可以绘制应变片的应变-电势差曲线。
通过分析曲线的趋势,可以得出以下结论:1. 应变片的应变与电势差呈线性关系,即应变越大,电势差变化越大。
2. 应变片的灵敏度与材料的选择有关,不同材料的应变片具有不同的灵敏度。
3. 在一定应变范围内,应变片的灵敏度基本稳定,超过该范围后,灵敏度会下降。
一、实验目的1. 了解应变片的工作原理和性能特点。
2. 掌握应变片在电桥电路中的应用。
3. 学习如何通过电桥电路测量应变片的电阻变化。
4. 分析应变片的线性度、灵敏度等性能指标。
二、实验原理应变片是一种将力学量(如应力、应变等)转换为电阻变化的传感器。
其工作原理基于应变片材料的电阻应变效应,即当材料受到外力作用时,其电阻值会发生相应的变化。
本实验采用金属箔式应变片,通过电桥电路将应变片的电阻变化转换为电压输出。
三、实验器材1. 金属箔式应变片2. 电桥电路3. 测量电路4. 稳压电源5. 数字多用表6. 负载(砝码)7. 支架四、实验步骤1. 将金属箔式应变片粘贴在支架上,确保其受力均匀。
2. 搭建电桥电路,将应变片接入电桥电路中。
3. 调整电桥电路,使电桥处于平衡状态。
4. 在应变片上施加不同大小的力,观察电桥电路输出电压的变化。
5. 记录不同力值下电桥电路的输出电压。
6. 分析应变片的线性度、灵敏度等性能指标。
五、实验结果与分析1. 线性度分析通过实验数据,绘制应变片电阻值与应变值的关系曲线,观察曲线的线性度。
实验结果表明,金属箔式应变片的线性度较好,满足实际应用需求。
2. 灵敏度分析计算应变片在不同应变值下的电阻变化率,即灵敏度。
实验结果表明,金属箔式应变片的灵敏度较高,能够有效地将力学量转换为电阻变化。
3. 温度影响分析观察应变片在不同温度下的电阻变化,分析温度对应变片性能的影响。
实验结果表明,金属箔式应变片对温度的敏感性较高,需要考虑温度补偿。
六、实验结论1. 金属箔式应变片是一种将力学量转换为电阻变化的传感器,具有较好的线性度和灵敏度。
2. 电桥电路能够有效地将应变片的电阻变化转换为电压输出,适用于实际应用。
3. 需要考虑温度对应变片性能的影响,采取相应的补偿措施。
七、实验拓展1. 研究不同类型应变片的性能特点,比较其优缺点。
2. 探讨应变片在不同领域的应用,如力传感器、位移传感器等。