单位工程质量控制资料核查记录
- 格式:doc
- 大小:63.50 KB
- 文档页数:2
单位(子单位)工程质量控制资料核查记录范例背景:
某建筑工程单位正在进行单位工程质量控制资料核查工作,以确保施工质量符合规范要求,并保证项目的顺利进行。
人物:
1. 项目工程师A:负责质量控制资料核查工作的主要负责人。
2. 施工方代表B:负责提供单位工程质量控制资料的施工方的代表。
3. 质量安全监督人员C:负责监督、检查和评价施工过程和质量的专业人员。
地点:
工程项目办公室。
核查记录:
时间:2022年6月15日
记录内容:
1. 项目工程师A向施工方代表B索取了单位工程质量控制资料,包括施工记录、检测报告、检验报告等相关文件。
2. 在核查过程中,项目工程师A仔细阅读了提供的资料,对施工过程及相关质量控制记录逐一核对,并记录在核查表格中。
3. 在核查过程中,项目工程师A发现施工方在操作程序和施工记录中存在少量不一致的情况,并立即与施工方代表B进行了沟通和反馈。
4. 施工方代表B对核查中存在的不一致问题表示了理解,并承诺将尽快进行整改和补充完善。
5. 根据质量安全监督人员C的建议,项目工程师A将核查结果整理成报告,并提交给施工方代表B以及上级领导进行审阅。
总结:
通过单位工程质量控制资料核查工作,发现了少量不一致的问题,及时进行了沟通和反馈。
施工方代表B对问题表示了理解,并承诺将尽快整改,以保证施工质量的一致性。
这次核查工作进一步加强了施工方与项目工程师之间的沟通与协作,并促使施工方对质量控制工作更加重视。
体会:
(以上内容为虚构,不可用于实际记录使用)。
单位工程质量控制资料核查记录范例项目名称:某某工程项目项目地点:某某地项目阶段:施工阶段日期:2022年1月1日核查人员:张三、李四一、前言为了确保工程施工质量,我们对单位工程质量控制资料进行了核查。
本次核查旨在确认施工单位是否按照规定的施工工艺和质量要求进行施工,并确保施工过程中的各项质量控制资料的真实性和有效性。
二、核查内容1.施工单位的工程质量控制手册及相关文件资料的完整性和及时性;2.施工过程中的施工记录、材料报审资料、进场检验报告等质量控制资料的真实性和合规性;3.施工现场的质量检测及验收记录;4.施工单位的监理单位对相关施工工程的监理报告;5.其他相关的质量控制资料。
三、核查结果我们经过仔细核查,发现如下问题:1.施工单位的工程质量控制手册及相关文件资料的完整性和及时性不够,存在漏洞和遗漏;2.施工过程中施工记录、材料报审资料、进场检验报告等质量控制资料的真实性和合规性有待提高,存在填写不规范、内容不完整的情况;3.施工现场质量检测及验收记录不够完善,有些检测数据不够准确;4.施工单位的监理单位对相关施工工程的监理报告有些信息不够完整,需要进一步完善。
四、整改措施1.施工单位需要及时完善工程质量控制手册及相关文件资料,确保其及时性和完整性;2.施工单位要求严格执行施工记录、材料报审资料、进场检验报告等质量控制资料的填写规范,并确保真实性和合规性;3.施工单位需加强施工现场质量检测及验收记录的管理,确保数据的准确性;4.施工单位需要与监理单位加强沟通,完善监理报告的相关信息。
五、结论通过本次核查,我们发现了施工单位在质量控制资料方面存在的一些问题,但我们相信在施工单位和监理单位的共同努力下,这些问题将很快得到解决和改进。
同时,我们也相信在后续的工程施工中,施工单位将能够更加严格地执行质量控制要求,确保工程施工的质量和安全。
以上就是本次单位工程质量控制资料核查记录的全部内容,感谢您的阅读。
单位工程质量控制资料核查记录填写范例在建筑工程的世界里,质量控制可真是个大事儿。
咱们常说“细节决定成败”,这话放在这里也绝对不为过。
想想,工地上那些堆积如山的材料,工人们忙得不可开交,安全隐患也随时可能冒头。
为了确保每一砖每一瓦都能经得起时间的考验,质量控制资料的核查可不能掉以轻心。
要是搞得不扎实,后果可想而知,真是“吃了秧苗,哭也没地方哭”。
很多人可能觉得“核查记录”就跟吃药似的,苦得不行。
不过,真要把这玩意儿搞明白了,就会发现它其实是一道风景线。
想象一下,工地上的一群小伙伴,兴高采烈地围着一张表格,认真记录着每一项检查结果。
那场景,简直比开派对还热闹,哄堂大笑中,活脱脱一幅“奋斗青春”的画面。
首先呢,得明确这记录的内容。
得写什么,怎么写,谁来写,这都是得有谱儿的。
一个好的核查记录,像一张详细的地图,把每一个步骤、每一个环节都标得明明白白。
说白了,就是要把质量控制当成一件乐事儿来做。
比如说,材料的验收,不仅要看数量,还得摸摸质量,看看它们是不是合格。
拿到样品就像盲盒,开了之后能不能心满意足,谁也说不准。
然后就是检查过程。
咱们可不能马虎,尤其是对那些关键点,比如基础工程,墙体的强度等等。
这些可都是关乎到整个工程质量的“命门”。
你想啊,要是这部分出问题,后面的施工再漂亮也得打折扣。
可千万别小看了这些检查,检查的时候要全神贯注,犹如狙击手盯着目标,生怕错过任何一个细节。
记录的方式也很重要。
笔记本、电子表格、甚至手机APP,只要能把信息记录下来的都行。
但有一点要注意,写的时候得字迹工整,别让人看得一头雾水。
写错了可是要吃大亏的,毕竟“错字如人,读错了可就闹笑话”。
写的时候也可以加点幽默的元素,让干巴巴的记录也能让人忍俊不禁。
然后呢,核查记录的归档也不能忽视。
大家都知道,纸质材料容易丢,但电子档案就得妥妥地备份。
那可真是“留得青山在,不怕没柴烧”,有备无患总是好的。
随时查找,随时对照,绝对不会让你“求助无门”。
单位工程质量控制核查记录日期:XXXX年XX月XX日项目名称:XXX单位工程施工单位:XXX公司监理单位:XXX公司总承包商:XXX公司1.背景和目的本次质量控制核查是为了确保单位工程的建设过程中质量控制的有效实施,确保工程质量达到相关规范要求并保障工程的安全可靠运行。
2.核查内容2.1施工图纸核查-对比施工图纸与实际施工情况,确认施工图纸的完整性和准确性。
-检查施工图纸中的尺寸、位置、设备布置等关键要素,确保与实际施工一致。
-核对施工图纸中的材料规格、工艺要求和施工方法,确保施工按照规定进行。
2.2施工工艺和施工方案核查-核查施工方案是否符合相关的规范和标准要求,确保施工过程可控。
-检查施工方案中的施工工艺是否合理,符合施工条件和实际情况。
-检查施工方案中的施工方法是否安全可靠,流程是否合理,操作是否规范。
2.3质量控制措施核查-核查施工单位是否按照质量控制手册的要求进行工程质量控制。
-检查质量控制措施的实施情况,包括现场工作流程、监督检查、复检、整改等措施的执行情况。
-检查施工单位是否建立了问题整改和追踪记录,确认整改措施的针对性和有效性。
2.4施工现场管理核查-检查施工现场的安全设施和防护措施,确保工人的安全施工。
-检查现场卫生保洁情况,确认施工现场的整洁度和卫生条件。
-核查材料、设备的贮存、使用和管理情况,确保材料和设备的质量可控。
3.核查结果3.1施工图纸核查-施工图纸中的尺寸、位置、设备布置等关键要素与实际施工相符。
-施工图纸中的材料规格、工艺要求和施工方法符合规定。
3.2施工工艺和施工方案核查-施工方案符合相关规范和标准要求。
-施工方案中的施工工艺和方法合理,流程规范。
3.3质量控制措施核查-施工单位按照质量控制手册要求进行工程质量控制。
-质量控制措施的执行情况良好,问题整改和追踪记录完善。
3.4施工现场管理核查-施工现场的安全设施和防护措施完备。
-施工现场卫生保洁情况良好,贮存、使用和管理规范。
1523322475
11
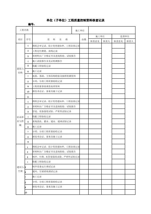
62271879/10/1524314256610738/1/2/3/4/5/6/7/8/9
/
资 料 名 称
新技术论证、备案及施工记录
/
序号类别建筑
与结
构给排水与采暖
通风与空调
份数 施工记录
/ 分项、分部工程质量验收记录/ 制冷设备运行调试记录/ 通风、空调系统调试记录/ 制冷、空调、水管道强度试验、严密性试验记录
/ 隐蔽工程验收记录/ 图纸会审记录、设计变更通知单、工程洽商记录/ 原材料出厂合格证书及进场检验、试验报告/ 分项、分部工程质量验收记录资料齐全
新技术论证、备案及施工记录
/ 系统清洗、灌水、通水、通球试验记录资料齐全 施工记录资料齐全 管道、设备强度试验、严密性试验记录资料齐全 隐蔽工程验收表
资料齐全 图纸会审记录、设计变更通知单、工程洽商记录资料齐全 原材料出厂合格证书及进场检验、试验报告
资料齐全 工程质量事故调查处理资料/ 新技术论证、备案及施工记录
/ 地基、基础、主体结构检验及抽样检测资料
资料齐全 分项、分部工程质量验收记录
资料齐全
隐蔽工程验收记录
资料齐全
施工记录
资料齐全 原材料出厂合格证书及进场检验、试验报告资料齐全 施工试验报告及见证检测报告资料齐全 图纸会审记录、设计变更通知单、工程洽商记录资料齐全 工程定位测量、放线记录
资料齐全施工单位监理单位
核查意见核查人核查意见
核查人
单位( 子单位)工程质量控制资料核查记录(一)
GD-E1-92
工程名称施工单位。
3单位工程质量控制资料核查记录日期:xxxx年xx月xx日地点:xxxx项目工地xxx楼栋xxx单元一、核查内容及要求:我们对xxxx项目工地xxx楼栋xxx单元的单位工程质量控制资料进行了核查,目的是确保施工过程中的质量管理符合相关规定和要求。
核查的资料包括但不限于施工图纸、施工计划、检测报告、材料验收记录、施工记录等。
核查的要求如下:1.核查施工图纸是否与项目设计要求一致;2.核查施工计划是否合理,是否能够按时完成项目;3.核查检测报告的真实性和准确性;4.核查材料验收记录,确保材料质量符合规定标准;5.核查施工记录,检查施工质量情况。
二、核查结果:1.施工图纸核查结果:经核查,施工图纸与项目设计要求一致,未发现与设计不符或违反规定的情况。
2.施工计划核查结果:施工计划合理,能够按时完成项目。
计划中包括了施工工序、施工周期和所需材料等,能够确保施工过程的有效管理。
3.检测报告核查结果:对于已有的检测报告,我们核查了其中的部分样本和检测数据,发现检测结果与实际情况一致。
检测工作按照规定的程序和标准进行,报告真实可信。
4.材料验收记录核查结果:对于材料验收记录,我们核查了部分材料和检验报告,发现材料质量标准符合规定,并在验收过程中进行了适当的记录和归档。
5.施工记录核查结果:施工记录完整、规范,记录了施工过程中的关键环节和控制要点,包括材料使用情况、施工工序、质量检验等。
施工记录能够提供有效的施工质量控制信息。
三、存在的问题及整改措施:在核查中,我们发现了以下问题:1.部分材料验收记录缺少验收人签字或日期;2.有个别施工记录中,对一些质量控制环节的记录不够详细。
针对上述问题,我们向项目工地相关责任人提出了整改建议:1.要求负责验收的人员对材料验收记录进行补签,并将补签的记录及时归档;2.加强对施工记录的监督和检查,确保记录的完整性和准确性。
四、下一步工作安排:1.对整改措施的落实进行跟踪检查,确保问题得到解决;2.继续核查其它质量控制资料,确保施工质量控制工作的全面落实;3.完善核查记录,形成完整的单位工程质量控制资料核查报告。
单位工程质量控制资料核查记录项目名称:XXX工程工程位置:XXX地点施工单位:XXX公司工程质量控制资料核查记录编号:XXX-XXX-XXX核查日期:20XX年XX月XX日一、前期资料核查1.施工组织设计文件核查核查内容:(1)施工组织设计文件是否包含合理的施工工艺和施工方案;(2)施工组织设计文件是否满足相关法规和技术标准要求;(3)施工组织设计文件是否与勘察设计文件相符;(4)施工组织设计文件是否对可能出现的质量问题和风险进行了合理的分析和控制。
结果:√(通过)/×(不通过)2.技术文件核查核查内容:(1)工程技术交底会议记录是否完整,是否包含工程技术交底的内容、时间、地点、人员等信息;(2)技术交底会议的参会人员是否符合规定;(3)工程技术交底记录是否包含工程施工工艺、施工措施、施工要点、质量标准要求等内容;(4)确认各类技术文件的编写是否规范,包括质量方案、工序计划、工程施工方案等。
结果:√(通过)/×(不通过)二、施工过程资料核查1.工程变更管理资料核查核查内容:(1)核查工程变更单是否填写完整,是否经过各相关部门的批准;(2)核查工程变更卡片是否正确记录了变更前、变更后的内容,是否包含批准意见;(3)核查工程变更的执行情况,包括变更后的施工方案、材料替代等是否符合要求。
结果:√(通过)/×(不通过)2.施工记录核查核查内容:(1)核查施工日志是否按照工序、日期有序记录,是否包括施工内容、施工人员、使用工具和设备等信息;(2)核查检查记录,包括结构施工检查记录、质量事故处理记录、工序验收记录等;(3)核查质量检测报告,包括施工过程中的材料检测报告、焊接工艺评定报告等。
结果:√(通过)/×(不通过)三、竣工资料核查1.竣工验收资料核查核查内容:(1)核查报批资料,包括施工总结报告、竣工图纸、设备设施验收报告等;(2)核查竣工验收记录,包括竣工验收报告、互检报告、施工质量问题整改记录等;(3)核查验收记录与实际工程质量是否相符。
单位工程质量控制核查记录日期:xxxx年xx月xx日项目名称:xxxx单位工程施工单位:xxxx施工公司监理单位:xxxx监理公司项目建设单位:xxxx建设单位记录人:xxxx一、核查目的本次核查旨在对xxxx单位工程的质量控制措施进行核查,确保施工过程中质量管理符合相关标准和规范要求,保障工程质量的可控性和优良性。
二、核查范围1.施工材料的质量合格证明文件核查。
2.现场施工质量管理措施核查。
3.防水、隔热、保温等特殊工程质量控制核查。
4.建筑结构工程质量核查。
5.安装工程质量核查。
6.其他工程质量控制方面核查。
三、核查过程1.施工材料的质量合格证明文件核查核查组对施工材料的购买文件进行了仔细核查,确认所有材料均有合格证明文件,并与实际购买的材料进行了对比确认。
2.现场施工质量管理措施核查核查组对施工现场质量管理措施进行了现场走访,确认施工方正按照《施工组织设计》要求进行施工,并采取相应的施工工法和安全措施。
3.防水、隔热、保温等特殊工程质量控制核查核查组对特殊工程进行了重点核查,包括防水、隔热、保温等工程。
核查结果显示,防水层和隔热层施工质量良好,符合设计要求。
4.建筑结构工程质量核查核查组对建筑结构工程进行了抽查核查,包括基础工程和主体结构工程。
核查结果显示,基础工程和主体结构工程符合设计要求,质量可控。
5.安装工程质量核查核查组对安装工程进行了抽查核查,包括电气、水电、通风等工程。
核查结果显示,安装工程符合设计要求,质量控制较好。
6.其他工程质量控制方面核查核查组根据具体项目的特点,对其他工程质量控制措施进行了细致核查,包括土建工程、装饰工程等。
核查结果显示,各工程质量控制措施符合相关标准和规范要求。
四、核查结果根据以上核查范围和核查过程,核查组认为xxxx单位工程的质量控制措施符合相关标准和规范要求,工程质量有较好的可控性和优良性。
五、存在的问题和建议1.部分施工材料的合格证明文件不完善,建议施工单位加强合格材料的控制和管理。
单位工程质量控制资料核查记录1. 背景介绍本文档记录了对单位工程质量控制资料的核查过程和结果。
单位工程质量控制资料是建设工程质量管理的重要组成部分,核查工作的目的是确保资料的准确性和完整性,以及验证工程质量控制措施的有效性。
2. 核查目标本次核查工作的目标是对单位工程质量控制资料进行全面的核查,包括但不限于以下方面:•施工方案和施工图纸的编制情况•监理记录和报告的准确性和完整性•相关质量检测报告和检验记录的真实性和可靠性•质量控制措施的执行情况和有效性本次核查工作采用了以下方法:3.1 文件比对对施工方案、施工图纸、监理记录、质量检测报告等相关文件进行逐一对比,核实文件的编号、日期、签名等信息是否一致,以及文件内容是否符合要求。
3.2 现场实地核查进入工程现场,对质量控制措施的执行情况进行实地核查。
包括对施工现场的布置、施工过程的操作规范、施工材料的使用等进行观察和检查,以验证质量控制措施的有效性。
3.3 信息查询通过向相关人员查询,了解施工方案的编制过程、质量检测报告的测试方法和结果等信息,以验证资料的真实性和可靠性。
在核查过程中,我们按照以下步骤进行了工作:4.1 工程文件核查逐一对比施工方案、施工图纸、监理记录和质量检测报告等文件,核实文件之间的关联性和一致性,确保文件的准确性和完整性。
4.2 现场实地核查进入工程现场,仔细观察施工过程和施工现场的情况。
我们检查了工程的基础情况、土方工程、混凝土工程、钢筋工程等各个施工阶段的质量控制措施的执行情况,并记录了核查结果。
4.3 信息查询通过向相关责任人和监理人员查询,了解施工方案的编制过程、质量检测报告的测试方法和结果等信息,确保相关资料的真实性和可靠性。
经过全面的核查工作,我们得出以下结果:•工程文件的编号、日期、签名等信息基本一致,符合要求。
•施工现场的布置、操作规范、施工材料的使用等情况良好,质量控制措施执行得到有效落实。
•相关人员的回答和资料提供等方面情况一致,证实施工方案的编制过程和质量检测报告的真实性和可靠性。
1单位工程质量控制资料核查记录一、背景介绍本次单位工程质量控制资料核查记录是根据我公司承接的X项目的施工过程中进行的。
经过前期的施工准备工作,现在开始对单位工程施工过程中的质量控制资料进行核查,以保证项目的质量达到预期要求。
二、核查目的通过对单位工程施工过程中的质量控制资料的核查,了解项目的施工进度、质量执行计划、质量验收评定及改进措施等内容,以评估项目的质量控制水平,为进一步的施工提供参考。
三、核查内容1.质量执行计划的编制情况,包括计划的制定者、编制时间、计划的可行性以及是否得到施工方的认可等。
2.质量验收评定记录的完整性和准确性,包括施工单元工程的验收报告、质量问题整改报告等。
3.施工单位的质量保证措施和改进方案的执行情况,包括施工人员的素质培训记录、隐患排查检查表、施工工艺改进记录等。
4.环境保护和安全生产的控制措施,包括环境保护方案、人员防护措施、消防设施检查等。
5.施工进度计划的执行情况,包括施工过程中的进度控制记录、施工工序的验收记录等。
6.施工现场的质量检测记录,包括原材料检测报告、工序检测报告、成品检测报告等。
四、核查方法1.首先,对单位工程的质量控制资料进行整理,建立核查清单,并分配核查人员。
2.核查人员根据核查清单,对各项质量控制资料逐一进行审核,确保信息的完整性和准确性。
3.核查人员将问题归纳整理,并与施工单位沟通,及时提出改进建议。
4.对核查结果进行总结和分析,形成核查报告。
五、核查结果经过对单位工程质量控制资料的核查,发现以下问题:1.质量执行计划中存在时间节点安排不合理的情况,需要调整以确保项目能够按时完成。
2.部分施工单元工程的验收评定记录不完整,需要补充相关的验收报告和整改报告。
3.施工单位的质量保证措施和改进方案执行不到位,需要加强相关培训和检查。
4.安全生产和环境保护的控制措施存在疏漏,需要加强对施工现场的监督和检查。
5.施工进度计划执行不够紧密,需要加强对进度的控制和协调。