补中益气丸质量标准
- 格式:doc
- 大小:33.50 KB
- 文档页数:2
补中益气丸说明书请仔细阅读说明书并按说明使用或在药师指导下购买和使用【药品名称】通用名称:补中益气丸汉语拼音:Buzhong Yiqi Wan【成份】 黄芪(蜜炙)、 党参、 甘草(蜜炙)、 白术(炒)、当归、升麻、柴胡、陈皮、生姜、大枣。
辅料为:××。
【性状】本品为棕黑色的浓缩丸;味微甜、辛。
【功能主治】补中益气。
用于体倦乏力,内脏下垂。
【规格】每8丸相当于原生药3克。
【用法用量】口服,一次8-10丸,一日3次。
【不良反应】尚不明确。
【禁忌】 尚不明确。
【注意事项】1. 本品不适用于恶寒发热表证者,暴饮暴食脘腹胀满实证者。
2. 不宜和感冒类药同时服用。
3. 高血压患者慎服。
4. 服本药时不宜同时服用藜芦或其制剂。
5. 本品宜空腹或饭前服为佳,亦可在进食同时服。
6. 按照用法用量服用,小儿应在医师指导下服用。
7. 服药期间出现头痛、头晕、复视等症,或皮疹、面红者,以及血压有上升趋势,应立即停药。
8. 对本品过敏者禁用,过敏体质者慎用。
9. 本品性状发生改变时禁止使用。
10. 儿童必须在成人监护下使用。
11. 请将本品放在儿童不能接触的地方。
12. 如正在使用其他药品, 使用本品前请咨询医师或药师。
【药物相互作用】 如与其他药物同时使用可能会发生药物相互作用,详情请咨询医师或药师。
【贮藏】 密封。
【包装】 口服固体药用高密度聚乙烯瓶包装,每瓶××丸。
【有效期】 36个月。
【执行标准】 卫生部颁中药成方制剂第七册WS 3-B-1347-93【批准文号】国药准字Z ××××【说明书修订日期】××××【生产企业】企业名称:××××生产地址:××××邮政编码:××××电话号码:××××传真号码:××××网址:××××如有问题可与生产企业联系。
补中益气丸的标准配方组成
中益气丸是一种中药复方制剂,由多种中药组成。
其标准配方组成可能因不同厂家或药房而略有差异,但一般包括以下主要成分:
1. 黄芪:具有益气补虚、提升免疫力的功效。
2. 人参:具有补气益阳、健脾开胃、提升精神状态的作用。
3. 白术:具有健脾益气、止泻止痢的功效。
4. 党参:具有益气补虚、调节免疫功能的作用。
5. 甘草:具有益气养阴、调节肠胃功能的功效。
6. 枸杞子:具有滋阴补肾、明目养心的作用。
7. 白芍:具有养血安神、调经止痛的作用。
8. 当归:具有活血调经、养血滋阴的功效。
此外,还可能添加其他一些辅助药物,如五味子、陈皮、茯苓等,以达到综合调理气血、调节脾胃、增强免疫力的效果。
需要注意的是,具体的配方组成可能因不同的药方而有所不同,建议在使用前咨询医生或在正规药房购买正品中益气丸。
新药转正中药标准卫生部颁药品标准(新药转正标准中药第十一册)(15种)阿胶补血口服液拼音名:Ejiao Buxue Koufuye英文名:书页号:X11-20 标准编号:WS3-74(Z-64)-96(Z)批准文号:(92)卫药准字Z-22号【处方】阿胶熟地黄党参黄芪枸杞子白术【性状】本品为深棕色液体;味微甜。
【鉴别】取本品5ml,加水15ml,搅匀,滤过,取滤液2ml,加茚三酮试液2滴,置沸水浴中加热5分钟,显紫红色。
【检查】相对密度应不低于1.05(中国药典1995年版一部附录ⅦA)。
pH值应为4.0~6.0(中国药典1995年版一部附录ⅦG)。
其他应符合合剂项下有关的各项规定(中国药典1995年版一部附录ⅠJ)。
【含量测定】精密量取本品0.2ml,照氮测定法(中国药典1995年版一部附录ⅨL第二法)测定,总氮量应不少于7.0mg/ml。
【功能与主治】滋阴补血,补中益气,健脾润肺。
用于久病体弱,血亏目眩,虚痨咳嗽。
【用法与用量】口服,一次20ml,早晚各一次或遵医嘱。
【规格】每支20ml【贮藏】密封,置阴凉处。
【使用期限】2年。
阿胶颗粒拼音名:Ejiao Keli英文名:书页号:X11-11 标准编号:WS3-88(Z-13)-96(Z)批准文号:(92)卫药准字Z-01号本品为阿胶经干燥、粉碎,制成的颗粒。
【性状】本品为棕色颗粒或粉末;气香,味微甘。
【检查】水分取本品1g,精密称定,照水分测定法(中国药典1995年版一部附录ⅨH烘干法)测定,不得过7.0%。
总灰分取本品1g,精密称定,照灰分测定法(中国药典1995年版一部附录ⅨK)测定,不得过1.1%。
重金属砷盐应符合阿胶项下有关的各项规定(中国药典1995年版一部513页)。
挥发性碱性物质精密称取本品5g,置100ml量瓶中,加水使溶解并稀释至刻度,摇匀,精密量取5ml置凯式蒸馏瓶中,立刻加1%氢氧化镁混悬溶液5ml,迅速密塞,通入水蒸气进行蒸馏,以2%硼酸溶液5ml为接收液,加甲基红-溴甲酚绿混合指示液5滴,从滴出第一滴凝结水珠时起,蒸馏7分钟停止,馏出液照氮测定法(中国药典1995年版一部附录ⅨL第二法)滴定,即得。
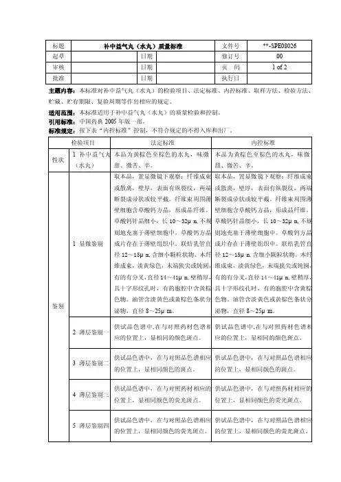
起草日期修订号00审核日期页码 1 of 2批准日期执行日主题内容:本标准对补中益气丸(水丸)的检验项目、法定标准、内控标准、取样方法、检验方法、贮藏、贮存期限、复验周期等作出相应的规定。
适用范围:本标准适用于补中益气丸(水丸)的质量检验和控制。
引用标准:中国药典2005年版一部。
标准规定:按下表“内控标准”控制,不符合规定的不得入库和出厂。
检验项目法定标准内控标准性状1补中益气丸(水丸)本品为黄棕色至棕色的水丸,味微甜、微苦、辛。
本品为黄棕色至棕色的水丸,味微甜、微苦、辛。
鉴别1 显微鉴别取本品,置显微镜下观察:纤维成束或散离,壁厚,表面有纵裂纹,两端断裂成帚状或较平截。
纤维束周围薄壁细胞含草酸钙方晶,形成晶纤维。
草酸钙针晶细小,长10~32μm,不规则地充塞于薄壁细胞中。
草酸钙方晶成片存在于薄壁组织中。
联结乳管直径12~15μm,含细小颗粒状物。
木纤维成束,淡黄绿色,末端狭尖或钝圆,有的有分叉,直径14~41μm,壁稍厚,具十字形纹孔时,有的胞腔中含黄棕色物。
油管含淡黄色或黄棕色条状分泌物,直径8~25μm。
取本品,置显微镜下观察:纤维成束或散离,壁厚,表面有纵裂纹,两端断裂成帚状或较平截。
纤维束周围薄壁细胞含草酸钙方晶,形成晶纤维。
草酸钙针晶细小,长10~32μm,不规则地充塞于薄壁细胞中。
草酸钙方晶成片存在于薄壁组织中。
联结乳管直径12~15μm,含细小颗粒状物。
木纤维成束,淡黄绿色,末端狭尖或钝圆,有的有分叉,直径14~41μm,壁稍厚,具十字形纹孔时,有的胞腔中含黄棕色物。
油管含淡黄色或黄棕色条状分泌物,直径8~25μm。
2 薄层鉴别一供试品色谱中,在与对照药材色谱相应的位置上,显相同的颜色斑点。
供试品色谱中,在与对照药材色谱相应的位置上,显相同的颜色斑点。
3 薄层鉴别二供试品色谱中,在与对照品色谱相应的位置上,显相同颜色的斑点。
供试品色谱中,在与对照品色谱相应的位置上,显相同颜色的斑点。
1.目的建立补中益气丸检验操作规程。
2.范围本规程适用于补中益气丸的全项检验。
3.责任 QC检验员、QC主管、QA主管。
4.标准《补中益气丸质量标准》5. 内容5.1性状本品棕褐色至黑褐色的小蜜丸或大蜜丸;味微甜、微苦、辛。
5.2鉴别5.2.1取本品,置显微镜下观察:纤维成束或散离,壁厚,表面有纵裂纹,两端断裂成帚状或较平截(炙黄芪)。
纤维束周围薄壁细胞含草酸钙方晶,形成晶纤维(炙甘草)。
草酸钙针晶细小,长10~32μm,不规则地充塞于薄壁细胞中(炒白术)。
草酸钙方晶成片存在于薄壁组织中(陈皮)。
联结乳管直径12~15μm,含细小颗粒状物(党参)。
薄壁细胞纺锤形,壁略厚,有极微细的斜向交错纹理(当归)。
木纤维成束,淡黄绿色,末端狭尖或钝圆,有的有分叉,直径14~41μm,壁稍厚,具十字形纹孔时,有的胞腔中含黄棕色物(升麻)。
油管含淡黄色或黄棕色条状分泌物,直径8~25μm(柴胡)。
5.2.2取本品9g,剪碎,加水30ml。
煎煮30钟,滤过,滤液中加稀盐酸5ml,超声处理5分钟,静置,离心,取沉淀物,加稀乙醇1ml 使溶解,用10%碳酸氢钠溶液调节pH值至中性,稍加热,作为供试品溶液。
另取甘草酸铵对照品,加稀乙醇制成每1ml含1mg的溶液,作为对照品溶液。
照薄层色谱法(附录Ⅵ B)试验,吸取上述两种溶液各5μl,分别点于同一硅胶GF254 薄层板上,以正丁醇-冰醋酸-水(6:1:3) 的上层溶液为展开剂,展开,取出,晾干,置紫外光灯(254nm) 下检视。
供试品色谱中,在与对照品色谱相应的位置上,显相同颜色的斑点。
5.2.3取本品5g,剪碎,加硅藻土5g,研匀,加甲醇25ml,加热回流20分钟,滤过,滤液蒸干,残渣加甲醇2ml使溶解,作为供试品溶液。
另取橙皮苷对照品,加甲醇制成饱和溶液,作为对照品溶液。
照薄层色谱法(附录Ⅵ B)试验,吸取上述两种溶液各10μl,分别点于同一硅胶G薄层板上,以乙酸乙酯-甲醇-水(100:17:13) 为展开剂,展开,取出,晾干,喷以三氯化铝试液,置紫外光灯(254nm) 下检视。
三、中药制剂质量及稳定性研究技术指导原则根据《医疗机构制剂注册管理办法》(试行)的有关要求,参照国家食品药品监督管理局颁布的中药、天然药物研究技术指导原则、现行版中国药典一部“中药质量标准分析方法验证指导原则”,基于“使用安全、质量基本可控、方法适用可行、资料完整规范”的基本要求,并结合中药制剂的特点,制订本技术指导原则。
其目的是指导医疗机构进行中药制剂的质量及稳定性研究,为中药制剂质量评价提供明确统一的研究技术要求。
中药制剂质量研究技术指导原则(一)质量标准制定的原则中药质量标准应能指导中药制剂配制、控制中药制剂质量,以保证中药制剂使用安全有效。
有针对性地规定检测项目以加强对内在质量的控制,检测项目的选择,应本着“简便、快捷、灵敏、专属性强”的原则。
(二)质量标准的编排顺序与一般要求1.质量标准正文的一般构成与编排顺序应与现行版中国药典一部基本一致。
具体编排顺序如下:中文名和汉语拼音、处方、制法、性状、鉴别、检查、浸出物、含量测定、功能与主治、用法与用量、注意、规格、贮藏。
2.质量标准中每一项质量指标应有相应的检测方法,方法必须具有可行性与重现性,并有明确的结果判定。
除具体品种项下的特殊要求外,标准项目中所有涉及检验的方法与技术按现行版中国药典一部凡例和附录的要求。
3.质量标准中的格式、术语、数值、计量单位、符号、公式应符合现行版中国药典一部的规定,并参照《国家药品标准工作手册》(国家药典委员会编)。
4.检测所需的对照品或对照药材(或对照提取物)均应为中国药品生物制品检定所统一颁发,所使用对照物质的来源、批号等信息必须在申报资料中标明。
5.若使用的对照药材非中检所统一颁发,可自行建立对照药材标准,并经省药检所鉴定标化后使用。
6.检测方法中所用试剂、溶剂应易于得到,尽可能避免使用毒性大的溶剂与试剂(例如:苯、氯仿等)。
操作中需特别处理或注意的地方应注明,对可能出现的危险应予提示。
7.所用试液、缓冲液、指示液、滴定液应尽可能采用现行版中国药典一部已收载的,不应任意增加或改变其浓度,否则应在标准正文中以注解的形式列出配制的方法,并在起草说明中加以说明。
补中益气丸辩证要点
1. 你知道吗,补中益气丸辩证要点之一就是看是否有神疲乏力!就像有的人总感觉干啥都没劲儿,走几步路就累得不行,这时候就得想想是不是符合这个辩证要点啦!比如隔壁的老张,他最近老是没精神,那可不就得考虑考虑啦!
2. 嘿,有没有那种气短懒言的情况呀!这也是补中益气丸的辩证要点哦。
就好比有些人说话都不想多说几句,气好像都不够用似的,这难道不明显吗?像咱小区的李大妈有阵子就是这样,这不就是个例子嘛!
3. 注意啦,脘腹坠胀感也是个重要信号呀!就像肚子里有个东西往下坠一样,多难受呀!咱认识的那个小刘,他有段时间总说肚子坠胀,这就得仔细瞅瞅是不是能跟这个辩证要点对上号咯!
4. 还有啊,自汗的人可要留意了哦!动不动就出汗,这可不是正常现象呀!像那个爱运动的小王,每次运动完那汗出得,会不会也是个需要关注的点呢?这也是补中益气丸辩证要点之一呀!
5. 有没有常常食欲不振呀?这也在辩证要点里头呢!吃啥都不香,那多郁闷呀!就像我那同事小李,有阵子就吃不下饭,这可就得考虑考虑这个方面了吧!
6. 脱肛、子宫脱垂等现象可不能轻视呀!这可是补中益气丸辩证要点里较严重的情况啦。
想想看,身体出现这样的状况多吓人呀!就像之前听说的某个人有类似问题,真的要重视起来呀!
我的观点结论就是:补中益气丸的这些辩证要点大家一定要记牢,遇到相关情况多去对照、判断,这样才能更好地利用它来调理身体呀!。
补中益气丸中主要成分不同检测方法综述作者:张华来源:《现代养生·下半月版》 2016年第11期张华兰州市第一人民医院药剂科甘肃省兰州市 730050【摘要】补中益气丸因功效显著在临床上应用比较广泛,近年来对其制量标准的研究也在不断扩大,除《中国药典》中收载的法定标准以外,尚有许多非法定标准的补充研究,对其质量控制提供了较好的思路和方向。
【关键词】补中益气丸;主要成分;检测方法;质量控制;综述补中益气丸(Bu Zhong Yi Qi Wan,BZYQW)是我国著名中成药,原方是金代名医李东桓在其《脾胃论》中提出了“补中益气汤”此方剂,在几百年的历史之中,各代医家对该方剂进行效仿与使用,使得此方剂成为了经久不衰的名方,是益气健脾的代表方[1]。
此方剂在生升阳举陷与补中益气方面有着良好的功效,在临床上主要被用来对脾虚、中气下陷所导致的脱肛、阴挺以及泄泻,主要的症状有便溏久泻、子宫脱垂、食少腹胀、体倦乏力等。
笔者查阅了2010 年后相关文献,对其鉴别及含量测定方法进行了归纳。
1 鉴别方法在补中益气丸之中使用了黄芪来作为君药,臣药则主要是使用的甘草、党参与白术,佐药则有陈皮和当归,采用柴胡与升麻来作为使药。
鉴别项有甘草、当归、陈皮等[2],无柴胡的薄层色谱鉴别,谭杰等采用薄层色谱法对补中益气丸中的柴胡进行定性鉴别,为加强质量标准进行了探索,经实验证明方法可靠,斑点清晰,分离效果好,不失为补中益气丸中柴胡的有效定性鉴别方法[3]。
2 定量检测2.1 黄芪甲苷的含量测定黄芪甲苷为处方中君药黄芪的主要有效成分,对黄芪甲苷的定量方法报道较多,有薄层色谱扫描法、反相高效液相色谱法、超高效液相色谱- 蒸发光散射法、高效液相色谱- 蒸发光散射法等。
其中高效液相色谱- 蒸发光散射法应用最多[4]。
《中国药典》中收载的质量控制方法补中益气丸法定标准中只规定用高效液相色谱- 蒸发光散射法测定黄芪中主要成分黄芪甲苷含量限度[2]。
补中益气丸【药名】补中益气丸 Buzhong Yiqi Wan【处方】炙黄芪200克、党参60克、炙甘草100克、白术(炒)60克、当归60克、升麻60克、柴胡60克、陈皮60克。
【组方分析】方中重用黄芪,补中益气,升阳固表,为君;党参、白术、炙甘草健脾益气,为臣,共收补中益气之功.配当归补血,协助党参、黄芪补气养血:陈皮理气和胃,使诸药补而不滞,共为佐药。
升麻、柴胡升举下陷清阳,为佐使药。
炙甘草调和诸药,亦为使药。
诸药配用,使中气虚者补之,气陷者升之,气虚有热者除之,共奏补中益气,升阳举陷之功。
【功能主治】补中益气,升阳举陷。
用于脾胃虚弱、中气下陷所致的泄泻、脱肛、子宫脱垂、阴挺,症见体倦乏力、食少腹胀、便溏久泻、肛门下坠。
【制备方法】以上八味,粉碎成细粉,过筛,混匀。
另取生姜20克,大枣40克,加水煎煮二次,滤过。
取上述细粉,用煎液泛丸,干燥,即得。
【剂型规格】水丸。
【用法用量】口服。
一次6克,一日2~3次。
【质量控制】1.本品为黄棕色至棕色的水丸;味微甜、微苦、辛。
2.显微鉴别炙黄芪、党参、炙甘草、白术、当归、柴胡、陈皮。
薄层色谱法鉴别白术、当归、甘草(甘草酸单铵盐)、陈皮(橙皮苷)。
3.除应符合丸剂有关的各项规定外,按照高效液相色谱法测定,本品每1克含炙黄芪以黄芪甲苷(C41H68O14)计,不得少于0.28毫克。
【使用禁忌】凡阴虚发热、阳气欲脱、湿热证者不宜应用。
【现代研究】本品主要有调节胃肠运动、抗胃溃疡、抗胃黏膜损伤、影响消化液分泌、调节免疫功能等作用。
实验研究发现本方水煎液灌胃后能显著抑制正常小鼠胃肠推进运动,也能抑制新斯的明引起的小鼠小肠推进运动的亢进,拮抗吗啡引起的小肠推进的抑制;离体肠管试验表明,水煎液和丸剂的水混悬液对乙酰胆碱或氯化钡也有拮抗作用;灌胃给药后对应激性胃溃疡、幽门结扎法胃溃疡、利舍平胃溃疡大鼠模型均有良好的保护作用,表现为明显降低上述模型的溃疡发生率和溃疡指数;本方可提高胃蛋白酶活性,增加其排出量,但较大剂量时可抑制胃酸、胃蛋白酶分泌,还可明显拮抗乙酰胆碱、五肽胃泌素、组胺的促泌酸作用;本方可提高机体细胞活性,促进机体代谢,促进蛋白质合成,达到消除虚证的效果;能明显提高小鼠对常压缺氧的耐受性,延长亚硝酸中毒小鼠的存活时间。
补中益气丸补中益气丸对免疫系统、消化系统、泌尿系统等均有良好的调节作用,并能增强机体非特异性抵抗力、抗菌、抗病毒等。
并有调节胃肠运动,抗胃溃疡和抗胃粘膜损伤,兴奋子宫,增强心肌收缩力,影响消化液分泌,促进代谢,抗肿瘤,抗突变等。
1、调节胃肠运动本方水煎剂皮下注射(10g/kg,5g/kg)有明显抑制胃排空作用。
灌胃或皮下注射,能明显抑制正常小鼠推进运动,也能抑制新斯的明引起的小鼠小肠推进运动的亢进,也能拮抗盐酸吗啡引起小鼠小肠推进的抑制。
本方也能抑制大黄造型之“脾虚”大鼠全消化道的排空时间。
离体肠管试验表明,水煎剂或丸剂的水混悬液对乙酰胆碱或氯化钡所致的家兔离体小肠强直性收缩有明显的拮抗作用,对肾上腺素引起小肠收缩的抑制也有拮抗作用。
本方小剂量对家兔十二指肠自发活动呈兴奋作用,剂量较大时则呈抑制作用。
本方口服液2.5g,能对抗乙酰碱引起的离体大鼠十二指肠兴奋以及阿托品所致的十二指肠抑制,且对抗作用优于丸剂;25g/kg小鼠灌胃,对小鼠肠道蠕动有促进作用,且优于丸剂。
2、抗胃溃疡、抗胃粘膜损伤本方水煎剂三个剂量(10g/kg,15g/kg,20g/kg)口服给药对应激性胃溃病、幽门结扎法溃病、利血平胃溃疡大鼠模型均有良好的保护作用,表现为该方能明显降低上述模型的溃疡发生率和溃疡指数,对乙酸法慢性胃溃疡模型连续灌胃治疗10日,有明显促进溃疡愈合作用。
研究表明,该方在抗溃疡有效剂量时能抑制大鼠的基础胃酸分泌,抑制在体大鼠胃肌电的平均振幅以及抑制离体大鼠胃肌条的过度收缩(Ach或氯化钡),维持胃粘膜有效血流及促进胃组织蛋白质合成的作用。
该方上述剂量对无水乙醇、L HCI、L NaOH三种物质造成大鼠胃粘膜的急性损伤有明显的保护作用,能明显降低胃粘膜损伤指数。
研究表明该方有轻度增加正常大鼠胃壁结合粘液,提高消炎痛引起胃壁结合粘液的减少的作用;也能提高正常大鼠和消炎痛处理大鼠胃组织PGE2含量;具提高正常大鼠和消炎痛处理大鼠胃粘膜Na+,K+,Mg2+-APT酶的活力和有提高消炎痛处理大鼠胃粘膜cAMP含量的作用。
700年经久不衰经典名方补中益气丸展开全文补中益气汤(丸)是史上著名的金元四大家之一李东垣创立的,他提出“内伤脾胃,百病由生”的观点。
组成:黄芪、炙甘草、人参、炒白术、当归、陈皮、升麻、柴胡补中益气丸的主治范围(李东垣的方子):“脾胃气虚,少气懒言,四肢无力,困倦少食,不耐劳累,动则气短”等。
JT叔叔:1、气虚下陷李东垣李杲创这个方的时候,他的病人是气虚下陷,他认为如果一个人气不够,虚到极点的时候这个人的气会垮掉,气垮掉之后就会莫名其妙的发烧之类的。
其实补中益气汤的发烧跟当归补血汤的发烧是很像的。
那你要填补他的元气,他才能够抵抗力会恢复,生理机能恢复正常。
那当然中国人讲到气虚下陷也会讲到说,因为痔疮的人怕脱肛,所以就是怕他的东西掉下来,所以会认为好像身体这里那里往下掉的时候,要用补中汤把它提上来。
罗大伦:有些网友患了痔疮,给我来邮件,说脱出多久了,我就是告诉买什么痔疮药,同时配合补中益气丸,结果就开始往回收了。
中气下陷,这个下陷怎么解决呢?于是,方子里面就用了升麻和柴胡,量都非常的少,升麻是升阳明之气,柴胡是升少阳之气,各位,这里面可够神奇的,您别看就这两味药,我们说它们药性是向上升的,加进去以后,这整个的药力还真就是往上走了,治疗脱肛,子宫脱垂什么的,是气虚引起的,用上还真就能回去。
民国时期有一个著名的医生叫张锡纯,他治疗过很多这样的病例,其中有一个车夫就是在饥饿的状态下,空着肚子奔走了七、八里地,结果是呼吸短气、心中发热、不爱吃东西、肢体酸懒无力,稍微一动弹就觉得气短,最后张锡纯就是用补中益气法给治好了。
生黄芪使用的量可以大,但是蜜炙黄芪的量要严格遵守方剂的规定,因为蜜炙的很容易生热。
可是话又说回来了,如果真的是内脏下垂的话,补中汤效果不怎么样。
重症肌无力,补中汤效果也不怎么样。
因为到了肌无力的时候就是脾阴实对不对?平胃散效果比较好。
那如果是内脏下垂的话,我们之前有介绍说枳实跟黄芪一起用效果比较好2、感冒,内伤外感很虚很虚的人发烧,身体弱容易很虚的人,这个补中汤专门补腠理。
补中益气丸浓缩丸生产标准中医药是我国宝贵的传统文化之一,其中的经典方剂在临床上有广泛的应用。
补中益气丸是一种常用的中药方剂,其具有益气健脾、补中益气的功效。
为了确保补中益气丸的质量、安全性和疗效,制定了一系列的生产标准。
下面就介绍补中益气丸浓缩丸生产标准的相关内容。
一、生产设备和场所要求1.生产设备:应当选择符合国家GMP要求的生产设备,确保生产工艺的合理性和稳定性。
2.生产场所:应当选择符合国家药品GMP生产场所要求的场地,应保证通风良好、干燥清洁,并且严格控制生产环境的温度和湿度。
3.生产人员:应当由经过专业培训、持证上岗的操作人员进行生产作业,严格按照操作规程进行操作。
二、原材料的采购和储存1.原材料的采购:应当选择正规的药材供应商,严格检查供应商的资质和产品质量,研究并签订合同,确保供应商提供的原材料符合标准。
2.原材料的储存:应当将采购的原材料储存在符合要求的环境条件下,避免受潮、受污染和发霉,严格遵守药品储存的相关要求。
三、生产工艺流程1.制剂工艺:应当根据补中益气丸的制剂工艺流程,合理确定生产工艺参数,并严格执行,确保产品的质量稳定性。
2.监测分析:应当对生产过程中的各个关键环节进行监测和分析,及时发现并纠正生产过程中的偏差,避免不合格产品的产生。
3.产品包装:应当选择符合要求的包装材料,保障产品的安全和稳定性,并按照要求进行包装操作,确保产品的质量。
四、质量控制1.质量检测:应当根据国家药典和企业标准进行质量检测,确保产品符合质量标准。
2.不合格品的处理:一旦发现不合格品,应当及时采取相应的措施,避免不合格品对下游生产的影响。
五、产品质量标准1.理化指标:应当严格按照国家药典和企业标准对产品的理化指标进行检测,并制定合理的质量标准。
2.微生物指标:应当对产品的微生物指标进行监测,确保产品的微生物质量符合要求。
3.重金属、农药残留等指标:应当对产品的重金属、农药残留等指标进行监测,确保产品的安全性。
HPLC测定十全大补丸、补中益气丸、银翘解毒片中甘草酸含量目的建立十全大补丸、补中益气丸、银翘解毒片中甘草酸的含量测定方法。
方法采用高效液相色谱法测定十全大补丸、补中益气丸、银翘解毒片中甘草酸的含量,采用Zorbax SB C18色谱柱(150 mm×4.6 mm,5 μm),流动相为甲醇-2.5%醋酸(65∶35),流速为0.8 mL/min,检测波长为254 nm。
结果甘草酸在0.180 3~3.605 4 μg范围内与峰面积呈良好的线性关系(r=1),十全大补丸、补中益气丸、银翘解毒片中甘草酸平均回收率分别为99.85%(n=6)、100.70%(n=6)、100.81%(n=6)。
结论本试验所建立的方法专属性强、简便,可用于含甘草成分的产品中甘草酸的检测。
Abstract:Objective To establish content determination method of glycyrrhizic acid in Shiquan Ddabu Pills,Buzhong Yiqi Pills and Yinqiao Jiedu Tablets. Methods HPLC method was used to determine the content of glycyrrhizic acid in the three preparations. Zorbax SB C18 column (150 mm×4.6 mm,5 μm)was used;Methanol- 2.5% Acetic acid (65∶35)was set as the mobile phase at flow rate of 0.8 mL/min;the detection wavelength was 254 nm. Results The linear range of glycyrrhizic acid was in the range of 0.180 3–3.605 4 μg (r=1). The average recovery was 99.85% (n=6)in Shiquan Dabu Pills,100.70% (n=6)in Buzhong Yiqi Pills,and 100.81% (n=6)in Yinqiao Jiedu Tablets. Conclusion The method is specific,simple and can be used to determine glycyrrhizic acid in the products containting glycyrrhizae.Key words:Shiquan Dabu Pills;Buzhong Yiqi Pills;Yinqiao Jiedu Tablets;glycyrrhizic acid;HPLC十全大补丸、补中益气丸、银翘解毒片为北京同仁堂科技发展股份有限公司出口至欧洲某国家产品,处方中均含有甘草成分。
1.主题内容:建立补中益气丸质量标准及内控标准。
2.适用范围:本标准适用于ABC有限公司生产的补中益气丸。
3.引用标准:《中国药典2010年版》一部第780页
4.用途:本品为固体车间生产的成品。
5.批准文号:国药准字
6.内容
6.1性状本品为棕褐色至黑褐色的大蜜丸;味微甜、微苦、辛。
6.2 功能与主治补中益气,升阳举陷。
用于脾胃虚弱、中气下陷所致的泄泻、脱肛、阴挺、症见体倦乏力、食少腹胀、便溏久泻、肛门下坠或脱肛、子宫脱垂。
6.3用法与用量口服,一次1丸,一日2~3次。
6.4规格大蜜丸每丸重9g
6.5包装规格铝塑包装,每板10丸,每盒1板。
6.6有效期 36个月
6.7贮藏密封。