弹性力学选择题考试必备
- 格式:doc
- 大小:803.73 KB
- 文档页数:3
弹性力学考试和答案一、单项选择题(每题2分,共20分)1. 弹性力学中,应力状态的基本方程是()。
A. 平衡方程B. 几何方程C. 物理方程D. 边界条件答案:A2. 弹性力学中,位移场的三个基本方程是()。
A. 平衡方程B. 几何方程C. 物理方程D. 边界条件答案:B3. 弹性力学中,平面应力问题与平面应变问题的主要区别是()。
A. 应力分量不同B. 位移分量不同C. 应变分量不同D. 边界条件不同答案:C4. 弹性力学中,圣维南原理是指()。
A. 应力集中现象B. 应力释放现象C. 应力平衡现象D. 应力松弛现象答案:B5. 弹性力学中,莫尔圆表示的是()。
A. 应力状态B. 应变状态C. 位移状态D. 应力-应变关系答案:A6. 弹性力学中,平面问题的基本解法有()。
A. 直接积分法B. 叠加原理C. 变分法D. 能量法答案:A7. 弹性力学中,轴对称问题的基本解法是()。
A. 直接积分法B. 叠加原理C. 变分法D. 能量法答案:A8. 弹性力学中,扭转问题的解法是()。
A. 直接积分法B. 叠加原理C. 变分法D. 能量法答案:A9. 弹性力学中,平面应力问题的应力函数是()。
A. 单一函数B. 两个函数C. 三个函数D. 四个函数答案:A10. 弹性力学中,平面应变问题的应力函数是()。
A. 单一函数B. 两个函数C. 三个函数D. 四个函数答案:B二、多项选择题(每题3分,共15分)11. 弹性力学中,应力状态的基本方程包括()。
A. 平衡方程B. 几何方程C. 物理方程D. 边界条件答案:AC12. 弹性力学中,位移场的三个基本方程包括()。
A. 平衡方程B. 几何方程C. 物理方程D. 边界条件答案:BC13. 弹性力学中,平面应力问题与平面应变问题的主要区别包括()。
A. 应力分量不同B. 位移分量不同C. 应变分量不同D. 边界条件不同答案:AC14. 弹性力学中,圣维南原理包括()。
2005-2006 学年第二学期《弹性力学及有限元》期末试卷一、选择题(20 分) 1、 弹性力学建立的基本方程多是偏微分方程,最后需结合()求解这些微分方程,以求得具体问题的应力、应变、位移。
A.几何方程 B.边界条件 C.数值方法 D.附加假定2、 弹性力学平面问题的求解中,平面应力问题与平面应变问题的三类基本方程具有下列关系( )。
A.平衡方程、几何方程、物理方程完全相同B.平衡方程、几何方程相同,物理方程不同C.平衡方程、物理方程相同,几何方程不同3、 根据圣维南原理,作用在物体一小部分边界上的力系可以用下列( )的力系代替,则仅在近处应力分布有改变,而在远处所受的影响可以不计。
A.静力上等效 B.几何上等效 C.平衡 D.任意4、 三结点三角形单元中的位移分布为( )。
A.常数 B.线性分布 C.二次分布 D.三次分布二、简答题1、在什么条件下,平面应力问题的 的?(9 分)与平面应变问题的是相同2、若引用应力函数 求解平面问题,应力分量与应力函数的关系式、 推导出来的。
(5 分)、是根据弹性力学哪一类基本方程3、有限单元法中选取单元位移模式应满足什么条件? (9 分)三、计算题1、 试问 分量?(10 分)是否可能成为弹性力学问题中的应变2、圆环内半径和外半径为别为 a 和 b,内边界受均布法向压力 作用,外边界固 定。
已知平面轴对称问题的应力分量为,相应位移分量为 ,试求圆环的应力分量和位移分量。
(15 分)3、试用应力函数求解题 3 图所示的应力分量(设)。
(20 分)题3图 4、某结构的有限元计算网格如题 4 图(a)所示。
网格中两种类型单元按如题 4 图(b)所示的局部编号,它们单元劲度矩阵均为试求:(1)结点 2 的等效荷载列阵 。
(4 分) (2)整体劲度矩阵中的子矩阵 和 。
(8 分)(a)(b)。
第一章绪论1、所谓“完全弹性体”是指(B)。
A、材料应力应变关系满足虎克定律B、材料的应力应变关系与加载时间、历史无关C、本构关系为非线性弹性关系D、应力应变关系满足线性弹性关系2、关于弹性力学的正确认识是(A)。
A、计算力学在工程结构设计中的作用日益重要B、弹性力学从微分单元体入手分析弹性体,因此与材料力学不同,不需要对问题作假设C、任何弹性变形材料都是弹性力学的研究对象D、弹性力学理论像材料力学一样,可以没有困难的应用于工程结构分析3、下列对象不属于弹性力学研究对象的是(D)。
A、杆件B、板壳C、块体D、质点4、弹性力学研究物体在外力作用下,处于弹性阶段的应力、应变和位移。
5、弹性力学可以解决材料力学无法解决的很多问题;并对杆状结果进行精确分析,以及验算材力结果的适用范围和精度。
与材料力学相比弹性力学的特点有哪些?答:1)研究对象更为普遍;2)研究方法更为严密;3)计算结果更为精确;4)应用范围更为广泛。
6、材料力学研究杆件,不能分析板壳;弹性力学研究板壳,不能分析杆件。
(×)改:弹性力学不仅研究板壳、块体问题,并对杆件进行精确的分析,以及检验材料力学公式的适用范围和精度。
7、弹性力学对杆件分析(C)。
A、无法分析B、得出近似的结果C、得出精确的结果D、需采用一些关于变形的近似假定8、图示弹性构件的应力和位移分析要用什么分析方法?(C)A 、材料力学B 、结构力学C 、弹性力学D 、塑性力学解答:该构件为变截面杆,并且具有空洞和键槽。
9、弹性力学与材料力学的主要不同之处在于( B )。
A 、任务B 、研究对象C 、研究方法D 、基本假设10、重力、惯性力、电磁力都是体力。
(√)11、下列外力不属于体力的是(D )A 、重力B 、磁力C 、惯性力D 、静水压力12、体力作用于物体内部的各个质点上,所以它属于内力。
(×)解答:外力。
它是质量力。
13、在弹性力学和材料力学里关于应力的正负规定是一样的。
弹性力学试题及答案一、选择题(每题10分,共40分)1. 在弹性力学中,下列哪个物理量表示应变能密度?A. 应力B. 应变C. 位移D. 应力能密度答案:D2. 在平面应力状态下,下列哪个方程是正确的?A. σ_x + σ_y = 0B. σ_x + σ_y = σ_zC. σ_x + σ_y = τ_xyD. σ_x + σ_y = 0答案:D3. 在弹性体中,应力与应变之间的关系可以用下列哪个关系式表示?A. σ = EεB. σ = GγC. τ = μγD. σ = λε答案:A4. 在弹性力学中,下列哪个方程表示平衡方程?A. σ_x + σ_y + σ_z = 0B. ε_x + ε_y +ε_z = 0 C. τ_xy = τ_yx D. σ_x + σ_y + σ_z = F答案:D二、填空题(每题10分,共30分)1. 弹性力学中的基本假设有:连续性假设、线性假设和________假设。
答案:各向同性2. 在三维应力状态下,应力分量可以表示为:σ_x, σ_y, σ_z, τ_xy, τ_xz, τ_yz。
其中,τ_xy表示________面上的切应力。
答案:xOy3. 在弹性力学中,位移与应变之间的关系可以用________方程表示。
答案:几何方程三、计算题(每题30分,共90分)1. 已知一弹性体在平面应力状态下的应力分量为:σ_x = 100 MPa,σ_y = 50 MPa,τ_xy = 25 MPa。
弹性模量E = 200 GPa,泊松比μ = 0.3。
求应变分量ε_x, ε_y, γ_xy。
解:首先,利用胡克定律计算应变分量:ε_x = σ_x / E = 100 MPa / 200 GPa = 0.0005ε_y = σ_y / E = 50 MPa / 200 GPa = 0.00025γ_xy = τ_xy / G = 25 MPa / (E / 2(1 + μ)) = 25 MPa / (200 GPa / 2(1 + 0.3)) = 0.000375答案:ε_x = 0.0005,ε_y = 0.00025,γ_xy = 0.0003752. 一弹性体在三维应力状态下的应力分量为:σ_x = 120 MPa,σ_y = 80 MPa,σ_z = 40 MPa,τ_xy = 30 MPa,τ_xz = 20 MPa,τ_yz = 10 MPa。
弹性力学期末考试复习题
一、选择题
1. 弹性力学的基本假设是什么?
A. 材料是均匀的
B. 材料是各向同性的
C. 材料是线弹性的
D. 所有选项都是
2. 弹性模量和泊松比之间有什么关系?
A. 它们是独立的
B. 它们之间存在数学关系
C. 弹性模量总是大于泊松比
D. 泊松比总是小于0.5
二、简答题
1. 简述胡克定律的基本内容及其适用范围。
2. 解释什么是平面应力问题和平面应变问题,并给出它们的区别。
三、计算题
1. 给定一个矩形板,尺寸为2米×1米,厚度为0.1米,材料的弹性
模量为200 GPa,泊松比为0.3。
若在板的一侧施加均匀压力为1 MPa,求板的中心点的位移。
2. 一个圆柱形压力容器,内径为2米,外径为2.05米,材料的弹性
模量为210 GPa,泊松比为0.3。
求在内部压力为10 MPa时,容器壁
的最大应力。
四、论述题
1. 论述弹性力学在工程实际中的应用及其重要性。
2. 讨论材料的非线性行为对弹性力学分析的影响。
五、案例分析题
分析一个实际工程问题,如桥梁、大坝或高层建筑的结构设计,说明
在设计过程中如何应用弹性力学的原理来确保结构的稳定性和安全性。
结束语
弹性力学是一门理论性和实践性都很强的学科,希望同学们能够通过
本次复习,加深对弹性力学基本原理的理解和应用能力,为解决实际
工程问题打下坚实的基础。
祝大家考试顺利!。
弹性力学期末考试试题及答案一、名词解释(每题5分,共25分)1. 弹性力2. 弹簧常数3. 应力4. 应变5. 胡克定律6. 弹性模量7. 弹性体的形变8. 弹性位移9. 弹性能量10. 弹性碰撞二、选择题(每题2分,共20分)1. 以下哪种材料不属于弹性材料?A. 钢铁B. 橡胶C. 玻璃D. 水2. 在弹性限度内,弹性力与形变量之间的关系遵循哪一定律?A. 平方律B. 立方律C. 直线律D. 反比律3. 一弹簧的弹簧常数为50N/m,当一个力作用于弹簧上使其压缩0.1m时,弹簧的弹性势能为多少?A. 0.5JB. 1JC. 2JD. 5J4. 下列哪种情况下,弹簧的弹性力最大?A. 弹簧处于自然长度时B. 弹簧被压缩时C. 弹簧被拉伸时D. 弹簧被压缩或拉伸到极限时5. 两个相同的弹性球碰撞,如果它们的弹性系数不同,那么碰撞后它们的速度关系是?A. 速度大小不变,方向相反B. 速度大小不变,方向相同C. 速度大小发生变化,方向相反D. 速度大小发生变化,方向相同三、填空题(每题5分,共25分)1. 一弹性体的形变是指其_________的变化。
2. 在弹性碰撞中,两个物体的速度满足_________定律。
3. 弹簧的弹簧常数_________,表示弹簧的_________。
4. 当一个力作用于弹性体上时,该力与弹性体的_________之比称为应力。
5. 弹性模量是衡量材料_________的物理量。
四、计算题(共40分)1. 一弹簧的弹簧常数为200N/m,当一个力作用于弹簧上使其压缩0.5m时,求弹簧的弹性势能。
(5分)2. 质量为2kg的物体从静止开始沿斜面滑下,斜面与水平面的夹角为30°,斜面长度为10m,摩擦系数为0.2。
求物体滑到斜面底部时的速度。
(5分)3. 两个弹性球A和B,质量分别为m1和m2,弹性系数分别为k1和k2。
它们从静止开始相互碰撞,求碰撞后A和B的速度。
第一章绪论1、所谓“完全弹性体”是指(B)。
A、材料应力应变关系满足虎克定律B、材料的应力应变关系与加载时间、历史无关C、本构关系为非线性弹性关系D、应力应变关系满足线性弹性关系2、关于弹性力学的正确认识是(A)。
A、计算力学在工程结构设计中的作用日益重要B、弹性力学从微分单元体入手分析弹性体,因此与材料力学不同,不需要对问题作假设C、任何弹性变形材料都是弹性力学的研究对象D、弹性力学理论像材料力学一样,可以没有困难的应用于工程结构分析3、下列对象不属于弹性力学研究对象的是(D)。
A、杆件B、板壳C、块体D、质点4、弹性力学研究物体在外力作用下,处于弹性阶段的应力、应变和位移。
5、弹性力学可以解决材料力学无法解决的很多问题;并对杆状结果进行精确分析,以及验算材力结果的适用范围和精度。
与材料力学相比弹性力学的特点有哪些?答:1)研究对象更为普遍;2)研究方法更为严密;3)计算结果更为精确;4)应用范围更为广泛。
6、材料力学研究杆件,不能分析板壳;弹性力学研究板壳,不能分析杆件。
(×)改:弹性力学不仅研究板壳、块体问题,并对杆件进行精确的分析,以及检验材料力学公式的适用范围和精度。
7、弹性力学对杆件分析(C)。
A、无法分析B、得出近似的结果C、得出精确的结果D、需采用一些关于变形的近似假定8、图示弹性构件的应力和位移分析要用什么分析方法?(C)A、材料力学B、结构力学C、弹性力学D、塑性力学解答:该构件为变截面杆,并且具有空洞和键槽。
9、弹性力学与材料力学的主要不同之处在于(B )。
A 、任务B 、研究对象C 、研究方法D 、基本假设10、重力、惯性力、电磁力都是体力。
(√)11、下列外力不属于体力的是(D )A 、重力B 、磁力C 、惯性力D 、静水压力12、体力作用于物体内部的各个质点上,所以它属于内力。
(×)解答:外力。
它是质量力。
13、在弹性力学和材料力学里关于应力的正负规定是一样的。
本科弹性力学试题及答案一、选择题(每题2分,共20分)1. 弹性力学中,下列哪一项不是基本假设?A. 连续性假设B. 均匀性假设C. 各向异性假设D. 小变形假设答案:C2. 在弹性力学中,下列哪一项不是应力的类型?A. 正应力B. 剪应力C. 拉应力D. 弯应力答案:D3. 弹性模量E和泊松比μ之间存在以下哪种关系?A. E = 2G(1+μ)B. E = 3G(1-2μ)C. E = 3G(1+μ)D. E = 2G(1-μ)答案:C4. 弹性力学中的圣维南原理适用于以下哪种情况?A. 仅适用于平面应力问题B. 仅适用于平面应变问题C. 适用于平面应力和平面应变问题D. 不适用于任何情况答案:C5. 弹性力学中,下列哪一项不是位移场的基本方程?A. 几何方程B. 物理方程C. 运动方程D. 边界条件答案:D6. 弹性力学中,下列哪一项不是平面应力问题的特点?A. 应力分量σz=0B. 应变分量εz≠0C. 应力分量τxz=τyz=0D. 应变分量γxz=γyz=0答案:B7. 弹性力学中,下列哪一项不是平面应变问题的特点?A. 应力分量σz≠0B. 应变分量εz=0C. 应力分量τxz=τyz=0D. 应变分量γxz=γyz=0答案:A8. 弹性力学中,下列哪一项不是应力集中的类型?A. 几何不连续引起的应力集中B. 材料不连续引起的应力集中C. 载荷不连续引起的应力集中D. 温度不连续引起的应力集中答案:D9. 弹性力学中,下列哪一项不是弹性常数?A. 杨氏模量EB. 泊松比μC. 剪切模量GD. 体积模量K答案:D10. 弹性力学中,下列哪一项不是弹性体的基本性质?A. 均匀性B. 连续性C. 各向同性D. 各向异性答案:D二、填空题(每题2分,共20分)1. 弹性力学中,应力状态的基本方程包括______、______和______。
答案:几何方程、物理方程、平衡方程2. 弹性力学中,应变能密度W与应力分量和应变分量的关系为W=______。
弹性力学试题及答案一、选择题(每题5分,共20分)1. 弹性力学中,描述材料弹性特性的基本物理量是()。
A. 应力B. 应变C. 弹性模量D. 泊松比答案:C2. 在弹性力学中,下列哪项不是胡克定律的内容?()A. 应力与应变成正比B. 材料是均匀的C. 材料是各向同性的D. 材料是线性的答案:B3. 弹性模量E和泊松比ν之间的关系是()。
A. E = 2(1 + ν)B. E = 3(1 - 2ν)C. E = 3(1 + ν)D. E = 2(1 - ν)答案:D4. 根据弹性力学理论,下列哪种情况下材料会发生塑性变形?()A. 应力小于材料的弹性极限B. 应力达到材料的弹性极限C. 应力超过材料的屈服强度D. 应力小于材料的屈服强度答案:C二、填空题(每题5分,共20分)1. 弹性力学中,应力的定义是单位面积上的______力。
答案:内2. 弹性力学的基本假设之一是______连续性假设。
答案:材料3. 弹性力学中,应变的量纲是______。
答案:无4. 弹性力学中,当外力撤去后,材料能恢复原状的性质称为______。
答案:弹性三、简答题(每题10分,共30分)1. 简述弹性力学中应力和应变的区别。
答案:应力是描述材料内部单位面积上受到的内力,而应变是描述材料在受力后形状和尺寸的变化程度。
2. 解释弹性力学中的杨氏模量和剪切模量。
答案:杨氏模量(E)是描述材料在拉伸或压缩过程中应力与应变比值的物理量,反映了材料的刚度;剪切模量(G)是描述材料在剪切应力作用下剪切应变与剪切应力比值的物理量,反映了材料抵抗剪切变形的能力。
3. 弹性力学中,如何理解材料的各向异性和各向同性?答案:各向异性是指材料的物理性质(如弹性模量、热膨胀系数等)在不同方向上具有不同的值;而各向同性则是指材料的物理性质在各个方向上都是相同的。
四、计算题(每题15分,共30分)1. 已知一圆柱形试件,其直径为50mm,长度为100mm,材料的弹性模量E=210GPa,泊松比ν=0.3。
1-1. 选择题a. 下列材料中,D属于各向同性材料。
A. 竹材;B. 纤维增强复合材料;C. 玻璃钢;D. 沥青。
b. 关于弹性力学的正确认识是A。
A. 计算力学在工程结构设计的中作用日益重要;B. 弹性力学从微分单元体入手分析弹性体,因此与材料力学不同,不需要对问题作假设;C. 任何弹性变形材料都是弹性力学的研究对象;D. 弹性力学理论像材料力学一样,可以没有困难的应用于工程结构分析。
c. 弹性力学与材料力学的主要不同之处在于B。
A. 任务;B. 研究对象;C. 研究方法;D. 基本假设。
d. 所谓“完全弹性体”是指B。
A. 材料应力应变关系满足胡克定律;B. 材料的应力应变关系与加载时间历史无关;C. 本构关系为非线性弹性关系;D. 应力应变关系满足线性弹性关系。
2-1. 选择题a. 所谓“应力状态”是指B。
A. 斜截面应力矢量与横截面应力矢量不同;B. 一点不同截面的应力随着截面方位变化而改变;C. 3个主应力作用平面相互垂直;D. 不同截面的应力不同,因此应力矢量是不可确定的。
2-2. 梯形横截面墙体完全置于水中,如图所示。
已知水的比重为 ,试写出墙体横截面边界AA',AB,BB’的面力边界条件。
2-3. 作用均匀分布载荷q的矩形横截面简支梁,如图所示。
根据材料力学分析结果,该梁横截面的应力分量为试检验上述分析结果是否满足平衡微分方程和面力边界条件。
2-4. 单位厚度的楔形体,材料比重为γ,楔形体左侧作用比重为γ1的液体,如图所示。
试写出楔形体的边界条件。
2-5. 已知球体的半径为r,材料的密度为ρ1,球体在密度为ρ1(ρ1>ρ1)的液体中漂浮,如图所示。
试写出球体的面力边界条件。
2-6. 矩形横截面悬臂梁作用线性分布载荷,如图所示。
试根据材料力学应力解答推导挤压应力σy的表达式。
3-1. 选择题a. 切应力互等定理根据条件B 成立。
A. 纯剪切;B. 任意应力状态;C. 三向应力状态;D. 平面应力状态;b. 应力不变量说明D.。
一、单项选择题(按题意将正确答案的编号填在括弧中,每小题2分,共10分)1、弹性力学建立的基本方程多是偏微分方程,还必须结合( C )求解这些微分方程,以求得具体问题的应力、应变、位移。
A .相容方程B .近似方法C .边界条件D .附加假定2、根据圣维南原理,作用在物体一小部分边界上的力系可以用( B )的力系代替,则仅在近处应力分布有改变,而在远处所受的影响可以不计。
A .几何上等效B .静力上等效C .平衡D .任意3、弹性力学平面问题的求解中,平面应力问题与平面应变问题的三类基本方程不完全相同,其比较关系为( B )。
A .平衡方程、几何方程、物理方程完全相同B .平衡方程、几何方程相同,物理方程不同C .平衡方程、物理方程相同,几何方程不同D .平衡方程相同,物理方程、几何方程不同4、不计体力,在极坐标中按应力求解平面问题时,应力函数必须满足( A )①区域内的相容方程;②边界上的应力边界条件;③满足变分方程; ④如果为多连体,考虑多连体中的位移单值条件。
A. ①②④ B. ②③④ C. ①②③ D. ①②③④5、如下图所示三角形薄板,按三结点三角形单元划分后,对于与局部编码ijm 对应的整体编码,以下叙述正确的是( D )。
① I 单元的整体编码为162 ② II 单元的整体编码为426 ③ II 单元的整体编码为246 ④ III 单元的整体编码为243 ⑤ IV 单元的整体编码为564A. ①③B. ②④C. ①④D. ③⑤1、所谓“完全弹性体”是指(B )。
A 、材料应力应变关系满足虎克定律B 、材料的应力应变关系与加载时间、历史无关C 、本构关系为非线性弹性关系D 、应力应变关系满足线性弹性关系 2、关于弹性力学的正确认识是(A )。
A 、计算力学在工程结构设计中的作用日益重要B 、弹性力学从微分单元体入手分析弹性体,因此与材料力学不同,不需要对问题作假设C 、任何弹性变形材料都是弹性力学的研究对象D 、弹性力学理论像材料力学一样,可以没有困难的应用于工程结构分析 3、下列对象不属于弹性力学研究对象的是(D )。
弹性力学100题一、单项选择题1.弹性力学建立的基本方程多是偏微分方程,还必须结合(C )求解这些微分方程,以求得具体问题的应力、应变、位移。
A相容方程 B •近似方法C •边界条件D •附加假定2.根据圣维南原理,作用在物体一小部分边界上的力系可以用(B )的力系代替,则仅在近处应力分布有改变,而在远处所受的影响可以不计。
A.几何上等效B・静力上等效C平衡D •任意3.弹性力学平面问题的求解中,平面应力问题与平面应变问题的三类基本方程不完全相同,其比较关系为(B )。
A •平衡方程、几何方程、物理方程完全相同B •平衡方程、几何方程相同,物理方程不同C •平衡方程、物理方程相同,几何方程不同D •平衡方程相同,物理方程、几何方程不同4.不计体力,在极坐标中按应力求解平面问题时,应力函数必须满足(A )①区域内的相容方程;②边界上的应力边界条件;③满足变分方程;④如果为多连体,考虑多连体中的位移单值条件。
A.①②④B.②③④C.①②③D.①②③④5.如下图1所示三角形薄板,按三结点三角形单元划分后,对于与局部编码ijm对应的整体编码,以下叙述正确的是(D )。
①I单元的整体编码为162②II单元的整体编码为426③II单元的整体编码为246④III单元的整体编码为243⑤IV单元的整体编码为564图1A.①③B.②④C.①④D.③⑤6.平面应变问题的微元体处于(C )A.单向应力状态B.双向应力状态C.三向应力状态,且-是一主应力D.纯剪切应力状态7.圆弧曲梁纯弯时,(CA.应力分量和位移分量都是轴对称的B.应力分量和位移分量都不是轴对称的C.应力分量是轴对称的,位移分量不是轴对称的D.位移分量是轴对称的,应力分量不是轴对称的8.下左图2中所示密度为「的矩形截面柱,应力分量为:匚x =0fy Ay B, xy 0对图(a)和图(b)两种情况由边界条件确定的常数A及B的关系是(C )A.A 相同,B也相同B.A 不相同,B也不相同C.A 相同,B不相同D.A 不相同,B 相同图 2图39、上右图3示单元体剪应变丫应该表示为(B )◎备DA冷B10、设有平面应力状态二X =ax by, ;「y = ex dy, xy dx - ay - x,其中,a,b,c,d 均为常数,为容重。
弹性力学试卷(1)1. 土体是由固体颗粒、水和气体三相物质组成的碎散颗粒集合体,是否是连续介质? 在建筑物地基沉降问题中,可否作为连续介质处理?(15分)2. 试用圣维南原理,列出题2图所示的两个问题中OA边的三个积分的应力边界条件,并比较两者的面力是否是静力等效?(15分)3. 根据所给的一点应力分量,试求1σ,2σ,3σ。
400,1000,2000-==-=xyyxτσσ.(20分)4. 已知单位厚度矩形截面悬臂梁的自由端受力F作用而发生横向弯曲(题4图),力F的分布规律为)4(222yhIFp--=,由材料力学求得应力分量为IyxlFx)(--=σ,)4(22yhIFxy--=τz====yxzzyττσσ式中I为截面惯性矩,试检查该应力分量是否满足平衡方程和边界条件(20分)5. 试考察应力函数)43(2223yhhFxyΦ-=能满足相容方程,并求出应力分量(不计体力),画出题5图所示矩形体边界上的面力分布(在次要边界上画出面力的主矢量和主矩),指出该应力函数所能解决的问题。
6.试考察应力函数ϕρcos363aq=Φ能解决题6图所示弹性体的何种受力问题?(20分)弹性力学试卷(3)1. “单一成分构成的物体是均匀体,也是各向同性体”,此话是否正确?(15分)2.试列出题2-8图所示问题的全部边界条件。
在其端部边界题2题2题4y题5题 6上,应用圣维南原理列出三个积分的应力边界条件。
(15分) 3. 根据所给的一点应力分量,试求1σ,2σ,3σ。
1010,50,100===xy y x τσσ.(20分)4. 检验下列应力分量是否是题4图所示问题的解答:q b y x 22=σ,0===yx xy yττσ。
(20分)5. 试证)2(10)134(4332332h y h y qy h y h y qx Φ-+-+-=能满足相容方程,并考察它在题5图所示矩形板和坐标系中能解决什么问题(设矩形板的长度为L ,深度为h ,体力不计)。
弹性力学试题及答案一、选择题(每题2分,共20分)1. 弹性力学中的胡克定律描述的是:A. 应力与位移的关系B. 应力与应变的关系C. 应变与位移的关系D. 位移与力的关系2. 以下哪个不是弹性力学的基本假设?A. 连续性假设B. 均匀性假设C. 各向同性假设D. 各向异性假设3. 弹性模量和泊松比的关系是:A. E = 2G(1+ν)B. E = 3K(1-2ν)C. E = 3K(1+ν)D. E = 2G(1-ν)4. 以下哪种材料可以看作是各向同性材料?A. 木材B. 钢筋混凝土C. 单晶硅D. 多晶硅5. 应力集中现象通常发生在:A. 均匀受力区域B. 材料的中间区域C. 材料的边缘或孔洞附近D. 材料的内部二、简答题(每题10分,共30分)6. 简述平面应力和平面应变的区别。
7. 解释什么是圣维南原理,并简述其应用。
8. 描述弹性力学中的主应力和主应变的概念及其意义。
三、计算题(每题25分,共50分)9. 一个长方体材料块,尺寸为L×W×H,受到均匀压力p作用于其顶面,求其内部任意一点处的应力状态。
10. 已知某材料的弹性模量E=200 GPa,泊松比ν=0.3,求其剪切模量G。
答案一、选择题1. 答案:B(应力与应变的关系)2. 答案:D(各向异性假设)3. 答案:A(E = 2G(1+ν))4. 答案:D(多晶硅)5. 答案:C(材料的边缘或孔洞附近)二、简答题6. 答案:平面应力是指材料的一个方向(通常是厚度方向)的应力为零,而平面应变是指材料的一个方向(通常是厚度方向)的应变为零。
平面应力通常用于薄板或薄膜,而平面应变用于长厚比很大的结构。
7. 答案:圣维南原理指出,在远离力作用区域的地方,局部应力分布对整个结构的应力状态影响很小。
这个原理常用于简化复杂结构的应力分析。
8. 答案:主应力是材料内部某一点应力张量的最大值,主应变是材料内部某一点应变张量的最大值。
弹性力学期末考试试题及答案一、选择题(每题2分,共20分)1. 下列哪种材料不具有弹性特性?A. 钢材B. 橡胶C. 水泥D. 玻璃答案:C2. 弹性力学中的胡克定律描述了什么关系?A. 应力与应变的关系B. 应力与位移的关系C. 应变与位移的关系D. 应力与应变能的关系答案:A3. 在弹性力学中,下列哪个物理量表示单位体积内的应变能?A. 应力B. 应变C. 应变能密度D. 弹性模量答案:C4. 下列哪个物理量表示材料的抗拉强度?A. 弹性模量B. 泊松比C. 屈服强度D. 抗拉强度答案:D5. 在弹性力学中,下列哪个物理量表示单位长度上的位移?A. 应变B. 位移C. 位移梯度D. 位移矢量答案:C二、填空题(每题2分,共20分)1. 胡克定律表达式为:σ = Eε,其中σ表示____,E 表示____,ε表示____。
答案:应力、弹性模量、应变2. 在三维应力状态下,应力张量的分解表达式为:σ = σ_0 + σ_1 + σ_2,其中σ_0表示____,σ_1表示____,σ_2表示____。
答案:平均应力、最大切应力、最小切应力3. 下列物理量中,表示单位体积内应变能的物理量为____。
答案:应变能密度4. 在弹性力学中,泊松比μ表示____与____的比值。
答案:横向应变、纵向应变5. 在弹性力学中,下列物理量中与应力状态无关的是____。
答案:位移三、计算题(每题20分,共60分)1. 已知一矩形截面梁,截面尺寸为10cm×20cm,受到均匀分布载荷q=10kN/m,求梁的弯曲应力σ和挠度w。
答案:σ = 5MPa,w = 0.0025m2. 一根长为2m的杆件,弹性模量E=200GPa,泊松比μ=0.3,两端受到轴向拉力F=100kN,求杆件的伸长量Δl。
答案:Δl = 0.005m3. 一圆形截面杆,直径d=10cm,受到扭矩M=2kN·m,弹性模量E=200GPa,泊松比μ=0.3,求杆件的扭转角φ。
弹性力学题Company number:【0089WT-8898YT-W8CCB-BUUT-202108】一、单项选择题1.弹性力学建立的基本方程多是偏微分方程,还必须结合( C )求解这些微分方程,以求得具体问题的应力、应变、位移。
A.相容方程 B.近似方法 C.边界条件 D.附加假定2.根据圣维南原理,作用在物体一小部分边界上的力系可以用( B )的力系代替,则仅在近处应力分布有改变,而在远处所受的影响可以不计。
A.几何上等效 B.静力上等效 C.平衡 D.任意3.弹性力学平面问题的求解中,平面应力问题与平面应变问题的三类基本方程不完全相同,其比较关系为( B )。
A.平衡方程、几何方程、物理方程完全相同B.平衡方程、几何方程相同,物理方程不同C.平衡方程、物理方程相同,几何方程不同D.平衡方程相同,物理方程、几何方程不同4.不计体力,在极坐标中按应力求解平面问题时,应力函数必须满足( A )①区域内的相容方程;②边界上的应力边界条件;③满足变分方程;④如果为多连体,考虑多连体中的位移单值条件。
A.①②④B. ②③④C. ①②③D. ①②③④5.如下图1所示三角形薄板,按三结点三角形单元划分后,对于与局部编码ijm对应的整体编码,以下叙述正确的是( D )。
① I单元的整体编码为162② II单元的整体编码为426③ II单元的整体编码为246④ III单元的整体编码为243⑤ IV单元的整体编码为564图1A. ①③B. ②④C. ①④D. ③⑤6.平面应变问题的微元体处于( C )A.单向应力状态B.双向应力状态是一主应力 D.纯剪切应力状态C.三向应力状态,且z7.圆弧曲梁纯弯时,( C )A.应力分量和位移分量都是轴对称的B.应力分量和位移分量都不是轴对称的C.应力分量是轴对称的,位移分量不是轴对称的D.位移分量是轴对称的,应力分量不是轴对称的8.下左图2中所示密度为ρ的矩形截面柱,应力分量为:0,,0=+==xy y x B Ay τσσ对图(a )和图(b)两种情况由边界条件确定的常数A 及B 的关系是( C )相同,B 也相同 不相同,B 也不相同相同,B 不相同 不相同,B 相同图 2 图 39、上右图3示单元体剪应变γ应该表示为( B )10、设有平面应力状态x ay dx dy cx by ax xy y x γτσσ---=+=+=,,,其中,d c b a ,,,均为常数,γ为容重。
一、单项选择题(按题意将正确答案的编号填在括弧中,每小题2分,共10分)1、弹性力学建立的基本方程多是偏微分方程,还必须结合( C )求解这些微分方程,以求得具体问题的应力、应变、位移。
A .相容方程B .近似方法C .边界条件D .附加假定2、根据圣维南原理,作用在物体一小部分边界上的力系可以用( B )的力系代替,则仅在近处应力分布有改变,而在远处所受的影响可以不计。
A .几何上等效B .静力上等效C .平衡D .任意3、弹性力学平面问题的求解中,平面应力问题与平面应变问题的三类基本方程不完全相同,其比较关系为( B )。
A .平衡方程、几何方程、物理方程完全相同B .平衡方程、几何方程相同,物理方程不同C .平衡方程、物理方程相同,几何方程不同D .平衡方程相同,物理方程、几何方程不同4、不计体力,在极坐标中按应力求解平面问题时,应力函数必须满足( A )①区域内的相容方程;②边界上的应力边界条件;③满足变分方程; ④如果为多连体,考虑多连体中的位移单值条件。
A. ①②④ B. ②③④ C. ①②③ D. ①②③④5、如下图所示三角形薄板,按三结点三角形单元划分后,对于与局部编码ijm 对应的整体编码,以下叙述正确的是( D )。
① I 单元的整体编码为162 ② II 单元的整体编码为426 ③ II 单元的整体编码为246 ④ III 单元的整体编码为243 ⑤ IV 单元的整体编码为564A. ①③B. ②④C. ①④D. ③⑤1、所谓“完全弹性体”是指(B )。
A 、材料应力应变关系满足虎克定律B 、材料的应力应变关系与加载时间、历史无关C 、本构关系为非线性弹性关系D 、应力应变关系满足线性弹性关系 2、关于弹性力学的正确认识是(A )。
A 、计算力学在工程结构设计中的作用日益重要B 、弹性力学从微分单元体入手分析弹性体,因此与材料力学不同,不需要对问题作假设C 、任何弹性变形材料都是弹性力学的研究对象D 、弹性力学理论像材料力学一样,可以没有困难的应用于工程结构分析 3、下列对象不属于弹性力学研究对象的是(D )。
A 、杆件 B 、板壳 C 、块体 D 、质点4、弹性力学研究物体在外力作用下,处于(弹性)阶段的(应力)、(应变)和(位移)5、弹性力学可以解决材料力学无法解决的很多问题;并对杆状结果进行精确分析,以及验算材力结果的适用范围和精度。
与材料力学相比弹性力学的特点有哪些? 答:1)研究对象更为普遍; 2)研究方法更为严密; 3)计算结果更为精确; 4)应用范围更为广泛。
6、材料力学研究杆件,不能分析板壳;弹性力学研究板壳,不能分析杆件。
(×) 改:弹性力学不仅研究板壳、块体问题,并对杆件进行精确的分析,以及检验材料力学公式的适用范围和精度。
7、弹性力学对杆件分析(C )A 、无法分析B 、得出近似的结果C 、得出精确的结果D 、需采用一些关于变形的近似假定 8、图示弹性构件的应力和位移分析要用什么分析方法?(C ) A 、材料力学 B 、结构力学 C 、弹性力学 D 、塑性力学解答:该构件为变截面杆,并且具有空洞和键槽。
9、弹性力学与材料力学的主要不同之处在于( B )。
A 、任务 B 、研究对象 C 、研究方法 D 、基本假设 10、重力、惯性力、电磁力都是体力。
(√) 11、下列外力不属于体力的是(D )A 、重力B 、磁力C 、惯性力D 、静水压力 12、体力作用于物体内部的各个质点上,所以它属于内力。
(×) 解答:外力。
它是质量力。
13、在弹性力学和材料力学里关于应力的正负规定是一样的。
( × ) 解答:两者正应力的规定相同,剪应力的正负号规定不同。
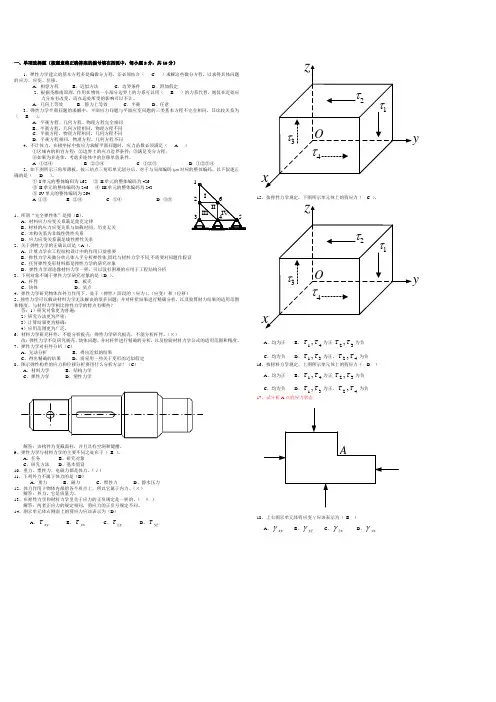
14、图示单元体右侧面上的剪应力应该表示为(D )A 、xy τ B 、yx τ C 、zy τ D 、yz τ1τ2τ3τ4τOxz15、按弹性力学规定,下图所示单元体上的剪应力( C )。
1τ2τ3τ4τOxzA 、均为正B 、41,ττ为正,32,ττ为负C 、均为负D 、31,ττ为正,42,ττ为负16、按材料力学规定,上图所示单元体上的剪应力( D )A 、均为正B 、41,ττ为正,32,ττ为负C 、均为负D 、31,ττ为正,42,ττ为负17、试分析A 点的应力状态A18、上右图示单元体剪应变γ应该表示为( B )A 、xy γ B 、yz γ C 、zx γ D 、yx γ463521IIII II IVOxyzγ19、将两块不同材料的金属板焊在一起,便成为一块( D )。
A 连续均匀的板 B 不连续也不均匀的板 C 不连续但均匀的板 D 连续但不均匀的板 20、下列材料中,( D )属于各向同性材料。
A 竹材B 纤维增强复合材料C 玻璃钢D 沥青 21、下列那种材料可视为各向同性材料( C )。
A 木材 B 竹材 C 混凝土 D 夹层板33、所谓“应力状态”是指( B )。
A. 斜截面应力矢量与横截面应力矢量不同B. 一点不同截面的应力随着截面方位变化而改变C. 3个主应力作用平面相互垂直D. 不同截面的应力不同,因此应力矢量是不可确定的 34、切应力互等定理根据条件( B )成立。
A. 纯剪切B. 任意应力状态C. 三向应力状态D. 平面应力状态12、平面应变问题的应力、应变和位移与那个(些)坐标无关(纵向为z 轴方向)( C )。
A 、x B 、y C 、z D 、z y x ,,13、平面应力问题的外力特征是(A )。
A 只作用在板边且平行于板中面B 垂直作用在板面C 平行中面作用在板边和板面上D 作用在板面且平行于板中面 14、在平面应力问题中(取中面作xy 平面)则 (C )。
A 、0=z σ,0=wB 、0≠z σ,0≠wC 、0=z σ,0≠wD 、0≠z σ,0=w15、在平面应变问题中(取纵向作z 轴)(D )。
A 、0=z σ,0=w ,0=z εB 、0≠z σ,0≠w ,0≠z ε C 、0=z σ,0≠w ,0=z ε D 、0≠z σ,0=w ,0=z ε16、下列问题可简化为平面应变问题的是(B )。
A 、墙梁 B 、高压管道C 、楼板D 、高速旋转的薄圆盘17、下列关于平面问题所受外力特点的描述错误的是(D )。
A 、体力分量与z 坐标无关 B 、面力分量与z 坐标无关C 、z f ,z f 都是零D 、z f ,zf 都是非零常数18、在平面应变问题中,z σ如何计算?(C )A 、0=z σ不需要计算B 、由()[]y x z zEεεμεσ+-=1直接求 C 、由()y xzσσμσ+=求D 、=z σzf解答:平面应变问题的()[]y x z z Eσσμσε+-=1,所以()y x z σσμσ+=19、平面应变问题的微元体处于(C )。
A 、单向应力状态 B 、双向应力状态 C 、三向应力状态,且z σ是一主应力D 、纯剪切应力状态 解答:因为除了y x σσ,以外,0≠z σ,所以单元体处于三向应力状态;另外z σ作用面上的剪应力0=zx τ,0=zy τ,所以z σ是一主应力20、对于两类平面问题,从物体内取出的单元体的受力情况 有(平面应变问题的单元体上有z σ ) 差别,所建立的平衡微分方程 无 差别。
21、平面问题的平衡微分方程表述的是( A )之间的关系。
A 、应力与体力 B 、应力与面力 C 、应力与应变 D 、应力与位移 22、设有平面应力状态,by ax x +=σ,dy cx y +=σ,x ay dx xy γτ---=,其中d c b a ,,,均为常数,γ为容重。
该应力状态满足平衡微分方程,其体力是( D )。
A 、0=x f ,0=y f B 、0≠x f ,0=y f C 、0≠x f ,0≠y f D 、0=x f ,0≠y f解答:代入平衡微分方程直接求解得到33、应力不变量说明( D )。
A. 应力状态特征方程的根是不确定的B. 一点的应力分量不变C. 主应力的方向不变D. 应力随着截面方位改变,但是应力状态不变 34、关于应力状态分析,( D )是正确的。
A. 应力状态特征方程的根是确定的,因此任意截面的应力分量相同B. 应力不变量表示主应力不变C. 主应力的大小是可以确定的,但是方向不是确定的D. 应力分量随着截面方位改变而变化,但是应力状态是不变的 35、应力状态分析是建立在静力学基础上的,这是因为( D )。
A. 没有考虑面力边界条件 B. 没有讨论多连域的变形 C. 没有涉及材料本构关系D. 没有考虑材料的变形对于应力状态的影响36、下列关于几何方程的叙述,没有错误的是( C )。
A. 由于几何方程是由位移导数组成的,因此,位移的导数描述了物体的变形位移B. 几何方程建立了位移与变形的关系,因此,通过几何方程可以确定一点的位移C. 几何方程建立了位移与变形的关系,因此,通过几何方程可以确定一点的应变分量D. 几何方程是一点位移与应变分量之间的唯一关系 37、下列关于“刚体转动”的描述,认识正确的是( A )。
A. 刚性转动描述了微分单元体的方位变化,与变形位移一起构成弹性体的变形B. 刚性转动分量描述的是一点的刚体转动位移,因此与弹性体的变形无关C. 刚性转动位移也是位移的导数,因此它描述了一点的变形D. 刚性转动分量可以确定弹性体的刚体位移。
52、下左图示结构腹板和翼缘厚度远远小于截面的高度和宽度,产生的效应具有局部性的力和力矩是(P 2=M/h )( D )。
A 、P 1一对力B 、P 2一对力C 、P 3一对力D 、P 4一对力构成的力系和P 2一对力与M 组成的力系53、下左图中所示密度为ρ的矩形截面柱,应力分量为:0,,0=+==xy y x B Ay τσσ对图(a )和图(b )两种情况由边界条件确定的常数A 及B 的关系是( C )。
A 、A 相同,B 也相同 B 、A 不相同,B 也不相同C 、A 相同,B 不相同D 、A 不相同,B 相同下图中所示密度为ρ的矩形截面柱,应力分量为:0,,0=+==xy y x B Ay τσσ对图(a )和图(b )两种情况由边界条件确定的常数A 及B 的关系是( B )。
A 、A 相同,B 也相同 B 、A 不相同,B 也不相同C 、A 相同,B 不相同D 、A 不相同,B 相同54、设有平面应力状态x ay dx dy cx by ax xy y x γτσσ---=+=+=,,,其中,d c b a ,,,均为常数,γ为容重。
该应力状态满足平衡微分方程,其体力是( D )A 、0,0==Y XB 、0,0=≠Y XC 、0,0≠≠Y XD 、0,0≠=Y X58、平面应变问题的微元体处于( C )。