浅埋暗挖关键施工技术共59页文档
- 格式:ppt
- 大小:10.78 MB
- 文档页数:59
浅埋暗挖法工程相关施工技术简介浅埋暗挖法是在距离地表较近的地下进行各种类型地下洞室暗挖施工的一种方法。
继1984年王梦恕院士在军都山隧道黄土段试验成功的基础上,又于1986年在具有开拓性、风险性、复杂性的北京复兴门地铁折返线工程中应用,在拆迁少、不扰民、不破坏环境下获得成功。
同时,结合中国特点及水文地质系统,创造了小导管超前支护技术、8字型网构钢拱架设计、制造技术、正台阶环形开挖留核心土施工技术和变位进行反分析计算的方法,提出了管超前、严注浆、短开挖、强支护、快封闭、勤量测18字方针,突出时空效应对防塌的重要作用,提出在软弱地层快速施工的理念。
由此形成了浅埋暗挖法,创立了适用于软弱地层的地下工程设计、施工方法。
基本原理浅埋暗挖法沿用新奥法(NewAustrianTunnelingMethod)基本原理,初次支护按承担全部基本荷载设计,二次模筑衬砌作为安全储备;初次支护和二次衬砌共同承担特殊荷载。
应用浅埋暗挖法设计、施工时,同时采用多种辅助工法,超前支护,改善加固围岩,调动部分围岩的自承能力;并采用不同的开挖方法及时支护、封闭成环,使其与围岩共同作用形成联合支护体系;在施工过程中应用监控量测、信息反馈和优化设计,实现不塌方、少沉降、安全施工等,并形成多种综合配套技术。
浅埋暗挖法施工的地下洞室具有埋深浅(最小覆跨比可达0.2)、地层岩性差(通常为第四纪软弱地层)、存在地下水(需降低地下水位)、周围环境复杂(邻近既有建、构筑物)等特点。
由于造价低、拆迁少、灵活多变、无须太多专用设备及不干扰地面交通和周围环境等特点,浅埋暗挖法在全国类似地层和各种地下工程中得到广泛应用。
在北京地铁复西区间、西单车站、国家计委地下停车场、首钢地下运输廊道、城市地下热力、电力管道、长安街地下过街通道及地铁复八线中推广应用,在深圳地下过街通道及广州地铁一号线等地下工程中推广应用,并已形成了一套完整的综合配套技术。
同时,经过许多工程的成功实施,其应用范围进一步扩大,由只适用于第四纪地层、无水、地面无建筑物等简单条件,拓广到非第四纪地层、超浅埋(埋深已缩小到0.8m)、大跨度、上软下硬、高水位等复杂地层及环境条件下的地下工程中去。
南水北调来水调入密云水库调蓄工程施工第十二标段穿密西路浅埋暗挖施工方案中国水利水电第十三工程局有限公司密云水库调蓄工程施工第十二标段项目部目录1、编制依据 (1)2、工程概况 (1)2.1 工程概况 (1)2.2 工程地质 (2)2.3 气象、水文情况 (2)3、施工准备及人员组织 (3)3.1 施工管理及施工人员组织安排 (3)3.2 施工准备 (3)4、施工工艺技术 (7)4.1洞口工程施工方法和工艺 (7)4.2超前小导管施工 (10)4.3隧洞土方开挖 (12)4.4钢格栅、钢筋网加工与安装 (13)4.5潮喷混凝土 (15)4.6锁脚锚管 (16)4.7衬砌背后注浆 (17)4.8管道安装 (17)4.9回填自密实混凝土 (19)4.10 监控量测 (20)5、施工安全保证措施 (27)5.1 安全管理体系及主要职责 (27)5.2 安全保证措施 (27)6、质量保证措施 (33)7、冬雨季施工措施 (35)7.1 冬季施工措施 (35)7.2 雨季施工措施 (38)8、劳动力组织计划 (40)9、应急预案 (40)9.1 应急处理机制 (40)9.2 应急处理程序 (42)9.3 人员培训、应急材料和设备的储备 (42)9.4 应急处理程序 (42)南水北调来水调入密云水库调蓄工程施工第十二标段穿密西路浅埋暗挖段施工方案1、编制依据(1)南水北调来水调入密云水库调蓄工程施工第十二标段施工图纸;(2)南水北调来水调入密云水库调蓄工程施工第十二标段施工组织设计;(3)现行的标准、规范:《锚杆喷射混凝土支护技术规范》(GB50086-2019);《喷射混凝土施工技术规程》(YBJ226-1991);《水工建筑物水泥灌浆施工技术规范》(SL62-94);《水工混凝土外加剂技术规范》DL/T5100-2019;《水利水电工程锚喷支护技术规范》(SL 377-2019);《水工建筑物地下开挖工程施工规范》(SL 387-2019);《水利水电工程物探规程》(SL 326-2019);《钢筋焊接接头试验方法标准》(JGJ/T 27-2019);《低碳钢热轧圆盘条》(GB701-2019);《基坑支护技术规范》(DB11/489-2019)。
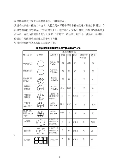
浅埋暗挖法修建隧道及地下工程主要施工方法施工方法示意图重要指标比较适用条件沉降工期防水初期支护拆除量造价全断面法地层好,跨度 8m一般最短好无低正台阶法地层较差,跨度 12m一般短好无低正台阶环形开挖法12345地层差,跨度 12m好无低一般短单侧壁导坑法123地层差,跨度 14m 较大较短好无低双侧壁导坑法123小跨度,连续使用可扩张跨度大长效果差大高1中隔壁(CD工法)1234地层差,跨度 18m较大较短好小偏高交叉中隔壁法(CRD 工法)123456地层差,跨度 20m较小长好大高中洞法122小跨度,连续使用可扩张大跨度小长效果差大较高侧洞法312小跨度,连续使用可扩张大跨度大长效果差大高柱洞法多层多跨大长效果差大高城市喷锚暗挖法施工主要有新奥法、浅埋暗挖法。
浅埋暗挖法是一种施工新技术,其特点是在开挖中采用多种辅助施工措施加固围岩,合理调动围岩的自承能力,开挖后及时支护,封闭成环,使其与围岩共同作用形成联合支护体系,有效地抑制围岩的过大变形。
“管超前,严注浆,短开挖,强支护,早封闭,勤量测”是浅埋暗挖法施工的十八字方针。
常用的浅埋暗挖法典型施工方法见下表:\一.全断面法地下工程断面采用一次开挖成型的施工方法叫全断面法,该法的有点是可以减小开挖对围岩的扰动次数,有利于围岩天然承载拱的形成,工序简单,便于组织大型机械化施工;施工速度快,防水处理简单,缺点是对地质条件要求严格,围岩必须有足够的自稳能力。
二.台阶法台阶法施工就是将结构断面分成几个或几部分,即分成上下两个工作面或几个工作面,分步开挖。
根据地层条件和机械配套情况,台阶法又可分为正台阶法和中隔壁台阶法等,正台阶法能较早使支护闭合,有利于控制其结构及由此引起的地面沉降。
1.台阶法开挖有点(1)灵活多变,适用性强。
凡是软弱围岩、第四季沉积地层,必须采用正台阶法,这是各种方法中的基本方法。
(2)具有足够的作业空间和较快的施工速度。
当地层无水,洞跨度小于10米时,均可采用该方法。
第一章城市地下工程浅埋暗挖技术一、概述在城市软弱围岩地层中,在浅埋条件下修建地下工程,以改造地质条件为前提,以控制地表沉降为重点,以格栅(或其他钢结构)和锚喷作为初期支护手段,遵循“新奥法”大部分原理,按照“十八字”原则(即管超前、严注浆、短开挖、强支护、快封闭、勤量测)进行隧道的设计和施工,谓之城市地下工程浅埋暗挖技术。
二、浅埋暗挖与“新奥法”(NATM)“新奥法”的核心是以维护和利用围岩的自承能力为基点,使围岩成为支护体系的组成部分,支护在与围岩共同变形中承受的是形变应力,因此要求初期支护有一定柔度以利用和充分发挥围岩的自承能力。
而作用于浅埋隧道上的地层压力是覆盖层的全部或部分土柱重,其地层压力和支护的刚柔度关系不大,从减少地表沉陷的城市要求角度出发,还要求初期支护有一定刚度。
设计时并没有充分考虑利用围岩的自承能力。
这正是浅埋暗挖技术与“新奥法”的不同点。
但是,浅埋暗挖技术仍然遵循了“新奥法"施工的大部分原则,如以锚喷作为初期支护手段;尽量减少围岩扰动,要求周边圆顺避免棱角突变处应力集中;初支与围岩密贴;量测信息反馈指导设计施工等.三、浅埋暗挖技术的特点浅埋暗挖技术从减少城市地表沉陷考虑,还必须辅之与其他配套技术,如地层加固、降水等.从工程条件出发,还必须熟悉在不同条件下的马头门开挖,断面变化地段(诸如扩大、爬高、转弯等)开挖,由明挖进入暗挖的破桩,分部开挖完成及自下而上的二次衬砌前的“托梁换柱”以实现“力的转换”以确保安全等诸多关键技术。
浅埋暗挖的另一个特点是十分讲究施工方法的选择,尤其是地铁车站多跨结构和大跨结构。
一个合理的机构型式和正确的施工方法能起到事半功倍的作用。
四、常用的单跨隧道浅埋暗挖方法1.开挖方法选择根据开挖断面大小,在一般条件下有如图1所示的开挖方法.图1 单跨隧道(洞)开挖方法(注:在地质条件较差和拱部弧度较平缓时情况,10~12m断面仍宜采用CD法)2.施工顺序各种施工方法的施工顺序如图2所示(4)、法(1)、台阶法(2)、法(3)、法(5)、双侧壁导坑法图2 开挖顺序示意图法3.台阶法施工台阶法是最基本、运用最广泛的施工方法,而且是实现其它施工方法的重要手段.当开挖断面较高时可进行多台阶施工,每层台阶的高度常用3。