检测设备管理程序(含表格)
- 格式:doc
- 大小:163.00 KB
- 文档页数:5
文件制修订记录1目的通过参考标准的使用,实现测量设备(标准物质)的控制,保持其技术指标符合要求,达到检定/检测结果的准确、可靠。
2适用范围本所在用的计量标准装置(器组)、检测仪器设备、标准物质等测量设备在相邻的两次周期检定或校准的时间间隔内进行的运行核查,或期间核查。
3职责3.1 业务办公室负责《期间核查计划》的编制、组织实施和记录的存档。
3.2 检测室负责编制《期间核查方案》,并承担运行检查工作。
3.3 所技术负责人负责审批期间核查的计划、方法和报告,并组织实施。
3.4 所质量负责人负责期间核查工作的质量监督。
4 工作程序4.1 期间核查的条件:a)关键性的测量设备;b)频繁使用的测量设备;c)使用条件恶劣的测量设备;4.2 每年年底业务办公室根据本程序4.1条确定需进行期间核查的测量设备(标准物质),编制《期间核查计划》,计划内容应包括:仪器设备的名称、编号、型号规格,进行期间核查的时间、地点、检查项目、检查方法、结果的判定原则、执行人等经所技术负责人审批后实施。
4.3 检测室主任根据《期间核查计划》组织有关人员编制《期间核查方案》,报所技术负责人审批后实施。
《期间核查方案》中应明确检查方法、检查间隔及测量结果的评价方法。
4.4 期间核查方法可采用下列中的一种:4.4.1 重复性实验法(检查参数可用标准差、极差或平均值)根据测量设备对不确定度的贡献或其计量性能要求,确定规定条件下重复性实验结果的控制限σˆ(将标准差的±2倍设为控制线),用一稳定被测对象(或样品)在规定条件下作重,若满足复性试验,由贝塞尔公式可得到单次实验标准差sis≤σˆi即说明被检查设备受控。
可将该设备的每次检查结果描绘于控制图,以便观察其变化情况。
控制图如下所示:s iσˆ重复性试验法也可采用极差控制限R 或者算数平均值控制限X max 、X min 进行检查,即用一稳定被测对象(样品)在规定条件下作重复性实验得到观测列x i (i =1,2,…,n ),若满足x max -x min <R 或者 X min ≤-x ≤X max即说明被检查测量设备受控,也可将每次检查结果描绘于相应的控制图,以便观察其变化情况。
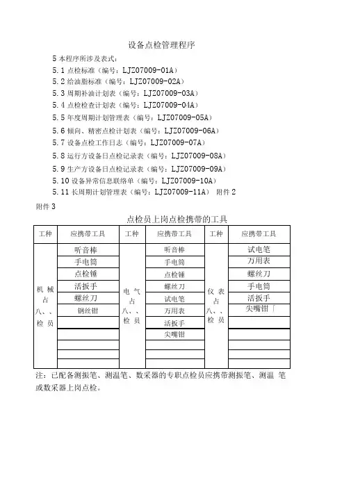
设备点检管理程序5本程序所涉及表式:5.1点检标准(编号:LJZ07009-01A)5.2给油脂标准(编号:LJZ07009-02A)5.3周期补油计划表(编号:LJZ07009-03A)5.4点检检查计划表(编号:LJZ07009-04A)5.5年度周期计划管理表(编号:LJZ07009-05A)5.6倾向、精密点检计划表(编号:LJZ07009-06A)5.7设备点检工作日志(编号:LJZ07009-07A)5.8运行方设备日点检记录表(编号:LJZ07009-08A)5.9生产方设备日点检记录表(编号:LJZ07009-09A)5.10设备异常信息联络单(编号:LJZ07009-10A)5.11长周期计划管理表(编号:LJZ07009-11A)附件2附件3点检员上岗点检携带的工具注:已配备测振笔、测温笔、数采器的专职点检员应携带测振笔、测温笔或数采器上岗点检。
1编制依据⑴ 维修技术标准;⑵同类设备的实绩资料;⑶ 设备使用说明书和技术图纸;⑷ 实践经验。
2制表要领(如附表所示)2.1设备名称填写以6位数为编号的单项设备名称;2.2设备编号填写6位数(即6位码设备);2.3填写点检项目的顺序号;2.4填写该设备的分部设备编号9位数(即9位码设备);2.5填写该部件可能发生的劣化部位,检查部位可以分:①滑动部分;② 回转部分;③传动部分;④与原材料接触部分;⑤ 荷重支撑部分;⑥受介质腐蚀部分;⑦ 电气包括绝缘、电机参数精度控制、监测的稳定性等的检查;2.6填写该部件劣化检查项目,如:回转部分的轴承、传动部分的齿轮或齿条、解体检查等;2.7填写该部件劣化检查项目中诊断的十大要素:压力、流量、温度、泄漏、异音、振动、给油状况、磨损、松弛、裂纹(腐蚀)等;2.8按分工协议的规定,定出相应点检周期。
可先设定一个周期值,以后再逐步修正完善;2.9严格按分工协议区分实施方,以“V”表示;2.10确定该项目在什么状态下点检;2.11区分出该项目内容的点检方法;2.12点检标准栏填写定性内容或定量数据,如:无破损属定性,温度W 75C为定量数据;2.13点检标准由点检员编制并签名;2.14点检标准由点检作业长审核并签字。
检验、测量和实验设备控制程序(IATF16949-2016)1.目的对测量和监视设备进行有效的控制,保证设备的测量精度和正确性,满足产品测量的要求,以确保出厂产品的质量符合规定的要求。
2.适用范围适用于本公司所有直接和间接用于产品的测量和监视的设备(可简称监测设备)。
3.相关文件3.1《生产和服务运作程序》3.2《记录控制程序》3.3《纠正和预防措施程序》3.4《采购和供方评定程序》3.5《测量系统(MSA)分析程序》4.职责4.1质量科负责测量和监视设备的归口管理,负责定期送检、送校测量和监视设备,确保其检验和测量结果的准确性。
4.2各有关部门负责正确使用和维护检验测量和试验设备。
5.工作程序5.1测量和监视设备的审购、采购、制造。
5.1.1根据本公司生产发展需要和产品的结构的调整,需增添测量监视设备时,由质量科开出“采购单”,提交总经理审核。
5.1.2总经理平衡后,认为确实需要的,通知采购科采购。
5.1.3由于产品的特殊要求,外购标准设备无法满足时,需制造专用非标准的测量和监视设备时,使用部门需将对设备的要求向技术开发科交底,双方形成文件。
由技术开发科的技术人员设计后,制造部安排制造,并将校准的依据形成文件,即编制该设备的“校准规程”,待制造结束后,按此文件进行鉴定验收。
5.2测量和监视设备的入库5.2.1外购或自制的测量和监视设备,在采购或自制完成后,分别填写“设备开箱验收单”,如属自制的在备注栏内写明“自制”。
由技术开发科进行验收。
如属需国家认可的计量单位检定的,由质量科外送,取得“检定报告”后,办理入库保管。
并将检定情况定一次记录在“测量和监视设备周期检定记录卡”上。
5.2.2入库的测量和监视设备一律登入“测量和监视设备管理台帐”5.2.3验收确认不合格时,如外购的将计量单位出具的“检定报告”连同设备一起退交采购部门,办理调换或退货手续。
对自制专用设备确认不合格,退交制造部安排返修,返修后应重新认定。
仪器设备管理程序1.目的:规定对检测设备的管理要求并进行控制,确保对检测设备和辅助设备配备、使用和维护、封存、报废过程进行有效控制,保证设备安全正常运行,满足检测活动正常运作和保证检测结果质量,最大限度地满足客户要求。
2.范围适用于实验室检测所有的仪器设备的管理控制。
3.职责3.1技术负责组织制定《仪器设备管理程序》和本程序涉及的清单类和计划类文件。
3.2生产管理室组织实施和归口管理《仪器设备管理程序》。
3.3质量负责人组织监督《仪器设备管理程序》。
3.4各部门组织本室仪器设备的管理、使用及日常的维护和保养。
4.程序4.1设备和辅助设备配备4.1.1仪器设备的配备本程序所称“设备”包括影响测量结果的抽样、样品的制备、检测数据处理与分析措施的设备,测量设备和辅助设备及其软件。
4.1.2根据与客户签署的合同和委托书规定的检测方法,技术负责组织识别所需配备的设备,编制并批准《仪器设备情况一览表》包括(但不限于)序号,名称,方法或实验室规定技术要求等信息。
《仪器设备情况一览表》作为《服务和供应品采购程序》评价和选择供应商,采购和验收设备和期间核查的审核依据。
技术要求包括测量不确定度或最大允许差或准确度等级(下同)。
4.1.3 设备的辅助设备配备要满足仪器设备主机的配置和检测方法技术指标要求。
4.1.4 新进仪器设备必须按技术指标验收,技术负责组织,部门填写《仪器设备验收评价表》。
4.2设备的计量确认对设备的计量确认由生产管理室组织实施,具体执行《量值溯源程序》的要求。
4.3设备的使用4.3.1设备由实验室主任授权的岗位人员使用;如检测方法包含使用的设备,对方法的授权视同对使用设备的授权。
4.3.2大型仪器设备的使用,必须有授权操作人员使用。
4.3.3设备制造商提供的用户手册,操作和维护指导书或操作规程(样品制样设备)作为受控文件分发到作业场所,便于被授权人员取阅和使用。
4.3.4设备的岗位操作人员负责设备的使用、日常保护和维护,保存相应的记录。
设备管理控制程序(IATF16949-2016/ISO9001-2015)1.0目的:1.1为规范公司设备管理,保证设备及时维修、改造和更新,更好地提升设备效率、降低消耗、保证安全生产、提高生产技术水平,特制定本程序。
1.2公司设备管理贯彻以TPM管理体系为指导,严格执行以预防为主的方针,促进生产依靠技术进步,坚持设计、制造、使用和维修相结合,日常维护保养和计划检修相结合,修理、改造和更新相结合,持续改善,不断进步。
2.0范围:适用于公司生产、经营所需可中长期使用并持续保持原有形态和功能的固定物质资料,包括生产设备与检测设备二大类。
3.0定义:3.1关键设备:指影响产品的特殊特性及重要特性的生产类设备;或对公司生产(数量和质量)产生重大影响的设备。
3.2重要设备:指一旦发生故障,将导致生产中断的设备。
3.3生产设备:按制程工艺进行产品加工的设备。
3.4检测设备:能独立完成某种测试功能的设备。
3.5预防性维护:为消除设备失效和计划的生产中断而策划的措施,作为制造过程设计的一项输出。
3.6预见性维护:基于过程数据,通过预测可能的失效模式,以避免维护性问题的活动。
3.7设备一级保养:一级保养是各级保养的基础,由设备操作人员负责执行,主要工作内容以清洁、润滑和紧固为主,周期为设备运行的每天。
3.8设备二级保养:设备二级保养以检查,调整、校验为中心,由专业维修人员负责执行,除一级保养的项目,检查安全机件的可靠性,维护设备的技术性能,周期按《设备保养规范》执行。
4.0职责:4.1总经理负责批准设备购置和报废。
4.2工程部4.2.1公司所有设备管理的归口部门4.2.2负责设备的需求评估、采购申请、验收、维护、技术改造,设备固定资产的管理,设备文件的管理,设备的管理及考核等工作的全过程负责;4.2.3制定设备操作及维护保养规范;制定设备预防保养计划及校验计划并按照计划进行具体的保养、维护、维修、校验、评估、设备报废处理等工作4.2.4负责新设备申请及新设备的技术要求,型号和规格的提出4.2.5负责协助采购部进行新设备签订技术协议,验收等工作4.2.6负责设备配件库存计划4.2业务部:4.2.1提供客户端需求信息。
设备管理控制程序(IATF16949-2016/ISO9001-2015)1.目的通过对公司设备、设施及工作环境的管理与控制,确保其能够满足公司运作和管理的要求。
2.适用范围适用于公司所有设备、设施及工作环境的管理与控制。
3.职责3.1相关部门:设备、设施需求部门提出列管资产和固定资产的申请。
3.2采购部门:负责设备供应商的开发,设备的购买,涉及到设备外协维修和外校价格的洽谈。
3.3使用部门:负责设备的日常点检,对发现的故障及时联络设备课维修保养,参与设备验收。
3.4设备管理部门:负责公司设备的维修、定期保养和管理;组织相关部门对设备的验收,定义。
3.5预见性维护:基于过程数据,通过预测可能的失效模式,以避免维护性问题的活动。
3.6预防性维护:为消除设备失效和生产计划外中断的原因而策划的措施,作为制造过程设计的一项输出。
3.7固定资产:RMB2000元(含2000)以上;使用年限一年以上不改变资产形态且能独立使用创造价值的有形设备或物品为固定资产。
4.工作程序4.1工厂、设施和设备策划项目部负责人组织关人员拟定生产工程流程、厂区布置规划、生产线布置规划、物料同步流动、物料贮存与周转,进行多方论证,同时在项目实施过程中导入人机工程。
4.2设施管理4.2.1配置厂房土建的扩建、改造、维修等由各需求部门提出申请填写《建设施工申请表》,超过5000元以上经副总批准后实施。
4.2.2使用管理低于5000元的日常设施维护与维修由设备工程课负责。
4.3生产设备管理4.3.1配置设备的申请由需求部门提出,设备工程课签阅并出具技术方案附件,采购估价,提交相关权责领导批准,配布后实施采购。
4.3.2设备的采购依《采购控制程序》作业。
4.3.3验收新购设备的安装调试由设备工程课负责主导;设备安装试机后,由设备工程课与使用部门对其进行验收同时将结果记录于《设备验收单》。
如验收不良应按《不合格控制程序》执行。
4.3.4使用管理4.3.4.1设备工程课将验收合格的设备登记于《设备一览表》并编号管理,并提交相关单据交财务部门入列管或固定资产帐。
生产、检测设备及委外试验供方管理程序
(IATF16949-2016/ISO9001-2015)
1.0目的
规范生产、检测设备,委外试验供方的开发和管理,保证与有资格和质量能力供方开展业务。
2.0范围
适用于为满足公司需求,而选定生产、检测设备及委外试验供方的开发和管理。
3.0术语
无
4.0管理职责
4.1质保部:检测设备、委外试验供方的归口管理部门
4.1.1负责公司需求的检测设备及委外试验供方的开发和管理,
4.1.2组织对供方资质审核及供方资料管理。
4.1.3组织所采购检测设备的验收,
4.1.4组织检测设备及委外试验供方的业绩评价。
4.2制造部工装动力科:生产设备供方的归口管理部门
4.2.1负责公司需求的生产备供方的开发和管理,
4.2.2组织对设备供方资质审核及供方资料管理。
4.2.3组织所采购生产设备的验收,
4.2.4组织生产设备供方的业绩评价。
4.3使用部门:提出采购需求;参与所采购的生产、检测设备的验收;参与生
产、检测设供应商的业绩评价。
5.0工作程序
更多免费资料下载请进:好好学习社区
更多免费资料下载请进:好好学习社区
德信诚培训网6.0相关文件
无
7.0相关记录(最少保存期:3年)
供应商基本情况调查表
供应商基本情况调
查表 (2).xl s
生产、检测设备供方业绩评分表
供应商业绩评价表.
xl s
委外实验供方业绩评价表
实验室外委试验管
理台账.xl s。
监视和测量资源控制程序(IATF16949-2016/ISO9001-2015)1.0目的用以证实产品符合规定要求、环境污染的防治所需的监视和测量资源进行有效的控制、检定、维护。
保证监视和测量资源的测量精度和准确性以达到所需的测量能力,满足使用要求。
2.0范围适用于产品制造和服务过程中使用监视和测量资源的控制。
3.0定义测量系统:是对测量单元进行量化或被测的特性进行评估,其所使用的仪器或量具、标准、操作、方法、夹具、软件、人员、环境及假设的集合;也就是说,用来获得测量结果的整个过程。
4.0工作职责4.1质量部归口管理监视和测量设备。
4.1使用部门负责妥善保管和日常使用。
5.0流程说明序号流程块工作标准1 测量需求工程部在进行工艺开发与设计时,提出对监测装置的需求,报质量部2 监测装置添置申请质量部根据需求考虑是否添置测量设备,如需要填写内部申请单3 申请单评审质量部组织工程部、财务部和各使用单位对公司监测装置添置申请进行评审。
评审内容至少包括对选型的合理性、技术性以及质量成本等临时急用的测量设备,使用部门填写好内部申请单报质量部审批后,由物料部统一采购4 批准评审通过送总经理批准。
5 采购物料部负责监测装置的采购自制的专用检具由生产部按《工装模具管理程序》组织生产,准备车间负责送检6 确认、安装生产部负责组织检测试设备的安装和调试7 检定质量部对所采购的测试设备委托上级计量检定部门进行检定,检定不合格的填写不合格监测资源处置单自制检具由质量部进行检定,内部不能检定的由质量部委托上级计量检定部门进行检定新采购的测试设备由物料部组织相关单位填写监测资源验收单进行验收8 编号测试设备统一由质量部刻编号,使用单位领取测量设备,质量部负责确保帐、卡、物相符。
9 入台帐实行ABC分类管理法质量部把刻了编号的测量设备输入监测资源台帐,进行统一管理10 测量系统分析质量部按《测量系统分析控制程序》规定,组织相关单位对新配备的监测装置进行测量系统分析。
仪器设备管理程序1.目的:规定对检测设备的管理要求并进行控制,确保对检测设备和辅助设备配备、使用和维护、封存、报废过程进行有效控制,保证设备安全正常运行,满足检测活动正常运作和保证检测结果质量,最大限度地满足客户要求。
2.范围适用于实验室检测所有的仪器设备的管理控制。
3.职责3.1技术负责组织制定《仪器设备管理程序》和本程序涉及的清单类和计划类文件。
3.2生产管理室组织实施和归口管理《仪器设备管理程序》。
3.3质量负责人组织监督《仪器设备管理程序》。
3.4各部门组织本室仪器设备的管理、使用及日常的维护和保养。
4.程序4.1设备和辅助设备配备4.1.1仪器设备的配备本程序所称“设备”包括影响测量结果的抽样、样品的制备、检测数据处理与分析措施的设备,测量设备和辅助设备及其软件。
4.1.2根据与客户签署的合同和委托书规定的检测方法,技术负责组织识别所需配备的设备,编制并批准《仪器设备情况一览表》包括(但不限于)序号,名称,方法或实验室规定技术要求等信息。
《仪器设备情况一览表》作为《服务和供应品采购程序》评价和选择供应商,采购和验收设备和期间核查的审核依据。
技术要求包括测量不确定度或最大允许差或准确度等级(下同)。
4.1.3 设备的辅助设备配备要满足仪器设备主机的配置和检测方法技术指标要求。
4.1.4 新进仪器设备必须按技术指标验收,技术负责组织,部门填写《仪器设备验收评价表》。
4.2设备的计量确认对设备的计量确认由生产管理室组织实施,具体执行《量值溯源程序》的要求。
4.3设备的使用4.3.1设备由实验室主任授权的岗位人员使用;如检测方法包含使用的设备,对方法的授权视同对使用设备的授权。
4.3.2大型仪器设备的使用,必须有授权操作人员使用。
4.3.3设备制造商提供的用户手册,操作和维护指导书或操作规程(样品制样设备)作为受控文件分发到作业场所,便于被授权人员取阅和使用。
4.3.4设备的岗位操作人员负责设备的使用、日常保护和维护,保存相应的记录。
设备使用管理程序(IATF16949-2016/ISO9001-2015)1.0目的规范设备操作、使用要领,减少设备人为事故,保证设备正常运行。
2.0适用范围本办法适用于工艺设备、动力设备的使用管理。
3.0术语及定义无4.0职责4.1装备动力部4.1.1负责设备台账、档案的建立;4.1.2负责《设备操作指导书》的编制;4.1.3进行设备的分类管理,对设备使用过程进行监督,分析设备运行状况;4.1.4负责指导设备操作人员正确合理地使用设备。
4.2各生产厂/生管物流部4.2.1负责依据《设备操作指导书》正确合理地使用设备;4.2.2负责设备在使用前、使用中和使用后的日常管理;4.2.3负责设备运行数据的统计汇总。
4.3过程质量管理部4.3.1负责定期设备检测、计量设备校验。
5.0工作内容5.1设备台账的建立5.1.1设备分类装备动力部根据设备在生产过程中的重要程度、维修难易程度及设备原值等将设备分为A、B、C三大类。
分类原则如下:5.1.1.1A类:也称为关键设备,是指对产品质量特性有严重影响,设备价值较高,对工厂生产有重大影响的设备。
符合下列条件之一者,可以视为A类设备:a) 属于关键工序、特殊特性工序,且设备本身对产品质量有重大影响,且无备用设备的;b) 设备原值≥300万元(RMB);c) 生产瓶颈设备。
生产瓶颈设备由设备管理部门依据设备故障修复难易程度、对生产影响程度等组织识别。
5.1.1.2B类:是指生产过程中的重要设备,且对全厂生产影响较大的设备。
符合下列条件之一者,可以视为B类设备:a) 属于关键工序、特殊特性工序,但有备用或可替代设备的设备;b) 对全厂生产影响较大、发生故障不容易修复的设备。
5.1.1.3C类:A、B类设备之外的设备,为一般设备,设备故障或停机不会对生产产生影响,可以采用事后维修。
5.1.2设备编号详见《设备编号管理办法》5.1.3建立设备台账5.1.3.1设备移交后,装备动力部依据设备资料和设备分类标准对设备进行分类,依据《设备编号管理办法》进行编号。
设备点检管理程序5 本程序所涉及表式:5.1 点检标准(编号:LJZ07009-01A)5.2 给油脂标准(编号:LJZ07009-02A)5.3 周期补油计划表(编号:LJZ07009-03A)5.4 点检检查计划表(编号:LJZ07009-04A)5.5 年度周期计划管理表(编号:LJZ07009-05A)5.6 倾向、精密点检计划表(编号:LJZ07009-06A)5.7 设备点检工作日志(编号:LJZ07009-07A)5.8 运行方设备日点检记录表(编号:LJZ07009-08A)5.9 生产方设备日点检记录表(编号:LJZ07009-09A)5.10 设备异常信息联络单(编号:LJZ07009-10A)5.11 长周期计划管理表(编号:LJZ07009-11A)设备点检管理流程图检修部门运保人员作业长点检员岗位操作工设备部生产厂(部)指导、检查、督促点检标准化作业及TPM 工作推进重大设备事故的组织(参与)处理并提出纠正事故措施根据分工协议进行日常点检根据分工协议进行日常点检制(修)订点检标准等各类设备基础数据审核统计、分析分公司设备管理实绩,据此提出设备长远规划,为领导的决策提供数据支撑点检实绩记录,发现异常处理或汇报点检实绩记录,发现异常处理或汇报根据标准编制点检计划按计划实施点检设备异常、故障(事故)的处理检修、备件等实绩台帐记录点检实绩台帐记录按计划安排检修并全过程参与根据设备状态提出并编制检修、备件、资材计划审核后统一申报实绩统计、分析,提出设备改善、改造的措施指导、检查制(修)订点检等通用标准及基础资料,建立基础数据审查附件2设备异常信息处理流程设备管理室作业长点检员岗位操作工运保人员发现设备异常发现设备异常收到异常信息联络单跟踪、督促并签字确认异常联络单存档填异常信息联络单中的设备异常情况说明现场处理现场复检后填写异常联络单处理意见填写异常联络单中的异常处理实绩解决异常附件3点检员上岗点检携带的工具工种应携带工具工种应携带工具工种应携带工具机械点检员听音棒电气点检员听音棒仪表点检员试电笔手电筒手电筒万用表点检锤点检锤螺丝刀活扳手螺丝刀手电筒螺丝刀试电笔活扳手钢丝钳万用表尖嘴钳活扳手尖嘴钳注:已配备测振笔、测温笔、数采器的专职点检员应携带测振笔、测温笔或数采器上岗点检。
设备管理控制程序(IATF16949-2016/ISO9001-2015)1.目的对设备策划、采购、安装、调试、验收、维护保养、封存、报废等环节进行有效管控,规范关键设备的备品备件管理;使设备安全、稳定运行,确保设备工程能力和产品质量稳定特制定本程序。
2.适用范围适用于本公司生产、检测、试验、动力、辅助设备和特种设备的管理。
3.术语3.1生产设备:在生产中对原材料或半成品进行加工的设备。
比如压力机、车床、磨床等。
3.2辅助设备:在生产过程中起辅助作用的设备,比如液压车、航吊等。
3.3动力设备:为生产提供水、电、气的设备设施,比如水泵、变压器、空压机、发电机等。
3.4试验设备:生产过程中对原材料、半成品、成品进行检验、检测的设备。
比如盖总成动态分离耐久试验机,探伤机等。
3.5特种设备:起重设备、压力容器、压力管道等,比如甲醇储罐、航吊、丙酮储罐、空压机储气罐等。
3.6关键设备:是指发生故障时影响生产全局,并可能导致生产停顿,或者加工结果对产品质量有决定性影响的设备。
3.7预见性维护:基于过程数据,通过预测可能的失效模式以避免维护性问题的活动。
3.8设备保养:为了保持良好的设备技术性能,周期性对设备进行的一系列预防性检查,其关键在于发现并处理异常。
3.9预防性维护:为了降低设备失效或功能退化的概率,按预定的时间间隔或规定的标准进行的维护。
3.10日常点检:设备使用前,当班操作人员必须对设备规定状况及安全配置进行检查确认的活动即为日常点检。
3.11一级保养:每日由操作人员对设备进行检查、清扫、清洁等6S活动。
3.12二级保养:设备保障部设备管理员依据设备状况,定期对设备进行润滑、紧固。
3.13三级保养:每年度对各设备关键部件进行检修、更换、清洗、调整的活动的总称。
4.职责4.1采购部:负责设备的采购和退货工作。
4.2生产部:提出设备需求申请,参与设备验收,编制设备安全操作规程和设备日常点检制度,依据批准的设备安全操作规程操作,对生产设备定期进行一级、二级保养和日常点检的设备维护管理,配合设备保障部对设备定期进行三级保养工作。
1、目的:为使产品质量稳定,使仪器设备均有充份的管制并发挥其功用。
定期的校正与维护,确保产品质量符合规定要求。
2、范围:本公司所属之量测仪器均适用本程序。
3、定义:校正:对精度偏差仪器,调整至正确精度。
校验:功能测试比对,判定符合规格否。
标准器:俗称主规,所需维持及校正仪器之准备所使用之仪器。
4、责任:4.1 品保单位:量测仪器之管理4.2 使用单位:量测仪器之维护与保管5、作业程序:5.1仪器请购验收5.1.1各部门欠缺或新技术引进,汰旧换新而有需求得提出经上级同意后,开出请购单。
5.1.2购入仪器由仪校中心人员确认型式,规格精度、性能外观是否合所需合约规格,并索取出厂校验报告、操作说明书、校验方式与相关保证合约。
5.1.3入厂验收应作初校,并用计量值作成记录。
5.1.4自制或客户提供之检具,须经检验确认其有允收产品的能力。
5.2登录列管:5.2.1新购入之仪器应登录编号建文件于「计量器具登记台帐」内。
5.2.2编号原则:TC- XXX5.2.3工厂中之测量标准之主规(标准器),或本厂无法调整校正之仪器列入外校计划。
5.2.4本厂合格仪校人员可利用标准器,来校验及确认所使用之量具或量规,列入内校计划。
5.3追溯体系:5.3.1量测仪器设备校验,基本上可分自行校验及委外校验二种。
自行校验须由校验组件追溯至认证合格之二级标准实验室,委外校验则经认证合格之二级标准实验室追溯至国家标准实验室或一级标准实验室。
5.3.2量测仪器设备追溯体系如下:国际标准国际度量衡局一级标准国家标准实验室二级标准校正实验室工作级标准使用者实验室5.4仪校计划与执行:5.4.1依仪器使用频率,购入年限与维修情形订定校正周期,并视需要适当调整。
5.4.2选用标准器,精度须高于一般基测仪器一级。
5.5分发使用5.5.1新购仪器经校验中心人员确认,汇总编号,登记于「计量器具登记台帐」后,分发至原申请单位使用,且须负责保管及维护。
检测设备管理程序(ISO9001:2015)1.0目的建立完整的检验、测量和试验设备控制程序,以规范检验、测量和试验设备的维护保养及校验作业,确保测量和试验设备的准确性及被检测的产品特性符合规定要求。
2.0 范围本厂内所有用于检验、测量和试验的工具或设备的校验及维护保养作业均适用本程序。
3.0相关文件:3.1《采购控制程序》4.0职责4.1品管部是本程序的归口行政部门,负责本程序的制定与保持工作;4.2品管部:负责检验设备的编号、建帐、外校送检作业。
4.3相关部门:负责本部门检测设备的正确使用及日常的维护、保养作业。
5.0工作程序5.1检测设备:指检验、测量或分析产品特性值的相关工具或设备,如:卡尺、万用表等。
5.2各部门根据产品制造需求,填写《申购单》,经总经理批准,由采购人员组织采购。
5.3 验收及分类管理5.3.1品管部对采购进厂的检测设备,按《申购单》的内容要求和产品说明书进行验收,合格后贴上合格标签,记录于《设备设施一览表》,如不合格需退回供应商,具体依《采购控制程序》。
5.3.2品管部对所有检测设备需登记于《设备设施一览表》,并进行编号、注明校验方式、使用部门、校验日期、校验有效期等。
5.4 检测设备的外校5.4.1对外校的检测设备由品管部选择具有国家认可的计量检测单位,并将需外校的检测设备在有效期内“外校”。
5.4.2 所有外校合格的检测设备只需保留原校验标签,不需本公司合格标签,但需记录于《检测设备履历表》。
5.4.3对于无法实施外校的设备,必须执行每日开机前的点检,并且在点检合格后填写《测量仪器点检记录》,若点检不合格则立即报告上级处理。
5.5 检测设备内校计划5.5.1品管部必须制定校验周期并记录于《检测设备履历表》。
5.5.2品管部根据校验周期,需在下次校验期前向检测设备使用部门发出《联络单》。
5.5.3检测设备使用部门接到《联络单》后,将检测设备交到品管部做内校或外校,当校验合格后,由品管部通知使用部门领回检测设备。
检测设备管理程序
(ISO9001:2015)
1.0目的
建立完整的检验、测量和试验设备控制程序,以规范检验、测量和试验设备的维护保养及校验作业,确保测量和试验设备的准确性及被检测的产品特性符合规定要求。
2.0 范围
本厂内所有用于检验、测量和试验的工具或设备的校验及维护保养作业均适用本程序。
3.0相关文件:
3.1《采购控制程序》
4.0职责
4.1品管部是本程序的归口行政部门,负责本程序的制定与保持工作;
4.2品管部:负责检验设备的编号、建帐、外校送检作业。
4.3相关部门:负责本部门检测设备的正确使用及日常的维护、保养作业。
5.0工作程序
5.1检测设备:指检验、测量或分析产品特性值的相关工具或设备,如:卡尺、万用表等。
5.2各部门根据产品制造需求,填写《申购单》,经总经理批准,由采购人员组
织采购。
5.3 验收及分类管理
5.3.1品管部对采购进厂的检测设备,按《申购单》的内容要求和产品说明书进行验收,合格后贴上合格标签,记录于《设备设施一览表》,如不合格需退回供应商,具体依《采购控制程序》。
5.3.2品管部对所有检测设备需登记于《设备设施一览表》,并进行编号、注明校验方式、使用部门、校验日期、校验有效期等。
5.4 检测设备的外校
5.4.1对外校的检测设备由品管部选择具有国家认可的计量检测单位,并将需外校的检测设备在有效期内“外校”。
5.4.2 所有外校合格的检测设备只需保留原校验标签,不需本公司合格标签,但需记录于《检测设备履历表》。
5.4.3对于无法实施外校的设备,必须执行每日开机前的点检,并且在点检合格后填写《测量仪器点检记录》,若点检不合格则立即报告上级处理。
5.5 检测设备内校计划
5.5.1品管部必须制定校验周期并记录于《检测设备履历表》。
5.5.2品管部根据校验周期,需在下次校验期前向检测设备使用部门发出《联络单》。
5.5.3检测设备使用部门接到《联络单》后,将检测设备交到品管部做内校或外校,当校验合格后,由品管部通知使用部门领回检测设备。
5.6检测设备内校过程
5.6.1内校可在当时的温湿度环境下进行,并记录在《检测设备校验报告》上,用于内校的检测设备经外校合格且精度比被校检测设备高。
5.6.3内校时,需将该设备在测试过程中可能会用到的功能均与外校合格件进
行比较,并将比较结果记录在《检测设备内校报告》上。
5.6.4完成比较记录后,需按记录误差及精度,根据实际使用环境做出判定结果,并交品管部负责人审查,确认比较结果为合格时须在检测设备适当位置贴上合格标签.
5.6.5 比较结果为不合格时需在设备适当位置贴上停用标签,并进行维修.
5.6.6 维修后需重新校验合格后方可改贴合格标签.
5.6.7 检测设备维修后,不能完全修复,但部份功能完好经品管部确认可贴上限定使用标签,并标示清楚。
5.6.8监测设备若不能满足检测要求时并无法维修,经品管部确认由使用部门负责人填写《申购单》,总经理批准后做报废处理,并记录于《检测设备履历表》。
5.7发放使用
5.7.1投入使用场所的监测设备,由品管部统一发放,领用部门应在《设备设施一览表》的保管人一栏签收。
5.7.2发至使用场所的监测设备,均贴有“合格”标签或“限定使用标签”,由使用人负责维护保养,不得随意调校、维修。
5.7.3监测设备使用人如果发现设备不正常应立即送检,不可继续使用,同时对
所检测产品进行追查、验证。
5.8仪器设备的维护维修
5.8.1在线使用的监测设备,根据需要由品管部制定相应的操作及保养规范并放到相应岗位。
5.8.2监测设备在使用中有不良现象时,作业人员应立即停止使用并报告相关人员,通知品管部检查,针对已检测的产品应进行重新检测。
5.8.3需维修的不良设备,品管部必须在该设备上贴“停用”标签,品管部有能力修理的内修,否则送外修理.修理后的监测设备经品管部确认合格后填写《监测设备履历表》后方可发放使用。
6.0相关记录
6.1《联络单》
6.2《申购单》
6.3《检测设备履历表》
6.4《检测设备一览表》
6.5《检测设备校验计划》
检测仪器校准报告
书.xls 仪器设备管理表格
汇编.xls
7.0流程图:。