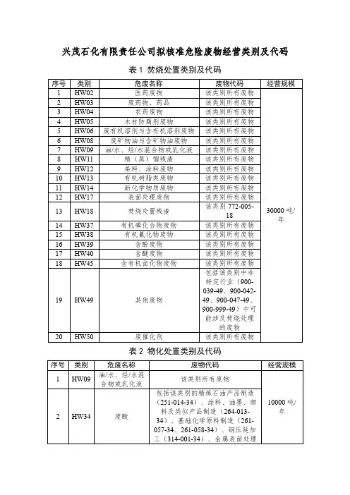
兴茂石化有限责任公司拟核准危险废物经营类别及代码焚烧处置类别及代码
- 格式:docx
- 大小:18.34 KB
- 文档页数:3
Enterprise Development专业品质权威Analysis Report企业发展分析报告洛阳兴茂源石化有限公司免责声明:本报告通过对该企业公开数据进行分析生成,并不完全代表我方对该企业的意见,如有错误请及时联系;本报告出于对企业发展研究目的产生,仅供参考,在任何情况下,使用本报告所引起的一切后果,我方不承担任何责任:本报告不得用于一切商业用途,如需引用或合作,请与我方联系:洛阳兴茂源石化有限公司1企业发展分析结果1.1 企业发展指数得分企业发展指数得分洛阳兴茂源石化有限公司综合得分说明:企业发展指数根据企业规模、企业创新、企业风险、企业活力四个维度对企业发展情况进行评价。
该企业的综合评价得分需要您得到该公司授权后,我们将协助您分析给出。
1.2 企业画像类别内容行业空资质增值税一般纳税人产品服务青(不含焦油沥青),建筑材料;批发(无仓储1.3 发展历程2工商2.1工商信息2.2工商变更2.3股东结构2.4主要人员2.5分支机构2.6对外投资2.7企业年报2.8股权出质2.9动产抵押2.10司法协助2.11清算2.12注销3投融资3.1融资历史3.2投资事件3.3核心团队3.4企业业务4企业信用4.1企业信用4.2行政许可-工商局4.3行政处罚-信用中国4.4行政处罚-工商局4.5税务评级4.6税务处罚4.7经营异常4.8经营异常-工商局4.9采购不良行为4.10产品抽查4.11产品抽查-工商局4.12欠税公告4.13环保处罚4.14被执行人5司法文书5.1法律诉讼(当事人)5.2法律诉讼(相关人)5.3开庭公告5.4被执行人5.5法院公告5.6破产暂无破产数据6企业资质6.1资质许可6.2人员资质6.3产品许可6.4特殊许可7知识产权7.1商标7.2专利7.3软件著作权7.4作品著作权7.5网站备案7.6应用APP7.7微信公众号8招标中标8.1政府招标8.2政府中标8.3央企招标8.4央企中标9标准9.1国家标准9.2行业标准9.3团体标准9.4地方标准10成果奖励10.1国家奖励10.2省部奖励10.3社会奖励10.4科技成果11土地11.1大块土地出让11.2出让公告11.3土地抵押11.4地块公示11.5大企业购地11.6土地出租11.7土地结果11.8土地转让12基金12.1国家自然基金12.2国家自然基金成果12.3国家社科基金13招聘13.1招聘信息感谢阅读:感谢您耐心地阅读这份企业调查分析报告。
注:从省危废管理系统导出的行业类别代码为2011年版本,不是2017年最新版本,各区在参考行业类型废物大类编号废物名称0190-其他农业#N/AHW49其他废物0519-其他农业服务#N/AHW06废有机溶剂与含有机溶剂废物HW34废酸HW49其他废物0530-畜牧服务业#N/AHW02医药废物HW08废矿物油与含废矿物油废物HW13有机树脂类废物HW49其他废物1200-其他采矿业#N/AHW08废矿物油与含废矿物油废物HW49其他废物1310-谷物磨制#N/AHW06废有机溶剂与含有机溶剂废物HW08废矿物油与含废矿物油废物HW09油/水、烃/水混合物或乳化液HW12染料、涂料废物HW13有机树脂类废物HW17表面处理废物HW23含锌废物HW29含汞废物HW49其他废物1320-饲料加工#N/AHW08废矿物油与含废矿物油废物HW49其他废物1391-淀粉及淀粉制品制造#N/AHW08废矿物油与含废矿物油废物1392-豆制品制造#N/AHW08废矿物油与含废矿物油废物HW49其他废物1399-其他未列明农副食品加工#N/AHW08废矿物油与含废矿物油废物HW29含汞废物HW49其他废物1419-饼干及其他焙烤食品制造#N/AHW08废矿物油与含废矿物油废物HW49其他废物1439-方便面及其他方便食品制造#N/AHW06废有机溶剂与含有机溶剂废物HW08废矿物油与含废矿物油废物HW12染料、涂料废物HW23含锌废物HW49其他废物1452-水产品罐头制造#N/AHW08废矿物油与含废矿物油废物HW17表面处理废物HW49其他废物1462-酱油、食醋及类似制品制造#N/AHW06废有机溶剂与含有机溶剂废物HW08废矿物油与含废矿物油废物HW12染料、涂料废物HW29含汞废物HW49其他废物1492-保健食品制造#N/AHW08废矿物油与含废矿物油废物HW21含铬废物HW29含汞废物HW34废酸1495-食品及饲料添加剂制造#N/AHW29含汞废物HW49其他废物1499-其他未列明食品制造#N/AHW17表面处理废物1513-啤酒制造#N/AHW06废有机溶剂与含有机溶剂废物HW08废矿物油与含废矿物油废物HW12染料、涂料废物HW23含锌废物HW29含汞废物HW49其他废物1523-果菜汁及果菜汁饮料制造#N/AHW06废有机溶剂与含有机溶剂废物HW08废矿物油与含废矿物油废物HW49其他废物1711-棉纺纱加工#N/AHW06废有机溶剂与含有机溶剂废物HW08废矿物油与含废矿物油废物HW12染料、涂料废物HW23含锌废物HW49其他废物1712-棉织造加工#N/AHW08废矿物油与含废矿物油废物HW12染料、涂料废物HW13有机树脂类废物HW29含汞废物HW49其他废物1713-棉印染精加工#N/AHW06废有机溶剂与含有机溶剂废物HW08废矿物油与含废矿物油废物HW12染料、涂料废物HW17表面处理废物HW29含汞废物HW35废碱HW49其他废物1721-毛条和毛纱线加工#N/AHW49其他废物1732-麻织造加工#N/AHW08废矿物油与含废矿物油废物HW29含汞废物HW49其他废物1733-麻染整精加工#N/AHW49其他废物1743-丝印染精加工#N/AHW17表面处理废物HW49其他废物1751-化纤织造加工#N/AHW49其他废物1752-化纤织物染整精加工#N/AHW06废有机溶剂与含有机溶剂废物HW08废矿物油与含废矿物油废物HW12染料、涂料废物HW49其他废物1761-针织或钩针编织物织造#N/AHW08废矿物油与含废矿物油废物HW12染料、涂料废物HW29含汞废物HW49其他废物1762-针织或钩针编织物印染精加工#N/AHW08废矿物油与含废矿物油废物HW49其他废物1763-针织或钩针编织品制造#N/AHW08废矿物油与含废矿物油废物HW23含锌废物HW49其他废物1772-毛巾类制品制造#N/AHW12染料、涂料废物HW16感光材料废物HW49其他废物1773-窗帘、布艺类产品制造#N/AHW08废矿物油与含废矿物油废物HW12染料、涂料废物HW13有机树脂类废物HW17表面处理废物HW29含汞废物HW49其他废物1779-其他家用纺织制成品制造#N/AHW08废矿物油与含废矿物油废物HW12染料、涂料废物HW49其他废物1781-非织造布制造#N/AHW06废有机溶剂与含有机溶剂废物HW08废矿物油与含废矿物油废物HW09油/水、烃/水混合物或乳化液HW13有机树脂类废物HW23含锌废物HW29含汞废物HW49其他废物1782-绳、索、缆制造#N/AHW12染料、涂料废物HW49其他废物1783-纺织带和帘子布制造#N/AHW49其他废物1789-其他非家用纺织制成品制造#N/AHW08废矿物油与含废矿物油废物HW12染料、涂料废物HW35废碱HW49其他废物1810-机织服装制造#N/AHW08废矿物油与含废矿物油废物HW13有机树脂类废物HW49其他废物1820-针织或钩针编织服装制造#N/AHW08废矿物油与含废矿物油废物HW23含锌废物HW49其他废物1830-服饰制造#N/AHW06废有机溶剂与含有机溶剂废物HW08废矿物油与含废矿物油废物HW12染料、涂料废物HW13有机树脂类废物HW29含汞废物HW35废碱HW49其他废物1910-皮革鞣制加工#N/AHW08废矿物油与含废矿物油废物HW12染料、涂料废物HW21含铬废物HW29含汞废物HW49其他废物1921-皮革服装制造#N/AHW12染料、涂料废物HW49其他废物1922-皮箱、包(袋)制造#N/AHW08废矿物油与含废矿物油废物1929-其他皮革制品制造#N/AHW06废有机溶剂与含有机溶剂废物HW08废矿物油与含废矿物油废物HW12染料、涂料废物HW13有机树脂类废物HW21含铬废物HW29含汞废物HW49其他废物1931-毛皮鞣制加工#N/AHW21含铬废物1952-皮鞋制造#N/AHW06废有机溶剂与含有机溶剂废物HW13有机树脂类废物HW49其他废物1954-橡胶鞋制造#N/AHW06废有机溶剂与含有机溶剂废物HW08废矿物油与含废矿物油废物HW49其他废物1959-其他制鞋业#N/AHW06废有机溶剂与含有机溶剂废物HW08废矿物油与含废矿物油废物HW12染料、涂料废物HW13有机树脂类废物HW34废酸HW49其他废物2011-锯材加工#N/AHW06废有机溶剂与含有机溶剂废物HW12染料、涂料废物HW13有机树脂类废物HW49其他废物2013-单板加工#N/AHW08废矿物油与含废矿物油废物HW12染料、涂料废物HW13有机树脂类废物HW17表面处理废物HW34废酸HW49其他废物2019-其他木材加工#N/AHW06废有机溶剂与含有机溶剂废物HW08废矿物油与含废矿物油废物HW12染料、涂料废物HW13有机树脂类废物HW49其他废物2022-纤维板制造#N/AHW49其他废物2023-刨花板制造#N/AHW08废矿物油与含废矿物油废物HW49其他废物2029-其他人造板制造#N/AHW06废有机溶剂与含有机溶剂废物HW08废矿物油与含废矿物油废物HW12染料、涂料废物HW49其他废物2031-建筑用木料及木材组件加工#N/AHW12染料、涂料废物HW49其他废物2032-木门窗、楼梯制造#N/AHW08废矿物油与含废矿物油废物HW12染料、涂料废物HW49其他废物2033-地板制造#N/AHW49其他废物2034-木制容器制造#N/AHW12染料、涂料废物HW49其他废物2039-软木制品及其他木制品制造#N/AHW08废矿物油与含废矿物油废物HW12染料、涂料废物HW29含汞废物HW49其他废物2049-草及其他制品制造#N/AHW12染料、涂料废物HW49其他废物2110-木质家具制造#N/AHW06废有机溶剂与含有机溶剂废物HW08废矿物油与含废矿物油废物HW09油/水、烃/水混合物或乳化液HW12染料、涂料废物HW13有机树脂类废物HW17表面处理废物HW29含汞废物HW34废酸HW49其他废物2120-竹、藤家具制造#N/AHW12染料、涂料废物HW17表面处理废物HW49其他废物2130-金属家具制造#N/AHW06废有机溶剂与含有机溶剂废物HW08废矿物油与含废矿物油废物HW09油/水、烃/水混合物或乳化液HW12染料、涂料废物HW17表面处理废物HW23含锌废物HW29含汞废物HW34废酸HW35废碱HW49其他废物2140-塑料家具制造#N/AHW06废有机溶剂与含有机溶剂废物HW08废矿物油与含废矿物油废物HW12染料、涂料废物HW17表面处理废物HW34废酸HW49其他废物2190-其他家具制造#N/AHW06废有机溶剂与含有机溶剂废物HW08废矿物油与含废矿物油废物HW09油/水、烃/水混合物或乳化液HW12染料、涂料废物HW13有机树脂类废物HW16感光材料废物HW17表面处理废物HW29含汞废物HW34废酸HW49其他废物2211-木竹浆制造#N/AHW12染料、涂料废物HW49其他废物2221-机制纸及纸板制造#N/AHW06废有机溶剂与含有机溶剂废物HW08废矿物油与含废矿物油废物HW49其他废物2223-加工纸制造#N/AHW08废矿物油与含废矿物油废物HW12染料、涂料废物HW49其他废物2231-纸和纸板容器制造#N/AHW08废矿物油与含废矿物油废物HW12染料、涂料废物HW49其他废物2239-其他纸制品制造#N/AHW06废有机溶剂与含有机溶剂废物HW08废矿物油与含废矿物油废物HW11精(蒸)馏残渣HW12染料、涂料废物HW13有机树脂类废物HW16感光材料废物HW29含汞废物HW49其他废物2311-书、报刊印刷#N/AHW06废有机溶剂与含有机溶剂废物HW08废矿物油与含废矿物油废物HW12染料、涂料废物HW13有机树脂类废物HW16感光材料废物HW49其他废物2312-本册印制#N/AHW06废有机溶剂与含有机溶剂废物HW08废矿物油与含废矿物油废物HW12染料、涂料废物HW49其他废物2319-包装装潢及其他印刷#N/AHW06废有机溶剂与含有机溶剂废物HW08废矿物油与含废矿物油废物HW09油/水、烃/水混合物或乳化液HW12染料、涂料废物HW13有机树脂类废物HW16感光材料废物HW17表面处理废物HW21含铬废物HW23含锌废物HW29含汞废物HW49其他废物2320-装订及印刷相关服务#N/AHW06废有机溶剂与含有机溶剂废物HW08废矿物油与含废矿物油废物HW12染料、涂料废物HW13有机树脂类废物HW16感光材料废物HW49其他废物2330-记录媒介复制#N/AHW06废有机溶剂与含有机溶剂废物HW08废矿物油与含废矿物油废物HW12染料、涂料废物HW16感光材料废物HW49其他废物2411-文具制造#N/AHW12染料、涂料废物HW49其他废物2419-其他文教办公用品制造#N/AHW08废矿物油与含废矿物油废物HW49其他废物2422-西乐器制造#N/AHW08废矿物油与含废矿物油废物HW12染料、涂料废物HW49其他废物2438-珠宝首饰及有关物品制造#N/AHW06废有机溶剂与含有机溶剂废物HW08废矿物油与含废矿物油废物HW17表面处理废物HW31含铅废物HW33无机氰化物废物HW34废酸HW35废碱HW49其他废物2439-其他工艺美术品制造#N/AHW12染料、涂料废物HW49其他废物2449-其他体育用品制造#N/AHW06废有机溶剂与含有机溶剂废物HW12染料、涂料废物HW49其他废物2450-玩具制造#N/AHW06废有机溶剂与含有机溶剂废物HW08废矿物油与含废矿物油废物HW12染料、涂料废物HW17表面处理废物HW29含汞废物HW34废酸HW49其他废物2469-其他娱乐用品制造#N/AHW13有机树脂类废物HW49其他废物2511-原油加工及石油制品制造#N/AHW06废有机溶剂与含有机溶剂废物HW08废矿物油与含废矿物油废物HW09油/水、烃/水混合物或乳化液2611-无机酸制造#N/AHW08废矿物油与含废矿物油废物HW12染料、涂料废物HW49其他废物2612-无机碱制造#N/AHW36石棉废物2614-有机化学原料制造#N/AHW06废有机溶剂与含有机溶剂废物HW08废矿物油与含废矿物油废物HW13有机树脂类废物HW29含汞废物HW49其他废物2619-其他基础化学原料制造#N/AHW06废有机溶剂与含有机溶剂废物HW08废矿物油与含废矿物油废物HW12染料、涂料废物HW13有机树脂类废物HW22含铜废物HW35废碱HW49其他废物2624-复混肥料制造#N/AHW06废有机溶剂与含有机溶剂废物HW08废矿物油与含废矿物油废物2625-有机肥料及微生物肥料制造#N/AHW08废矿物油与含废矿物油废物HW23含锌废物HW49其他废物2631-化学农药制造#N/AHW04农药废物HW17表面处理废物HW49其他废物2641-涂料制造#N/AHW06废有机溶剂与含有机溶剂废物HW08废矿物油与含废矿物油废物HW12染料、涂料废物HW13有机树脂类废物HW17表面处理废物HW29含汞废物HW49其他废物2642-油墨及类似产品制造#N/AHW06废有机溶剂与含有机溶剂废物HW08废矿物油与含废矿物油废物HW12染料、涂料废物HW13有机树脂类废物HW49其他废物2643-颜料制造#N/AHW08废矿物油与含废矿物油废物HW12染料、涂料废物HW23含锌废物HW29含汞废物2644-染料制造#N/AHW08废矿物油与含废矿物油废物HW12染料、涂料废物HW49其他废物2645-密封用填料及类似品制造#N/AHW06废有机溶剂与含有机溶剂废物HW08废矿物油与含废矿物油废物HW12染料、涂料废物HW13有机树脂类废物HW49其他废物2651-初级形态塑料及合成树脂制造#N/AHW06废有机溶剂与含有机溶剂废物HW08废矿物油与含废矿物油废物HW12染料、涂料废物HW13有机树脂类废物HW17表面处理废物HW27含锑废物HW29含汞废物HW34废酸HW49其他废物2652-合成橡胶制造#N/AHW13有机树脂类废物HW49其他废物2659-其他合成材料制造#N/AHW06废有机溶剂与含有机溶剂废物HW08废矿物油与含废矿物油废物HW12染料、涂料废物HW13有机树脂类废物HW29含汞废物HW49其他废物2661-化学试剂和助剂制造#N/AHW06废有机溶剂与含有机溶剂废物HW08废矿物油与含废矿物油废物HW11精(蒸)馏残渣HW13有机树脂类废物HW17表面处理废物HW23含锌废物HW35废碱HW49其他废物2662-专项化学用品制造#N/AHW06废有机溶剂与含有机溶剂废物HW08废矿物油与含废矿物油废物HW12染料、涂料废物HW13有机树脂类废物HW29含汞废物HW34废酸HW35废碱HW46含镍废物HW49其他废物2669-其他专用化学产品制造#N/AHW06废有机溶剂与含有机溶剂废物HW08废矿物油与含废矿物油废物HW12染料、涂料废物HW13有机树脂类废物HW17表面处理废物HW49其他废物2681-肥皂及合成洗涤剂制造#N/AHW17表面处理废物HW49其他废物2682-化妆品制造#N/AHW06废有机溶剂与含有机溶剂废物HW08废矿物油与含废矿物油废物HW12染料、涂料废物HW13有机树脂类废物HW17表面处理废物HW23含锌废物HW35废碱HW49其他废物2684-香料、香精制造#N/AHW06废有机溶剂与含有机溶剂废物HW12染料、涂料废物2689-其他日用化学产品制造#N/AHW06废有机溶剂与含有机溶剂废物HW08废矿物油与含废矿物油废物HW12染料、涂料废物HW13有机树脂类废物HW29含汞废物HW49其他废物2710-化学药品原料药制造#N/AHW02医药废物HW06废有机溶剂与含有机溶剂废物2720-化学药品制剂制造#N/AHW02医药废物HW03废药物、药品HW06废有机溶剂与含有机溶剂废物HW08废矿物油与含废矿物油废物HW29含汞废物HW49其他废物2730-中药饮片加工#N/AHW06废有机溶剂与含有机溶剂废物HW13有机树脂类废物2740-中成药生产#N/AHW03废药物、药品HW06废有机溶剂与含有机溶剂废物HW08废矿物油与含废矿物油废物HW23含锌废物HW49其他废物2750-兽用药品制造#N/AHW49其他废物2760-生物药品制造#N/AHW02医药废物2826-氨纶纤维制造#N/AHW08废矿物油与含废矿物油废物HW09油/水、烃/水混合物或乳化液HW12染料、涂料废物HW13有机树脂类废物HW29含汞废物HW49其他废物2911-轮胎制造#N/AHW08废矿物油与含废矿物油废物2912-橡胶板、管、带制造#N/AHW49其他废物2913-橡胶零件制造#N/AHW06废有机溶剂与含有机溶剂废物HW08废矿物油与含废矿物油废物HW09油/水、烃/水混合物或乳化液HW12染料、涂料废物HW23含锌废物HW29含汞废物HW49其他废物2919-其他橡胶制品制造#N/AHW06废有机溶剂与含有机溶剂废物HW08废矿物油与含废矿物油废物HW09油/水、烃/水混合物或乳化液HW12染料、涂料废物HW13有机树脂类废物HW29含汞废物HW49其他废物2921-塑料薄膜制造#N/AHW06废有机溶剂与含有机溶剂废物HW08废矿物油与含废矿物油废物HW09油/水、烃/水混合物或乳化液HW12染料、涂料废物HW13有机树脂类废物HW21含铬废物HW23含锌废物HW29含汞废物HW33无机氰化物废物HW34废酸HW35废碱HW49其他废物2922-塑料板、管、型材制造#N/AHW06废有机溶剂与含有机溶剂废物HW08废矿物油与含废矿物油废物HW09油/水、烃/水混合物或乳化液HW12染料、涂料废物HW29含汞废物HW49其他废物2923-塑料丝、绳及编织品制造#N/AHW08废矿物油与含废矿物油废物HW12染料、涂料废物2924-泡沫塑料制造#N/AHW08废矿物油与含废矿物油废物HW12染料、涂料废物HW17表面处理废物HW49其他废物2925-塑料人造革、合成革制造#N/AHW06废有机溶剂与含有机溶剂废物HW08废矿物油与含废矿物油废物HW09油/水、烃/水混合物或乳化液HW12染料、涂料废物HW13有机树脂类废物HW29含汞废物HW49其他废物2926-塑料包装箱及容器制造#N/AHW06废有机溶剂与含有机溶剂废物HW08废矿物油与含废矿物油废物HW09油/水、烃/水混合物或乳化液HW12染料、涂料废物HW13有机树脂类废物HW49其他废物2927-日用塑料制品制造#N/AHW06废有机溶剂与含有机溶剂废物HW08废矿物油与含废矿物油废物HW09油/水、烃/水混合物或乳化液HW12染料、涂料废物HW13有机树脂类废物HW16感光材料废物HW17表面处理废物HW29含汞废物HW34废酸HW35废碱HW49其他废物2928-塑料零件制造#N/AHW06废有机溶剂与含有机溶剂废物HW08废矿物油与含废矿物油废物HW09油/水、烃/水混合物或乳化液HW12染料、涂料废物HW13有机树脂类废物HW17表面处理废物HW34废酸HW49其他废物2929-其他塑料制品制造#N/AHW06废有机溶剂与含有机溶剂废物HW08废矿物油与含废矿物油废物HW09油/水、烃/水混合物或乳化液HW12染料、涂料废物HW13有机树脂类废物HW16感光材料废物HW17表面处理废物HW23含锌废物HW29含汞废物HW34废酸HW49其他废物3011-水泥制造#N/AHW08废矿物油与含废矿物油废物HW49其他废物3022-砼结构构件制造#N/AHW08废矿物油与含废矿物油废物HW12染料、涂料废物HW49其他废物3032-建筑陶瓷制品制造#N/AHW06废有机溶剂与含有机溶剂废物HW08废矿物油与含废矿物油废物HW11精(蒸)馏残渣HW12染料、涂料废物HW23含锌废物HW29含汞废物HW36石棉废物HW49其他废物3033-建筑用石加工#N/AHW08废矿物油与含废矿物油废物HW12染料、涂料废物HW13有机树脂类废物HW49其他废物3034-防水建筑材料制造#N/AHW12染料、涂料废物3039-其他建筑材料制造#N/AHW06废有机溶剂与含有机溶剂废物HW08废矿物油与含废矿物油废物HW09油/水、烃/水混合物或乳化液HW11精(蒸)馏残渣HW12染料、涂料废物HW29含汞废物HW49其他废物3049-其他玻璃制造#N/AHW06废有机溶剂与含有机溶剂废物HW08废矿物油与含废矿物油废物HW12染料、涂料废物HW49其他废物3051-技术玻璃制品制造#N/AHW12染料、涂料废物HW49其他废物3054-日用玻璃制品制造#N/AHW08废矿物油与含废矿物油废物HW09油/水、烃/水混合物或乳化液HW12染料、涂料废物HW29含汞废物HW49其他废物3057-制镜及类似品加工#N/AHW12染料、涂料废物HW49其他废物3059-其他玻璃制品制造#N/AHW08废矿物油与含废矿物油废物HW12染料、涂料废物HW13有机树脂类废物HW49其他废物3062-玻璃纤维增强塑料制品制造#N/AHW49其他废物3071-卫生陶瓷制品制造#N/AHW08废矿物油与含废矿物油废物HW09油/水、烃/水混合物或乳化液HW11精(蒸)馏残渣HW12染料、涂料废物HW13有机树脂类废物HW23含锌废物HW29含汞废物HW34废酸HW35废碱HW49其他废物3072-特种陶瓷制品制造#N/AHW08废矿物油与含废矿物油废物HW47含钡废物HW49其他废物3073-日用陶瓷制品制造#N/AHW06废有机溶剂与含有机溶剂废物HW08废矿物油与含废矿物油废物HW11精(蒸)馏残渣HW12染料、涂料废物HW21含铬废物HW23含锌废物HW29含汞废物HW36石棉废物HW46含镍废物HW49其他废物79-园林、陈设艺术及其他陶瓷制品制造#N/AHW06废有机溶剂与含有机溶剂废物HW08废矿物油与含废矿物油废物HW12染料、涂料废物HW16感光材料废物HW49其他废物3081-石棉制品制造#N/AHW06废有机溶剂与含有机溶剂废物HW09油/水、烃/水混合物或乳化液089-耐火陶瓷制品及其他耐火材料制造#N/AHW08废矿物油与含废矿物油废物HW49其他废物3099-其他非金属矿物制品制造#N/AHW08废矿物油与含废矿物油废物HW09油/水、烃/水混合物或乳化液HW12染料、涂料废物HW13有机树脂类废物HW49其他废物3110-炼铁#N/AHW08废矿物油与含废矿物油废物3120-炼钢#N/AHW09油/水、烃/水混合物或乳化液3130-黑色金属铸造#N/AHW06废有机溶剂与含有机溶剂废物HW08废矿物油与含废矿物油废物HW09油/水、烃/水混合物或乳化液HW12染料、涂料废物HW17表面处理废物HW49其他废物3140-钢压延加工#N/AHW08废矿物油与含废矿物油废物HW09油/水、烃/水混合物或乳化液HW11精(蒸)馏残渣HW12染料、涂料废物HW17表面处理废物HW23含锌废物HW29含汞废物HW34废酸HW46含镍废物HW49其他废物3211-铜冶炼#N/AHW06废有机溶剂与含有机溶剂废物HW08废矿物油与含废矿物油废物HW17表面处理废物HW49其他废物3216-铝冶炼#N/AHW08废矿物油与含废矿物油废物HW09油/水、烃/水混合物或乳化液HW11精(蒸)馏残渣HW12染料、涂料废物HW17表面处理废物HW35废碱HW46含镍废物HW49其他废物3219-其他常用有色金属冶炼#N/AHW08废矿物油与含废矿物油废物HW22含铜废物HW49其他废物3221-金冶炼#N/AHW17表面处理废物3232-稀土金属冶炼#N/AHW17表面处理废物3240-有色金属合金制造#N/AHW06废有机溶剂与含有机溶剂废物HW08废矿物油与含废矿物油废物HW09油/水、烃/水混合物或乳化液HW12染料、涂料废物HW17表面处理废物HW18焚烧处置残渣HW46含镍废物3250-有色金属铸造#N/AHW06废有机溶剂与含有机溶剂废物HW08废矿物油与含废矿物油废物HW09油/水、烃/水混合物或乳化液HW12染料、涂料废物HW17表面处理废物HW34废酸HW35废碱HW49其他废物3261-铜压延加工#N/AHW08废矿物油与含废矿物油废物HW09油/水、烃/水混合物或乳化液HW12染料、涂料废物HW17表面处理废物HW22含铜废物HW49其他废物3262-铝压延加工#N/AHW06废有机溶剂与含有机溶剂废物HW08废矿物油与含废矿物油废物HW09油/水、烃/水混合物或乳化液HW11精(蒸)馏残渣HW12染料、涂料废物HW17表面处理废物HW29含汞废物HW34废酸HW35废碱HW46含镍废物HW49其他废物3263-贵金属压延加工#N/AHW08废矿物油与含废矿物油废物HW49其他废物3269-其他有色金属压延加工#N/AHW06废有机溶剂与含有机溶剂废物HW08废矿物油与含废矿物油废物HW09油/水、烃/水混合物或乳化液HW12染料、涂料废物HW17表面处理废物HW29含汞废物HW31含铅废物HW34废酸HW49其他废物3311-金属结构制造#N/AHW06废有机溶剂与含有机溶剂废物HW08废矿物油与含废矿物油废物HW09油/水、烃/水混合物或乳化液HW12染料、涂料废物HW13有机树脂类废物HW17表面处理废物HW22含铜废物HW29含汞废物HW35废碱HW49其他废物3312-金属门窗制造#N/AHW08废矿物油与含废矿物油废物HW12染料、涂料废物HW17表面处理废物HW34废酸HW49其他废物3321-切削工具制造#N/AHW09油/水、烃/水混合物或乳化液HW49其他废物3322-手工具制造#N/AHW06废有机溶剂与含有机溶剂废物HW08废矿物油与含废矿物油废物HW12染料、涂料废物HW17表面处理废物HW34废酸HW49其他废物3329-其他金属工具制造#N/AHW06废有机溶剂与含有机溶剂废物HW08废矿物油与含废矿物油废物HW09油/水、烃/水混合物或乳化液HW12染料、涂料废物HW17表面处理废物HW34废酸HW35废碱HW49其他废物3331-集装箱制造#N/AHW08废矿物油与含废矿物油废物HW09油/水、烃/水混合物或乳化液HW12染料、涂料废物HW17表面处理废物3332-金属压力容器制造#N/AHW08废矿物油与含废矿物油废物HW12染料、涂料废物HW49其他废物3333-金属包装容器制造#N/AHW06废有机溶剂与含有机溶剂废物HW08废矿物油与含废矿物油废物HW12染料、涂料废物HW13有机树脂类废物HW17表面处理废物HW29含汞废物HW34废酸HW49其他废物3340-金属丝绳及其制品制造#N/AHW08废矿物油与含废矿物油废物HW09油/水、烃/水混合物或乳化液HW17表面处理废物HW22含铜废物HW49其他废物3351-建筑、家具用金属配件制造#N/AHW06废有机溶剂与含有机溶剂废物HW08废矿物油与含废矿物油废物HW09油/水、烃/水混合物或乳化液HW12染料、涂料废物HW13有机树脂类废物HW17表面处理废物HW21含铬废物HW23含锌废物HW29含汞废物HW35废碱HW49其他废物3352-建筑装饰及水暖管道零件制造#N/AHW08废矿物油与含废矿物油废物HW09油/水、烃/水混合物或乳化液HW12染料、涂料废物HW17表面处理废物HW34废酸HW49其他废物3353-安全、消防用金属制品制造#N/AHW08废矿物油与含废矿物油废物HW29含汞废物HW49其他废物3359-其他建筑、安全用金属制品制造#N/AHW08废矿物油与含废矿物油废物HW09油/水、烃/水混合物或乳化液HW12染料、涂料废物HW13有机树脂类废物HW17表面处理废物HW29含汞废物HW49其他废物3360-金属表面处理及热处理加工#N/AHW06废有机溶剂与含有机溶剂废物HW08废矿物油与含废矿物油废物HW09油/水、烃/水混合物或乳化液HW12染料、涂料废物HW13有机树脂类废物HW17表面处理废物HW21含铬废物HW29含汞废物HW33无机氰化物废物HW34废酸HW35废碱HW36石棉废物HW49其他废物3371-生产专用搪瓷制品制造#N/AHW08废矿物油与含废矿物油废物HW12染料、涂料废物HW16感光材料废物HW17表面处理废物HW49其他废物3379-搪瓷日用品及其他搪瓷制品制造#N/AHW08废矿物油与含废矿物油废物HW12染料、涂料废物HW29含汞废物HW49其他废物3381-金属制厨房用器具制造#N/AHW06废有机溶剂与含有机溶剂废物HW08废矿物油与含废矿物油废物HW09油/水、烃/水混合物或乳化液HW12染料、涂料废物HW17表面处理废物HW29含汞废物HW34废酸HW35废碱HW49其他废物3382-金属制餐具和器皿制造#N/AHW08废矿物油与含废矿物油废物HW09油/水、烃/水混合物或乳化液HW17表面处理废物HW49其他废物3383-金属制卫生器具制造#N/AHW08废矿物油与含废矿物油废物HW49其他废物3389-其他金属制日用品制造#N/AHW06废有机溶剂与含有机溶剂废物HW08废矿物油与含废矿物油废物HW09油/水、烃/水混合物或乳化液HW12染料、涂料废物HW13有机树脂类废物HW16感光材料废物HW17表面处理废物HW22含铜废物HW23含锌废物HW34废酸HW49其他废物3391-锻件及粉末冶金制品制造#N/AHW08废矿物油与含废矿物油废物HW09油/水、烃/水混合物或乳化液HW17表面处理废物HW34废酸HW46含镍废物HW49其他废物3399-其他未列明金属制品制造#N/AHW06废有机溶剂与含有机溶剂废物HW08废矿物油与含废矿物油废物HW09油/水、烃/水混合物或乳化液HW12染料、涂料废物HW13有机树脂类废物HW17表面处理废物。
利用和处置方式代码表
1) 为与《控制危险废物越境转移及其处置巴塞尔公约》相对应,废物利用和处置方式的代码未连续编号。
2)利用、处置或贮存不包括填坑、填海。
3)利用,是指从工业危险废物中提取物质作为原材料或者燃料的活动。
4)处置,是指将工业危险废物焚烧和用其他改变固体废物的物理、化学、生物特性的方法,达到减少已产生的工业危险废物数量、缩小工业危险废物体积、减少或者消除其危险成分的活动,或者将工业危
险废物最终置于符合环境保护规定要求的填埋场的活动。
焚烧,是指焚化燃烧危险废物使之分解并无害化的过程。
5)贮存,是指将工业危险废物临时置于特定设施或者场所中的活动。
6)水泥窑共处置,是指在水泥生产工艺中使用工业废物作为替代燃料或原料,消纳处理工业危险废物的方式。
7)生产建筑材料,是指将工业危险废物用于生产砖瓦、建筑骨料、路基材料等建筑材料。
大庆市固体废物污染环境防治信息公告2008年大庆市环境保护局根据《中华人民共和国固体废物污染环境防治法》第十二条“大、中城市人民政府环境保护行政主管部门应当定期发布固体废物的种类、产生量、处置状况等信息”和国家环境保护总局《大中城市固体废物污染环境防治信息发布导则》的规定,现发布大庆市2008年度固体废物污染环境防治信息公告。
大庆市环境保护局局长:刘桂岭二〇〇九年六月三日目录一、综述 (1)二、固体废物污染防治状况 (2)(一)工业固体废物 (2)(二)工业危险废物.. (3)(三)医疗废物 (5)(四)城市生活垃圾 (6)(五)危险废物处置设施 (7)(六)城市污水处理厂污泥 (7)三、固体废物“减量化、资源化和无害化”典型案例 (8)四、附属其他内容: (11)一、综述随着经济发展和社会的进步,各类固体废物产生量的日益增加,由此而来,对环境污染的压力日益显现,对公共安全构成潜在威胁,已引起全社会的普遍关注。
大庆市委、市政府高度重视固体废物污染防治工作,将固体废物污染环境防治工作纳入全市国民经济和社会发展总体计划,并采取有利于固体废物污染环境防治的经济、技术政策和措施,努力使固体废物污染防治与全市社会、经济发展相适应。
我市早在2003年成立了大庆市辐射环境监督站(内设固体废物管理中心),专门负责全市固体废物监督管理工作,自机构成立以来,通过认真贯彻执行国家、省固体废物污染防治有关法律法规,建立完善各项管理制度,工业固体废物综合利用水平,医疗废物和危险废物无害化处置水平得到明显提高。
2008年,在市委、市政府的正确领导下,我市固体废物管理工作坚持以科学发展观为统领,以减量化、资源化和无害化为原则,全面落实固体废物申报登记、危险废物经营许可证和转移联单等各项管理制度,努力提高工业固体废物综合利用率,加快城市生活垃圾无害化处理设施建设,积极推进危险废物集中处置设施建设。
通过努力,工业固体废物处置利用率达到90.60%,生活垃圾无害化处理率达到85.16%,主城区医疗废物处置率达到100%。