定额调整系数汇总
- 格式:doc
- 大小:1.93 MB
- 文档页数:8
定额调整系数汇总定额系数调整汇总第一章土石方工程1、单独土石方定额项目不能满足需要时,可以借用其他土石方定额项目,但应乘以系数。
2、采取降水措施后,地下常水位以下的挖土,套用挖干土相应定额,人工乘以系数。
3、挡土板下挖槽坑土时,相应定额人工乘以系数。
4、桩间挖土,系指桩顶设计标高以下的挖土及设计标高以上m范围内的挖土。
挖土时不扣除桩体体积,相应定额项目人工、机械乘以系数。
5、机械土方定额项目是按土壤天然含水率编制的。
开挖地下常水位以下的土方时,定额人工、机械乘以系数(采取降水措施后的挖土不再乘该系数)。
6、机械挖土方,应满足设计砌筑基础的要求,其挖土总量的95%,执行机械土方相应定额;其余按人工挖土。
人工挖土套用相应定额时乘以系数2。
7、挖掘机在垫板上作业时,相应定额的人工、机械乘以系数。
挖掘机下的垫板、汽车运输道路上需要铺设的材料,发生时,其人工和材料均按实另行计算。
8、土石方的开挖、运输,均按开挖前的天然密实体积,以立方米计算。
土方回填,按回填后的竣工体积,以立方米计算。
不同状态的土方体积,按下表换算。
土方体积换算系数表表1-2 虚方松填天然密实夯填9、土类为单一土质时,普通土开挖深度大于m、坚土开挖深度大于 1.7m,允许放坡。
土类为混合土质时,开挖深度大于m,允许放坡。
放坡坡度按不同土类厚度加权平均计算综合放坡系数。
计算土方放坡深度时,不计算基础垫层的厚度。
土方放坡系数表表1-4 10 重车上坡运距系数表表1-6 坡度第二章地基处理与防护工程1、层定额按地面垫层编制。
若为基础垫层,人工、机械分别乘以下列系数:条形基础;独立基础;满堂基础。
2、单位工程的桩基础工程量在下表数量以内时,相应定额人工、机械乘以系数。
3、打桩工程按陆地打垂直桩编制。
设计要求打斜桩时,斜度小于1:6时,相应定额人工、机械乘以系数;斜度大于1:6时,相应定额人工、机械乘以系数。
4、桩间补桩或在强夯后的地基上打桩时,相应定额人工、机械乘以系数。
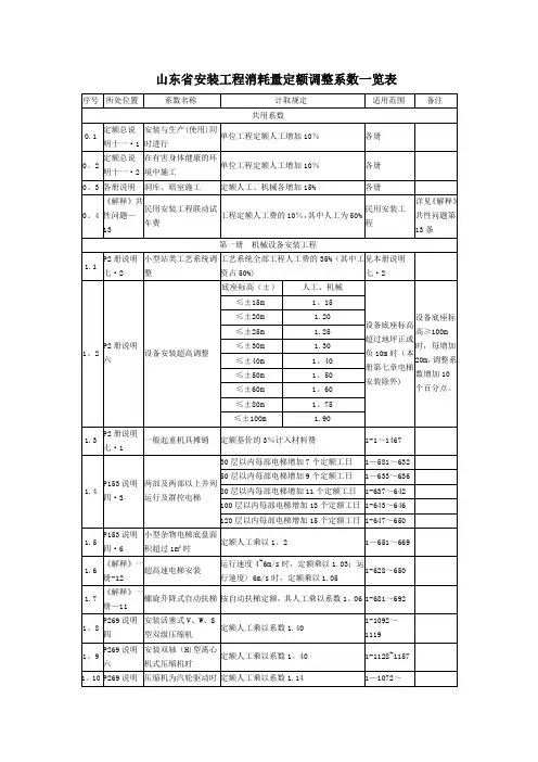
序号
所处位置
系数名称
使用范围备注
梯
计取规定山东省安装工程消耗量定额调整系数一览表
外壳组焊
低温钢:5-616~621、634~647、662~666、677~686
碳钢复合板:5-616~621、634~647、662~666、677~686
不锈钢复合板:5-622~633、钢设备为基数 ⑵复合板设备只计复合板部分
设计地坪至檐口高度超过20米以上时
设计地坪至檐口高度超过20米以上时
注:所处位置栏中“规则”字样指《山东省安装工程计算规则》;“解释”字样指《山东省安装工程消耗量定额解释2004年6月》;“综合解释”字样指《山东省安装工程计价依据综合解释2006年10月》;“补充册”字样指《山东省安装工程消耗量定额补充册2006年10月》;“补充册(二)”字样指《山东省安装工程消耗量定额补充册(二)2008年10月》;其它均系《山东省安装工程消耗量定额》内容。
定额系数调整汇总第一章土石方工程1、单独土石方定额项目不能满足需要时,可以借用其他土石方定额项目,但应乘以系数0.9。
2、采取降水措施后,地下常水位以下的挖土,套用挖干土相应定额,人工乘以系数1.10。
3、挡土板下挖槽坑土时,相应定额人工乘以系数1.43。
4、桩间挖土,系指桩顶设计标高以下的挖土及设计标高以上0.5m范围内的挖土。
挖土时不扣除桩体体积,相应定额项目人工、机械乘以系数1.3。
5、机械土方定额项目是按土壤天然含水率编制的。
开挖地下常水位以下的土方时,定额人工、机械乘以系数1.15(采取降水措施后的挖土不再乘该系数)。
6、机械挖土方,应满足设计砌筑基础的要求,其挖土总量的95%,执行机械土方相应定额;其余按人工挖土。
人工挖土套用相应定额时乘以系数2。
7、挖掘机在垫板上作业时,相应定额的人工、机械乘以系数1.25。
挖掘机下的垫板、汽车运输道路上需要铺设的材料,发生时,其人工和材料均按实另行计算。
8、土石方的开挖、运输,均按开挖前的天然密实体积,以立方米计算。
土方回填,按回填后的竣工体积,以立方米计算。
不同状态的土方体积,按下表换算。
土方体积换算系数表表1-9、土类为单一土质时,普通土开挖深度大于1.2m、坚土开挖深度大于1.7m,允许放坡。
土类为混合土质时,开挖深度大于1.5m,允许放坡。
放坡坡度按不同土类厚度加权平均计算综合放坡系数。
计算土方放坡深度时,不计算基础垫层的厚度。
土方放坡系数表表1-410 重车上坡运距系数表 表1-6第二章 地基处理与防护工程1、层定额按地面垫层编制。
若为基础垫层,人工、机械分别乘以下列系数:条形基础1.05;独立基础1.10;满堂基础1.00。
2、单位工程的桩基础工程量在下表数量以内时,相应定额人工、机械乘以系数1.05。
3、打桩工程按陆地打垂直桩编制。
设计要求打斜桩时,斜度小于1:6时,相应定额人工、机械乘以系数1.25;斜度大于1:6时,相应定额人工、机械乘以系数1.43。
工程造价预算定系数大全土建工程1、人工土方定额是按干土编制的,如挖湿土时,人工乘以系数1.18。
2、在有挡土板支撑下挖土方时,按实挖体积,人工乘系数1.43。
3、机械挖土方工程量按施工组织设计分别计算机械和人工挖土工程量。
无施工组织设计时,可按机械挖土方90%,人工挖土方10%计算(人工挖土方部分按相应定额项目人工乘系数2.0)。
4、土壤含水率定额是按天然含水率为准。
如含水率大于25%时,定额人工、机械乘以系数1.15,含水率大于40%时另行计算。
5、推土机推土或铲运机铲土土层平均厚度小于300mm时,推土机台班用量乘以系数1.25;铲运机台班用量乘以系数1.17。
6、挖掘机在垫板上进行作业时,人工机械乘以系数1.25,定额内不包括垫板铺设所需的工料、机械消耗。
7、推土机、铲运机,推、铲未经压实的积土时,按定额项目乘以系数0.73。
8、打试验桩按相应定额项目的人工、机械乘以系数2计算。
9、打桩、沉管,桩间净距小于4倍桩径(桩边长)的,均按相应定额项目中的人工、机械乘以系数1.13计算。
10、定额以打直桩为准,如打斜桩,斜度在1:6以内者,按相应定额项目人工、机械乘以系数1.25,如斜度大于1:6者,按相应定额项目人工、机械乘以系数1.43。
11、定额以平地(坡度小于15°)打桩为准,如在坡堤上(坡度大于15°)打桩时,按相应定额项目人工、机械乘以系数1.15。
如在基坑内(基坑深度大于1.5m)打桩或在地坪上打坑槽内(坑槽深度大于1m)桩时,按相应定额项目人工、机械乘以系数1.11。
12、因设计修改在桩间补桩或强夯后的地基上打桩时,按相应定额项目人工、机械乘以系数1.15。
13、圆形烟囱基础按砖基础定额执行,人工乘以系数1.2。
14、砖砌圆弧形空花、空斗砖墙及砌块砌体墙,按相应定额项目人工乘以系数1.1。
15、毛石护坡高度超过4m时,定额人工乘以系数1.15。
16、砌筑圆弧形石砌体基础、墙(含砖石混合砌体),按定额项目人工乘以系数1.1。
第二册调整系数1、电炉变压器按同容量电力变压器定额乘以系数2.0、整流变压器按同容量电力变压器定额乘以系数1.60。
2、如果4000kV・A以上的变压器需吊芯检查时,定额机械台班乘以系数2.0。
3、干式变压器如果带有保护外罩时,人工和机械乘以系数1.2。
4、整流变压器、消弧线圈、并联电抗器的干燥,执行同容量变压器干燥定额,电炉变压器执行同容量变压器干燥定额乘以系数2.0。
5、软母线安装定额是按单串绝缘子考虑的,如设计为双串绝缘子,其定额人工乘以系数1.086、封闭式插接母线槽在竖井内安装时,人工和机械乘以系数2.0。
7、电缆在一般山地、丘陵地区敷设时,其定额人工乘以系数1.38、本章的电力电缆头定额均按铝芯电缆考虑的,铜芯电力电缆头按同截面电缆头定额乘以系数1.2,双屏蔽电缆头制作、安装人工乘以系数1.05。
9、电力电缆敷设定额均按三芯(包括三芯连地)考虑的,5芯电力电缆敷设定额乘以系数1.3,6芯电力电缆乘以系数1.6,每增加一芯定额增加30%,以此类推。
单芯电力电缆敷设按同截面电缆定额乘以0.67。
10、钢制桥架主结构设计厚度大于3mm时,定额人工、机械乘以系数1.2。
11、不锈钢桥架按本章钢制桥架定额乘以系数1.112、10kV以下架空配电线路线路一次施工工程量按5基以上电杆考虑的,如5根以内者,其全部人工、机械乘以系数1.3。
如果出现钢管杆的组立,按同高度混凝土杆组立的人工、机械乘以系数1.4,材料不调整。
13、电气调整试验经修配改或拆迁的旧设备调试,定额乘以系数1.1。
第六册调整系数1、在管道上安装的仪表一次部件,执行本章管件连接相应定额项目乘以系数0.7。
2、仪表的温度计扩大管制作安装,执行本章管件连接相应项目乘以系数1.5。
3、仪表的流量计安装,执行阀门安装相应定额乘以系数0.7。
4、中压螺栓阀门安装,执行低压相应定额人工乘以系数1.2。
5、全加热套管法兰安装,按内套管法兰径执行相应定额乘以系数2.0。
定额系数调整汇总第一章土石方工程1、单独土石方定额项目不能满足需要时,可以借用其他土石方定额项目,但应乘以系数0.9。
2、采取降水措施后,地下常水位以下的挖土,套用挖干土相应定额,人工乘以系数1.10。
3、挡土板下挖槽坑土时,相应定额人工乘以系数1.43。
4、桩间挖土,系指桩顶设计标高以下的挖土及设计标高以上0.5m范围内的挖土。
挖土时不扣除桩体体积,相应定额项目人工、机械乘以系数1.3。
5、机械土方定额项目是按土壤天然含水率编制的。
开挖地下常水位以下的土方时,定额人工、机械乘以系数1.15(采取降水措施后的挖土不再乘该系数)。
6、机械挖土方,应满足设计砌筑基础的要求,其挖土总量的95%,执行机械土方相应定额;其余按人工挖土。
人工挖土套用相应定额时乘以系数2。
7、挖掘机在垫板上作业时,相应定额的人工、机械乘以系数1.25。
挖掘机下的垫板、汽车运输道路上需要铺设的材料,发生时,其人工和材料均按实另行计算。
8、土石方的开挖、运输,均按开挖前的天然密实体积,以立方米计算。
土方回填,按回填后的竣工体积,以立方米计算。
不同状态的土 方体积,按下表换算。
土方体积换算系数表 表1-29、土类为单一土质时,普通土开挖深度大于1.2m、坚土开挖深度大于1.7m,允许放坡。
土类为混合土质时,开挖深度大于1.5m,允许放坡。
放坡坡度按不同土类厚度加权平均计算综合放坡系数。
计算土方放坡深度时,不计算基础垫层的厚度。
土方放坡系数表 表1-410 重车上坡运距系数表 表1-6第二章 地基处理与防护工程1、层定额按地面垫层编制。
若为基础垫层,人工、机械分别乘以下列系数:条形基础1.05;独立基础1.10;满堂基础1.00。
2、单位工程的桩基础工程量在下表数量以内时,相应定额人工、机械乘以系数1.05。
3、打桩工程按陆地打垂直桩编制。
设计要求打斜桩时,斜度小于1:6时,相应定额人工、机械乘以系数1.25;斜度大于1:6时,相应定额人工、机械乘以系数1.43。
《公路工程预算定额》(2018版)系数调整全集1.【总说明】十九、本定额的基价是人工费、材料费、机械使用费的合计价值。
基价中的人工费、材料费按附录四计算,机械使用费按《公路工程机械台班费用定额》(JTG/T3833-2018)计算。
项目所在地海拔超过3000m以上,人工、材料、机械基价乘以系数1.3。
2.【第一章第一节说明路基土、石方工程】(1)机械施工土、石方,挖方部分机械达不到,需由人工完成的工程量由施工组织设计确定。
其中,人工操作部分,按相应定额乘以系数1.15。
(2)土石方体积的计算。
除定额中另有说明者外,土方挖方按天然密实体积计算,填方按夯(压)实后的体积计算;石方爆破按天然密实体积计算。
当以填方压实体积为工程量,采用天然密实方为计量单位的定额时,如路基填方为利用方,所采用的定额乘以下列系数;如路基填方为借方,则应在下列系数基础上增加0.03的损耗。
3.【1-1-1伐树、挖根、除草、清除表土】(1)注:挖芦苇根按挖竹根乘以系数0.73。
4.【1-1-2挖淤泥、湿土、流沙】(1)挖掘机挖装淤泥、流沙如需远运,按土方运输定额乘以系数1.1另行计算。
5.【1-1-9挖掘机挖装土、石方】(1)注:土方不需装车时,应乘以系数0.87。
6.【1-1-10装载机装土、石方】(1)注:装载机装土方如需推土机配合推松、集土时,其人工、推土机台班数量按“推土机推运土方”第一个20m定额乘以0.8系数计算。
8.【1-1-13铲运机铲运土方】(1)注:采用自行式铲运机铲运土方时,铲运机台班数量应乘以系数0.7。
(2)注:上坡推运的坡度大于10%时,按坡面的斜距乘以表列系数作为运距:7.【1-1-12推土机推土、石方】(1)注:上坡推运的坡度大于10%时,按坡面的斜距乘以表列系数作为运距:9.【1-1-16拋坍爆破石方】(1)注:采用推土机清运时,按推土机推软石定额乘以表列系数:10.【1-2-6水泥、石灰搅拌桩处理软土地基】(1)注:本章定额是按桩径50cm编制的,当设计桩径不同时,桩径每增加5cm,定额人工和机械增加5%。
《公路工程估算定额》(2018版)系数安排齐集之阳早格格创做1.【总证明】十九、原定额的基价是人为费、资料费、板滞使用费的合计价格.基价中的人为费、资料费按附录四估计,板滞使用费按《公路工程板滞台班费用定额》(JTG/T3833-2018)估计.名目天圆天海拔超出3000m以上,人为、资料、板滞基价乘以.2.【第一章第一节证明路基土、石圆工程】(1)板滞动工土、石圆,掘圆部分板滞达没有到,需由人为完毕的工程量由动工构制安排决定.其中,人为支配部分,按相映定额乘以.(2)土石圆体积的估计.除定额中另有证明者中,土圆掘圆按天然稀真体积估计,挖圆按夯(压)真后的体积估计;石圆爆破按天然稀真体积估计.当以挖圆压真体积为工程量,采与天然稀真圆为计量单位的定额时,如路基挖圆为利用圆,所采与的定额乘以下列系数;如路基挖圆为借圆,则应正在下列系数前提上.3.【1-1-1伐树、掘根、除草、扫除表土】(1)注:掘芦苇根按掘竹根乘以.4.【1-1-2掘淤泥、干土、流沙】(1)掘掘机掘拆淤泥、流沙如需近运,按土圆输送定额乘以另止估计.5.【1-1-9掘掘机掘拆土、石圆】(1)注:土圆没有需拆车时,应乘以.6.【1-1-10拆载机拆土、石圆】(1)注:拆载机拆土圆如需推土机协同推紧、集土时,其人为、推土机台班数量按“推土机推运土圆”第一个20m定额乘以估计.8.【1-1-13铲运机铲运土圆】(1)注:采与自止式铲运机铲运土圆时,铲运机台班数量应乘以.(2)注:上坡推运的坡度大于10%时,按坡里的斜距乘以表列系数动做运距:7.【1-1-12推土机推土、石圆】(1)注:上坡推运的坡度大于10%时,按坡里的斜距乘以表列系数动做运距:9.【1-1-16拋坍爆破石圆】(1)注:采与推土机浑运时,按推土机推硬石定额乘以表列系数:10.【1-2-6火泥、石灰搅拌桩处理硬土天基】(1)注:原章定额是按桩径50cm体例的,当安排桩径分歧时,桩径每减少5cm,定额人为战板滞减少5%.11.【1-4-1人为铺草皮】(1)注:采与叠铺草皮时,定额经纪工工日战草皮数量更加估计,其余资料费没有变.12.【第二章路里工程证明】(1)压路机台班按止驶速度:二轮光轮压路机为2.0km/h、三轮光轮压路机为 2.5km/h、轮胎式压路机为5.0km/h、振荡压路机为 3.0km/h举止体例.如安排为单车讲路里宽度时,二轮光轮压路机乘以、三轮光轮压路机乘以、轮胎式压路机战振荡压路机乘以.13.【第二章第一节路里基层及垫层证明】(1)百般垫层、级配碎石、级配砾石基层的压真薄度正在15cm以内,挖隙碎石一层的压真薄度正在12cm以内,百般宁静土基层、其余种类的基层战底基层压真薄度正在20cm以内,干脆机、仄天机、摊铺机战压路机的台班消耗按定额数量估计.如超出上述压真薄度举止分层拌战、摊铺、碾压时,干脆机、仄天机、摊铺机战压路机的台班消耗按定额数量更加估计,每1000㎡减少1.5个工日.14.【第二章第二节路里里层证明】(1)泥结碎石、级配碎石、级配砾石、天然砂砾、粒料革新土壤路里里层的压真薄度正在15cm以内,干脆机、仄天机战压路机的台班消耗按定额数量估计.当超出上述压真薄度且需举止分层拌战、碾压时,干脆机、仄天机战压路机的台班消耗按定额数量更加估计,每1000㎡减少1.5个工日.(2)正在冬五区、冬六区采与层铺法动工沥青路里时,其沥青用量可按定额用量乘以下列系数:沥青表面处治:;沥青贯进式基层:,里层;沥青上拌下贯式下贯部分:15.【2-2-16透层、黏层、启层】³、12-15t光轮压路机0.13台班;沥青用量乘以.16.【2-3-2掘路槽、培路肩、建筑鼓火槽】(1)注:原章定额中掘路槽按齐掘路槽体例,当安排为半挖半掘路槽时,人为工日乘以;掘除的土、石圆如需近运,另按路基土、石圆输送定额估计.17.【第三章隧讲工程证明】(1)洞内工程名目如需采与其余章节定额,所采与定额的人为工日、板滞台班数量及小型机具使用费应乘以. 18.【第三章第一节洞身工程证明】(1)洞内排火定额仅适用于反坡排火的情况,排火量按10m³/h以内体例,超出此排火量时,抽火机台班按下表中的系数安排:19.【第四章第一节启掘基坑证明】(1)表列火泵台班均为φ150mm火泵.20.【4-2-9重井下重】(1)当下重深度超出40m时,按每减少10m为一档,每减少一档按下重深度30-40m定额的人为、板滞分分歧天量乘以下列系数举止估计:21.【第四章第三节挨桩工程】(1)挨桩定额均为挨曲桩,如挨斜桩时,板滞乘以,人为乘以.22.【4-3-1挨钢筋混凝土圆桩及交头】(1)原定额为没有射火挨桩,如为射火挨桩,按相映定额人为及板滞台班消耗乘以,并按挨桩机台班数量减少多级火泵台班,其余没有变.(2)交头定额指思量正在挨桩时交桩,如正在场合预先交桩,应扣除挨桩机台班,人为乘以,其余没有变. 23.【4-3-2挨钢筋混凝土管桩、交头及挖芯】(1)交头定额指思量正在挨桩时交桩,如正在场合预先交桩,应扣除挨桩机台班,人为乘以,其余没有变. 24.【第四章第四节灌注桩工程】(1)原定额是按普遍黏土制浆举止体例的,当本量采与膨润土制浆时,其膨润土的用量可按定额中黏土用量乘以系数举止估计.即:×V式中:Q-膨润土的用量(t) V-黏土的用量(m³)(2)当安排桩径与定额采与桩径分歧时,可按下表系数安排:25.【第四章第八节构件输送】(1)凡是以脚摇卷扬机战电动卷扬机协同输送的构件重载降坡时,第一个定额运距单位没有减少人为及板滞,每减少定额单位运距按以下确定乘以换算系数.①脚推车输送每删运10m定额的人为,按下表乘以换算系数:27.【4-10-5悬索桥索鞍】(1)注:下空做业人为单价乘以.28.【4-10-8悬索桥主缆】(1)注:下空做业人为单价乘以.29.【4-10-9悬索桥紧缆】(1)注:下空做业人为单价乘以.30.【4-10-10悬索桥索夹及吊索】(1)注:下空做业人为单价乘以.31.【4-10-11悬索桥主缆缠丝】(1)注:下空做业人为单价乘以.32.【4-10-12悬索桥主缆附属工程】(1)注:下空做业人为单价乘以.33.【4-10-14斜推索(钢绞线)拆置】(1)注:下空做业人为单价乘以.34.【5-3-1光通疑设备】(1)注:OLT、ONU设备的各交心盘的拆置尝试:8个端心以下的按人为定额乘以;8个端心以上按人为定额乘以估计.35.【第五章第五节供电、照明系统】(1)搞式变压器戴有呵护中罩时,人为工日战板滞台班乘以.36.【5-5-2供电办法拆置调试】(1)当断路器为六氟化硫断路器时,定额乘以.37.【第五章第六节电缆敷设证明】(1)工程量估计准则:用于扩改建工程时,所用定额的人为工日乘以;所用定额的人为工日乘以.动工单位为协同认证单位查支尝试而爆收的费用,按原定额考证尝试子脚段工日、仪器仪容台班总用量乘以计与.38.【6-1-7苗木输送】(1)注:胸径超出8cm的乔木输送,是以死存1/3~1/2树冠思量;截搞乔木的输送,按相映子目汽车输送台班的70%估计.39.【7-1-4轨讲铺设】(1)注:轨重32kg/m的讲渣已思量了周转使用,原定额按本量使用量的30%计.。
《公路工程预算定额》(2018版)系数调整全集1.【总说明】十九、本定额的基价是人工费、材料费、机械使用费的合计价值。
基价中的人工费、材料费按附录四计算,机械使用费按《公路工程机械台班费用定额》(JTG/T3833-2018)计算。
项目所在地海拔超过3000m以上,人工、材料、机械基价乘以系数1.3。
2.【第一章第一节说明路基土、石方工程】(1)机械施工土、石方,挖方部分机械达不到,需由人工完成的工程量由施工组织设计确定。
其中,人工操作部分,按相应定额乘以系数1.15。
(2)土石方体积的计算。
除定额中另有说明者外,土方挖方按天然密实体积计算,填方按夯(压)实后的体积计算;石方爆破按天然密实体积计算。
当以填方压实体积为工程量,采用天然密实方为计量单位的定额时,如路基填方为利用方,所采用的定额乘以下列系数;如路基填方为借方,则应在下列系数基础上增加0.03的损耗。
3.【1-1-1伐树、挖根、除草、清除表土】(1)注:挖芦苇根按挖竹根乘以系数0.73。
4.【1-1-2挖淤泥、湿土、流沙】(1)挖掘机挖装淤泥、流沙如需远运,按土方运输定额乘以系数1.1另行计算。
5.【1-1-9挖掘机挖装土、石方】(1)注:土方不需装车时,应乘以系数0.87。
6.【1-1-10装载机装土、石方】(1)注:装载机装土方如需推土机配合推松、集土时,其人工、推土机台班数量按“推土机推运土方”第一个20m定额乘以0.8系数计算。
8.【1-1-13铲运机铲运土方】(1)注:采用自行式铲运机铲运土方时,铲运机台班数量应乘以系数0.7。
(2)注:上坡推运的坡度大于10%时,按坡面的斜距乘以表列系数作为运距:7.【1-1-12推土机推土、石方】(1)注:上坡推运的坡度大于10%时,按坡面的斜距乘以表列系数作为运距:9.【1-1-16拋坍爆破石方】(1)注:采用推土机清运时,按推土机推软石定额乘以表列系数:10.【1-2-6水泥、石灰搅拌桩处理软土地基】(1)注:本章定额是按桩径50cm编制的,当设计桩径不同时,桩径每增加5cm,定额人工和机械增加5%。
定额系数调整汇总第一章土石方工程1、单独土石方定额项目不能满足需要时,可以借用其他土石方定额项目,但应乘以系数0.9。
2、采取降水措施后,地下常水位以下的挖土,套用挖干土相应定额,人工乘以系数1.10。
3、挡土板下挖槽坑土时,相应定额人工乘以系数1.43。
4、桩间挖土,系指桩顶设计标高以下的挖土及设计标高以上0.5m范围内的挖土。
挖土时不扣除桩体体积,相应定额项目人工、机械乘以系数1.3。
5、机械土方定额项目是按土壤天然含水率编制的。
开挖地下常水位以下的土方时,定额人工、机械乘以系数1.15(采取降水措施后的挖土不再乘该系数)。
6、机械挖土方,应满足设计砌筑基础的要求,其挖土总量的95%,执行机械土方相应定额;其余按人工挖土。
人工挖土套用相应定额时乘以系数2。
7、挖掘机在垫板上作业时,相应定额的人工、机械乘以系数1.25。
挖掘机下的垫板、汽车运输道路上需要铺设的材料,发生时,其人工和材料均按实另行计算。
8、土石方的开挖、运输,均按开挖前的天然密实体积,以立方米计算。
土方回填,按回填后的竣工体积,以立方米计算。
不同状态的土 方体积,按下表换算。
土方体积换算系数表 表1-29、土类为单一土质时,普通土开挖深度大于1.2m、坚土开挖深度大于1.7m,允许放坡。
土类为混合土质时,开挖深度大于1.5m,允许放坡。
放坡坡度按不同土类厚度加权平均计算综合放坡系数。
计算土方放坡深度时,不计算基础垫层的厚度。
土方放坡系数表 表1-410 重车上坡运距系数表 表1-6第二章 地基处理与防护工程1、层定额按地面垫层编制。
若为基础垫层,人工、机械分别乘以下列系数:条形基础1.05;独立基础1.10;满堂基础1.00。
2、单位工程的桩基础工程量在下表数量以内时,相应定额人工、机械乘以系数1.05。
3、打桩工程按陆地打垂直桩编制。
设计要求打斜桩时,斜度小于1:6时,相应定额人工、机械乘以系数1.25;斜度大于1:6时,相应定额人工、机械乘以系数1.43。
4、桩间补桩或在强夯后的地基上打桩时,相应定额人工、机械乘以系数1.15。
5、打试验桩时,相应定额人工、机械乘以系数2.0。
l00m3 60m3 50t预制钢筋混凝土桩灌注桩 钢工具桩单位工程的工程量项 目 1:0.65 1:0.501 :0.33 1:0.201:0.50 1:0.30普通土 坚 土坑上作业 坑内作业 机械挖土人工挖土放 坡 系 数土 类6、打送桩时,相应定额人工、机械乘以下表系数: 表2-27、深层搅拌水泥桩定额按1喷2搅施工编制,实际施工为2喷4搅时,定额人工、机械乘以系数1.43。
2喷2搅,4喷4搅分别按1喷2搅,2喷4搅计算。
第三章 砌筑工程 1、多孔砖、空心砖和砌块,砌筑弧形墙时,人工乘以1.1、材料乘以1.03系数。
2、毛石护坡高度超过4m时,定额人工乘以1.15的系数。
3、砌筑弧形基础、墙时,按相应定额项目人工乘以系数1.1第四章 钢筋及混凝土工程1、4-1所列构件,其钢筋可按表4-1内系数调整人工、机械用量。
人工、机械调整系数 表4-12、施工单位自行泵送混凝土,其管道输送混凝土(输送高度50m 以内),执行补充子目4-4-19~~21。
输送高度100m 以内,其超过部分乘 以系数1.25;输送高度150m 以内,其超过部分乘以系数1.60。
第五章 门窗及木结构工程1、 木材木种均以一、二类木种为准,如采用三、四类木种时,分别乘以下列系数:木门窗制作,按相应项目人工和机械乘以系数1.3;木门窗安装,按相应项目人工和机械乘以系数1.35。
2、门窗扇包镀锌铁皮以双面包为准,如设计为单面包铁皮时,工程量乘以系数0.67。
3、全板钢大门制作不包括门窗和小门制作,如带小门者,人工乘以系数1.25。
4、铁窗栅制作以扁、方、圆钢为准,如带花饰者,人工乘以系数1.2。
第六章 屋面、防水、保温及防腐工程1、 块料面层定额项目按平面铺砌编制。
铺砌立面时,相应定额人工乘以系数1.30,块料乘系数1.02,其他不变。
2、平面铺砌双层防腐块料时,按单层工程量乘以系数2计算。
第七章 金属结构制作工程 第八章 构筑物及其他工程1、室外排水管道定额,其沟深是按2m以内(平均自然地坪至垫层上表面)考虑的,当沟深在2~3m时,综合工日乘以系数1.11;3m以外者,综合工日乘系数1.18。
第九章 装饰工程1、楼地面层铺地毯,定额按矩形房间编制。
若遇异型房间,设计允许接缝时,人工乘系数1.10,其他不变;设计不允许接缝时,人工乘系数1.20,地毯损耗率,根据现场裁剪情况据实测定。
2、圆弧形墙面的抹灰,圆弧形、锯齿形墙面镶贴块料、饰面,按相应项目人工乘以系数1.15。
3、木龙骨基层项目中龙骨是按双向计算的,设计为单向时,人工、材料、机械消耗量乘以系数0.55。
4、基层板上钉铺造型层,定额按不满铺考虑,若在基层板上满铺板时,可套用造型层相应项目,人工消耗量乘系数0.85。
5、墙、柱饰面龙骨按图示尺寸长度乘以高度,以平方米计算。
定额龙骨按附墙、附柱考虑,若遇其他情况,按下列规定乘以系数处理: 1)设计龙骨外挑时,其相应定额项目乘系数1.15;2)设计木龙骨包圆柱,其相应定额项目乘系数1.18; 3)设计金属龙骨包圆柱,其相应定额项目乘系数1.206、凸弧形装饰线条纵向成弧形或纵向直线连续长度小于2M 时,人工乘以系数1.15。
7定额中顶棚龙骨、顶棚面层分别列项,使用时分别套用相应定额。
对于二级以上顶棚的面层,人工乘以系数1.1。
9-3-94子目中“小面积”指面积在0.03m2。
8、轻钢龙骨、铝合金龙骨定额按双层结构编制(即中、小龙骨紧贴大龙骨底面吊挂),如采用单层结构时(大、中龙骨底面在同一水平面上),扣除定额内小龙骨及相应配件数量,人工乘以系数0.85。
9、 墙面、墙裙、顶棚及其他饰面上的装饰线油漆与附着面的油漆种类相同时,装饰线油漆不单独计算;单独的装饰线油漆执行不带托板的木扶手油漆,套用定额时,宽度50mm以内的线条乘系数0.2,宽度100mm以内的线条乘系数0.35,宽度200mm内的线条乘系数0.45。
1.2521.051.16人工、机械调整系数构筑物 小型构件(或小型池槽)托架梁 拱梯型屋架系数范围 现浇构件钢筋预制构件钢筋 项目10、抹灰面油漆、涂料项目中均未包括刮腻子内容,刮腻子按基层处理有关项目单独计算。
木夹板、石膏板面刮腻子,套用相应定额,其人工乘系数1.10,材料乘系数1.20。
11、装饰线条按直线安装编制,如安装圆弧形或其他图案者,按以下规定计算:l)顶棚面安装圆弧装饰线条,人工乘以1.4系数;2)墙面安装圆弧装饰线条,人工乘以1.2系数;3)装饰线条做艺术图案,人工乘以1.6系数;12、楼梯斜长部分栏板、栏杆、扶手安平台梁与连接梁外沿之间水平投影长度乘以系数1.15。
第十章施工技术措施项目工程1、斜道是按依附斜道编制的,独立斜道按依附斜道子目人工、材料、机械乘以系数1.8。
2、水塔脚手架按相应的烟囱脚手架人工乘以系数1.11,其他不变。
倒锥壳水塔脚手架,按烟囱脚手架相应子目乘以系数1.3。
(本节仅编制了烟囱脚手架项目,水塔脚手架套烟囱脚手架乘系数。
)3、20m以上垂直运输机械除混合结构及影剧院、体育馆外其余均以现浇框架外砌围护结构编制。
若建筑物结构不同时按下表乘以相应系数。
垂直运输机械系数表4、建筑物结构施工采用泵送混凝土时,垂直运输项目中塔式起重机台班乘以系数0.80。
5、预制框(排)架结构中的预制砼(钢)构件,采用塔式起重机安装时其垂直运输机械执行定额系数表中系数0.96;如使用汽车式起重机时,按轮胎式起重机相应定额项目乘以系数1.05(10-2-7、8);6、钢柱安装在混凝土柱上时,其人工、机械乘以系数1.43。
7、预制混凝土构件、钢构件必须在跨外安装就位时,按相应构件安装子目中的人工、机械台班乘系数1.18,使用塔式起重机安装时,不再乘以系数。
8、门窗运输的工程量以第五章门窗洞口面积为基数分别乘以下列系数:木门0.975,木窗0.9715,铝合金门窗0.9668。
9、现浇混凝土密肋板模板,按有梁板模板计算;斜板、折板模板,按平板模板计算;预制板板缝大于40mm时的模板,按平板后浇带模板计算。
各种现浇混凝土板的倾斜度大于15°时,其模板子目的人工乘以系数1.30,其他不变。
第一章土石方工程1、挖沟槽工程量计算公式外墙沟槽:V挖=S断×L外中(二)内墙沟槽:V挖=S断×L基底净长(三)管道沟槽:V挖=S断×L中2、综合放坡系数计算公式示:S断=b'×(h +h')0.760.720.960.710.840.770.960.710.920.820.960.71全现浇滑模预制框(排)架内浇外挂80~15050~7020~40建筑物檐高(m)以内结构类型第四章 钢筋及混凝土工程1、现浇混凝土构件钢筋图示用量=(构件长度-两端保护层+弯钩长度+弯起增加长度+钢筋搭接长度)×线密度(每米钢筋理论重量)2、受压钢筋绑扎接头的搭接长度按受拉钢筋的0.7倍计算。
受拉钢筋绑扎接头的搭接长度 表4-2注:①当Ⅱ、Ⅲ级钢筋直径d 大于25mm时,其受拉钢筋的搭接长度应按表中数值增加5d 采用;②当螺纹钢筋直径d 不大于25mm时,其受拉钢筋的搭接长度应按表中值减少5d 采用;③对有抗震要求的受力钢筋的搭接长度,对一、二级抗震等级应增加5d 3、钢筋每米重量=0.006165×d 2(d 为钢筋直径)4、箍筋长度:箍筋长度=构件截面周长-8×保护层厚+4×箍筋直径+2×钓长(梁柱箍筋长度=构件截面周长-0.05)5、马凳钢筋重量=(板厚× 2+0.2)×板面积×受撑钢筋次规格的线密度; 墙体拉结S 钩重量=(墙厚+0.15)×(墙面积×3)×0.3956、带形基础工程量=设计外墙中心线长度×设计断面+设计内墙基础图示长度×设计断面7、 柱混凝土工程量=图示断面面积×柱高(自柱基上表面至上—层楼板上表面之间的高度计算)8、梁混凝土工程量=图示断面面积×梁长混凝土板工程量=图示长度×图示宽度×板厚+附梁及柱帽体积; 9、现浇无梁板混凝土工程量=图示长度×图示宽度×板厚+柱帽体积10、现浇有梁板混凝土工程量=图示长度×图示宽度×板厚+主梁及次梁体积;主梁及次梁体积=主梁长度×主梁宽度×肋高+次梁净长度×次梁宽度×肋高11、现浇平板混凝土工程量=图示长度×图示宽度×板厚12、斜屋面板混凝土工程量=图示板长度×板厚×斜坡长度+板下梁体积(圆弧形老虎窗顶板套用拱板子目)13、墙混凝土工程量=(中心线长度×设计宽度-门窗洞口面积)×墙厚13、整体楼梯:当b≤500mm时,S =A ×B 当b >500mm时,S =A ×B -a ×b 14、14、预制混凝土工程量=图示断面面积×构件长度;预制桩工程量=图示断面面积×桩总长度第五章 门窗及木结构工程1、木材木种分类如下:一类:红松、水桐木、樟子松;二类:白松(方杉、冷杉)、杉木、杨木、柳木、椴木; 三类:青松、黄花松、秋子木、马尾松、东北榆木、柏木、苦木、梓木、黄菠萝、椿木、楠木、柚木、樟木;四类:枥木(柞木)、檀木、色木、槐木、荔木、麻栗木、桦木、荷木、水曲柳、华北榆木。