各城市基本风压74789
- 格式:doc
- 大小:771.00 KB
- 文档页数:31
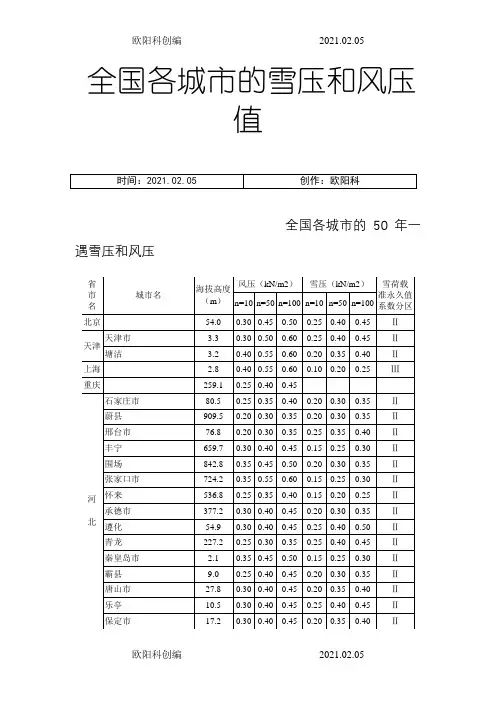
全国各城市的雪压和风压值全国各城市的50年一遇雪压和风压附表D.4海拔高度风压(kN/m) 雪压(kN/m) 雪荷载准省市名城市名永久值系(m) n=10 n=50 n=100 n=10 n=50 n=100 数分区北京54.0 0.30 0.45 0.50 0.25 0.40 0.45 n 天津市 3.3 0.30 0.50 0.60 0.25 0.40 0.45 n 天津塘沽 3.2 0.40 0.55 0.60 0.20 0.35 0.40 n上海 2.8 0.40 0.55 0.60 0.10 0.20 0.25 m 重庆259.1 0.25 0.40 0.45泰安市128.8 0.30 0.40 0.45 0.20 0.35 0.40 n淄博市张店34.0 0.30 0.40 0.45 0.30 0.45 0.50 n 沂源304.5 0.30 0.35 0.40 0.20 0.30 0.35 n潍坊市44.1 0.30 0.40 0.45 0.25 0.35 0.40 n莱阳市30 5 0.30 0.40 0.45 0.15 0.25 0.30 n青岛市76.0 0.45 0.60 0.70 0.15 0.20 0.25 n海阳65.2 0.40 0.55 0.60 0.10 0.15 0.15 n 荣城市石岛33.7 0.40 0.55 0.65 0.10 0.15 0.15 n菏泽市49.7 0.25 0.40 0.45 0.20 0.30 0.35 n兖州51.7 0.25 0.40 0.45 0.25 0.35 0.45 n临沂8 .9 0.30 0.40 0.45 0.25 0.40 0.45 n日照市16.1 0.30 0.40 0.45莒县107.4 0.25 0.35 0.40 0.20 0.35 0.40 n南京市8.9 0.25 0.40 0.45 0.40 0.65 0.75 n徐州市41.0 0.25 0.35 0.40 0.25 0.35 0.40 n赣榆 2.1 0.30 0.45 0.50 0.25 0.35 0.40 n盱眙34.5 0.25 0.3 0.40 0.20 0.30 0.35 n淮阳市17.5 0.25 0.40 0.45 0.25 0.40 0.45 n 江射阳 2.0 0.30 0.40 0.45 0.15 0.20 0.25m 苏镇江26.5 0.30 0.40 0.45 0.25 0.35 0.40 m无锡 6.7 0.30 0.45 0.50 0.30 0.40 0.45 m泰州 6.6 0.25 0.40 0.45 0.25 0.35 0.40 m连云港 3.7 0.35 0.55 0.65 0.25 0.40 0.45 n盐城 3.6 0.25 0.45 0.55 0.20 0.35 0.40 mn / zn090 090 01/0 0170 9£0 920 W乙n990 090 01/0 0170 9£0 070 L'89 nrn n090 9 0 9£0 0170 9£0 070 909n9170 01/0 920 0170 9£0 920 £92n990 9170 0£0 0170 9£0 920 Z'8Ln990 090 0£0 0170 9£0 920 LZZn9170 01/0 920 090 01/0 920 692n9170 01/0 920 990 9170 920 LLZn9170 017 0 920 0170 9£0 920 乙£17 nw n020 090 01/0 0170 9£0 920 622 单別呂064 094 960 £717m01/0 9£0 070 MJ 021 020 696 LJW随壬m01/0 9£0 920 99'1 OX 060 298m9£0 0£0 070 990 990 9£0 £1 当谨单卫幽m01/0 9£' 920 020 090 9£0 09 xUI'l'fW m020 090 01/0 90'1 060 090 L£8£Lm990 990 9£0 9£0 0£0 070 17861m090 9170 0£0 9£0 0£0 070 809m090 090 0£0 0170 9£0 920 699m9£0 0£0 070 0171 021 920 17'82Lm9£0 0£0 070 090 090 0£0 乙书m990 990 9£0 090 01/0 920 £1701m990 990 9£0 0170 9£0 920 979m090 090 0£0 004 980 090 Z'9£92'1 09'1 960 91721 口舸if 0W99'1 0£L 980 9'6Z EIWm01/0 9£0 920 090 917 0 0£0 VLm01/0 9£0 920 090 9170 9£0 17'9n98L 0 09L 0 00L0 080 020 990 69091 口1圣音至刖m090 9170 0£0 090 9170 0£0 ZH7 单肝艸m9170 01/0 920 090 9170 0£0 9ZLm990 090 0£0 9170 01/0 920 ZL HOm0£0 920 I/O 090 9170 0£0 £9m920 070 Ol/O 990 090 9£0 99m0£0 920 910 090 9170 0£0 £9m9£0 0£0 070 9170 01/0 0£0 £17 单◎母m01/0 0£0 070 9170 01/0 920 P9安庆市19.8 0.25 0.40 0.45 0.20 0.35 0.40 m宁国89.4 0.25 0.35 0.40 0.30 0.50 0.55 m黄山1840.4 0.50 0.70 0.80 0.35 0.45 0.50 m黄山市142.7 0.25 0.35 0.40 0.30 0 45 0.50 m阜阳市30.6 0.35 0.55 0.60 n南昌市46.7 0.30 0.45 0.55 0.30 0.45 0.50 m修水146.8 0.20 0.30 0.35 0.25 0.40 0.50 m宜春市131.3 0.20 0.30 0.35 0.25 0.35 0.45 m吉安76.4 0.25 0.30 0.35 0.25 0.35 0.45 m宁冈263.1 0.20 0.30 0.35 0.30 0.45 0.5 m遂川126.1 0.20 0.30 0.35 0.30 0.45 0.55 m赣州市123.8 0.20 0.30 0.35 0.20 0.35 0.40 m九江36.1 0.25 0.35 0.40 0.30 0.40 0.45 m 江庐山1164.5 0.40 0.55 0.60 0.55 0.75 0.85 m 西波阳40.1 0.25 0.40 0.45 0.35 0.60 0.70 m景德镇市61.5 0.25 0.35 0.40 0.25 0.35 .40 m樟树市30.4 0.20 0.30 0.35 0.25 0.40 0.45 m贵溪51.2 0.20 0.30 0.35 0.35 0.50 0.60 m玉山116.3 0.20 0.30 0.35 0.20 0.35 0.40 m南城80.8 0.25 0.30 0.35 0.20 0.35 0.40 m广昌143.8 0.20 0.30 0.35 0.30 0.45 0.50 m寻乌303.9 0.25 0.30 0.35福州市83.8 0.40 0.70 0.85邵武市191.5 0.20 0.30 0.35 0.25 0.35 0.40 m 铅山县七仙山1401.9 0.55 0.70 0.80 0.40 0.60 0.70 m 浦城276.9 0.20 0.30 0.35 0.35 0.55 0.70 m建阳196.9 0.25 0.35 0.40 0.35 0.50 0.55 m建瓯154.9 0.25 0.35 0.40 0.25 0.35 0.40 m福鼎36. 0.35 0.70 0.90福泰宁342.9 0.20 0.30 0.35 0.30 0.50 0.60 m 建南平市125.6 0.20 0.35 0.45福鼎县台山106.6 0.75 1.00 1.10长汀310.0 0.20 0.35 0.40 0.15 0.25 0.30 m上杭197.9 0.25 0.30 0.35永安市206.0 0.25 0.40 0.45龙岩市342.3 0.20 0.35 0. 5德化县九仙山1653.5 0.60 0.80 0.90 0.25 0.40 0.50 m屏南896.5 0.20 0.30 0.35 0.25 0.45 0.50 m平潭32.4 0.75 1.30 1.60崇武21.8 0.55 0.80 0.90厦门市139.4 0.50 0.80 0.90东山53.3 0.80 1.25 1.45西安市397.5 0.25 0.35 0.40 0.20 0.25 .30 n榆林市1057.5 0.25 0.40 0.45 0.20 0.25 0.30 n吴旗1272.6 0.25 0.40 0.50 0.15 0.20 0.20 n横山1111.0 0.30 0.40 0.45 0.15 0.25 0.30 n绥德929.7 0.30 0.40 0.45 0.20 0.35 0.40 n延安市957.8 0.25 0.35 0.40 0.15 0.25 0.30 n长武1206.5 0.20 0.30 0.35 0. 0 0.30 0.35 n洛川1158.3 0.25 0.35 0.40 0.25 0.35 0.40 n铜川市978.9 0.20 0.35 0.40 0.15 0.20 0.25 n 陕宝鸡市612.4 0.20 0.35 0.40 0.15 0.20 0.25 n 西武功' 447.8 0.20 0.35 0.40 0.20 0.25 0.30 n华阴县华山2064.9 0.40 0.50 0.55 0.50 0.70 0.75 n略阳794.2 0.25 0. 5 0.40 0.10 0.15 0.15 m汉中市508.4 0.20 0.30 0.35 0.15 0.20 0.25 m佛坪1087.7 0.25 0.30 0.35 0.15 0.25 0.30 m商州市742.2 0.25 0.30 0.35 0.20 0.30 0.35 n镇安693.7 0.20 0.30 0.35 0.20 0.30 0.35 m石泉484.9 0.20 0.30 0.35 0.20 0.30 0.35 m安康市290.8 0 30 0.45 0.50 0.10 0.15 0.20 m兰州市1517.2 0.20 0.30 0.35 0.10 0.15 0.20 n吉诃德966.5 0.45 0.55 0.60安西1170.8 0.40 0.55 0.60 0.10 0.20 0.25 n酒泉市1477.2 0.40 0.55 0.60 0.20 0.30 0.35 n张威市1482.7 0.30 0.50 0.60 0.05 0.10 0.15 n武威市1530.9 0.35 0.55 0.65 0.15 0.20 0.25 n 甘民勤1367.0 0.40 0.50 0.55 0.05 0.10 0.10 n 肃乌鞘岭3045.1 0.35 0.40 0.45 0.35 0.55 0.60 n景泰1630.5 0.25 0.40 0.45 0.35 0.55 0.60 n靖远1398.2 0.20 0.30 0.35 0.15 0.20 0.25 n临夏市1917.0 0.20 0.30 0.35 0.15 0.25 0.30 n临洮1886.6 0.20 0.30 0.35 0.30 0.50 0.55 n华家岭2450.6 0.30 0.40 0.45 0.25 0.40 0.45 n环县1255.6 0.20 0.30 0.35 0.15 0.25 0.30 n平凉市1346.6 0.25 0.30 0.35 0.15 0.25 0.30 n西峰镇1421.0 0.20 0.30 0.35 0.25 0.40 0.45 n玛曲3471.4 0.25 0.30 0.35 0.15 0. 0 0.25 n 夏河县合作2910.0 0.25 0.30 0.35 0.25 0.40 0.45 n 武都1079.1 0.25 0.35 0.40 0.05 0.10 0.15 m天水市1141.7 0.20 0.35 0.40 0.15 0.20 0.25 n马宗山1962.7 0.10 0.15 0.20 n敦煌1139.0 0.10 0.15 0.20 n玉门市1526.0 0.15 0.20 0.25 n金塔县鼎新1177 4 0.05 0.10 0.15 n 高台1332.2 0.05 0.10 0.15 n山丹1764.6 0.15 0.20 0.25 n永昌1976.1 0.10 0.15 0.20 n榆中1874.1 0.15 0.20 0.25 n会宁2012.2 0.20 0.30 0.35 n岷县2315.0 0.10 0.15 0.20 n银川市1111.4 0.40 0.65 0.75 0.15 0.20 .25 n惠农1091.0 0.45 0.65 0.70 0.05 0.10 0.10 n陶乐1101.6 0.05 0.10 0.10 n中卫1225.7 0.30 0.45 0.50 0.05 0.10 0.15 n中宁1183.3 0.30 0.35 0.40 0.10 0.15 0.20 n 夏盐池1347.8 0.30 0.40 0.45 0.20 0.30 0.35 n 海源1854.2 0.25 0.30 0.35 0.25 0.40 0.45 n同心1343.9 0.20 0.30 0.35 0.10 0.10 0.15 n固原1753.0 0.25 0.35 0.40 0.30 0.40 0.45 n西吉1916.5 0.20 0.30 0.35 0.15 0.20 0.20 n西宁市2261.2 0.25 0.35 0.40 0.15 0.20 0.25 n茫崖3138.5 0.30 0.40 0.45 0.05 0.10 0.10 n冷湖2733.0 0.40 0.55 0.60 0. 5 0.10 0.10 n 祁连县野牛沟3180.0 0.30 0.40 0.45 0.15 0.20 0.20 n 青祁连2787.4 0.30 0.35 0.40 0.10 0.15 0.15 n 海格尔木市小灶火2767.0 0.30 0.40 0.45 0.05 0.10 0.10 n 大柴旦3173.2 0.30 0.40 0.45 0.10 0.15 0.15 n德令哈市2918.5 0.25 0.35 0.40 0.10 0.15 0.20 n刚察3301 5 0.25 0.35 0.40 0.20 0.25 0.30 n门源2850.0 0.25 0.35 0.40 0.15 0.25 0.30 n格尔木市2807.6 0.30 0.40 0.45 0.10 0.20 0.25 n都兰县诺木洪2790.4 0.35 0.50 0.60 0.05 0.10 0.10 n 都兰3191.1 0.30 0.45 0.55 0.20 0.25 0.30 n 乌兰县茶卡3087.6 0.25 0.35 0.40 0.15 0.20 0.25 n共和县恰2835.0 0.25 0.35 0.40 0.10 0.15 0.15 n贵德2237.1 0.25 0.30 0.35 0.05 0.10 0.10 n民和1813.9 0.20 0.30 0.35 0.10 0.10 0.15 n 唐古拉山五道梁4612.2 0.35 0.45 0.50 0.20 0.25 0.30 n 兴海3323.2 0.25 0.35 0.40 0.15 0.20 0.20 n同德3289.4 0.25 0.30 0.35 0.20 0.30 0.35 n泽库3662.8 0.25 0.30 0.35 0.30 0.40 0.45 n 格尔木市托河4533.1 0.40 0.50 0.55 0.25 0.35 0.40 i 治多4179.0 0.25 0.30 0.35 0.15 0.20 0.25 n杂多4066.4 0.25 0.35 0.40 0.20 0.25 0.30 i曲麻莱4231.2 0.25 0.35 0.40 0.15 0.25 0.30 i玉树368 .2 0.20 0.30 0.35 0.15 0.20 0.25 n玛多4273.3 0.30 0.40 0.45 0.25 0.35 0.40 i 称多县清水河4415.4 0.25 0.30 0.35 0.20 0.25 0.30 i达日县吉迈3967.5 0.25 0.35 0.40 0.20 0.25 0.30 i 河南3500.0 0.25 0.40 0.45 0.20 0.25 0.30 n久治3628.5 0.20 0.30 0.35 0.10 0.20 .30 n班玛3750.0 0.20 0.30 0.35 0.15 0.20 0.25 n昂欠3643.7 0.25 0.30 0.35 0.10 0.20 0.25 n 祁连县托勒3367.0 0.30 0.40 0.45 0.20 0.25 0.30 n玛沁县仁峡姆4211.1 0.30 0.35 0.40 0.15 0.25 0.30 i乌鲁木齐市917.9 0.40 0.60 0.70 0.60 0.80 0.90 i阿勒泰市735.3 0.40 0.70 0.85 0.85 1.25 1.40 i 博乐市阿拉山口284.8 0.95 1.35 1.55 0.20 0.25 0.25 i克拉玛依市427.3 0.65 0.90 1.00 0.20 0.30 0.35 i伊宁市662.5 0.40 0.60 0.70 0.70 1.00 1.15 i 新昭苏1851.0 0.25 0.40 0.45 0.55 0.75 0.85 i 疆乌鲁木齐县达板城1103.5 0.55 0.80 0.90 0.15 0.20 0.2 i 和静县巴音布鲁克2458.0 0.25 0.35 0.40 0.45 0.65 0.75 i 吐鲁番市34.5 0.50 0.85 1.00 0.15 0.20 0.25 n阿克苏市1103.8 0.30 0.45 0.50 0.15 0.25 0.30 n库车1099.0 0.35 0.50 0.60 0.15 0.25 0.30 n库尔勒市931.5 0.30 0.45 0.50 0.15 0.25 0.30 n乌恰2175.7 0.25 0.35 0 40 0.35 0.50 0.60 n 喀什市1288.7 0.35 0.55 0.65 0.30 0.45 0.50 n 阿合市1984.9 0.25 0.35 0.40 0.25 0.35 0.40 n 皮山1375.4 0.20 0.30 0.35 0.15 0.20 0.25 n 和田1374.6 0.25 0.40 0.45 0.10 0.20 0.25 n 民丰1409.3 0.20 0.30 0.35 0.10 0.15 0.15 n 民丰县安的河1262 8 0.20 0.30 0.35 0.05 0.05 0.05 n 于田1422.0 0.20 0.30 0.35 0.10 0.15 0.15 n 哈密737.2 0.40 0.60 0.70 0.15 0.20 0.25 n 哈巴河532.6 0.55 0.75 0.85 i 吉木乃984.1 0.70 1.00 0.15 i 福海500.9 0.30 0.45 0.50 i 富蕴807.5 0.65 0.95 1.05 i 塔城534 9 0.95 1.35 1.55 i 和布克赛尔1291.6 0.25 0.40 0.45 i 青河1218.2 0.55 0.80 0.90 i 托里1077.8 0.55 0.75 0.85 i 北塔山1653.7 0.55 0.65 0.70 i 温泉1354.6 0.35 0.45 0.50 i 精河320.1 0.20 0.30 0.35 i 乌苏478.7 0.40 0.55 0.60 i 石家子442.9 0.50 0.70 0.80 i 蔡家湖440.5 0.40 0.50 0.55 i 奇台793.5 0.55 0.75 0.85 i 巴仑台1752.5 0.20 0.30 0.35 n 七角井0.20 0.30 0.35 n 库米什922.4 0.05 0.10 0.10 n 焉耆1055.8 0.15 0.20 0.25 n 拜城1229.2 0.20 0.30 0.35 n 轮台976.1 0.15 0.25 0.30 n 吐尔格特3504.4 0.35 0.50 0.55 n 巴楚1116.5 0.10 0.15 0.20 n 柯坪1161.8 0.05 0.10 0.15 n 阿拉尔1012.2 0.05 0.10 0.10 n 铁干里克846.0 0.10 0.15 0.15 n 若羌888.3 0.10 0.15 0.20 n 塔吉克3090.9 0.15 0.25 0.30 n莎车1231.2 0.15 0.20 0.25 n 且末1247.5 0.10 0.15 0.20 n红柳河1700.0 0.10 0.15 0.15 n郑州市110.4 0.30 0.45 0.50 0.25 0.40 0.45 n安阳市75.5 0.25 0.45 0.55 0.25 0.40 0.45 n新乡市72.7 0.30 0.40 0.45 0.20 0.30 0.35 n三门峡市410.1 0.25 0.40 0.45 0.15 0.20 0.25 n卢氏568.8 0.20 0.30 0.35 0.20 0.30 0.35 n孟津323.3 0.30 0.45 0.50 0.30 0.40 0.50 n洛阳市137.1 0.25 0.40 0.45 0.25 0.35 0.40 n栾川750.1 0.20 0.30 0.35 0.25 0.40 0.45 n 河许昌市66.8 0.30 0.40 0.45 0.25 0.40 0.45 n 南开封市72.5 0.30 0.45 0.50 0.20 0.30 0.35 n 西峡250.3 0.25 0.35 0.40 0.20 0.30 0.35 n南阳市129.2 0.25 0.35 0.40 0.30 0.45 0.50 n宝丰136.4 0.25 0.35 0.40 0.20 0.30 0.35 n西华52.6 0.25 0.45 0.55 0.30 0.45 0.50 n驻马店市82.7 0.25 0.40 0.45 0.30 0.45 0.50 n信阳市114.5 0.25 0.35 0.55 0.65 0.55 0.65 n商丘市50.1 0.20 0.35 0.45 0.30 0.45 0.50 n固始57.1 0.20 0.35 0.40 0.35 0.50 0.60 n武汉市23.3 0.25 0.35 0.40 0.30 0.50 0.60 n郧县201.9 0.20 0.30 0.35 0.20 0.30 0.35 n房县434.4 0.20 0.30 0.35 0.20 0.30 0.35 m老河口市90.0 0.20 0.30 0.35 0.25 0.35 0.40 n枣阳市125.5 0.25 0.40 0.45 0.25 0.40 0.45 n巴东294.5 0.15 0.30 0.35 0.15 0.20 0.25 m钟祥65.8 0.20 0.35 0.25 0.25 0.35 0.40 n 湖麻城市59.3 0.20 0.35 0.35 0.45 0.35 0.55 n 北恩施市457.1 0.20 0.30 0.35 0.15 0.20 0.25 m 巴东县绿葱坡1819.3 0.30 0.35 0.40 0.55 0.75 0.85 m 五峰县908.4 0.20 0.30 0.35 0.25 0.35 0.40 m宜昌市133.1 0.20 0.30 0.35 0.20 0.30 0.35 m江陵县荆州32.6 0.20 0.30 0.35 0.25 0.40 0.45 n天门市34.1 0.20 0.30 0.35 0.25 0.35 0.45 n来凤459.5 0.20 0.30 0.35 0.15 0.20 0.25 m嘉鱼36.0 0.20 0.35 0.45 0.25 0.35 0.40 m英山123.8 0.20 0.30 0.35 0.25 0.40 0.45 m黄石市19.6 0.25 0.35 0.40 0.25 0.35 0.40 m长沙市44.9 0.25 0.35 0.40 0.30 0.45 0.50 m桑植322.2 0.20 0.30 0.35 0.25 0.35 0.40 m石门116.9 0.25 0.30 0.35 0.25 0.35 0.40 m南县36.0 0.25 0.40 0.50 0.30 0.45 0.50 m岳阳市53.0 0.25 0.40 0.50 0.35 0.55 0.65 m吉首市206.6 0.20 0.30 0.35 0.55 0.30 0.35 m沅陵151.6 0.20 0.30 0.35 0.20 0.35 0.40 m常德市35.0 0.25 0.40 0.50 0.30 0.50 0.60 n安化128.3 0.20 0.30 0.35 0.30 0.45 0.50 n沅江市36.0 0.25 0.40 0.45 0.35 0.55 0.65 m 湖平江106.3 0.20 0.30 0.35 0.25 0.40 0.45 m 南芷江272.2 0.20 0.30 0.35 0.25 0.35 0.45 m 雪峰山1404.9 0.50 0.75 0.85 n邵阳市248.6 0.20 0.30 0.20 0.30 0.30 0.35 m双峰100.0 0.20 0.30 0.35 0.25 0.40 0.45 m南岳1265.9 0.60 0.75 0.85 0.45 0.65 0.75 m通道341.0 0.20 0.30 0.35 0.15 0.25 0.30 m武岗341.0 0.20 0.30 0.35 0.15 0.30 0.35 m零陵172.6 0.25 0.40 0.45 0.15 0.25 0.30 m衡阳市103.2 0.25 0.40 0.45 0.20 0.35 0.40 m道县192.2 0.25 0.35 0.40 0.45 0.20 0.25 m郴州市184.9 0.20 0.30 0.35 0.20 0.30 0.35 m广州市 6.6 0.30 0.50 0.60南雄133.8 0.20 0.30 0.35连县97.6 0.20 0.30 0.35韶关69.3 0.20 0.35 0.45佛岗67.8 0.20 0.30 0.35连平214.5 0.20 0.30 0.35广东梅县87.8 0.20 0.30 0.35力、广宁56.8 0.20 0.30 0.35高要7.1 0.30 0.50 0.60河源40.6 0.20 0.30 0.35惠阳22.4 0.35 0.55 0.60五华120.9 0.20 0.30 0.35汕头市 1.1 0.50 0.80 0.95惠来12.9 0.45 0.75 0.90南澳7.2 0.50 0.80 0.95信宜84.6 0.35 0.60 0.70罗定53.3 0.20 0.30 0.35台山32.7 0.35 0.55 0.65深圳市18.2 0.45 0.75 0.90汕尾 4.6 0.50 0.85 1.00湛江市25.3 0.50 0.85 0.95阳江23.3 0.45 0.70 0.80电白11.8 0.45 0.70 0.80台山县上川岛21.5 0.75 1.05 1.20徐闻67.9 0.45 0.75 0.90南宁市73.1 0.25 0.35 0.40桂林市164.4 0.20 0.30 0.35柳州市96.8 0.20 0.30 0.35蒙山145.7 0.20 0.30 0.35贺山108.8 0.20 0.30 0.35百色市173.5 0.25 0.45 0.55靖西739.4 0.20 0.30 0.35广桂平42.5 0.20 0.30 0.35西梧州市114.8 0.20 0.30 0.35龙州128.8 0.20 0.30 0.35灵山66.0 0.20 0.30 0.35玉林81.8 0.20 0.30 0.35东兴18.2 0.45 0.75 0.90北海市15.3 0.45 0.75 0.90涠州岛55.2 0.70 1.00 1.15海口市14.1 0.45 0.75 0.90东方8.4 0.55 0.85 1.00儋县168.7 0.40 0.70 0.85琼中250.9 0.30 0.45 0.55海琼海24.0 0.50 0.85 1.05南三亚市 5.5 0.50 0.85 1.05陵水13.9 0.50 0.85 1.05西沙岛 4.7 1.05 1.80 2.20珊瑚岛 4.0 0.70 1.10 1.30四成都市506.1 0.20 0.30 0.35 0.10 0.10 0.15山石渠4200.0 0.25 0.30 0.35 0.30 0.45 0.50 n 若尔盖3439.6 0.25 0.30 0.35 0.30 0.40 0.45 n 甘孜3393.5 0.35 0.45 0.50 0.25 0.40 0.45 n 都江堰市706.7 0.20 0.35 0.35 0.15 0.25 0.30 m 绵阳市470.8 0.20 0.30 0.35雅安市627.6 0.20 0.30 0.35 0.10 0.20 0.20 m 资阳357.0 0.20 0.30 0.35康定2615.7 0.30 0.35 0.40 0.30 0.50 0.55 n 汉源795.9 0.20 0.30 0.35九龙2987.3 0.20 0.30 0.35 0.15 0.20 0.20 m 越西1659.0 0.25 0.30 0.35 0.15 0.20 0.20 m 昭觉2132.4 0.25 0.30 0.35 0.25 0.35 0.40 m 雷波1474.9 0.20 0.30 0.35 0.20 0.30 0.35 m 宜宾市340.8 0.20 0.30 0.35盐源2545.0 0.20 0.30 0.35 0.20 0.30 0.35 m 西昌市1590.9 0.20 0.30 0.35 0.20 0.30 0.35 m 会理1787.1 0.20 0.30 0.35万源674.0 0.20 0.30 0.35 0.50 0.10 0.15 m 阆中382.6 0.20 0.30 0.35巴中358.9 0.20 0.30 0.35达县市310.4 0.20 0.35 0.45奉节607.3 0.25 0.35 0.40 0.20 0.35 0.40 m 遂宁市278.2 0.20 0.30 0.35南充市309.3 0.20 0.30 0.35梁平454.6 0.20 0.30 0.35万县市186.7 0.15 0.30 0.35内江市347.1 0.25 0.40 0.50涪陵市273.5 0.20 0.30 0.35泸州市334.8 0.20 0.30 0.35叙永377.5 0.20 0.30 0.35德格3201.2 0.15 0.20 0.25 n 色达3893.9 0.30 0.40 0.45 n 道孚2957.2 0.15 0.20 0.25 n 阿坝3275.1 0.25 0.40 0.45 n 马尔康2664.4 0.15 0.25 0.30 n 红原3491.6 0.25 0.40 0.45 n 小金2369.2 0.10 0.15 0.15 n松潘2850.7 0.20 0.30 0.35 n新龙3000.0 0.10 0.15 0.15 n理塘3948.9 0.35 0.50 0.60 n稻城3727.7 0.20 0.30 0.35 m峨眉山3047.4 0.40 0.50 0.55 n金佛山1905.9 0.35 0.50 0.60 n贵阳市1074.3 0.20 0.30 0.35 0.10 0.20 0.25 m威宁2237.5 0.25 0.35 0.40 0.25 0.35 0.40 m盘县151.2 0.25 0.35 0.40 0.25 0.35 0.45 m桐梓972.0 0.20 0.30 0.35 0.10 0.15 0.20 m习水1180.2 0.20 0.30 0.35 0.15 0.20 0.25 m毕节1510.6 0.20 0.30 0.35 0.15 0.25 0.30 m遵义市843.9 0.20 0.30 0.35 0.10 0.15 0.20 m湄潭791.8 0.15 0.20 0.25 m 贵思南416.3 0.20 0.30 0.35 0.10 0.20 0.25 m 州铜仁279.7 0.20 0.30 0.35 0.20 0.30 0.35 m 黪西1251.8 0.15 0.20 0.25 m安顺市1392.9 0.20 0.30 0.35 0.20 0.30 0.35 m凯里市720.3 0.20 0.30 0.35 0.15 0.20 0.25 m三穗610.5 0.20 0.30 0.35 m兴仁1378.5 0.20 0.30 0.35 0.20 0.35 0.40 m罗甸440.3 0.20 0.30 0.35独山1013.3 0.20 0.30 0.35 m榕江285.7 0.10 0.15 0.20 m昆明市1891.4 0.20 0.30 0.35 0.20 0.30 0.35 m德钦3485.0 0.25 0.35 0.40 0.60 0.90 1.05 n贡山1591.3 0.20 0.30 0.35 0.50 0.85 1.00 n中甸3276.1 0.20 0.30 0.35 0.50 0.80 0.90 n维西2325.6 0.20 0.30 0.35 0.40 0.55 0.65 m昭通市1949.5 0.25 0.35 0.40 0.15 0.25 0.30 m 云丽江2393.2 0.25 0.30 0.35 0.20 0.30 0.35 m 南华坪1244.8 0.25 0.35 0.40会泽2109.5 0.25 0.35 0.40 0.25 0.35 0.40 m腾冲1654.6 0.20 0.30 0.35泸水1804.9 0.20 0.30 0.35保山市1653.5 0.20 0.30 0.35大理市1990.5 0.45 0.65 0.75元谋1120.2 0.25 0.35 0.40楚雄市1772.0 0.20 0.35 0.40曲靖市沾益1898.7 0.25 0.30 0.35 0.25 0.40 0.45 m 瑞丽776.6 0.20 0.30 0.35景东1162.3 0.20 0.30 0.35玉溪1636.7 0.20 0.30 0.35宜良1532.1 0.25 0.40 0.50泸西1704.3 0.25 0.30 0.35孟定511.4 0.25 0.40 0.45临沧1502.4 0.20 0.30 0.35澜沧1054.8 0.20 0.30 0.35景洪552.7 0.20 0.40 0.50思茅1302.1 0.25 0.45 0.55元江400.9 0.25 0.30 0.35勐腊631.9 0.20 0.30 0.35江城1119.5 0.20 0.40 0.50蒙自1300.7 0.25 0.30 0.35屏边1414.1 0.20 0.30 0.35文山1271.6 0.20 0.30 0.35广南1249.6 0.25 0.35 0.40拉萨市3658.0 0.20 0.30 0.35 0.10 0.15 0.15 m班戈4700.0 0.35 0.55 0.65 0.20 0.25 0.30 i安多4800.0 0.45 0.75 0.90 0.20 0.30 0.35 i那曲4507.0 0.30 0.45 0.50 0.30 0.40 0.45 i日喀则市3836.0 0.20 0.30 0.35 0.10 0.15 0.15 m乃东县泽当3551.7 0.20 0.30 0.35 0.10 0.15 0.15 m 隆子3860.0 0.30 0.45 0.50 0.10 0.15 0.20 m索县4022.8 0.25 0.40 0.45 0.20 0.25 0.30 i 西昌都3306.0 0.20 0.30 0.35 0.15 0.20 0.20 n 藏林芝3000.0 0.25 0.35 0.40 0.10 0.15 0.15 m葛尔4278.0 0.10 0.15 0.15 i改则4414.9 0.20 0.30 0.35 i普兰3900.0 0.50 0.70 0.80 i申扎4672.0 0.15 0.20 0.20 i当雄4200.0 0.25 0.35 0.40 n尼木3809.4 0.15 0.20 0.25 m聂拉木3810.0 1.85 2.90 3.35 i定日4300.0 0.15 0.25 0.30 n江孜4040.0 0.10 0.10 0.15 m错那4280.0 0.50 0.70 0.80 m帕里4300.0 0.50 0.70 0.80 n丁青3873.1 0.25 0.35 0.40 n波密2736.0 0.25 0.35 0.40 m察隅2327.6 0.35 0.55 0.65 m台北8.0 0.40 0.70 0.85新竹8.0 0.50 0.80 0.95宜兰9.0 1.10 1.85 2.30台中78.0 0.50 0.80 0.90花莲14.0 0.40 0.70 0.85台嘉义20.0 0.50 0.80 0.95湾马公22.0 0.85 1.30 1.55冈山10.0 0.55 0.80 0.95台东10.0 0.65 0.90 1.05恒春24.0 0.70 1.05 1.20阿里山2406.0 0.25 0.35 0.40台南14.0 0.60 0.85 1.00香香港50.0 0.80 0.90 0.95港横澜岛55.0 0.95 1.25 1.40澳门57.0 0.75 0.8。
全国各城市的雪压和风压值(河南,湖北,湖南,广西,海南) 雪荷载准永久值22) 雪压(kN/m) 风压(kN/m省市海拔高度系数分区城市名名 (m) n=10 n=50 n=100 n=10 n=50 n=100 110.4 0.3 0.45 0.5 0.25 0.4 0.45 郑州市 ? 75.5 0.25 0.45 0.55 0.25 0.4 0.45 安阳市 ? 72.7 0.3 0.4 0.45 0.2 0.3 0.35 新乡市 ? 410.1 0.25 0.4 0.45 0.15 0.2 0.25 三门峡市 ? 568.8 0.2 0.3 0.35 0.2 0.3 0.35 卢氏 ? 323.3 0.3 0.45 0.5 0.3 0.4 0.5 孟津 ? 137.1 0.25 0.4 0.45 0.25 0.35 0.4 洛阳市 ? 750.1 0.2 0.3 0.35 0.25 0.4 0.45 栾川 ? 66.8 0.3 0.4 0.45 0.25 0.4 0.45 许昌市 ? 河南 72.5 0.3 0.45 0.5 0.2 0.3 0.35 开封市 ? 250.3 0.25 0.35 0.4 0.2 0.3 0.35 西峡 ? 129.2 0.25 0.35 0.4 0.3 0.45 0.5 南阳市 ? 136.4 0.250.35 0.4 0.2 0.3 0.35 宝丰 ? 52.6 0.25 0.45 0.55 0.3 0.45 0.5 西华 ? 82.7 0.25 0.4 0.45 0.3 0.45 0.5 驻马店市 ? 114.5 0.25 0.35 0.55 0.650.55 0.65 信阳市 ? 50.1 0.2 0.35 0.45 0.3 0.45 0.5 商丘市 ? 57.1 0.20.35 0.4 0.35 0.5 0.6 固始 ? 23.3 0.25 0.35 0.4 0.3 0.5 0.6 武汉市 ? 201.9 0.2 0.3 0.35 0.2 0.3 0.35 郧县 ? 434.4 0.2 0.3 0.35 0.2 0.3 0.35 房县 ? 90 0.2 0.3 0.35 0.25 0.35 0.4 老河口市 ? 125.5 0.25 0.4 0.45 0.25 0.4 0.45 枣阳市 ? 294.5 0.15 0.3 0.35 0.15 0.2 0.25 巴东 ? 65.8 0.2 0.35 0.25 0.25 0.35 0.4 钟祥 ? 59.3 0.2 0.35 0.35 0.45 0.35 0.55 麻城市 ? 457.1 0.2 0.3 0.35 0.15 0.2 0.25 恩施市 ?湖巴东县绿1819.3 0.3 0.35 0.4 0.55 0.75 0.85 ? 北葱坡908.4 0.2 0.3 0.35 0.25 0.35 0.4 五峰县 ? 133.1 0.2 0.3 0.35 0.2 0.3 0.35 宜昌市 ?江陵县荆32.6 0.2 0.3 0.35 0.25 0.4 0.45 ? 州34.1 0.2 0.3 0.35 0.25 0.35 0.45 天门市 ? 459.5 0.2 0.3 0.35 0.150.2 0.25 来凤 ? 36 0.2 0.35 0.45 0.25 0.35 0.4 嘉鱼 ? 123.8 0.2 0.3 0.35 0.25 0.4 0.45 英山 ? 19.6 0.25 0.35 0.4 0.25 0.35 0.4 黄石市 ?44.9 0.25 0.35 0.4 0.3 0.45 0.5 长沙市 ? 322.2 0.2 0.3 0.35 0.250.35 0.4 桑植 ? 116.9 0.25 0.3 0.35 0.25 0.35 0.4 石门 ? 36 0.25 0.4 0.5 0.3 0.45 0.5 南县 ? 53 0.25 0.4 0.5 0.35 0.55 0.65 岳阳市 ? 206.6 0.2 0.3 0.35 0.55 0.3 0.35 吉首市 ? 151.6 0.2 0.3 0.35 0.2 0.35 0.4 沅陵 ?35 0.25 0.4 0.5 0.3 0.5 0.6 常德市 ? 128.3 0.2 0.3 0.35 0.3 0.45 0.5 安化 ? 36 0.25 0.4 0.45 0.35 0.55 0.65 沅江市 ? 106.3 0.2 0.3 0.35 0.25 0.4 0.45 平江 ? 湖南 272.2 0.2 0.3 0.35 0.25 0.35 0.45 芷江 ? 1404.9 0.5 0.75 0.85 雪峰山 ? 248.6 0.2 0.3 0.2 0.3 0.3 0.35 邵阳市 ? 100 0.2 0.3 0.35 0.25 0.4 0.45 双峰 ? 1265.9 0.6 0.75 0.85 0.45 0.65 0.75 南岳 ? 341 0.2 0.3 0.35 0.15 0.25 0.3 通道 ? 341 0.2 0.3 0.35 0.15 0.3 0.35 武岗 ? 172.6 0.25 0.4 0.45 0.15 0.25 0.3 零陵 ? 103.2 0.25 0.4 0.45 0.2 0.35 0.4 衡阳市 ? 192.2 0.25 0.35 0.4 0.45 0.2 0.25 道县 ? 184.9 0.2 0.3 0.35 0.2 0.3 0.35 郴州市 ? 6.6 0.3 0.5 0.6 广州市133.8 0.2 0.3 0.35 南雄97.6 0.2 0.3 0.35 连县69.3 0.2 0.35 0.45 韶关67.8 0.2 0.3 0.35 佛岗214.5 0.2 0.3 0.35 连平87.8 0.2 0.3 0.35 梅县56.8 0.2 0.3 0.35 广宁7.1 0.3 0.5 0.6 高要40.6 0.2 0.3 0.35 河源广东 22.4 0.35 0.55 0.6 惠阳120.9 0.2 0.3 0.35 五华1.1 0.5 0.8 0.95 汕头市12.9 0.45 0.75 0.9 惠来7.2 0.5 0.8 0.95 南澳84.6 0.35 0.6 0.7 信宜53.3 0.2 0.3 0.35 罗定32.7 0.35 0.55 0.65 台山18.2 0.45 0.75 0.9 深圳市4.6 0.5 0.85 1 汕尾25.3 0.5 0.85 0.95 湛江市23.3 0.45 0.7 0.8 阳江11.8 0.45 0.7 0.8 电白台山县上21.5 0.75 1.05 1.2 川岛67.9 0.45 0.75 0.9 徐闻73.1 0.25 0.35 0.4 南宁市164.4 0.2 0.3 0.35 桂林市96.8 0.2 0.3 0.35 柳州市145.7 0.2 0.3 0.35 蒙山108.8 0.2 0.3 0.35 贺山173.5 0.25 0.45 0.55 百色市739.4 0.2 0.3 0.35 靖西广 42.5 0.2 0.3 0.35 桂平西 114.8 0.2 0.3 0.35 梧州市128.8 0.2 0.3 0.35 龙州66 0.2 0.3 0.35 灵山81.8 0.2 0.3 0.35 玉林18.2 0.45 0.75 0.9 东兴15.3 0.45 0.75 0.9 北海市55.2 0.7 1 1.15 涠州岛14.1 0.45 0.75 0.9 海口市8.4 0.55 0.85 1 东方168.7 0.4 0.7 0.85 儋县250.9 0.3 0.45 0.55 琼中海 24 0.5 0.85 1.05 琼海南 5.5 0.5 0.85 1.05 三亚市13.9 0.5 0.85 1.05 陵水4.7 1.05 1.8 2.2 西沙岛4 0.7 1.1 1.3 珊瑚岛。