磷酸铁锂电池与铅酸电池比较
- 格式:docx
- 大小:12.95 KB
- 文档页数:2
阀控式密封铅酸蓄电池和磷酸铁锂蓄电池对比分析随着节能环保的提出,电动汽车和储能系统需求逐渐增加,而蓄电池被广泛应用于这些领域。
目前,密封铅酸蓄电池和磷酸铁锂蓄电池是应用最为广泛、性能稳定的两种蓄电池,本文将进行对比分析。
首先看密封铅酸蓄电池,该电池具有高能量密度、低自放电率、使用寿命长等优点。
密封铅酸蓄电池的负极为铅,正极为导板和铅二氧化物,电解液为硫酸溶液。
该电池具有自行充电防止充电、充满后自动浮充等功能性设计。
同时,其价格相对较为低廉,充电电压较大,充电效率高。
但是,密封铅酸蓄电池也有缺点,如腐蚀性强、体积庞大且重量较大、使用过程中会产生气体等。
此外,密封铅酸蓄电池的环保效果也不佳,较难回收。
然而,磷酸铁锂蓄电池的问世,则对密封铅酸蓄电池造成了很大的冲击。
磷酸铁锂蓄电池是目前应用最为广泛的锂离子电池之一,具有比密封铅酸蓄电池更高的放电深度、维护简单、充电效率高、重量轻等优点。
磷酸铁锂电池的正极材料是LiFePO4,在相同容量的比较下,磷酸铁锂蓄电池相比于密封铅酸蓄电池,能量密度更高,使用寿命更长。
同时,磷酸铁锂蓄电池还能持续输出较高的电流,适合用于高功率需求的设备。
此外,磷酸铁锂蓄电池的环保效果好,易于回收。
虽然磷酸铁锂蓄电池具有这么多的优点,但是它也有一些缺点。
首先,其成本相对密封铅酸蓄电池较高,加上其充电电压小、充电速度较慢,导致充电效率低。
其次,在质量、成本、性能、环境适应性等方面都需要更多地优化和改进。
因此,总体上来说,磷酸铁锂蓄电池相较于密封铅酸蓄电池有更多的优势,尤其适用于一些高功率、长寿命、环保要求较高的场合。
但是,密封铅酸蓄电池在某些特定的应用领域上,如汽车启动、建筑物备用电源等方面,仍然是一种可靠的选择。
磷酸铁锂电池和铅酸电池的优势差别有什么1.循环寿命:磷酸铁锂电池相对于铅酸电池具有更长的循环寿命。
铅酸电池的循环寿命通常为300-500次,而磷酸铁锂电池的循环寿命可达2000次以上。
这使得磷酸铁锂电池在长时间使用和高频率充放电的应用中更具显著的优势,如电动车、储能系统等。
2.安全性:磷酸铁锂电池相对于铅酸电池更安全可靠。
磷酸铁锂电池不含有重金属,具有较低的自热性和较高的热分解温度,因此在高温、短路等极端条件下更不易发生爆炸和火灾。
而铅酸电池存在明显的自热性和易燃性,对环境和人体健康造成更大的风险。
3.能量密度:磷酸铁锂电池具有较高的能量密度。
相同体积的磷酸铁锂电池和铅酸电池相比,前者具有更高的储能能力。
这使得磷酸铁锂电池在体积和重量受限的应用场景下表现更出色,如移动电子设备。
4.无记忆效应:磷酸铁锂电池没有记忆效应,可以随时进行充电,而铅酸电池存在记忆效应,在未完全放空充电的情况下,容易出现“记忆效应”导致电池容量的下降。
这使得磷酸铁锂电池使用起来更加方便灵活,无需担心充电的时机和充放电的频率。
5.快速充电:相对于一般铅酸电池而言,磷酸铁锂电池具有更好的快速充电性能。
磷酸铁锂电池可以在相对较短的时间内快速充满,而铅酸电池则需要较长的时间才能完成充电。
这使得磷酸铁锂电池在电动车等需要频繁充电的应用中更具有竞争力。
总结起来,磷酸铁锂电池相对于铅酸电池具有循环寿命长、安全可靠、能量密度高、无记忆效应和快速充电等优势。
然而,铅酸电池在成本和可靠性方面仍然具有一定的优势,并且在特定的应用场景下仍然被广泛采用。
因此,在选择电池技术时,需要综合考虑其性能、应用要求、成本和环境影响等因素。
阀控式密封铅酸蓄电池和磷酸铁锂蓄电池对比分析阀控式密封铅酸蓄电池和磷酸铁锂蓄电池是两种常见的蓄电池类型,它们都有自己的优势和特点。
本文将从电池原理、性能特点、安全性、环保性和应用领域等方面对这两种蓄电池进行对比分析,帮助大家更好地了解这两种蓄电池,并选择适合自己需求的产品。
一、电池原理阀控式密封铅酸蓄电池是一种铅酸蓄电池,它使用硫酸和铅作为电解液,通过化学反应来产生电能。
它采用阀控技术,可以在正常使用状态下将电解液将气体和水分分离,保持电池内部压力恒定,避免了电解液泄漏的问题。
磷酸铁锂蓄电池是一种锂离子电池,它采用锂铁磷酸盐作为正极材料,通过锂离子在正负极之间的往复迁移来储存和释放电能。
相比于铅酸蓄电池,锂离子电池具有更高的能量密度和更长的循环寿命。
二、性能特点1. 能量密度:磷酸铁锂电池的能量密度通常高于铅酸蓄电池,因此在同样体积和重量下,锂离子电池可以存储更多的电能。
2. 循环寿命:磷酸铁锂电池的循环寿命通常高于铅酸蓄电池,可以经受更多次的充放电循环,因此更适合长周期使用场景。
3. 充放电效率:锂离子电池的充放电效率通常高于铅酸蓄电池,能够更快地完成充电和放电过程。
4. 自放电率:磷酸铁锂电池的自放电率通常低于铅酸蓄电池,可以在长时间不使用时保持较高的电荷状态。
三、安全性铅酸蓄电池由于使用硫酸和铅等有毒物质,一旦损坏可能会造成严重的环境污染,并且可能产生可燃气体导致爆炸。
而磷酸铁锂电池采用无毒无害的材料,安全性更高,可以更好地满足环保要求。
四、环保性磷酸铁锂电池采用无毒无害材料,更符合环保要求;而铅酸蓄电池在生产和处理过程中可能会产生大量的废弃物和有害物质,对环境造成较大的影响。
五、应用领域铅酸蓄电池由于成本低廉、使用成熟,广泛应用于汽车、UPS电源、太阳能储能系统等领域;而磷酸铁锂电池由于能量密度高、循环寿命长、安全可靠,逐渐在电动汽车、储能系统等高端领域得到应用。
阀控式密封铅酸蓄电池和磷酸铁锂蓄电池各有优势,适用于不同的应用场景。
阀控式密封铅酸蓄电池和磷酸铁锂蓄电池对比分析随着新能源汽车的兴起,蓄电池技术的发展也得到了极大的重视。
目前市场上,阀控式密封铅酸蓄电池和磷酸铁锂蓄电池成为了主流选择。
本文将对这两种蓄电池进行对比分析。
一、电池性能对比(1)容量磷酸铁锂蓄电池的容量通常高于铅酸蓄电池,现在磷酸铁锂电池的容量一般达到了100Ah左右。
而铅酸蓄电池的容量则相对较小,一般在30Ah左右。
(2)充放电效率磷酸铁锂电池的充放电效率高于铅酸蓄电池,在使用中能够更高效地转化储存的电能。
同时,它能够在相对较高的电量下实现高效运行,具有比较长的使用寿命。
而铅酸蓄电池则需要更高的电量来实现相同的效果。
(3)循环寿命磷酸铁锂电池的循环寿命要比铅酸蓄电池长,能够进行更多次的充放电循环。
磷酸铁锂电池能够在较长时间中恒定地保持其初始容量,这可能要比铅酸蓄电池更经济、更实用。
而铅酸蓄电池则需要经常进行维护,以保持其循环寿命。
阀控式密封铅酸蓄电池采用了特殊的设计,能够有效地防止蓄电池的电解液泄漏。
这样能够保证使用过程中不会对人体带来损伤。
同时,铅酸蓄电池也能够避免过充和过放电的危险,从而保证了电池的稳定性能。
磷酸铁锂蓄电池则采用了更加安全的材料和技术,不会出现燃爆等严重事故。
同时,还具有快速充电能力,能够在相对短的时间内完成充电。
这一点也是铅酸蓄电池不具备的特点。
阀控式密封铅酸蓄电池在生产过程中存在着较大的污染,同时蓄电池的报废处理也会对环境造成影响。
而磷酸铁锂电池使用的是环保材料,不会对环境造成污染。
同时,在报废处理上也可以进行有效的回收。
四、成本对比阀控式密封铅酸蓄电池相对于磷酸铁锂电池来说,在成本上有一定的优势。
铅酸蓄电池的成本相对较低,能够适应大规模的生产和应用。
而磷酸铁锂电池则在成本上较高,因此需要更多的投入。
五、总结阀控式密封铅酸蓄电池和磷酸铁锂电池各有优劣,选择适用的电池需要综合考虑使用场景、设备功率、安全需求、维护成本等多个因素。
阀控式密封铅酸蓄电池和磷酸铁锂蓄电池对比分析
阀控式密封铅酸蓄电池和磷酸铁锂蓄电池是目前常用的两种蓄电池类型。
本文将对它
们的特性、优缺点等进行比较分析。
阀控式密封铅酸蓄电池,也称为VRLA蓄电池,具有以下特点:
1. 密封性能好:阀门设计使得蓄电池内部气体不能外泄,从而保持了蓄电池的密封
性能,无需定期加水。
2. 维护简单:阀控式密封铅酸蓄电池无需定期加水,减少了维护工作的频率,降低
了维护成本。
3. 堆叠安全:阀控式密封铅酸蓄电池采用了阀门设计,能够有效控制内部气体的压力,防止堆叠过程中因气压升高导致的安全事故。
4. 充放电效率高:阀控式密封铅酸蓄电池具有较高的充放电效率,能够更好地满足
电力系统对能量的需求。
而磷酸铁锂蓄电池的特点如下:
1. 寿命长:磷酸铁锂蓄电池的循环寿命可达到2000-5000次,相比之下,阀控式密封铅酸蓄电池的寿命较短。
2. 安全性高:磷酸铁锂蓄电池具有较高的安全性,不会发生过热、燃烧等危险情况,因此被广泛应用于电动汽车和储能系统等领域。
3. 能量密度较高:磷酸铁锂蓄电池的能量密度较高,相对于铅酸蓄电池来说,可以
达到更小的体积和更大的容量。
4. 充电速度快:磷酸铁锂蓄电池充电速度快,可在短时间内充满电,便于快速充电
需求的场景。
阀控式密封铅酸蓄电池和磷酸铁锂蓄电池在使用特性上存在差异。
阀控式密封铅酸蓄
电池具有维护简单、堆叠安全等优点,适用于一些对安全要求较高的应用场景;而磷酸铁
锂蓄电池则具备较高的寿命、安全性高等特点,适用于对性能要求较高的场景。
在实际选
择中,需根据具体应用需求来做出合适的选择。
阀控式密封铅酸蓄电池和磷酸铁锂蓄电池对比分析一、阀控式密封铅酸蓄电池阀控式密封铅酸蓄电池是一种常见的蓄电池,广泛应用于UPS系统、太阳能发电、通信设备等领域。
它的主要特点包括自放电率低、适用温度范围广、成本较低等。
而且,铅酸蓄电池具有较好的循环寿命,一般可以达到300-500次循环充放电,同时具有较好的抗过充和过放保护能力,可靠性较高。
不过,阀控式密封铅酸蓄电池也存在一些缺点,包括能量密度低、环境适应性差等。
铅酸蓄电池的自放电率较高,需要定期充电以保持电池运行状态,维护成本较高。
阀控式密封铅酸蓄电池在价格和性能上较为平衡,适用于对成本要求较高的应用场景。
二、磷酸铁锂蓄电池磷酸铁锂蓄电池是近年来逐渐兴起的新型蓄电池,由于其优异的性能和环保特点,被广泛应用于电动车、储能系统等领域。
相比于铅酸蓄电池,磷酸铁锂蓄电池具有能量密度高、循环寿命长、安全性能好等优势。
磷酸铁锂蓄电池的自放电率低,适应性强,可以在-20℃至60℃的温度范围内正常工作,适合在极端环境条件下使用。
磷酸铁锂蓄电池也存在一些问题,比如价格较高、成本较高等。
而且,磷酸铁锂蓄电池的放电平台较陡,需要专门设计电池管理系统来控制放电过程,增加了系统设计和成本。
磷酸铁锂蓄电池在应用场景选择上需要考虑成本和性能的平衡。
三、对比分析2. 成本对比在成本方面,阀控式密封铅酸蓄电池明显优于磷酸铁锂蓄电池。
铅酸蓄电池的价格较低,适用于对成本要求较高的应用场景。
而磷酸铁锂蓄电池的价格较高,成本也较高,适用于对性能要求较高的应用场景。
3. 环保对比在环保方面,磷酸铁锂蓄电池明显优于阀控式密封铅酸蓄电池。
磷酸铁锂蓄电池不含重金属和稀土元素,具有很好的环保性能;而阀控式密封铅酸蓄电池的环保性能较差,需要做好废旧电池的回收和处理工作。
磷酸铁锂蓄电池在性能上表现优异,适合对性能要求较高的领域,如电动车、储能系统等;而阀控式密封铅酸蓄电池在价格和成本上更具优势,适合对成本要求较高的领域,如UPS系统、通信设备等。
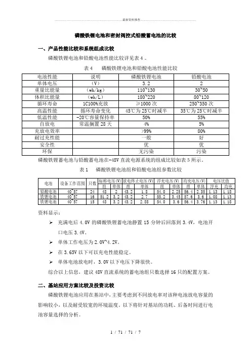
磷酸铁锂电池和密封阀控式铅酸蓄电池的比较一、产品性能比较和系统组成比较磷酸铁锂电池和铅酸电池性能比较详见表4。
表4磷酸铁锂电池和铅酸电池性能比较磷酸铁锂蓄电池与铅酸蓄电池在-48V直流电源系统的组成比较如表5所示。
表1 磷酸铁锂电池组和铅酸电池组参数比较资料显示:➢充满电后4.0V的磷酸铁锂蓄电池静置15分钟后回落到3.4V,电池开口电压3.4V。
➢单体工作电压为2.0V~4.2V。
➢在3.65V以下可以充电性能稳定。
➢单体电池放电时,3.0V以下电压下降很快。
综合以上信息,建议48V直流系统的蓄电池组只数选择16只的配置方案。
二、基站应用方案比较及投资比较磷酸铁锂电池应用在基站中,主要考虑到不同放电率对该种电池放电容量的影响较小,以及耐受较宽的环境温度。
以下将针对基站的功耗、后备时间进行电池容量选择的分析。
基站可分为如下两种:(1)宏基站和室内分布信源站GSM宏基站的功率可按 3.5A/载频计算,分为乡镇(4/4/4)46A、市区(12/12/12)130A、特大密集市区(15/15/15)160A。
TD宏基站的功率分为单频段站(含1个BBU和3个RRU)1200W 25A、双频段站(1个BBU和6个RRU)2100W 44A,其中1个BBU300W,1个RRU300W。
室内分布信源站的功率分为单频段站(含1个BBU和5个RRU)1000W 21A、双频段站(1个BBU和10个RRU)1400W 29A、三频段站(1个BBU和15个RRU)2100W 44A,其中1个BBU600W,1个RRU80W。
宏基站和室内分布信源站的蓄电池后备时间为:市区3h,乡镇5h,山区7h。
(2)室内分布的RRU室内分布的RRU,可包括1个或多个RRU,单个RRU耗电量80W 1.67A,需电池后备时间4小时。
根据计算,采用铅酸蓄电池的配置如下:受磷酸铁锂蓄电池的产品类型所限,目前比较成熟的为50Ah、100Ah、150Ah、200Ah。
磷酸铁锂电池:
1、耐用性:磷酸铁锂电池耐用性较强,消耗慢,充放超过1000次,并且无记忆,一般寿命在5-8年。
2、放电倍率:磷酸铁锂电池可大电流放电,适合适用于太阳能路灯、电动汽车、电动自行车等。
2、体积、质量方面:锂电池体积相对较小。
3、电池容量:同等体积内锂电池的容量要比铅酸电池大。
铅酸电池容量为20安左右;锂电池容量为8-10安。
4、无记忆效应:磷酸铁锂电池无论处于什么状态,可随充随用,无须先放完再充电。
3、单体标称电压:磷酸铁锂电单体标称电压:3.6V。
6、环保:锂材料无任何有毒有害物质,被世界认为绿色环保电池,该电池无论在生产及使用中均无污染,成为广为关注研究的热点。
7、安全性:磷酸铁锂已经过严格的安全测试即使在最恶劣的交通事故中也不会产生爆炸,表现出更高的安全性能。
铅酸电池
1、铅酸电池一般深充深放电300次以内,有记忆,寿命在两年左右。
并且铅酸电池内有液体,消耗一段时间后,如果发现电池发烫或者充电时间变短,就需要补充液体。
2、一般铅酸电池重量是16-30公斤,体积较大;
3、铅酸蓄电池中存在着大量的铅,在废弃后若处理不当,将对环境产生污染在生产过程中存在污染。
4、铅酸电池单体标称电压:2.0V,一块普通的铅酸电池电压常为12V。
附:磷酸铁锂电池与铅酸电池比较。
磷酸铁锂电池和铅酸电池的优势差别有什
么?
磷酸铁锂离子电池比较铅酸电池的优势1、容量大单体可做成5Ah-1000Ah,而铅酸电池2V单体通常是100Ah-150Ah,变化区间小;2、重量轻同等容量的磷酸铁锂离子电池体积是铅酸电池体积的2/3,重量是后者的1/3;3、快充能量强磷酸铁锂离子电池启动电流可达2C,实现大倍率充电,铅酸电池的电流一般要求是在0.1-0.2C,无法达成快充性能;4、环保性铅酸电池存在大量的重金属铅,铅出现废液,而磷酸铁锂离子电池不含有任何重金属,在生产使用中均无污染;5、性价比高虽然铅酸电池因其材料便宜购置费要比磷酸铁锂离子电池低,但在使用寿命和日常维护上经济性低于磷酸铁锂离子电池,磷酸铁锂离子电池的性价比是铅酸电池的4倍以上;6、寿命长磷酸铁锂离子电池的寿命高达2000次以上,铅酸电池的寿命只有300-500次左右。
磷酸铁锂离子电池从安全性上讲高低温对电池的安全性是有很大影响的,低温性能在低温环境下锂离子电池的容量会急剧降低电池内阻增大,电池充放电时负极材料折出形成了锂枝晶。
随着在低温下循环次数的不断新增,锂枝晶的范围不断扩大,使电池发生内部短路现象导致电芯熔化电池着火和爆炸等安全问题。
高温环境下高于55度时锂离子电池的容量衰减速度非常快,锂离子电池实际上并不是在所有的高温情况下都是耐适用的,超过55度电池内部温度大于90度固体电解质发生分解加速了化学反应会导致电池热失控发生,因此铁锂离子电池在高低温的环境当中是要有适用的温度范围的。
磷酸铁锂和铅酸电池能量密度【摘要】磷酸铁锂和铅酸电池的能量密度在电池技术中扮演着重要的角色。
本文通过对磷酸铁锂电池能量密度特点、铅酸电池能量密度特点的比较分析,揭示了两者在能量密度方面的优劣。
磷酸铁锂电池在能量密度上具有明显的优势,而铅酸电池则相对劣势明显。
未来,磷酸铁锂电池有望在能量密度方面取得更大突破,而铅酸电池需要不断创新以提高能量密度。
研究磷酸铁锂和铅酸电池的能量密度,可以为未来电池技术的发展提供重要参考,促进绿色能源的应用和推广。
【关键词】磷酸铁锂,铅酸,电池,能量密度,特点,优势,劣势,比较,展望1. 引言1.1 磷酸铁锂和铅酸电池能量密度的重要性磷酸铁锂和铅酸电池是目前主流的电池类型,它们在能量密度方面的重要性不言而喻。
能量密度是衡量电池性能的重要指标之一,它指的是单位体积或单位质量电池所能存储的能量。
对于电动车、移动设备和储能系统等领域来说,高能量密度的电池意味着更长的续航里程、更轻便的设备和更高效的能源利用。
磷酸铁锂电池以其高能量密度而备受关注,相较于铅酸电池,它具有更高的比能量和更长的循环寿命,能够满足现代社会对于高性能电池的需求。
而铅酸电池虽然成本较低,但能量密度相对较低,循环寿命也不如磷酸铁锂电池。
研究提升磷酸铁锂和铅酸电池的能量密度,不仅可以提高电池的使用效率和航行续航能力,还有助于推动清洁能源的发展。
在未来,随着科技的不断进步和创新,相信磷酸铁锂和铅酸电池会迎来更大的突破,为环境保护和可持续发展做出更大的贡献。
2. 正文2.1 磷酸铁锂电池能量密度的特点磷酸铁锂电池是一种新型的锂离子电池,在能量密度方面具有一些独特的特点。
磷酸铁锂电池具有相对较高的能量密度,能够在相对较小的体积和重量下存储更多的能量,这使得它在电动汽车和便携设备等领域具有广泛的应用前景。
磷酸铁锂电池具有较长的循环寿命,能够经受更多次的充放电循环而不会出现明显的性能衰减。
这一特点使得磷酸铁锂电池在需要长期稳定使用的场合中表现出色。
铅酸电池和磷酸铁锂电池包谁的安全性更强铅酸电池应用范围和技术方面相较于锂电池包要更广泛更成熟一些。
但铅酸电池本身相较于锂电池包在材料的构成和使用的过程中,安全性还是要低不少。
铅酸电池的安全隐患充电铅酸电池充电电压过高或者充电时间过长,就会产生大量气泡,同时电解液的温度也会升高,使得水分大量的蒸发。
铅酸电池充电到末期,两极转化为有效物质之后,如果还继续充电,就会产生大量的氢、氧气体。
当这些混合气体的浓度在空气中达到一定浓度,又来不及排出,或者排气孔堵塞,气体太多,那么遇到明火的时候就可能会发生爆炸。
发生了这种情况轻则损坏铅酸电池,重则对用户的人身及周边环境造成重大危害。
短路在日常的使用铅酸电池的时候需要对其进行经常性的检查,以防电池短路引发一系列的危险事故发生。
虽然铅酸电池的正负极短路只会导致电池发生起火,但正负极短路往往容易使得电池出现其他故障反应,如加水孔阻塞气体排不出去膨胀,火星会点燃从已经锈蚀的极柱那里出来的氢气,引爆铅酸电池内部的氢氧混合气体,使得电池发生爆炸,电池内的硫酸等对人对环境危害性强的材料物质也会泄漏出来。
磷酸铁锂电池包的安全隐患温度当锂电池包使用不当时,导致电池内部温度的升高,使正极材料会发生活性物质的分解和电解液的氧化。
同时,这两种反应能够产生大量的热,从而造成电池温度的进一步上升。
锂电池包的电解液为锂盐与有机溶剂的混合溶液,其中商用的锂盐为六氟磷酸锂,该材料在高温下易发生热分解,并与微量的水以及有机溶剂之间进行热化学反应,降低电解液的热稳定性。
制作工艺锂电池包在制造过程中,电极制造、电池装配等过程都会对电池的安全性产生影响。
如正极和负极混料、涂布、辊压、裁片或冲切、组装、加注电解液的量、封口、化成等诸道工序的质量控制,无一不影响电池的性能和安全性。
铅酸电池和磷酸铁锂电池包谁的安全性比较从以上关于铅酸电池和磷酸铁锂电池包的安全隐患的内容中,可以看出,铅酸电池最大的安全隐患问题在于其构成材料。
磷酸铁锂铅酸电池全文共四篇示例,供读者参考第一篇示例:磷酸铁锂电池(LFP电池)和铅酸电池是两种常见的储能电池技术。
随着可再生能源的发展和电动汽车的普及,对高性能、长寿命的储能电池需求日益增长。
磷酸铁锂电池和铅酸电池作为两种常用的储能电池技术,各自有着优缺点,下面我们来详细介绍一下这两种电池技术。
首先说说磷酸铁锂电池,它属于锂离子电池的一种,由正极材料磷酸铁锂、负极材料石墨、电解液和隔膜组成。
磷酸铁锂电池具有以下几个优点:1. 高安全性:磷酸铁锂电池不含有重金属和有毒物质,避免了环境污染和人身安全隐患,是一种绿色环保的电池技术。
2. 高循环寿命:磷酸铁锂电池的寿命长,循环次数高,一般可达数千次以上,适合用于储能领域和电动汽车领域。
3. 高能量密度:磷酸铁锂电池具有高能量密度,能够提供较长的续航里程,适合用于电动汽车和便携设备等领域。
4. 快充性能好:磷酸铁锂电池具有快充性能好的特点,能够在短时间内完成充电,提高了用户的使用体验。
5. 温度适应性强:磷酸铁锂电池在高温和低温环境下的表现较好,能够满足不同环境条件下的使用需求。
磷酸铁锂电池也存在一些缺点,比如价格较高、成本较高、对温度要求较高等。
在储能领域和电动汽车领域的应用受到一定的限制。
1. 价格低廉:铅酸电池的材料价格低廉,制造工艺简单,成本较低,适合大规模应用。
2. 耐高温性能好:铅酸电池具有较好的耐高温性能,能够适应高温环境下的工作要求。
4. 安全性高:铅酸电池在使用过程中较为安全,不易发生爆炸或起火等安全问题。
5. 可回收性强:铅酸电池的材料可以进行回收利用,有利于环境保护和资源循环利用。
铅酸电池也存在一些不足之处,比如能量密度低、循环寿命短、重量大等。
这些缺点限制了铅酸电池在某些领域的应用。
磷酸铁锂电池和铅酸电池各有优缺点,适用于不同的应用场景。
在选择电池技术时,需要根据实际需求和情况进行综合考虑,选择最适合的电池技术。
随着科技的不断进步和技术的不断创新,相信未来会出现更多高性能、长寿命的储能电池技术,为人类社会的可持续发展做出更大的贡献。
无锡派瑞得新能源科技有限公司
铅酸电池和磷酸铁锂电池的差别
在电化学储能的技术分布中,锂离子电池已经达到了99%的市场份额,远远高于铅酸电池和液流电池,其中磷酸铁锂电池占据了绝大多数份额。
根据不同项目的用电频率,每MW装机规模所需的锂电池容量不尽相同,一般在都有涉及,如今年最受瞩目的河南电网100MW 电池储能示范工程就对应的是1:1的配套。
如果按照1:2的比例来配套锂电池,预计2018年全年储能电池需求量将达到,到2020年有望突破10Gwh大关,对应的磷酸铁锂电池需求量将超过2万吨/年。
如果仅看电池成本,实际上铅酸电池仍然会比锂电池便宜50%以上,那么为何近几年企业集体抛弃铅酸而普遍采用锂电池呢?
对此,南都电源表示,储能领域和新能源车领域区别很大,磷酸铁锂电池在储能成本中所占比例并没有新能源车中那么高,还是拿近期河南电网的招标项目来说,的项目中标金额超过2000万元,算下来每Kwh招标价超过2000元,远远高于动力电池系统的1300元/Kwh。
价格较高的原因,是因为除了电池管理系统以外,储能集装箱内还需要安装空调系统、功率变换系统、保护控制设备等,如果使用铅酸电池,整个集装箱的体积会明显增大,所需配套的设备也明显增多,成本上反而没有优势。
同时,主流的储能系统普遍要求10年质保,对电池的循环性能要求极高,在这一点上磷酸铁锂电池远好于铅酸电池,综合考虑下来,锂电池成为主流也就不难理解了。
本文由无锡派瑞得新能源科技有限公司提供,详情咨询。
阀控式密封铅酸蓄电池和磷酸铁锂蓄电池对比分析
一、阀控式密封铅酸蓄电池
阀控式密封铅酸蓄电池是一种成熟的蓄电池技术,广泛应用于UPS电源、太阳能储能系统、通信基站等领域。
该蓄电池采用铅和铅二氧化物为正负极活性物质,硫酸溶液为电解液,利用内置阀控阀控制内部气体的产生和释放,实现密封循环使用。
其主要特点有:
1. 成本较低:阀控式密封铅酸蓄电池生产成本较低,市场价格相对较为便宜,是大规模应用的主要原因之一。
2. 额定电压稳定:阀控式密封铅酸蓄电池的额定电压相对较为稳定,适合于一些对电压要求较高的场景。
3. 充放电性能稳定:该蓄电池具有良好的充放电性能,可以满足长期循环使用的需求。
二、磷酸铁锂蓄电池
磷酸铁锂蓄电池是一种新型的锂离子电池技术,具有高能量密度、长循环寿命、安全性好等优点,因而在电动汽车、储能系统等领域得到了广泛应用。
其主要特点有:
1. 高能量密度:磷酸铁锂蓄电池具有较高的能量密度,相比阀控式密封铅酸蓄电池具有更高的储能效率和更小的体积。
2. 长循环寿命:磷酸铁锂蓄电池的循环寿命远远超过了铅酸蓄电池,可以满足长周期、高强度的使用场景。
3. 安全性好:相比其他类型的锂离子电池,磷酸铁锂蓄电池的安全性更高,更不易发生热失控等问题。
三、对比分析
阀控式密封铅酸蓄电池和磷酸铁锂蓄电池各自有不同的特点和优势,适用于不同的应用场景。
在选择蓄电池时,需要根据实际需求综合考虑各方面因素,以便选择更为适合的产品。
希望本文的对比分析能够为读者提供一定的参考价值。
阀控式密封铅酸蓄电池和磷酸铁锂蓄电池对比分析阀控式密封铅酸蓄电池和磷酸铁锂蓄电池都是常见的蓄电池类型,它们在一些特定的应用场景中都有各自的优势和适用性。
下面将对这两种类型的蓄电池进行比较分析。
首先是阀控式密封铅酸蓄电池。
这种蓄电池具有以下特点:1. 成熟和广泛应用:阀控式密封铅酸蓄电池已经有很长的历史,在工业和民用领域得到广泛应用。
其技术成熟、稳定可靠,市场上的产品种类繁多。
2. 价格相对较低:由于阀控式密封铅酸蓄电池的生产工艺及材料造价相对较低,所以产品价格一般较为亲民。
3. 能量密度适中:阀控式密封铅酸蓄电池在能量密度方面相对较低,即单位体积或单位重量下所储存的能量较少。
这意味着相同容量的铅酸蓄电池可能要比其他类型的蓄电池更大、更重。
4. 充电性能较好:阀控式密封铅酸蓄电池的充电性能较好,能够在较短时间内完成充电。
这使得它在一些需要频繁充电的场景中相对更加适用。
2. 长寿命:与其他传统蓄电池相比,磷酸铁锂蓄电池具有较长的寿命。
这主要归功于其对温度、过充和放电深度都有较好的抵抗能力。
3. 安全性能好:磷酸铁锂蓄电池相对较为稳定,较难发生热失控、爆炸或燃烧等安全问题。
这也使得它在一些对安全性要求较高的场景中得到广泛应用。
需要注意的是,不同的蓄电池类型适用于不同的应用场景。
阀控式密封铅酸蓄电池在UPS电源、电动车等领域具有广泛应用;而磷酸铁锂蓄电池在新能源汽车、储能系统等领域有着较好的应用前景。
阀控式密封铅酸蓄电池和磷酸铁锂蓄电池在性能和适用场景方面有所区别。
用户可以根据实际需求,在考虑价格、能量密度、寿命和安全性等因素后选择合适的蓄电池类型。
阀控式密封铅酸蓄电池和磷酸铁锂蓄电池对比分析阀控式密封铅酸蓄电池和磷酸铁锂蓄电池是两种常见的储能设备,各有优缺点。
本文将对这两种蓄电池进行对比分析,以便更好地选择适合自己需要的蓄电池。
1. 化学反应机制:阀控式密封铅酸蓄电池是以铅和铅二氧化物反应为主要化学反应机制,通过氧化还原反应来实现电能的储存和释放。
而磷酸铁锂蓄电池是以磷酸铁锂为正极材料,锂为负极材料,通过锂离子在正负极之间的移动来实现电能的储存和释放。
2. 性能比较:(1) 阀控式密封铅酸蓄电池的能量密度较低,循环寿命较短。
相比之下,磷酸铁锂蓄电池的能量密度较高,循环寿命较长。
(2) 磷酸铁锂蓄电池的自放电率低于阀控式密封铅酸蓄电池,可以长时间保存电能。
(3) 阀控式密封铅酸蓄电池在高温环境下容易老化,充放电效率较低。
而磷酸铁锂蓄电池在高温环境下表现更加稳定,充放电效率更高。
3. 安全性比较:(1) 阀控式密封铅酸蓄电池存在严重的酸雾腐蚀和爆炸的安全隐患。
而磷酸铁锂蓄电池则具有较好的安全性能,不存在酸雾腐蚀和爆炸的风险。
(2) 磷酸铁锂蓄电池不含重金属,环保性能较好,废旧电池易于回收利用。
而阀控式密封铅酸蓄电池含有重金属铅,对环境有一定的污染。
4. 成本比较:(1) 阀控式密封铅酸蓄电池的生产成本较低,价格相对较为便宜。
而磷酸铁锂蓄电池的生产成本较高,价格相对较贵。
(2) 从长期运营成本来看,磷酸铁锂蓄电池的循环寿命更长,更耐高温,不需要频繁更换,维护费用更低,因而总体运营成本可能会更低。
阀控式密封铅酸蓄电池和磷酸铁锂蓄电池各有优缺点。
如果对于能量密度和循环寿命要求较高,且对于安全性和环保性有要求的话,可以选择磷酸铁锂蓄电池。
而如果对于价格较为敏感,且对于电池寿命和充放电效率要求不高的话,可以选择阀控式密封铅酸蓄电池。
在选择时应根据自身的需求和实际情况做出选择。
磷酸铁锂电池:
1、耐用性:磷酸铁锂电池耐用性较强,消耗慢,充放超过1000次,并且无记忆,一般寿命在5-8年。
2、放电倍率:磷酸铁锂电池可大电流放电,适合适用于太阳能路灯、电动汽车、电动自行车等。
2、体积、质量方面:锂电池体积相对较小。
3、电池容量:同等体积内锂电池的容量要比大。
铅酸电池容量为20安左右;锂电池容量为8-10安。
4、无记忆效应:磷酸铁锂电池无论处于什么状态,可随充随用,无须先放完再充电。
3、单体标称电压:磷酸铁锂电单体标称电压:。
6、环保:锂材料无任何有毒有害物质,被世界认为绿色环保电池,该电池无论在生产及使用中均无污染,成为广为关注研究的热点。
7、安全性:磷酸铁锂已经过严格的安全测试即使在最恶劣的交通事故中也不会产生爆炸,表现出更高的安全性能。
铅酸电池?
1、铅酸电池一般深充深放电300次以内,有记忆,寿命在两年左右。
并且铅酸电池内有液体,消耗一段时间后,如果发现电池发烫或者充电时间变短,就需要补充液体。
2、一般铅酸电池重量是16-30公斤,体积较大;
3、铅酸蓄电池中存在着大量的铅,在废弃后若处理不当,将对环境产生污染在生产
过程中存在污染。
4、铅酸电池单体标称电压:,一块普通的铅酸电池电压常为12V。
附:磷酸铁锂电池与铅酸电池比较。