检验批质量检验记录(水稳基层)
- 格式:doc
- 大小:66.00 KB
- 文档页数:1
水泥稳定碎石基层检验批质量检验记录水泥稳定碎石基层是一种常用的基础工程材料,用于道路、桥梁等建设项目的基层处理。
为了保证水泥稳定碎石基层的质量,需要进行质量检验记录,以便对材料的性能和施工过程进行监控和控制。
以下是一份水泥稳定碎石基层检验批质量检验记录。
检验日期:2024年6月1日检验单位:XX工程施工监理站检验对象:水泥稳定碎石基层施工检验检测项目:1.水泥稳定碎石的配合比2.筛分分析3.压实度测试4.抗压强度试验5.骨料含量测定一、水泥稳定碎石的配合比经过施工方提供的配合比设计文件,检验人员对现场的原材料进行复核,包括水泥、砂石、碎石等。
确认配合比是否符合设计要求。
二、筛分分析采集5个不同位置的水泥稳定碎石样品,进行筛分,分析不同粒径级配情况。
检验人员使用标准筛进行筛分,记录不同级配颗粒的数量和百分比。
三、压实度测试采集5个不同压实度程度的水泥稳定碎石样品,使用重锤式压实度测试仪进行试验。
测试员记录实际压实度值,并与设计要求进行比较。
四、抗压强度试验采集5个不同位置的水泥稳定碎石样品,进行抗压强度试验。
按照设计要求制备试件,使用万能试验机施加荷载,记录破坏荷载和破坏形态。
五、骨料含量测定采集5个不同位置的水泥稳定碎石样品,进行骨料含量测定。
采用烘干法或破碎法,将样品进行处理,计算骨料含量,并与设计要求进行比较。
以上是水泥稳定碎石基层检验批的质量检验记录。
检验人员应按照设计要求和规范要求进行操作,并记录检验结果。
通过对水泥稳定碎石基层的质量检验,可以及时发现问题并采取措施进行修正,保证基层工程的质量和安全。
基层(水泥稳定土类)检验批质量检查记录范本1:一、基层(水泥稳定土类)检验批质量检查记录1. 工程概述1.1 工程名称:____________________1.2 工程地点:____________________1.3 工程阶段:____________________1.4 施工单位:____________________1.5 监理单位:____________________1.6 检验批编号:__________________2. 质量检验内容2.1 基层(水泥稳定土类)配合比设计及准备工作2.1.1 配合比设计方案:_______________2.1.2 配料原材料检验报告:_______________ 2.1.3 生产准备工作:________________2.2 基层(水泥稳定土类)施工质量检查2.2.1 施工方法与工艺:_______________ 2.2.2 施工现场检查:_______________2.2.3 隐蔽工程验收:_______________2.3 基层(水泥稳定土类)质量检验结果2.3.1 物理性能测试报告:_______________ 2.3.2 强度检测报告:_______________2.3.3 抗渗检测报告:_______________3. 质量检验记录3.1 配合比设计及准备工作记录3.2 施工质量检查记录3.3 质量检验结果记录4.5. 附件6. 法律名词及注释本文档涉及附件:1. 配料原材料检验报告2. 物理性能测试报告3. 强度检测报告4. 抗渗检测报告本文所涉及的法律名词及注释:1. 配合比设计方案:根据工程需要,确定水泥稳定土配合比的比例和施工要求的设计方案。
2. 施工方法与工艺:基层(水泥稳定土类)施工过程中所采用的具体处理方法和施工工艺流程。
3. 隐蔽工程验收:对基层(水泥稳定土类)施工过程中不易直接观察或检验的部分进行的验收工作。
水泥稳定碎石基层检验批质量检验记录模板一:水泥稳定碎石基层检验批质量检验记录1. 检验项目:水泥稳定碎石基层厚度测量1.1. 仪器设备:测厚仪1.2. 检验标准:根据设计要求和规范规定1.3. 检验方法:选取不同位置的基层进行测量,并记录各位置的厚度值1.4. 检验结果:记录测量值并与设计要求进行比对,判断基层厚度是否符合规范要求2. 检验项目:水泥稳定碎石基层密实度检验2.1. 仪器设备:密实度试验仪2.2. 检验标准:根据设计要求和规范规定2.3. 检验方法:选取不同位置的基层进行密实度测试,并记录各位置的密实度值2.4. 检验结果:记录密实度值并与设计要求进行比对,判断基层密实度是否符合规范要求3. 检验项目:水泥稳定碎石基层抗压强度试验3.1. 仪器设备:压力试验机3.2. 检验标准:根据设计要求和规范规定3.3. 检验方法:选取不同位置的基层进行抗压强度试验,并记录各位置的试验结果3.4. 检验结果:记录试验结果并与设计要求进行比对,判断基层抗压强度是否符合规范要求4. 检验项目:水泥稳定碎石基层平整度检验4.1. 仪器设备:平整度检测仪4.2. 检验标准:根据设计要求和规范规定4.3. 检验方法:选取不同位置的基层进行平整度检测,并记录各位置的平整度值4.4. 检验结果:记录平整度值并与设计要求进行比对,判断基层平整度是否符合规范要求5. 附件:相关检验数据、记录表格等文档6. 法律名词及注释:6.1. 设计要求:指设计方对水泥稳定碎石基层质量的要求。
6.2. 规范规定:指相关行业规范中对水泥稳定碎石基层质量的要求。
模板二:水泥稳定碎石基层检验批质量检验记录1. 检验项目:水泥稳定碎石基层材料检验1.1. 检验样品:水泥稳定碎石材料,包括水泥、砂、碎石等1.2. 检验标准:根据设计要求和规范规定1.3. 检验方法:对水泥稳定碎石材料进行抽样,并进行化验分析1.4. 检验结果:记录各项指标的检验结果,并与设计要求进行比对,判断材料是否符合规范要求2. 检验项目:水泥稳定碎石基层施工工艺检验2.1. 检验要求:包括基层压实、水泥稳定碎石的搅拌、铺设等工艺要求2.2. 检验标准:根据设计要求和规范规定2.3. 检验方法:对施工工艺进行现场观察和检验,记录工艺操作的合理性2.4. 检验结果:记录工艺操作的情况,并与设计要求进行比对,判断工艺是否符合规范要求3. 检验项目:水泥稳定碎石基层质量缺陷检验3.1. 检验要求:包括基层裂缝、泛碱性、松软等质量缺陷要求3.2. 检验标准:根据设计要求和规范规定3.3. 检验方法:对基层进行目测和检测,记录质量缺陷的情况3.4. 检验结果:记录质量缺陷的情况,并与设计要求进行比对,判断基层质量是否符合规范要求4. 附件:相关检验数据、记录表格等文档5. 法律名词及注释:5.1. 设计要求:指设计方对水泥稳定碎石基层质量的要求。
检验批质量检验记录(水稳基层)第一篇范本:检验批质量检验记录(水稳基层)1. 引言本文档记录了对水稳基层的质量检验情况,以确保项目的建设质量符合相关标准和要求。
2. 检验批信息- 检验批名称:- 检验日期:- 检验批编号:- 参预人员:- 监理单位:- 施工单位:3. 检验内容及标准3.1 水稳基层厚度- 检验目的:检查水稳基层的厚度是否符合设计要求。
- 检验方法:采用钢尺测量水稳基层的厚度。
- 检验标准:水稳基层厚度应符合设计要求的偏差范围。
3.2 水稳基层密实度- 检验目的:检查水稳基层的密实度是否符合设计要求。
- 检验方法:采用土工试验方法进行密实度测试。
- 检验标准:水稳基层的密实度应达到设计要求的百分比。
4. 检验结果4.1 水稳基层厚度检验结果- 检验数值:- 设计要求:- 检验结论:合格/不合格4.2 水稳基层密实度检验结果- 检验数值:- 设计要求:- 检验结论:合格/不合格5. 检验结论与建议根据对水稳基层的检验结果,结合设计要求,得出本次检验批的综合结论和建议。
6. 附件本文档涉及的附件包括水稳基层厚度检验记录、水稳基层密实度检验记录等。
7. 法律名词及注释本文涉及的法律名词及注释如下:- 法律名词1:注释- 法律名词2:注释第二篇范本:检验批质量检验记录(水稳基层)1. 引言本文档旨在记录水稳基层的质量检验过程和结果,以确保施工质量符合相关标准和要求。
2. 检验批信息- 检验批名称:- 检验日期:- 检验批编号:- 参预人员:- 监理单位:- 施工单位:3. 检验内容及标准3.1 水稳基层厚度检验- 检验目的:确认水稳基层的厚度是否符合设计要求。
- 检验方法:使用钢尺或者激光测距仪测量水稳基层的厚度。
- 检验标准:水稳基层厚度应符合设计要求的偏差要求。
3.2 水稳基层密实度检验- 检验目的:评估水稳基层的密实度是否满足要求。
- 检验方法:采用扣孔试验或者重锤试验等方法进行密实度检测。
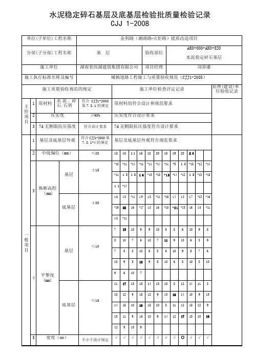
水泥稳定土类基层及底基层施工检验批质量检验记录表CJJ1—2008续上页注:1、B为施工时必要的附加宽度。
2、主控项目、一般项目的检查结果,需用语言描述的项,应按CJJ1-2008的要求详实描述;主控项目的计数检验项先填写“检验批主控项目计数检验记录表”(G1-1-1),然后将计数检验结果填写在本表相应的检查结果栏内;检验批一般项目计数检验数据较多、本表空格不够填写的项,可填写“检验批一般项目计数检验记录表”(G1-1-2),将该表作为本表的附页。
水泥稳定土类基层及底基层质量检验标准(CJJ1-2008)7. 8. 2主控项目1原材料质量检验应符合下列要求:1 )水泥应符合本规范第7.5.1条第1款的规定。
2 )土类材料应符合本规范第7.5.1条第2款的规定。
3 )粒料应符合本规范第7.5.1条第3款的规定。
4 )水应符合本规范第7.2.1条第3款的规定。
检查数量:按不同材料进厂批次,每批次抽查1次;检验方法:按检验报告、复检。
2基层、底基层的压实度应符合下列要求:1 )城市快速路、主干路基层大于或等于97%底基层大于或等于95%2 )其他等级道路基层大于等于95%底基层大于等于93%检查方法:每1000怦,每压实层抽查1点。
检验方法:灌砂法或灌水法。
3基层、底基层7d的无侧限抗压强度应符合设计要求。
检查方法:每2000 m2抽检1组(6块)。
检验方法:现场取样试验。
一般项目4表面应平整,坚实、接缝平顺,无明显粗、细骨料集中现象,无推移、裂缝、贴皮、松散、浮料。
5基层及底基层的偏差应符合本规范表7.8.1的规定。
表7.8.1石灰稳定土类基层及底基层允许偏差。
检验批质量检验记录 - 水稳基层一、项目概述在道路基础建设中,水稳基层是道路工程中非常重要的一部分。
为了保证道路的安全和稳定性,水稳基层的质量检验至关重要。
本文档记录了水稳基层检验批的质量检验记录,以确保基层质量符合规范要求。
二、检验批信息1. 检验批编号:[编号]2. 工程名称:[工程名称]3. 检验日期:[检验日期]三、施工过程1. 施工单位:[施工单位]2. 施工人员:[施工人员]3. 施工地点:[施工地点]四、检验内容本次水稳基层检验批的质量检验内容主要包括以下几个方面:1. 材料- 骨料:检查骨料的种类、规格和搭配比例是否符合设计要求。
- 石子:检查石子的颗粒形状、含泥量和含沙量是否符合规范要求。
- 水泥:检查水泥标号、生产日期和质量检验报告是否齐全。
- 添加剂:检查添加剂的种类、用量和生产厂家是否符合规范要求。
2. 施工工艺- 水稳基层厚度:检查水稳基层的厚度是否符合设计要求。
- 路面平整度:检查水稳基层的表面平整度是否符合规范要求。
- 压实度:检查水稳基层的压实度是否达到规范要求。
- 渗水性:对水稳基层进行渗水测试,确认渗水性是否符合要求。
3. 检测设备- 检测仪器:列出使用的检测仪器名称、型号、精度和有效期。
- 校准记录:记录检测仪器的校准情况,确保检测结果准确有效。
五、检验结果根据以上检验内容,对水稳基层进行检验后,得到以下结果:1. 材料检验结果:- 骨料:符合设计要求,种类、规格和搭配比例均符合要求。
- 石子:颗粒形状良好,含泥量和含沙量均在规范范围内。
- 水泥:标号、生产日期和质量检验报告齐全。
- 添加剂:种类、用量和生产厂家均符合规范要求。
2. 施工工艺检验结果:- 水稳基层厚度:符合设计要求。
- 路面平整度:表面平整度达到规范要求。
- 压实度:达到规范要求。
- 渗水性:渗水性符合要求。
六、质量问题处理在检验过程中,如发现质量问题或不符合规范要求的情况,应及时记录并处理。
水泥稳定类基层及底基层检验批质量检验记录一、检测目的水泥稳定类基层及底基层检验批质量检验记录的目的是对水泥稳定类基层及底基层进行质量检验,确保施工质量符合相关标准和规范要求。
二、检验时间2022年5月1日三、检验人员主检人员:XXX协检人员:XXX、XXX四、检验项目及方法1. 外观质量检验:使用目测方法对水泥稳定类基层及底基层的外观进行检验,包括平整度、表面均匀性等。
2. 抗压强度检验:采用压力机进行检验,测定水泥稳定类基层及底基层的抗压强度。
3. 含水率检验:采用称重法或重量法对水泥稳定类基层及底基层的含水率进行检验。
4. 成分检验:采用化学分析方法对水泥稳定类基层及底基层的成分进行检验,包括水泥、砂、石、水等成分的含量。
五、检验结果1. 外观质量检验结果:经过目测,水泥稳定类基层及底基层的外观平整度良好,表面均匀无明显破损,符合相关要求。
2. 抗压强度检验结果:根据压力机测定,水泥稳定类基层及底基层的抗压强度为XX MPa,达到或超过设计要求。
3. 含水率检验结果:采用称重法测定,水泥稳定类基层及底基层的含水率为XX%,符合相关要求。
4. 成分检验结果:经化学分析,水泥稳定类基层及底基层中水泥的含量为XX%,砂的含量为XX%,石的含量为XX%,水的含量为XX%,符合相关标准要求。
六、结论根据以上检验结果,水泥稳定类基层及底基层的质量检验符合相关标准和规范要求,施工质量良好。
七、存在问题与建议在水泥稳定类基层及底基层的施工过程中,未发现明显质量问题。
建议在后续的施工中,继续加强施工质量管理,确保水泥稳定类基层及底基层的质量达到最优。
八、备注无以上是水泥稳定类基层及底基层检验批质量检验记录,根据实际情况进行填写,并确保记录的准确性与完整性。