冷却塔风机专用减速机型号技术参数
- 格式:doc
- 大小:35.00 KB
- 文档页数:1
一、概述NGW—L—F系列冷却塔专用减速器,是专门为配套200~1000t/h冷却塔而设计的新产品,其主要结构为立式单级行星传动。
齿轮采用合金结构钢经热处理后,用高精度齿轮磨床加工而成,具有强度高、韧性好、精度高等优点,同时采用浸油式润滑,从而达到了噪音低、振动小、效率高、寿命长的目的。
经过不断改进设计,使该产品具有体积小、重量轻、安装维修方便等特点,且已成为冷却塔节能降噪的最理想产品,被广泛用于化工、轻工、医药、冶金、高级宾馆、民用建筑等行业。
经实际使用和各项指标测定,性能可靠,质量稳定。
一九九一年被评为省优产品。
二、使用条件(电动机安电动机的使用说明书,下同)输入转速:≤1500r/min 环境温度:-40~50c(如)45c,达60c时,电机温升修正,既80k-15k=65k)三、安装1.产品在安装时,壳体或支架应有足够的强度和刚性,四脚应热平且保持水平后坚固。
2 2.风机的轮毂与减速器的输出轴伸应配合良好,拼紧螺母。
3.风机安装后应调整至最佳状态,保持运行平稳。
4.拨动风叶应转动灵活。
四、运行1.按电机使用说明书具备电动机运行条件。
2.当电动机功率超过7.5KW时应采用补偿器启动.3.旋转:1)旋转方向应符合冷却塔要求;2)应运转平衡;3)三项电压电流应平衡;4)负载电流应不超过额定电流。
若与上述要求不符时,应停机检查,问题解决后方可运行。
4.试转后重新检查和拧紧各个紧固件。
五、维护及润滑1.产品在使用前必须加足润滑油至油尺的上下限线之间(F31约5kg、F61约11kg、F81约19kg),牌号为N320工业齿轮油。
运行时应经常检查,发现油量不足应及时补加,一般每运行二个月补加一次,六个月更换一次,并应清洗。
2.在运行过程中如发现下列问题,应及时停机解决:(1)沿轴向漏油,更换密封件,(2)轴承噪声增大或损坏,更换轴承(3 )减速器噪声增大,齿轮严重磨损和损坏,更换齿轮。
减速器轴承牌号机架型号:JB型HG5-251-79标机架化工反应缸机架JA2型机架。
冷却塔风机减速机型号参数
冷却塔风机减速机的型号和参数可能因制造商、型号和具体应用而有所不同。
一般来说,冷却塔风机减速机的选择取决于风机的功率、转速、工作环境等因素。
以下是一些可能的型号参数:
1.型号:不同制造商可能提供不同型号的冷却塔风机减速机,例
如,SEW Eurodrive、NORD、Flender等制造商可能有各自的型
号。
2.功率:冷却塔风机减速机的功率通常根据冷却塔风机的需求确
定,以确保足够的驱动力。
3.转速:减速机的转速与冷却塔风机的设计转速相匹配,以确保
系统的正常运行。
4.扭矩:减速机的扭矩特性需要适应冷却塔风机在不同工况下的
扭矩需求。
5.额定电压和频率:电机通常与减速机一体,需要根据具体的电
气系统匹配电压和频率。
6.环境条件:减速机需要适应冷却塔环境的特殊要求,例如潮湿、
腐蚀性气体等。
7.制造商规格:根据制造商的规格书,可以获得减速机的详细技
术参数和性能曲线等信息。
请注意,具体的型号和参数应该与减速机的制造商或供应商联系以获取,以确保选择的减速机完全符合冷却塔风机的技术要求。
在选择和安装过程中,最好与专业的机械工程师或供应商合作,以确保系
统的可靠性和性能。
HSRL 系列齿轮减速机使用说明书上海尔华杰机电装备制造有限公司●HSRL减速机的适用范围本系列减速机适用于冶金矿山、运输、建材、化工、轻工、能源、交通等行业。
减速机高速轴允许转速为n≤1500r/min。
减速机齿轮传动的圆周速度不大于20m/s。
减速机工作环境温度为-40~+45℃,低于0℃时,启动前润滑油应加热到+10℃。
减速机运转方向面对输出轴方向看为顺时针。
如要反向运转须说明。
HSRL减速机介绍HSRL减速机系垂直、平行轴减速机,即一级螺伞齿轮传动加一级平行轴齿轮传一. 特点1.齿轮承载能力达到设计要求(工作系数2.0以上),安全系数符合国标要求GB3480-83,精度符合GB10095-88。
同时也达到AGMA要求。
2.齿轮、轴、轴承经计算完全满足要求。
设计寿命全按10万小时。
3.齿轴、齿轮用渗碳淬火钢,硬度HRC60,精度6级GB11365-89、GB10095-88,噪声较低。
4.高、中间轴采用轴向定位,以保证减速器正常运转。
5.通过增大轴承间跨度降低输出轴部分的振动。
6.使用高承载能力的轴承以提高稳定的承载能力及使用寿命。
二.优点1.润滑充分,上面二只轴承采用稀油润滑,不会产生断油烧轴承和咬轴现象。
2. 输出轴密封较合理,除骨架油封外,另有水密封圈,防止垃圾和水进入,很可靠。
3. 输入轴密封采用进口骨架密封,二个骨架圈之间加干油,避免干磨擦,提高密封圈寿命。
轴采用渗碳淬火,HRC60左右,保证轴密封部位较长时间不会出现沟槽。
4. 安装方便:a.高速轴单独调整好之后,再装到箱体上调整锥齿轮间隙。
b.中间轴装配方便,采用圆锥滚子轴承。
c.各轴的轴向间隙调整容易。
5. 外表面平板(内部筋板),箱体容积大,储油量多,便于润滑。
散热表面积大。
6. 机体采用树脂砂造型,外观平整美观,铸件质量好(气孔、夹渣等几乎没有)。
7.低噪音设计:通过模态分析避免共振;提高材料刚度保证齿轮的最佳啮合状态。
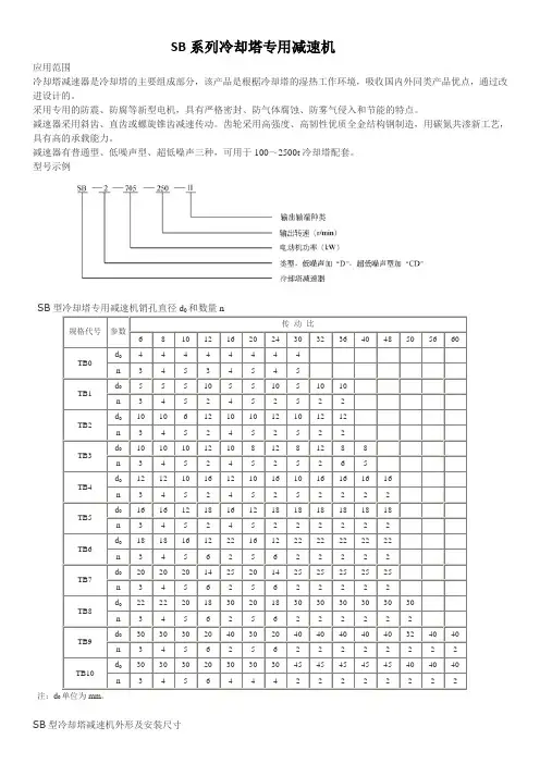
SB系列冷却塔专用减速机
应用范围
冷却塔减速器是冷却塔的主要组成部分,该产品是根椐冷却塔的湿热工作环境,吸收国内外同类产品优点,通过改进设计的。
采用专用的防震、防腐等新型电机,具有严格密封、防气体腐蚀、防雾气侵入和节能的特点。
减速器采用斜齿、直齿或螺旋锥齿减速传动。
齿轮采用高强度、高韧性优质全金结构钢制造,用碳氮共渗新工艺,具有高的承载能力。
减速器有普通型、低噪声型、超低噪声三种,可用于100~2500t冷却塔配套。
型号示例
SB
和数量n
SB型冷却塔减速机外形及安装尺寸
SB型冷却塔减速器外形和安装尺寸(mm)
S
注:1. ▲表示目前厂方生产的产品。
2. A声级在距离减速器2m的位置。
注:1. ▲表示目前厂方生产的产品。
2. A声级在距离减速器2m的位置。
注:1. ▲表示目前厂方生产的产品。
2. A声级在距离减速器2m的位置。
冷却塔风机专用减速机型号技术参数
标签:工业齿轮油冷却塔风机双曲线齿轮油桥星减速机公
司多速电机
WB型循环水冷却塔风机专用减速机,是卧式外传动减速机。
该机采用传动轴将电机置于风筒外边,改善了电机工作环境。
设有塔外油标及加、放油管路、球阀,可不停机检查油位,及时加油。
电机一般用6极或6/8级等多速电机,也可配4极电机。
齿轮传动采用一对伞齿轮和一对斜齿圆柱齿轮,齿面均为硬齿面;润滑方式为浸油、甩油;传动轴都经过动平衡试验且两端均为弹性套柱销联轴器,保证了传动的平稳性,缓冲减振性好,适合塔内环境。
当环境温度较低润滑油接近凝固时,基若要启动须加热融化后方可运行。
WB型循环水冷却塔减速机技术参数
WB型减速机承载能力表。
机力通风冷却塔参数一、机力通风冷却塔简介机力通风冷却塔是一种利用机械设备强制通风,使水在填料中与空气进行热交换,达到降低水温的目的的设备。
它广泛应用于空调、制冷、化工、电力等工业领域。
机力通风冷却塔具有结构紧凑、占地面积小、冷却效果好、适应性强等优点。
二、机力通风冷却塔的主要参数1.冷却水量:冷却水量是指冷却塔在单位时间内处理的循环水量,通常以吨/小时或立方米/分为单位。
冷却水量与冷却塔的尺寸、风扇功率等参数密切相关。
2.冷却塔填料:冷却塔填料是水与空气进行热交换的主要场所。
常用的填料有网格填料、波纹填料、点滴填料等,不同类型的填料有不同的传热性能和阻力特性。
3.风扇功率:风扇功率是指冷却塔风扇的电动机功率,通常以千瓦(kW)为单位。
风扇功率与冷却塔的尺寸、冷却水量等参数有关。
4.塔体尺寸:塔体尺寸包括塔身高、塔径等,这些参数影响了冷却塔的占地面积和冷却效果。
在选型时,应根据实际需求和场地条件选择合适的塔体尺寸。
5.冷却效果:冷却效果是指冷却塔在水冷却过程中的效果,通常以出水温度与进水温度之差表示。
冷却效果受到冷却塔设计、填料性能、风扇功率等多种因素的影响。
三、机力通风冷却塔的选型与设计要点1.冷却塔选型依据:在选型时,应根据实际需求和场地条件,综合考虑冷却水量、冷却效果、风扇功率、塔体尺寸等因素,选择合适的冷却塔。
2.设计要点:设计时应注意以下几点:(1)合理选择填料类型,确保传热性能和阻力特性;(2)根据场地条件设计合适的塔体尺寸;(3)确保风扇功率与冷却水量、冷却效果相匹配;(4)考虑冷却塔的安装、运行和维护方便性。
四、机力通风冷却塔的运行与维护1.运行管理:运行时应定期检查冷却塔的运行状况,如水泵、风扇、填料等,确保设备正常运行。
此外,还应注意观察冷却水的进出水温度、流量等参数,以保证冷却效果。
2.维护保养:冷却塔的维护保养主要包括清洗填料、更换损坏部件、润滑传动部件等。
定期进行维护保养,可以延长冷却塔的使用寿命,保证其运行性能。
HSRL 系列齿轮减速机使用说明书上海尔华杰机电装备制造有限公司●HSRL减速机的适用范围本系列减速机适用于冶金矿山、运输、建材、化工、轻工、能源、交通等行业。
减速机高速轴允许转速为n≤1500r/min。
减速机齿轮传动的圆周速度不大于20m/s。
减速机工作环境温度为-40~+45℃,低于0℃时,启动前润滑油应加热到+10℃。
减速机运转方向面对输出轴方向看为顺时针。
如要反向运转须说明。
HSRL减速机介绍HSRL减速机系垂直、平行轴减速机,即一级螺伞齿轮传动加一级平行轴齿轮传一. 特点1.齿轮承载能力达到设计要求(工作系数2.0以上),安全系数符合国标要求GB3480-83,精度符合GB10095-88。
同时也达到AGMA要求。
2.齿轮、轴、轴承经计算完全满足要求。
设计寿命全按10万小时。
3.齿轴、齿轮用渗碳淬火钢,硬度HRC60,精度6级GB11365-89、GB10095-88,噪声较低。
4.高、中间轴采用轴向定位,以保证减速器正常运转。
5.通过增大轴承间跨度降低输出轴部分的振动。
6.使用高承载能力的轴承以提高稳定的承载能力及使用寿命。
二.优点1.润滑充分,上面二只轴承采用稀油润滑,不会产生断油烧轴承和咬轴现象。
2. 输出轴密封较合理,除骨架油封外,另有水密封圈,防止垃圾和水进入,很可靠。
3. 输入轴密封采用进口骨架密封,二个骨架圈之间加干油,避免干磨擦,提高密封圈寿命。
轴采用渗碳淬火,HRC60左右,保证轴密封部位较长时间不会出现沟槽。
4. 安装方便:a.高速轴单独调整好之后,再装到箱体上调整锥齿轮间隙。
b.中间轴装配方便,采用圆锥滚子轴承。
c.各轴的轴向间隙调整容易。
5. 外表面平板(内部筋板),箱体容积大,储油量多,便于润滑。
散热表面积大。
6. 机体采用树脂砂造型,外观平整美观,铸件质量好(气孔、夹渣等几乎没有)。
7.低噪音设计:通过模态分析避免共振;提高材料刚度保证齿轮的最佳啮合状态。
冷却塔电机yccl标准型号
冷却塔电机yccl标准型号是一种常用于工业冷却系统中的电机,其具有一定的标准型号和规格。
这种电机通常用于驱动冷却塔的旋转风扇,帮助冷却系统中的水或其他介质进行散热。
冷却塔电机yccl标准型号通常具有以下特点:
首先,它们的额定功率通常在几十至数百瓦特之间,可以根据具体的冷却塔的规模和需求进行选择。
其次,这种电机通常采用三相异步电机的设计,能够提供稳定的动力输出,保证冷却系统的正常运行。
此外,冷却塔电机yccl标准型号通常具有防水、防尘和防腐蚀的设计,能够在恶劣的工业环境下长时间稳定运行。
在安装和维护方面,冷却塔电机yccl标准型号通常采用简单可靠的结构,方便用户进行安装和维护,减少停机时间,提高生产效率。
在选择冷却塔电机yccl标准型号时,用户应该根据具体的冷却系统需求和工作环境条件来进行选择,确保选型合适,能够稳定可靠地工作。
总的来说,冷却塔电机yccl标准型号是工业冷却系统中常用的关键设备之一,具有稳定可靠、耐用耐用的特点,能够有效地提高冷却系统的效率,保证工业生产的正常运行。
希望用户在选择和使用冷却塔电机yccl标准型号时,能够根据实际需求做出合适的选择,确保系统的正常运行和长期稳定性。
1.设备组成1.1设备原产地及制造厂家广东省广州市/斯必克(广州)冷却技术有限公司。
1.2供货明细NC玻璃钢冷却塔/NC8330F/4台SR玻璃钢冷却塔/SR-200/2台SR玻璃钢冷却塔/SR-40/2台1.3其他2.设备性能及技术参数2.1设备性能1)NC系列产品简介A、NC型横流式冷却塔系统性设计横流式冷却塔是马利公司工程师通过冷却塔多年热工测试试验,引进世界上最大的冷却塔生产商斯必克公司的先进技术和设备,对测试数据进行全面综合处理,参照美国冷却协会CTI标准和GB7190-1997等依据计算机运算得出的淋水填料的容积散质系数 xv,选择最佳的水气比,最佳截面水负荷,截面气负荷和填料的高度范围以确定填料体积,并以流体力学、空气动力学、材料学、建筑学等多种学科观点,综合设计塔的外型与结构,根据测试计算通风阻力,参考风机特性曲线和对测试数据进行优化,选择符合风量和噪音要求的风机和匹配的电机,使冷效、能耗、噪音达到一个优化的系统设计效果。
B、NC型横流式冷却塔淋水填料马利NC方形横流式冷却塔采用的MX-75型高级薄膜式复合波淋水填料, 堪称世界上薄膜式淋水填料的佼佼者,此填料片用于横流冷却塔, 由热处理PVC多层片构成,厚度0.38mm, 表面成波纹式, 相邻两层填料片形成的间隔,保证气流的通畅,经美国冷却塔协会(CTI)测试分析,其阻力特性和热力特性远远优于现有国内填料,使用寿命15年以上。
一般冷却塔产品填料均采用竖直放置,且无明显收水端。
参考右下图,一般冷却塔的做法是布水盘偏向外侧安装,A、B、C、D、E、F这6个区域内充满了填料,而当冷却塔运行起来以后,由于风机向上排风,气流由外向内流经填料,在风力的带动下,实际冷却水流过的区域是C、D、E、F、G这5个区域,A、B两区无水。
那么按照一般冷却塔的做法,用,而有水的G区却又没有填料。
马利的工程师们对这个问题进行了深入的研究,在千百次的实验之后,提出了冷却塔填料倾斜悬挂式安装的方案,在马利冷却塔当中C、D、E、F、G区充满填料,A、B两区无填料,而倾斜的角度又根据不同的塔型有十分严格的要求,这种方法有效地解决了进风面下端“无水区”问题,且填料带有明显的收水端,克服了竖直放置填料的缺点。
TDJ132、TDJ132A 、TDJ160、TDJ160A 、TDJ200
、TDJ200A 、TDJ225、型
减速机结构图及配套电机功率与高度尺寸
TDJ型、TDJ(A)型冷却塔专用减速机,属2K-H负号机传动类型。
太阳齿轮同时与三个作支轴线转动的行星齿轮相啮合,实现负荷分流及各构件径向力相互平稳,使得承载能力和传动效率等指标都远高于定轴传动减速机。
TDJ型渐开线行星齿轮低噪声减速机是集国内玻璃钢冷却塔减速机之长,经改进和优化设计的玻璃钢冷却塔专用减速机。
TDJ型渐开线行星齿轮超低噪声减速机,现广泛与超低噪声冷却塔配套,噪声值达到了皮带减速机水平,它在可靠性、传动效率、维修成本等方面具有皮带减速机无可比拟的优势,是配套超低噪声冷却塔最理想的减速机。
TDJ132、TDJ132A 、
TDJ160、TDJ160A 、TDJ200、TDJ200A 、TDJ225、型
低噪声减速机系列及配套参考表
配套电机功率与高度尺寸L:。
冷却塔招标技术参数冷却塔是一种用于冷却水的设备,其主要工作原理是通过蒸发水中的热量来降低水的温度。
在招标冷却塔项目时,需要制定相应的技术参数来明确需求和要求。
以下是一些常见的冷却塔招标技术参数,供参考。
1.冷却塔类型:常见的冷却塔类型包括湿式冷却塔、干式冷却塔和混合式冷却塔。
需要在招标文件中明确所需的冷却塔类型。
2.冷却塔工作原理:明确冷却塔的工作原理,包括传导、对流和蒸发的比例。
这将有助于供应商了解所需的冷却效率和能耗要求。
3.冷却塔冷却水流量:明确冷却塔所需处理的冷却水流量,一般以立方米/小时(m³/h)为单位。
4.冷却塔冷却水温度:明确冷却塔要降低冷却水的温度到多少摄氏度。
5.冷却塔制冷量:根据所需的冷却水流量和温度降低要求,计算出冷却塔所需提供的制冷量,一般以千瓦(kW)为单位。
6.冷却塔风量:明确冷却塔所需的风量,以确保足够的空气流入以促进水的蒸发。
风量通常以立方米/秒(m³/s)为单位。
7.冷却塔能耗:指明所需的冷却塔能耗要求,以促使供应商设计出高效节能的设备。
8.冷却塔噪音:明确冷却塔的噪音限制要求,以确保设备在工作时不会对周围的环境和人员产生过大的噪音干扰。
9.冷却塔材质:明确冷却塔所需的材质要求,一般应选择耐腐蚀、耐高温的材料,如玻璃钢等。
10.冷却塔维护:明确冷却塔的维护要求,包括清洁、维修和更换部件的周期等。
11.冷却塔附件和自动控制系统:明确冷却塔所需配备的附件和自动控制系统,如风机、水泵、管道、调节阀、传感器等。
12.冷却塔运行要求和安全要求:包括电气安全、机械安全和防护措施等。
13.投标文件要求:明确招标文件需要包含哪些技术参数、设计图纸、可行性研究报告、维保计划等内容。
冷却塔风机专用减速机型号技术参数
标签:工业齿轮油冷却塔风机双曲线齿轮油桥星减速机公司多速电机
WB型循环水冷却塔风机专用减速机,是卧式外传动减速机。
该机采用传动轴将电机置于风筒外边,改善了电机工作环境。
设有塔外油标及加、放油管路、球阀,可不停机检查油位,及时加油。
电机一般用6极或6/8级等多速电机,也可配4极电机。
齿轮传动采用一对伞齿轮和一对斜齿圆柱齿轮,齿面均为硬齿面;润滑方式为浸油、甩油;传动轴都经过动平衡试验且两端均为弹性套柱销联轴器,保证了传动的平稳性,缓冲减振性好,适合塔内环境。
当环境温度较低润滑油接近凝固时,基若要启动须加热融化后方可运行。
WB型循环水冷却塔减速机技术参数。