危品积载隔离标准
- 格式:doc
- 大小:88.50 KB
- 文档页数:2
危险货物隔离隔离就是使互不相容的危险货物之间保持一定的距离,或隔一个甚至是几个钢质甲板,或是这些措施的总和。
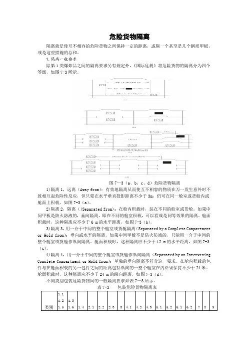
1.隔离一般要求除第1类爆炸品之间的隔离要求另有规定外,《国际危规》将危险货物的隔离分为四个等级,如图7-3所示。
图7—3(a、b、c、d)危险货物隔离1)隔离1,远离(Away from):有效地隔离从而使互不相容的物质在万一发生意外时不致相互起危险性反应,但只要在水平垂直投影距离不少于3m,仍可在同一舱室或货舱内或舱面上积载。
如图7-3(a)。
2)隔离2,隔离((Separated from):在舱内积载时,装在不同的舱室或货舱。
如果中间甲板是防火防液的,垂向隔离,即在不同的舱室积载,可以看成是同等效果的隔离。
舱面积载时,这种隔离应不少于6 m的水平距离,如图7-3(b)。
3)隔离3,用一介于中间的整个舱室或货舱隔离(Separated by a Complete Compartment or Hold from):垂向或水平的隔离。
如果中间甲板不是防火防液的,只能用一介于中间的整个舱室或货舱作纵向隔离。
舱面积载时,这种隔离应不少于12 m的水平距离,如图7-3(c)。
4)隔离4,用一介于中间的整个舱室或货舱作纵向隔离(Separated by an Intervening Complete Compartment or Hold from):单独的垂向隔离不符合这一要求。
在舱内积载的包件与在舱面积载的另一包件之间的距离包括纵向的一整个舱室在内必须保持不少于24米。
舱面积载时,这种隔离应不少于24 m的纵向距离,如图7-3(d)。
不同类别包装危险货物间的一般隔离要求如表7—3所示。
表中:1——“远离”;2——“隔离”;3——“用一介于中间的整个舱室或货舱隔离”;4——“用一介于中间的整个舱室或货舱作纵向隔离”;X——无一般隔离建议,应在各物质明细表中查阅;*——见不同配装类的第1类物品的隔离要求。
空运中危险品积载和隔离类的详解下载提示:该文档是本店铺精心编制而成的,希望大家下载后,能够帮助大家解决实际问题。
文档下载后可定制修改,请根据实际需要进行调整和使用,谢谢!本店铺为大家提供各种类型的实用资料,如教育随笔、日记赏析、句子摘抄、古诗大全、经典美文、话题作文、工作总结、词语解析、文案摘录、其他资料等等,想了解不同资料格式和写法,敬请关注!Download tips: This document is carefully compiled by this editor. I hope that after you download it, it can help you solve practical problems. The document can be customized and modified after downloading, please adjust and use it according to actual needs, thank you! In addition, this shop provides you with various types of practical materials, such as educational essays, diary appreciation, sentence excerpts, ancient poems, classic articles, topic composition, work summary, word parsing, copy excerpts, other materials and so on, want to know different data formats and writing methods, please pay attention!1. 概述空运是一种快捷、高效的物流方式,但由于飞行高度高、速度快,也存在一定的安全风险。
同学们好,今天我们来介绍危险货物隔离隔离就是使互不相容的危险货物之间保持一定的距离,或隔一个甚至是几个钢质甲板,或是这些措施的总和。
除第1类爆炸品之间的隔离要求另有规定外,《国际危规》将危险货物的隔离分为四个等级。
隔离1,远离(Away from):有效地隔离从而使互不相容的物质在万一发生意外时不致相互起危险性反应,但只要在水平垂直投影距离不少于3m,仍可在同一舱室或货舱内或舱面上积载。
如图隔离2,隔离((Separated from):在舱内积载时,装在不同的舱室或货舱。
如果中间甲板是防火防液的,垂向隔离,即在不同的舱室积载,可以看成是同等效果的隔离。
舱面积载时,这种隔离应不少于6m的水平距离,如图隔离3,用一介于中间的整个舱室或货舱隔离(Separated by a Complete Compartment or Hold from):垂向或水平的隔离。
如果中间甲板不是防火防液的,只能用一介于中间的整个舱室或货舱作纵向隔离。
舱面积载时,这种隔离应不少于12m的水平距离隔离4,用一介于中间的整个舱室或货舱作纵向隔离(Separated by an Intervening Complete Compartment or Hold from):单独的垂向隔离不符合这一要求。
在舱内积载的包件与在舱面积载的另一包件之间的距离包括纵向的一整个舱室在内必须保持不少于24m。
舱面积载时,这种隔离应不少于24m的纵向距离如何得知两种危险货物采用何种隔离,只需根据货物类别查包装危险货物隔离表即可。
在使用“隔离表”时,如当某些危险货物除具有主危险性外,还具有单一副危险性,在确定其隔离要求时,应以主、副危险的隔离要求中较高者为准。
我们来了解下第1类爆炸品的配装类及隔离要求。
第1类货物中,如果在一起能安全地积载或运输而不会明显地增加事故率或在一定量的情况下不会明显提高事故后果等级,视为“可配装的”,即配装类(Compatibility Group)。
滚装船舶载运危险货物车辆积载与隔离技术要求1 范围本标准规定了国内海上滚装船舶开敞式单层甲板装载危险货物车辆的积载与隔离安全技术要求。
本标准适用于国内海上滚装船舶开敞式单层甲板装载危险货物车辆的积载与隔离操作。
2 规范性引用文件下列文件对于本文件的应用是必不可少的。
凡是注日期的引用文件,仅注日期的版本适用于本文件。
凡是不注日期的引用文件,其最新版本(包括所有的修改单)适用于本文件。
水路危险货物运输规则(第一部分)(1996年11月4日,中华人民共和国交通部)3 术语和定义下列术语和定义适用于本文件。
3.1滚装船舶车辆甲板ro-ro ship’s vehicles deck滚装船上无正常分隔并延伸至船舶大部分长度或整个长度、能以水平方向正常装卸货物车辆的装车处所。
开敞式车辆甲板系指滚装船舶两端或一端开口的车辆甲板,该甲板通过侧壁或天花板上的固定开口,具有遍及整个长度的足够的自然通风。
3.2货物运输组件cargo transportation unit(CTU)公路车辆、集装箱或可移动罐柜。
封闭式运输组件系指内装物能完全封闭的永久性结构组件,侧面或顶部包裹、覆盖编织物(或纺织物)的组件不属于封闭式运输组件;开敞式运输组件系指非封闭式运输组件的组件。
3.3可移动罐柜portable tan k金属质地,其容量在450L以上,配备有减压、隔热、测量、通风、装卸等装置的,可整体装卸的容器。
3.4危险货物车辆dangerous cargo vehicle装载危险货物的公路车辆(包括装载危险货物后未经清除残余物),分为三类,即普通篷布式货车、箱式货车和槽罐车。
普通篷布式货车系指用帆布、塑料布等遮盖的车辆(也包括无任何遮盖的车辆),箱式货车系指装载集装箱的车辆或货箱能完好封闭并与车辆连为一个整体的货车,槽罐车系指罐柜与车辆连为一个整体的罐式货车。
3.5危险货物车辆积载stowage of dangerous cargo vehicles 在滚装船舶的开敞式车辆甲板对危险货物车辆所进行的配载、系固与绑扎等操作。
危品积载隔离标准
下表中表示的是不同类别危险货物间一般的隔离规定。
由于每一类别中的物质、材料或物品的特性差别很大,因此,当与其他规定不一致时,随时查阅危险货物一览表中对隔离的具体规定比查阅一般规定更重要。
隔离还要考虑到副危险性标志。
数码和符号指本页中定义的下列术语:
“1” -“远离”;
“2” -“隔离”;
“3” -“用一整个舱室或货舱隔离”;
“4” -“用一介于中间的整个舱室或货舱做纵向隔离”;“*” - 见第1类货物间的隔离;
“×”- 隔离要求(如有)应查阅危险货物一览表。