高级维修电工计算题
- 格式:doc
- 大小:1.86 MB
- 文档页数:30
高级电工维修试题及答案一、单项选择题(每题2分,共20分)1. 电路中电流的参考方向可以任意选择,但必须()。
A. 与电压方向一致B. 与电压方向相反C. 与电压方向相同或相反D. 与电压方向无关答案:C2. 电路中,电阻R与电压U和电流I之间的关系是()。
A. U=IRB. I=U/RC. U=IR^2D. I=U^2/R答案:A3. 交流电路中,电感L对电流的阻碍作用称为()。
A. 电阻B. 电抗C. 阻抗D. 容抗答案:B4. 星形连接的三相电路中,线电压与相电压的关系是()。
A. 相电压是线电压的√3倍B. 线电压是相电压的√3倍C. 相电压与线电压相等D. 线电压是相电压的2倍答案:B5. 变压器的变压比等于()。
A. 一次电压与二次电压之比B. 一次电流与二次电流之比C. 一次匝数与二次匝数之比D. 一次功率与二次功率之比答案:C6. 电路中,电容器的容抗Xc与频率f和电容C的关系是()。
A. Xc=1/(2πfC)B. Xc=2πfCC. Xc=f/(2πC)D. Xc=2πC/f答案:A7. 电路中,电感器的感抗Xl与频率f和电感L的关系是()。
A. Xl=2πfLB. Xl=1/(2πfL)C. Xl=f/(2πL)D. Xl=2πL/f答案:A8. 电路中,功率因数cosφ的值越接近1,说明电路的()。
A. 功率越大B. 效率越高C. 损耗越小D. 电流越小答案:B9. 电路中,三相负载星形连接时,线电流I与相电流Iφ的关系是()。
A. I=IφB. I=√3IφC. I=2IφD. I=Iφ/√3答案:A10. 电路中,三相负载三角形连接时,线电流I与相电流Iφ的关系是()。
A. I=IφB. I=√3IφC. I=2IφD. I=Iφ/√3答案:B二、多项选择题(每题3分,共15分)1. 以下哪些因素会影响电路的功率因数()。
A. 负载的类型B. 负载的连接方式C. 电源电压的稳定性D. 负载的功率答案:A, B2. 变压器的工作原理包括()。
四、计算题(第442题~第471题,每题5分,满分150分。
)442. B2012A型龙门刨床主传动电动机Z2-92型,P N=60 kW,U N=220 V,I N=305 A,n N=1 000 r/min,电枢电阻R=0.037 75 Ω。
采用改变电枢电压调速,当要求最大静差度S max≤0.2时,求其允许的调速范围D=?443. 一台他励直流电动机U N=220 V,I N=4.91 A,n N=1 500 r/min,R a=2Ω,采用改变电枢电压调速,能否满足调速范围D=10及最大静差度S max≤0.1的技术要求?若要满足上述要求,则电动机在额定负载下的转速降落Δn N=?444. 如图示的电路,已知:E1=12 V,E2=6 V,R1=R2=1Ω,R3=4Ω,用戴维南定理求R3中的电流。
445. 一个绕在铁心制成的无分支磁路上的线圈,匝数为300,铁心中的磁通密度为0.9 Wb/m2,磁路的平均长度为45 cm。
试分别求铁心材料为铸钢及硅钢片时线圈中的电流。
(其中已知铁心为铸钢时的H1=1.5×103A/m,,为硅钢片时的H2=5×102 A/m)446. 如图所示的电路中,已知E1=15 V,E2=11 V,E3=4 V,R1=R2=R3=R4=1 Ω,R5=10 Ω,试用戴维南定理计算流过电阻R5的电流I。
447. 电路如图所示,设U=220V∠,Z1=j10Ω,Z2=j50Ω,Z3=100Ω。
试求:①电路总的等效阻抗Z=?②总电流I1=?(说明:考生准备多功能计算器)448. 某供电系统如图所示,无限大容量电力系统出口断路器QF的断流容量为200 MV·A,工厂变电所装有一台SL7-1000/10型配电变压器。
试用欧姆法计算该变电所10 kV母线上(k-1)点短路的三相短路电流周期分量有效值和短路容量。
449. 一台△连接的三相异步电动机的额定数据如下:7.5 kW,380 V,15.4 A,1 440 r/min,50 Hz,cosϕ=0.85,试求电动机极数2p,额定转差率S N,额定负载时的效率ηN和额定转矩T N。
电工计算试题及答案一、选择题(每题2分,共10分)1. 电流的单位是()。
A. 瓦特B. 伏特C. 安培D. 欧姆答案:C2. 电阻的单位是()。
A. 欧姆B. 伏特C. 安培D. 瓦特答案:A3. 电功率的单位是()。
A. 瓦特B. 伏特C. 安培D. 欧姆答案:A4. 电容器的单位是()。
A. 法拉B. 欧姆C. 安培D. 伏特答案:A5. 电感的单位是()。
A. 亨利B. 欧姆C. 安培D. 伏特答案:A二、填空题(每题3分,共15分)1. 欧姆定律的公式是 V = IR 。
2. 电能的公式是 W = Pt 。
3. 电功率的公式是 P = VI 。
4. 电容器的充电公式是 Q = CV 。
5. 电感器的储能公式是 E = 0.5LI^2 。
三、简答题(每题5分,共20分)1. 什么是基尔霍夫电流定律?答案:基尔霍夫电流定律指出,在任何电路的节点上,进入节点的电流之和等于离开节点的电流之和。
2. 什么是基尔霍夫电压定律?答案:基尔霍夫电压定律指出,在任何闭合回路中,沿着回路所有元件上的电压降之和等于电源的电动势之和。
3. 什么是三相交流电?答案:三相交流电是一种由三个相位差120度的正弦波电压组成的交流电系统。
4. 什么是谐振频率?答案:谐振频率是指电路的电抗最小,电流达到最大的频率。
四、计算题(每题10分,共30分)1. 已知电阻R=100欧姆,电压V=220伏特,求电流I。
答案:I = V / R = 220 / 100 = 2.2安培2. 已知电容器C=1法拉,电压V=50伏特,求电容器存储的电荷Q。
答案:Q = CV = 1 * 50 = 50库仑3. 已知电感L=0.5亨利,电流I=2安培,求电感器存储的能量E。
答案:E = 0.5 * L * I^2 = 0.5 * 0.5 * 2^2 = 1焦耳五、综合分析题(每题15分,共30分)1. 一个电路由一个电阻R=200欧姆,一个电容器C=0.01法拉和一个电感L=0.05亨利组成。
高级维修电工职业技能鉴定理论试题标准答案二、选择题(第14~28题。
请选择一个正确答案,将相应字母填入括号内。
每四、简答题(第44~45题。
每题5分,共10分)44. 电气测绘的一般要求是什么?答:(1)徒手绘制草图:为了便于绘出线路的原理图,可对被测绘对象安装接线示意图,即用简明的符号和线条徒手画出电气控制元件的位置关系、连接关系、线路走向等,可不考虑遮盖关系。
(2)绘制原则:测绘时一般都是先测绘主线路,后绘制控制线路;先测绘输入端,再测绘输出端;先测绘主干线,再依次按节点测绘各支路;先简单后复杂,最后要一个回路一个回路地进行。
45.电气控制线路调试前应检查有哪些?答:(1)检查接线是否正确、可靠,符合规范。
(2)检查各元器件是否具备相应的功能,动作是否灵活,熔断器、控制元件、接点、线圈、灯器等完好程度。
(3)用绝缘电阻表对电路进行测试,检查元器件及导线绝缘是否良好,相间或相线与外壳(或底板)之间有无短路现象。
(4)检查电源电压是否符合控制回路所需电压要求。
五、计算题(第46~47题。
每题10分,共20分)46. 有两个相同电解电容器,外壳标有100μF、300V,求并联和串联时的等效电容和允许加的电压。
解:(1)并联时的等效电容C=C1+C2=100+100=200 (μF)外加电压不能超过单个电容的耐压,即:U ≤ 300 V。
(2)串联时的等效电容C1×C2 100×100C=== 50 (μF)C1+C2 100+100外加电压不能超过2倍的单个电容的耐压,即:U ≤ 600 V。
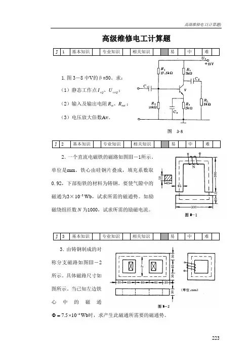
47. 如图放大电路中,已知Ucc= 6V,Rc=2 kΩ, R B=200 kΩ,β=50,求(1)放大电路的静态工作点。
(2)若R B断开,三极管工作在什么状态?解:(1)放大电路静态工作点U CC-U BE U CC 6VI BQ=≈== 0.03mA= 30 μAR B R B 200kΩI CQ ≈βI BQ= 50×0.03mA=1.5 mAU CEQ =U CC-I CQ R C= 6-1.5 mA×2kΩ=3 V(2)R B断开三极管的工作状态R B断开,I B=0,I C=0,U CE≈U CC=6 V,三极管工作在截止状态。
四、计算题1 一个直流电磁铁的磁路如图Ⅲ-1所示。
单位是mm。
铁心由硅钢片叠成,填充系数取0.92,-3 下部衔铁的材料为铸钢。
要使气隙中的磁通为3×10 Wb,试求所需的磁通势。
如励磁绕组匝数N为1000,试求所需的励磁电流。
解:(1)从磁路的尺寸可知磁路可分为铁心、气隙、衔铁三段。
各段的长度为:-3 -3 铁心L1=(300-65)×10 +2×(300-65/2)×10 =0.77(m) -3 -3 衔铁L2=(300-65)×1 0 +2×40×10 =0.135(m) -3 -3 气隙L3=2×1×10=2×10 (m) 铁心的有效截面积为:S1=KS1'=0.92×65×50×10 -4 2 ≈30×10 (m ) -6 -4 2 衔铁的截面积为:S2=80×50×10 =40×10 (m ) 气隙忽略边缘效应,其-6 -42S0=65×50×10=32.5×10 (m )(2)每段的磁感应强度为:-3-4B1=Ф/S1=(3×10 )/(30×10 )=1(T)B2=Ф/S2=(3×10B0=Ф/S0=(3×10 查表为可得磁场强度:H1=340A/mH2=360A/m算得 6 6 6H0=0.8×10B0=0.8×10×0.92=0.736×10 A/m (3)所需磁通势:F=H1L1+H2L2+H0L0 -3 6=340×0.77+360×0.315+2×10×0.736×10 -3-3 )/(40×10-4 )=0.75(T) -6-4 )/(32.5×10 )=0.92(T)=1847(AN) N为1000时,所需电流:I=F/N=1847/1000=1.847(A)2 由铸钢制成的对称分支磁路如图所示。
高级维修电工计算题(答案)本页仅作为文档封面,使用时可以删除This document is for reference only-rar21year.March维修电工计算题答案78963.05.150//33963226501300261300////252321522105.2710151.121212≈⨯=-=KΩ=≈Ω=⨯++=++≈≈==+⨯-=+-≈=⨯+⨯=+≈be L c V C out eQbe be in e C cQ c ceQ c c cQ r R R A R R I r r R R R V R R I U u mAR R R R U I ββ)()()()()()()()()解(2. 解:(1)从磁路的尺寸可知磁路可分为铁心、气隙、衔铁三段。
各段的长度为:m)(1021012m)(315.01040210)65300(m 77.010*********)65300(333332331------⨯=⨯⨯==⨯⨯=⨯-==⨯⎪⎭⎫ ⎝⎛-⨯+⨯-=l l l铁心的有效面积为:)m (103010506592.0246'11--⨯≈⨯⨯⨯==KS S 衔铁的截面积为:)m (10401050802462--⨯=⨯⨯=S气隙忽略边缘效应,其)m (105.321050652460--⨯=⨯⨯=S (2)每段的磁感应强度为:)()()(T S B T S B T S B 92.0105.3210375.0104010311030103430043224311=⨯⨯=Φ==⨯⨯=Φ==⨯⨯=Φ=------查表可得磁场强度:A/m3401=HA/m 3602=H算得: A/m 10736.092.0108.0108.066060⨯=⨯⨯=⨯=B H (3)所需磁通势:002211l H l H l H F ++=AN)(184710736.0102315.036077.034063=⨯⨯⨯+⨯+⨯=-N 为1000时,所需电流:A)(847.110001847===N F I 3.解:由中间柱把其对剖开,取一半来作为无分支磁路进行计算。
计算题1. 按图求出交流电的周期、频率和角频率。
解: 如图:)(4s T =)(25.0411Hz T f ===)(7.1525.014.322rad f =⨯⨯==πω2. 已知u=100sin (ωt+π/3),i =50sin(ωt+π/6)。
指出u 和i 的初相位各是多少?两者的相位关系如何。
解: u 的初相位为3π,i 的初相位为6π。
u 和i 的相位差 663πππϕ=-=∆。
u 比I 超前6π。
3. 设某电器的电阻为44 Ω,加上电压u=311sin(314+30°) V ,问通过电器的电流是多大?写出电流的解析式。
解: )(22023112V U U m ===)(544220A R U I ===)(07.7522max A I I =⨯==))(30314sin(07.7)sin(A t I i ︒+⨯=+=ϕω4. 己知电流的瞬时值函数式i=sin (1000t+30°) A ,试求其最大值,角频率,频率与初相角,并问该电流经多少时间后第一次出现最大值? 解: I m =1 A ω=1000 弧度/秒 f=1000/2π=159 初相角ψ=30°第一次出现最大值时必须1000t+30°=90° 即:1000t=90°-30°=π/2-π/6=π/3t=(π/3)/1000=1。
05/1000 =0。
00105 (s )=1.05 (ms )5. 在图中,R 1=30 Ω、R 2=20 Ω、R 3=60 Ω、R 4=10 Ω,求等效电阻R A 、B 的值。
0 1 2 3 4 5 6 7 8 t(s)e解: R 1,3=R 1//R 3=30//60=20 (Ω)R 2,1,3=R 2//R 1,3=20//20=10 (Ω) R A ,B =R 2,1,3R 4=10+10=20 (Ω)6. 如图所示,其中:R 1=5 Ω,R 2=10 Ω,R 3=8 Ω,R 4=3 Ω,R 5=6 Ω,试求图中A 、B 端的等效电阻R ?解:)(2)63/(63)/(//545454Ω=+⨯=+==R R R R R R R a)(10283Ω=+=+=a b R R R)(5)1010/(1010)/(//222Ω=+⨯=+==b b b C R R R R R R R )(10551Ω=+=+=C AB R R R答:A 、B 端的等效电阻R 为10 Ω.7. 求图示电路的等效电阻R ab .解: 电路变换如图所示:(1))(5.04222253232Ω=++⨯=++='R R R R R R ;(2))(14224253253Ω=++⨯=++=''R R R R R R ;(3))(14224253252Ω=++⨯=++='''R R R R R R ;(4))(5.21)13()5.02()13()5.02()]//()[(41Ω=+++++⨯+='''+''+'+=R R R R R R ab8. 如图所示电路中,己知V a =50 V,V b =-40 V ,V C =30 V ,求U ac 、U bc 、U OC 、U ab 、U bo 、U oa .解: )(203050V V V U C a ac =-=-=)(703040V V V U C b bc -=--=-= )(300V V U C O C -=-=)(90)40(50V V V U b a ab =--=-= )(400V V U b bo -=-= )(500V V U a oa -=-=答:U ac 为20 V ,U bc 为-70 V ;U oc 为—30 V ,U ab 为90 V ,U bo 为-40 V ,U oa 为—50 V.9. 如图是直流电对蓄电池的原理图,已知直流电源的电动势E 1=15 V,内阻R 01=1 Ω,蓄电池的电动势E 2=12 V ,内阻R 02=2 Ω,R 1=1。
职业技能鉴定国家题库维修电工高级技师理论知识试卷答案及评分标准一、填空题1、变压器空载电流的(有功分)很小,而(无功分量)较大,所以变压器空载时,其功率因数(很低),并且(感性)的。
2、做空载器空载试验时,为了便于选择仪表和设备以及保证试验安全,一般都在(低压)侧接仪表和电源,而使(高压)侧开路。
3、铁心性能试验的主要内容是测试(空载电流)(空载损耗)。
4、三相异步电动机的安全绕组,若采用单层绕组,则总线圈数等于(总槽数一半),若采用双层叠绕组,则总线线圈数等(总槽数),而每极每相含有Z1/ (2Pm) 个线圈。
5、变压器在运行中,其总损耗是随负载的变化而变化的,其中(铁耗)是不变的,而(铜耗)是变化。
6、随着负载的变化,变压器的效率也在发生变化。
当(可变损耗)等于(不变损耗)时,其效率将最高。
7、电焊变压器必须有较高的(电抗),而且可以(调节) ,其外特性应是(陡降)的。
8、绝缘处理工艺主要包括(预烘、浸漆)和干燥三个过程。
二、选择题(每题1分,共20分):1. A 2. A 3. A 4. D 5. C 6. D 7. C 8. A 9. D10. C 11. A 12. A 13. C 14. C 15. D 16. A 17. A18. D 19. D 20. C三、判断题√××√×××××××××××√√√√×三、问答题(每题5分,共20分):1、①靠背轮式直接传动;②皮带传动;③齿轮传动;④蜗杆传动;⑤链传动;⑥摩擦轮传动。
2、①感应加热法;②热风干燥法;③烘箱干燥法。
3、答;在拆修电动机前应做好各种准备工作,如所用工具,拆卸前的检查工作和记录工作。
拆卸电动机步骤:①拆卸皮带轮或连轴卷,在拆卸皮带轮和连轴器前应做好标记,在安装时应先除锈,清洁干净后方可复位;②拆卸端盖:先取下轴承盖,再取端盖,并做好前后盖的标记,安装时应按标记复位;③拆卸转子:在定转子之间应垫上耐磨的厚纸防止损伤定子绕组,若转子很重,可用起重设备安装转子时先检查定子内是否有杂物,然后先将轴伸端端盖装上,再将转子连同风扇及后盖一起装入。
维修电工计算题及答案1.在图1所示电路中,A 为理想运算放大器。
已知R 1=R 2=R L =10K Ω, R 3=RF=100K Ω, U 1=0.55V ,求输出电压U O 、负载电流I L 及运算输出电流I O 。
图 1答案:解:UO=R3/R2+R3(1+RF/R1)U1=100/10+100×(1+100/10)×0.55V=5.5V IL=UO/RL=5.5/10=0.55mAIO=IL=IF=IL+UO/F1+RF=(0.55+5.5/10+100)mA=0.6mA 答:运算输出电压UO 为5.5V ,负载电流IL 为0.55mA ,运算输出电流IO 为0.6 mA 。
2.三相异步电动机接到50H Z 的交流电源上,其额定转速n N =1455r/min ,试求:(1)该电动机的极对数p ;(2)额定转差S N ;(3)额定转速运行时,转子电动势的频率。
答案:解:(1)因异步电动机额定转差率很小,故可根据电动机的额定转速n N =1455 r/min,直接判断出最接近n N 的气隙旋转磁场的同步转速n 1=1500 r/min,于是 p=60f/n 1=(60×50)/1500=2或 p=60f/n 1≈60f/n=(60×50)/1455=2.06 取 p=2(2)s N =(n 1-n)/n 1=(1500-1455)/1500=0.03 (3)f 2=s N f 1=0.03×50H Z =1.5 H Z3.相半控桥式整流电路,带阻性负载,已知U2=100V, Rd=10Ω。
当a=60°时,试计算:输出电压、输出电流的平均值及流过晶闸管电流的平均值ITAV 。
答案:解:Ud=1.17U2(1+cosa)=1.17×100×(1+ cos60°)=175.5V Id=Ud/Rd=175.5/10A=17.55A ; ITAV=1/3Id=1/3×17.55A=5.85A答:整流电路输出的平均电压Ud=175.5V ;流过负载的平均电流Id=17.55A ;流过晶闸管的电流的平均值ITAV=5.85A 。
高级电工维修试题及答案### 高级电工维修试题及答案#### 一、选择题1. 电流的单位是()。
A. 伏特B. 安培C. 欧姆D. 瓦特答案:B2. 以下哪个不是电气故障的常见类型?()A. 短路B. 开路C. 过载D. 电压不足答案:D3. 电气设备中,用于保护人身安全的装置是()。
A. 断路器B. 熔断器C. 漏电保护器D. 继电器答案:C1. 三相电动机的额定功率等于其额定电压与额定电流的乘积。
()答案:错误2. 断路器的主要作用是过载保护。
()答案:错误3. 漏电保护器可以在发生漏电时自动切断电源,以保护人身安全。
()答案:正确#### 三、简答题1. 请简述三相异步电动机的工作原理。
答案:三相异步电动机的工作原理基于电磁感应。
当三相交流电通过电动机的定子绕组时,会在定子与转子之间产生旋转磁场。
这个旋转磁场会感应出转子电流,由于磁场与电流的相互作用,转子受到力矩作用而旋转。
由于转子转速低于旋转磁场的同步速度,因此称为异步电动机。
2. 什么是电气设备的接地?为什么接地是必要的?答案:电气设备的接地是指将电气设备的金属外壳或非带电部分与大地连接起来。
接地的目的是为了在发生电气故障时,如设备外壳带电,能够迅速将电流导向大地,从而保护人身安全并减少设备损坏的风险。
1. 已知一个电阻为20Ω,通过它的电流为5A,求该电阻两端的电压。
答案:根据欧姆定律,电压V = 电流I × 电阻R。
所以,V = 5A ×20Ω = 100V。
2. 如果一个电路的总功率为1000W,电压为220V,求该电路的电流。
答案:根据功率公式,功率P = 电压V × 电流I。
所以,I = P / V = 1000W / 220V ≈ 4.55A。
#### 五、案例分析题某工厂的一台三相异步电动机在运行过程中突然停止工作,但电源显示正常。
请分析可能的原因并给出相应的维修建议。
答案:可能的原因包括:- 电动机过载或过热,导致热继电器动作。
电工高级维修试题及答案一、选择题1. 在电工工作中,以下哪种用途最广泛的电导体是?A. 铜导体B. 银导体C. 铁导体D. 铝导体2. 在电路中,以下哪种元件是用于控制电流流动的?A. 电阻B. 电感C. 电容D. 开关3. 在直流电路中,以下哪种元件用于将电能转换为其他形式的能量?A. 变压器B. 发电机C. 电阻D. 电容4. 在三相交流电路中,以下哪种方法可以实现三相电流的平衡?A. 使用单相发电机B. 使用三相变压器C. 使用三相电容D. 使用三相电阻5. 以下哪种保护装置可以在电路发生过载或短路时切断电流?A. 断路器B. 开关C. 电阻D. 电容二、填空题1. 电流的单位是________。
2. 电阻的单位是________。
3. 一个电路中,总电流等于各个并联电阻上的电流之和,这个原理称为________定律。
4. 一个电路中,总电压等于各个串联电阻上的电压之和,这个原理称为________定律。
5. 电源的正极称为________,负极称为________。
三、简答题1. 请简要解释什么是电流?2. 请解释什么是电阻?它的作用是什么?3. 请解释什么是电容?它有哪些应用领域?4. 请解释什么是电感?它有哪些应用领域?5. 请解释交流电和直流电的区别和应用场景。
四、计算题1. 如果一个电路中有三个并联电阻,电阻值分别为5欧姆、10欧姆和15欧姆,求总电阻。
2. 如果一个电路中有两个串联电容,电容值分别为2微法和3微法,求总电容。
3. 如果一个电路中有一个电感,电感值为10亨利,电流频率为50赫兹,求电感的阻抗值。
五、实际应用题1. 请设计一个可以将220伏交流电转换为12伏直流电的电路,并标出所使用的元件和其工作原理。
2. 请设计一个电路,使得一个机器人在探测到障碍物时,自动停止前进并改变方向。
请标出所使用的元件和其工作原理。
六、解答题1. 请描述一个三相电路的工作原理,并解释为什么使用三相电路比使用单相电路更加高效和稳定。
(四)计算题1.解:当用电压表测含源二端网络时,其等效电路如下图所示。
=(1 000X1)/(0.6/600+0.001)=5X105(A/m) (2分)4.解:①因为:U LA V=2.34U2φCOSα(1分)所以:U2φ=U LA V/2.34COSα=234/2.34cos0°=100(V)(2分)①U LA V=2.34 U2φCOSα=2.34X100XCOS60°=117(V)(2分)5.解:T N=9.55(P N/n N)=9.55X(40X103/1 450)=263.45(N·m)(3分)T m=λT N=2.2X 263.45=579.59(N·m)(2分) 6.解:Pl=P N/η=40/0.84二47.5(kW)(1分) I N=P l/(3U N COSφ)=(47.5X103)/(3X 380X0.79)=52.74(A)(2分)T N=9.55X(40X103)/950=402.1(N·m)(2分) 7.解:①P=EαIα=230X45=10 350(W)(2分)②T=P/(2πn/60)=10 350/(2X 3.14X 900/60)=109.87(N·m)(3分)8.解:①Eα=(NP/60a)Φn=[(780X1)/(60X1)]X0.02X 885=230.1(2分)②P=EαIα=230.1X40=9 204(W)(1分)T=P/(2πn/60)=9 204/(2X3.14×885/60)=99.36(N·m)(2分)二、操作技能试题试题1 有一台生产设备用双速三相异步电动机拖动,双速三相异步电动机型号为YDl23M—4/2,三相异步电动机铭牌数据为6.5 kW/8 kW、△/2Y、13,8 A/17.1 A、450/2880r/min。
根据加工工艺要求,电动机自动切换运转,并且具备过载保护、短路保护、失压保护和欠压保护等。
维修电工高级技师计算题及答案1.某照明电路中的熔断器熔断电流为5A,现将220V、1000W的负载接入电源,问熔断器是否熔断?如果220V、1500W的负载呢?解:根据I=P/U则 I1=P1/U1=1000/220=4.5A, I1<I熔I2=P2/U2=1500/220=608A, I2>I熔答:1000W负载接入电源时,熔丝不会断,1500W负载接入电源时,熔丝将熔断。
2.规格为5.1KΩ、0.25W,82Ω1W的两只金属膜电阻,问使用时允许加在各个电阻上的电压、电流最大值各是多少?解:根据P=I2R=U2/R,有I=则I1I2=0.11A=110mAU1=35.7VU2所以允许加在5.1kΩ电阻上电压和电流最大值分别为35.7V和7mA。
允许加在82Ω电阻上的电压和电流的最大值分别为9.1A和110mA。
3.有一台三相异步电动机,额定功率为2.2kw,额定电压为380V,功率因数为0.86,效率为0.88,求电动机的额定电流?解:根据cosη有:η=2.2⨯1000/1.73⨯380⨯0.86⨯0.88=2200/497.5≈4.42A答:电动机额定电流约为4.42A。
4.一个车间有白炽灯100W、22只,日光灯40W、20套,采用单相供电,问熔断丝选用多大?解:求总负载电流I。
单相220V供电白炽灯的总电流I1I1=nP/U=100⨯22/220=10A日光灯功率因数取0.5,总电流I2I 2=nP/Ucos=40⨯20/220⨯0.5=7.27A则干线中总电流II= I1+I2=10+7.27=17.27A答:总熔断丝选用20A。
5.某彩色电视机额定功率为85W(设cos=1),若每天使用4h,电价是0.4元/kWh,求每月(30天)应付多少电费?解:一个月使用的电量是:A=85⨯4⨯30/1000=10.2kwh应付电费为:10.2⨯0.4=4.08元答:每月使用后应付电费4.08元。
(11-055)电力职业技能考试<<变电检修>>高级工理论试卷一、计算题(每题5分,共27题)1(La3D2010).有一线圈与一块交、直流两用电流表串联,在电路两端分别加U =100V 的交、直流电压时,电流表指示分别为I 1=20A 和I 2=25A ,求该线圈的电阻值和电抗值各是多少?答案:解:加交流电压时的阻抗1100===520U Z I (Ω)加直流电压时的电阻2100===425U R I (Ω)则电抗2222L ==54=3X Z R --(Ω) 答:该线圈的电阻值和电抗值分别为4Ω和3Ω。
2(La3D3011).有一线圈电感L =,电阻r =200Ω,外接电源U =200V 工频交流电,计算通过线圈的电流是多少?若接到220V 直流电源上求电流是多少? 答案:解:(1)线圈的电抗X L =ωL =2πfL =2××50×=(Ω) 阻抗2222L ==200+1978.2=1988.3Z r X +(Ω)通过线圈的电流220===0.111988.2U I Z (A)(2)接到直流电源上X L =2πfL =2××0×=0(Ω)220===1.1200U I r (A)答:通过线圈的电流是,接到直流电源上时通过线圈的电流是。
3(La3D3012).在电容C 为50μF 的电容器上加电压U 为220V 、频率f 为50Hz 的交流电,求无功功率Q 为多少?答案:解:容抗C 611===63.6922 3.14505010X fC π-⨯⨯⨯⨯(Ω)22C 220===759.963.69U Q X (var)答:无功功率为。
4(La3D3013).如图D-5所示,已知R 1=5Ω、R 2=10Ω、R 3=20Ω,求电路中a 、b 两端的等效电阻R ab 是多少?图D-5答案:解:131313520===4+5+20R R R R R ⨯(Ω)R a b =R 2+R 13=10+4=14(Ω) 答:a 、b 两端的等效电阻R ab 为14Ω。
高级电工维修试题及答案一、选择题(每题2分,共20分)1. 以下哪种设备是用于测量交流电流的?A. 万用表B. 钳形电流表C. 电压表D. 电阻表答案:B2. 电路中电流的单位是:A. 伏特B. 欧姆C. 安培D. 瓦特答案:C3. 以下哪个符号代表断路器?A. SBB. MCBC. RCBOD. CB答案:B4. 交流电的频率是50Hz,其周期是:A. 0.02秒B. 0.1秒C. 0.2秒D. 0.5秒5. 以下哪种材料是绝缘体?A. 铜B. 橡胶C. 铝D. 铁答案:B6. 电路中电阻的单位是:A. 伏特B. 欧姆C. 安培D. 瓦特答案:B7. 以下哪种设备用于测量电压?A. 万用表B. 钳形电流表C. 电阻表D. 电流表答案:A8. 以下哪种连接方式是并联?A. 串联B. 并联C. 串联并联D. 混合连接答案:B9. 以下哪种设备是用于测量电阻的?B. 电流表C. 电阻表D. 万用表答案:C10. 电流通过导体时,导体发热的现象称为:A. 电磁感应B. 焦耳定律C. 欧姆定律D. 热效应答案:D二、填空题(每题2分,共20分)1. 电流的三要素包括电流的____、____和____。
答案:大小、方向、时间2. 电路中电压的单位是____。
答案:伏特3. 电路中电阻的单位是____。
答案:欧姆4. 电路中电流的单位是____。
答案:安培5. 电路中功率的单位是____。
答案:瓦特6. 电路中电流的计算公式是____。
答案:I = V/R7. 电路中电压的计算公式是____。
答案:V = IR8. 电路中功率的计算公式是____。
答案:P = VI9. 电路中电阻的计算公式是____。
答案:R = V/I10. 电路中电流的单位是____。
答案:安培三、简答题(每题10分,共30分)1. 请简述电路的三种基本连接方式。
答案:电路的三种基本连接方式包括串联、并联和混联。
串联是指电路元件首尾相连,电流在电路中只有一条路径;并联是指电路元件并排连接,电流有多条路径;混联则是串联和并联的组合。
41维修电工计算题答案78963.05.150//33963226501300261300////252321522105.2710151.121212≈⨯=-=KΩ=≈Ω=⨯++=++≈≈==+⨯-=+-≈=⨯+⨯=+≈be L c V C out eQbe be in e C cQ c ceQ c c cQ r R R A R R I r r R R R V R R I U u mAR R R R U I ββ)()()()()()()()()解(2. 解:(1)从磁路的尺寸可知磁路可分为铁心、气隙、衔铁三段。
各段的长度为:m)(1021012m)(315.01040210)65300(m 77.010*********)65300(333332331------⨯=⨯⨯==⨯⨯=⨯-==⨯⎪⎭⎫ ⎝⎛-⨯+⨯-=l l l铁心的有效面积为:)m (103010506592.0246'11--⨯≈⨯⨯⨯==KS S 衔铁的截面积为:)m (10401050802462--⨯=⨯⨯=S气隙忽略边缘效应,其)m (105.321050652460--⨯=⨯⨯=S (2)每段的磁感应强度为:)()()(T S B T S B T S B 92.0105.3210375.0104010311030103430043224311=⨯⨯=Φ==⨯⨯=Φ==⨯⨯=Φ=------ 查表可得磁场强度:A/m 3401=H高级维修电工(计算题)42A/m3602=H算得:A/m10736.092.0108.0108.0666⨯=⨯⨯=⨯=BH(3)所需磁通势:2211lHlHlHF++=AN)(184710736.0102315.036077.034063=⨯⨯⨯+⨯+⨯=-N为1000时,所需电流:A)(847.110001847===NFI3.解:由中间柱把其对剖开,取一半来作为无分支磁路进行计算。