钢结构表示方法
- 格式:docx
- 大小:902.12 KB
- 文档页数:10
在钢结构工程中,不管是建造单层轻钢门式结构的厂房,还是网架工程,都要预先绘制出能够完整表达这些建筑物的图样,然后才能按此图样进行施工活动,这个图样就是建筑工程图,它是建筑工程上通用的技术语言。
在钢结构工程中,为了把许多局部构造和施工要求表达清楚,往往对建筑的细部、零部件等用较大的比例画出来,这种图样就是施工详图。
对钢结构工程进行质量控制,就要首先对详图上的标注符号有一个明确的了解。
一、尺寸线与投影1尺寸线的标注钢结构详图的尺寸由尺寸线、尺寸界线、尺寸起止符号所组成。
尺寸单位除标高以m为单位外,其余尺寸均以mm为单位,且尺寸标注时不再书写单位。
钢结构构件详图中的尺寸线,一个构件基本上为三道尺寸线,由内向外依次是加工尺寸线、装配尺寸线和安装尺寸线,如图1。
图1构件详图的尺寸标注但是当详图中构件图形相同,仅零件布置或构件长度不同时,也可用一个构件图形及多道尺寸线来表示1、2、3等多个构件,但最多不得超过5个。
当构件图形相同,仅零件布置或构件长度不同时,可用一个构件图形及多道尺寸线来表示A、B、C、D等多个构件,但是最多不能超过5个。
2符号及投影在钢结构详图上,常用的符号主要有剖面符号、剖切符号、对称符号等,同时还有利用自然投影表示构件的上下位置及侧面的图形,如图2所示。
图2剖面剖切及投影1—剖面符号2—剖切符号3—右侧投影4—上侧投影5—对称符号6—断开符号在图2中,用粗实线表示构件主视图中无法看到或表达不清楚的截面形状及投影层次关系的符号则称为剖面符号,编号所用的字体应比详图中的数字粗大一号,如图2中的1。
在图中,用粗线只表示剖切处的截面形状而不作投影的符号称作剖切符号,如图2中的2。
图2中的5,因构件图形是中心对称的,所以只画出该图形的一半,并在其对称轴线上标注出的符号称为对称符号。
图3是一种连接符号。
当构件B与构件A只有一端不相同时,则可在构件A图形上某一位置加旗号连接符号,再将构件B中与构件A不同的部位以连接符号为基线绘出来,成为构件B。
钢结构的符号表示法在钢结构工程中,不管是建造单层轻钢门式结构的厂房,还是网架工程,都要预先绘制出能够完整表达这些建筑物的图样,然后才能按此图样进行施工活动,这个图样就是建筑工程图,它是建筑工程上通用的技术语言。
在钢结构工程中,为了把许多局部构造和施工要求表达清楚,往往对建筑的细部、零部件等用较大的比例画出来,这种图样就是施工详图。
对钢结构工程进行质量控制,就要首先对详图上的标注符号有一个明确的了解。
一、尺寸线与投影1尺寸线的标注钢结构详图的尺寸由尺寸线、尺寸界线、尺寸起止符号所组成。
尺寸单位除标高以m为单位外,其余尺寸均以mm为单位,且尺寸标注时不再书写单位。
钢结构构件详图中的尺寸线,一个构件基本上为三道尺寸线,由内向外依次是加工尺寸线、装配尺寸线和安装尺寸线,如图1。
图1构件详图的尺寸标注但是当详图中构件图形相同,仅零件布置或构件长度不同时,也可用一个构件图形及多道尺寸线来表示1、2、3等多个构件,但最多不得超过5个。
当构件图形相同,仅零件布置或构件长度不同时,可用一个构件图形及多道尺寸线来表示A、B、C、D等多个构件,但是最多不能超过5个。
2符号及投影在钢结构详图上,常用的符号主要有剖面符号、剖切符号、对称符号等,同时还有利用自然投影表示构件的上下位置及侧面的图形,如图2所示。
图2剖面剖切及投影1—剖面符号2—剖切符号3—右侧投影4—上侧投影5—对称符号6—断开符号在图2中,用粗实线表示构件主视图中无法看到或表达不清楚的截面形状及投影层次关系的符号则称为剖面符号,编号所用的字体应比详图中的数字粗大一号,如图2中的1。
在图中,用粗线只表示剖切处的截面形状而不作投影的符号称作剖切符号,如图2中的2。
图2中的5,因构件图形是中心对称的,所以只画出该图形的一半,并在其对称轴线上标注出的符号称为对称符号。
图3是一种连接符号。
当构件B与构件A只有一端不相同时,则可在构件A图形上某一位置加旗号连接符号,再将构件B中与构件A不同的部位以连接符号为基线绘出来,成为构件B。
常用钢结构符号范文钢结构是一种常用的建筑结构,在设计和施工过程中,使用了许多符号来表示不同的构件、连接和细节。
以下是一些常用的钢结构符号:1.构件和构件符号:-I:表示普通型钢,如I型钢梁和柱。
-H:表示H型钢,如H型钢梁和柱。
-C:表示C型钢,如C型钢梁和柱。
-T:表示T型钢,如T型梁和柱。
-L:表示L型钢,如L型角钢。
-R:表示圆钢,如圆柱和圆杆。
-Cb:表示圆柱形连接板,如圆形剪切连接板。
-Pl:表示钢板,如钢板梁和柱标记。
-Tr:表示梯形钢件,如梯形钢梁和柱。
2.连接符号:-Φ:表示焊缝的符号,如Φ10表示的是直径为10的焊缝。
-+:表示钢结构连接点的位置,如A+表示连接点A。
-∠:表示角焊缝,如∠75表示一个75度的角焊缝。
-×:表示螺栓连接,如4×M12表示使用四个M12螺栓进行连接。
-‖:表示螺栓排列,如4‖20×25表示使用四个20×25螺栓排成一行进行连接。
-⚫:表示螺母,如M16⚫表示M16螺母使用在连接中。
3.直线和尺寸符号:- ━:表示直线,如 I-Beam上的斜线表示 I型钢梁的中轴线。
--:表示尺寸线,标记构件的尺寸。
-┗:表示悬臂尺寸线,标记悬挑构件的尺寸。
-↘:表示斜线,标记两个构件之间的夹角。
4.施工符号:-N:表示铆接点,如N10表示铆钉的直径为10。
-A、B、C:表示工序顺序,如A表示第一道焊缝。
-__,__:表示断面的符号,如钢梁或柱子的截面。
5.填充和切割符号:-Sx:表示填充符号,如S1填充符号表示用焊条填充。
-II:表示切割符号,如II表示切割线。
这些是一些常见的钢结构符号,用于表示构件、连接、尺寸和施工细节等。
对于设计师、工程师和工人来说,了解和使用这些符号是非常重要的,可以帮助他们更好地理解和沟通钢结构的设计和施工要求。
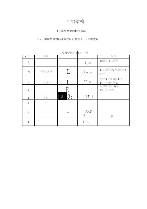
4钢结构4.1常用型钢的标注方法4.1.1常用型钢的标注方法应符合表4.1.1中的规定续表J.I.l4.2螺栓、孔、电焊铆钉的表示方法4.2.1螺栓、孔、电焊铆钉的表示方法应符合表4.2.1中的规定螺栓、孔、电焊钮钉的表示方法4.3常用焊缝的表示方法4.3.1焊接钢构件的焊缝除应按现行的国家标准《焊缝符号表示法》(GB324)中的规定外,还应符合本节的各项规定。
4.3.2单面焊缝的标注方法应符合下列规定:1当箭头指向焊缝所在的一面时,应将图形符号和尺寸标注在横线的上方(图4.3.2a );当箭头指向焊缝所在另一面(相对应的那面)时,应将图形符号和 尺寸标注在横线的下方(图4.3.2b )。
2 表示环绕工作件周围的焊缝时,其围焊焊缝符号为圆圈,绘在引出线的 转折处,并标注焊角尺寸K (图4.3.2c )。
I 细+飞?、示定付线 2M 表示龊栓中号 3妙表示螺梓几肖锂 4J 示膨槪颯栓、电悍柳§采用引出块标注螺栓时.離线上林汁啤 1MJ [禅图4.3.2单面烬缝的标注方法433 双面焊缝的标注,应在横线的上、下都标注符号和尺寸。
上方表示箭头一面的符号和尺寸,下方表示另一面的符号和尺寸(图4.3.3a);当两面的焊缝尺寸相同时,只需在横线上方标注焊缝的符号和尺寸(图4.3.3b、c、d)。
图4.3.3取呦焊域的杯汀方敲4.3.4 3个和3个以上的焊件相互焊接的焊缝,不得作为双面焊缝标注。
其焊缝符号和尺寸应分别标注(图4.3.4)。
435 相互焊接的2个焊件中,当只有1个焊件带坡口时(如单面V形), 引出线箭头必须指向带坡口的焊件(图4.3.5)。
圈L 3.5 1个情件带墟口的烬镉你注方挂4.3.6相互焊接的2个焊件,当为单面带双边不对称坡口焊缝时,引出线箭头必须指向较大坡口的焊件(图4.3.6)。
图4山"朋对怫坡口焊缝的标梓方祛4.3.7当焊缝分布不规则时,在标注焊缝符号的同时,宜在焊缝处加中实线(表示可见焊缝),或加细栅线(表示不可见焊缝)(图4.3.7)松鷺斡J g图4-X7不规则埠魅的标注方法438相同焊缝符号应按下列方法表示:1 在同一图形上,当焊缝型式、断面尺寸和辅助要求均相同时,可只选择一处标注焊缝的符号和尺寸,并加注“相同焊缝符号”,相同焊缝符号为3/4 圆弧,绘在引出线的转折处(图4.3.8a)。
钢结构截面尺寸表示方法嘿,钢结构截面尺寸表示方法啊,那咱就来唠唠。
这钢结构的截面尺寸呢,可有讲究了。
一般来说,咱得用数字和字母来表示。
比如说,有个钢梁,它的截面可能是 H 形的。
那咱就可以说这个钢梁是 H 多少乘以多少乘以多少的。
这几个数字分别代表啥呢?比如说H300×150×6×8,这里的 300 呢,通常是指钢梁的高度,就是从上面到下面有多高。
150 呢,一般是指钢梁的宽度,就是从左边到右边有多宽。
那 6 和 8 又是啥呢?这两个数字啊,一个是指钢梁的腹板厚度,一个是指钢梁的翼缘厚度。
腹板就是中间那块竖着的板,翼缘呢,就是两边横着的板。
要是钢结构的截面是矩形的呢,那就更好说了。
比如说一个方管,咱就可以说它是多少乘以多少的。
比如100×100 的方管,那就是说这个方管的边长都是 100 毫米。
还有那种圆形的钢管,咱就可以说它的外径是多少。
比如说外径是 89 毫米的钢管。
这外径呢,就是从钢管的最外面量一圈的长度。
在看钢结构截面尺寸的时候,可不能马虎。
得看清楚数字和字母代表的意思。
不然搞错了尺寸,那可就麻烦了。
就像你买衣服,得看清楚尺码,不能买大了或者买小了。
我给你讲个事儿吧。
我有个朋友,他在盖房子,要用钢结构。
他去买钢材的时候,没看清楚截面尺寸。
结果买回来的钢梁尺寸不对,装不上去。
他可着急了,又得去换。
这一来二去的,浪费了不少时间和钱。
从那以后,他买钢材的时候可仔细了,一定要看清楚截面尺寸才买。
所以啊,钢结构截面尺寸的表示方法很重要。
咱得搞清楚数字和字母代表的意思,这样才能买到合适的钢材,把钢结构盖得结结实实的。
哈哈。
钢结构h型钢表示方法钢结构H型钢是一种常见的结构材料,在工业和建筑领域得到了广泛应用。
它具有强度高、稳定性好、重量轻等特点,因此被广泛用于框架结构、梁柱结构以及其他各种承重结构中。
下面将详细介绍一下钢结构H型钢的表示方法。
钢结构H型钢的表示方法通常是通过一系列的数字来描述的。
这些数字代表了H型钢的几何尺寸和截面特征。
其中,H型钢的表示方法主要包括型号、腰板厚度、腰板宽度、腰板厚度和腰板宽度之间的连接方式等。
型号是H型钢的唯一标识,用来表示不同型号的H型钢。
不同型号的H型钢在尺寸和截面特征上可能存在差异,因此型号的选择对于具体的工程应用非常重要。
腰板厚度指的是H型钢腰板的厚度,通常用毫米来表示。
腰板厚度的选择取决于具体的结构设计要求和承载力要求。
腰板宽度指的是H型钢腰板的宽度,也通常用毫米来表示。
腰板宽度的选择同样取决于具体的结构设计要求和承载力要求。
腰板厚度和腰板宽度之间的连接方式决定了H型钢的截面形状和连接方式。
常见的连接方式有焊接连接和螺栓连接等。
不同的连接方式对于H型钢的使用和施工方式有一定的影响。
除了以上几个主要的表示方法外,钢结构H型钢还可以通过其他一些参数来进一步描述。
例如,H型钢的截面系数、抗弯系数、抗剪系数等。
这些参数可以用来评估H型钢的结构性能和承载能力,对于结构设计和施工具有重要意义。
钢结构H型钢还可以根据不同的执行标准来进行分类和表示。
例如,国家标准和行业标准中对于H型钢的尺寸和技术要求有详细规定,以便确保H型钢的质量和使用安全。
钢结构H型钢的表示方法是通过一系列数字和参数来描述的。
这些数字和参数代表了H型钢的几何尺寸、截面特征和连接方式等。
正确理解和应用这些表示方法对于钢结构工程的设计、施工和使用具有重要意义。
通过合理选择和使用H型钢,可以有效提高结构的稳定性和承载能力,确保工程的安全和可靠性。
钢结构常用表示钢结构常用表示一、引言钢结构是一种由钢材构成的建筑结构,具有高强度、耐腐蚀、可重复利用等特点,因此被广泛应用于各种建筑和工程项目中。
本文档旨在提供关于钢结构常用表示的详尽说明,包括材料标识、构件表示、连接方式等方面的内容。
二、材料标识1. 钢材的表示方法:1.1 钢种标识:根据不同国家或地区的标准,钢材可以使用不同的标识方法,如中国标准GB/T 3077-2015中使用的钢种标记方法为:钢号+字符表示。
2. 钢板的表示方法:2.1 钢板的厚度表示:一般使用毫米或英寸表示,如12mm、1/2 inch等。
2.2 钢板的宽度表示:一般使用毫米或英寸表示,如1000mm、40 inch等。
3. 钢管的表示方法:3.1 钢管的直径表示:一般使用毫米或英寸表示,如Φ89mm、3 inch等。
3.2 钢管的壁厚表示:一般使用毫米或英寸表示,如6mm、1/4 inch等。
三、构件表示1. 柱子(Column):柱子是钢结构中起支撑作用的构件,一般用“C”来表示,接下来使用数字或字母进行编号,如C1、C2等。
2. 梁(Beam):梁是钢结构中起承载作用的构件,一般用“B”来表示,接下来使用数字或字母进行编号,如B1、B2等。
3. 桁架(Truss):桁架是由多根杆件连接而成的钢结构构件,一般用“T”来表示,接下来使用数字或字母进行编号,如T1、T2等。
4. 桩基(Pile):桩基是用来支撑建筑物或其他工程结构的一种基础形式,一般用“P”来表示,接下来使用数字或字母进行编号,如P1、P2等。
四、连接方式1. 焊接连接:是将构件通过焊接方法连接在一起,常用的焊接方法有电弧焊接、氩弧焊接等。
2. 螺栓连接:是通过螺栓将构件连接在一起,常用的螺栓连接方式有普通螺栓连接、高强度螺栓连接等。
3. 锚固连接:是通过锚固件将构件与混凝土基础连接在一起,常用的锚固连接方式有机械锚固连接、化学锚固连接等。
五、本文档所涉及附件如下:无六、本文档所涉及的法律名词及注释:无。
钢结构的符号大全1.钢柱:在绘图中用“C”表示,后面跟着该钢柱的编号,例如C1,C22.钢梁:在绘图中用“L”表示,后面跟着该钢梁的编号,例如L1,L23.钢板:在绘图中用“P”表示,后面跟着该钢板的编号,例如P1,P24.钢桁架:用“桁”表示。
5.钢桩:用“桩”表示。
6.抗拔钢板:用“抗”表示。
7.钢梯:用“梯”表示。
8.钢楼梯井:用“井”表示。
9.钢轴承:用“轴承”表示。
10.钢结构支撑:用“支撑”表示。
11.钢悬挂:用“悬挂”表示。
12.钢墙:用“墙”表示。
13.钢柱通过板单拦节点固定:用“P”表示。
14.钢柱通过实脛固定:用“S”表示。
15.钢柱通过角铁固定:用“J”表示。
16.钢梁通过螺栓固定:用“B”表示。
17.钢梁通过焊缝固定:用“W”表示。
18.钢板通过焊缝固定:用“W”表示。
19.钢板通过螺栓固定:用“B”表示。
20.圆形钢管:用“O”表示。
21.方形钢管:用“□”表示。
22.矩形钢管:用“□”表示。
23.钢梁上的楼梯:用“★”表示。
24.钢板上的楼梯:用“▲”表示。
25.钢板上的平台:用“■”表示。
26.钢板上的起重机:用“□”表示。
27.钢构件的连接孔:用“●”表示。
28.钢构件的焊缝:用“▽”表示。
29.简化的钢柱标志:用“,”表示。
30.简化的钢梁标志:用“┈”表示。
31.简化的钢板标志:用“─”表示。
32.简化的钢桁架标志:用“#”表示。
33.简化的钢墙标志:用“,”表示。
以上是钢结构的一些常用符号,但并不是所有的符号都适用于所有的设计和施工情况。
在实际绘图过程中,应根据项目需求和绘图标准来选择适当的符号。
此外,还应与设计团队和施工团队进行沟通,确保他们理解和接受所用的符号,以确保施工进展顺利。
4 钢结构4.1 常用型钢的标注方法4.1.1常用型钢的标注方法应符合表4.1.1中的规定。
4.2 螺栓、孔、电焊铆钉的表示方法4.2.1螺栓、孔、电焊铆钉的表示方法应符合表4.2.1中的规定。
4.3 常用焊缝的表示方法4.3.1焊接钢构件的焊缝除应按现行的国家标准《焊缝符号表示法》(GB 324)中的规定外,还应符合本节的各项规定。
4.3.2单面焊缝的标注方法应符合下列规定:1 当箭头指向焊缝所在的一面时,应将图形符号和尺寸标注在横线的上方(图4.3.2a);当箭头指向焊缝所在另一面(相对应的那面)时,应将图形符号和尺寸标注在横线的下方(图4.3.2b)。
2 表示环绕工作件周围的焊缝时,其围焊焊缝符号为圆圈,绘在引出线的转折处,并标注焊角尺寸K(图4.3.2c)。
4.3.3双面焊缝的标注,应在横线的上、下都标注符号和尺寸。
上方表示箭头一面的符号和尺寸,下方表示另一面的符号和尺寸(图 4.3.3a);当两面的焊缝尺寸相同时,只需在横线上方标注焊缝的符号和尺寸(图4.3.3b、c、d)。
4.3.43个和3个以上的焊件相互焊接的焊缝,不得作为双面焊缝标注。
其焊缝符号和尺寸应分别标注(图4.3.4)。
4.3.5相互焊接的2个焊件中,当只有1个焊件带坡口时(如单面V形),引出线箭头必须指向带坡口的焊件(图4.3.5)。
4.3.6相互焊接的2个焊件,当为单面带双边不对称坡口焊缝时,引出线箭头必须指向较大坡口的焊件(图4.3.6)。
4.3.7当焊缝分布不规则时,在标注焊缝符号的同时,宜在焊缝处加中实线(表示可见焊缝),或加细栅线(表示不可见焊缝)(图4.3.7)。
4.3.8相同焊缝符号应按下列方法表示:1 在同一图形上,当焊缝型式、断面尺寸和辅助要求均相同时,可只选择一处标注焊缝的符号和尺寸,并加注“相同焊缝符号”,相同焊缝符号为3/4圆弧,绘在引出线的转折处(图4.3.8a)。
2 在同一图形上,当有数种相同的焊缝时,可将焊缝分类编号标注。
钢结构符号意思钢结构是现代建筑工程中常用的一种结构形式,它具有强度高、重量轻、施工速度快、抗震性能好等优点。
在钢结构的设计图纸上,为了简化表示方法,提高绘图效率,通常会使用一些特定的符号来表示钢结构的各个部分。
本文将对钢结构符号的意思进行详细介绍。
1. 钢梁:用L表示,表示钢结构中的水平或垂直的钢梁。
例如,L1、L2等,表示不同类型的钢梁。
2. 钢柱:用Z表示,表示钢结构中的竖直的钢柱。
例如,Z1、Z2等,表示不同类型的钢柱。
3. 钢板:用B表示,表示钢结构中的钢板。
例如,B1、B2等,表示不同类型的钢板。
4. 钢管:用G表示,表示钢结构中的钢管。
例如,G1、G2等,表示不同类型的钢管。
5. 螺栓:用T表示,表示钢结构中的螺栓。
例如,T1、T2等,表示不同类型的螺栓。
6. 焊缝:用F表示,表示钢结构中的焊缝。
例如,F1、F2等,表示不同位置的焊缝。
7. 节点板:用JB表示,表示钢结构中的节点板。
例如,JB1、JB2等,表示不同类型的节点板。
8. 支撑:用ZC表示,表示钢结构中的支撑。
例如,ZC1、ZC2等,表示不同类型的支撑。
9. 连接板:用LB表示,表示钢结构中的连接板。
例如,LB1、LB2等,表示不同类型的连接板。
10. 垫片:用PG表示,表示钢结构中的垫片。
例如,PG1、PG2等,表示不同类型的垫片。
11. 锚栓:用M表示,表示钢结构中的锚栓。
例如,M1、M2等,表示不同类型的锚栓。
12. 预埋件:用YM表示,表示钢结构中的预埋件。
例如,YM1、YM2等,表示不同类型的预埋件。
13. 角钢:用JG表示,表示钢结构中的角钢。
例如,JG1、JG2等,表示不同类型的角钢。
14. 槽钢:用CG表示,表示钢结构中的槽钢。
例如,CG1、CG2等,表示不同类型的槽钢。
15. 圆管:用YG表示,表示钢结构中的圆管。
例如,YG1、YG2等,表示不同类型的圆管。
16. 方管:用FG表示,表示钢结构中的方管。
例如,FG1、FG2等,表示不同类型的方管。
GJ钢架;GL钢架梁或GJL钢架梁;GZ钢架柱或GJZ钢架柱;XG系杆;SC 水平支撑;YC隅撑;ZC柱间支撑;LT檩条;TL托梁;QL墙梁;GLT 刚性檩条;WLT屋脊檩条;GXG刚性系杆;YXB压型金属板;SQZ山墙柱;XT斜拉条;MZ门边柱;ML门上梁;T拉条;CG撑杆;HJ桁架;FHB 复合板;YG压杆或是圆管(从材料表中分别);XG系杆;LG拉管;QLG 墙拉管;QCG墙撑管;GZL直拉条;GXL斜拉条;GJ30-1跨度为30m的门式刚架,编号为1号一。
钢结构1钢结构设计制图分为钢结构设计图和钢结构施工详图两阶段。
2钢结构设计图应由具有设计资质的设计单位完成,设计图的内容和深度应满足编制钢结构施工详图的要求;钢结构施工详图(即加工制作图)一般应由具有钢结构专项设计资质的加工制作单位完成,也可由具有该项资质的其他单位完成.注:若设计合同未指明要求设计钢结构施工详图,则钢结构设计内容仅为钢结构设计图。
3钢结构设计图1)设计说明:设计依据、荷载资料、项目类别、工程概况、所用钢材牌号和质量等级(必要时提出物理、力学性能和化学成份要求)及连接件的型号、规格、焊缝质量等级、防腐及防火措施;2)基础平面及详图应表达钢柱与下部混凝土构件的连结构造详图;3)结构平面(包括各层楼面、屋面)布置图应注明定位关系、标高、构件(可布置单线绘制)的位置及编号、节点详图索引号等;必要时应绘制檩条、墙梁布置图和关键剖面图;空间网架应绘制上、下弦杆和关键剖面图;4)构件与节点详图a)简单的钢梁、柱可用统一详图和列表法表示,注明构年钢材牌号、尺寸、规格、加劲肋做法,连接节点详图,施工、安装要求.b)格构式梁、柱、支撑应绘出平、剖面(必要时加立面)、与定位尺寸、总尺寸、分尺寸、分尺寸、注明单构件型号、规格,组装节点和其他构件连接详图.4钢结构施工详图根据钢结构设计图编制组成结构构件的每个零件的放大图,标准细部尺寸、材质要求、加工精度、工艺流程要求、焊缝质量等级等,宜对零件进行编号;并考虑运输和安装能力确定构件的分段和拼装节点。
4钢结构
4.1常用型钢的标注方法
4.1.1常用型钢的标注方法应符合表4.1.1中的规定。
4.2螺栓、孔、电焊铆钉的表示方法
4.2.1螺栓、孔、电焊铆钉的表示方法应符合表4.2.1中的规定。
4.3常用焊缝的表示方法
4.3.1焊接钢构件的焊缝除应按现行的国家标准《焊缝符号表示法》(GB 324)中的规定外,还应符合本节的各项规定。
4.3.2单面焊缝的标注方法应符合下列规定:
1当箭头指向焊缝所在的一面时,应将图形符号和尺寸标注在横线的上方(图4.3.2a);当箭头指向焊缝所在另一面(相对应的那面)时,应将图形符号和尺寸标注在横线的下方(图4.3.2b)。
2表示环绕工作件周围的焊缝时,其围焊焊缝符号为圆圈,绘在引出线的转折处,并标注焊角尺寸K(图4.3.2c)。
4.3.3双面焊缝的标注,应在横线的上、下都标注符号和尺寸。
上方表示箭头一面的符号和尺寸,下方表示另一面的符号和尺寸(图4.3.3a);当两面的焊缝尺寸相同时,只需在横线上方标注焊缝的符号和尺寸(图4.3.3b、c、d)。
4.3.43个和3个以上的焊件相互焊接的焊缝,不得作为双面焊缝标注。
其焊缝符号和尺寸应分别标注(图4.3.4)。
4.3.5相互焊接的2个焊件中,当只有1个焊件带坡口时(如单面V形),引出线箭头必须指向带坡口的焊件(图4.3.5)。
4.3.6相互焊接的2个焊件,当为单面带双边不对称坡口焊缝时,引出线箭头必须指向较大坡口的焊件(图4.3.6)。
4.3.7当焊缝分布不规则时,在标注焊缝符号的同时,宜在焊缝处加中实线(表示可见焊缝),或加细栅线(表示不可见焊缝)(图4.3.7)。
4.3.8相同焊缝符号应按下列方法表示:
1在同一图形上,当焊缝型式、断面尺寸和辅助要求均相同时,可只选择一处标注焊缝的符号和尺寸,并加注“相同焊缝符号”,相同焊缝符号为3/4圆弧,绘在引出线的转折处(图4.3.8a)。
2在同一图形上,当有数种相同的焊缝时,可将焊缝分类编号标注。
在同一类焊缝中可选择一处标注焊缝符号和尺寸。
分类编号采用大写的拉丁字母A、B、C……(图4.3.8b)。
4.3.9需要在施工现场进行焊接的焊件焊缝,应标注“现场焊缝”符号。
现场焊缝符号为涂黑的三角形旗号,绘在引出线的转折处(图4.3.9)。
4.3.10图样中较长的角焊缝(如焊接实腹钢梁的翼缘焊缝),可不用引出线标注,而直接在角焊缝旁标注焊缝尺寸值K(图4.3.10)。
4.3.11熔透角焊缝的符号应按图4.3.11方式标注。
熔透角焊缝的符号为涂黑的圆圈,绘在引出线的转折处。
4.3.12局部焊缝应按图4.3.12方式标注。
4.4尺寸标注
4.4.1两构件的两条很近的重心线,应在交汇处将其各自向外错开(图4.4.1)。
4.4.2弯曲构件的尺寸应沿其弧度的曲线标注弧的轴线长度(图4.4.2)。
4.4.3切割的板材,应标注各线段的长度及位置(图4.4.3)。
4.4.4不等边角钢的构件,必须标注出角钢一肢的尺寸(图4.4.4)。
4.4.5节点尺寸,应注明节点板的尺寸和各杆件螺栓孔中心或中心距,以及杆件端部至几何中心线交点的距离(图4.4.4、图4.4.5)。
4.4.6双型钢组合截面的构件,应注明缀板的数量及尺寸(图4.4.6)。
引出横线上方标注缀板的数量及缀板的宽度、厚度,引出横线下方标注缀板的长度尺寸。
4.4.7非焊接的节点板,应注明节点板的尺寸和螺栓孔中心与几何中心线交点的距离(图4.4.7)。