车库顶板承载力计算书2(最终版)
- 格式:docx
- 大小:188.98 KB
- 文档页数:14
D1车库顶板荷载计算书车库顶板荷载计算书一、行车荷载计算1.结构设计参数根据设计要求,车库顶梁板非消防车道按照覆土厚度1.7m设计,消防车道按照覆土厚度1.2m设计。
非消防车道处活荷载为5.0kN/m2,消防车道处活荷载考虑覆土扩散和板跨度折减后为20.3kN/m2.2.荷载计算回填土自重为20KN/m³,消防车道处混凝土及装修层自重为20KN/m³。
进入车库顶板的车辆占地面积考虑2.5m×6m=15㎡,静荷载转化为动荷载系数考虑1.2.1)非消防车道设计荷载:静荷载q1 = 20×1.7=34kN/㎡活荷载q2 = 5 kN/㎡因此非消防车道允许活荷载:q=34/1.2+5=33.3 kN/㎡车辆面积考虑15㎡,因此允许进入非消防车道处顶板的车辆重量为:Nw=33.3×15=499.5 kN___49.95吨2)消防车道设计荷载:静荷载:q1 = 20×1.2+20×0.8(路面硬化及做法)=40kN/㎡活荷载q2 = 20.3kN/㎡消防车道宽度4m,覆土扩散和板跨度折减考虑系数为4/6,因此消防车道允许活荷载:q=40/1.2+20.3/(4/6)=46.83kN/㎡车辆面积考虑15㎡,因此允许进入消防车道处顶板的车辆重量为:Nw=46.83×15=705.45kN___70.245吨3)结论因此,根据上述,按非消防车道部位考虑,折减系数考虑0.8.因此车库顶板在底部不支撑回顶的情况下,允许上车的重量为49.95×0.8=39.96吨。
结合现场施工情况,现场规划行车道路上车车库需考虑回顶。
二、材料荷载计算书1.设计参数车库顶梁板非消防车道按照覆土厚度1.7m设计,回填土自重为20KN/m³。
2.荷载计算静荷载q1 = 20×1.7=34kN/㎡=3400kg/m2.钢管重量为48×3.5重4.03kg/m,每平米堆载钢管数量为20.每平米钢管重量为20×4.03=80.6kg/m2.每平米钢管堆载高度为3400/80.6×48=2m。
地下车库顶顶板支撑力计算书1、地下车库顶板支模构造:地下车库为全现浇结构,地下车库墙体高 3.4M,最大墙厚300MM,顶板厚150MM,最大跨度8.4M。
地下车库顶板模板支撑用碗扣式钢脚手,顶端安装可调节螺栓,上铺60×80MM方木。
支撑立杆间距700×1000MM,方木间距<250MM。
方木上满铺厚为15MM的竹胶板。
2、地下室顶板模板验算:⑴荷载计算a、模板及其支架自重,=0.75KN/m2b、新浇筑砼自重,P2=24×0.25=6 KN/m2c、钢管自重,P3=1.1×0.25=0.23 KN/m2d、施工人员及施工设备荷载,P4=1.0 KN/m2荷载分项系数静载取1.2;活载取1.4P总=1.2(0.75+6+0.23)=1.4×1.0=9.8 KN/m2⑵横向双钢管的抗弯刚度及挠度a、支点弯距M=K Mq L2=0.1×9.8×0.72=0.69 KN*M≤Wnf=5.08×215×10-3=1.1KN*M故满足要求。
b、跨中挠度计算KFL3/EI=0.667×9.8×0.74/(12.19×206×103)=0.26MM≤700×1/400=1.75MM故满足要求。
⑶立杆的轴心抗压及稳定性演算每根立杆所承受的压力为9.8×0.7KNa、轴心抗压应力:N/A=9.8×0.7/489=14N/MM2≤[δ]=215 N/MM2故满足要求。
b、稳定性演算:立杆为两端铰支,Lo =2000MM长细比λ= Lo/I=2000/15.8=126.6≤[λ]=150,由此查得表得Φ=0.402,δ=N/ΦA=0.7×9.8×103/(0.402×1810)=9.4N/MM2≤[δ]=215 N/MM2故满足要求。
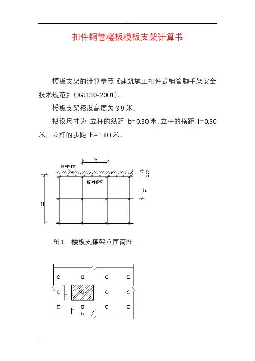
.扣件钢管楼板模板支架计算书模板支架的计算参照《建筑施工扣件式钢管脚手架安全技术规范》(JGJ130-2001)。
模板支架搭设高度为3.9米,搭设尺寸为:立杆的纵距 b=0.80米,立杆的横距l=0.80米,立杆的步距 h=1.80米。
图1 楼板支撑架立面简图图2 楼板支撑架荷载计算单元采用的钢管类型为48×3.5。
5.1、模板面板计算面板为受弯结构,需要验算其抗弯强度和刚度。
模板面板的按照三跨连续梁计算。
静荷载标准值 q1 = 25.000×0.500×0.800+0.350×0.800=10.280kN/m活荷载标准值 q2 = (0.000+1.000)×0.800=0.800kN/m 面板的截面惯性矩I和截面抵抗矩W分别为:本系统中,截面惯性矩I和截面抵抗矩W分别为:W = 80.00×1.80×1.80/6 = 43.20cm3;I = 80.00×1.80×1.80×1.80/12 = 38.88cm4;(1)抗弯强度计算f = M / W < [f]其中 f ——面板的抗弯强度计算值(N/mm2);M ——面板的最大弯距(N.mm);W ——面板的净截面抵抗矩;[f] ——面板的抗弯强度设计值,取15.00N/mm2;M = 0.100ql2其中 q ——荷载设计值(kN/m);经计算得到 M = 0.100×(1.2×10.280+1.4×0.800)×0.300×0.300=0.121kN.m经计算得到面板抗弯强度计算值 f = 0.121×1000×1000/43200=2.803N/mm2面板的抗弯强度验算 f < [f],满足要求!(2)抗剪计算 [可以不计算]T = 3Q/2bh < [T]其中最大剪力 Q=0.600×(1.2×10.280+1.4×0.800)×0.300=2.422kN截面抗剪强度计算值T=3×2422.0/(2×800.000×18.000)=0.252N/mm2截面抗剪强度设计值 [T]=1.40N/mm2抗剪强度验算 T < [T],满足要求!(3)挠度计算v = 0.677ql4 / 100EI < [v] = l / 250面板最大挠度计算值 v = 0.677×10.280×3004/(100×6000×388800)=0.242mm面板的最大挠度小于300.0/250,满足要求!5.2、纵向支撑钢管的计算纵向钢管按照均布荷载下连续梁计算,截面力学参数为截面抵抗矩 W = 5.08cm3;截面惯性矩 I = 12.19cm4;1.荷载的计算:(1)钢筋混凝土板自重(kN/m):q11 = 25.000×0.500×0.300=3.750kN/m(2)模板的自重线荷载(kN/m):q12 = 0.350×0.300=0.105kN/m(3)活荷载为施工荷载标准值与振倒混凝土时产生的荷载(kN/m):经计算得到,活荷载标准值 q2 = (1.000+0.000)×0.300=0.300kN/m静荷载 q1 = 1.2×3.750+1.2×0.105=4.626kN/m活荷载 q2 = 1.4×0.300=0.420kN/m2.抗弯强度计算最大弯矩M = 0.1ql2=0.1×5.05×0.80×0.80=0.323kN.m最大剪力 Q=0.6×0.800×5.046=2.422kN最大支座力 N=1.1×0.800×5.046=4.440kN抗弯计算强度 f=0.323×106/5080.0=63.57N/mm2纵向钢管的抗弯计算强度小于205.0N/mm2,满足要求!3.挠度计算三跨连续梁均布荷载作用下的最大挠度V=(0.677×4.155+0.990×0.300)×800.04/(100×2.06×105×121900.0)=0.459mm纵向钢管的最大挠度小于800.0/150与10mm,满足要求!5.3、板底支撑钢管计算横向支撑钢管按照集中荷载作用下的连续梁计算集中荷载P取纵向板底支撑传递力,P=4.44kN 4.44kN 4.44kN 4.44kN 4.44kN 4.44kN 4.44kN 4.44kN 4.44kN 4.44kN支撑钢管计算简图0.962支撑钢管弯矩图(kN.m)0.082支撑钢管变形图(mm)支撑钢管剪力图(kN)经过连续梁的计算得到最大弯矩 Mmax=0.962kN.m最大变形 vmax=1.516mm最大支座力 Qmax=12.858kN抗弯计算强度 f=0.962×106/5080.0=189.30N/mm2支撑钢管的抗弯计算强度小于205.0N/mm2,满足要求!支撑钢管的最大挠度小于800.0/150与10mm,满足要求!5.4、扣件抗滑移的计算纵向或横向水平杆与立杆连接时,扣件的抗滑承载力按照下式计算(规范5.2.5):R ≤ Rc其中 Rc ——扣件抗滑承载力设计值,取8.0kN;R ——纵向或横向水平杆传给立杆的竖向作用力设计值;计算中R取最大支座反力,R=12.86kN单扣件抗滑承载力的设计计算不满足要求,可以考虑采用双扣件!当直角扣件的拧紧力矩达40--65N.m时,试验表明:单扣件在12kN的荷载下会滑动,其抗滑承载力可取8.0kN;双扣件在20kN的荷载下会滑动,其抗滑承载力可取12.0kN。
人防车库顶板承载力计算
塔吊拆除时,拟采用25T 汽车吊,汽车吊行驶状态总重量25.2T,最大起重量25T,QTZ40塔吊大臂自重2.5吨,人防车库顶板配筋C12@150双层双向,板厚250mm,井字梁间距 2.6m×2.8m,顶板等效静荷载标准值70KN/m2,活荷载5KN/m2,消防通道活载20KN/m2,采用等效荷载计算顶板承载力。
吊车自重 25.2T
大臂自重 2.5T
吊车腿受力点扩展面积 1.5m×1.5m
等效荷载计算:(按2倍安全系数计算)
(25.2+2.5)×9.8×2÷4÷(1.5×1.5)=60.32KN/m2<75KN/m2
顶板承载力满足要求。
单块矩形板裂缝及挠度计算:
一、设计规范:
《建筑结构荷载规范》(GB50009—2002)
《混凝土结构设计规范》(GB50010—2002)
二、计算参数:
混凝土强度等级:C40 钢筋级别:HRB400
泊松比:0.2
边界条件:[上边] 固端; [下边] 固端; [左边] 固端; [右边] 固端
板长:2.80m,板宽:2.60m;板厚:250mm
均布恒荷载标准值:70.00kN/m2 均布活荷载标准值:5.00kN/m2 三、计算结果:
跨中挠度:0.988mm。
车库顶板承载力计算书2(终版)————————————————————————————————作者:————————————————————————————————日期:一、计算书1.混凝土泵车通过车库顶板时的承载力计算基本计算参数:混凝土泵车自重为34t,当混凝土泵车通过混凝土顶板时,前排轮子承受荷载与后排轮子承受荷载的比例为3:4,则前排单组轮子承受的荷载为7t,后排两组轮子各承受的荷载为7t。
每组与楼面的接触面积为0.6m×0.3m,前排轮子与后面两排轮子的距离分别是4m和5.6m。
车体荷载简化图如图1所示。
图1 车体荷载平面简化图根据现场实际情况考虑泵车从250mm的板上通过;顶板混凝土强度等级为C35,根据混凝土抗压强度报告,试块已经达到设计要求。
其抗压强度设计值f c=16.7Pa,抗拉强度设计值f t=1.57MPa。
为了安全期间,泵车应缓慢通过楼板,按照通过时最不利荷载对其承载力进行验算。
1.1对板的抗剪强度进行验算:根据图纸设计和现场混凝土的浇筑情况,选取泵车通过的最大板进行验算,查图纸得到最大跨板的尺寸为8.1m×5.2m。
当整个泵车的轮胎位于长跨板的图示位置时,此时板的抗剪处于最不利位置,以此进行混凝土板抗剪验算。
如下图图2所示:图2 泵车通过楼板受力简化图其中泵车轮胎面积为0.6 m×0.3m,当泵车前轮行驶至板的某跨中位置时,处于最不利位置,泵车荷载为340KN,梁宽l为8.1m,其70KN/m=233.33KN/m,根据所建模型,整个板剪力图如局部线荷载为3.0图3:图3 泵车通过楼板剪力图其中所受最大剪力为61.25KN。
对于混凝土板而言,其板厚为250mm,保护层a s=30mm, f t=1.57MPa, h0=h-a s=250-30=220mm。
抗剪配筋验算公式:0.7f t bh0=0.7×1.57×600×220=145.07KN>61.25KN。
车库顶板上部荷载计算公式车库顶板是车库建筑中的重要组成部分,它承担着车库上方的荷载,包括自身重量、雨水、积雪等外部荷载。
在设计车库顶板时,需要对其上部荷载进行准确的计算,以确保其安全可靠。
本文将介绍车库顶板上部荷载的计算公式及相关内容。
首先,我们需要了解车库顶板上部荷载的组成。
车库顶板上部荷载主要包括以下几个部分:1. 自重荷载,即车库顶板自身的重量。
在设计时,需要考虑混凝土的密度、厚度等因素,以确定其自重荷载。
2. 雨水荷载,车库顶板在雨天会受到雨水的作用,需要考虑雨水对车库顶板的荷载影响。
3. 积雪荷载,在寒冷地区,车库顶板还需要承受积雪的荷载。
设计时需要考虑积雪的密度、厚度等因素。
4. 其他荷载,如风荷载、人员活动荷载等。
在计算车库顶板上部荷载时,需要根据实际情况综合考虑以上各项荷载的作用,确定车库顶板的设计荷载。
下面我们将介绍车库顶板上部荷载的计算公式。
1. 自重荷载的计算公式:车库顶板的自重荷载可以通过以下公式进行计算:G = γ h A。
其中,G为自重荷载,γ为混凝土的密度,h为车库顶板的厚度,A为车库顶板的面积。
通过这个公式,可以得到车库顶板的自重荷载。
2. 雨水荷载的计算公式:车库顶板在雨天会受到雨水的作用,需要考虑雨水对车库顶板的荷载影响。
雨水荷载的计算通常采用规范中给出的数值,根据当地的降雨量和规范中的相关参数,进行计算。
3. 积雪荷载的计算公式:在寒冷地区,车库顶板还需要承受积雪的荷载。
积雪荷载的计算通常采用规范中给出的数值,根据当地的积雪厚度和规范中的相关参数,进行计算。
4. 其他荷载的计算公式:其他荷载如风荷载、人员活动荷载等,需要根据规范中的相关参数进行计算。
在实际设计中,需要根据车库所在地区的气候条件、规范要求等因素,综合考虑以上各项荷载的作用,确定车库顶板的设计荷载。
设计荷载确定后,还需要进行结构分析和设计,以确保车库顶板的安全可靠。
总之,车库顶板上部荷载的计算是车库设计中的重要环节,需要根据实际情况综合考虑各项荷载的作用,确定车库顶板的设计荷载。
一、楼层恒载取值1.5.5标高车库 [楼4,100厚]:40厚C10细石混凝土 0.80 KN/m210厚1:2干硬性水泥砂浆结合层 0.20 KN/m250厚C10细石混凝土垫层 1.0 KN/m2合计: 2.00 KN/m22.进排风机房及竖井、变配电室夹层,车道,坡道、戊类库房 [楼2,50厚]:50厚C10细石混凝土垫层 1.00 KN/m2合计: 2.00 KN/m23.电力监控、值班室[楼3,100厚]:20厚花岗岩面层 0.55 KN/m220厚1:2干硬性水泥砂浆结合层 0.40 KN/m260厚C10细石混凝土垫层 1.45 KN/m2合计: 2.4 KN/m24.楼梯间[楼5,50厚]:10厚地砖 0.20 KN/m220厚1:2干硬性水泥砂浆结合层 0.40 KN/m220厚1:3水泥砂浆找平层 0.40 KN/m2合计: 1.00 KN/m2 5.下沉广场[楼5,300厚]:1.40厚C20细石混凝土(有敷管时为50厚),3.20厚1:2干硬性水泥砂浆粘结层5.240厚轻集料垫层---------以上小计4.53KN/m26.结构混凝土板---------程序自动计算7.吊顶及板底设备管道敷设--------- 0.7 KN/m2共计 5.22 KN/m2实取 6.0 KN/m26.钢瓶间、3#楼配电室、储油间,电缆井[楼7,100厚]:10厚不发火细石混凝土 0.20 KN/m220厚1:2干硬性水泥砂浆结合层 0.40 KN/m2防水层及20厚DS干拌砂浆找平层 0.40 KN/m2平均50厚C10细石混凝土找坡层 1.00 KN/m2合计: 2.00 KN/m28.弱电电信机房[楼8,100厚]:150~200厚架空活动地板 0.05 KN/m220厚1:3水泥砂浆找平层 0.40 KN/m250厚C10细石混凝土敷料层 1.95 KN/m2合计: 2.40 KN/m2二、屋面恒载取值1..1.50m厚回填土---------26.0 KN/m24.3厚SBS改性沥青防水卷材5. 20厚1:3水泥增稠粉砂浆找平层--------- 0.5 KN/m27.结构混凝土板---------程序自动计算8.板底抹灰及设备管道敷设-------- 0.4 KN/m2共计 26.9 KN/m2实取 27.0 KN/m2三、活载取值消防车通道 20.0 KN/m2首层楼面(除备件室,工具室,库房,卫生间,有举升机车位) 4.0 KN/m2电梯机房.通风机房 7.0 KN/m2楼梯间 3.5 KN/m2变配电室、柴油发电机 10.0 KN/m2下沉广场 3.50 KN/m2钢瓶间 5.00 KN/m2普通双跑楼梯取 8.0 KN/m2填充墙(内墙)本工程采用页岩空心砌块,干容重取11.0 KN/m3考虑砌筑工艺、墙体构造要求及饰面重量,综合取砌块容重12 KN/m3 梁下净高3.2m,线荷载为12x0.2x3.2=7.68 KN/m实取8.0 KN/m混凝土容重取26 KN/m2(考虑混凝土结构构件粉刷)。
车库顶板行车及各类堆载验算实例计算书一、计算依据1、《建筑施工模板安全技术规范》JG.J162-20082、《建筑施工安全检查标准》JGJ59-20113、《建筑施工扣件式钢管脚手架安全技术规范》JGJ130-20114、《建筑施工高处作业安全技术规范》JGJ80-20165、《混凝土结构工程施工质量验收规范》GB50204-20156、《建筑工程施工质量验收统一标准》GB50300-20137、《建筑结构荷载规范》GB50009-20128、《混凝士结构设计规范》GB50010-2010(2015版)二、设计数据(拟定,实际根据结构图纸)地下室顶板板厚:250mm,加腋厚度500mm。
最大跨度为8.10m,有梁楼盖。
顶板上设计回填土厚度为1.5m。
车库设计活荷载:5KN/m,消防车道荷载20KN/m2。
三、设计承载能力计算1、査《建筑结构荷载规范》GB50009-2012附录表A中A.1.4得:粘土自重为18KN/m2 。
2、地下室顶板覆土1.5m每平方米荷载:18KN/m×1.5m=27KN/m2。
3、地下室顶板(非消防车道区域)可承受荷载为:27KN/m2+5KN/m2=32KN/m2(活载按恒载计算,增大安全系数)。
消防车道区域为:27KN/m2+20KN/m2=47KN/m24、根据拟定数据计算得顶板(非消防车道区域)可承受恒荷载折算后为:32KN/m2。
消防车道区域为47KN/m2四、地下室顶板承载计算(一)、车库顶板行车荷载1、吊车、干混砂浆罐车、钢筋运输车、混凝土罐车作用下楼面等效均布活荷载的确定。
根据各种车型荷载:(1)吊车按20T吊车考虑,自重28吨,吊运钢筋每捆按5吨计,合计33×1.1(安全系数),总计37吨。
(设计为恒载,将活载转化为恒载,下同)(2)钢筋运输车按装35t考虑,车重15t,合计50×1.1=55吨。
(3)混凝土罐车及泵车按装15立方米车考虑,混凝土罐车自重约15吨,15立方米混凝土按36吨计,合计51×1.1=56吨。
人防车库顶板承载力计算人防车库的顶板承载力计算是非常重要的,因为它直接关系到车库的使用安全以及车库的设计和建造。
以下是对人防车库顶板承载力计算的详细介绍。
1.背景介绍人防车库作为一种功能性建筑,主要用于存储和保护车辆。
它的顶板是承受车辆和人员负荷的主要结构部分,因此其承载能力的计算至关重要。
通常情况下,人防车库的顶板采用混凝土结构,根据国家相关标准对其进行设计和建造。
2.顶板承载力计算的基本原理人防车库的顶板承载能力计算是基于结构力学原理进行的。
在设计过程中,需要确定承载力计算的各种参数,包括荷载系数、材料性质、支座条件、结构形式等。
2.1荷载系数人防车库的顶板需要承受各种荷载,如雨水荷载、雪荷载、车辆荷载等。
这些荷载需要根据实际情况确定其数值,通常由相关标准提供。
2.2材料性质人防车库的顶板一般采用混凝土材料,其强度和性质需要在设计过程中考虑。
混凝土的强度是决定承载能力的重要因素之一2.3支座条件人防车库的顶板需要有合适的支座条件,以保证其力学性能和承载能力。
一般情况下,人防车库的顶板支座在外墙上设置,支座条件是依据设计规范来确定的。
2.4结构形式人防车库的顶板的结构形式多种多样,包括平板、梁板、板梁等。
结构形式直接影响到顶板的承载能力。
3.顶板承载力计算的步骤3.1确定荷载系数根据实际情况确定人防车库顶板所承受的荷载系数,包括雨水荷载、雪荷载、车辆荷载等。
荷载系数可以参考相关设计规范。
3.2确定材料性质3.3确定支座条件3.4确定结构形式根据实际情况选择适当的结构形式,例如平板、梁板、板梁等。
根据以上参数和基本原理,进行人防车库顶板的承载力计算。
具体计算步骤包括确定荷载大小、计算材料的强度、计算支座条件下的承载能力等。
4.参考设计规范在进行人防车库顶板承载力计算的过程中,需要参考相关的设计规范。
不同地区的设计规范可能存在差异,因此需要根据实际情况选择适用的规范进行计算。
地下车库荷载取值参考地下车库<一>荷载计算书1.地下室顶板草地荷载板厚180 25×0.18 =4.5 KN/m2聚脂无纺布滤水层0.02×0.05 =0.01 KN/m280厚陶粒排水层15×0.08 =1.20 KN/m2C20细石混凝土40厚25×0.04 =1.0 KN/m2防水层=0.10 KN/m21:3水泥砂浆找平层20厚20×0.02 =0.40 KN/m23厚纸筋布灰隔离层0.03×0.5 =0.02 KN/m2板底抹灰20厚20×0.020 =0.40 KN/m2400厚覆土20×0.40 =8.0 KN/m2小计:15.63 KN/m2取16.0 KN/m2浅溪荷载板厚180 25×0.18 =4.5 KN/m240厚细石混凝土嵌卵石20×0.04 =0.8 KN/m2C20细石混凝土40厚25×0.04 =1.0 KN/m2防水层=0.10 KN/m21:3水泥砂浆找平层20厚20×0.02 =0.40 KN/m2板底抹灰20厚20×0.020 =0.40 KN/m2500深溪水10×0.50 =5.0 KN/m2小计:12.20 KN/m2取16.0 KN/m2人造假山重参照建筑大样取3.8m×5.1m×2.0m长方体厚30mm自重25 KN/m2算(3.8×5.1+3.8×2.0+5.1×2.0)×2×0.03×25 =55.8 KN按3.8×5.1面积均布:55.8/(3.8×5.1)=2.9 KN/m2小计: 2.9 KN/m2取3.5 KN/m2混凝土过桥参照建筑大样折算为250mm混凝土板计算0.25×25 =6.25 KN小计: 6.25 KN/m2取6.5 KN/m22.地下室底板(活荷载q=4.0 KN/m2)板厚450 25×0.45 =11.25 KN/m2C20细石混凝土40厚25×0.04 =1.0 KN/m2防水层=0.10 KN/m21:2水泥砂浆找平层20厚20×0.02 =0.40 KN/m2小计:12.75 KN/m2取13.0 KN/m23.墙体荷载1)混凝土墙,采用300和250(取容重为25)Q1=(3.6-0.6)×0.30×25(墙体自重)+0.80(双面粉刷)=22.3 KN/m实取23.5 KN/m Q2=(3.6-1.6)×0.30×25(墙体自重)+0.80(双面粉刷)=15.5 KN/m实取15.5 KN/m Q3=(3.6-2.4)×0.25×25(墙体自重)+0.80(双面粉刷)=8.3 KN/m实取9.0 KN/m2)А轴板顶q=3.2(高)×4.0=12.4KN/m,实取13.5KN/m3)石凳按线荷取q=10.0KN/m4)栏板q=5.00KN/m4.地下室底板地下水位标高:-1.1m,底板底标高:-3.6-0.45=-4.05m水浮力:F=(4.05-1.1)×10=29.5KN/m2底板自重:G=24×0.45+24×0.04+0.1+20×0.02=12.26KN/m2平时进行裂缝验算时板底荷载设计值Q=〔29.5×(1.4/1.2)-12〕×1.0=22.5 KN/m2电算时按倒楼盖法,在PKPM按恒荷载输入,取23 KN/M2,活荷载取0 KN/m2。
板模板(扣件式)计算书计算依据:1、《建筑施工模板安全技术规范》JGJ162-20082、《建筑施工扣件式钢管脚手架安全技术规范》JGJ 130-20113、《混凝土结构设计规范》GB 50010-20104、《建筑结构荷载规范》GB 50009-20125、《钢结构设计规范》GB 50017-2003一、工程属性三、模板体系设计小梁间距l(mm) 300 小梁最大悬挑长度l1(mm) 250主梁最大悬挑长度l2(mm) 250 结构表面的要求结构表面隐蔽设计简图如下:模板设计平面图模板设计剖面图(模板支架纵向)模板设计剖面图(模板支架横向)四、面板验算面板类型覆面木胶合板面板厚度t(mm) 18面板抗弯强度设计值[f](N/mm2) 26 面板抗剪强度设计值[τ](N/mm2) 1.4面板弹性模量E(N/mm2) 9000 面板计算方式三等跨连续梁W=bh2/6=1000×18×18/6=54000mm3,I=bh3/12=1000×18×18×18/12=486000mm4承载能力极限状态q1=0.9×max[1.2(G1k +(G2k+G3k)×h)+1.4×Q1k ,1.35(G1k+(G2k+G3k)×h)+1.4×0.7×Q1k]×b=0.9×max[1.2×(0.1+(24+1.1)×0.35)+1.4×2.5,1.35×(0.1+(24+1.1)×0.35)+1.4×0.7×2.5] ×1=13kN/mq1静=0.9×[γG(G1k +(G2k+G3k)×h)×b] =0.9×[1.35×(0.1+(24+1.1)×0.35)×1]=10.795kN/mq1活=0.9×(γQφc Q1k)×b=0.9×(1.4×0.7×2.5)×1=2.205kN/mq2=0.9×1.35×G1k×b=0.9×1.35×0.1×1=0.122kN/mp=0.9×1.4×0.7×Q1k=0.9×1.4×0.7×2.5=2.205kN正常使用极限状态q=(γG(G1k +(G2k+G3k)×h))×b =(1×(0.1+(24+1.1)×0.35))×1=8.885kN/m计算简图如下:1、强度验算M1=0.1q1静L2+0.117q1活L2=0.1×10.795×0.32+0.117×2.205×0.32=0.12kN·m M2=max[0.08q2L2+0.213pL,0.1q2L2+0.175pL]=max[0.08×0.122×0.32+0.213×2.205×0.3,0.1×0.122×0.32+0.175×2.205×0.3]=0.142kN·mM max=max[M1,M2]=max[0.12,0.142]=0.142kN·mσ=M max/W=0.142×106/54000=2.625N/mm2≤[f]=26N/mm2满足要求!2、挠度验算νmax=0.677ql4/(100EI)=0.677×8.885×3004/(100×9000×486000)=0.111mm ν=0.111mm≤[ν]=L/250=300/250=1.2mm满足要求!五、小梁验算小梁类型方木小梁截面类型(mm) 100×50小梁抗弯强度设计值[f](N/mm2) 20.2 小梁抗剪强度设计值[τ](N/mm2) 2.02小梁截面抵抗矩W(cm3) 41.67 小梁弹性模量E(N/mm2) 9350小梁截面惯性矩I(cm4) 104.17 小梁计算方式三等跨连续梁q1=0.9×max[1.2(G1k+ (G2k+G3k)×h)+1.4Q1k,1.35(G1k+(G2k+G3k)×h)+1.4×0.7×Q1k]×b=0.9×max[1.2×(0.3+(24+1.1)×0.35)+1.4×2.5,1.35×(0.3+(24+1.1)×0.35)+1.4×0.7×2.5]×0.3=3.973kN/m因此,q1静=0.9×1.35×(G1k+(G2k+G3k)×h)×b=0.9×1.35×(0.3+(24+1.1)×0.35)×0.3=3.311kN/mq1活=0.9×1.4×0.7×Q1k×b=0.9×1.4×0.7×2.5×0.3=0.661kN/m q2=0.9×1.35 ×G1k×b=0.9×1.35×0.3×0.3=0.109kN/mp=0.9×1.4×0.7×Q1k=0.9×1.4×0.7×2.5=2.205kN计算简图如下:1、强度验算M1=0.1q1静L2+0.117q1活L2=0.1×3.311×12+0.117×0.661×12=0.409kN·mM2=max[0.08q2L2+0.213pL,0.1q2L2+0.175pL]=max[0.08×0.109×12+0.213×2.205×1,0.1×0.109×12+0.175×2.205×1]=0.478kN·mM3=max[q1L12/2,q2L12/2+pL1]=max[3.973×0.252/2,0.109×0.252/2+2.205×0.25]=0.555kN·mM max=max[M1,M2,M3]=max[0.409,0.478,0.555]=0.555kN·mσ=M max/W=0.555×106/41670=13.311N/mm2≤[f]=20.2N/mm2满足要求!2、抗剪验算V1=0.6q1静L+0.617q1活L=0.6×3.311×1+0.617×0.661×1=2.395kNV2=0.6q2L+0.675p=0.6×0.109×1+0.675×2.205=1.554kNV3=max[q1L1,q2L1+p]=max[3.973×0.25,0.109×0.25+2.205]=2.232kNV max=max[V1,V2,V3]=max[2.395,1.554,2.232]=2.395kNτmax=3V max/(2bh0)=3×2.395×1000/(2×100×50)=0.719N/mm2≤[τ]=2.02N/mm2满足要求!3、挠度验算q=(γG(G1k +(G2k+G3k)×h))×b=(1×(0.3+(24+1.1)×0.35))×0.3=2.726kN/m挠度,跨中νmax=0.677qL4/(100EI)=0.677×2.726×10004/(100×9350×104.17×104)=1.894mm≤[ν]=L/250=1000/250=4mm;悬臂端νmax=ql14/(8EI)=2.726×2504/(8×9350×104.17×104)=0.137mm≤[ν]=2×l1/250=2×250/250=2mm满足要求!六、主梁验算q1=0.9×max[1.2(G1k +(G2k+G3k)×h)+1.4Q1k,1.35(G1k+(G2k+G3k)×h)+1.4×0.7×Q1k]×b=0.9×max[1.2×(0.5+(24+1.1)×0.35)+1.4×1.5,1.35×(0.5+(24+1.1)×0.35)+1.4×0.7×1.5]×0.3=3.781kN/mq1静=0.9×1.35×(G1k +(G2k+G3k)×h)×b=0.9×1.35×(0.5+(24+1.1)×0.35)×0.3=3.384kN/mq1活=0.9×1.4×0.7×Q1k×b =0.9×1.4×0.7×1.5×0.3=0.397kN/mq2=(γG(G1k +(G2k+G3k)×h))×b=(1×(0.5+(24+1.1)×0.35))×0.3=2.786kN/m承载能力极限状态按三等跨连续梁,R max=(1.1q1静+1.2q1活)L=1.1×3.384×1+1.2×0.397×1=4.199kN 按悬臂梁,R1=3.781×0.25=0.945kN主梁2根合并,其主梁受力不均匀系数=0.6R=max[R max,R1]×0.6=2.519kN;正常使用极限状态按三等跨连续梁,R'max=1.1q2L=1.1×2.786×1=3.064kN按悬臂梁,R'1=q2l1=2.786×0.25=0.696kNR'=max[R'max,R'1]×0.6=1.838kN;计算简图如下:主梁计算简图一主梁计算简图二2、抗弯验算主梁弯矩图一(kN·m)主梁弯矩图二(kN·m)σ=M max/W=0.877×106/4490=195.325N/mm2≤[f]=205N/mm2 满足要求!3、抗剪验算主梁剪力图一(kN)主梁剪力图二(kN)τmax=2V max/A=2×5.076×1000/424=23.944N/mm2≤[τ]=120N/mm2 满足要求!4、挠度验算主梁变形图一(mm)主梁变形图二(mm)跨中νmax=1.600mm≤[ν]=1000/250=4mm悬挑段νmax=1.305mm≤[ν]=2×250/250=2mm满足要求!5、支座反力计算承载能力极限状态图一支座反力依次为R1=7.519kN,R2=8.268kN,R3=9.273kN,R4=5.169kN图二支座反力依次为R1=6.293kN,R2=8.821kN,R3=8.821kN,R4=6.293kN七、可调托座验算荷载传递至立柱方式可调托座可调托座承载力容许值[N](kN) 30满足要求!八、立柱验算剪刀撑设置加强型立柱顶部步距h d(mm) 1200200 顶部立柱计算长度系数μ1 1.386立柱伸出顶层水平杆中心线至支撑点的长度a(mm)非顶部立柱计算长度系数μ2 1.755 钢管截面类型(mm) Φ48×3.5 钢管计算截面类型(mm) Ф48×3钢材等级Q235顶部立柱段:l01=kμ1(h d+2a)=1×1.386×(1200+2×200)=2218mm非顶部立柱段:l0=kμ2h =1×1.755×1500=2632mmλ=max[l01,l0]/i=2632.5/15.9=165.566≤[λ]=210满足要求!2、立柱稳定性验算根据《建筑施工扣件式钢管脚手架安全技术规范》JGJ130-2011,荷载设计值q1有所不同:小梁验算q1=1×[1.2×(0.5+(24+1.1)×0.35)+1.4×1]×0.3 = 3.763kN/m同上四~六步计算过程,可得:R1=7.489kN,R2=8.786kN,R3=9.236kN,R4=6.268kN顶部立柱段:l01=kμ1(h d+2a)=1.155×1.386×(1200+2×200)=2561.328mmλ1=l01/i=2561.328/15.9=161.09查表得,φ=0.271不考虑风荷载:N1 =Max[R1,R2,R3,R4]/0.6=Max[7.489,8.786,9.236,6.268]/0.6=15.394kN f=N1/(ΦA)=15394/(0.271×424)=133.973N/mm2≤[f]=205N/mm2满足要求!非顶部立柱段:l0=kμ2h =1.155×1.755×1500=3040.537mmλ=l0/i=3040.537/15.9=191.229查表得,φ1=0.197不考虑风荷载:N=Max[R1,R2,R3,R4]/0.6+1×γG×q×H=Max[7.489,8.786,9.236,6.268]/0.6+1×1.2×0.15×4.6 =16.222kNf=N/(φ1A)=16.222×103/(0.197×424)=194.21N/mm2≤[σ]=205N/mm2满足要求!九、高宽比验算根据《建筑施工扣件式钢管脚手架安全技术规范》JGJ130-2011 第6.9.7:支架高宽比不应大于3H/B=4.6/6.6=0.697≤3满足要求,不需要进行抗倾覆验算!十、立柱支承面承载力验算11、受冲切承载力计算根据《混凝土结构设计规范》GB50010-2010第6.5.1条规定,见下表h t0u m =2[(a+h0)+(b+h0)]=2320mmF=(0.7βh f t+0.25σpc,)ηu m h0=(0.7×1×1.115+0.25×0)×1×2320×380/1000=688.089kN≥F1=16.222kN m满足要求!2、局部受压承载力计算根据《混凝土结构设计规范》GB50010-2010第6.6.1条规定,见下表c cβl=(A b/A l)1/2=[(a+2b)×(b+2b)/(ab)]1/2=[(600)×(600)/(200×200)]1/2=3,A ln=ab=40000mm2F=1.35βcβl f c A ln=1.35×1×3×11.154×40000/1000=1806.948kN≥F1=16.222kN 满足要求!。
一、计算书1.混凝土泵车通过车库顶板时的承载力计算基本计算参数:混凝土泵车自重为34t,当混凝土泵车通过混凝土顶板时,前排轮子承受荷载与后排轮子承受荷载的比例为3:4,则前排单组轮子承受的荷载为7t,后排两组轮子各承受的荷载为7t。
每组与楼面的接触面积为×,前排轮子与后面两排轮子的距离分别是4m和。
车体荷载简化图如图1所示。
图1 车体荷载平面简化图根据现场实际情况考虑泵车从250mm的板上通过;顶板混凝土强度等级为C35,根据混凝土抗压强度报告,试块已经达到设计要求。
其抗压强度设计值f c=,抗拉强度设计值f t=。
为了安全期间,泵车应缓慢通过楼板,按照通过时最不利荷载对其承载力进行验算。
对板的抗剪强度进行验算:根据图纸设计和现场混凝土的浇筑情况,选取泵车通过的最大板进行验算,查图纸得到最大跨板的尺寸为×。
当整个泵车的轮胎位于长跨板的图示位置时,此时板的抗剪处于最不利位置,以此进行混凝土板抗剪验算。
如下图图2所示:图2 泵车通过楼板受力简化图其中泵车轮胎面积为 m×,当泵车前轮行驶至板的某跨中位置时,处于最不利位置,泵车荷载为340KN,梁宽l为,其局部线荷载70KN/m=m,根据所建模型,整个板剪力图如图3:为3.0图3 泵车通过楼板剪力图其中所受最大剪力为。
对于混凝土板而言,其板厚为250mm,保护层a s =30mm, f t=, h0=h-a s=250-30=220mm。
抗剪配筋验算公式:=××600×220=>。
因此,不需要对楼板配抗剪钢筋即可满足抗剪要求。
因此,板的抗剪承载力满足要求。
对板的抗弯强度进行验算:根据图纸设计和现场混凝土的浇筑情况,选取泵车通过的最大板进行验算,查图纸得到最大跨板的尺寸为×。
对板最大正弯矩抗弯验算:当只有整个泵车的前轮胎位于长跨板的某跨跨中位置时,此时的板的下部抗弯受力处于最不利位置,以此进行混凝土板抗弯验算,由于在实际的施工过程中,将其简化建模如下图4:图4 泵车通过楼板受力简化图其中泵车前轮胎面积为 m×,当泵车前轮行驶至板的跨中位置时,处于最不利位置,泵车荷载为340KN,梁宽l为,其局部线荷载70KN/m=m,根据所建模型,整个板弯矩图如下:为3.0图3 楼板弯矩图M最大=·m。
车库顶板行车及各类堆载验算实例计算书一、计算依据1、《建筑施工模板安全技术规范》JG.J162-20082、《建筑施工安全检查标准》JGJ59-20113、《建筑施工扣件式钢管脚手架安全技术规范》JGJ130-20114、《建筑施工高处作业安全技术规范》JGJ80-20165、《混凝土结构工程施工质量验收规范》GB50204-20156、《建筑工程施工质量验收统一标准》GB50300-20137、《建筑结构荷载规范》GB50009-20128、《混凝士结构设计规范》GB50010-2010(2015版)二、设计数据(拟定,实际根据结构图纸)地下室顶板板厚:300mm。
最大跨度为8.40m,无梁楼盖。
顶板上设计回填土厚度为1.8m。
车库设计活荷载:5KN/m,消防车道荷载17.85KN/m2。
三、设计承载能力计算1、査《建筑结构荷载规范》GB50009-2012附录表A中A.1.4得:粘土自重为18KN/m2 。
2、地下室顶板覆土1.8m每平方米荷载:18KN/m×1.8m=32.4KN/m2。
3、地下室顶板可承受荷载为:32.4KN/m+5KN/m=37.4KN/m(活载按恒载计算,增大安全系数)。
4、根据拟定数据计算得顶板可承受恒荷载折算后为:37.4KN/m。
四、地下室顶板承载计算(一)、车库顶板行车荷载1、吊车、干混砂浆罐车、钢筋运输车、混凝土罐车作用下楼面等效均布活荷载的确定。
根据各种车型荷载:(1)吊车按20T吊车考虑,自重28吨,吊运钢筋每捆按5吨计,合计33×1.1,总计37吨。
(设计为恒载,将活载转化为恒载,下同)(2)钢筋运输车按装30t考虑,车重15t,合计45×1.1=49.5吨。
(3)混凝土罐车及泵车按装10立方米车考虑,混凝土罐车自重约15吨,10立方米混凝土按24吨计,合计39×1.1=43吨。
(4)干混砂浆罐车按装15立方米车考虑,车自重约20吨,砂浆25吨,合计45×1.1,总计50吨考虑。