常见不安全行为、控制措施汇总表
- 格式:doc
- 大小:302.50 KB
- 文档页数:13
不安全行为(行为隐患)汇总文字版未按时参加班前会,对工作内容不了解未按规定穿戴相应的劳动防护用品穿戴质量不合格的劳保用品工作前末对作业环境和所做的工作进行风险评估和危害辩识工作前未进行作业规程的贯彻学习作业前未按规定检查工器具人员无证上岗,从事其工作能力以外的工作检修设备前未执行停送电制度对申请停电设备不验电就挂锁、加装保护装置后进行检修动火作业时未检查备用的消防设施用洗油清洗设备时附近有明火清洗设备后的废油不按规定回收割炬使用中途人员离开时没关闭气瓶阀门在密闭的容器中进行电、气焊作业没有通风设施电焊机接地线不按规定搭接起重作业前未检查所用工具的完好性和安全性高空作业时使用的工具没有防脱落保护高空作业时安全带没有挂在牢固、结实的构件上在潮湿的环境中使用带电设备没有防触电防护组装轴承时使用铁锤直接敲击轴承切割油筒时没有进行清洗和惰性气体置换使用氧气、电焊没有事先清理现场积尘积煤在高温和有明火的地方使用清洗剂、自喷漆等易挥发气体未办理工作票停、送电在设备运行中使用工具检查或检修设备进入设备检修时,设备外无监护人员进入可转动的设备检修时,没使用止转装置人工抬运较重的物品长时间工作,管理人员不安排休息,工作人员疲劳作业管理人员违章指挥工作中不听指挥工器具使用、操作不当戴手套操作转动设备操作转动设备未佩戴防护用品操作或使用没有防护罩的转动设备使用不合标准的电动工具班前、班中饮酒,酒后上岗、串岗、脱岗、睡觉。
班中做与工作无关的事在有放射源的地方长时间停留设备外监护人员脱岗或睡觉登高作业时使用不合格的登高设备跨越运行中的设备在运行设备的上方工作没有防护措施未按规定进行岗位交接私自处理设备故障生产中处理现场故障时未与现场运行工及时联系使用对讲机说一些与工作无关的事情检修带压设备时,不卸压就进行工作检修带电设备时,不停电就进行工作在厂房内不按规定的线路行走检修现场照明亮度不够在设备内使用不符合标准的照明设备进入设备内部检查时未设在外监护人员在岗位上或停止运行的设备内睡觉两项及以上的交叉检修作业一方完成时不按规定送电试车设备检修完成后不试车设备检修后未安装或未修复防护罩作业完毕后未解除检修保护装置就送电试车作业完毕后未清理设备内物品和杂物就送电试车作业完毕未清理现场材料或废品作业结束后未清点人数厂区内超速行驶带烟、火进入工业厂区或在厂区内吸烟擅自挪用消防火工具未按规定参加班前会、安全例会、或其它活动在有粉尘场所作业未按规定戴防尘口罩擅自挪用消防火工具安全活动或安全例会迟到、早退擅自拆卸、挪用或损坏安全标志、防护、信号装置未按规定要求填写停送电工作票、动火工作票、检修工作票未停机戴手套处理旋转设备机动车辆客货混载在机器运转时加油、修理、检查、调整、清扫等其他违反安全规章制度、操作规程的行为任意拆除设备上的安全装置和警示标志等管理者本人或指定非工种人员操作机器、设备、车辆管理者本人在现场对违章行为不制止,对群体性违章问题不采取措施。
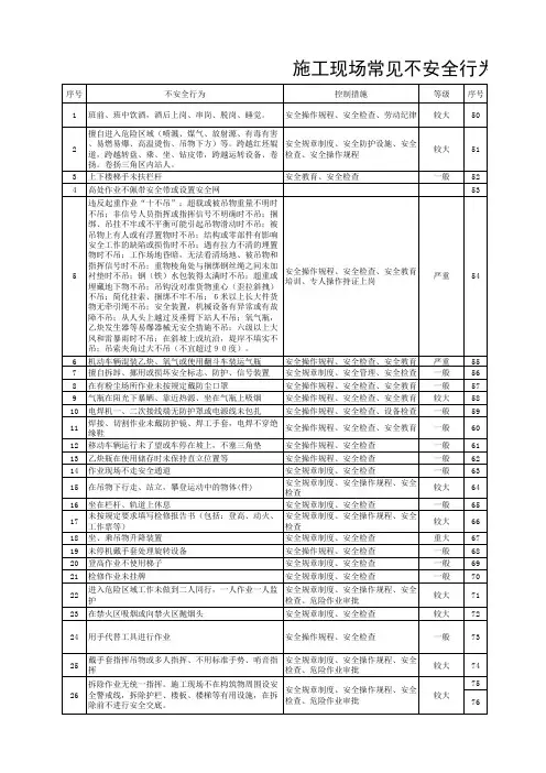
常见不安全行为及物的不安全状态汇总丨知识常见不安全行为、分级、控制措施汇总表序号不安全行为控制措施等级1班前、班中饮酒,酒后上岗、串岗、脱岗、睡觉。
安全操作规程、安全检查、劳动纪律较大2擅自进入危险区域(喷溅、煤气、放射源、有毒有害、易燃易爆、高温烫伤、吊物下方)等。
跨越红坯辊道,跨越转盘、乘、坐、钻皮带,跨越运转设备、卷扬。
卷扬三角区内站人。
安全规章制度、安全防护设施、安全检查、安全操作规程较大3上下楼梯手未扶栏杆安全教育、安全检查一般4高处作业不佩带安全带或设置安全网5违反起重作业“十不吊”:超载或被吊物重量不明时不吊;非信号人员指挥或指挥信号不明确时不吊;捆绑、吊挂不牢或不平衡可能引起吊物滑动时不吊;被吊物上有人或有浮置物时不吊;结构或零部件有影响安全工作的缺陷或损伤时不吊;遇有拉力不清的埋置物时不吊;工作场地昏暗,无法看清场地、被吊物和指挥信号时不吊;重物棱角处与捆绑钢丝绳之间未加衬垫时不吊;钢(铁)水包装得太满时不吊;超重或埋藏地下物不吊;吊钩没对准货物重心(歪拉斜拽)不吊;简化挂索、捆绑不牢不吊;6米以上长大件货物无牵引绳不吊;安全装置,机械设备有异常或有故障不吊;从人头上越过及垂臂下站人不吊;氧气瓶,乙炔发生器等易爆器械无安全措施不吊;六级以上大风和雷暴雨时不吊;在斜坡上或坑沿,堤岸不填实不吊;吊索夹角过大不吊(不宜超过90度)。
安全操作规程、安全检查、安全教育培训、专人操作持证上岗严重6机动车辆混装乙炔、氧气或使用翻斗车装运气瓶安全操作规程、安全检查、安全教育严重7擅自拆卸、挪用或损坏安全标志、防护、信号装置安全规章制度、安全管理、安全检查一般8在有粉尘场所作业未按规定戴防尘口罩安全操作规程、安全检查、安全教育一般9气瓶在阳光下暴晒、靠近热源、坐在气瓶上吸烟安全操作规程、安全检查、安全教育较大10电焊机一、二次接线端无防护罩或电源线未包扎安全操作规程、安全检查、设备检查一般11焊接、切割作业未戴防护镜、焊工手套,电焊不穿绝缘鞋安全操作规程、安全检查、安全教育一般12移动车辆运行未了望或车停在坡上,不塞三角垫安全操作规程、安全检查一般13乙炔瓶在使用储存时未保持直立位置等安全操作规程、安全检查一般14作业现场不走安全通道安全规章制度、安全检查一般15在吊物下行走、站立,攀登运动中的物体(件)安全规章制度、安全操作规程、安全检查较大16坐在栏杆、轨道上休息安全规章制度、安全检查一般17未按规定要求填写检修报告书(包括:登高、动火、工作票等)安全规章制度、安全操作规程、安全检查较大18坐、乘吊物升降装置安全规章制度、安全检查重大19未停机戴手套处理旋转设备安全操作规程、安全检查一般20登高作业不使用梯子安全规章制度、安全检查一般21检修作业未挂牌安全规章制度、安全检查一般22进入危险区域工作未做到二人同行,一人作业一人监护安全规章制度、安全操作规程、安全检查、危险作业审批较大23在禁火区吸烟或向禁火区抛烟头安全规章制度、安全检查较大24用手代替工具进行作业安全操作规程、安全检查一般25戴手套指挥吊物或多人指挥、不用标准手势、哨音指挥安全规章制度、安全操作规程、安全检查、危险作业审批较大26拆除作业无统一指挥。
1 2 3 4 5 6 78 9 1011 12 13 14 15 16在必须使用安全电压的地方使用常压电机械设备运转部(轮、轴、齿轮等)位没有防护罩手动砂轮机没有防护罩栏杆高度不足1.05 米或者强度不够梯子角度过陡,大于75 度起重设备限位失灵(主、副钩、防护门等)使用的钢丝绳磨损超过标准平台、沟、坑、洞等缺少栏杆或者盖板转动的轴头缺少轴套安全防护器具处于非正常状态或者检查不够绝缘工具破损灭火器缺少铅封自动灭火报警系统不能正常动作抽排烟、除尘装置不能正常发挥作用地面不平整,有突出地面的物体轨道尽头缺少阻车装置,未安装防止“跑车”的档车器或者档车较大安全规章制度、安全检查普通安全规章制度、安全检查、设备检查普通安全规章制度、安全检查、设备检查普通安全规章制度、安全检查、设备检查普通安全规章制度、安全检查、设备检查重大安全规章制度、安全检查、设备检查较大安全规章制度、安全检查、设备检查普通安全规章制度、安全检查普通安全规章制度、安全检查普通安全规章制度、安全检查普通安全规章制度、安全检查普通安全规章制度、安全检查较大安全规章制度、安全检查普通安全规章制度、安全检查普通安全规章制度、安全检查重大安全规章制度、安全检查、设备检查1718 19 20 21 22 23 24 25 262728 29 30 31 32 333435 36栏电气装置(机电、开关、变压器等)缺少接地或者接零在危房内作业缺少防护罩或者未在适当位置防护罩根基不牢电气装置带电部份裸露作业安全距离不够工件有锋利毛刺、毛边设施上有锋利倒梭工具、制品、材料堆放不安全煤气水封缺水输送易燃、可燃气体或者液体的管道没有接地、两节管道间没有搭接地面有油或者其它液体地面有冰雪覆盖地面有其它易滑物电线、电缆外皮破损高温物品距离操作人员过近旋转或者转动的设备没有划出警戒线作业场所摆放混乱,容易造成摔倒作业场所有毒有害物质超标操作台或者操作开关没有明显普通安全规章制度、安全检查、设备检查较大安全规章制度、安全检查普通安全规章制度、安全检查普通安全规章制度、安全检查较大安全规章制度、安全检查、设备检查普通安全规章制度、安全检查普通安全规章制度、安全检查普通安全规章制度、安全检查普通安全规章制度、安全检查较大安全规章制度、安全检查、设备检查较大安全规章制度、安全检查、设备检查普通安全规章制度、安全检查普通安全规章制度、安全检查普通安全规章制度、安全检查普通安全规章制度、安全检查普通安全规章制度、安全检查普通安全规章制度、安全检查普通安全规章制度、安全检查严重安全规章制度、安全检查普通安全规章制度、安全检查37 3839 40 41 42 43 44 45 46 47 49 50 51 52 53 54 55 56 57 58 59标识脚手架等铺设的跳板没有固定,处于活动状态防护、保险、信号等装置缺乏或者有缺陷无防护罩无安全保险装置无报警装置无安全标志无护栏或者护栏损坏绝缘不良局扇无消音系统、噪声大防护不当防护装置调整不当防爆装置不当设备、设施、工具、附件有缺陷设计不当,结构不合安全要求通道门、墙等遮档视线制动装置有缺欠安全间距不够拦车网有缺欠安全设施强度不够机械强度不够绝缘强度不够起吊重物的绳索不合安全要普通安全规章制度、安全检查较大安全规章制度、安全检查、设备检查普通安全规章制度、安全检查较大安全规章制度、安全检查较大安全规章制度、安全检查普通安全规章制度、安全检查普通安全规章制度、安全检查普通安全规章制度、安全检查普通安全规章制度、安全检查普通安全规章制度、安全检查普通安全规章制度、安全检查较大安全规章制度、安全检查普通安全规章制度、安全检查普通安全规章制度、安全检查普通安全规章制度、安全检查较大安全规章制度、安全检查普通安全规章制度、安全检查普通安全规章制度、安全检查普通安全规章制度、安全检查普通安全规章制度、安全检查普通安全规章制度、安全检查较大安全规章制度、安全检查60 61 62 63 64 65 66 67 68 69 70 71 72 73 74 75 76 77 78 79 80求设备在非正常状态下运行设备带“病”运转超负荷运转维修、调整不良设备失修地面不平保养不当、设备失灵安全鞋等缺少或者有缺陷照明光线不良照度不足作业场地烟雾尘弥漫视物不清光线过强煤气浓度超标作业场所狭窄作业场地杂乱交通路线的配置不安全操作工序设计或者配置不安全贮存方法不安全环境温度、湿度不当消防通道宽度不够灭火器失效较大安全规章制度、安全检查较大安全规章制度、安全检查较大安全规章制度、安全检查普通安全规章制度、安全检查普通安全规章制度、安全检查普通安全规章制度、安全检查普通安全规章制度、安全检查普通安全规章制度、安全检查普通安全规章制度、安全检查普通安全规章制度、安全检查较大安全规章制度、安全检查普通安全规章制度、安全检查重大安全规章制度、安全检查普通安全规章制度、安全检查普通安全规章制度、安全检查普通安全规章制度、安全检查普通安全规章制度、安全检查较大安全规章制度、安全检查较大安全规章制度、安全检查普通安全规章制度、安全检查较大安全规章制度、安全检查。
不安全行为分级控制措施汇总表随着互联网和智能设备的普及,信息化的快速发展已经与人们的日常生活密不可分。
然而,与此同时,网络安全问题也日益严峻。
产生原因多种多样,其中之一就是由于人们的不安全行为不断增加,给信息安全带来了很大的隐患。
因此,强化对不安全行为的分级控制是信息安全管理中的一项重要任务。
为了对不安全行为的分级控制有一定的了解,下面是一份不安全行为分级控制措施汇总表。
一、较有风险行为较有风险行为是指那些可能对机构带来较大损失或重大威胁的行为。
以下是一些示例:1. 不慎点击不慎点击指用户未经过充分检查就随意点击链接、下载附件或执行文件等行为,可能导致电脑感染病毒、木马等恶意软件,进而威胁重要数据的安全。
为避免不必要的风险,机构应对员工加强信息安全知识培训和技能训练,以便提高他们的防范意识和技能水平。
控制措施:•建立信息安全检查机制,用于监测用户的不慎点击行为。
•制定操作规范以减少不慎点击的风险。
•部署防病毒软件,确保系统的安全性。
2. 泄漏机密信息泄漏机密信息指员工通过邮件、即时通讯工具等方式向外界泄露机密信息的行为。
由于机构机密信息的泄露可能对机构造成极大损失或破坏,因此在实际应用中,需加强对员工的保密意识、加强对机密信息访问监控。
控制措施:•制定保密办法和规定,促使员工保密。
•协助员工了解机构机密信息的形式和敏感等级。
•对机构关键部门和人员的网络访问进行限制、监督和授权。
3. 访问未经授权信息访问未经授权信息是指员工接触或尝试接受未经授权的网络应用程序或设备的行为。
在此过程中,机构的敏感数据和关键资源可能会受到威胁。
控制措施:•授权访问机构资产的人员进行限制、监督和控制。
•采用身份认证技术。
•建立记录和检查机制,以识别是否未经授权访问机构资源。
二、有风险的行为有风险的行为是指那些可能对机构造成潜在风险或威胁的行为,但相对于较有风险行为,这类行为可能对机构造成的影响会小很多。
以下是一些示例:1. 用外部设备连接电脑由于外部设备的插入可能会导致病毒感染、数据泄密等安全问题,因此机构应该加强对其安全风险的控制。