车辆工程毕业设计153汽车自救装置的设计说明书
- 格式:doc
- 大小:1.15 MB
- 文档页数:53
发动机舱自动灭火器方案设计1自动灭火器位置布局发动机舱是汽车的中枢区域,布局紧凑。
而自动灭火器受自身体积外形所限,必须有一个合适的位置和牢固的方式放置。
1.1车身驾驶室舱内布局本文所述的商用车,是典型的前置发动机车型。
车身发动机舱是整车的首脑部位,是动力总成中心及控制中心。
它是由驾驶室地板、发动机罩、面罩框、前保险杠等组成的一个半封闭的空间。
其中动力总成核心发动机和控制中枢ECU等均放置于此,重要部件还有蓄电池、前蒸发器、暖风、风窗洗涤壶、ABS、空压泵、散热水箱、前灯、防冻液壶等。
另外,电子电器设备的电源线束、控制信号线束,进排气管道、液体循环管路等都在舱内形成一个复杂的网络。
发动机舱内由于放置了众多的零部件,导致布局空间相当紧凑,而灭火器及其附属支架占用空间较大。
并且舱内器件依托的车身本体铁件大多是材料厚度较薄的铁板,在灭火器本体3G动载工况下零部件强度较难满足安装要求。
1.2灭火器的布置原则灭火器在发动机舱内布置,需要在满足灭火要求的前提下,选择强度高的车身部位,不降低车身模态及零部件强度、刚度。
1.2.1针对易起火点布置汽车发动机舱内易起火部位主要有发动机本体及其管路、蓄电池及其开关等部位,其中,发动机引起的火患最难控制,后果最为惨烈。
发动机及其管路其上易着火点按照危险性,依次为增压器、发电机、高压燃油泵及高压燃油管、排气管等。
针对易着火点在舱内的位置分布和法规规定的灭火剂剂量要求,最终确定在本车型上安装左右对称的两个灭火器,内贮干粉质量均为400克。
车身左侧位置的灭火器灭主要针对高压燃油泵、增压器等的火情,并能兼顾蓄电池可能产生的险情;车身右侧的灭火器则主要排气管、发电机等的火情。
1.2.2选择车身强度足够高的部位作为安装位置由于灭火器外壳较厚,加上支架和内贮干粉质量,整个灭火装置的重量比较大,因此选择厚度大、材料屈服强度较高的车身位置安装,是非常重要的。
而当零件料厚达不到直接安装要求时,就必须对零件贴加强胶片和焊接加强支架来保证足够的安装强度。
车辆工程专业毕业设计、课程设计(说明书)规范车辆工程专业课程设计、毕业设计(论文)规范一、设计说明书(论文)的结构及要求设计说明书(论文)包括:封面、中文摘要、英文摘要、关键词、目录、正文、致谢、参考文献及附录八部分。
1、封面按统一格式完成或由学校统一印制,按要求填写。
题目一般不超过25个字,要简练准确,可分二行书写。
2、中(英)文摘要及关键词中文摘要在前,“摘要”字样位置居中,字数应在400字左右;关键词一般3至5个,以显著字符另起一行,排在摘要正文部分左下方。
英文摘要与中文摘要内容要一致。
3、目录按三级标题编写,要求层次清晰,且要与正文标题一致,主要包括绪论、正文主要层次标题、结论、致谢、参考文献、附录等。
4、正文正文包括绪论(或前言、概述等)、主体、结论。
工科论文要求符合科技论文格式,正文要标明章节,图表和公式要按章编号,公式应另起一行书写,并按章编号。
(1)绪论:简要说明工作的目的、意义、范围、研究设想、方法、选题依据等,应当言简意赅,不要与摘要雷同。
(2)主体:主体是设计说明书(论文)的核心部份,课程设计说明书应在6000字以上,毕业设计说明书(论文)字数应在10000-12000字,包括:设计(实验)方案的论证,设计(实验)方法手段与结果,仪器设备,原始材料,计算方法,编程原理,数据处理,设计(论文)说明与依据,加工整理和图表,形成论点和导出的结论等。
(3)结论:设计(论文)的结论应当准确、完整、明确精炼。
但也可在结论或讨论中提出建议、设想和尚待解决问题等。
5、致谢该部分要简单地表述作者在结束设计(论文)后的一些收获和感想,并向在设计(论文)工作过程中给予自己指导和帮助的老师及同学表示感谢。
6、参考文献必须是学生本人真正阅读过的图书或者科技论文,内容要与设计(论文)工作直接相关。
参考文献要按照引用的顺序列出。
文献是期刊时,书写格式为:作者,文章题目,期刊名,年份,卷号,期数,引用内容所在页码;文献是图书时,书写格式为:作者,书名,出版单位,年月,论文在刊物中页码。
本科学生毕业设计江铃15米三节臂高空作业车改装设计(液压、支腿系统)院系名称:汽车与交通工程学院专业班级:车辆工程学生姓名:指导教师:职称:教授The Graduation Design for Bachelor's Degree Jiangling 15 meters three arms aloft Working car modification design (hydraulic pressure, a leg system)Candidate:Guo ShiqiSpecialty:Vehicle EngineeringClass:B07-10Supervisor:Prof. Qi XiaojieHeilongjiang Institute of Technology目录摘要 (I)ABSTRACT ........................................................................................................ I I 第1章绪论. (1)1.1高空作业车的发展概况 (1)1.1.1概况 (1)1.1.2 国外趋势与动向 (2)1.2 国内现状、差距与如何提高的方法 (3)1.2.1 现状 (3)1.2.2 差距 (4)1.2.3 液压系统及液压原理分析 (4)1.3 设计部分与要求 (4)1.3.1 设计参数 (4)1.3.2 设计目标 (5)1.3.3 设计内容 (5)1.4 设计技术路线 (6)第2章高空作业车总体结构及参数确定 (7)2.1高空作业车总体结构 (7)2.1.1工作装置 (7)2.1.2动力装置 (8)2.2 运动参数确定 (8)2.2.1作业高度、幅度、速度 (8)2.2.2液压缸基本参数确定 (9)第3章高空作业车副车架设计 (13)3.1副车架主要尺寸设计 (13)3.2副车架的强度刚度弯曲适应性校核 (13)第4章液压支腿设计 (20)4.1 结构设计 (20)4.1.1 支腿的选型 (20)4.1.2 支腿跨距的确定 (22)4.2 力学计算支腿的压力计算 (26)4.3支腿液压缸设计 (29)4.3.1打开支腿 (29)4.3.2 最大载荷时支腿力的计算 (30)4.3.3 液压缸的内径计算 (31)4.3.4 液压缸缸筒壁厚和外径计算 (31)4.3.5 液压缸活塞杆直径 (32)4.3.6 液压缸活塞杆强度校核 (32)4.3.7 液压缸活塞杆稳定性校核 (33)第5章液压系统设计 (35)5.1回路设计 (35)5.1.1 动臂的回路设计(变幅机构) (35)5.1.2 回转台回路设计 (36)5.1.3 支腿回路油设计 (37)5.1.4 液压油路总图设计 (38)5.2 液压元件的选择 (39)5.2.1 液压马达计算: (39)5.2.2 液压泵的选择 (43)5.2.3 管路选择 (45)5.2.4 油液选用 (46)5.2.5 控制阀的选择 (46)5.4 油箱的设计 (47)结论 (49)参考文献 (51)致谢 (53)附录...................................................................................................... 错误!未定义书签。
2021.08科学技术创新一种汽车落水自助逃生装置的设计构想郭兴华王皆佳闫甜甜孙亚楠(江苏航运职业技术学院航海技术学院,江苏南通226010)1概述重庆市万州区长江二桥发生重大交通事故,一辆大巴车在行驶中突然越过中心线撞上一辆正常行驶的红色小轿车后坠江。
由于公交车坠江后迅速下沉,限于落水位置河流较深,又加上救援力量不能及时有效开展救援,事故造成15人遇难。
该事件发生后引起交通部门的重视,交通部门希望车辆在发生类似事件时能够保证落水车辆浮于水面为后续救援力量的到来争取时间,以便尽量减少财产损失和人员伤亡。
因此,亟需一种车辆落水救生装置来保障落水车辆内人员的安全,最大限度减少人员伤亡。
为提高车辆的安全系数,解决车辆在沿海、沿江、沿湖边驾驶或驾驶员疲劳驾驶时,因各种因素而出现突发情况,最后导致车辆掉进深水中的安全问题,市场急需研制一种车辆落水自助逃生装置来帮助人们解决现有的问题,车辆落水救生装置在汽车落水后应能立即打开,方便人员快速逃离危险[1]。
2汽车落水自助逃生系统的设计对家用汽车落水自助逃生系统进行具体设计,细化监测单元、控制单元、动力单元、执行单元的设计,并以某一车型进行模拟校验,以论证所构建模型的适用性。
本装置需要在车辆落水后车辆应急逃生装置能够顺利启动,该装置启动后需要能够支撑车辆浮于水面一段时间,为车辆内司乘人员逃生赢得时间[2]。
若车辆受损严重不能浮于水面之上,则该应急逃生系统应能保证车辆在水面以下能自动打开车窗供司乘人员逃生之用。
本系统设计了一种汽车落水应急逃生系统模型,将现代电子控制技术应用到车辆落水事故的人员逃生中,有效克服了事故中人员应急时间短、处理能力弱等困难,实现快速反应,在最短时间内较好地解决车辆在落水后能够快速浮于水面,司乘人员打开车门进行逃生的问题。
但在某些恶劣情况下时,如车门严重变形,作用失效,该系统尚需要进一步改进[3]。
汽车落水应急逃生系统包括4部分:监测单元、控制单元、动力单元、执行单元。
目录第一章绪论 (1)1.1 课题的选定及目的 (2)1.2 国内外自卸汽车及其技术的发展概况 (3)一、国外发展概况 (3)二、国内发展概况 (3)1.3 课题研究的主要内容及基本工作思路 (5)一、主要内容 (5)二、本课题基本工作思路 (7)第二章自卸车液压举升机构的总体设计方案 (8)2.1 自卸汽车主要尺寸和有关参数的确定 (8)一、东风小霸王轻型自卸汽车参数 (8)二、主要尺寸参数的确定 (9)三、质量参数的确定 (9)四、最大举升角的确定 (10)五、车厢举升与下降时间 (11)六、车厢的布置 (12)七、底盘的选用 (12)2.2 自卸车总体结构概述 (13)一、自卸汽车的结构型式 (13)二、自卸汽车举升机构特性比较 (15)2.3 总体设计方案选择 (16)第三章自卸汽车液压举升系统的设计 (17)3.1 直接推动式举升机构的具体设计 (17)一、工作原理 (17)二、参数设计 (18)三、小结 (26)3.2油泵的选取 (27)一、概述 (27)二、泵的技术参数 (28)3.3 液压阀元件的选取 (29)一、单向阀的选取 (29)二、压力控制阀选取 (30)三、平衡阀选取 (30)3.4 举升系统管路设计 (30)3.5 举升系统的总体设计 (30)3.6 设计方案 (31)3.7液压举升系统 (32)一、自卸汽车二位二通液压举升系统设计改进 (32)二、自卸汽车三位四通液压举升系统设计改进 (37)三、举升机构液压锁紧、平衡回路 (38)3.8报警装置 (40)一、零部件 (40)二、安装方法 (40)第四章自卸汽车液压举升系统的优化设计 (41)4.1 优化设计的选择 (41)4.2 优化函数及目标函数 (41)4.3 优化软件程序 (42)4.4 优化结果 (42)4.5 本章小结 (42)参考文献 (42)2第一章绪论自卸车是利用发动机动力驱动液压举升机构,将车厢倾斜一定角度从而达到自动卸货,并依靠货箱自重使其复位的专用汽车。
目录摘要 (I)Abstract (II)第1章绪论………………………………………………………………..……… ..11.1 汽车自救装置的概况 (1)1.2 汽车自救装置的发展........................................................ . (2)1.3 汽车自救装置的技术现状 (3)1.4 设计的主要内容 (4)第2章汽车自救装置的方案选择 (5)2.1动力源的方案 (5)2.2传动机构的方案........................................................ (5)2.3 本章小结 (7)第3章电动机的选择 (8)3.1 牵引力的确定 (8)3.2钢丝绳的选择与计算 (8)3.3 电动机的选择 (9)3.4 本章小结 (10)第4章减速器的设计 (11)4.1传动形式的选择 (11)4.2 行星轮传动条件 (11)4.3 计算及材料选择 (13)4.3.1 传动比选择分配计算 (13)4.3.2 选择齿数齿型 (20)4.3.3 齿轮计算 (20)4.3.4 材料选择 (24)4.4 校核齿轮 (24)4.4.1 弯曲强度校核 (28)4.4.2 齿面疲劳强度校核 (29)4.5 联轴器的选择 (30)4.6 行星架结构设计 (31)4.7 行星轴强度计算校核 (32)4.8 轴承的选择 (32)4.9 润滑方式 (34)4.1.0本章小结 (34)第5章离合器的选择及卷筒的设计 (35)5.1离合器的种类 (35)5.2离合器的选择 (36)5.3 卷筒的设计 (38)5.4本章小结 (40)第6章联接元件的校核 (41)6.1 底架上螺栓的强度校核 (41)6.2 键的强度校核 (42)6.3 卷筒螺栓的校核 (43)6.4 本章小结 (44)结论 (45)参考文献 (46)致谢 (47)附录A (48)附录B (50)第1章绪论1.1 汽车自救装置的概况汽车自救装置包括汽车电动绞盘机,主要用于越野汽车、农用汽车、ATV运动车、游艇、以及其它特别车辆。
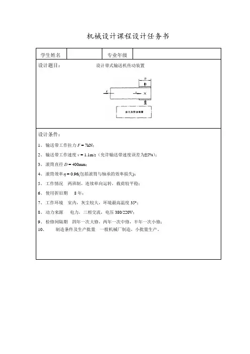
机械设计课程设计任务书学生姓名专业年级设计题目:设计带式输送机传动装置设计条件:1、输送带工作拉力F = 7kN;2、输送带工作速度v = 1.1m/s(允许输送带速度误差为±5%);3、滚筒直径D = 400mm;4、滚筒效率η = 0.96(包括滚筒与轴承的效率损失);5、工作情况两班制,连续单向运转,载荷较平稳;6、使用折旧期8年;7、工作环境室内,灰尘较大,环境最高温度35︒;8、动力来源电力,三相交流,电压380/220V;9、检修间隔期四年一次大修,两年一次中修,半年一次小修;10、制造条件及生产批量一般机械厂制造,小批量生产。
设计工作量:1、减速器装配图1张(A1);2、零件工作图3张;3、设计说明书1份。
指导教师签名:2014年7月02日说明:1.此表由指导教师完成,用计算机打印(A4纸)。
2.请将机械设计课程设计任务书装订在机械设计课程设计(论文)的第一页。
设计内容计算及说明结果1.前言2.传动装置的总体设计2.1比较和选择传动方案这次设计的机构要求连续单向运转,载荷平稳,室内工作环境恶劣(灰尘较大,环境最高温度350C),还要求维修方便,故选用的是展开式二级圆柱齿轮减速器。
在这次课程设计过程中,为了更好地达到培养设计能力的要求,应养成独立思考,严肃认真,精益求精的好习惯。
还要综合考虑多种因素,要采取多种办法进行比较分析。
最重要的是,通过这次的课程设计,要学会机械设计的一半规律,树立正确的设计思想,还要学会用计算机绘图。
这次设计的机构要求连续单向运转,载荷平稳,室内工作环境恶劣(灰尘较大,环境最高温度350C),还要求维修方便,故选用的是展开式二级圆柱齿轮减速器。
本传动机构的特点是:减速器横向尺寸较小,两大齿轮浸油深度可以大致相同。
结构较复杂,轴向尺寸大,中间轴较长、刚度差,中间轴承润滑较困难。
结构如下:设计内容计算及说明结果2.2电动机的选择2.2.1电动机类型2.2.2确定电动机功率2.2.3确定电动机转速2.2.4选定电动机2.3计算总传动比和分配各级传动比参数题号 9输送带工作拉力F/KN 4.2输送带工作速度v(m/s) 1.9滚筒直径D(mm) 450选用Y系列三相异步电动机工作机的效率96.0jw=η=η传动装置中各部分的效率,查机械设计课程设计手册表1-78级精度的一般齿轮传动效率97.0=η齿高速级弹性联轴器传动效率99.0=η联低速级齿式联轴器传动效率99.0l=η滚子轴承传动效率)(99.0一对球=η电动机至工作机之间传动装置的总效率lηηηηηηηη滚子齿滚子齿滚子联=89.099.099.097.099.097.099.099.0=⨯⨯⨯⨯⨯⨯=工作机所需功率4200 1.98.31100010000.96wwFP KWνη⨯===⨯所需电动机功率8.319.340.89wdPP KWη===采用同步转速1500r/min查出电动机型号为Y160L-4,其额定功率为11kW,满载转速1460r/min。
目录摘要 (I)Abstract (II)第1章绪论………………………………………………………………..……… ..11.1 汽车自救装置的概况 (1)1.2 汽车自救装置的发展........................................................ . (2)1.3 汽车自救装置的技术现状 (3)1.4 设计的主要内容 (4)第2章汽车自救装置的方案选择 (5)2.1动力源的方案 (5)2.2传动机构的方案........................................................ (5)2.3 本章小结 (7)第3章电动机的选择 (8)3.1 牵引力的确定 (8)3.2钢丝绳的选择与计算 (8)3.3 电动机的选择 (9)3.4 本章小结 (10)第4章减速器的设计 (11)4.1传动形式的选择 (11)4.2 行星轮传动条件 (11)4.3 计算及材料选择 (13)4.3.1 传动比选择分配计算 (13)4.3.2 选择齿数齿型 (20)4.3.3 齿轮计算 (20)4.3.4 材料选择 (24)4.4 校核齿轮 (24)4.4.1 弯曲强度校核 (28)4.4.2 齿面疲劳强度校核 (29)4.5 联轴器的选择 (30)4.6 行星架结构设计 (31)4.7 行星轴强度计算校核 (32)4.8 轴承的选择 (32)4.9 润滑方式 (34)4.1.0本章小结 (34)第5章离合器的选择及卷筒的设计 (35)5.1离合器的种类 (35)5.2离合器的选择 (36)5.3 卷筒的设计 (38)5.4本章小结 (40)第6章联接元件的校核 (41)6.1 底架上螺栓的强度校核 (41)6.2 键的强度校核 (42)6.3 卷筒螺栓的校核 (43)6.4 本章小结 (44)结论 (45)参考文献 (46)致谢 (47)附录A (48)附录B (50)第1章绪论1.1 汽车自救装置的概况汽车自救装置包括汽车电动绞盘机,主要用于越野汽车、农用汽车、ATV运动车、游艇、以及其它特别车辆。
目录摘要 (I)Abstract (II)第1章绪论………………………………………………………………..……… ..11.1 汽车自救装置的概况 (1)1.2 汽车自救装置的发展........................................................ . (2)1.3 汽车自救装置的技术现状 (3)1.4 设计的主要内容 (4)第2章汽车自救装置的方案选择 (5)2.1动力源的方案 (5)2.2传动机构的方案........................................................ (5)2.3 本章小结 (7)第3章电动机的选择 (8)3.1 牵引力的确定 (8)3.2钢丝绳的选择与计算 (8)3.3 电动机的选择 (9)3.4 本章小结 (10)第4章减速器的设计 (11)4.1传动形式的选择 (11)4.2 行星轮传动条件 (11)4.3 计算及材料选择 (13)4.3.1 传动比选择分配计算 (13)4.3.2 选择齿数齿型 (20)4.3.3 齿轮计算 (20)4.3.4 材料选择 (24)4.4 校核齿轮 (24)4.4.1 弯曲强度校核 (28)4.4.2 齿面疲劳强度校核 (29)4.5 联轴器的选择 (30)4.6 行星架结构设计 (31)4.7 行星轴强度计算校核 (32)4.8 轴承的选择 (32)4.9 润滑方式 (34)4.1.0本章小结 (34)第5章离合器的选择及卷筒的设计 (35)5.1离合器的种类 (35)5.2离合器的选择 (36)5.3 卷筒的设计 (38)5.4本章小结 (40)第6章联接元件的校核 (41)6.1 底架上螺栓的强度校核 (41)6.2 键的强度校核 (42)6.3 卷筒螺栓的校核 (43)6.4 本章小结 (44)结论 (45)参考文献 (46)致谢 (47)附录A (48)附录B (50)第1章绪论1.1 汽车自救装置的概况汽车自救装置包括汽车电动绞盘机,主要用于越野汽车、农用汽车、ATV运动车、游艇、以及其它特别车辆。
是车辆、船只的自我保护及牵引装置,可在雪地、沼泽、沙漠、海滩、泥泞山路等恶劣环境中进行车辆自救,并可能在其它条件下,进行清障、拖拉物品、安装设施等作业,是军警、石油、水文、环保、林业、交通、公安、边防、消防及其它野外运动不可缺少的安全装置。
目前常见的汽车自救装置按绞盘原动力的不同,主要有四种:电动绞盘机,是最常见的绞盘机。
依靠车辆自身的电力系统驱动绞盘,优点:可以在车辆死火的情况下基本正常使用(这是它最大优点是其他绞盘机无法比拟的),尤其对于水多的地区有很大优势,安装简单可以实现多位置安装及迅速移位。
缺点:不能维持长时间的使用(车辆自身电力系统局限性、自身易发热等原因),大部分电动绞盘机能提供的驱动力较小,只能向一个方向施加力量(安装于车前只能向前拉,安装于后部只能向后拉)。
PTO绞盘机,使用分动箱输出动力为动力源(POWER TAKE OFF),优点:能持续提供较大的拉力,单次使用时间长(不存在发热问题),可以提供多方向拉力(前、后、甚至左右),是军用车辆或严肃的高性能越野最佳选择。
缺点:必须使用发动机动力,即在发动机因进水等原因无法工作时无法使用;分动箱失去绞盘机方向驱动力时也无法使用。
油压绞盘机,使用车辆的动力/助力转向系统为其动力源,使用助力转向泵提供源动力。
优点:安装方便,由于其外部固定部分基本实现了通用化,甚至在野外即可实现互换,驱动力界于电动和PTO绞盘之间,发生高温机会极其少见。
缺点:和PTO绞盘机一样,必须使用发动机驱动力,即必须保持发动机转动,且一旦动力转向系统出现故障则无法使用(在部分越野情况下,动力转向系统容易受到外界破坏)。
车轮绞盘机,这是一种比较新的绞盘机系统,即由车轮轴提供驱动力。
原理是使用大部分越野车轮的6颗固定螺丝中的4颗以固定绞盘。
优点:安装/拆卸极其简便(和换轮胎是一个步骤),重量极轻(比任何一种其他绞盘机都轻,不会被前悬带来致命的额外重量),价格便宜,可提供前后双方向拉力。
缺点:目前我所知的缺点可以肯定的是由于其力量点是轮轴,所以位置太低,造成部分条件下无法使用,而且也必须使用发动机动力。
1.2汽车自救装置的发展在西方,陆军每10辆四驱卡车就最少有一辆带有汽车自救装置,这还不包括工程部的回收车(回收车是一辆底盘由6×6、8×8重型卡车或者50吨以上的坦克改成的,它是带有2—4个汽车电动绞盘的大型工程车,专门营救在野外陷入深坑的卡车或坦克)。
汽车自救装置的重要性由此可见一斑。
汽车自救装置的历史可追溯到第一次世界大战期时期,由于当时的道路条件极差,除了城市没有正规的道路,战场上充满了泥泞和壕沟,汽车由于有差速的关系,很容易被陷在泥坑中或卡在壕沟上,影响了部队的行进速度。
为了解决这个问题,技术人员想了许多方法,最后从码头使用的拖拽船舶绞盘机上得到了启发,将其改在汽车上,并且以链条驱动它,这个设计取得了成功。
第二次世界大战结束后,科技取得了飞速发展,大量军用技术转移到民用产品中。
随着越野车成为普通家家庭的代步工具和竞技越野车运动的发展,汽车绞盘机作为越野车的重要组成部分成为了一种民用产品,并得到了很好的发展。
19世纪60年代,电动绞盘机开始发展,它的好处是重量轻,造价便宜,可自行拆卸改装在不同型号的汽车车上,而且就算汽车发动机不能工作,绞盘机同样可以运作。
电动绞盘机的出现促进了绞盘机的普及。
绞盘机的种类很多,有电动绞盘机、利用汽车发动机机械动力带动的绞盘机以及用液压泵操作的绞盘机等,越野者使用最多的要数电动绞盘机了。
电动绞盘机是从汽车本身获得动力来驱动马达带动绞索的。
这种绞盘机很方便,因为可以站在任何地方通过遥控器上的旋钮进行操纵。
它最大的优点就是只要电池还有电就可以使用。
但是,绞盘机内马达的功率一般只有几马力,这么小功率的马达何以能拖动一辆沉重的汽车亦或是其它重物呢?秘密就在减速器的使用上。
即便马达只能发出较小之力,但减速器却能将其转变为强大之力。
市场上大部分绞盘机都是使用行星齿轮做减速器。
行星齿轮的优点是体积较小而产生的减速比相对较大,而且齿轮的接触点较多,使用寿命较长。
绞盘机通常都安装在较狭小的空间内,因此越小越轻就越好。
行星齿轮既能达到这一要求,同时又能产生较大的减速比,因此再理想不过了。
绞盘机通常都安装在较狭小的空间内,因此越小越轻就越好。
行星齿轮既能达到这一要求,同时又能产生较大的减速比。
绞盘机的拖拉力量与绞盘拉出的长度有直接关系,在绞盘机刚拉时力量最大,其后绞盘每转一圈,拉力便减小一些。
绞索拉的越长拉力越弱。
简单地说,绞盘机内部的工作机制是:从汽车来的电力首先带动马达,而后马达带动鼓轮转动,鼓轮又带动主动轴,主动轴再带动行星齿轮,进而产生强大的扭力。
随后,扭力被传回到鼓轮,鼓轮便带动绞盘机。
马达和减速器之间有一个离合器,能通过一个把手来开关。
制动单元在鼓轮内,当绞索绷紧时,鼓轮就自动锁住。
在实际运用中,有些辅助物品是安全顺利使用绞盘机时必不可少的,如手套能安全保护手部。
此外,如果要把绞盘机固定在一棵树上,还需要一条带子、一个U行吊耳以及一个紧线滑轮。
带子是用来固定支点的。
其理想长度为1.5—2.0m;U形吊耳能够将钩子与带子及绞盘连接起来,所以最好多准备几种尺寸的吊耳;用双线或三线,改变拖拉方向时,则需要一个紧线滑轮。
操纵绞盘机简而言之可分3个步骤:安装、固定支点和拖拉。
随着中国经济的迅速发展和人民生活水平的显著提高,中国的汽车需求在不断扩大。
有相关部门统计:2005年中国的汽车需求量为640万台,预计到今年将接近1500万台,相当于目前全球汽车需求总量的四分之一。
绞盘机的使用量也会随之上升。
此外,以前普通国民对绞盘的认识十分的稀少,在他们的生活中,根本不会在意有没有这样一个小家伙。
然而近年来,国民自驾出游的人数也与日俱增,绞盘机成了这些人不可缺少的工具。
因此对于这一课题的研究具有良好的研究前景和积极的意义。
1.3 汽车自救装置的技术现状通过对汽车自救装置发展历史的研究,可以清楚的知道其对汽车在野外工作有着重要的意义。
随着汽车工业经济的发展,国内的汽车自救产品很多,例如汽车急救电源、汽车自用灭火机、汽车绞盘机等,其中汽车绞盘机是车辆在野外陷入困境时,所采用的最有效的一种自救工具。
在现代工业中,电动绞盘的使用十分广泛,它在交通运输、基建工地、林区等多种部门中发挥着巨大的作用。
经过近一个世纪的发展,汽车绞盘机技术有了巨大的进步。
从最初的由船用绞盘机改装而成,发展到现在的汽车专用电动绞盘机。
电动绞盘机,各型四驱车几乎都可以配上。
工作在世界上路况最差地区的各型越野车,几乎都装有电动绞盘机。
而各项越野挑战赛和拉力赛,更是声明没有绞盘机就不能参加比赛。
可见,电动绞盘对越野车的重要性。
考虑到我国幅员辽阔,地质地貌复杂,山地、丘陵、沼泽、沙漠几乎占了国土面积的一半,在野外生产作业过程中,车辆会经常陷入困境,绞盘机的使用十分重要。
因此,本课题所设计的绞盘机是针对上述地理条件下,中型越野车所使用的一种自救工具。
同时,由于绞盘机构在起重机中也发挥着不可忽视的作用。
以越野车上最常用的电动绞盘机为例,它主要有电动机、钢缆、绞盘鼓轮、导缆器、传动机构、制动系统、离合器、控制匣和控制器组成。
电动机由车辆的蓄电池带动,它将动力传递给机械传动装置,再带动绞盘鼓轮转动缠绕缆线;钢缆最初的设计承载能力决定了它的直径大小和长度,钢缆缠绕在绞盘鼓轮上并穿过导缆器,其末端打成环状以连接锚钩;绞盘机鼓轮是一个缠绕钢缆的圆柱形装置,它由电动机驱动,绞盘机圆筒可在遥控器的控制下改变转动方向;当使用绞盘有一定角度时,导缆器将引导钢缆绕上绞盘机鼓轮,它将减少钢缆回收时可能对绞盘机支架或保险杠产生的危险,往往固定安装在绞盘架或保险杠外;传动机构由行星齿轮构成,它将电动机产生的能量转换为强大的牵引力,传动系统的设计使得绞盘机变得轻便,紧凑;制动系统的作用是当电动机停止工作且钢缆有负重时自动锁紧鼓轮,防止钢缆松脱滑落,并将汽车拽在原地;离合器可以用手操作,改变鼓轮与传动系统的脱离或锁止状态,从而改变鼓轮空转或与传动系统锁死的状态;控制匣将汽车蓄电池的电力通过电磁线圈转化为动能,使操作者能够改变绞盘鼓轮的旋转方向,有的绞盘机把控制匣固化于绞盘机结构内,有的则可独立一体,按需要安装在适当位置,电动绞盘机在高负荷下运转,因此控制匣使用了高负荷控制系统以应付强大的电流;控制器插在绞盘机控制匣上,自由控制绞盘机鼓轮的旋转方向。
它可以使操作者在操作绞盘机时远离钢缆,避免危险。
1.4 设计的主要内容汽车自救装置的设计是一个复杂的设计过程,其中包括对电动机的选择,联轴器的选择,行星齿轮减速器的设计和离合器的选择,钢丝绳的设计和计算校核。