标准模板支撑计算.docx
- 格式:docx
- 大小:497.58 KB
- 文档页数:17
模板支撑体系设计计算内力计算根据有关资料以及以往施工经验,首先确定标准层大横杆,小横杆,立杆间距分别为0.75m、0.45m、0.9m,然后取最危险部分进行验算1、底模验算取KL4(350×650 跨度7.2m)(1)荷载统计底模板自重:1.2×0.35×0.5=0.21KN/m混凝土荷载重: 1.2×25×0.35×0.65=6.8 KN/m钢筋荷重:1.2×1.0×0.35×0.65=0.27 KN/m振捣混凝土荷载重1.2×1.0×0.35×0.65=0.96 KN/mq1=8.24 KN/m设计值荷载q=0.9(折减系数1×8.24=7.42 KN/m底模下面小横杆间距0.45m,底模计算简图,可将其当成一个等跨度连续梁,可按七等跨连续梁进行计算。
单位:查《静力计算表》得:Mmax=-0.121aL²=-0.121×7.42×0.45²=-0.18 KN/m验算:σ= Mmax/Wn=0.18×10/5.86×10³=30.72N/㎜²<f=215N/㎜²∴满足要求(2)抗剪强度验算Vmax =0.62×7.42×L=0.62×7.42×0.45=2.07KNTmax=(V.S)/(I.t)=2.07×7056×10³/I.t=2.07×7056/26.39×8.4×10=6.59<Fv=125v/㎜²(3)挠度验算采用标准荷载q=7.42/1.2=6.18KN/mw=0.967×6.18×450/100×E×I=0.967×6.18×450/100×2.1×10×bh³/12=0.61≤【w】=650/350=1.86㎜∴满足要求2侧模板计算(1)对拉横档间距为0.8m,∴可取如下计算简图,可近似按七跨连接梁计算单位:侧模计算简图(3)荷载计算:A、新浇筑普通混凝土对模板最大侧压力F1=0.22rtβ1β2V=0.22×24×1.2×1.15×1.2×(200/45)=35.6KN/㎡F2=24H=24×(0.65-0.1)=13.26KN/㎡取小值F=F2=13.2KN/㎡B、振捣混凝土时产生的侧压力为7KN总侧压力为q1=1.2×13.2+1.2×7=24.246KN/㎡线荷载q=q1.b=24.24×0.8×0.65=12.6N/m(3)验算抗弯强度Mmax=0.12qL²=0.121×12.6×0.5²=0.38KN/.mM/W=0.38×10/5.86×3×10³=21.62<f=215N/㎜²(4)验算挠度荷载采用标准值,且不考虑振捣荷载q=13.2KN/mω=0.967×qL/100×E×I=0.967×13.2×500/100×2.1×10×bh³/12×3=0.86<1.86㎜∴满足要求3、小横杆验算:(1)荷载验算侧模与横档重力:1.2×0.5×0.55×2=0.66KN其他荷载总设计值:q1=12.24KN总计q=12.24+0.66=12.9KN(2)确定计算模型偏于安全,同时简化计算,可近似取如下计算简图小横杆计算图P=qL=12.9×0.35=4.52KN(3)抗弯强度验算M=PL/4=4.52×0.75/4=0.85KN.mσ=M/W=0.85×10/5.08×10³=167<f=215N/㎜²(∵采用Φ48×3.5m钢管,W值查表得5.08×10²I值查表可知为12.19×10㎜)满足要求(4)挠度验算荷载采用标准荷载,不考虑振捣荷载q=(4.52-0.96×0.35)/1.2=3.48KN/mω/L=pL²/48EI=3.48×750²×10³/48×2.1×10(6)×121900=0.0002(ω=pL³/48EI∴满足要求4、大横杆验算(1)计算模型,计算简图如下:集中力均为F=P/2=4.52/=2.26KN(2)强度验算Mmλx=-7/12FL=0.58×F×L=0.58×2.26×0.65=085KN.mσ=M/ω=0.85×10(6)/5.08×10³=167<f=215N/㎜²∴满足要求(3)变形验算ω/L=1.615×FL/100EI=1.615×2.26×650²×10³/100×2.1×10(5)×121900=0.0006<1/500=0.002∴满足要求5、立柱计算计算模型查有关资料与规范得:计算简图如下,查《结构静力计算表》得:柱箍计算简图P=F+(0.55+0.661)F=2.215F=2.215×2.26=5.01KN计算长度L=M.h=0.8×2.1=1.68m立杆长细比λ=L/i=1.68×10²/1.58=106依据《钢结构设计规范》,考虑偏心荷载作用下,弯曲变形的影响,验算公式如下:M/(pxA)+βmaxM/【Rxωx(1-0.8N/NEL)】=5.01×10³/(0.437×600)+0.65×0.161×2260×650/【1.15×5080×(1-0.81×5.01/45】=19+29=48<215N/㎜²6、柱箍计算以标准层为例,截面尺寸600×600,浇筑高度2.1m,采用Φ48钢管最为柱箍材料。
模板支架计算书一、概况:现浇钢筋砼楼板,板厚(max=160mm),最大梁截面为300×600 mm,沿梁方向梁下立杆间距为800 mm,最大层高4.7 m,施工采用Ф48×3.5 mm钢管搭设滿堂脚手架做模板支撑架,楼板底立杆纵距、横距相等,即la=lb=1000mm,步距为1.5m,模板支架立杆伸出顶层横杆或模板支撑点的长度a=100 mm。
剪力撑脚手架除在两端设置,中间隔12m-15m设置。
应支3-4根立杆,斜杆与地面夹角450-600。
搭设示意图如下:二、荷载计算:1.静荷载楼板底模板支架自重标准值:0.5KN/ m3楼板木模板自重标准值:0.3KN/m2楼板钢筋自重标准值:1.1KN/ m3浇注砼自重标准值:24 KN/ m32.动荷载施工人员及设备荷载标准值:1.0 KN/ m2掁捣砼产生的荷载标准值:2.0 KN/ m2架承载力验算:大横向水平杆按三跨连续梁计算,计算简图如下:q作用大横向水平杆永久荷载标准值:qK1=0.3×1+1.1×1×0.16+24×1×0.16=4.32 KN/m作用大横向水平杆永久荷载标准值:q1=1.2 qK1=1.2×4.32=5.184 KN/m作用大横向水平杆可变荷载标准值:qK2=1×1+2×1=3KN/m作用大横向水平杆可变荷载设计值:q2=1.4 qK2=1.4×3=4.2 KN/m大横向水平杆受最大弯矩M=0.1q1Ib2+0.117q2Ib2=0.1×5.184×12+0.117×4.2×12=1.01 KN/m抗弯强度:σ=M/W=1.01×106/5.08×103=198.82N/ m2<205N/ m2=f 滿足要求挠度:V=14×(0.667 q1+0.99 qK2)/100EI=14×(0.667×5.184+0.99×3)/100×2.06×105×12.19×104=2.6 mm<5000/1000=5 mm滿足要求3.扣件抗滑力计算大横向水平杆传给立杆最大竖向力R=1.1q1Ib+1.2q2Ib=1.1×5.184×1+1.2×4.2×1=10.74KN>8KN,不能滿足,应采取措施,紧靠立杆原扣件下立端,增设一扣件,在主节点处立杆上为双扣件,即R=10.74KN <16KN,滿足要求。
板模板(木支撑)计算书一、工程属性模板设计平面图模板设计正立面图模板设计侧立面图四、面板验算现实,楼板面板应搁置在梁侧模板上,因此本例以简支梁,取1m单位宽度计算。
计算简图如下:面板抗弯刚度W=bh2/6=1000×15×15/6=m m3,I=bh3/12=1000×15×15×15/12=0mm4q1=0.9×(1.2(G1k+ (G3k+G2k)×h)+1.4Q1k)=0.9×[1.2×(0.1+(24+1.1)×0.13)+1.4×2.5]=6.78kN/m;q1=0.9×(1.35(G1k+ (G3k+G2k)×h)+1.4×0.7Q1k)=0.9×[1.35×(0.1+(24+1.1)×0.13)+1.4×0.7×2.5]=6.29kN/m;根据上述计算取较大值,q1=max[6.78,6.29]=6.78kN/m作为设计依据。
q2=0.9×1.2×G1k=0.9×1.2×0.1=0.11kN/m;p=1.4×Q1k=1.4×2.5=3.5kN;当施工何在为均布线荷载:M1=q1l2/8=6.78×0.452/8=0.17kN;当施工荷载为集中荷载时:M2=q2L2/8+pL/4=0.11×0.452/8+3.5×0.45/4=0.4kN;1、强度验算σ=M max/W=0.4×106=10.57N/mm2≤[f]=15N/mm2满足要求!2、挠度验算q=(G1k+ (G3k+G2k)×h)×b=(0.1+(1.1+24)×0.13)×1=3.36kN/m;ν=5ql4)=5×3.36×45040)= .6 mm≤[ν]=l/400=450/400=1.12mm满足要求!五、小梁验算1、强度验算q1=0.9max[1.2(G1k+ (G3k+G2k)×h)+1.4Q1k,1.35(G1k+(G3k+G2k)×h)+1.4×0.7Q1k]×b=0.9×max[1.2×(0.2+(1.1+24)×0.13)+1.4×2.5,1.35×(0.2+(1.1+24)×0.13)+1.4×0.7×2.5)]×0.45=3.1kN/m因此,q1静=0.9×1.2(G1k+ (G3k+G2k)×h)×b=0.9×1.2×(0.2+(1.1+24)×0.13)×0.45=1.68kN/mq1活=0.9×1.4×Q1k×h=0.9×1.4×2.5×0.45=1.42kN/mM1= . 静L2+0.1q1活2=0.077×1.68×0.92+0.1×1.42×0.92=0.22kN·mq2=0.9×1.2G1k×b=0.9×1.2×0.2×0.45=0.1kN/mp=0.9×1.4×2.5=3.15kNM2= . L2+0.21pL=0.077×1.68×0.92+0.21×3.15×0.9=0.7kN·mM3=m [ /2,/2+pL1]=max[3.1×0.22/2,0.1×0.22/2+3.15×0.2]=0.63kN·mM max=max[M1,M2,M3]=max[0.22,0.7,0.63]=0.7kN·mσ=M max/W=0.7×106=12.2N/mm2≤[f]=14.9N/mm2满足要求!2、抗剪验算V1= .6 静L+0.62q1活L=0.607×1.68×0.9+0.62×1.42×0.9=1.71kNV2= .6 L+0.681p=0.607×0.1×0.9+0.681×3.15=2.2kNV3=max[q1L1,q2L1+p]=max[3.1×0.2,0.1×0.2+3.15]=3.17kNV max=max[V1,V2,V3]=Max[1.71,2.2,3.17]=3.17kNτmax= m /(2bh0)=3×3.17×1000/(2×83×50)=1.15N/mm2≤[τ]=1.74N/mm2满足要求!3、挠度验算q=(G1k+ (G3k+G2k)×h)×b=(0.2+(24+1.1)×0.13)×0.45=1.56kN/m跨中νm x= .6 4)=0.632×1.56×9004 . 00)=0. mm≤[ν]=l/400=900/400=2.25mm悬臂端νm a x=qL4/(8EI)=1.56×2004 . 00)= . mm≤[ν]=l1/400=200/400=0.5mm满足要求!六、帽木验算R=V max=3.17kN;2、抗弯验算计算简图如下:帽木计算简图(kN)帽木弯矩图(kN·m)M max=0.22kN·m;R i1=1.21kN;R i2=3.91kN;R i3=1.21kN;σ=M max/W=0.22×106=3.92N/mm2≤[f]=14.9N/mm2 满足要求!3、抗剪验算帽木剪力图(kN)V max=3.91kN;τmax= m /2A=3×3.91×1000/(2×50×83)=1.41N/mm2≤[τ]=1.74N/mm2 满足要求!4、挠度验算帽木变形图(kN·m)νmax=0.09mm;νmax= . mm≤[ν]=l/400=2.25mm满足要求!七、斜杆验算N=max[R i1,R i3] sin θ)= . N;2、强度计算σ=N/A=1.72×103/4500=0.38N/mm2≤[f]=14.9N/mm2满足要求!八、立柱验算N1=[0.9×[1.2×(G1k+G2k×0.13+G3k×0.13)+1.4×Q1k]×L a×L b]×1000=[0.9×[1.2×(0.5+24×0.13+1.1×0.13)+1.4×1]×0.9×0.9]×1000=4312.47N;N2=[0.9×[1.35×(G1k+G2k×0.13+G3k×0.13)+0.7×1.4×Q1k]×L a×L b]×1000=[0.9×[1.35×(0.5+24×0.13+1.1×0.13)+0.7×1.4×1]×0.9×0.9]×1000=4417.78N;2、强度计算σ=N/A n=4417.78/4500=0.98N/mm2≤[f]=14.9N/mm2满足要求!。
(二)、采用七夹板与扣件式钢管支撑相结合的支撑方案设计计算:模板及其支架计算的荷载标准值及荷载分项系数表以下对模板进行验算。
一)楼板模板计算:按普通胶合板(1830×915×18)验算,龙骨间距600,按三跨连续梁计算。
1、荷载设计值1)模板自重:300N/m2×0.915m×1.2=329.4N/m2)新浇砼重:24000N/m3×0.10m×0.915m×1.2=2635.2N/m3)钢筋自重:1100N/m3×0.915m×0.10m×1.2=120.78N/m合计:329.4+2635.2+120.78=3085.38N/m4)施工工人及设备重量:2500N/m2×0.915m×1.4=3201N/m2、弯矩设计值M=(-0.10)×3085.38×(0.6)2+(-0.117)×3201×(0.6)2=245.89N·M另考虑集中荷载F=2500N,由两块模板分别承担。
F1=1250NM1=0.08×3085.38×(0.6)2+0.213×1250×0.6=248.61 N·M3、承载力验算W=bh2/6=915×182/6=49410mm3δm=M max/w=2.48×105/49410=5.02N/mm<[ ]=15.21N/mm2满足要求4、挠度验算W=k·f·q·l4/100EI=0.677×3085.38×10-3×6004/(100×9×103×915×183/12)=0.68<[L/250]=2.4mm满足要求.二)模板的龙骨验算采用50×100松木龙骨·600,水平钢管间距1000(即龙骨的跨度),按三跨连续梁计算1、荷载1)模板:300N/m2×0.6m×1.2=216N/m2)砼24000N/m3×0.6m×0.10m×1.2=1728N/m3)1100N/m3×0.6m×0.10m×1.2=79.2N/m合计:216+1728+79.2=2023.2N/m4)施工荷载:2500N/m2×0.6m×1.4=2100N/m2、弯距M=(-0.10)×2023.2×1.02+(-0.117)×2100×1.02=-448.02N·M另考虑集中荷载F=2500NM1=0.08×2023.2×1.02+0.213×2500×1.02=694.36 N·M3、承载力验算W=bh2/6=50×1002/6=0.833×105δm=M/W=694360/0.833×1.05=8.33N/m2<14.95N/m24、挠度验算W= k·f·q·l4/100EI=0.677×2023.2×10-3×10004/(100×9×103×50×1003/12)0.37mm <[W]=L/250=4mm满足要求. 三)水平钢管采用¢48×3.5焊接钢管,间距1000mm,跨度1000,按五跨连续梁计算。
模板支撑体系计算
书
1
2020年4月19日
模板支撑体系计算书
计算依据:
1、《建筑施工模板安全技术规范》JGJ162-
2、《建筑施工扣件式钢管脚手架安全技术规范》JGJ 130-
3、《混凝土结构设计规范》GB 50010-
4、《建筑结构荷载规范》GB 50009-
5、《钢结构设计规范》GB 50017-
一、工程属性
二、荷载设计
2
2020年4月19日
三、模板体系设计
设计简图如下:
3
2020年4月19日
平面图
4 2020年4月19日
立面图
四、面板验算
面板类型覆面木胶合板面板厚度t(mm) 14
面板抗弯强度设计值[f](N/mm2) 15 面板抗剪强度设计值[τ](N/mm2) 1.5
面板弹性模量E(N/mm2) 5400
取单位宽度b=1000mm,按三等跨连续梁计算:
W=bh2/6=1000×14×14/6=32666.667mm3,I=bh3/12=1000×14×14×14/12=228666.667mm4
q1=0.9×max[1.2(G1k+(G2k+G3k)×h)+1.4Q2k,1.35(G1k+(G2k+G3k)×
5
2020年4月19日。
求高手支招,模板支撑怎么算??高支模的确定和荷载计算方法一、高支模的定义:水平混凝土构件模板支撑系统高度超过8m,或跨度大于 18m, 均荷载大于15kN/m2,或集中线荷载大于20kN/m的模板支撑系统。
二、均荷载的计算方法:(一)荷载的组成均荷载=永久荷载(钢筋砼自重模板木方的自重)×分项系数施工均布活荷载×分项系数钢筋砼自重=板厚(m)×25KN/m3(25KN/m3为钢筋砼比重换算成KN/m3 为单位,在计算均荷载时钢筋砼比重取值为25KN/m3。
)模板木方的自重0.3KN/m2(计算均荷载时取值为0.3KN/m2)施工均布活荷载 3KN/m2分项系数永久荷载分项系数取1.2 施工均布活荷载分项系数取1.4 例:1.2×(25×M 0.3)1.4×3=15 M=0.348米,取整M=35㎝即板厚达到或超过35㎝时需要专家论证。
三、集中线荷载的计算方法(一)荷载的组成集中线荷载=永久荷载(钢筋砼自重模板木方的自重)×分项系数施工均布活荷载×分项系数钢筋砼自重=梁的截面积(m2)×26KN/m3(26KN/m3为钢筋砼比重换算成KN/m3 为单位,在计算集中线荷载时钢筋砼比重取值为26KN/m3。
)模板木方的自重=梁截面模板的周长(m)×0.5KN/m2(计算集中线荷载时取值为0.5KN/m2)施工均布活荷载=梁宽m×3KN/m2 分项系数永久荷载分项系数取1.2 ,施工均布活荷载分项系数取1.4四、根据以上的计算方法进行反推,楼板厚度大于或等于350mm,其模板支撑系统属于高支模范围。
五、根据以上的计算方法进行反推,梁截面积大于或等于0.52m2时,应验算其集中线荷载是否超过高支模范围,以确定是否需要专家论证。
注:以上计算方法的依据为JGJ130-2001《建筑施工扣件式钢管脚手架安全技术规范》。
墙高≤5m 模板支撑计算书一、墙模板基本参数计算断面宽度400mm ,高度5100mm ,两侧楼板厚度150mm 。
模板面板采用普通胶合板。
内龙骨间距200mm ,内龙骨采用方钢管40.×40.×2.mm ,外龙骨采用双钢管48mm ×2.8mm 。
对拉螺栓布置9道,在断面内水平间距200+300+600+600+600+600+600+600+600mm ,断面跨度方向间距600mm ,直径14mm 。
面板厚度15mm ,剪切强度1.4N/mm 2,抗弯强度15.0N/mm 2,弹性模量6000.0N/mm 2。
木方剪切强度1.7N/mm 2,抗弯强度17.0N/mm 2,弹性模量9000.0N/mm 2。
5100m m模板组装示意图二、墙模板荷载标准值计算强度验算要考虑新浇混凝土侧压力和倾倒混凝土时产生的荷载设计值;挠度验算只考虑新浇混凝土侧压力产生荷载标准值。
当浇筑速度大于10m/h或坍落度大于180mm时,新浇混凝土侧压力按公式2计算;其他情况按两个公式计算,取较小值:——混凝土的重力密度,取24.000kN/m3;其中γct ——新浇混凝土的初凝时间,为0时(表示无资料)取200/(T+15),取3.000h;T ——混凝土的入模温度,取20.000℃;V ——混凝土的浇筑速度,取2.500m/h;H ——混凝土侧压力计算位置处至新浇混凝土顶面总高度,取5.100m;β——混凝土坍落度影响修正系数,取0.850。
根据公式计算的新浇混凝土侧压力标准值 F1=27.090kN/m2考虑结构的重要性系数1.00,实际计算中采用新浇混凝土侧压力标准值:F1=1.00×27.090=27.090kN/m2考虑结构的重要性系数1.00,倒混凝土时产生的荷载标准值:F2=1.00×4.000=4.000kN/m2。
三、墙模板面板的计算面板为受弯结构,需要验算其抗弯强度和刚度。
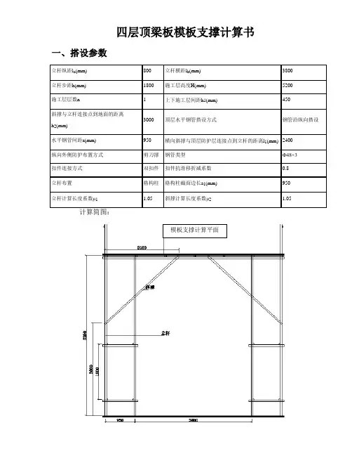
四层顶梁板模板支撑计算书一、搭设参数扣件钢管模板支撑_正面图扣件钢管模板支撑_侧面图二、荷载设计格构柱q=1.2(g k1×a+0.033) =1.2×(4.1×0.95+0.033)=4.714kN/m p=1.4P k =1.4×1=1.4kN正常使用极限状态格构柱q1=g k1×a+0.033 =4.1×0.95+0.033=3.928kN/mp1=Pk =1 kN1、抗弯验算M max=0.605 kN·mσ=M max/W=0.605×106/4490=134.729N/mm2≤[f]=205N/mm2满足要求!2、挠度验算νmax=1.639 mm[ν]=min[max{a1,l a,l2-a1}/150,10] = min[max{950,800,800-950}/150,10] =6.333mm νmax≤[ν]满足要求!3、支座反力计算承载力使用极限状态R max=5.586 kN四、横向水平杆验算格构柱:F=1.2(g k1a+0.033)(l a+ a1)/2=1.2×(4.1×0.95+0.033)×(0.8+0.95)/2=4.125 kN p=1.4P k=1.4×1=1.4 kN正常使用极限状态格构柱:F1=(g k1a+0.033)(l a+ a1)/2=(4.1×0.95+0.033)×(0.8+0.95)/2=3.437 kNp1=P k=1 kN计算简图如下:1、抗弯验算σ=M max/W=0.92×106/4490=204.887N/mm2≤[f]=205N/mm2满足要求!2、挠度验算νmax=4.7mm≤[ν]=min[max(l1-a1, l b, a1)/150,10] = min[max(2400-950, 3800, 950)/150,10] =10mm满足要求!3、支座反力计算 承载力使用极限状态 R max =6.518 kN五、扣件抗滑承载力验算max 六、斜撑稳定性验算斜撑计算长度系数μ21.05 钢管抗弯强度设计值[f](N/mm 2) 205 钢管截面惯性矩I(mm 4) 107800 钢管弹性模量E(N/mm 2)206000钢管截面抵抗矩W(mm 3)4490α1=arctan( l 1/(H-h 2))=arctan(2400/(5200-3000))=47.49° 第1层施工层传递给斜撑荷载计算 (1)横向斜撑验算 承载力使用极限状态 格构柱:F=1.2(g k1a+0.033)(l a + a 1)/2=1.2×(4.1×0.95+0.033)×(0.8+0.95)/2=4.125 kN p=1.4P k =1.4×1=1.4 kN 横向斜撑计算简图如下:横向斜撑最大支座反力:R 2max =6.019 kN 横向斜撑轴向力:N 21= R 2max /cosα1=6.019/cos47.49°=8.908 kN N=N 21=8.908 kN斜撑自由长度:h= (H-(n-1)h 1-h 2)/cosα1=(5.2-(1-1)×0.45-3)/cos47.49°=3.256 m 斜撑计算长度l 0=kμ2h=1×1.05×3.256=3.419 m 长细比λ= l 0/i=3418.55/15.9=215.003≤250 满足要求!轴心受压构件的稳定系数计算:斜撑计算长度l 0=kμ2h=1.155*1.050*3.256=3.948m 长细比λ= l 0/i =3948/15.9=248.33查《规范》JGJ130-2011表A.0.6得,φ= 0.119 σ= N/(φA) =8907.716/(0.119×424)=176.544N/mm 2 σ≤[f]=205N/mm 2 满足要求!七、立杆稳定性验算立杆布置格构柱 钢管截面惯性矩I(mm 4) 107800 立杆计算长度系数μ1 1.05 钢管截面抵抗矩W(mm 3) 4490 立杆截面回转半径i(mm) 15.9 钢管抗弯强度设计值[f](N/mm 2)205立杆截面面积A(mm 2)424立杆荷载计算1、支撑结构自重N G1k 钢管长度:L=n[(l a + a 1) ((l b +2a 1)/a+1)/2+ l b ]+2( l 12+(H-h 2)2)0.5+4H=1×[(0.8+0.95)×((3.8+2×0.95)/0.95+1)/2+3.8]+2×(2.42+(5.2-3)2)0.5+4×5.2=37.237m 扣件数量:m=2n[((l b +2a 1)/a-3)/2+2×4]=2×1×[((3.8+2×0.95)/0.95-3)/2+2×4]=19个 N G1k =0.033L+0.015m=0.033×37.24+0.015×19=1.525kN 2、支撑构配件自重N G2k (作为荷载标准值取值进入) 施工层砼材料自重标准值N G2k1=n×g k1×(l a + a 1)×(l b + 2a 1)/2=1×4.1×(0.8+0.95)×(3.8+2×0.95)/2=20.449 kN模板支撑侧板支撑自重标准值N G2k2=g k2×(l a+ a1)=0.17×(0.8+0.95)=0.298 kN 模板侧板自重标准值N G2k3=g k3×(l a+ a1)=0.11×(0.8+0.95)=0.192 kNN G2k= N G2k1+ N G2k2+ N G2k3=20.449+0.298+0.192=20.939 kN经计算得到,静荷载标准值:N Gk= N G1k + N G2k=1.525+20.939=22.464 kN 3、冲击荷载标准值N Qk(作为活动荷载标准值取值进入)N Qk=P k=1 kN立杆荷载设计值:N=1.2N Gk+ 1.4N Qk=1.2×22.464+ 1.4×1=28.356 kN立杆的稳定性验算1、立杆长细比验算立杆自由长度h取立杆步距1.8m立杆计算长度l0=kμ1h=1×1.05×1.8=1.89m长细比λ= l0/i=1890/15.9=118.868≤210满足要求!轴心受压构件的稳定系数计算:立杆计算长度l0=kμ2h=1.155*1.050*1.800=2.183m长细比λ= l0/i =2183/15.9=137.29查《规范》JGJ130-2011表A.0.6得,φ= 0.3622、立杆稳定性验算σ= N/4/(φA) =28356.472/4/(0.362×424)=46.187N/mm2σ≤[f]=205N/mm2满足要求!八、立杆地基承载力验算Gk Qk立杆底垫板平均压力P=N/(k c A)=23.464/(1×0.25)=93.855 kPaP≤f g=140 kPa满足要求!。
模板支撑计算书取跨度为10.1m,截面尺寸为550mm×1200mm的大梁,在浇砼时,其梁下支撑计算:取0.8m宽为一个计算单元。
一、钢立管所承受的荷载为:1、脚手架自重:193N/m2×3=579N/m2×1.2=694.8N/m22、可变荷载:(100N/m+60N/m)×1.2=192N/m3、现浇砼板重:0.1m×0.8m×2.5×1000000N/m=2000N/mm4、梁自重:0.55×1.1m×2.5×1000000=1.5125×105、施工荷载:3000N/m2×0.8m×1.2=2880N/m合计:157016.8NN=157016.8N/m×10.1m=158569.68N单根脚手架局部稳定设计荷载计算:A=4.89×100 i=15.78mmL0=umL=0.945×1500=1418mm1418÷15.78=89.8mm3.14×3.14×2.1×10/89.8=256.6N/mm2每根立杆可承受的力:256.6×4.89×100=125477.4N1跨梁底立杆的根数:marital=(1585869.6N×1.5)÷125477.4N=19根二、模板支撑脚手架的搭设方案1、对钢管和扣件进行检查,钢管要求平直,凡变形过大,压扁损伤严重的钢管、扣件,均不得上模板支撑脚手架上。
2、在地面或楼面上,开始进行脚手架的搭设,根据计算立杆间距0.5(与梁平行),另边0.8m,步距1.5m。
3、立杆基础,首层模板支撑脚手架基础应平整夯实,并设置底座或木垫立杆与地面接触设扫地杆。
4、搭设顺序:摆放扫地杆(贴近地面大横杆)→逐根立杆(与扫地杆扣紧要)→安装小横杆(与立杆、扫地杆扣紧要)→安装第一步大横杆(与立杆扣紧)→安装第一步小横杆,以后依次类推。
模板支撑体系计算书计算依据:1、《建筑施工模板安全技术规范》JGJ162-20082、《建筑施工扣件式钢管脚手架安全技术规范》JGJ 130-20113、《混凝土结构设计规范》GB 50010-20104、《建筑结构荷载规范》GB 50009-20125、《钢结构设计规范》GB 50017-2003一、工程属性二、荷载设计三、模板体系设计设计简图如下:平面图立面图四、面板验算面板类型覆面木胶合板面板厚度t(mm) 14面板抗弯强度设计值[f](N/mm2) 15 面板抗剪强度设计值[τ](N/mm2) 1.5面板弹性模量E(N/mm2) 5400取单位宽度b=1000mm,按三等跨连续梁计算:W=bh2/6=1000×14×14/6=32666.667mm3,I=bh3/12=1000×14×14×14/12=228666.6 67mm4q1=0.9×max[1.2(G1k+(G2k+G3k)×h)+1.4Q2k,1.35(G1k+(G2k+G3k)×h)+1.4ψc Q2k]×b=0.9×max[1.2×(0.1+(24+1.5)×0.9)+1.4×2,1.35×(0.1+(24+1.5)×0.9)+1.4×0.7×2]×1=29.77 kN/mq1静=0.9×1.35×[G1k+(G2k+G3k)×h]×b=0.9×1.35×[0.1+(24+1.5)×0.9]×1=28.006kN/m q1活=0.9×1.4×0.7×Q2k×b=0.9×1.4×0.7×2×1=1.764kN/mq2=[1×(G1k+(G2k+G3k)×h)]×b=[1×(0.1+(24+1.5)×0.9)]×1=23.05kN/m计算简图如下:1、强度验算M max=0.1q1静L2+0.117q1活L2=0.1×28.006×0.12+0.117×1.764×0.12=0.03kN·m σ=M max/W=0.03×106/32666.667=0.92N/mm2≤[f]=15N/mm2满足要求!2、挠度验算νmax=0.677q2L4/(100EI)=0.677×23.05×1004/(100×5400×228666.667)=0.013mm≤[ν]=L/250=100/250=0.4mm满足要求!3、支座反力计算设计值(承载能力极限状态)R1=R4=0.4q1静L+0.45q1活L=0.4×28.006×0.1+0.45×1.764×0.1=1.2kNR2=R3=1.1q1静L+1.2q1活L=1.1×28.006×0.1+1.2×1.764×0.1=3.292kN标准值(正常使用极限状态)R1'=R4'=0.4q2L=0.4×23.05×0.1=0.922kNR2'=R3'=1.1q2L=1.1×23.05×0.1=2.536kN五、小梁验算承载能力极限状态:梁底面板传递给左边小梁线荷载:q1左=R1/b=1.2/1=1.2kN/m梁底面板传递给中间小梁最大线荷载:q1中=Max[R2,R3]/b =Max[3.292,3.292]/1= 3.292kN/m梁底面板传递给右边小梁线荷载:q1右=R4/b=1.2/1=1.2kN/m小梁自重:q2=0.9×1.35×(0.3-0.1)×0.3/3 =0.024kN/m梁左侧模板传递给左边小梁荷载q3左=0.9×1.35×0.5×(0.9-0.12)=0.474kN/m梁右侧模板传递给右边小梁荷载q3右=0.9×1.35×0.5×(0.9-0.12)=0.474kN/m梁左侧楼板传递给左边小梁荷载q4左=0.9×Max[1.2×(0.5+(24+1.1)×0.12)+1.4×2,1.3 5×(0.5+(24+1.1)×0.12)+1.4×0.7×2]×(0.5-0.3/2)/2×1=1.105kN/m梁右侧楼板传递给右边小梁荷载q4右=0.9×Max[1.2×(0.5+(24+1.1)×0.12)+1.4×2,1.3 5×(0.5+(24+1.1)×0.12)+1.4×0.7×2]×((1-0.5)-0.3/2)/2×1=1.105kN/m左侧小梁荷载q左=q1左+q2+q3左+q4左 =1.2+0.024+0.474+1.105=2.803kN/m中间小梁荷载q中= q1中+ q2=3.292+0.024=3.317kN/m右侧小梁荷载q右=q1右+q2+q3右+q4右 =1.2+0.024+0.474+1.105=2.803kN/m小梁最大荷载q=Max[q左,q中,q右]=Max[2.803,3.317,2.803]=3.317kN/m正常使用极限状态:梁底面板传递给左边小梁线荷载:q1左'=R1'/b=0.922/1=0.922kN/m梁底面板传递给中间小梁最大线荷载:q1中'=Max[R2',R3']/b =Max[2.536,2.536]/1= 2.536kN/m梁底面板传递给右边小梁线荷载:q1右'=R4'/b=0.922/1=0.922kN/m小梁自重:q2'=1×(0.3-0.1)×0.3/3 =0.02kN/m梁左侧模板传递给左边小梁荷载q3左'=1×0.5×(0.9-0.12)=0.39kN/m梁右侧模板传递给右边小梁荷载q3右'=1×0.5×(0.9-0.12)=0.39kN/m梁左侧楼板传递给左边小梁荷载q4左'=[1×(0.5+(24+1.1)×0.12)]×(0.5-0.3/2)/2×1=0.61 5kN/m梁右侧楼板传递给右边小梁荷载q4右'=[1×(0.5+(24+1.1)×0.12)]×((1-0.5)-0.3/2)/2×1=0 .615kN/m左侧小梁荷载q左'=q1左'+q2'+q3左'+q4左'=0.922+0.02+0.39+0.615=1.947kN/m中间小梁荷载q中'= q1中'+ q2'=2.536+0.02=2.556kN/m右侧小梁荷载q右'=q1右'+q2'+q3右'+q4右' =0.922+0.02+0.39+0.615=1.947kN/m小梁最大荷载q'=Max[q左',q中',q右']=Max[1.947,2.556,1.947]=2.556kN/m为简化计算,按简支梁和悬臂梁分别计算,如下图:1、抗弯验算M max=max[0.125ql12,0.5ql22]=max[0.125×3.317×0.52,0.5×3.317×0.32]=0.149kN·mσ=M max/W=0.149×106/32667=4.569N/mm2≤[f]=11.44N/m m2满足要求!2、抗剪验算V max=max[0.5ql1,ql2]=max[0.5×3.317×0.5,3.317×0.3]=0.995kNτmax=3V max/(2bh0)=3×0.995×1000/(2×40×70)=0.533N/mm2≤[τ]=1.232N/mm2满足要求!3、挠度验算ν1=5q'l14/(384EI)=5×2.556×5004/(384×7040×114.333×104)=0.258mm≤[ν]=l1/250=500/250=2mmν2=q'l24/(8EI)=2.556×3004/(8×7040×114.333×104)=0.322mm≤[ν]=2l2/250=2×300/2 50=2.4mm满足要求!4、支座反力计算承载能力极限状态R max=[qL1,0.5qL1+qL2]=max[3.317×0.5,0.5×3.317×0.5+3.317×0.3]=1.824kN同理可得:梁底支撑小梁所受最大支座反力依次为R1=1.542kN,R2=1.824kN,R3=1.824kN,R4=1.5 42kN正常使用极限状态R max'=[q'L1,0.5q'L1+q'L2]=max[2.556×0.5,0.5×2.556×0.5+2.556×0.3]=1.406kN同理可得:梁底支撑小梁所受最大支座反力依次为R1'=1.071kN,R2'=1.406kN,R3'=1.406kN,R4'=1.071kN六、主梁验算主梁类型钢管主梁截面类型(mm) Φ48×2.7主梁计算截面类型(mm) Φ48×2.7主梁抗弯强度设计值[f](N/mm2) 205主梁抗剪强度设计值[τ](N/mm2) 125 主梁截面抵抗矩W(cm3) 4.12主梁弹性模量E(N/mm2) 206000 主梁截面惯性矩I(cm4) 9.891、抗弯验算主梁弯矩图(kN·m)σ=M max/W=0.141×106/4120=34.284N/mm2≤[f]=205N/mm2满足要求!2、抗剪验算主梁剪力图(kN)V max=3.366kNτmax=2V max/A=2×3.366×1000/384=17.532N/mm2≤[τ]=125N/mm2 满足要求!3、挠度验算主梁变形图(mm)νmax=0.056mm≤[ν]=L/250=334/250=1.336mm满足要求!4、支座反力计算承载能力极限状态支座反力依次为R1=0.295kN,R2=3.661kN,R3=3.661kN,R4=0.295kN正常使用极限状态支座反力依次为R1'=0.224kN,R2'=2.701kN,R3'=2.701kN,R4'=0.224kN七、2号主梁验算主梁类型钢管主梁截面类型(mm) Φ48×2.7主梁计算截面类型(mm) Φ48×2.7主梁抗弯强度设计值[f](N/mm2) 205主梁抗剪强度设计值[τ](N/mm2) 125 主梁截面抵抗矩W(cm3) 4.12主梁弹性模量E(N/mm2) 206000 主梁截面惯性矩I(cm4) 9.89主梁计算方式三等跨连续梁可调托座内主梁根数 1P=max[R2,R3]=Max[3.661,3.661]=3.661kN,P'=max[R2',R3']=Max[2.701,2.7 01]=2.701kN1、抗弯验算2号主梁弯矩图(kN·m)σ=M max/W=0.641×106/4120=155.509N/mm2≤[f]=205N/mm2 满足要求!2、抗剪验算2号主梁剪力图(kN)V max=2.38kNτmax=2V max/A=2×2.38×1000/384=12.394N/mm2≤[τ]=125N/mm2满足要求!3、挠度验算2号主梁变形图(mm)νmax=1.533mm≤[ν]=L/250=1000/250=4mm满足要求!4、支座反力计算极限承载能力状态支座反力依次为R1=4.942kN,R2=7.871kN,R3=7.871kN,R4=4.942kN立柱所受主梁支座反力依次为R2=7.871/1=7.871kN,R3=7.871/1=7.871kN八、纵向水平钢管验算钢管截面类型(mm) Φ48×2.7钢管计算截面类型(mm) Φ48×2.7钢管截面面积A(mm2) 384 钢管截面回转半径i(mm) 16钢管弹性模量E(N/mm2) 206000 钢管截面惯性矩I(cm4) 9.89钢管截面抵抗矩W(cm3) 4.12 钢管抗弯强度设计值[f](N/mm2) 205钢管抗剪强度设计值[τ](N/mm2) 125P=max[R1,R4]=0.295kN,P'=max[R1',R4']=0.224kN计算简图如下:1、抗弯验算纵向水平钢管弯矩图(kN·m)σ=M max/W=0.052×106/4120=12.531N/mm2≤[f]=205N/mm2 满足要求!2、抗剪验算纵向水平钢管剪力图(kN)V max=0.192kNτmax=2V max/A=2×0.192×1000/384=0.999N/mm2≤[τ]=125N/mm2满足要求!3、挠度验算纵向水平钢管变形图(mm)νmax=0.127mm≤[ν]=L/250=1000/250=4mm满足要求!4、支座反力计算支座反力依次为R1=0.398kN,R2=0.634kN,R3=0.634kN,R4=0.398kN同理可得:两侧立柱所受支座反力依次为R1=0.634kN,R4=0.634kN九、可调托座验算荷载传递至立柱方式可调托座2 可调托座承载力容许值[N](kN) 30扣件抗滑移折减系数k c 11、扣件抗滑移验算两侧立柱最大受力N=max[R1,R4]=max[0.634,0.634]=0.634kN≤1×8=8kN单扣件在扭矩达到40~65N·m且无质量缺陷的情况下,单扣件能满足要求!2、可调托座验算可调托座最大受力N=max[R2,R3]=7.871kN≤[N]=30kN满足要求!十、立柱验算1、长细比验算l0=h=1500mmλ=l0/i=1500/16=93.75≤[λ]=150长细比满足要求!查表得,φ=0.6412、风荷载计算M w=0.9×φc×1.4×ωk×l a×h2/10=0.9×0.9×1.4×0.29×1×1.52/10=0.074kN·m3、稳定性计算根据《建筑施工模板安全技术规范》JGJ162-2008,荷载设计值q1有所不同:1)面板验算q1=0.9×[1.2×(0.1+(24+1.5)×0.9)+1.4×0.9×2]×1=27.162kN/m2)小梁验算q1=max{1.098+0.9×1.2×[(0.3-0.1)×0.3/3+0.5×(0.9-0.12)]+0.9×[1.2×(0.5+(24+1.1)×0.1 2)+1.4×0.9×1]×max[0.5-0.3/2,(1-0.5)-0.3/2]/2×1,3.01+0.9×1.2×(0.3-0.1)×0.3/3}=3.0 32kN/m同上四~八计算过程,可得:R1=0.574kN,R2=7.003kN,R3=7.003kN,R4=0.574kN立柱最大受力N w=max[R1+N边1,R2,R3,R4+N边2]+0.9×1.2×0.15×(31.2-0.9)+M w/l b =max[0.574+0.9×[1.2×(0.5+(24+1.1)×0.12)+1.4×0.9×1]×(1+0.5-0.3/2)/2×1,7.003,7. 003,0.574+0.9×[1.2×(0.5+(24+1.1)×0.12)+1.4×0.9×1]×(1+1-0.5-0.3/2)/2×1]+4.909+0.074/1=11.985kNf=N/(φA)+M w/W=11985.215/(0.641×384)+0.074×106/4120=66.653N/mm2≤[f]=205 N/mm2满足要求!十一、高宽比验算根据《建筑施工扣件式钢管脚手架安全技术规范》JGJ130-2011第6.9.7:支架高宽比不应大于3H/B=31.2/20=1.56<3满足要求,不需要进行抗倾覆验算!十二、立柱支承面承载力验算F1=N=11.985kN1、受冲切承载力计算根据《混凝土结构设计规范》GB50010-2010第6.5.1条规定,见下表可得:βh=1,f t=0.858N/mm2,η=1,h0=h-20=100mm,u m =2[(a+h0)+(b+h0)]=1500mmF=(0.7βh f t+0.25σpc,m)ηu m h0=(0.7×1×0.858+0.25×0)×1×1500×100/1000=90.09kN≥F1=1 1.985kN满足要求!2、局部受压承载力计算根据《混凝土结构设计规范》GB50010-2010第6.6.1条规定,见下表可得:f c=7.488N/mm2,βc=1,βl=(A b/A l)1/2=[(a+2b)×(b+2b)/(ab)]1/2=[(1000)×(1350)/(100×450)]1/2=5.477,A ln=ab=45 000mm2F=1.35βcβl f c A ln=1.35×1×5.477×7.488×45000/1000=2491.568kN≥F1=11.985kN 满足要求!Q235A钢管轴心受压构件的稳定系数。
模板及支撑计算书一、楼板模板计算楼板厚度200mm 和100mm ,模板板面采用12mm 高强度竹木模板,次龙骨采用50×100mm ,E=104 N/mm 2,I=bh 3/12=50×1003/12=4.16×104mm 4,方木主龙骨采用100×100方木。
1、 荷载计算:模板及支架自重标准值: 0.3KN/m 2混凝土标准值: 24KN/m 2钢筋自重标准值: 1.1 KN/m 2施工人员及设备荷载标准值: 2.5 KN/m 2楼板按100mm 厚计算荷载标准值: F 1= 0.3+24×0.1+1.1+2.5=6.3KN荷载标准值: F 2=(0.3+24×0.1+1.1)×1.2+2.5×1.4=8.06KN楼板按200mm 厚计算荷载标准值: F 3= 0.3+24×0.2+1.1+2.5=8.7KN荷载标准值: F 4= (0.3+24×0.2+1.1)×1.2+2.5×1.4=10.94KN2、 计算次龙骨间距:新浇筑的混凝土均匀作用在胶合板上,单位宽度的面板可以视为梁,次龙骨作为梁支点按三跨连续考虑,梁宽取200mm 。
(1)板厚按200mm 算:按抗弯强度验算M=1/8q 1l 2 1 σ=M/W ≤f m式中:M ——弯距设计值(N •mm )q 1____作用在顶板模板上的均布荷载(N/mm )q 1=F 4×0.2=10.94×0.2=2.19KN/ml ——次龙骨间距σ——受弯应力设计值(N/mm 2)W ——截面抵抗矩=1/6bh 2f m ——模板的抗弯强度设计值(N/mm 2)取11 N/mm 2σ=M/W ≤f m1 8q 1l 211 6bh 22l 1按模板的刚度要求,最大变形值为模板设计跨度的1250ω= 0.667×ql 4 ≤1 250100EIq ——作用在模板上的均布荷载(N/mm )E ——模板的弹性模量(N/mm 2),E=1×104 N/mm 2I ——模板的惯性截面矩,I= 1 12bh 2=5.62×104mm 4100×5.62×104×104 0.677×2.38×200取抗弯承载力,刚度要求计算的小值,l=519mm 。
板模板(木支撑)计算书广西黄金桂林物资公司综合楼工程;属于框架结构;地上13层;地下1层;建筑高度:51.3m;标准层层高:0m ;总建筑面积:8600平方米;总工期:0天;施工单位:广西桂林地建建设有限公司。
本工程由广西黄金桂林物资公司投资建设,中国建筑北京研究设计院设计,地质勘察,南方监理监理,广西桂林地建建设有限公司组织施工;由洪志强担任项目经理,文长林担任技术负责人。
模板支架采用木顶支撑,计算根据《木结构设计规范》(GB50005-2019)、《混凝土结构设计规范》(GB50010-2019)、《建筑结构荷载规范》(GB 50009-2019)、《建筑施工计算手册》江正荣著、建筑施工手册》(第四版)等编制。
一、参数信息1、模板支架参数横向间距或排距(m): 1.000;纵距(m): 1.000;模板支架计算高度(m): 3.300;立柱采用圆木:圆木小头直径(mm): 80.000;圆木大头直径(mm): 80.000;斜撑截面宽度(mm):30.000;斜撑截面高度(mm):40.000;帽木截面宽度(mm):60.000;帽木截面高度(mm):80.000;斜撑与立柱连接处到帽木的距离(mm): 600.000;板底支撑形式:方木支撑;方木的间隔距离(mm):300.000;方木的截面宽度(mm):40.000;方木的截面高度(mm):60.000;2、荷载参数模板与木板自重(kN/m2):0.350;混凝土与钢筋自重(kN/m3):25.000;施工均布荷载标准值(kN/m2):2.000;3、楼板参数钢筋级别:二级钢HRB 335(20MnSi);楼板混凝土强度等级:C25;每层标准施工天数:8;每平米楼板截面的钢筋面积(mm2):360.000;楼板的计算跨度(m):4.500;楼板的计算宽度(m):4.000;楼板的计算厚度(mm):100.000;施工期平均气温(℃):25.000;4、板底方木参数板底方木选用木材:速生马尾松;方木弹性模量E(N/mm2):9000.000;方木抗弯强度设计值f m(N/mm2):11.000;方木抗剪强度设计值f v(N/mm2):1.200;5、帽木方木参数帽木方木选用木材:速生马尾松;方木弹性模量E(N/mm2):9000.000;方木抗弯强度设计值f m(N/mm2):11.000;方木抗剪强度设计值f v(N/mm2):1.200;6、斜撑方木参数斜撑方木选用木材:速生马尾松;方木弹性模量E(N/mm2):9000.000;方木抗压强度设计值f v(N/mm2):10.000;7、立柱圆木参数立柱圆木选用木材:速生马尾松;圆木弹性模量E(N/mm2):9000.000;圆木抗压强度设计值f v(N/mm2):10.000;二、模板底支撑方木的验算:本工程模板板底采用方木作为支撑,方木按照连续梁计算;方木截面惯性矩I和截面抵抗矩W分别为:W = b×h2/6 = 4.000×6.0002/6 = 24.000 cm3;I = b×h3/12 = 4.000×6.0003/12 = 72.000 cm4;木楞计算简图1、荷载的计算:(1)钢筋混凝土板自重线荷载(kN/m):q1 = 25.000×0.100×0.300 = 0.750 kN/m;(2)模板的自重线荷载(kN/m):q2 = 0.350×0.300 = 0.105 kN/m;(3)活荷载为施工荷载标准值(kN):p1 = 2.000×0.300 = 0.600 kN;2、抗弯强度验算:最大弯矩考虑为静荷载与活荷载的计算值最不利分配的弯矩之和,计算公式如下:均布荷载 q = 1.2×(q1+q2 )+1.4×p1 = 1.2×(0.750+0.105)+1.4×0.600 = 1.866 kN/m;最大弯距 M = 0.125×q×l2 = 0.125×1.866×1.0002= 0.233 kN.m;最大支座力 N = 1.25×q×l = 1.25×1.866×1.000 = 2.333 kN ;截面应力σ = M/W = 0.233×106/24.000×103 = 9.719 N/mm2;方木的最大应力计算值为9.719N/mm2,小于方木抗弯强度设计值11.000N/mm2,满足要求!3、抗剪强度验算:截面抗剪强度必须满足下式:其中最大剪力:V = 0.625×1.866×1.000 = 1.166 kN;截面受剪应力计算值:T = 3×1.166×103/(2×40.000×60.000) = 0.729 N/mm2;截面抗剪强度设计值:[f v] = 1.200 N/mm2;方木的最大受剪应力计算值为0.729N/mm2,小于方木抗剪强度设计值1.2N/mm2,满足要求!4、挠度验算:最大挠度考虑为静荷载与活荷载的计算值最不利分配的挠度和,按规范规定,挠度验算取荷载标准值,计算公式如下:均布荷载 q = q1+q2 = 0.750+0.105 = 0.855 kN/m;最大变形ω = 0.521×0.855×(1.000×103)4/(100×9000.000×72.000×104)= 0.687 mm;方木的最大挠度为0.687mm,小于最大容许挠度4.000mm,满足要求!三、帽木验算:支撑帽木按照集中以及均布荷载作用下的两跨连续梁计算;集中荷载P取纵向板底支撑传递力:P = 1.866×1.000+0.000 = 1.866 kN;均布荷载q取帽木自重:q = 1.000×0.060×0.080×3.870 = 0.019 kN/m;截面抵抗矩:W = b×h2/6 = 6.000×8.0002/6 = 64.000 cm3;截面惯性矩:I = b×h3/12= 6.000×8.0003/12 = 256.000 cm4;帽木受力计算简图经过连续梁的计算得到帽木剪力图(kN)帽木弯矩图(kN.m)帽木变形图(mm)经过连续梁的计算得到各支座对支撑梁的支撑反力由左至右分别为:R[1] = 2.213 kN;R[2] = 3.803 kN;R[3] = 1.466 kN;最大弯矩 M max = 0.202 kN.m;最大变形ωmax = 0.107 mm;最大剪力 V max = 2.275 kN;截面应力σ = 202.109/64 = 3.158 N/mm2。
(完整版)模板支撑体系计算书模板支撑体系计算书计算依据:1、《建筑施工模板安全技术规范》JGJ162-20082、《建筑施工扣件式钢管脚手架安全技术规范》JGJ 130-20113、《混凝土结构设计规范》GB 50010-20104、《建筑结构荷载规范》GB 50009-20125、《钢结构设计规范》GB 50017-2003一、工程属性新浇混凝土梁名称KL1 混凝土梁截面尺寸(mm×mm) 300×900 模板支架高度H(m) 31.2 模板支架横向长度B(m) 20模板支架纵向长度L(m) 10.15 梁侧楼板厚度(mm) 120二、荷载设计模板及其支架自重标准值G1k(kN/m2) 面板0.1 面板及小梁0.3 楼板模板0.5 模板及其支架0.75新浇筑混凝土自重标准值G2k(kN/m3) 24混凝土梁钢筋自重标准值G3k(kN/m3) 1.5 混凝土板钢筋自重标准值G3k(kN/m3) 1.1 当计算支架立柱及其他支承结构构件时Q1k(kN/m2)1对水平面模板取值Q2k(kN/m2) 2风荷载标准值ωk(kN/m2) 基本风压ω0(kN/m2) 0.35非自定义:0.29 地基粗糙程度C类(有密集建筑群市区)模板支架顶部距地24面高度(m)风压高度变化系数0.796μz风荷载体型系数μs 1.04三、模板体系设计新浇混凝土梁支撑方式梁两侧有板,梁底小梁平行梁跨方向梁跨度方向立柱间距l a(mm) 1000梁两侧立柱横向间距l b(mm) 1000步距h(mm) 1500新浇混凝土楼板立柱间距l'a(mm)、l'b(mm) 1000、1000混凝土梁距梁两侧立柱中的位置居中梁左侧立柱距梁中心线距离(mm) 500梁底增加立柱根数 2梁底增加立柱布置方式按梁两侧立柱间距均分梁底增加立柱依次距梁左侧立柱距离(mm) 333,667梁底支撑小梁最大悬挑长度(mm) 300梁底支撑小梁根数 4梁底支撑小梁间距100每纵距内附加梁底支撑主梁根数 1结构表面的要求结构表面隐蔽模板及支架计算依据《建筑施工模板安全技术规范》JGJ162-2008 设计简图如下:平面图立面图四、面板验算面板类型覆面木胶合板面板厚度t(mm) 14面板抗弯强度设计值[f](N/mm2) 15 面板抗剪强度设计值[τ](N/mm2) 1.5面板弹性模量E(N/mm2) 5400取单位宽度b=1000mm,按三等跨连续梁计算:W=bh2/6=1000×14×14/6=32666.667mm3,I=bh3/12=1000×14×14×14/12=228666.6 67mm4q1=0.9×max[1.2(G1k+(G2k+G3k)×h)+1.4Q2k,1.35(G1k+(G2k+G3k)×h)+1.4ψcQ2k]×b=0.9×max[1.2×(0.1+(24+1.5)×0.9)+1.4×2,1.35×(0.1+(24+1.5)×0.9)+1.4×0.7×2]×1=29.77 kN/mq1静=0.9×1.35×[G1k+(G2k+G3k)×h]×b=0.9×1.35×[0.1+(24+1.5)×0.9]×1=28.006kN/m q1活=0.9×1.4×0.7×Q2k×b=0.9×1.4×0.7×2×1=1.764kN/mq2=[1×(G1k+(G2k+G3k)×h)]×b=[1×(0.1+(24+1.5)×0.9)]×1=23.05kN/m计算简图如下:1、强度验算M max=0.1q1静L2+0.117q1活L2=0.1×28.006×0.12+0.117×1.764×0.12=0.03kN·m σ=M max/W=0.03×106/32666.667=0.92N/mm2≤[f]=15N/mm2满足要求!2、挠度验算νmax=0.677q2L4/(100EI)=0.677×23.05×1004/(100×5400×228666.667)=0.013mm≤[ν]=L/250=100/250=0.4mm满足要求!3、支座反力计算设计值(承载能力极限状态)R1=R4=0.4q1静L+0.45q1活L=0.4×28.006×0.1+0.45×1.764×0.1=1.2kNR2=R3=1.1q1静L+1.2q1活L=1.1×28.006×0.1+1.2×1.764×0.1=3.292kN标准值(正常使用极限状态)R1'=R4'=0.4q2L=0.4×23.05×0.1=0.922kNR2'=R3'=1.1q2L=1.1×23.05×0.1=2.536kN五、小梁验算小梁类型方木小梁截面类型(mm) 40×70小梁抗弯强度设计值[f](N/mm2) 11.44 小梁抗剪强度设计值[τ](N/mm2) 1.232小梁截面抵抗矩W(cm3) 32.667 小梁弹性模量E(N/mm2) 7040 小梁截面惯性矩I(cm4) 114.333 小梁计算方式简支梁承载能力极限状态:梁底面板传递给左边小梁线荷载:q1左=R1/b=1.2/1=1.2kN/m梁底面板传递给中间小梁最大线荷载:q1中=Max[R2,R3]/b = Max[3.292,3.292]/1= 3.292kN/m梁底面板传递给右边小梁线荷载:q1右=R4/b=1.2/1=1.2kN/m小梁自重:q2=0.9×1.35×(0.3-0.1)×0.3/3 =0.024kN/m梁左侧模板传递给左边小梁荷载q3左=0.9×1.35×0.5×(0.9-0.12)=0.474kN/m梁右侧模板传递给右边小梁荷载q3右=0.9×1.35×0.5×(0.9-0.12)=0.474kN/m梁左侧楼板传递给左边小梁荷载q4左=0.9×Max[1.2×(0.5+(24+1.1)×0.12)+1.4×2, 1.3 5×(0.5+(24+1.1)×0.12)+1.4×0.7×2]×(0.5-0.3/2)/2×1=1.105kN/m梁右侧楼板传递给右边小梁荷载q4右=0.9×Max[1.2×(0.5+(24+1.1)×0.12)+1.4×2, 1.3 5×(0.5+(24+1.1)×0.12)+1.4×0.7×2]×((1-0.5)-0.3/2)/2×1=1.105kN/m左侧小梁荷载q左=q1左+q2+q3左+q4左=1.2+0.024+0.474+1.105=2.803kN/m中间小梁荷载q中= q1中+ q2=3.292+0.024=3.317kN/m右侧小梁荷载q右=q1右+q2+q3右+q4右=1.2+0.024+0.474+1.105=2.803kN/m小梁最大荷载q=Max[q左,q中,q 右]=Max[2.803,3.317,2.803]=3.317kN/m正常使用极限状态:梁底面板传递给左边小梁线荷载:q1左'=R1'/b=0.922/1=0.922kN/m梁底面板传递给中间小梁最大线荷载:q1中'=Max[R2',R3']/b = Max[2.536,2.536]/1= 2.536kN/m梁底面板传递给右边小梁线荷载:q1右'=R4'/b=0.922/1=0.922kN/m小梁自重:q2'=1×(0.3-0.1)×0.3/3 =0.02kN/m梁左侧模板传递给左边小梁荷载q3左'=1×0.5×(0.9-0.12)=0.39kN/m梁右侧模板传递给右边小梁荷载q3右'=1×0.5×(0.9-0.12)=0.39kN/m梁左侧楼板传递给左边小梁荷载q4左'=[1×(0.5+(24+1.1)×0.12)]×(0.5-0.3/2)/2×1=0.61 5kN/m 梁右侧楼板传递给右边小梁荷载q4右'=[1×(0.5+(24+1.1)×0.12)]×((1-0.5)-0.3/2)/2×1=0 .615kN/m 左侧小梁荷载q左'=q1左'+q2'+q3左'+q4左'=0.922+0.02+0.39+0.615=1.947kN/m中间小梁荷载q中'= q1中'+ q2'=2.536+0.02=2.556kN/m右侧小梁荷载q右'=q1右'+q2'+q3右'+q4右' =0.922+0.02+0.39+0.615=1.947kN/m小梁最大荷载q'=Max[q左',q中',q右']=Max[1.947,2.556,1.947]=2.556kN/m为简化计算,按简支梁和悬臂梁分别计算,如下图:1、抗弯验算M max=max[0.125ql12,0.5ql22]=max[0.125×3.317×0.52,0.5×3.317×0.32]=0.149kN·mσ=Mmax/W=0.149×106/32667=4.569N/mm2≤[f]=11.44N/m m2满足要求!2、抗剪验算V max=max[0.5ql1,ql2]=ma x[0.5×3.317×0.5,3.317×0.3]=0.995kNτmax=3V max/(2bh0)=3×0.995×1000/(2×40×70)=0.533N/mm2≤[τ]=1.232N/mm2满足要求!3、挠度验算ν1=5q'l14/(384EI)=5×2.556×5004/(384×7040×114.333×104)=0.258mm≤[ν]=l1/250=500/250=2mmν2=q'l24/(8EI)=2.556×3004/(8×7040×114.333×104)=0.322mm≤[ν]=2l2/250=2×300/2 50=2.4mm满足要求!4、支座反力计算承载能力极限状态Rmax=[qL1,0.5qL1+qL2]=max[3.317×0.5,0.5×3.317×0.5+3.317×0 .3]=1.824kN同理可得:梁底支撑小梁所受最大支座反力依次为R1=1.542kN,R2=1.824kN,R3=1.824kN,R4=1.5 42kN正常使用极限状态max'=[q'L1,0.5q'L1+q'L2]=max[2.556×0.5,0.5×2.556×0.5+2.556×0.3]=1.406kN同理可得:梁底支撑小梁所受最大支座反力依次为R1'=1.071kN,R2'=1.406kN,R3'=1.406kN,R4'=1.071kN六、主梁验算主梁类型钢管主梁截面类型(mm) Φ48×2.7主梁计算截面类型(mm) Φ48×2.7主梁抗弯强度设计值[f](N/mm2) 205主梁抗剪强度设计值[τ](N/mm2) 125 主梁截面抵抗矩W(cm3) 4.12主梁弹性模量E(N/mm2) 206000 主梁截面惯性矩I(cm4) 9.891、抗弯验算主梁弯矩图(kN·m)σ=Mmax/W=0.141×106/4120=34.284N/mm2≤[f]=205N/mm2满足要求!2、抗剪验算主梁剪力图(kN)V max=3.366kNτmax=2V max/A=2×3.366×1000/384=17.532N/mm2≤[τ]=125N/mm2 满足要求!3、挠度验算主梁变形图(mm)νmax=0.056mm≤[ν]=L/250=334/250=1.336mm满足要求!4、支座反力计算承载能力极限状态支座反力依次为R1=0.295kN,R2=3.661kN,R3=3.661kN,R4=0.295kN正常使用极限状态支座反力依次为R1'=0.224kN,R2'=2.701kN,R3'=2.701kN,R4'=0.224kN七、2号主梁验算主梁类型钢管主梁截面类型(mm) Φ48×2.7主梁计算截面类型(mm) Φ48×2.7主梁抗弯强度设计值[f](N/mm2) 205主梁抗剪强度设计值[τ](N/mm2) 125 主梁截面抵抗矩W(cm3) 4.12主梁弹性模量E(N/mm2) 206000 主梁截面惯性矩I(cm4) 9.89主梁计算方式三等跨连续梁可调托座内主梁根数 1P=max[R2,R3]=Max[3.661,3.661]=3.661kN,P'=max[R2',R3']=Max[2.701,2.7 01]=2.701kN1、抗弯验算2号主梁弯矩图(kN·m)σ=Mmax/W=0.641×106/4120=155.509N/mm2≤[f]=205N/mm2 满足要求!2、抗剪验算2号主梁剪力图(kN)V max=2.38kNτmax=2V max/A=2×2.38×1000/384=12.394N/mm2≤[τ]=125N/mm2满足要求!3、挠度验算2号主梁变形图(mm)νmax=1.533mm≤[ν]=L/250=1000/250=4mm满足要求!4、支座反力计算极限承载能力状态支座反力依次为R1=4.942kN,R2=7.871kN,R3=7.871kN,R4=4.942kN立柱所受主梁支座反力依次为R2=7.871/1=7.871kN,R3=7.871/1=7.871kN八、纵向水平钢管验算钢管截面类型(mm) Φ48×2.7钢管计算截面类型(mm) Φ48×2.7钢管截面面积A(mm2) 384 钢管截面回转半径i(mm) 16钢管弹性模量E(N/mm2) 206000 钢管截面惯性矩I(cm4) 9.89 钢管截面抵抗矩W(cm3) 4.12 钢管抗弯强度设计值[f](N/mm2) 205钢管抗剪强度设计值[τ](N/mm2) 125P=max[R1,R4]=0.295kN,P'=max[R1',R4']=0.224kN计算简图如下:1、抗弯验算纵向水平钢管弯矩图(kN·m)σ=M max/W=0.052×106/4120=12.531N/mm2≤[f]=205N/mm2 满足要求!2、抗剪验算纵向水平钢管剪力图(kN)V max=0.192kNτmax=2V max/A=2×0.192×1000/384=0.999N/mm2≤[τ]=125N/mm2满足要求!3、挠度验算纵向水平钢管变形图(mm)νmax=0.127mm≤[ν]=L/250=1000/250=4mm满足要求!4、支座反力计算支座反力依次为R1=0.398kN,R2=0.634kN,R3=0.634kN,R4=0.398kN同理可得:两侧立柱所受支座反力依次为R1=0.634kN,R4=0.634kN九、可调托座验算荷载传递至立柱方式可调托座2 可调托座承载力容许值[N](kN) 30扣件抗滑移折减系数k c 11、扣件抗滑移验算两侧立柱最大受力N=max[R1,R4]=max[0.634,0.634]=0.634kN≤1×8=8kN单扣件在扭矩达到40~65N·m且无质量缺陷的情况下,单扣件能满足要求!2、可调托座验算可调托座最大受力N=max[R2,R3]=7.871kN≤[N]=30kN满足要求!十、立柱验算立柱钢管截面类型(mm) Φ48×2.7立柱钢管计算截面类型(mm) Φ48×2.7钢材等级Q235 立柱截面面积A(mm2) 384回转半径i(mm) 16 立柱截面抵抗矩W(cm3) 4.12抗压强度设计值[f](N/mm2) 205 支架自重标准值q(kN/m) 0.151、长细比验算l0=h=1500mmλ=l0/i=1500/16=93.75≤[λ]=150长细比满足要求!查表得,φ=0.6412、风荷载计算M w=0.9×φc×1.4×ωk×l a×h2/10=0.9×0.9×1.4×0.29×1×1.52/10=0.074kN·m3、稳定性计算根据《建筑施工模板安全技术规范》JGJ162-2008,荷载设计值q1有所不同:1)面板验算q1=0.9×[1.2×(0.1+(24+1.5)×0.9)+1.4×0.9×2]×1=27.162kN/m2)小梁验算q1=max{1.098+0.9×1.2×[(0.3-0.1)×0.3/3+0.5×(0.9-0.12)]+0.9×[1.2×(0.5+(24+1.1)×0.12)+1.4×0.9×1]×max[0.5-0.3/2,(1-0.5)-0.3/2]/2×1,3.01+0.9×1.2×(0.3-0.1)×0.3/3}=3.032kN/m同上四~八计算过程,可得:R1=0.574kN,R2=7.003kN,R3=7.003kN,R4=0.574kN 立柱最大受力N w=max[R1+N边1,R2,R3,R4+N边2]+0.9×1.2×0.15×(31.2-0.9)+M w/l b =max[0.574+0.9×[1.2×(0.5+(24+1.1)×0.12)+1.4×0.9×1]×(1+0.5-0.3/2)/2×1,7.003,7.003,0.574+0.9×[1.2×(0.5+(24+1.1)×0.12)+1.4×0.9×1]×(1+1-0.5-0.3/2)/2×1]+4.909+0.074/1=11.985kNf=N/(φA)+M w/W=11985.215/(0.641×384)+0.074×106/4120=66.653N/mm2≤[f]=205 N/mm2满足要求!十一、高宽比验算根据《建筑施工扣件式钢管脚手架安全技术规范》JGJ130-2011 第6.9.7:支架高宽比不应大于3H/B=31.2/20=1.56<3满足要求,不需要进行抗倾覆验算!十二、立柱支承面承载力验算支撑层楼板厚度h(mm) 120 混凝土强度等级C30混凝土的龄期(天) 14 混凝土的实测抗压强度f c(N/mm2) 7.488 混凝土的实测抗拉强度f t(N/mm2) 0.858 立柱垫板长a(mm) 100 立柱垫板宽b(mm) 450F1=N=11.985kN1、受冲切承载力计算根据《混凝土结构设计规范》GB50010-2010第6.5.1条规定,见下表公式参数剖析F l≤(0.7βh f t+0.25σpc,m)ηu m h0F1局部荷载设计值或集中反力设计值βh截面高度影响系数:当h≤800mm时,取βh=1.0;当h≥2000mm时,取βh=0.9;中间线性插入取用。
模板设计计算书一、 概述本工程模板支撑体系主要包括墙板模板支撑和梁板支撑体系,墙板厚度为200mm 和300mm ,楼板厚度分别为180mm 、100mm 、120mm ,为了简化计算,墙板取300mm ,楼板取180mm 分别进行计算。
二、 墙模板计算1、 荷载设计值(1) 砼侧压力1) 新浇筑砼时对模板侧面产生的压力标准值:(采用内部振捣器时)22101/4.1085115.10.15.22422.022.0m KN v t F C =⨯⨯⨯⨯⨯==ββγ22/0.6675.224m KN H F C =⨯==γ取较小值F=66.0KN/m 2x F ——新浇筑砼对模板的最大侧压力c γ——砼的重力密度0t ——新浇筑砼的初凝时间。
(取2.5h )V ——砼的浇筑速度。
20÷0.35÷0.5=51m/hH ——砼侧压力计算位置处至新浇筑砼顶面的总高度。
1β——外加剂影响修正系数,取1.02β——砼坍落度影响修正系数,坍落度为160±20mm ,取1.15。
F = 2F ×1.4=21.6×1.4=30.24KN/m 22) 新浇筑砼时对模板侧面产生的压力设计值:分项系数取1.2。
由于采用木胶合板,荷载乘以0.9予以折减。
6F =2F ×1.2×0.9=66.0×1.2×0.9=71.28 KN/m 2有效压头高度h =71.28/24=2.973) 倾倒砼时产生的水平荷载查《施工手册》表17-78为4 KN/m 2荷载设计值为F 7=4×1.4=5.6 KN/m 2按《施工手册》表17-81进行荷载组合F ,=71.28+5.6=76.88 KN/m 2(2) 计算内木竖楞间距按三跨连续梁考虑,“梁”宽取200mm ,q =76.88×0.2=15.38 KN/m计算简图如下:按面板的抗弯承载力要求 M max = M 抵0.1q l 2=f w W 抵= 62fwbhl =q fwbh 6102=38.151********.12⨯⨯⨯=459mm 按面板的刚度要求,最大变形值为模板结构的l/250,,q =71.28×0.2=14.26 KN/m 0.677 2501004,l EI l q =q=15.383,59.0q EI l ==3331226.141820010459.0⨯⨯⨯⨯⨯=252mm 考虑到木楞的宽度,取木楞间距为300mm 。
板模板(木支撑)计算书广西黄金桂林物资公司综合楼工程;属于框架结构;地上13层;地下1层;建筑高度:51.3m;标准层层高:0m ;总建筑面积:8600平方米;总工期:0天;施工单位:广西桂林地建建设有限公司。
本工程由广西黄金桂林物资公司投资建设,中国建筑北京研究设计院设计,地质勘察,南方监理监理,广西桂林地建建设有限公司组织施工;由洪志强担任项目经理,文长林担任技术负责人。
模板支架采用木顶支撑,计算根据《木结构设计规范》(GB50005-2003)、《混凝土结构设计规范》(GB50010-2002)、《建筑结构荷载规范》(GB 50009-2001)、《建筑施工计算手册》江正荣著、建筑施工手册》(第四版)等编制。
一、参数信息1、模板支架参数横向间距或排距(m): 1.000;纵距(m): 1.000;模板支架计算高度(m): 3.300;立柱采用圆木:圆木小头直径(mm): 80.000;圆木大头直径(mm): 80.000;斜撑截面宽度(mm):30.000;斜撑截面高度(mm):40.000;帽木截面宽度(mm):60.000;帽木截面高度(mm):80.000;斜撑与立柱连接处到帽木的距离(mm): 600.000;板底支撑形式:方木支撑;方木的间隔距离(mm):300.000;方木的截面宽度(mm):40.000;方木的截面高度(mm):60.000;2、荷载参数模板与木板自重(kN/m2):0.350;混凝土与钢筋自重(kN/m3):25.000;施工均布荷载标准值(kN/m2):2.000;3、楼板参数钢筋级别:二级钢HRB 335(20MnSi);楼板混凝土强度等级:C25;每层标准施工天数:8;每平米楼板截面的钢筋面积(mm2):360.000;楼板的计算跨度(m):4.500;楼板的计算宽度(m):4.000;楼板的计算厚度(mm):100.000;施工期平均气温(℃):25.000;4、板底方木参数板底方木选用木材:速生马尾松;方木弹性模量E(N/mm2):9000.000;方木抗弯强度设计值f m(N/mm2):11.000;方木抗剪强度设计值f v(N/mm2):1.200;5、帽木方木参数帽木方木选用木材:速生马尾松;方木弹性模量E(N/mm2):9000.000;方木抗弯强度设计值f m(N/mm2):11.000;方木抗剪强度设计值f v(N/mm2):1.200;6、斜撑方木参数斜撑方木选用木材:速生马尾松;方木弹性模量E(N/mm2):9000.000;方木抗压强度设计值f v(N/mm2):10.000;7、立柱圆木参数立柱圆木选用木材:速生马尾松;圆木弹性模量E(N/mm2):9000.000;圆木抗压强度设计值f v(N/mm2):10.000;二、模板底支撑方木的验算:本工程模板板底采用方木作为支撑,方木按照连续梁计算;方木截面惯性矩I和截面抵抗矩W分别为:W = b×h2/6 = 4.000×6.0002/6 = 24.000 cm3;I = b×h3/12 = 4.000×6.0003/12 = 72.000 cm4;木楞计算简图1、荷载的计算:(1)钢筋混凝土板自重线荷载(kN/m):q1 = 25.000×0.100×0.300 = 0.750 kN/m;(2)模板的自重线荷载(kN/m):q2 = 0.350×0.300 = 0.105 kN/m;(3)活荷载为施工荷载标准值(kN):p1 = 2.000×0.300 = 0.600 kN;2、抗弯强度验算:最大弯矩考虑为静荷载与活荷载的计算值最不利分配的弯矩之和,计算公式如下:均布荷载 q = 1.2×(q1+q2 )+1.4×p1 = 1.2×(0.750+0.105)+1.4×0.600 = 1.866 kN/m;最大弯距 M = 0.125×q×l2 = 0.125×1.866×1.0002= 0.233 kN.m;最大支座力 N = 1.25×q×l = 1.25×1.866×1.000 = 2.333 kN ;截面应力σ = M/W = 0.233×106/24.000×103 = 9.719 N/mm2;方木的最大应力计算值为9.719N/mm2,小于方木抗弯强度设计值11.000N/mm2,满足要求!3、抗剪强度验算:截面抗剪强度必须满足下式:其中最大剪力:V = 0.625×1.866×1.000 = 1.166 kN;截面受剪应力计算值:T = 3×1.166×103/(2×40.000×60.000) = 0.729 N/mm2;截面抗剪强度设计值:[f v] = 1.200 N/mm2;方木的最大受剪应力计算值为0.729N/mm2,小于方木抗剪强度设计值1.2N/mm2,满足要求!4、挠度验算:最大挠度考虑为静荷载与活荷载的计算值最不利分配的挠度和,按规范规定,挠度验算取荷载标准值,计算公式如下:均布荷载 q = q1+q2 = 0.750+0.105 = 0.855 kN/m;最大变形ω = 0.521×0.855×(1.000×103)4/(100×9000.000×72.000×104)= 0.687 mm;方木的最大挠度为0.687mm,小于最大容许挠度4.000mm,满足要求!三、帽木验算:支撑帽木按照集中以及均布荷载作用下的两跨连续梁计算;集中荷载P取纵向板底支撑传递力:P = 1.866×1.000+0.000 = 1.866 kN;均布荷载q取帽木自重:q = 1.000×0.060×0.080×3.870 = 0.019 kN/m;截面抵抗矩:W = b×h2/6 = 6.000×8.0002/6 = 64.000 cm3;截面惯性矩:I = b×h3/12= 6.000×8.0003/12 = 256.000 cm4;帽木受力计算简图经过连续梁的计算得到帽木剪力图(kN)帽木弯矩图(kN.m)帽木变形图(mm) 经过连续梁的计算得到各支座对支撑梁的支撑反力由左至右分别为:R[1] = 2.213 kN;R[2] = 3.803 kN;R[3] = 1.466 kN;最大弯矩 M max = 0.202 kN.m;最大变形ωmax = 0.107 mm;最大剪力 V max = 2.275 kN;截面应力σ = 202.109/64 = 3.158 N/mm2。
模板支撑计算————————————————————————————————作者 :————————————————————————————————日期:对该工程进行全面的概况描述结构支撑系统计算及部分注意要点1、主梁为 350× 900、350× 700,次梁 250×6 00、250× 500;中空主梁 450×18 00,次梁 300×9 002、层高 :一层为 6.5m,四层为 7.0m,中空为 21.0m;3、跨度 :框架一层 10 .8m, 11.2m, 9.0m,中空为2 4.2m4、施工方法⑴、采用φ4 8 钢管满堂红顶架作为垂直支撑钢件。
⑵、框架梁底模采用 18㎜厚夹板板;梁侧模、楼板底模均采用 18mm厚夹板,支撑系统采用 80×10 0mm的木枋、顶托、ф48钢管。
⑶、大梁(截面450× 1800)支撑系统采用ф 48钢管沿梁横向@ 50 0-650 ㎜ ; 纵向 @80 0-1000 ㎜。
支托纵向采用 80×1 00×2000松木枋叠放交错搭接, 木枋必须居中,支托两边的空隙位置用相应木楔固定, 使叠木枋保证居中,横向木枋 80×100×2000mm@≦ 350。
楼板模板支撑体系采用ф 48 钢管 @900-1000 ㎜。
⑷、设ф48钢管纵横扫地杆一道(高出地面200 ㎜内 ) 。
同时纵横设置ф4 8 水平连结钢管@1 500;保证整体稳定。
⑸、纵横设剪刀撑Ф 48@6500以内 ;450 ×1800 ㎜主粱底两边均设置剪刀撑;1.5 米;4. 7米;10 .7 米; 16.7 米标高处设置水平剪刀撑Ф48@6500 以内 ;6;10.8; 15.6; 20.4 米标高利用周边混凝土框架梁作水平支撑固定满堂红顶架,5 ;1 0;15 ;20米标高利用混凝土柱作水平支撑固定满堂红顶架,保证整个支撑体系的稳定性⑹、梁高 900mm,设二道φ 12@50 0mm穿梁对拉螺栓 ( 梁底上 400㎜为第一道、梁底上 750- 800 ㎜为第二道)。
高跨梁 1800m m,设四道φ 14@50 0mm穿梁对拉螺栓(梁底上 300 ㎜为第一道、梁底上 750-800 ㎜为第二道,1200- 1300?mm第三道, 160 0-1700mm第四道),考虑梁内为工字钢结构,结合设计人员同意开孔。
(7 ) 为了施工安全 , 在 17.5 米高度处搭设密竹一层作安全防护和操作平台。
( 8) 、高支模施工过程检查严格按照《AQ2.10. 2.2 模板工程验收表》和扣件式钢管满堂红顶架的《JG J130-2001 》规范执行,具体如下 :1 、专项施工方案计算书是否结合实际情况;2、立柱、支架间距是否满足规范及方案要求; 3、水平柱、剪刀撑设置是否符合规范要求;4、作业环境是否满足规范要求。
5、支架使用的各种周转材材质是否满足施工规范要求。
5、参数信息:1) . 模板支架参数框架结构横向间距或排距 (m):1. 00; 纵距(m ): 1.2 0;步距 (m):1. 50;中空结构横向间距或排距 ( m ):0. 80;纵距 (m) :1.00; 步距 (m):1.50;立杆上端伸出至模板支撑点长度 (m):0. 10;框架结构 ( 按7.0m)模板支架搭设高度 (m):6.8 0;中空模板支架搭设高度 ( m): 20.80采用的钢管 (mm): Φ48×3.0;板底支撑连接方式:方木支撑;立杆承重连接方式 : 双扣件 , 考虑扣件的保养情况 , 扣件抗滑承载力系数 :0.8 0;2). 荷载参数模板与木板自重 (kN/m2):0.3 50 ; 混凝土与钢筋自重 (kN/ m3) :2 5.000 ;施工均布荷载标准值 (kN/ m2) :2 . 50 0;3). 材料参数面板采用胶合面板 , 厚度为 18mm;板底支撑采用方木;22面板弹性模量 E(N/mm):9500; 面板抗弯强度设计值 (N/mm ): 13;2木方抗剪强度设计值 ( N/mm): 1. 400;木方的间隔距离(mm):25 0.000;22木方弹性模量 E( N/ mm) :900 0 .000; 木方抗弯强度设计值 (N/mm ):13 .0 00;木方的截面宽度(m m):50 .0 0;木方的截面高度 (mm ):1 00. 0 0;4) . 楼板参数楼板的计算厚度 ( m m):12 0.00 ;图2楼板支撑架荷载计算单元6、模板面板计算:模板面板为受弯构件 , 按三跨连续梁对面板进行验算其抗弯强度和刚度1)模板面板的截面惯性矩I 和截面抵抗矩 W分别为 :W =120×1. 82/6= 64 .8 cm3 ;34I = 12 0× 1. 8 / 12= 5 8. 32 c m;面板计算简图1、荷载计算( 1)静荷载为钢筋混凝土楼板和模板面板的自重(kN/m ) :q1= 25×0.12×1.2+0.35×1.2 = 4.02 kN/m;(2)活荷载为施工人员及设备荷载 (k N/ m) :q2 = 2 .5×1.2= 3 k N /m;2、强度计算计算公式如下:M= 0.1 ql 2其中: q=1.2 × 4.0 2+1.4 ×3 = 9.024kN/ m最大弯矩 M=0. 1×9.0 24×2 502= 56 400 kN·m;面板最大应力计算值σ =M/W= 56400/6 4800= 0. 704N/mm2;面板的抗弯强度设计值[ f ]=13 N/mm2;2面板的最大应力计算值为0.7 04N/ mm 小于面板的抗弯强度设计2值1 3 N/mm, 满足要求 !3、挠度计算挠度计算公式为ν=0.67 7ql 4/( 100EI) ≤[ ν] =l/ 250其中 q =q1=4. 02kN/m面板最大挠度计算值ν = 0.67 7× 4. 02× 2504/(100 ×9500× 58.32×1 04) =0 .01 9 mm;面板最大允许挠度[ ν]= 2 50/ 2 5 0= 1 mm;面板的最大挠度计算值0. 019 mm小于面板的最大允许挠度 1 m m , 满足要求 !7、模板支撑方木的计算 :方木按照三跨连续梁计算,截面惯性矩I和截面抵抗矩 W分别为 :W=b×h2/6=5×10×10/6 = 83.33 cm3;I=b×h3/12=5×10×10×10/ 12= 416.67 cm4;方木楞计算简图1.荷载的计算:(1)静荷载为钢筋混凝土楼板和模板面板的自重(kN/m):q1= 25×0.25×0.12 +0 .35×0.25 = 0.838k N/m ;(2)活荷载为施工人员及设备荷载(kN /m):q2= 2.5×0.25 = 0.625 kN /m;2.强度验算 :计算公式如下:2M =0.1ql均布荷载q = 1.2×q1+ 1.4×q2 = 1.2×0.838+1.4 ×0.6 25 =1.8 80kN/m;最大弯矩M = 0. 1ql2= 0.11× ×12=0.27kN· ;.88.2m方木最大应力计算值σ= M/W = 0.27×106/83333.33 =3. 249N /m m2;方木的抗弯强度设计值[f ]=13.000N/mm2;方木的最大应力计算值为 3.249 N/mm2小于方木的抗弯强度设计值 13 N/m m2,满足要求 !3.抗剪验算 :截面抗剪强度必须满足:τ= 3V/ 2bh n < [ τ]其中最大剪力 : V= 0.6 ×1.88×1.2 = 1.35kN;方木受剪应力计算值τ = 3 ×1. 35×103(× × 00)=0.405N/ 2 50 1/mm2;方木抗剪强度设计值[ τ] = 1.4 N/m m2;方木的受剪应力计算值0 .405 N /mm2小于方木的抗剪强度设计值 1.4N/mm2,满足要求 !4.挠度验算 :计算公式如下 :ν=0.6 77ql4/(100EI)≤ [ ν]=l/25 0均布荷载q = q1.= 0 838 kN/m;最大挠度计算值ν= 0.6770×.838×1 0004/(100×9000×6664166. 667)= 0.15mm ;最大允许挠度[ ν]=1200/ 250 =4.8 mm;方木的最大挠度计算值0.15mm 小于方木的最大允许挠度4.8 mm,满足要求!8、木方支撑钢管计算 :支撑钢管按照集中荷载作用下的三跨连续梁计算;集中荷载P取纵向板底支撑传递力,P= 1.8 8kN;支撑钢管计算简图M =Pl/4 + ql2/8支撑钢管计算弯矩图 (kN·m)支撑钢管计算变形图 (mm)N= P / 2 + ql/2支撑钢管计算剪力图 ( kN)最大弯矩 M max = 0. 679 kN·m;最大变形 V max= 2.1 58 mm ;最大支座力Qmax= 8. 86 5 kN;最大应力σ= 676 983.289/ 4490 = 150.776N /mm2;支撑钢管的抗压强度设计值[f]=2205 N/mm ;支撑钢管的最大应力计算值2150.7 76 N/mm 小于支撑钢管的抗压强度设计值 2 05 N/mm2 , 满足要求 !支撑钢管的最大挠度为2.1 58mm 小于 120 0/1 50与10 mm,满足要求!9、扣件抗滑移的计算 :按照《建筑施工扣件式钢管脚手架安全技术规范培训讲座》刘群主编,P96页,双扣件承载力设计值取 16.00kN, 扣件抗滑承载力系数 0.80,该工程实际的双扣件承载力取值为 12.80 kN 。
纵向或横向水平杆传给立杆的竖向作用力设计值R = 8.86 5k N;R < 12.80 kN,所以双扣件抗滑承载力的设计计算满足要求 !10、模板支架立杆荷载设计值(轴力 ):作用于模板支架的荷载包括静荷载和活荷载。
(1).静荷载标准值包括以下内容 :(1)脚手架的自重 (kN ):N G1= 0.138×6.8= 0.938 k N ;钢管的自重计算参照《扣件式规范》附录A。