院标工程设计统一技术措施(最终打印稿)
- 格式:doc
- 大小:739.00 KB
- 文档页数:9
结构统一技术措施目录一、总则 (1)二、荷载 (9)三、计算参数设置 (11)四、基础及地下室设计 (17)五、结构构件设计 (22)六、钢结构设计 (31)七、人防结构设计 (43)八、其他 (47)一、总则1、一般规定1.1设计原则1.1.1要精心设计。
结合工程具体情况,做到安全、适用、经济,并尽可能技术先进,以确保设计质量。
1.1.2设计前,必须对建筑物使用要求(安全性、耐久性、舒适性)工程特点、材料供应、施工技术条件以及地质地形等情况进行充分调查和研究分析,做到心中有数,使设计符合实际情况。
1.1.3对所采用的标准图、通用图等,要弄清设计意图及适用范围,以便正确选用。
当结构有部分分包时(如预应力、钢结构等),应有结构分包设计合同,分包单位应具备相应设计资质。
如分包设计使用本单位设计图签,工程设计人应对分包的图纸和计算进行审核,并负相应审核责任。
凡采用标准图、通用图者,应注意正确选用,如选用不当,由采用者负设计责任。
采用通用构件时,必须对各类构件之适用范围,应注意事项等,仔细了解清楚,以避免误用,造成安全问题。
1.1.4结构设计应保证建筑物有足够的承载力、刚度及稳定性。
在结构关键部位,材料要求严格部位、施工操作有一定困难部位,或将来使用上可能有变化部位,应适当留有余地,以保安全。
1.1.5对于在已建成之工程上续建加层或改造之工作,应审慎进行,并遵守以下两条原则:1.凡在建成之工程未按要求进行抗震设防者(即原设计未按抗震设计,或原设防烈度不够)应先按加层进行抗震加固及承载力的验算,再进行加层或改造(设计工作可同时进行),加层设计必须满足现规范要求;2.非本单位设计之工程,在接受加层的设计任务时,应对设计文件及工程现状仔细研究,在确保整个工程安全的前提下,采取可靠措施。
1.2 设计使用年限和安全等级1.2.1设计基准期和设计使用年限按《建筑结构可靠度设计统一标准》GB50068-2001要求,一般工业与民用建筑结构设计规范采用的设计基准期为50年,因此一般建筑结构设计使用年限取50年。
建筑设计统一技术措施一、概述建筑设计统一技术措施是建筑设计和施工过程中的一项重要工作,旨在确保建筑设计在技术上的一致性和统一性,提高设计效率和质量,同时减少设计过程中的错误和漏洞。
本文将介绍建筑设计统一技术措施的概念、目的、基本原则和主要内容。
二、建筑设计统一技术措施的概念和目的建筑设计统一技术措施是指在建筑设计过程中,采用统一的规范、标准、方法和流程,对建筑设计的各个方面进行指导和约束,以确保设计的一致性和统一性。
其目的是提高设计效率和质量,减少设计错误和漏洞,降低后期施工的风险和成本。
三、建筑设计统一技术措施的基本原则1、标准化原则:建筑设计统一技术措施应采用国家或行业标准,制定统一的设计规范和标准,以确保设计的一致性和可操作性。
2、精细化原则:建筑设计统一技术措施应对设计过程中的各个环节进行精细化管理,明确设计要求和标准,提高设计的精细度和准确性。
3、流程化原则:建筑设计统一技术措施应建立科学合理的设计流程,明确设计步骤和节点,以确保设计的合理性和有序性。
4、信息化原则:建筑设计统一技术措施应采用信息化手段,利用计算机辅助设计软件进行设计,提高设计的效率和精度。
5、安全性原则:建筑设计统一技术措施应确保建筑设计符合安全要求,采取有效的结构措施和防火措施,提高建筑的安全性和稳定性。
四、建筑设计统一技术措施的主要内容1、设计规范和标准:制定统一的建筑设计规范和标准,包括建筑结构设计、建筑防火设计、建筑节能设计等方面的规范和标准。
2、设计流程:建立科学合理的设计流程,包括方案设计、初步设计、施工图设计等环节,明确每个环节的设计要求和标准。
3、设计方法:采用先进的设计方法和技术,包括计算机辅助设计、绿色建筑设计等,提高设计的效率和精度。
4、设计审核:建立建筑设计统一技术措施的审核机制,对建筑设计进行审核把关,确保设计的合理性和安全性。
5、设计培训:对建筑设计人员进行培训和教育,提高建筑设计人员的专业素质和技术水平,确保设计的统一性和一致性。
建筑设计统一措施1. 简介建筑设计统一措施是指在建筑设计过程中,为了确保设计的一致性、效率和整体性,采取的一系列规范和标准化的措施。
这些措施涉及建筑的各个方面,包括建筑外观、结构设计、功能布局等,旨在提高建筑设计的质量和适用性。
2. 统一措施的重要性2.1 提高设计的一致性和整体性:通过建立统一的设计标准和规范,可以确保建筑在功能、形式和材料选择等方面的一致性,使建筑体现出整体的风格和特点。
2.2 提高设计的效率:统一的设计措施可以减少设计中的重复工作和不必要的纠纷,提高设计师的工作效率,节约时间和成本。
2.3 提高建筑的适用性:统一的设计标准和规范可以确保建筑在不同环境和功能要求下具备较强的适应性,提高建筑的实用性和可持续性。
3. 统一措施的内容和要点3.1 建筑外观设计统一措施 - 建筑风格和形式的统一:根据建筑的功能和定位,确定建筑的风格和形式,并在整个设计过程中保持一致,确保建筑外观整体和谐。
- 材料和色彩的统一:选择合适的材料和色彩方案,使建筑外观具有统一的风格和色彩搭配,提升建筑的美观度和辨识度。
3.2 结构设计统一措施 - 结构系统的统一:根据建筑的功能和承重要求,确定合适的结构系统,并在整个设计过程中保持一致,确保结构的稳定性和安全性。
- 结构标准和规范的统一:建立适用的结构设计标准和规范,规定设计中的参数和要求,确保设计的合理性和一致性。
3.3 功能布局统一措施 - 空间布局的统一:根据建筑的功能和使用要求,确定合理的空间布局方案,并在整个设计过程中保持一致,提高空间的通行性和使用效率。
- 设备安装和配套设施的统一:统一规划建筑的设备安装和配套设施,确保其与建筑的功能和空间布局相适应,提高建筑的使用便利性。
4. 统一措施的实施方法4.1 建立统一的设计标准和规范:制定和完善与建筑设计相关的标准和规范,包括建筑外观、结构设计、功能布局等方面的要求和指导,使设计师能够按照一定的规范进行设计。
蕲春城市花园一期工程施工图统一技术措施及要求一.图纸要求1图纸以A1、A2图为主要出图图幅。
遇有较大的平面时可适当加大图幅。
(同一套图纸一般不能超过三种图幅)2建筑设计总说明各子项材料做法表、装修做法表汇总统一编写;子项说明可根据具体情况单独编写。
3建筑设计总说明中关于建筑面积的计算要精确,并随设计的加深不断核算,直至最终成果,建筑面积计算应严格按照国家有关的建筑面积计算标准规范执行。
4所有门窗需统一编制门窗表,进行编号并注明选料,以保证施工备料中不发生混淆。
5装修说明应加注做法厚度,并应核算找坡做法中最薄及最厚两点厚度,与结构专业沟通,计算荷载。
6建筑专业图纸中的混凝土构件应有混凝土强度、钢筋等级说明。
7各层平面图中有区别部位应突出表示。
8各层平面图、立面图中标明检查口、配电盘等尺寸定位及雨落管口、溢水口位置。
9各层平面图中注明各层建筑面积、各房间使用面积、一层平面图中注明户型面积、户数等指标。
10立面图中标明饰面材料选型、分隔线及尺寸。
11必须表达建筑被自身遮挡的立面,不得遗漏。
12厨卫大样中需标明厨卫各用品尺寸定位,排水方向及坡度,地漏定位尺寸。
二.住宅设计统一技术要求1.住宅标准层层高:3.0m。
2.墙体:a.外墙填充材料:200厚加气混凝土砌块。
b.分户墙填充材料:200厚加气混凝土砌块,强度等级MU10。
c.户内隔墙填充材料:100厚加气混凝土砌块,强度等级大于MU5.0。
d.厨房、卫生间填充材料:100厚加气混凝土砌块,强度等级大于MU5.0。
e.预留洞:内外墙上所有留洞均应有水平和竖向定位;结构构件上留洞不仅在建筑图上标注,还应在结构图中采取相应措施,并注明。
预留洞向外墙方向找坡,向外倾斜10°。
f.梁柱处理:(a).起居室与主卧室相邻时,保证主卧室墙面平整,不露柱梁;(b).起居室与次卧室或其他辅助房间相邻时,保证起居室墙面平整,不露柱梁;(c).主卧室与次卧室或其他辅助房间相邻时,保证主卧室墙面平整,不露柱梁;(d).次卧室与其他辅助房间相邻时,保证次卧室墙面平整,不露柱梁。
引言概述:结构设计是工程项目中至关重要的一环,设计的合理性直接关系到工程的安全可靠性和经济效益。
在实际工程中,为了统一技术标准和提高施工效率,结构设计需要遵循一系列的统一技术措施。
本文将详细阐述结构设计统一技术措施(二),旨在帮助设计师和施工方了解并正确应用这些技术措施,从而达到工程的优化效果。
正文内容:一、基础处理1.地基勘察:在进行结构设计前,进行详细的地基勘察是非常重要的。
包括地质勘察和地下水位勘察,以便合理评估地基承载能力和地下水对结构的影响。
2.基础设计:根据地基勘察结果,合理设计基础的类型和尺寸。
包括选定适当的基础形式、计算合理的承载能力和抗浮力等。
二、结构材料选用1.混凝土与钢筋:在结构设计中,合理选用混凝土和钢筋的性能参数和等级。
确保混凝土强度和密实性的合理控制,以及钢筋的抗拉承载力和抗腐蚀性能的充分考虑。
2.其他材料:如砖石、木材、玻璃等也需要根据具体工程需求进行选用。
考虑材料的可靠性和经济性,以及与混凝土和钢筋的协调使用。
三、结构形式选择1.框架结构:适用于大跨度、多层建筑,具有较好的刚性和抗震性能。
选择合理的框架节点连接形式和材料使用比例。
2.钢结构:适用于大跨度、高层、超高层建筑。
选用合理的钢材型号和防腐措施,确保结构的稳定性和耐久性。
3.砖混结构:适用于小跨度、多层住宅建筑。
选用合理的砖与混凝土的配比和墙体厚度,以及合适的砌筑工艺。
四、施工工艺控制1.施工程序:根据结构设计要求,合理安排施工工序。
确保施工过程中各个节点的顺利衔接和质量控制。
2.施工质量控制:对各工序进行严格质量控制,特别是混凝土浇筑和钢筋安装工序。
包括保证混凝土的配合比和施工工艺的合理控制,以及钢筋的尺寸和位置的准确测量和安装等。
五、工程验收与监督1.结构验收:在工程竣工阶段,对结构进行严格的验收,确保结构符合设计要求。
包括强度检测、尺寸检测、设备安装的合格性等。
2.施工监督:由专门的监理机构对施工过程进行监督,并及时指出问题和改进措施。
前言根据质量管理的规定, 为使设计图纸能做到统一化, 标准化, 在前期严格控制设计深度, 以减少本专业及相关专业的图纸反复的工作量, 制定了这套统一技术措施, 此措施只是一个范本, 可根据不同项目和不同地区的情况在此基础上修改和删减, 达成图纸的规范化。
建筑设计统一技术措施(住宅)一、项目概况二、总平面三、单体三、单元基本功能用房规定开间进深: 客厅一般放置沙发的墙面长度宜≥4200, 放置电视机的墙面长度宜≥3000, 放置餐桌的墙面宜≥2400, 主卧室进深≥4200。
一、建筑构造1.墙体:1.1地上墙体为180或90厚加气混凝土;地下室墙体为180厚灰砂砖。
外墙及地下室墙按200绘制, 分户墙按200绘制, 户内隔墙按100绘制, 户内管道井壁按100绘制。
安装配电箱墙体应不小于200厚。
电梯井紧靠厅、卧室时, 墙体应有降噪措施。
2.门:3. 2.1门洞尺寸(宽X高): 入户门≥1200X2400(其中二房单位门宽≥1000);户内房门900X2200; 厨房(推拉门)1600X2200;卫生间与厨房800X2200, 其中较大卫生间可为850X2200;起居厅出阳台门门洞宽度不小于2400mm;当厅开间大于4米时, 宽度不小于2700mm。
4. 2.2门垛:凡安装木门的门垛(涉及入户门)应不小于100, 厨房至生活阳台门垛因考虑规避管道须大于100mm, 其他门均应留墙垛且不小于50。
5.窗:5.1.凸窗台高450㎜, 外墙面至凸窗板外缘为500㎜, 凸窗板厚80㎜。
部分异型凹窗可有所不同。
5.2.窗洞尺寸: 相同类型面积房间应尽量统一窗洞尺寸。
6.防水措施: 外窗台散水坡度在2%以上。
7.卫生间为落地凸窗且设立浴缸时, 混凝土梁上翻高度宜为600mm;卫生间为落地凸窗且设立淋浴时, 混凝土梁上翻高度宜为100mm。
8.空调:8.1.室内机: 卧室均采用分体式空调;三房以上户型客厅要同时考虑柜机和分体机(空调留洞时应注意);室内机的位置应避免对床直吹。
统一技术措施应用规定1 目的促进各专业对统一技术措施的正确应用,达到设计的技术统一,提高设计质量。
2 范围本规定适用于工程设计和标准设计的建筑、结构、给排水、暖通、电气专业。
3 职责3.1 总工程师办公室负责统一技术措施的购买发放。
3.2 统一技术措施的应用由专业副总工程师负责指导。
4 管理和应用要求4.1 应确保有关设计人员获得适用的统一技术措施版本。
目前本所适用的各专业统一技术措施版本如下表:4.2 统一技术措施反映了我国成熟的技术和经验,也吸收了国外的先进技术,对设计起技术统一和技术指导的积极作用,但不能视为强制性标准。
4.3 统一技术措施是贯彻实施国家标准规范的补充。
设计中需要突破规范或措施时,应阐明原因提出措施,报所总工程师批准才能设计。
对可能影响工程质量和安全的应按国家规定,经有关部门组织审定方可使用。
4.4 在使用中,如与国家新颁布的规范、规程或规定不符时,均应遵照国家规范或有关规定。
美文欣赏1、走过春的田野,趟过夏的激流,来到秋天就是安静祥和的世界。
秋天,虽没有玫瑰的芳香,却有秋菊的淡雅,没有繁花似锦,却有硕果累累。
秋天,没有夏日的激情,却有浪漫的温情,没有春的奔放,却有收获的喜悦。
清风落叶舞秋韵,枝头硕果醉秋容。
秋天是甘美的酒,秋天是壮丽的诗,秋天是动人的歌。
2、人的一生就是一个储蓄的过程,在奋斗的时候储存了希望;在耕耘的时候储存了一粒种子;在旅行的时候储存了风景;在微笑的时候储存了快乐。
聪明的人善于储蓄,在漫长而短暂的人生旅途中,学会储蓄每一个闪光的瞬间,然后用它们酿成一杯美好的回忆,在四季的变幻与交替之间,散发浓香,珍藏一生!3、春天来了,我要把心灵放回萦绕柔肠的远方。
让心灵长出北归大雁的翅膀,乘着吹动彩云的熏风,捧着湿润江南的霡霂,唱着荡漾晨舟的渔歌,沾着充盈夜窗的芬芳,回到久别的家乡。
我翻开解冻的泥土,挖出埋藏在这里的梦,让她沐浴灿烂的阳光,期待她慢慢长出枝蔓,结下向往已久的真爱的果实。
技术统一措施一. 制图要求1. 制图依据:《房屋建筑制图统一标准》(GB/T 50001-2001)、《建筑结构制图标准》(GB/T 50105-2001)、我院的总师办2008. 5发文的《建筑结构专业技术文件汇编》及《混凝土平面整体表示方法制图规则和构造详图》(现共5分册)。
2. 图层设置按院统一要求,图层名称采用中文,字体采用tssd字体。
3. 图名要规范统一,图纸目录单上应列出套用的国标、省标清单(注明自购)。
二. 工程基本计算参数:1. 本工程建筑结构的安全等级为二级,设计使用年限为50年。
根据新耐久性规范,环境等级为Ⅰ-A类。
2. 本工程抗震设防分类为丙类建筑,场地类别为Ⅱ类,抗震设防烈度为6度,地震动峰值加速度为0.05g,设计地震分组第一组,地震动反应谱特征周期为0.35s。
3. 本工程地下室部分及屋顶水箱防水等级为二级。
4. 本工程地基基础设计等级为甲级,建筑桩基安全等级为甲级。
5. 基本风压:0.45kN/m2(大于60米0.50kN/m2),地面粗糙度类别: B类;基本雪压:0.45kN/m2。
三. 荷载取值1. 主要楼面活荷载(标准值)住宅: 2.0 KN/m2走廊、门厅、楼梯:3.5 KN/m2厨房、卫生间: 2.0 KN/m2带浴缸的卫生间: 4.0 KN/m2阳台: 2.5 KN/m2商铺: 3.5 KN/m2机房: 7.0 KN/m2上人屋面: 2.0 KN/m2不上人屋面: 0.5 KN/m2消防通道及消防登高面:16.0 KN/m2(梁柱计算)/ 20.0 KN/m2(顶板板配筋计算)室内地下室顶板考虑施工荷载:5.0 KN/m22. 楼屋面恒载(结构砼板自重由程序自动计算)A. 普通楼面(卧室、书房)面荷载计算:30mm厚面层+15mm厚板底粉刷+二次装修0.2KN/m2: 0.03X20+0.015X20+0.2=1.1 KN/m2B. 卫生间、厨房、阳台面荷载计算:30mm厚面层+15mm厚板底粉刷+二次装修0.8KN/m2: 0.03X20+0.015X20+0.8=1.7 KN/m2C. 客厅、餐厅面荷载计算:30mm厚面层+15mm厚板底粉刷+二次装修0.8KN/m2:0.8KN/m2: 0.03X20+0.015X20+0.8=1.7 KN/m2D. 平屋面(露台)面荷载计算: 40mm厚细石砼+隔离层防水涂料+30mm厚细石砼+120mm厚苯板保温+20mm厚水泥砂浆找平层+煤渣砼找坡(取80mm厚)+15mm厚板底粉刷: 0.04X25+0.2+0.03X20+0.12X0.25+0.02X20+16X0.08+0.015X20=3.8 KN/m23. 填充墙体荷载: 采用页岩多孔砖,容重为1400kg/m3;墙厚为240和120四. 主要建筑材料1. 砼。
建筑设计统一技术措施1. 引言在建筑设计领域中,为了提高建筑的质量、安全性和可持续性,一些统一的技术措施被广泛采用。
这些技术措施在建筑设计的不同阶段起到了重要的作用。
本文将介绍一些常见的建筑设计统一技术措施。
2. 结构设计统一技术措施在建筑设计的结构阶段,以下技术措施被广泛采用,以确保建筑的结构安全和稳定性:•使用合适的结构材料:根据建筑的用途和需求,选择合适的结构材料,如钢结构、混凝土结构或木结构。
•进行结构分析:使用结构分析软件对建筑结构进行分析,以确定结构的受力情况,并进行合理的结构设计。
•加强结构连接:在结构设计中,合理安排结构连接方式,如焊接、螺栓连接或粘贴等,以提高结构的稳定性和承载能力。
•考虑抗震设计:对于地震区域的建筑,进行抗震设计,采取合适的抗震措施,如设置抗震支撑和减震器等。
3. 建筑节能设计统一技术措施建筑节能是目前建筑设计中的重要议题,以下是一些常见的建筑节能设计统一技术措施:•优化建筑外围结构:在建筑外墙的设计中,采用隔热材料和隔热层,减少热量传递,提高建筑的保温性能。
•合理设计采光系统:充分利用自然光源,减少能耗。
采用合适的窗户设计和遮阳措施,来实现良好的采光效果。
•使用高效的暖通系统:选择高效的暖通设备,如热泵、地源热泵或太阳能等,以减少能源消耗。
•采用智能控制系统:通过智能控制系统来控制建筑的照明、空调等设备,对能源的使用进行合理调控。
4. 建筑可持续设计统一技术措施为了促进可持续发展,建筑可持续设计成为建筑设计的一个重要方向。
以下是一些常见的建筑可持续设计统一技术措施:•设计绿色屋顶:在建筑屋顶设置绿色植被,既能提供良好的景观效果,又能降低周围环境温度,改善城市热岛效应。
•采用可再生能源:建筑设计中,采用可再生能源来满足能源需求,如太阳能、风能或地热能等。
•水资源管理:在建筑设计中,合理利用雨水收集系统和灰水处理系统,以减少对自来水的依赖,实现水资源的循环利用。
建筑设计统一技术措施摘要:建筑设计是一个复杂的过程,需要综合考虑各种不同因素和要求。
为了确保建筑场所的安全、舒适和功能完善,建筑设计必须遵循一系列的技术措施。
本文将介绍建筑设计中的统一技术措施,包括结构设计、电气设计、给排水设计、通风与空调设计以及防火设计。
1. 结构设计结构设计是建筑设计的基础,主要包括建筑的承重架构和结构材料的选用。
在结构设计中,应根据建筑的用途和地理环境等因素,选择合适的结构类型,如钢结构、混凝土结构或木结构。
此外,还需要进行力学计算和结构分析,确保建筑的承重能力和稳定性,以及抗震和抗风能力等。
2. 电气设计电气设计涉及到建筑内部电力系统的规划和布置。
在电气设计中,需要确定建筑的用电负荷,选择适当的电缆、开关和插座等设备,设计合理的电路分布。
此外,还需考虑电气安全措施,如保护接地、短路保护装置和避雷设施等。
3. 给排水设计给排水设计主要涉及建筑内部供水和排水系统的规划和设计。
在给水设计中,需要确定建筑的用水需求和水源供应方式,并规划好水管网络和水泵设备等。
在排水设计中,需要考虑建筑的排水需求和排水管道的布置,确保排水畅通、防止积水和漏水等问题。
4. 通风与空调设计通风与空调设计是为了确保建筑内部空气质量和舒适度。
在通风设计中,需要确定建筑的通风需求和通风设备,如风机和风口等,以及通风系统的布置。
在空调设计中,需要考虑建筑的空调负荷和空调设备,如空调机组、冷却塔和风管等,以及空调系统的布置。
5. 防火设计防火设计是为了确保建筑在火灾发生时具备良好的防火性能和疏散通道。
在防火设计中,需要考虑建筑材料和结构的防火等级,选择合适的防火墙和防火门等设施,设计合理的疏散通道和灭火系统,以及制定适当的应急预案。
综上所述,建筑设计中的统一技术措施是确保建筑安全、舒适和功能完善的关键。
结构设计、电气设计、给排水设计、通风与空调设计以及防火设计等方面的考虑和规划,将为建筑提供良好的基础和条件。
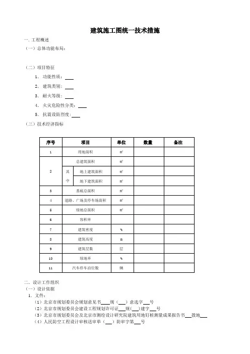
建筑施工图统一技术措施一.工程概述(一)总体功能布局:(二)项目特征1.功能性质:2.建筑类别:3.耐火等级:4.火灾危险性分类:5.抗震设防烈度:(三)技术经济指标二.设计工作组织(一)设计依据1.文件:(1)北京市规划委员会规划意见书规()意选字号(2)北京市规划委员会建设工程规划许可证规( )建字号(3)北京市规划委员会及北京市测绘设计研究院建筑用地钉桩测量成果报告书拨地(4)人民防空工程设计审核送审单()防审字第号(5)岩土工程勘察报告(6)建设单位提出的设计任务书及对方案设计的确认单2.规范、规定建筑专业常用规范:(1)《民用建筑设计通则》GB50352-2005(2)《城市道路和建筑物无障碍设计规范》JGJ50-2001(3)《住宅建筑规范》GB50368-2005(4)《住宅设计规范》GB50096-1999(2003年版)(5)《办公建筑设计规范》JGJ67-2006(6)《汽车库建筑设计规范》JGJ100-98(7)《建筑设计防火规范》GB50016-2006(8)《高层民用建筑设计防火规范》GB50045-95(2005年版)(9)《汽车库、修车库、停车场设计防火规范》GB50067-97 (10)其它国家现行有关设计规范、规定、标准(二)设计范围及子项划分(三)人力配置、技术责任1、人力配置及技术职务2、技术责任设计总负责人:①组织各专业工程负责人制定工种配合进度,并监察执行,保证施工图各阶段工作按计划正常进行。
②组织、协调、解决各专业技术矛盾和问题,对于疑难问题提请公司技委会决定,并服从和执行决定。
③负责协调和组织整个施工图设计中人力安排、调配。
工种负责人:①制定本专业统一技术措施,并交设总汇总。
②按工种配合进度要求,制定本专业设计进度表,并交设总备查(附表)。
③根据本专业进度和人力情况,合理分配工作,并将工作量分配表交设总备查(附表)。
④解决好本专业技术问题,尊重设总和专业审定人的意见。
前言经过多年来流水作业的实践,收获颇丰。
流水作业模式能迅速培养一支协作的团队,能有效地控制图纸的质量,能加强团队内部技术交流,为生产的顺利进行提供了制度上的保障。
而为流水作业配套的结构技术统一措施是对流水作业的重要支撑。
由于新规范的实施,原技术统一措施不能有效解决实际问题。
同时,生产实践过程中总结的一些习惯做法也需补充到技术统一措施中。
现组织院内结构设计人员,对原结构专业技术统一措施进行修订,升级为第二版。
本措施主要是针对设计中常见问题所作的技术性总结。
暂不涉及预应力结构,木结构,型钢组合结构、加固改造等。
主要起草人:杨韬、黄彩云、倪炜、吴吉、张冬生、纪海涛、马德利、李伟伟。
审核人:江泽韦、胡泓一。
在修订的过程中得到了同行的帮助,在此一并感谢。
编者2012年6月目录第一篇技术统一措施及作图要求第一章一般规定∙∙∙∙∙∙∙∙∙∙∙∙∙∙∙∙∙∙∙∙∙∙∙∙∙∙∙∙∙∙∙∙∙∙∙∙∙∙∙∙∙∙∙∙∙∙∙∙∙∙∙∙∙∙∙∙∙∙∙∙∙∙∙∙∙∙∙∙∙∙∙∙∙∙∙∙∙∙∙∙3 第二章结构计算∙∙∙∙∙∙∙∙∙∙∙∙∙∙∙∙∙∙∙∙∙∙∙∙∙∙∙∙∙∙∙∙∙∙∙∙∙∙∙∙∙∙∙∙∙∙∙∙∙∙∙∙∙∙∙∙∙∙∙∙∙∙∙∙∙∙∙∙∙∙∙∙∙∙∙∙∙∙∙∙9第三章模板∙∙∙∙∙∙∙∙∙∙∙∙∙∙∙∙∙∙∙∙∙∙∙∙∙∙∙∙∙∙∙∙∙∙∙∙∙∙∙∙∙∙∙∙∙∙∙∙∙∙∙∙∙∙∙∙∙∙∙∙∙∙∙∙∙∙∙∙∙∙∙∙∙∙∙∙∙∙∙∙∙∙∙∙∙∙18第四章基础∙∙∙∙∙∙∙∙∙∙∙∙∙∙∙∙∙∙∙∙∙∙∙∙∙∙∙∙∙∙∙∙∙∙∙∙∙∙∙∙∙∙∙∙∙∙∙∙∙∙∙∙∙∙∙∙∙∙∙∙∙∙∙∙∙∙∙∙∙∙∙∙∙∙∙∙∙∙∙∙∙∙∙∙∙∙21第五章竖向构件∙∙∙∙∙∙∙∙∙∙∙∙∙∙∙∙∙∙∙∙∙∙∙∙∙∙∙∙∙∙∙∙∙∙∙∙∙∙∙∙∙∙∙∙∙∙∙∙∙∙∙∙∙∙∙∙∙∙∙∙∙∙∙∙∙∙∙∙∙∙∙∙∙∙∙∙∙∙∙29第六章梁∙∙∙∙∙∙∙∙∙∙∙∙∙∙∙∙∙∙∙∙∙∙∙∙∙∙∙∙∙∙∙∙∙∙∙∙∙∙∙∙∙∙∙∙∙∙∙∙∙∙∙∙∙∙∙∙∙∙∙∙∙∙∙∙∙∙∙∙∙∙∙∙∙∙∙∙∙∙∙∙∙∙∙∙∙∙∙∙∙∙35第七章板∙∙∙∙∙∙∙∙∙∙∙∙∙∙∙∙∙∙∙∙∙∙∙∙∙∙∙∙∙∙∙∙∙∙∙∙∙∙∙∙∙∙∙∙∙∙∙∙∙∙∙∙∙∙∙∙∙∙∙∙∙∙∙∙∙∙∙∙∙∙∙∙∙∙∙∙∙∙∙∙∙∙∙∙∙∙∙∙∙∙43第八章板式楼梯∙∙∙∙∙∙∙∙∙∙∙∙∙∙∙∙∙∙∙∙∙∙∙∙∙∙∙∙∙∙∙∙∙∙∙∙∙∙∙∙∙∙∙∙∙∙∙∙∙∙∙∙∙∙∙∙∙∙∙∙∙∙∙∙∙∙∙∙∙∙∙∙∙∙∙∙∙∙∙46第二篇流水作业步骤及要求第九章流水作业步骤及具体要求∙∙∙∙∙∙∙∙∙∙∙∙∙∙∙∙∙∙∙∙∙∙∙∙∙∙∙∙∙∙∙∙∙∙∙∙∙∙∙∙∙∙∙∙∙∙∙∙∙∙∙∙∙∙∙∙48 第十章与流水作业相配套的工作∙∙∙∙∙∙∙∙∙∙∙∙∙∙∙∙∙∙∙∙∙∙∙∙∙∙∙∙∙∙∙∙∙∙∙∙∙∙∙∙∙∙∙∙∙∙∙∙∙∙∙∙∙∙∙∙50 附录A 结构设计规范、规程目录大全∙∙∙∙∙∙∙∙∙∙∙∙∙∙∙∙∙∙∙∙∙∙∙∙∙∙∙∙∙∙∙∙∙∙∙∙∙∙∙∙∙∙∙∙∙∙∙∙∙∙∙52 附录B 结构设计图集目录大全∙∙∙∙∙∙∙∙∙∙∙∙∙∙∙∙∙∙∙∙∙∙∙∙∙∙∙∙∙∙∙∙∙∙∙∙∙∙∙∙∙∙∙∙∙∙∙∙∙∙∙∙∙∙∙∙∙∙∙∙∙∙∙57 附录C 结构相关行政法规及管理条例目录大全∙∙∙∙∙∙∙∙∙∙∙∙∙∙∙∙∙∙∙∙∙∙∙∙∙∙∙∙∙∙∙∙∙∙∙60第一章一般规定一、结构主材:1.混凝土:1)受力构件混凝土强度等级不低于C25,水平构件混凝土强度等级不宜大于C30,不应大于C40;竖向构件与水平构件的强度等级不宜大于两级。
xxxx安置房项目项目统一技术措施一、项目概况:本项目我公司承担的部分设计任务,分为南、北两个地块:北地块包括市民服务中心、商业中心、商住中心,建筑面积约15万平方米;其中各分项面积为:xxx南地块包括安置区住宅和一所xx班小学,建筑面积约16万平方米。
其中住宅建筑面积为:xxx小学建筑面积为:xxx本措施设计内容为建筑施工图设计及内装饰设计。
二、项目要求:设计依据:1、规范、标准、纲要、指南、导则:2、正面清单和负面清单:甲方设计要求:●室内精装修设计;●装配式设计;●绿色建筑:居住建筑设计达到二星标准、公共建筑设计达到三星标准。
●景观设计;●室外管网管线设计;●智慧城市设计;●智能化设计;●幕墙设计;●泛光照明(亮化)设计;●交通设计;●市政设计;●标识设计;●人防设计;●BIM设计●5G;●概算编制等。
重、难点设计:1、建筑限高:xx米。
2、地下空间的利用:构建由地下管沟、地下停车空间、地下公共服务空间、地下公共活动空间等组成的地下空间系统。
在镇区地下空间整体建设区,原则上地下5 米以上为停车、下沉式绿地广场、公共服务设施等城市功能性公共空间及管沟等市政设施空间,地下5-10 米控制为战略预留空间,以适应各类功能的合理兼容和转换利用。
3、BIM设计的全程参与。
4、绿色建筑:居住建筑设计达到二星标准、公共建筑设计达到三星标准。
5、估算、概算的编制。
6、方案阶段制定设计产品建设标准。
7、装配式建筑的覆盖率、装配率?8、提交施工蓝图xx套。
9、配合完成竣工图。
10、把控机电管线综合、精装修及物业运维所需空间净高要求。
11、道路高程比场地高程高约4米,需解决此条件下的排水、交通、景观美化、结构支挡问题。
12、入户大堂、架空层、下沉空间等的重点处理。
工期要求:按照项目的性质合理安排工期,应将工期控制在相对宽松的范围内。
30万平方建筑施工图设计工期暂按照3个月控制。
三、项目分类分析:北地块包括市民服务中心、商业中心、商住中心本地块以公共建筑为主,建筑突出公共服务性质,对建筑无障碍设施设计,安全防护设施设计,各部位使用人性化设计,绿色建筑星级要求,消防防火设计,建筑外保温、幕墙设计等需要特殊设计。
统一技术措施范例楼面荷载:覆土容重18KN/m消防车通道:20 KN/m 2; /16 KN/m 2;屋面(上人)2.0KN/m2;(不上人)0.5KN/m2;2屋顶花园3.0 KN/m隔墙荷载(标准层)12KN/m250 厚:(12x0.25+20x0.04) x2.5=9.5 KN/m200 厚:(12x0.20+20x0.04) x2.5=8.0 KN/m100 厚:(12x0.10+20x0.04) x2.5=5 KN/m阳台混凝土栏板:(25P.1+20P.04)*仁3.3KN/RV考虑封闭阳台,共计 4.0 KN/m ;落地门、窗:1.5 KN/m ;窗台:高600 时,2.0 KN/m ;高1100 时,4KN/m ;空调板:2.5KN/m ;凸窗:10.0 KN/m ;14.0 KN/m (加两侧栏板)楼面荷载汇集(考虑50厚面层):板厚 100: 25*0.10+20*0.07=3.9KN/m板厚120: 25*0.12+20*0.07=4.4KN/m住宅板配筋1. L< 3000 (卫生间、厨房)3000<L < 3600 (居室)3600<L<3900 (居室)3900 < L< 4200 (居室)3.平面凹口处钢筋双层双向,不小于①8@150 ;跨中支座① 8@200 ① 8@200① 8@180 ① 8@180/150① 8@150 ① 8@150/120取 4.0 KN/m取 4.5 KN/m①① 8@150 /120有拐角窗处板厚为120,转角设置加强钢筋上下50)12;2.4.电梯厅板厚120,钢筋双层双向,不小于①8@150;走廊板厚100,钢筋双层双向,不小于①8@1505.跨度大于等于3900,板厚120;6.屋面板120,钢筋①8@120 ;7•与主体连接的商场板厚120,钢筋双层双向,不小于①8@150;以上钢筋均为川级钢。
统一技术措施应用规定1 目的促进各专业对统一技术措施的正确应用,达到设计的技术统一,提高设计质量。
2 范围本规定适用于工程设计和标准设计的建筑、结构、给排水、暖通、电气专业。
3 职责3.1 总工程师办公室负责统一技术措施的购买发放。
3.2 统一技术措施的应用由专业副总工程师负责指导。
4 管理和应用要求4.1 应确保有关设计人员获得适用的统一技术措施版本。
目前本所适用的各专业统一技术措施版本如下表:4.2 统一技术措施反映了我国成熟的技术和经验,也吸收了国外的先进技术,对设计起技术统一和技术指导的积极作用,但不能视为强制性标准。
4.3 统一技术措施是贯彻实施国家标准规范的补充。
设计中需要突破规范或措施时,应阐明原因提出措施,报所总工程师批准才能设计。
对可能影响工程质量和安全的应按国家规定,经有关部门组织审定方可使用。
4.4 在使用中,如与国家新颁布的规范、规程或规定不符时,均应遵照国家规范或有关规定。
情感语录1.爱情合适就好,不要委屈将就,只要随意,彼此之间不要太大压力2.时间会把最正确的人带到你身边,在此之前,你要做的,是好好的照顾自己3.女人的眼泪是最无用的液体,但你让女人流泪说明你很无用4.总有一天,你会遇上那个人,陪你看日出,直到你的人生落幕5.最美的感动是我以为人去楼空的时候你依然在6.我莫名其妙的地笑了,原来只因为想到了你7.会离开的都是废品,能抢走的都是垃圾8.其实你不知道,如果可以,我愿意把整颗心都刻满你的名字9.女人谁不愿意青春永驻,但我愿意用来换一个疼我的你10.我们和好吧,我想和你拌嘴吵架,想闹小脾气,想为了你哭鼻子,我想你了11.如此情深,却难以启齿。
其实你若真爱一个人,内心酸涩,反而会说不出话来12.生命中有一些人与我们擦肩了,却来不及遇见;遇见了,却来不及相识;相识了,却来不及熟悉,却还要是再见13.对自己好点,因为一辈子不长;对身边的人好点,因为下辈子不一定能遇见14.世上总有一颗心在期待、呼唤着另一颗心15.离开之后,我想你不要忘记一件事:不要忘记想念我。
1制图通用1.1线宽:分粗线、中粗线、中线和细线,一般粗线线宽b在0.5、0.7、1.0、1.4、2.0共5个系列中选用,推荐选用b=0.5mm,中粗线线宽为0.75b;中线线宽为0.5b;细线线宽为0.25b;从细到宽比值为1:2:3:4;同一工程同一专业图纸应采用同一个线宽序列1.2文字:应采用国标矢量字体,一般采用单线宋体(为统一字体,统一采用romans_wxmedi.shx/hzdx_wxmedi.shx,见Delldisk\新图框\字库)及系统宋体,字高应在2.5、3.5、5、7、10、14、20系列中选定。
字高2.5仅在A3及A3图幅以下时使用。
一般图纸中说明、主要设备一览表、主要材料表、流程和高程图中单体名称、剖视(面)符号(如:Ⅰ、Ⅱ;A、B等)字体采用宋体,字高大一号(5.0);图名字体采用宋体,字高大二号(7.0),大于7.0字体均用于挂图等;其余尺寸标注、说明内容部分、引线文字字体统一采用新定义的单线宋体,字高均用最小字高(3.5),文字的长宽比统一定为0.75,字高系列采用应和线宽系列选用协调。
1.3图幅:1.3.1设计采用图幅推荐采用A2、A3幅面横式,可选择幅面为A0~A3横式,表可采用A4;1.3.2原则不用竖式幅面;1.3.3同一专业图纸规格应统一,当采用统一规格有困难时不宜多于两种规格(图纸目录及表格除外,可用A3或A4);1.3.4用于带状图纸(道路及管线)及狭长的总平宜采用加长系列图幅;由于受绘图仪和成品常用规格纸张的限制,A3宜采用631 841两个加长规格,A2 宜采用892一个加长规格,A1原则不加长,A0加长可在规范规定系列中选用;除必要的总图外,避免使用大幅面(如A0及其加长加大);1.3.5在绘图仪输出时,按图幅范围打印,图幅线为裁剪线;1.3.6针对A3打印机输出时,由于打印机四边有3.2mm(不同打印机,有不同的范围)非打印区及无需裁剪,故为满足图幅左边距25mm其余5mm的要求可设定输出XY偏移为-3.2;1.3.7其余幅面图纸缩小在A3打印机上输出,可简单的勾选【布满图纸】(Fit)复选框1.4对于出折叠装订图纸,应在图幅线四边中点处画对中标志线;对中标志线画法为图幅线中点至图框线,线宽为中实线。
1.5外地图纸原则出透明图,图面一般选A2,A2及以上幅面图纸不得出白图;1.6各专业图中,主专业为粗线,其它按重要性从粗到细选用;1.7校审用图绘制、签署:1.7.1应使用白图或电子图进行各级校审;以便于校审标注;1.7.2送校送审白图可缩小的打印,其中A3图可以原图比例出,A2及以上可视图面复杂程度缩小一号至二号白图;1.7.3校审时各级校审人员应认真核对设计大纲、计算书、前级校审意见,并在校审图上详细圈录标注,同时在校审单上记录简述索引、并签署;1.7.4最终签字时,校审图及校审单应同时逐级上递,各级校审必须核对校审图、校审单及其修改情况,校审用白图及校审单应一并归档;1.8各专业图纸均应按院标通用图例规定绘制符号及专业表达;1.9图层命名和CAD命名规则,参照国标 GB/T18112-2000 <<房屋建筑CAD制图统一规则>>。
其中图层命名按附图1执行,CAD命名形式为:图名(专业),如:进水泵房(工艺)、进水泵房(结构)、进水泵房(建筑)、进水泵房(电气)、进水泵房(自控)等;1.10总图:1.10.1带地形坐标可采用相对坐标或测量坐标,相对坐标应画方格网,并说明与测量坐标的关系及换算方法;测量坐标应画十字线,并列出格网或十字线坐标值,注意相对A向测量X向为垂直坐标,相对B向测量Y向为水平坐标;1.10.2总图应在右上角画上标准指北针符号,直径为24mm,可用其它常用指北针符号(S03-1),但大小应与之相当;在有污染及与风向有关的工程中应画该地区风玫瑰(S03-2);1.10.3总图方向:应基本保持上北下南的布局绘制,根据地形形状块状可在左右45O以内偏转;带状图总图可在左右90O以内偏转1.10.4总图的分幅:应在前面画出分幅示意图,在每个分幅图上均应对分幅拼接线号标注;每个分图均应画指北针,指北针符号宜在右上拼接线外;为便于拼接对齐,应附上对齐标志;1.11非标准比例系列,应在指北针(风玫瑰)旁画上比例尺;缩放出图(如A2打印成A3)应在图框上画上准确的米制尺度;1.12在同一个工程项目的设计图纸中,图例、术语、绘图表示方法应一致。
1.13工程设计中,各专业的图纸应单独绘制。
1.14施工图设计构图时,尽可能在图纸右下角留出盖出图章、注册章等空间;2公用工程制图2.1给水排水专业制图,除应符合本规定通用及制图部分要求外;2.2线型:常用的各种线型宜符合附表2.1.2的规定。
2.3尺寸:标高以米计,尺寸除总图可以米计外,其余均以毫米计;2.4尺寸标注:线性尺寸用建筑箭头(粗短斜线),直径、半径、角度用箭头,总图可用点箭头;引线标注用点箭头;2.5标高符号及一般标注方法应符合《房屋建筑制图统一标准》中第10.8节的规定;建筑室内工程应标注相对标高;室外工程及构筑物宜标注绝对标高,当无绝对标高资料时,可标注相对标高,但应与总图专业一致;压力管道及强弱电穿单根保护管应标注管中心标高;沟渠和重力流管道宜标注沟(管)内底标高;排管注包封砼基础顶标高。
标高符号为3mm高等腰直角三角形,其中在建筑底层平面图上或构筑物主平面图上的室外地面(坪)为实心无引线,其它为空心带引线,引线长度应与标注文字等长;标高值应精确到毫米如5.370(总图地形可用小数点后两位有效如 3.55);2.5.1在下列部位应标注标高:1 沟渠和重力流管道的起讫点、转角点、连接点、变坡点、变尺寸(管径)点及交叉点;2 压力流管道中的标高控制点;3 管道穿外墙、剪力墙和构筑物的壁及底板等处;4 不同水位线处;5 构筑物和土建部分的相关标高。
2.6管径应以mm为单位;管径的表达方式应符合下列规定:2.6.1水煤气输送钢管(镀锌或非镀锌)、铸铁管等管材,管径宜以公称直径DN表示(如DN15、DN50);2.6.2无缝钢管、焊接钢管(直缝或螺旋缝)、铜管、不锈钢管等管材,管径宜以外径D×壁厚表示(如D108×4、D159×4.5等);2.6.3钢筋混凝土(或混凝土)管、陶土管、耐酸陶瓷管、缸瓦管等管材,管径宜以内径d表示(如d600、d800等);2.6.4塑料管材,管径宜按产品标准的方法表示,如HDPE DN200;2.6.5当设计均用公称直径DN表示管径时,在施工图阶段应有公称直径DN与相应产品规格对照表。
2.7剖面剖切(剖视)符号:粗线绘制。
剖切位置线,长10mm;剖视方向线长6mm,编号字体比最小字号大一号,并应注写在剖视方向线端部内侧,无论位置如何,文字不旋转;工艺专业统一采用Ⅰ-Ⅰ、Ⅱ-Ⅱ、Ⅲ-Ⅲ……,建筑结构专业统一采用A-A、B-B、C-C……,详图及大样图剖切采用1-1、2-2、3-3……。
其中除用数字符号一般本图不重复,罗马及英文字符序号同一单体同一专业不重复。
2.8断面剖切符号:长10mm粗线,编号同2.7,位置应在视向外侧;一般文字不旋转;2.9索引符:直径10mm细实线,内部字体为单线宋体,字高3.5mm;详图符粗实线直径14mm, 内部字体为宋体,字高5mm。
2.10引线标注:引线角度应以300、 450、600、900方向引出,同一图纸方向一致,可经水平转折一次;端部为索引符时引线应对准圆心;2.11钢筋、设备、建(构)筑物的编号为直径6mm圆,直接或引线标注,引线应对准圆心,内部字体为单线宋体,字高3.5mm。
为了与初步设计等文本对应,设备和建(构)筑物编号可用数字加“#”编号。
2.12材料及零配件编号用引线标注。
标注线为粗短直线;当一个引出表达多个序号时,粗短直线间用向下细折线分开,短实线间距2mm,字体为单线宋体,字高3.5mm。
2.13公用专业制图规范规定图名位置和道桥专业不同,因此除总图等墙挂需要,用大号字体顶部横式书写或右部竖式书写外,其余均应画在对应内容下方,图名下方画双线,上端线为粗线(线宽为b),下端线为细线(线宽为0.25b);2.14给排水总平面图的画法应符合下列规定:2.14.1建筑物、构筑物、道路的形状、编号、坐标、标高、围墙、大门、绿化等应按院标图例绘制。
2.14.2给水、排水、雨水、热水、消防和中水等管道宜绘制在一张图纸上。
如管道种类较多、地形复杂,在同1张图纸上表示不清楚时,可绘制管线综合图及按不同管道种类总图,管线综合与分类总图应有不同的侧重点,前者表达各管线相关关系及平面空间的平衡,后者表达该专业管线的详细设计。
2.14.3应按本统一技术措施规定的图例绘制各类管道,阀门井、消火栓井、洒水栓井、检查井、跌水井、水封井、雨水口、化粪池、隔油池、降温池、水表井等以及建筑、构筑物、地下构筑物,管线应并按规定进行编号。
2.14.4绘出城市(外部)同类管道及连接点的位置、连接点井号、管径、标高、坐标及流水方向。
2.14.5绘出各建筑物、构筑物各类管线的引入管、排出管,并标注出位置尺寸。
2.14.6图上应注明各类管道的管径、坐标或定位尺寸。
1)用坐标时,标注管道弯转点(井)等处坐标,构筑物标注中心或两对角处坐标;2)用控制尺寸时,以建筑物外墙或轴线、或道路中心线为定位起始基线。
2.14.7仅有本专业管道的单体建筑物局部总平面图,可从阀门井、检查井绘引出线,线上标注井盖面标高;线下标注管底或管中心标高。
2.14.8规划阶段和设计阶段对象含义不同,注意用词、线型和表达方式;2.15管线附属构筑物根据大小采用实际形状绘制和符号表示两种,原则为:按绘图比例绘制平面实际形状小于3mm时,应符号化表达;据此大多数电力隧道井、通信人孔井按实际形状尺寸绘制;<1:200平面图中雨污水井、雨水口用符号绘制,其符号不小于3mm(即圆形井用不小于3直径圆绘制,矩形井用3X3绘制,雨水口2X3);2.16给水管道节点图应按下列规定绘制:2.16.1管道节点位置、编号应与总平面图一致,但可不按比例示意绘制。
2.16.2管道应注明管径、管长。
2.16.3节点应绘制所包括的平面形状和大小、阀门、管件、连接方式、管径及定位尺寸。
2.16.4必要时,阀门井节点应绘制剖面示意图。
2.17管道纵断面图应按下列规定绘制:2.17.1管道平、剖面图绘制原则为是为完整表达设计技术要求、满足施工、材料选用、工程量计算及监理、质量监督和工程审计的工作要求;2.17.2压力流管道用单粗实线绘制。
注:当管径大于400mm时,压力流管道可用双中粗实线绘制,但对应平面示意图用单中粗实线绘制。