同济大学混凝土试验大偏心受压柱试验报告
- 格式:doc
- 大小:2.72 MB
- 文档页数:17
H 型截面轴心受压柱实验报告学号: 姓名: 任课老师: 实验老师:实验日期:2012年03月30日一、实验目的:1、通过试验掌握钢构件的试验方法,包括试件设计、加载装置设计、测点布置、试验结果整理等方法。
2、通过试验观察十字型截面轴心受压柱的失稳过程和失稳模式。
3、将理论极限承载力和实测承载力进行对比,加深对轴心受压构件稳定系数计算公式的理解。
二、实验原理:1、基本微分方程根据开口薄壁杆件理论,具有初始缺陷的轴心压杆的弹性微分方程为: 2、扭转失稳欧拉荷载H 型截面为双轴对称截面,因其剪力中心和形心重合,有 x 0= y 0 = 0,代入上式可得:''0()0IV IVx EI v v Nv -+= (a)''0()0IV IV y EI u u Nu -+= (b)''''2''''000()()0IV IV t EI GI r N R ωθθθθθθ---+-=(c)说明H 型双轴对称截面轴心压杆在弹性阶段工作时,三个微分方程是相互独立的,可分别单独研究。
在弹塑性阶段,当研究(a )式时,只要截面上的产于应力对称与 Y 轴,同时又有00u =和00θ=,则该式将始终和其他两式无关,可单独研究。
这样,压杆将只发生Y 方向的位移,整体失稳呈弯曲变形状态,称为弯曲失稳。
这样,式(b )也是弯曲失稳,只是弯曲失稳的方向不同而已。
对于式(c ),如果残余应力对称与 X 轴和 Y 轴分布,同时假定,00u =和00θ=则压杆将只发生绕 Z 轴的转动,失稳时杆件呈扭转变形状态,称为扭转失稳。
对于理想压杆,则有上面三式可分别求得十字型截面压杆的欧拉荷载为: 绕X 轴弯曲失稳:220xEx xEI N lπ=,绕Y 轴弯曲失稳:220yEy yEI N l π=绕Z 轴扭转失稳:222001()E t EI N GI l r ωθθπ=+ H 字型截面压杆的计算长度和长细比为:绕 X 轴弯曲失稳计算长度:00x x l l μ=,长细比0/x x x l i λ= 绕Y 轴弯曲失稳计算长度:00y y l l μ=,长细比0/y y y l i λ=绕Z 轴扭转失稳计算长度:00l l θθμ=,端部不能扭转也不能翘曲时0.5θμ=,长细比θλ=上述长细比均可化为相对长细比:λ=3、稳定性系数计算公式H 字型截面压杆的弯曲失稳极限承载力:根据欧拉公式22Ew w EA N πλ=得222y Ew w w f Eπσλλ==佩利公式:0(1)2y Excr f εσσ++=再由公式cryf σϕ=可算出轴心压杆的稳定性系数。
同济大学混凝土试验报告(超筋梁、梁斜拉破坏)混凝土试验成果集试验名称:姓名:学号:试验老师:任课老师:XX号码:1超筋梁受弯实验报告(1)1.1实验目的(1)1.2实验内容(1)1.3构件设计(1)1.3.1构件设计的依据(1)1.3.2试件的主要参数(1)1.3.3试件加载估算(2)1.4实验装置(3)1.5加载方式(4)1.5.1单调分级加载方式(4)1.5.2开裂荷载实测值确定方法(4)1.6测量内容(5)1.6.1混凝土平均应变(5)1.6.2钢筋纵向应变(5)1.6.3挠度(5)1.6.4裂缝(6)1.7实验结果整理(6)1.7.1荷载—挠度关系:(6)1.7.2荷载—曲率关系:(7)1.7.3荷载—纵筋应变关系:(8)1.7.4裂缝进展情况描述及裂缝照片(9) 1.8实验结论(10)1.9实验建议(11)2梁斜拉破坏试验报告(12)2.1实验目的(12)2.2实验内容(12)2.3试件的设计(12)2.3.1试件设计的依据(12)2.3.2试件的主要参数(12)2.3.3试件加载预估(13)2.4实验装置(14)2.5加载方式(16)2.6测量内容(16)2.6.1混凝土平均应变(16)2.6.2纵向钢筋应变(16)2.6.3挠度(17)2.7实验结果整理(17)2.7.1荷载—挠度关系:(17)2.7.2荷载—曲率关系:(18)2.7.3荷载—纵筋应变关系:(19)2.7.4裂缝进展情况描述及裂缝照片(20) 2.8试验结论(21)3适筋梁受弯性能试验设计(21)3.1试验目的(22)3.2试件设计(22)3.2.1试件设计依据(22)3.2.2试件的主要参数:(22)3.3试验装置和加载方式(23)3.3.1试验装置(23)3.3.2加载方式(24)3.4量测内容、方法和工况(25)3.4.1混凝土平均应变(25)3.4.2纵向钢筋应变(25)3.4.3挠度(26)3.4.4裂缝(26)3.5相关计算书(26)4思考题(28)4.1 两点集中力加载的简支梁可能的破坏模式有哪些?如何预估其极限荷载?284.2 梁受剪破坏特征?(28)4.3梁受弯破坏特征?(29)4.4 若采纳位移计测应变,如何处理得到应变值?(29)4.5何谓平截面假定?试验中如何验证?(29)4.6 对于HRB335/HPB235钢筋,其屈服应变大致是多少?(29)4.7 进行试验试件设计时,应采纳材料标准值还是设计值?为什么?(30)5附录:材料试验记录表(31)5.1混凝土立方体试块抗压强度(31)5.2混凝土棱柱体试块轴心抗压强度(31)5.3钢筋拉伸试验数据(31)1超筋梁受弯实验报告1.1实验目的通过试验研究认识超筋混凝土梁在弯矩作用下开裂、裂缝进展到破坏的全过程,掌握测试混凝土受弯构件基本性能的试验方法。
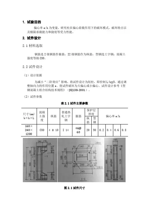
1.试验目的偏心率e/h为变量,研究柱在偏心荷载作用下的破坏模式、破坏特点以及极限承载能力和挠度等受力性能。
2.试件设计2.1材料选取钢筋选I级钢筋作箍筋,II级钢筋作为纵筋,型钢选工字钢;混凝土强度等级C80。
2.2试件设计(1)设计依据为减小“二阶效应”影响,将试件设计为短柱,即控制L/h5。
通过调整轴向力的作用位置e。
使试件破坏为大偏心或小偏心。
试件设计参考《型钢混凝土组合结构技术规程》(JGJ138-2001)。
(2)试件参数表2.1试件主要参数图2.1试件尺寸(3)其他说明为满足偏心加载需要,在试件两端设有截面尺寸为240×410(mm)的牛腿。
牛腿内配置角钢并在其两端加载面设置厚度24mm的钢板予以局部加强,以防止加载时牛腿过早发生剪切或局部受压破坏。
试件尺寸以及截面配筋见图2.1。
2.3试件制作(1)试件采用木模浇筑成型,机械搅拌,立式浇筑,机械振动,脱模后覆盖麻袋浇水养护一周,然后室外自然条件下养护28后进行试验。
(2)试件浇筑的同时预留立方体和棱柱体试块各一组,混凝土力学性能根据同时浇筑、同条件养护的原则对试块进行测定。
(3)钢筋取样留取自不经切削加工原截面钢筋,各尺寸按基本长度L=+2H 进行留取,其中;H为夹头长度通常取100mm左右。
(4)试验前对试件表面进行刷白处理以及40×40mm网格划分,以形成基本参考坐标,便于分析和描绘试件裂缝开展情况。
3.材性试验试件纵向钢筋均采用HRB335钢筋B10,箍筋均采用HPB300钢筋φ6,型钢均采用Q235普通热轧工字钢。
按照《金属材料室温拉伸试验方法》(GB/T228-2002)进行钢材材性试验,其性能指标见表3.1。
混凝土按照《普通混凝土力学性能试验方法标准》(GB/T50081-2002)进行,其性能指标见表3.2。
表3.1钢材性能指标表3.2高强高性能混凝土性能指标4.实验过程4.1加载装置在 200/500t 长柱压力试验机上进行,试件加载方式及受力简图与试验加载设备见图4.1。
《钢结构实验原理实验报告》 —— T 型柱受压构件试验1551924张舒翔一、 实验目的1. 通过试验掌握钢构件的试验方法,包括试件设计、加载装置设计、测点布置、试验结果整理等方法。
2. 通过试验观察T 形截面轴心受压柱的失稳过程和失稳模式。
3. 将理论极限承载力和实测承载力进行对比,加深对轴心受压构件稳定系数计算公式的理解。
二、 实验原理1. 可能发生的失稳形式(1) 绕x 轴弯曲失稳(2) 绕y 轴弯曲同时绕杆轴扭转的弯扭失稳2. 基本微分方程而对于T 型截面,X 0=0,Y 0≠0,得到()00x EI v v Nv ''''-+= ()000y EI u u Nu Ny θ''''-++= ()()20t 00000EI GI Nx v Ny u r N ωθθθθθ''''----++= 3. 长细比计算()000x EI v v Nv Nx θ''''-+-=()000y EI u u Nu Ny θ''''-++=()()20t 00000EI GI Nx v Ny u r N R ωθθθθθθ''''----++-=4.T型截面的欧拉荷载5.T型截面压杆的极限承载力三、实验设计1.T型截面加工示意图2.支座设计形成约束:双向可转动端部不可翘曲端部不可扭转3.应变片及位移计布置4. 承载力估算(1) 规范公式(2) 欧拉公式所测得的承载力应介于两者之间()()⎥⎦⎤⎢⎣⎡-++-++==222322322ycr421λλλααλλααλσϕf 2/1λϕ=四、实验前准备1.构件数据测量2.承载力估算将截面特性带入公式得即发生弯扭失稳(1)欧拉公式计算的承载力21/0.6586ϕλ== 95.33E y N Af KN ϕ==(2)规范公式计算的荷载ϕ查表为0.466167.47cr y N Af KN ϕ==则最终承载力应为67.47-95.33KN3. 正式加载前准备检查应变片及位移计工作良好并进行预加载,预加载荷载一般为极限承载力的30%,可实现检测设备是否正常工作、检测应变片和位移计、压紧试件,消除空隙。
《混凝土结构基本原理》试验课程作业L ENGINEERING试验报告试验课教师林峰姓名学号手机号任课教师顾祥林《混凝土结构基本原理》试验课程作业L ENGINEERING大偏心受压柱试验报告试验名称大偏心受压柱试验试验课教师林峰姓名学号手机号任课教师日期2014年11月18日1. 试验目的通过试验了解大偏心受压柱破坏的全过程,掌握测试混凝土受压构件基本性能的试验方法。
同时巩固大偏心受压柱承载力的计算方法,并通过对理论值和试验值的比较加深对混凝土基本原理的理解。
2. 试件设计2.1 材料和试件尺寸混凝土:C20钢筋:使用I 级钢筋作为箍筋,II 级钢筋作为纵筋 试件尺寸(矩形截面):b ×h ×l=120×120×870mm 详细尺寸见图1大偏心受压柱配筋图2.2 试件设计(1)试件设计的依据为减少“二阶效应”的影响,将试件设计为短柱,即控制l 0/h ≤5。
通过调整轴向力的作用位置,即偏心距e 0,使试件的破坏状态为大偏心受压破坏。
(2)试件参数如表1表1 试件参数表 试件尺寸(矩形截面) b ×h ×l=120×120×870mm 纵向钢筋(对称配筋) 412箍筋Φ6@100(2) 纵向钢筋混凝土保护层厚度 15mm 配筋图 图1 偏心距e 0100mm12020080135135505050087020020022113 8@504 6@100150200501206φ124φ123 8@504φ121201201-12-23 8@503 8@50 4双向钢丝网2片 4双向钢丝网2片 尺寸170x908@508@506@100图1 大偏心受压柱配筋图(3)试件承载力估算 N c =α1f c bh 0ζN c e=α1f c bh 02ζ(1-0.5ζ) + f y ’ A s ’(h 0-a s ’) e=e 0+0.5h-a s不妨令:A=2f 20c 1bh α, B=)(00c 1-e f h bh α, C=)(f -0y '-''s s h A α 从而有:AAC24B B -2-+=ξ得出本次试验试件的极限承载力的预估值为:Ncu=87.71kN 详细计算过程见附录12.3 试件的制作根据《普通混凝土力学性能试验方法标准》GB/T 50081-2002规定, 成型前,试模内表面应涂一薄层矿物油或其他不与混凝土发生反应的脱模剂。
偏心受压混凝土实验报告一、实验目的本次实验旨在通过观察和探究偏心受压混凝土的力学性能,深入理解混凝土在不同应力作用下的变形和破坏特点。
二、实验原理2.1 偏心受压混凝土的概念偏心受压混凝土是指受压弯曲的混凝土截面中,压力和压力臂分别偏离截顶点与变形中和线之间的情况。
由于偏心受压,截面产生弯矩,导致混凝土的变形和破坏。
2.2 偏心受压混凝土的破坏形态在偏心受压混凝土的破坏过程中,有两种可能的破坏形态:拉压破坏和剪切破坏。
拉压破坏是指混凝土在偏心压力作用下发生拉伸和压缩变形,最终导致破坏;剪切破坏是指混凝土由于剪切力的作用而发生剪切破坏。
实验中需观察和分析不同试件的破坏形态,以确定混凝土的破坏特点。
2.3 实验设备和试件本次实验需要准备的设备包括:压力机、荷载传感器、位移测量仪、试件模具等。
试件选用常见的矩形截面混凝土柱,其尺寸和数量根据实验设计确定。
三、实验步骤与结果3.1 试件准备按照实验设计要求制作混凝土试件,并预留好试件的偏心距。
试件表面需做好防粘处理,以免在试件受力时粘结剪裂。
3.2 实验装置搭建将试件安装到压力机上的试件模具中,确保试件稳定并对齐装置。
连接荷载传感器和位移测量仪,确保数据采集正常。
3.3 实验参数设定根据实验设计,设置压力机的加载速率和加载方式。
加载速率应保持均匀,并随时观察试件的变形和破坏情况。
3.4 实验操作和数据采集开始加载后,记录并采集荷载-位移曲线,以及相关实验数据。
在试件破坏前,需观察和记录试件的变形特征,如裂缝出现位置、混凝土破坏形态等。
3.5 数据处理与分析根据采集的数据,绘制荷载-位移曲线,并分析试件的破坏形态。
通过对试件破坏的观察和数据分析,得出偏心受压混凝土的力学性能及破坏特点。
四、实验结果4.1 强度试验结果根据数据处理与分析部分的工作,我们得出了试件的荷载-位移曲线,并计算了试件的抗压强度、屈服强度等重要参数。
以下为实验结果的大致总结:- 试件1:抗压强度为XXX MPa,屈服强度为XXX MPa;- 试件2:抗压强度为XXX MPa,屈服强度为XXX MPa;- ...4.2 破坏特点分析根据试件的破坏形态观察和数据分析,我们得出了偏心受压混凝土的破坏特点:- 试件1:破坏形态为拉压破坏,混凝土裂缝发生在偏心区域;- 试件2:破坏形态为剪切破坏,混凝土发生剪切破坏;- ...五、实验结论与总结在本次实验中,我们对偏心受压混凝土的力学性能进行了深入研究。
钢筋混凝土偏心受压构件正截面受压性能实验3.1 实验目的1.掌握制定结构构件试验方案的原则,偏心受压构件正截面受压性能试验的加荷方案和测试方案的设计方法。
2.通过偏心受压构件正截面受压性能试验,了解受压构件发生偏心受压破坏时承载力大小,侧向挠曲变化及裂缝出现和发展过程、破坏特征。
3.掌握偏心受压构件正截面承载力的测定方法,验证偏压构件正截面承载力计算方法。
4.了解偏压构件正位或卧位试验的试件安装、加载装置和加载方法,以及常用结构实验仪器的使用方法。
5.初步掌握结构实验测量数据的整理和分析,实验分析报告的撰写。
3.2 试件及测点布置3.3 实验设备及材料1.静力试验台座、反力架、支座及支墩2.高压油泵全套设备或手动式液压千斤顶3.荷重传感器图柱偏心受压试验示意图3.4 实验步骤(一)试验准备1. 试件的考察,记录相关数据。
2. 混凝土和钢筋力学性能试验。
3. 试件两侧用稀石灰刷白试件,用铅笔画50mm×50mm 的方格线(以便观测裂缝),粘贴应变片或百分表应变装置。
(二)试验加载1. 由教师预先安装或在教师指导下由学生安装试验柱,布置安装试验仪表,要求试验柱垂直、稳定、荷载着力点位置正确、接触良好,并作好试验柱的安全保护工作。
2. 对试验柱进行预加载,利用力传感器进行控制,加荷值可取破坏荷载的10%,分三级加载,每级稳定时间为1 分钟,然后卸载,加载过程中检查试验仪表是否正常。
3. 调整仪表并记录仪表初读数。
4. 按估算极限荷载值的10%左右对试验柱分级加载(第一级应考虑自重),相邻两次加载的时间间隔为2~3 分钟。
在每级加载后的间歇时间内,认真观察试验柱上是否出现裂缝,加载后持续2 分钟后记录电阻应变仪、百分表和手持式应变仪读数。
5. 当达到试验柱极限荷载的90%时,改为按估算极限荷载的5%进行加载,直至试验柱达到极限承载状态,记录试验柱承载力实测值。
6. 当试验柱出现明显较大的裂缝时,撤去百分表,加载到试验柱完全破坏,记录混凝土应变最大值和荷载最大值。
大偏压柱实验报告————————————————————————————————作者:————————————————————————————————日期:《混凝土结构基本原理》试验课程作业L ENGINEERING混凝土构件试验报告试验名称柱大偏压破坏试验试验日期2015-12-3试件编号ZB2姓名王鸣宇学号手机号试验课教师赵勇基本原理课教师谢强1. 试验目的通过试验和观察,认识混凝土结构构件中大偏心受力构件受力直至破坏的全过程,以便更好地掌握混凝土偏心受力构件受力性能,进而更为深刻地理解研究混凝土偏心受力构件基本性能的试验方法。
通过参加并完成此次大偏心受压短柱试验,理解和掌握钢筋混凝土构件的试验方法和试验结果,通过实践掌握试件的设计、试验结果整理的方法。
通过写出试验报告加深对混凝土结构基本构件受力性能的理解。
2. 试件设计2.1材料和试件尺寸图1材料和试件尺寸2.2 试件设计“二阶效应”的影响,将试件设计为短柱,即控制l0/h≤5. 通过调整轴向力的作用位置,即偏心距e0使试件的破坏状态为大偏心或小偏心破坏。
2.3 试件的制作和试验前预处理按照计算的设计进行配筋,制作模板,绑扎钢筋,浇灌混凝土,在20度左右的温度和相对湿度90%以上的潮湿空气中养护28d。
3. 材性试验3.1混凝土材性试验混凝土抗压强度试验国家标准《混凝土结构设计规范》(GB50010-2002)规定:混凝土强度等级应按立方体抗压强度标准确定;立方体抗压强度标准值系指标准方法制作养护的边长为150mm的立方体试件,在28d龄期用标准试验方法测得的具有95%保证率的抗压强度。
因此立方体抗压强度标准值是《混凝土结构设计规范》中混凝土各种力学指标的基本代表值,根据混凝土强度等级,可以查阅《混凝土结构设计规范》的有关表格,以确定混凝土的轴心抗压、轴心抗拉强度标准值和设计值以及混凝土的弹性模量等。
国家标准《普通混凝土力学性能试验方法》(GB/T50081-2002)规定:以边长为150mm 的立方体为标准试件,将标准立方体试件在203℃的温度和相对湿度90%以上的潮湿空气中养护28d,按照标准试验方法测得的抗压强度作为混凝土的立方体抗压强度,单位为N/mm 2(MPa)。
教学实验报告学号姓名试验日期一、试验名称二、试验内容三、试验柱概况a)试验柱编号01实际尺寸:b= mm,h= mm,l= mm。
荷载偏心距e0= mm。
b)材料强度指标:混凝土:设计强度等级,试验值f 0cu= 。
f= N/mm2钢筋:HPB235:0yf= N/mm2HRB335:0y四、试验方案1、加载方案和加载程序(参阅指导书)加载方案:测读初读数2次,然后逐级加荷载,每级加荷后五分钟测量仪表读数,临近开裂时,荷载减半,直至开裂,记下开裂荷载,开裂后,逐级加荷,直至破坏,记下破坏荷载。
加载程序:每级加荷值一般取10%的破坏荷载Nu,每次加荷后稳定五分钟后,按实验内容和要求测量数据,并认真做好记录,数据校核后方可进行下一级加载。
2、仪表和测点位置及编号(以本组试验柱为准)。
五、试验结果与分析1、试验情况概述本试验为大偏心受压破坏,在荷载逐渐上升过程中可逐渐看到试件受拉部分产生由少变多,由细变粗的裂缝。
当荷载达到370kN时,压力机回油,受拉部分钢筋受拉屈服,试件破坏。
2、试验柱破坏形态图3、截面平均应变分布图(取试件两边平均值)4、试验柱荷载—挠度曲线f (mm)5、绘制试验柱荷载—钢筋应力曲线6、阐述本组试验柱的破坏特征,并与其他组试验柱的破坏形态进行比较。
7、计算试验梁正截面受压承载力的理论值u N ,并与实测值0u N 进行比较。
u N =0/N N=u u附:试验数据记录表百分表记录表手持应变仪记录表钢筋应力、应变表。
《混凝土结构基本原理》试验课程作业L ENGINEERING试验报告试验课教师林峰姓名学号手机号任课教师顾祥林《混凝土结构基本原理》试验课程作业L ENGINEERING大偏心受压柱试验报告试验名称大偏心受压柱试验试验课教师林峰姓名学号手机号任课教师日期2014年11月18日1. 试验目的通过试验了解大偏心受压柱破坏的全过程,掌握测试混凝土受压构件基本性能的试验方法。
同时巩固大偏心受压柱承载力的计算方法,并通过对理论值和试验值的比较加深对混凝土基本原理的理解。
2. 试件设计2.1 材料和试件尺寸混凝土:C20钢筋:使用I 级钢筋作为箍筋,II 级钢筋作为纵筋 试件尺寸(矩形截面):b ×h ×l=120×120×870mm 详细尺寸见图1大偏心受压柱配筋图2.2 试件设计(1)试件设计的依据为减少“二阶效应”的影响,将试件设计为短柱,即控制l 0/h ≤5。
通过调整轴向力的作用位置,即偏心距e 0,使试件的破坏状态为大偏心受压破坏。
(2)试件参数如表1表1 试件参数表 试件尺寸(矩形截面) b ×h ×l=120×120×870mm 纵向钢筋(对称配筋) 412箍筋Φ6@100(2) 纵向钢筋混凝土保护层厚度 15mm 配筋图 图1 偏心距e 0100mm12020080135135505050087020020022113 8@504 6@100150200501206φ124φ123 8@504φ121201201-12-23 8@503 8@50 4双向钢丝网2片 4双向钢丝网2片 尺寸170x908@508@506@100图1 大偏心受压柱配筋图(3)试件承载力估算 N c =α1f c bh 0ζN c e=α1f c bh 02ζ(1-0.5ζ) + f y ’ A s ’(h 0-a s ’) e=e 0+0.5h-a s不妨令:A=2f 20c 1bh α, B=)(00c 1-e f h bh α, C=)(f -0y '-''s s h A α 从而有:AAC24B B -2-+=ξ得出本次试验试件的极限承载力的预估值为:Ncu=87.71kN 详细计算过程见附录12.3 试件的制作根据《普通混凝土力学性能试验方法标准》GB/T 50081-2002规定, 成型前,试模内表面应涂一薄层矿物油或其他不与混凝土发生反应的脱模剂。
⼤偏⼼受压柱汇总同济⼤学混凝⼟结构基本原理实验报告(共9页)姓名梁炜炼学号1350240专业建筑⼯程学院⼟⽊⼯程学院指导⽼师鲁亮同济⼤学结构⼯程与防灾研究所2015年12⽉28⽇1.实验⽬的和内容1.1、试验⽬的通过试验研究认识混凝⼟结构构件的破坏全过程,掌握测试混凝⼟⼤偏⼼受压构件基本性能的试验⽅法。
1.2、试验内容对⼤偏⼼短柱施加轴向荷载直⾄破坏。
观察加载过程中裂缝的开展情况,将得到的极限荷载与计算值相⽐较。
2.试件介绍(1)试件设计的依据为减少“⼆阶效应”的影响,将试件设计为短柱,即控制l0/h≤5。
通过调整轴向⼒的作⽤位置,即偏⼼距e0=200mm,使试件的破坏状态为⼤偏⼼受压破坏。
(2)试件的主要参数①试件尺⼨截⾯尺⼨:200×400mm2 (两端);200×200mm2 (中部);试件长度:1300mm;②混凝⼟强度等级:C25③纵向钢筋:8B18(两端);4B18(中部)。
④箍筋:8Φ8@50(两端);4Φ8@100(中部);⑤纵向钢筋混凝⼟保护层厚度:25mm ⑥试件的配筋情况(如上图所⽰);⑦取偏⼼距e0=200mm3.试件材料⼒学性能试验结果钢筋⼒学性能试验结果4.试件验算柱极限承载⼒不妨令:21c 02f bh A α=,1c 00()B f bh e h α=-,y s 0s ()C f A h a '''=--,从⽽有:ξ=KNN mm e e h A f bh f e N bh f N cu s S y o c cu o c cu 5.261238.0,266a -h 5.0)()5.01(s 0'0''211==∴=+=-+-==ξαξξαξα5.试验⽅法 5.1加载装置柱偏⼼受压试验的加载装置如图所⽰。
采⽤千⽄顶加载,⽀座⼀端为固定铰⽀座,另⼀端为滚动铰⽀座。
铰⽀座垫板应有⾜够的刚度,避免垫板处混凝⼟局压破坏。
《混凝土结构基本原理》试验课程作业L ENGINEERING试验报告试验课教师林峰姓名学号手机号任课教师顾祥林《混凝土结构基本原理》试验课程作业L ENGINEERING大偏心受压柱试验报告试验名称大偏心受压柱试验试验课教师林峰姓名学号手机号任课教师日期2014年11月18日1. 试验目的通过试验了解大偏心受压柱破坏的全过程,掌握测试混凝土受压构件基本性能的试验方法。
同时巩固大偏心受压柱承载力的计算方法,并通过对理论值和试验值的比较加深对混凝土基本原理的理解。
2. 试件设计2.1 材料和试件尺寸混凝土:C20钢筋:使用I 级钢筋作为箍筋,II 级钢筋作为纵筋 试件尺寸(矩形截面):b ×h ×l=120×120×870mm 详细尺寸见图1大偏心受压柱配筋图2.2 试件设计(1)试件设计的依据为减少“二阶效应”的影响,将试件设计为短柱,即控制l 0/h ≤5。
通过调整轴向力的作用位置,即偏心距e 0,使试件的破坏状态为大偏心受压破坏。
(2)试件参数如表1表1 试件参数表 试件尺寸(矩形截面) b ×h ×l=120×120×870mm 纵向钢筋(对称配筋) 412 箍筋Φ6@100(2) 纵向钢筋混凝土保护层厚度 15mm 配筋图 图1 偏心距e 0100mm12020080135135505050087020020022113 8@504 6@100150200501206φ124φ123 8@504φ121201201-12-23 8@503 8@50 4双向钢丝网2片 4双向钢丝网2片 尺寸170x908@508@506@100图1 大偏心受压柱配筋图(3)试件承载力估算 N c =α1f c bh 0ζN c e=α1f c bh 02ζ(1-0.5ζ) + f y ’ A s ’(h 0-a s ’) e=e 0+0.5h-a s不妨令:A=2f 20c 1bh α, B=)(00c 1-e f h bh α, C=)(f -0y '-''s s h A α 从而有:AAC24B B -2-+=ξ得出本次试验试件的极限承载力的预估值为:Ncu=87.71kN 详细计算过程见附录12.3 试件的制作根据《普通混凝土力学性能试验方法标准》GB/T 50081-2002规定, 成型前,试模内表面应涂一薄层矿物油或其他不与混凝土发生反应的脱模剂。
取样或拌制好的混凝土拌合物,至少用铁锨再来回拌合三次。
将混凝土拌合物一次装入试模,装料时应用抹刀沿各试模壁插捣,并使混凝土拌合物高出试模口。
采用标准养护的试件,应在温度为20±5℃的环境中静置一昼夜至二昼夜,然后编号、拆模。
拆模后应立即放入温度为20±2℃,相对湿度为95%以上的标准养护室中养护,或在温度为20±2℃的不流动的氢氧化钙饱和溶液中养护。
标准养护龄期为28d (从搅拌加水开始计时)。
3.材性试验3.1 混凝土材性试验混凝土强度实测结果试块留设时间: 2014年9月25日 试块试验时间: 2014年12月8日 试块养护条件:与试件同条件养护注:轴心抗压强度、轴心抗拉强度、弹性模量根据国家标准《混凝土结构设计规范》GB 50010-2010推定。
3.2 钢筋材性试验钢筋强度实测结果4. 试验过程4.1 加载装置柱偏心受压试验的加载装置如图2所示。
采用千斤顶加载,支座一端为固定铰支座,另一端为滚动铰支座以减少支座带来的水平荷载对构件的影响。
铰支座垫板应有足够的刚度,避免垫板处混凝土局部破坏。
图2 柱偏心受压试验加载装置4.2 加载制度单调分级加载机制:在正式加载前,为检查仪器仪表读数是否正常,需要预加载,预加载所用的荷载是分级荷载的前1级。
正式分级加载/kN:0→5→10→15→20→25→30→35→40→45→50→55→60→破坏,在加载到60kN时,拆除所有仪表,然后加载至破坏,并记录破坏时的极限荷载。
4.3量测与观测内容4.3.1 荷载荷载按照分级加载,破坏时的极限荷载为92.344kN。
具体取用的荷载值见表2表2 荷载取值表4.3.2 纵筋应变纵筋应变由布置在柱内部纵筋表面的应变计量测,钢筋应变测点布置如图3200385385187应变片共计8片331203-3应变片共计8片图3 大偏心受压柱试验纵向钢筋应变测点布置其中,1至8号应变片分别对应了通道43-1、43-2、43-3、43-4、43-6、43-7、43-8、43-9,通道43-6所对应的应变片损坏。
具体数值见图74.3.3 混凝土应变混凝土应变由布置在内部纵筋表面和柱表面混凝土上的应变计量测,混凝土应变测点布置如图4。
图4 大偏心受压柱试验混凝土应变测点布置位移计1、2、3、4依次对应通道46-9、46-2、46-3、46-4。
但在观测中发现位移计1、3的测量值并不是线性变化,可能位移计本身存在问题,如图8。
4.3.4 挠度侧向挠度由柱长度范围内布置3个位移计量测,在荷载达到60kN 的时候撤掉位移计。
短期跨中挠度实测值可以按照公式()75621f f f f +-=直接得出。
侧向扰度测点布置见图5,依次对应通道46-8、46-6、46-7。
图5 大偏心受压柱试验侧向挠度测点布置4.3.5 裂缝实验前将柱四面用石灰浆刷白,并绘制50mm ×50mm 的网格。
试验时借助手电筒用肉眼查找裂缝并且用铅笔标记出裂缝的位置、标号。
之后对裂缝的发生发展情况进行详细观测,用读数放大镜测量各级荷载作用下的裂缝宽度、长度及裂缝间距,并用相机拍摄后手动绘制裂缝展开图。
5050385870位移计支杆5385位移计6位移计74.4 裂缝发展及破坏形态(1)实验前构件初始状态经过观察构件初始状态良好,肉眼观测没有初始裂缝(2)各级荷载作用下构件裂缝发展情况(0→20kN)当荷载较小时,受压区及受拉区混凝土和钢筋的应力都较小,受压区和受拉区钢筋、混凝土应变应力增长速度基本一致。
(20kN→70kN)混凝土远离轴向力一侧开始出现横向裂缝但比较细。
随着荷载增加裂缝条数增加并且向受压区发展。
此时受拉区钢筋应变飞速增长,可以推测出受拉区混凝土已经基本退出了工作,拉应力主要由钢筋承担。
大概在70kN的时候,受拉钢筋屈服,裂缝进一步发展,使受压区高度减小,受压区应力增加,较薄弱处出现纵向裂缝。
(70kN→90kN)在荷载增加过程中,受压区高度不断减小并出现钢筋达到屈服应变,裂缝贯通,牛腿处混凝土被压溃,构件破坏。
此后,荷载量测值下降。
(3)破坏情况如图6,裂缝展开图见附录三。
图6 构件破坏情况图5. 试验数据处理与分析依次获得荷载与纵筋应变、混凝土应变、侧向挠度、曲率的曲线图,并比较试验测量值和预估值。
5.1 荷载-纵筋应变图7 荷载-纵筋应变图从图中可以看出,大偏心受压柱类似于受弯构件,分为受拉区和受压区,而且受拉区应变增长速率大于受压区,钢筋首先达到屈服强度。
5.2 荷载-混凝土应变图8 荷载-混凝土应变图可以从图中看出位移计1、3并不是成线性增长,而且46-9号通道测量的是受拉区的应变却在加载的开始呈现压应变,猜测是位移计在测量时出现的故障,也可能是混凝土开裂对位移计的测量产生影响。
排除掉46-9,在0→10kN的荷载范围内,认为混凝土处于弹性阶段,应变基本符合平截面假定。
5.3 荷载-挠度图9荷载-挠度曲线图5.4 荷载-曲率图10 荷载-曲率曲线图5.5 构件承载力分析kNN AAC h A C h bh B bh A a h A f bh f e N bh f N mm A A mma h h mm a h e e mmd c a a cu s s s s y c c S S s s s 27.133656.024B B -52.9663563)2199(08.226548)(-f 8125920)99139(991201.171-e f 100558262991201.1712f )()5.01(08.2262614.39921120139211205.01005.02121215220y 00c 1220c 1020c 10c 12200s ==-+=-=-⨯⨯-='-''==-⨯⨯⨯⨯===⨯⨯⨯==∴'-''+-===⨯⨯='==-=-==-⨯+=-+==+=+='=ξαααξξαξα)( 预估该构件极限承载力为133.27kN ,而实际测得的承载力为92.344kN ,比与估值低出了30%。
推测造成差距的原因为:(1)材料性能的不确定性。
由于混凝土材料是一种各项异性材料,而且即便使用相同的配比的混凝土材料性质也会有不同。
而且材性试验中钢筋的屈服强度甚至达到了548MPa ,远远超出了标准值,然而试验构件中的材料可能没有达到材料试验中的材料强度,致使实际测得的承载力小于理论值。
(2)计算该构件极限承载力的时候采用的是简化分析办法,按照合力大小不变、合力作用点位置不变的原则,将截面混凝土应力的曲边形图形简化成等效矩形时,大偏心受压的合力比折算值要大,即大偏心受压计算时偏于安全的。
然而实际值却甚至小于理论值,可以推测本试验材料性能造成的误差远远大于计算模式造成的误差。
(3)构件的尺寸可能和设计值不符合,使承载力低于理论值。
6结论这次试验我充分了解了大偏心受压柱的破坏过程。
大偏心受压构件的应力分布类似于双筋适筋梁受弯。
随着荷载的加大,受拉区的混凝土出现横向裂缝退出工作,该区的钢筋承担大部分拉应力而使其应力和应变增速加快,裂缝增多并向受压区发展,受压区高度减小,混凝土应力增大。
当受拉区的钢筋应变达到屈服应变的时候,钢筋屈服,截面处形成一主裂缝。
但受压区混凝土压应变达到其极限抗压应变时,受压区较薄弱处出现纵向裂缝,混凝土被压碎而使构件破坏。
同时,通过理论值和实测值的比较可以看出,在考虑到混凝土材料性能的不定性情况下,大偏心受压的计算是偏于安全的,实际的极限承载力要大于设计的理论值。
附录一极限承载力估算kNN AAC h A C h bh B bh A a h A f bh f e N bh f N mm A A mma h h mm a h e e mmd c a a cu s s s s y c c S S s s s 71.87551.024B B -4.5907470)2199(08.226335)(-f 6367680)99139(991204.131-e f 78800042991204.1312f )()5.01(08.2262614.39921120139211205.01005.02121215220y 00c 1220ck 1020ck 10ck 12200s ==-+=-=-⨯⨯-='-''==-⨯⨯⨯⨯===⨯⨯⨯==∴'-''+-===⨯⨯='==-=-==-⨯+=-+==+=+='=ξαααξξαξα)(附录二:实验数据处理荷载(kN)挠度(mm)曲率(10-6/mm)0.083-0.002 6.66667E-054.7860.2510.00069.9850.3860.00038333314.8540.71850.00131666719.6410.68150.002424.9220.99550.00330.039 1.2950.005234.99 1.61750.00533333339.941 1.97950.0060545.058 2.2820.00801666750.01 2.8390.008654.713 3.0510.00960.242 3.50950.0094565.111 4.06470.64 4.369573.529 4.46477.16 4.41278.645 4.4535 80.873 4.413 84.339 4.329 86.072 4.2675 92.344 4.1附录三:裂缝展开图。