油管传输射孔作业指导书
- 格式:doc
- 大小:55.50 KB
- 文档页数:6
射孔操作规程-概述说明以及解释1.引言1.1 概述在射孔作业中,射孔操作是一项非常关键的环节,它直接影响到油气产量的提高和油井的效益。
射孔操作是指在油井中通过一定的手段,在油层中形成较大的孔隙,使得地层中的油气能够顺利流出到井口,从而提高采油效率。
本文将详细介绍射孔操作的概述、前期准备工作和具体操作步骤,旨在帮助读者全面了解射孔作业的重要性和操作流程,提高射孔操作的效率和安全性。
1.2 文章结构文章结构部分将包括以下内容:1. 引言:介绍射孔操作的背景和意义,引出文章要讨论的主题。
2. 射孔操作概述:简要介绍射孔操作的定义、作用和重要性。
3. 射孔前准备工作:描述在进行射孔操作前需要做的准备工作,包括设备准备、人员培训等方面。
4. 射孔操作步骤:详细介绍从准备工作到实际操作的具体步骤,包括射孔器材选择、孔洞设计等。
5. 结论:总结本文的主要内容,强调射孔操作的重要性并展望未来的发展方向。
通过以上结构,读者可以清晰地了解射孔操作规程的整体内容和组织架构,帮助他们更好地理解和应用相关知识。
1.3 目的射孔操作规程的目的在于规范和指导射孔作业人员进行射孔作业,确保射孔操作的安全、高效和顺利进行。
通过制定详细的射孔操作规程,可以帮助操作人员了解射孔操作的整个流程和每个环节的要求,减少操作人员在实际作业中的错误和失误,提高射孔作业的成功率和效果。
同时,射孔操作规程也可以作为射孔作业管理的重要依据,有利于对射孔作业的监督和评估,确保射孔作业的质量和安全性达到预期的要求。
因此,编写和遵守射孔操作规程是进行射孔作业的必要步骤,也是保障作业顺利进行的重要保障。
2.正文2.1 射孔操作概述射孔操作是油田开发中常见的一种工艺操作,通过在油管或套管中打孔,可以有效地提高井筒与储层的沟通效率,从而增加油井产能。
射孔操作通常在完成地层评价、井筒清洗、井底测试等前期工作后进行,是油井生产阶段的重要环节之一。
射孔操作的主要目的是在生产井中形成油气流通通道,使目标层能够充分开发,提高油气产量。
本文部分内容来自网络整理,本司不为其真实性负责,如有异议或侵权请及时联系,本司将立即删除!== 本文为word格式,下载后可方便编辑和修改! ==射孔作业指导书篇一:射孔作业指导书射孔施工作业指导书1岗位基本要求各岗位基本要求见《井下作业各岗位基本要求和岗位职责》 2岗位职责各岗位职责见《井下作业各岗位基本要求和岗位职责》3射孔操作步骤:射孔施工风险具体见附录1《射孔工作危害分析(JHA)记录表》 3.1施工准备3.1.1技术准备3.1.1.1 认真阅读地质方案和工程设计,明确施工目的。
3.1.2管柱准备3.1.2.1 按设计要求将管柱下至要求深度。
操作程序详见《起下管柱作业指导书》。
3.1.3 设备准备3.1.3.1 按照《轮式修井机作业指导书》或《通井机操作规程》对设备进行检查,确保提升设备在射孔期间运转正常。
3.2 作业程序3.2.1所有施工车辆应停在上风口距井口15m以外的地方,如井场满足不了,应要求施工车辆加戴防火罩。
3.2.2 装好井口,连接好水泥车管线,按设计要求对井口及进口管线进行试压,试压值应不小于最高工作压力1.5-1.5倍,不剌不漏为合格。
试压时,施工人员应远离高压区,以避免管线崩裂伤人。
3.2.3 试压完后,将井筒内灌满合格的压井液。
过油管射孔应预备适量的压井液以备射孔遇阻或发生井喷时进行洗(压)井作业。
3.2.4 电缆射孔井,应装好井口防喷器,并试压合格,准备好抢下油管及抢装井口的各种工用具。
过油管射孔和油管输送射孔井,应装好全套采油树和与其匹配的油、套压力表。
3.2.5 电缆射孔前应接好放喷硬管线,接到距井口20m以外,并加地锚固定牢。
不能用水龙带等软管线做出口管线。
3.2.6 电缆射孔过程中,应设专人观察井口,发现有外溢或有井喷预兆,应停止射孔,迅速起出枪身,立即抢下油管或抢装井口、抢关防喷器等。
3.2.7油管输送射孔时,如发生击发未响的情况, A、安装好防喷装置,由射孔队捞出投击棒。
**井油管传输施工设计书设计单位:**事业部射孔项目部设计编写: ***中国石油测井有限公司**事业部2011年5月22日**井本次施工根据**采油厂射孔通知单要求,采用油管传输射孔作业。
为了安全、优质地进行射孔作业,使投产工作顺利进行,针对本井的条件和井下状况,特编写该施工设计。
1.基本数据1.1甲方要求:枪型:102枪弹型:127弹孔密:13孔/米射孔方式:油管传输(燃气)校深方式:一次校深1.2基本数据:井深:2589.00m;目前水泥塞面: m(人工井底)井下套管情况:套管数据:油层套管内径121.36 mm、壁厚9.17mm井筒井液性质射孔层段: J2S-23 2396.90-2395.90 1.00mJ2S-26 2416.90-2416.10 0.80mJ2S-33 2454.00-2453.30 0.70mJ2S-37 2470.10-2469.40 0.70mJ2S38-39 2478.00-2473.00 5.00mJ2S-41 2484.60-2484.00 0.60mJ2S-43 2490.50-2489.80 0.70mJ2S-45 2506.00-2505.30 0.70mJ2S-46 2512.40-2509.50 2.90mJ2S-47 2518.00-2517.30 0.70mJ2S-50 2532.60-2531.90 0.70m射孔层厚:14.50m 、夹层:122.20m、总孔数:165孔射孔枪:华北102 枪、额定承压 105 Mpa 、相位角:90 度最大外径 102 mm 、孔密 13孔/米射孔弹:127弹起爆器:防砂撞击起爆器,耐温160℃/48h、耐压80MPa。
油管校深短节预计下入深度:(现场根据管柱具体计算2350米。
2.施工步骤(以一次校深为例,若为两次校深应更改施工步骤)2.1井下作业队通井、洗井完毕准备就绪后方可通知射孔项目部作业队上井。
G10-17井油管
传输射孔施工设计
设计:
校对:
审核:
设计单位:长庆事业部测井研究所
施工单位:测井二分公司
井下作业队
中国石油集团测井有限公司长庆事业部
2003年3月17日
前言
本井油管传输射孔施工,采用投捧击发射孔枪对套管进行射孔。
它是由射孔队和作业队进行的联合作业,双方应紧密配合才能保证射孔的成功,任何一方的失误都会导致施工失败。
因此双方应严格遵守此设计。
一、油管传输射孔目的
减少气层污染,增加气层产量。
二、基本数据
三、管柱结构(由下而上)
尾声弹+射孔枪+转换接头+投捧式起爆器+变扣短节+筛管+油管×4根+变扣短节+校深定位短节+油管至井口+调整短节
四、施工步骤
1、井下作业队通井、洗井。
2、测井二分公司组装射孔枪系统,在施工现场组装起爆器系统。
3、下射孔联作钻具前测井二分公司、井下作业队双方认真丈量“零长”,并做好记录,确认无误后,由作业队将设计钻具下至预定深度。
4、测井二分公司进行放射性校深测井,深度计算人员报出准确校深数据。
5、井下作业队依据校深值调整管柱,使射孔枪对准射孔段。
6、投捧引爆射孔枪,观察射孔显示,放喷求产施工。
7、该井油管传输射孔,由测井二分公司全面负责组织协调施工。
G10-17井油管传输射孔联作示意图
4根
G10-17井现场施工深度计算表
G10-17井射孔施工现场记录
G10-17井油管传输射孔施工现场记录
G10-17井油管传输射孔施工配炮单
G10-17井油管传输施工深度校深计算表。
井下作业施工油管输送射孔作业操作规程11.1 作业准备11.1.1井场条件11.1.1.1射孔井场地面应平坦、无障碍物。
11.1.1.2作业井架高度不低于18m,天车应对正井口并配有提升设备。
11.1.1.3按设计要求准备好与射孔作业相关的井下及井口工具,安装好地面流程,配备足量性能良好的压井液。
11.1.1.4加压引爆时应备加压设备及足量的加压介质,其额定压力应大于设计引爆压力10Mpa以上。
11.1.2对施工井要求11.1.2.1使用与套管尺寸相匹配的标准通井规通井。
通井规下入深度应至人工井底或超过本次射孔井段底界30m。
11.1.2.2通井管柱起出前应洗井,达到进、出口液体性质一样,保证井内畅通无阻。
11.1.2.3井内液体压力应符合施工设计要求。
11.1.3 对下井管柱要求11.1.3.1井场应配备调整短节一套。
其长度分别为0.5m(一根)、1m(一根)、2m(一根)、3m(两根)、其材质性能应不低于该次作业油管性能。
11.1.3.2使用与油管尺寸相适应的标准油管规通过全部下井油管,并按下井顺序准确测量、记录油管长度,其允许误差应为1000m±0.1m。
11.1.3.3管柱在下井时不得有变形、裂痕、腐蚀、孔洞,油管内外清洁。
11.1.3.4下井管柱螺纹连接处应保证其良好的密封性。
11.2 作业程序11.2.1射孔器下井前的工作。
11.2.1.1射孔队技术员应依据射孔通知单与作业队技术员核对作业内容及有关数据,逐项检查无误后方可施工。
11.2.1.2加压引爆时应根据井内压井液密度、深度、井温及预计加入的液垫高度、密度,重新验算起爆装置剪切销钉及循环开孔阀剪切销钉数量,如果与设计不符应进行现场调整。
11.2.1.3下井前所有螺纹密封面部位应拧上螺母,并将射孔器及相关工具按下井顺序排列在井口油管架上。
11.2.2下射孔器、工具和油管。
11.2.2.1下射孔器应白天进行。
11.2.2.2射孔器的吊起和下放操作应平稳,坐放于井口时应轻;严禁旋转、顿钻、猛提、猛放。
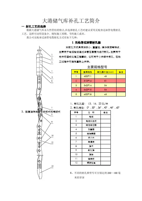
大港储气库补孔工艺简介一 射孔工艺的选择根据大港储气库永久性管柱的特点,在选择射孔工艺时建议采用无枪身过油管电缆射孔工艺。
这样可动用设备少、缩短施工周期、节约施工成本。
我公司无枪身过油管电缆射孔方式有如下几种:1 无枪身过油管射孔器本射孔方式具有体积小、重量轻、操作简便等特点,主要用于电缆输送通过油管在套管内进行射孔。
主要用于老井挖潜或处理工程事故,也可用于小井眼中射孔,在施工过程中可避免重新上井架。
主要规格型号1、射孔孔密: 13、16、20孔/米2、射孔相位: 0°、30°、36°、40°、45°、60°3、配套弹架类型:平板式和螺旋式4、不同的射孔弹型号可分别达到200~400毫米的穿深1211109876543212 过油管张开式射孔器过油管张开式射孔器用于电缆输送射孔完井。
可在不起出油管的情况下,把大能量射孔弹通过油管。
射孔器到达目的层后,由地面引爆释放雷管,射孔弹被解锁;在弹簧拉力的作用下,射孔弹翻转,与射孔器轴线成垂直状态;然后由地面引爆电雷管,进而引爆导爆索和射孔弹,从而实现过油管深穿透射孔。
性能/特点·可在不起出油管的状态下对老井实施再次射孔;·采用大射孔弹,对目的层实现深穿透;·主点火系统在射孔弹释放以前线路处于短路状态,更安全;二点火电雷管的选择1.电起爆雷管:电起爆雷管是用交流(直流)电来激发起爆的雷管。
其典型结构如图4-17。
1 2 3 4 5 6图中:1-电导线;2-电极塞;3-桥丝;4-起爆药;5-猛炸药;6-雷管壳。
图4-17我公司电雷管的种类有几十种,这里只介绍目前常用的几种:(1)热桥丝式灼热桥丝式电雷管是通过加在雷管导线的电能将桥丝(电阻丝)加热,使包裹在桥丝周围的起爆药受热分解起爆,起爆药将猛炸药起爆,见图4-17。
灼热桥丝电雷管有用于有枪身射孔的常压耐温型和用于无枪身射孔的耐压耐温型两种。
射孔作业安全操作规程4.1 队伍出发1)由作业队长了解天气及行车路况后与司机对行车安全进行风险识别。
夜间行车、雨雪雾天气、山路行车情况下,要做出充分的危害辨识。
有风险时,必须采取有效的安全措施才能出车。
司机已经疲劳时不能出车。
2)所有车辆要同时出发、队车行驶,由作业队长明确押车人员分别坐在副驾驶位置,驾驶员负责监督乘坐人员系好安全带。
行车过程中严禁超速,司机不得吸烟和打手机,乘车人不得睡在床铺上。
3) 驾驶员不得将车交与无资质人员驾驶,不得拉乘无关人员。
连续行驶2小时必须停车并作例行检查。
司机休息不少于10分钟。
路途中遇到危险路段,作业队长和驾驶员必须下车查看,必要时有人指挥行进,不能带险通过。
4) 押运人在上井途中每2小时检查一次防爆罐、防爆箱,当发现防护锁失效时,立即清点数量。
爆炸物品的储存、运输和使用严格按照相关规定执行。
4.2 井场安装1)井场具备高度不低于18m的作业井架,配备性能完好的提升系统;停车位置到井口距离于15~30 m;夜间施工应备有防爆照明设施,保证照明条件,并要制定防范措施,确保施工安全。
2)油气井井口安装防喷井口。
电缆射孔时,压井液液面要求在射孔器上方500 m以上,油管输送射孔液面在200m以上。
雷雨、大雾、洪水、沙尘暴和六级以上大风等恶劣天气,停止射孔作业。
3)进入井场后仪器车驾驶员尽量将车停在上风口处,工程车与仪器车并排停放。
车辆发动机排气管、发电机排气管应安装阻火器。
押运员对火工品进行检查。
4)作业队长与井下作业队(或井队)的值班负责人及时沟通,了解井筒及现场是否满足射孔施工要求。
5)各岗作业人员,针对本岗的作业区域进行风险识别。
由作业队长召集井下作业队负责人、现场监督和射孔小队所有人员召开班前会议。
各岗汇报识别出的风险,由作业队长进行辨识。
对可控风险和危害,采取有效防范措施。
对不可控的风险和危害,必须整改,直到确认安全。
作业队长向与会人员通报本次的施工内容、作业风险、注意事项等,特别是发生危险时的紧急集合点、逃生路线等,并检查班组成员的劳动防护用品的佩带,同时和井队签定施工安全协议。
水平井油管输送射孔作业指导书1 施工准备1.1 核对射孔通知单、试油地质设计、试油工程设计中的井号、层位和射孔井段是否一致,确认三者数据一致。
1.2准备足够的油管、油管短接、变扣。
1.3按射孔通知单要求保证压井液面:根据空井筒时的液面深度h1和管输射孔管柱的外容积为V1,管输射孔管柱内容积为V2,结合要求的射孔压井液面深度h2,计算所需补入压井液量或抽出压井液量ΔV。
1.3.1管输射孔管柱油、套管连通:ΔV=πR2h1-(V1-V2)-πR2h2,R为套管内半径,r1为油管外半径,r2为油管内半径。
若ΔV>0,则下管输射孔管柱前,应抽汲降液面,抽出液量为ΔV;若ΔV<0,则应向井筒内补入ΔV的压井也=液;若V=0,则不需抽汲降液面也不需补压井液。
1.3.2管输射孔管柱油、套管不连通:ΔV=πR2h1-V1-πR2h2,R为套管内半径,若ΔV>0,则下管输射孔管柱前,应抽汲降液面,抽出液量为ΔV;若ΔV<0,则应向井筒内补入ΔV 的压井也=液;若V=0,则不需抽汲降液面也不需补压井液。
1.4按照设计要求,在井口安装防喷器。
1.5与射孔小队核对射孔通知单,确认井号、射孔层位和射孔井段一致后方可进行射孔相关施工。
2施工步骤2.1 刺油管,准确丈量油管。
2.2 按照设计管输射孔管柱结构和射孔小队给定预下深度下入油管输送射孔管柱,油管下井前用相应的油管通径规逐根通径,不合格者不得入井。
2.3管柱下至预下深度后,射孔队进行电缆校深。
2.4根据射孔队给定调整深度,调整管柱至设计深度。
2.5井口坐油管挂,拧紧顶丝,装好油管内防喷工具。
2.6按照设计点火方式点火。
2.7打开油管和套管闸门,观察射后井口显示情况:2.7.1若井口发生溢流,则关闭油套管闸门,安装压力表,观察并记录井口压力,等待下步方案。
2.7.2若井口无溢流,则执行2.8。
2.8松油管挂顶丝,拆井口油管内防喷工具。
2.9起出井内全部管输射孔管柱,每起4-5根油管或2-3柱油管,向井筒内补满压井液。
补射孔作业指导书一、施工步骤及技术要求1、射孔前的准备(1)在进行射孔前,应慎重做好施工准备,详细收集各种数据。
①基本数据:地区、井号、完钻井深、钻头程序、套管结构、短套管下入深度、最大井斜等。
②电测解释:地层压力系数、油气显示状况、地层温度、岩性渗透率、孔隙度等。
③固井质量、射孔井段、射孔压井液性质、比重。
(2)根据收集的射孔井数据,作出射孔施工设计,其中包括:①射孔负压值大小的选择,确定管柱内液面的高度。
②射孔枪型的选择,射孔弹型的选择,枪身尺寸、孔密、相位、射孔弹型;③射孔引爆方式的确定。
(3)射孔工具准备①根据设计,射孔工程师或技术员,应详细列出井下工具的清单,对下井工具应详细检查有无损坏,发现问题及时更换。
②射孔枪装弹前必须试内压,稳压5分钟不渗漏,根据井下温度选择射孔弹、雷管、传感器和导爆索。
2、射孔施工(1)普通电缆射孔①射孔工具下井前要求通井,将通井规下至人工井底后,上起1根油管,装好井口采油树,接好反循环管线。
②用合格的压井液反循环彻底洗井,洗井液达到进出口性能一致,起出管柱。
③测井校深畅通无阻。
④将放炮闸门装在套管四通上,上齐8-12条井口螺栓并对角上紧。
⑤用水泥车向井内小排量打入与井内同一密度的压井液,灌满井筒时停泵。
关放炮闸门等待射孔。
(2)油管输送射孔a.下井工具到井场按顺序排列整齐。
b.安装好井口防喷器,按规定试压。
c.根据射孔管柱图设计,按顺序连接好下井工具。
d.从射孔第一孔至定位短节,逐段丈量并填写在管柱图表内。
e.仔细检查钻杆或油管是否有损伤,并做到钻杆或油管内畅通无阻,保证在35MPa的压力下不渗不漏。
f.下通井规通至人工井底后,上提油管1根,座好井口,接反洗(压井)管线。
g.用清水彻底替出井内全部液体。
h.井内液面降至负压射孔深度后,起出井内油管。
i.射孔准备工作就绪后,即可下射孔管柱,首先要装好雷管,按下井工具顺序下井,各部位丝扣连接牢固,做到不渗不漏。
j.每下三根立柱灌满一次液体,一直加灌到设计要求为止,在下井过程中操作平稳,不允许猛刹猛放,要求每小时下15-20根油管,如果有遇阻现象,立即上提管柱,再慢慢下放,直至不遇阻为止,工具下井时严防井内落物。
油田井下小修作业配合射孔操作规程4.2.18.1主要风险提示(1)井喷及井喷失控:主要指常规电缆射孔因操作失误引起的井喷及井喷失控事故;(2)火灾、爆炸:主要指发生井喷及井喷失控事故后,井筒内天然气等遇明火发生火灾和爆炸事故;(3)车辆伤害:主要指各种车辆在井场作业时伤害操作人员。
(4)油管传输射孔还存在与起下油管相同的“物体打击”、“机械伤害”、“中毒”、“坍塌”及“灼烫”风险。
4.2.18.2作业前准备(1)常规电缆射孔:灵活好用的放炮闸门1个,洗压井车辆一组(水泥车1台,罐车2台),双月牙吊卡1只,电缆剪刀1把(由射孔队准备)。
(2)传输射孔还应配备与起下油管相应的设备及工具。
4.2.18.3作业程序(1)配合常规电缆射孔作业①安装放炮闸门;②连接好压井及放喷管线,固定地锚,用符合要求的压井液灌满井筒。
③关闭放炮闸门,对井口及管线试压至25兆帕,不刺不漏为合格;④技术员核对射孔通知单,防止误射孔;⑤作业机操作手操作作业机或修井机,配合射孔队悬吊射孔滑轮,打好死刹车;⑥打开放炮闸门,配合射孔队射孔,作业机操作手不得离开通井机或修井机,由专人在距井口10米外观察井口,其他员工撤离到安全区域待命;⑦当井口外溢或有异常情况时,按照井控管理有关规定实施应急处置;⑧起出枪身后,技术员检查发射率,录取资料。
(2)配合传输射孔作业①配合射孔队测套标;②用专用吊卡将射孔枪下入井内;③按照下油管操作规程下入传输射孔油管,将射孔枪下入预定位置;④配合射孔队测油标;⑤调节油管短节,将射孔枪准确定位在射孔井段;⑥安装采油树,投引爆棒射孔;⑦射孔后,观察120分钟,若自喷,进站生产,若不能自喷,则转入下一步施工。
4.2.18.4注意事项(1)防止井喷及井喷失控注意事项①放炮闸门应试压合格,且开关灵活;②常规电缆射孔过程中,必须随时补充压井液,保持井内液面高度符合设计要求;③常规电缆射孔过程中必须安排专人坐岗观察井口;④发现溢流等井喷征兆时,必须按照应急处置程序立即采取剪断电缆、洗(压)井等控制措施;⑤油管传输射孔采油树卡瓦、各连接螺栓必须紧固,防止自喷后刺漏。
油管输送射孔油管输送射孔简称TCP,是国外70年代发展起来的一种射孔方法。
在 80年代又得到快速发展,技术逐渐完善,特别是在大斜度井、水平井、高压气井、防砂井和低渗透地层的射孔作业等方面具有其它射孔方法所不具备的优势,因而促进了完井技术的发展。
国内近几年来,在陆上和海上各个油田普遍展开。
一、油管输送射孔的原理油管输送射孔的基本原理是把每一口井所要射开的油气层的射孔器全部串连在一起联接在油管柱的尾端,形成一个硬连接的管串下入井中。
通过在油管内测量放射性曲线或磁定位曲线,校深并对准射孔层位。
可采用多种引爆方式射孔器。
为实现负压射孔,在引爆前,使射孔井段液柱压力低于地层压力,以保护射开的油气层。
二、油管输送射孔的特点(1)可采用各种有枪身射孔器,以便实现高孔密、深穿透、大孔径、多相位射孔的需要,从而获得最佳的油气井产能状态。
(2)可以实现较高的负压值射孔,保护油气层提高产能。
(3)一次下井可以同时射开较长的井段或多个层段的地层。
(4)可以进行电缆射孔难以施工的高斜度井、水平井、稠油井及复杂井的射孔作业。
(5)对于高压油气射孔,安全可靠,可防止井喷。
(6)可与地层测试联作,以缩短试油周期,准确录取地层资料,有良好的经济效益。
三、油管输送射孔工艺流程1、TCP的施工设计在用户给出了射孔层段和射孔要求之后要做出三种设计。
即:(1)射孔枪柱设计。
根据射孔层段和夹层井段的长度,合理配置不同长度的射孔器。
(2)设计确定起爆压力。
(3)设计射孔管柱。
射孔管柱的设计要根据地层的压力、岩性、含油气情况,渗透率和井眼套管结构,完井液情况,负压要求,投产要求等情况来设计引爆方式,负压的构成方法,是否释放,以及封隔器类型和是否带安全接头和液压减震器等。
还需设计它们之间的距离并算出放射性记号或油管短节与射孔器中最上边一发弹的距离。
2、室内准备工作(1)选择射孔器材和火工品。
(2)对射孔器材及火工品进行质量检验。
(3)组装射孔器及起爆装置。
油管传输射孔注意事项射孔技术是油田开发中常用的一种方法,通过在油管上打孔,使油气能够从地层中流出,进而提高油井的产能。
在进行油管传输射孔过程中,需要注意以下几个方面的问题,以保证操作的安全性和效果。
一、射孔前准备工作在进行射孔操作之前,需要进行充分的准备工作。
首先,要对油管进行检测,确保其完好无损,避免在操作过程中出现泄漏或断裂的情况。
其次,要对射孔目标进行仔细的选择和评估,确保射孔的准确性和效果。
此外,还要对射孔工具进行检查和调试,确保其正常运行。
二、射孔操作中的安全措施在进行射孔操作时,需要严格遵守安全规范,保证操作人员的安全。
首先,要佩戴个人防护装备,如安全帽、防护眼镜、防护手套等,以减少事故的发生。
其次,在射孔过程中要保持油管的稳定,防止其晃动或倾斜,避免发生意外。
同时,要确保射孔工具的正常运行,避免发生卡钻、卡套等情况。
此外,还要遵循操作规程,确保操作的合理性和安全性。
三、射孔过程中的操作技巧在进行射孔操作时,需要掌握一定的操作技巧,以保证射孔的效果。
首先,要选择合适的射孔工具和射孔方式,根据不同的地质条件和射孔目标,选择合适的射孔模式,以提高射孔的准确性和效率。
其次,要掌握射孔工具的使用方法,熟悉其结构和功能,以便在操作过程中能够正确操作。
此外,还要掌握射孔的时机和力度,避免射孔过早或过晚,以及射孔过猛或过弱,影响射孔效果。
四、射孔后的处理工作在完成射孔操作后,需要进行相应的处理工作,以确保射孔的效果和油井的产能。
首先,要对射孔孔道进行清理,清除残留的碎屑和杂质,保持孔道的畅通。
其次,要对射孔孔道进行评估和测试,确定射孔的效果和产能,并根据需要进行调整和优化。
最后,要对射孔工具进行检查和维护,确保其正常运行,以备下次使用。
油管传输射孔是一项重要的油田开发技术,但在进行射孔操作时需注意安全措施、操作技巧和后续处理工作。
只有做好这些方面的工作,才能保证射孔的效果和油井的产能,提高油田的开发效益。
射孔作业安全操作规程4。
1 队伍出发1)由作业队长了解天气及行车路况后与司机对行车安全进行风险识别。
夜间行车、雨雪雾天气、山路行车情况下,要做出充分的危害辨识。
有风险时,必须采取有效的安全措施才能出车。
司机已经疲劳时不能出车。
2)所有车辆要同时出发、队车行驶,由作业队长明确押车人员分别坐在副驾驶位置,驾驶员负责监督乘坐人员系好安全带。
行车过程中严禁超速,司机不得吸烟和打手机,乘车人不得睡在床铺上。
3)驾驶员不得将车交与无资质人员驾驶,不得拉乘无关人员。
连续行驶2小时必须停车并作例行检查。
司机休息不少于10分钟。
路途中遇到危险路段,作业队长和驾驶员必须下车查看,必要时有人指挥行进,不能带险通过.4) 押运人在上井途中每2小时检查一次防爆罐、防爆箱,当发现防护锁失效时,立即清点数量.爆炸物品的储存、运输和使用严格按照相关规定执行。
4。
2 井场安装1)井场具备高度不低于18m的作业井架,配备性能完好的提升系统;停车位置到井口距离于15~30 m;夜间施工应备有防爆照明设施,保证照明条件,并要制定防范措施,确保施工安全.2)油气井井口安装防喷井口。
电缆射孔时,压井液液面要求在射孔器上方500 m以上,油管输送射孔液面在200m以上。
雷雨、大雾、洪水、沙尘暴和六级以上大风等恶劣天气,停止射孔作业。
3)进入井场后仪器车驾驶员尽量将车停在上风口处,工程车与仪器车并排停放。
车辆发动机排气管、发电机排气管应安装阻火器。
押运员对火工品进行检查.4)作业队长与井下作业队(或井队)的值班负责人及时沟通,了解井筒及现场是否满足射孔施工要求。
5)各岗作业人员,针对本岗的作业区域进行风险识别。
由作业队长召集井下作业队负责人、现场监督和射孔小队所有人员召开班前会议。
各岗汇报识别出的风险,由作业队长进行辨识。
对可控风险和危害,采取有效防范措施.对不可控的风险和危害,必须整改,直到确认安全。
作业队长向与会人员通报本次的施工内容、作业风险、注意事项等,特别是发生危险时的紧急集合点、逃生路线等,并检查班组成员的劳动防护用品的佩带,同时和井队签定施工安全协议.在不具备安全作业条件时,施工人员有权拒绝射孔作业.6)仪器车驾驶员听从井口组长的指挥,调整车辆摆放位置,井口、地滑轮、绞车要三点一线.对正井口后,打正方向拉紧刹车,下车放好掩木并打开发电机舱门。
油管传输射孔工艺姓名:***实习单位:测井五分公司指导老师:***日期:2009年7月20日摘要射孔是油气田勘探开发中的一种重要完井方法,目的就是用射孔器,在预定的深度射穿套管、水泥环和目的层,在油气流或水流与井筒之间造成一个畅通的孔道。
油管传输射孔是我们比较常用的一种射孔方法。
油管传输射孔是指将射孔器用油管或钻杆采用硬连接的方式送到射孔层位进行射孔的射孔方法。
油管传输射孔现在常用的校深方法是磁性定位器扎记号法、放磁校深法和同位素定位法。
与电缆传输射孔比较,油管传输射孔虽然施工难度大,工序复杂,成本较高,但这种射孔工艺在安全性和进行复杂作业工艺上的优势确是普通电缆射孔所无法比拟的。
关键词:射孔;油管传输,目录第一章、前言 (3)第二章、概述 (4)第一节、射孔的工作原理 (4)第二节、射孔作业的要求 (4)第三章、射孔仪器和器材介绍 (5)第一节、XCHD—IIIA型数控地面系统组成 (5)第二节、井下仪器 (6)1、电缆 (6)2、磁性定位器 (6)3、马笼头 (6)第三节、射孔常用器材 (7)1、射孔弹 (7)2、射孔枪 (7)第四章、射孔工艺 (8)第一节、电缆传输射孔 (8)第二节、油管传输射孔的概念及原理 (8)第三节、油管传输射孔与电缆传输射孔的优缺点 (8)第四节、油管传输射孔的校深 (9)1、磁性定位器扎记号法 (9)2、放磁校深法 (10)3、自然伽马同位素定位法 (11)第五节、油管传输射孔的起爆方式 (11)1、机械撞击式投棒起爆油管传输射孔 (11)2、压力起爆油管传输射孔 (11)3、压力延时起爆类油管传输射孔 (11)第五章、油管传输射孔的质量控制 (13)第一节、射孔资料的确认和准备 (13)第二节、射孔器材的检查、准备和装配 (13)1、领取井下仪器: (13)2、领取火工品: (13)3、领取射孔枪及配件: (14)4、施工装配 (14)第三节、射孔管柱的下井、校深和起爆。
1 目的
为了规范油管输送射孔作业过程,作业质量和安全特制定本指导书。
2 范围
本规定适用华北事业部各单位的油管输送射孔作业过程。
3 职责
本规定由华北事业部生产测井项目部起草,生产协调部归口。
3.1 项目部:
a)负责及时将射孔作业信息传递到待令的作业队;
b)负责签发(火工品)《领用审批单》;
c)负责检查作业队的生产准备情况,以及作业支持。
3.2 测井作业队长:
a)负责确认各岗位人员的上岗资质满足要求;
b)负责指定火工品押运负责人;
c)负责组织射孔作业,进行现场检查;
d)负责作业过程中内部、外部的协商和信息沟通,并向项目部汇报作业情况。
3.3 其他岗位职责,执行相应的《岗位指导书》。
射孔队长
a) 负责特殊作业前的待令检查;
b) 负责生产任务的最终确认和任务指令的下达;
c) 负责保持与施工作业队和用户的联络;
d) 负责作业过程的策划,并组织实施, 纠正违章操作;
应去掉,分别是装炮班和绘解的责任。
)
操作工程师
井口岗
绞车岗
司机岗
装炮班
负责按排炮单领取火功品进行装枪工作。
解释组
负责第一时间射孔按通知单借阅校深资料、排炮、(制表、校验、审核三对口)
现场自了验收、资料交付甲方审验签字。
4 射孔过程
任务下达、作业准备和排炮、装炮、队伍出发、井场安装、油管输送、校深定位和射孔、队伍返回、收枪、生产准备。
任务下达
生产管理部门接到顾客的电话通知(生产预报)时,应将其要求填写在《电话电台记录表》中,并及时将信息传达到具备条件的作业队。
4. 2 作业准备和排炮
4.2.1射孔设计
射孔设计人员依据《射孔任务书》按照《射孔优化设计规范》、《射孔设计和射孔质量验收要求》进行设计编制《配炮单》,经校对岗、审核岗校对审核无误并签名后,交射孔作业队配炮。
4.2.2领取的资料及器材
a)从生产管理部门领取(射孔)《任务书》。
需要时领取《Q&HSE计划书》;
b)操作工程师到解释组领取射孔设计、《配炮单》等,借取相关资料;
c)作业队长指定的火工品负责人持《火工使用流程卡》(火工品)《领用审批单》到库房
领取射孔器材。
(火工品)《领用审批单》发放联交库房保管员保管。
执行《火工品管理规定》,负责全程监控,填写《火工品使用流程卡》。
(所领取的火工品为装炮班已经装好的要施工的井的所需的枪和启爆器)
4. 3 装炮
根据生产任务需要和待令井次的多少,炮枪安装时间一般提前一天或者数天进行。
装好的枪存放在装炮工房内,枪的两头安装钢制护帽并标识待领。
作业队所有人员根据《配炮单》进行炮枪安装工作:(装炮班责任)
a)对工作区域进行圈闭,设立警示标志。
除工作人员外,严禁他人进入;
b)将需要使用的火工品搬运到圈闭的作业区域,并有专人进行监控;
c)装炮工正确穿戴防护服、手套等防护用品,按照《配炮单》进行配炮,并在枪体上
清晰标明炮序和井号。
d)装炮结束后应及时收集剩余、报废的火工品;
队伍出发
a)作业队长、驾驶员对照《季节性安全风险削减规定》识别可能存在的安全风险,明
确路况、行车路线、注意事项;
b)作业队按要求的时间和路线出发(实际情况一口井次的完成需要装炮、下枪、校深
射孔、收枪四个趟次的队伍出发);
c)押车人员应坐在副驾驶位置;
d)连续行车2h应停车休息(时间不小于20min),并检查车辆和火工口;
e)危险路段驾驶员应下车查看,确认安全后方或通行。
井场安装
作业队到达井场后,应对施工现场进行验证,内容如下:
4.5.1由作业队长和井下作业队(或井队)的值班负责人,共同对施工场地、电力、动力等设施和环境进行验证,并确定协作事项,以确保施工现场满足质量和HSE的要求。
4.5.2操作工程师与井下作业队(或井队)技术负责人共同对《射孔任务书》及设计中的数据和要求进行核实确保其完整、准确。
4.5.3施工开始前,作业队长应召开“班前会议”:
a)交代本次作业内容、井况、作业风险和施工顺序等,特别是发生危险时的紧急集合
点、逃生路线和方式;
b)会议内容填写在《Q&HSE活动记录》中;
c)检查劳保穿戴;
d)在作业区域设立“施工隔离带”、警示标识。
4.5.4 按配炮单顺序下枪、连接安全枪、连接启爆器。
丈量油管短节长度和短节与启爆器之间连接的四根油管的长度,并纪录数据。
计算短节下井深度,填管柱示意图表交与井下作业队。
油管输送
通知井下作业队必须用59mm标准通径规对要下井的每一根油管通一遍。
起下输送油管速度应均匀,防止急刹、遇阻顿钻的情况发生。
井下作业队严格按射孔队计算的短节深度进行下枪作业,输送到位深度误差在目的深度的正负10m之内。
校深定位和射孔
4.7.1井口工安装井口设备:
a)安装滑轮:用井口卡子将地滑轮固定在采油树法兰盘下,将电缆张力计装在天滑轮;
b)指挥车辆摆放,使绞车、井口、地滑轮三点成一线;
c)含有H2S或其它有害气体的井施工时,井口工应佩戴呼吸器,携带气体检测仪。
4.7.2绞车工负责安装绞车设备:
a)用掩木固定绞车;
b)配接外部电源线,以及其他电线;
c)气井施工时,车辆、车载发电机排气管应戴阻火器。
4.7.3操作工程师负责安装地面仪器:
a)确认外接电源电压符合要求,戴绝缘手套,用专用工具,一人接电,一人看护。
连
接地线;
b)井口接线前,操作工程师必须切断地面仪器电源;
c)作业队长按照(射孔)《检查表》进行巡回检查,及时纠正违章行为。
4.7.4射孔作业队进行CCL-GR油管管柱测井作业,取准资料和蓝图GR曲线进行对比校深。
计算出深度误差值,由解释工程师和操作工程师两人验证一致后通知井下作业队。
(解释应跟队上井现场验收资料)
深度误差值=短节实际下深值-短节设计下深值
注:负值则表示需要加深管柱;正值则表示需要上提管柱。
a)深度误差值不能超过10m(如有超过10m的范围,则需要重新调整管柱到10m范围
内再校深计算深度误差值);
b)(井下作业队通知测试队上井,并根据深度误差值调整下井管柱,调整后深度误差
在设计深度值正负范围之内。
井下作业队安装采油井口并联接防喷管线,安装油套
压力表。
测试队到达井场,井口安装完毕)《有必要要吗?》,由井下作业队技术员、现场监督、及作业队人员一起监督射孔启爆。
启爆完毕,井下作业队长签《射孔作
业单》,确认射孔完成。
设备拆除
a)各岗位按要求对仪器设备进行拆卸,清洗保养,装车固定;
b)作业队长对各岗位设备的回收,装车情况进行检查;
c)作业队长组织全队人员召开“班后会议”,总结本次施工质量和HSE情况,并明确
返回事项。
收枪
测试完毕,井下作业队试采后洗井要起出射孔枪。
到达现场边回收射孔枪边验证发射率,收枪完毕、现场监督确认100%发射。
队伍返回
a)路途行驶与出发要求相同(实际情况一口井次的完成需要装炮、下枪、校深射孔、
收枪四个趟次的队伍返回);
b)作业队长向值班调度汇报,标示本井施工完成,操作员填写ERP;
c)返回后卸车,回收废枪的炮头炮尾并做保养,对完好的炮头炮尾备用,节约事业部
的生产成本;
d)相关资料由供取人归还原单位。
(解释组归还所借资料和本井资料交甲方审验签
字。
)
生产准备
返回驻地后,作业队长应组织班组成员对所用的设备进行维修保养,使其各项性能达到完好状态,根据生产作业部门的安排进行下次射孔待令或休整,生产准备内容如下:
4.11.1 操作工程师:
a)对操作室进行清洁;对地面仪器进行十字作业(清洁、润滑、扭紧、调整、防腐);
b)依据相应“操作手册”对地面仪器进行通电检查,填写《地面仪器使用与维修记录》。
4.11.2 绞车工:
a)对绞车系统进行清洁;
b)按照《绞车系统修保规定》进行检查:
1)检查传动、制动控制,对传动部件进行润滑、紧固;
2)检查电缆、滑环的通断、绝缘,及时更换电缆头;
3)检查电缆张力面板;
4)填写《测井绞车/电缆运转与维修记录》。
4.11.3 井口工:
a)对井口设备进行清洁;
b)依据《井口设备修保规定》进行维修保养:
1)对传动部件进行润滑;
2)检查马笼头,检查缆芯的通断和绝缘;
3)填写《井口设备使用与维修记录》。
4.11.4 驾驶员:
a)对车辆进行清洗;
b)依据“使用手册”对车辆和发电机进行检查保养;
c)填写《车辆运行与修保记录》和《发电机运转与修保记录》;
d)车检员进行回场检验,签发《车辆回场检验合格证》。
4.11.5 作业队长:
a)生产准备就绪后,按照(射孔)《检查表》对准备过程进行检查;
b)不合格项应进行返工。