【CN209709661U】安全用电智能保护装置【专利】
- 格式:pdf
- 大小:374.41 KB
- 文档页数:11
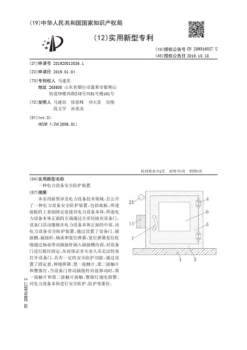
(19)中华人民共和国国家知识产权局(12)实用新型专利(10)授权公告号 (45)授权公告日 (21)申请号 201920306091.X(22)申请日 2019.03.12(73)专利权人 姜旭东地址 266200 山东省青岛市即墨市后庵街146号(72)发明人 姜旭东 陈蒋科 杨修才 (51)Int.Cl.A62C 3/16(2006.01)A62C 37/40(2006.01)A62C 31/00(2006.01)G08B 21/24(2006.01)G08B 25/10(2006.01)(54)实用新型名称一种新型电气设备安全防护装置(57)摘要本实用新型公开了一种新型电气设备安全防护装置,包括防护箱和干粉灭火器,所述防护箱外围侧壁上设置有散热窗,所述散热窗一侧设置有排气扇,所述散热窗另一侧设置有蜂鸣器,所述蜂鸣器的型号为ND16-22FS,所述蜂鸣器正下方设置有电源线插口,所述防护箱顶部设置有箱门,所述箱门上设置有握把,所述箱门底部设置有烟感探头传感器。
有益效果在于:本实用新型通过设置二氧化碳灭火器、干粉灭火器、电磁阀以及烟感探头传感器,可在电气设备盒发生火灾时及时高效率的扑灭火势,保障了设备不进一步受损,通过新增信号收发器,可在电气设备盒发生故障时,及时通过无线信号通知工作人员,有利于及时对电气设备盒进行补救,降低了损失。
权利要求书1页 说明书3页 附图2页CN 209771152 U 2019.12.13C N 209771152U权 利 要 求 书1/1页CN 209771152 U1.一种新型电气设备安全防护装置,其特征在于:包括防护箱(1)和干粉灭火器(7),所述防护箱(1)外围侧壁上设置有散热窗(5),所述散热窗(5)一侧设置有排气扇(10),所述散热窗(5)另一侧设置有蜂鸣器(19),所述蜂鸣器(19)的型号为ND16-22FS,所述蜂鸣器(19)正下方设置有电源线插口(15),所述防护箱(1)顶部设置有箱门(2),所述箱门(2)上设置有握把(3),所述箱门(2)底部设置有烟感探头传感器(8),所述烟感探头传感器(8)的型号为YJ-105,所述防护箱(1)内部中间设置有电气设备盒(4)盒,所述电气设备盒(4)盒顶部设置有控制盒(11),所述控制盒(11)内部设置有电路板(13),所述电路板(13)上设置有微处理器(14),所述微处理器(14)的型号为CORTEX-M3,所述微处理器(14)一侧设置有继电器(17),所述继电器(17)的型号为SRD-05VDC-SL-C,所述微处理器(14)另一侧设置有PLC控制器(16),所述PLC控制器(16)的型号为UN2070,所述电路板(13)一侧导线连接有预警信号发送器(18),所述预警信号发送器(18)的型号为UT-901,所述电气设备盒(4)盒一侧设置有二氧化碳灭火器(6),所述电气设备盒(4)盒另一侧设置有所述干粉灭火器(7),所述防护箱(1)内底部设置有接地柱(9),所述接地柱(9)有两个,所述二氧化碳灭火器(6)和所述干粉灭火器(7)上均设置有电磁阀(12)。
(19)中华人民共和国国家知识产权局(12)实用新型专利(10)授权公告号 (45)授权公告日 (21)申请号 201920402807.6(22)申请日 2019.03.28(73)专利权人 无锡格策电气有限公司地址 214400 江苏省无锡市江阴市苏港路18号2号楼3-8室(72)发明人 卫立 (74)专利代理机构 北京联瑞联丰知识产权代理事务所(普通合伙) 11411代理人 黄冠华(51)Int.Cl.H02H 7/08(2006.01)(54)实用新型名称一种智能电动机保护装置(57)摘要本实用新型公开了一种智能电动机保护装置,主机一端外侧固定设置有框架,主机连接框架一端设置有显示屏、按钮、开关、指示灯及USB接口,主机另一端设置有网线接口、串行接口及导线接口,主机通过网线与交换机相连,交换机与服务器相连,电机通过导线与主机的导线接口相连,该实用新型结构合理,移动端设备可以通过该服务器端口对主机进行访问,当电机出现异常时,主机内部的保护电路发出信号到主板,然后通过主板发出信号到移动端设备上,即使无人看护,也能立即收到异常警报,并且可以通过移动端设备对主机进行复位、重启等操作,必要时再立即赶往现场,降低了人员成本。
权利要求书1页 说明书3页 附图4页CN 209658891 U 2019.11.19C N 209658891U权 利 要 求 书1/1页CN 209658891 U1.一种智能电动机保护装置,其特征在于:包括主机(1)、框架(2)、显示屏(3)、按钮(4)、开关(5)、指示灯(6)、USB接口(7)、网线接口(8)、串行接口(9)、导线接口(10)、交换机(11)、服务器(12)及电机(13),所述主机(1)一端外侧固定设置有框架(2),所述主机(1)连接框架(2)一端设置有显示屏(3)、按钮(4)、开关(5)、指示灯(6)及USB接口(7),所述主机(1)另一端设置有网线接口(8)、串行接口(9)及导线接口(10),所述主机(1)通过网线与交换机(11)相连,所述交换机(11)与服务器(12)相连,所述电机(13)通过导线与主机(1)的导线接口(10)相连。
(19)中华人民共和国国家知识产权局(12)实用新型专利(10)授权公告号 (45)授权公告日 (21)申请号 201920668433.2(22)申请日 2019.05.10(73)专利权人 大连诺林机械制造有限公司地址 116000 辽宁省大连市长兴岛经济区三义街23号1#厂房(72)发明人 仲绍宏 李木文 吴忠民 王冰 李帅 李阳 李信妍 甄舒博 贺叶明 姜羽彤 王忠志 刘俊 (74)专利代理机构 北京中索知识产权代理有限公司 11640代理人 杨瑾(51)Int.Cl.H02H 7/08(2006.01)(54)实用新型名称一种电动机远程智能监控报警及异常处理系统(57)摘要一种电动机远程智能监控报警及异常处理系统,属于电动机保护监控系统,三相电源与电动机的三个触电相继连接,所述三相电源上依次电性连接着电压保护器、电源开关AC、主继电器、采集单元、指示灯,该系统还包括控制单元、信号处理单元、监视单元、通信处理模块以及云平台和终端设备。
可以对电动机的温度,电流是否处于水中作业的情况进行采集监测,减少了监测人员巡检设备的工作量,同时实现了远程操作检测设备的效果,防止电动机超负荷运行或故障运行,给整体设备造成的经济损失。
权利要求书1页 说明书3页 附图1页CN 209730799 U 2019.12.03C N 209730799U权 利 要 求 书1/1页CN 209730799 U1.一种电动机远程智能监控报警及异常处理系统,三相电源(1)与电动机(2)的三个触电相继连接,其特征在于,所述三相电源(1)上依次电性连接着电压保护器(3)、电源开关AC (4)、主继电器(5)、采集单元、指示灯(9),所述的采集单元包括温度采集器(6)、水位采集器(7)、电流互感器(8);电源开关AC(4)与控制单元(11)连接,电压保护器(3)与控制单元(11)连接,采集单元通过信号处理单元(10)与控制单元(11)连接,所述的控制单元(11)还与监视单元(12)连接,监视单元(12)与通信处理模块(15)连接,通信处理模块(15)通过网络信号(16)与云平台(17)连接,云平台(17)与终端设备(18)连接。
专利名称:一种安全用电智能管理系统专利类型:发明专利
发明人:王静,孟庆一
申请号:CN201910730695.1
申请日:20190808
公开号:CN110401263A
公开日:
20191101
专利内容由知识产权出版社提供
摘要:本发明公开了一种安全用电智能管理系统,包括云管理平台、监控模块、报警模块、通信模块、处理模块、终端;其中,云管理平台用于对存储数据的分析及判断,掌握线路动态运行存在的用电安全隐患,发现电气隐患;判断故障发生的原因,指导企业开展治理;统计用电数据,生成检测报告;本发明的有益效果是:对电气引发火灾的主要因素通过监控模块进行监控,并通过处理模块对监控的数据进行分析处理,实时发现电气线路和用电设备存在的安全隐患,并通过报警模块发送报警信息,开展治理,实现隐患的提早发现、提早预警并及时处理。
申请人:阿修电力科技江苏有限公司
地址:210000 江苏省南京市秦淮区中山东路532号F3栋208室
国籍:CN
代理机构:重庆百润洪知识产权代理有限公司
代理人:姚琼斯
更多信息请下载全文后查看。
专利名称:一种智能安全用电保护装置专利类型:实用新型专利
发明人:李俊
申请号:CN202121296588.1
申请日:20210609
公开号:CN216699500U
公开日:
20220607
专利内容由知识产权出版社提供
摘要:本实用新型公开了一种智能安全用电保护装置,显示器、电源接口以及负载接口设置于外壳前侧连接外壳内的控制电路;电源防雷模块连接电源接口的输入端与接地端,欠压过压保护器连接电源接口并自动检测线路电压数值;漏电保护器连接电源接口,在发生漏电和触电且达到漏电保护器所限定的电流值时自动断开电源;自动重合闸连接电源接口,用于电路瞬时性故障断路后自动重连;智能电表连接负载接口并计算用电器的用电量,将用电量发送至控制板;无线通信模块与手机无线通信发送数据。
本实用新型能够适应多种突发电路危险,防止发生意外危害人身安全,同时将电路故障信息发送至用户的智能手机客户端,使用电更安全、更智能。
申请人:贵州智电帮科技有限公司
地址:550000 贵州省贵阳市花果园项目M区第4栋(4)1单元12层12号[小车河办事处]
国籍:CN
代理机构:成都方圆聿联专利代理事务所(普通合伙)
代理人:苟铭
更多信息请下载全文后查看。
(19)中华人民共和国国家知识产权局(12)实用新型专利(10)授权公告号 (45)授权公告日 (21)申请号 201920211007.6(22)申请日 2019.02.18(73)专利权人 安徽省勤业科技服务有限公司地址 230000 安徽省合肥市高新区黄山路599号时代数码港大厦11层1110室(72)发明人 刘亦奇 许峰 (74)专利代理机构 合肥律众知识产权代理有限公司 34147代理人 白凯园(51)Int.Cl.E04H 12/18(2006.01)A01M 29/12(2011.01)A01M 29/24(2011.01)(54)实用新型名称一种电力自动化安全防护装置(57)摘要本实用新型公开了一种电力自动化安全防护装置,属于电力设备防护技术领域。
包括防护机构,所述防护机构包括第一安装座、第二安装座,所述第一安装座与第二安装座底部分别设置有第一防护罩与第二防护罩,所述第一安装座与所述第二安装座通过固定杆连接,所述固定杆一端与第一固定座转动连接,另一端卡合在第二固定座主体上固定凹槽内,且固定杆一端设置有卡块;所述第一安装座与所述第二安装座内侧均安装有支撑块,且支撑块一端设置固定板;所述第一防护罩内侧顶端设置有诱虫灯,且诱虫灯一侧设置有电网,所述第一防护罩外壁上镶嵌设置有太阳能电池板。
本实用新型结构简单、使用方便,实用性强,适合推广使用。
权利要求书1页 说明书3页 附图3页CN 209637341 U 2019.11.15C N 209637341U权 利 要 求 书1/1页CN 209637341 U1.一种电力自动化安全防护装置,其特征在于:包括防护机构(2),所述防护机构(2)包括第一安装座(3)、第二安装座(4),所述第一安装座(3)与第二安装座(4)底部分别设置有第一防护罩(10)与第二防护罩(11),所述第一安装座(3)与所述第二安装座(4)通过固定杆(5)连接,所述固定杆(5)一端与第一安装座(3)转动连接,另一端卡合在第二安装座(4)主体上固定凹槽(401)内,且固定杆(5)一端设置有卡块(7);所述第一安装座(3)与所述第二安装座(4)内侧均安装有支撑块(8),且支撑块(8)一端设置固定板(9);所述第一防护罩(10)内侧顶端设置有诱虫灯(12),且诱虫灯(12)一侧设置有电网(13),所述第一防护罩(10)外壁上镶嵌设置有太阳能电池板(15),且太阳能电池板(15)通过导线连接设置在第一防护罩(10)内侧的转换器(16)以及微型电池(17),所述第一防护罩(10)与所述第二防护罩(11)结构相同,且第一防护罩(10)与第二防护罩(11)相互配合安装。
专利名称:安全用电装置
专利类型:实用新型专利
发明人:江世军,李修连
申请号:CN201821536537.X 申请日:20180919
公开号:CN208782459U
公开日:
20190423
专利内容由知识产权出版社提供
摘要:本实用新型公开了一种安全用电装置,其包括用于对交流电进行过滤处理的电能过滤器、用于对安全用电装置输出的交流电进行切换的转换开关、用于控制安全用电装置输出线路通断的电控开关元件、电路板;电路板包括用于检测电能过滤器的输出火线和输出零线的对地阻抗的对地阻抗检测电路和用于起主控功能的控制器;控制器中预存有设定值,当对地阻抗检测电路检测到电能过滤器的零线输出端和火线输出端的对地阻抗均低于设定值时,控制器控制电控开关元件断开电能过滤器的电能输出。
本实用新型的安全用电装置实现自动化控制,可以有效地保护用户的生命财产安全。
申请人:湖南小快智造电子科技有限公司
地址:422000 湖南省邵阳市经济开发区湘商产业园19栋4-5楼
国籍:CN
代理机构:长沙智嵘专利代理事务所(普通合伙)
代理人:刘宏
更多信息请下载全文后查看。
专利名称:一种智能型配电网安全保护装置专利类型:实用新型专利
发明人:崔金珍
申请号:CN201820027739.5
申请日:20180108
公开号:CN208385943U
公开日:
20190115
专利内容由知识产权出版社提供
摘要:本实用新型公开了一种智能型配电网安全保护装置,包括罩壳盖、电机、电热丝,所述罩壳盖外顶部设置有所述电机,所述电机旁设置有控制器,所述电机下设置有传动杆,所述传动杆下设置有风扇叶,所述罩壳盖内顶部设置有网箱,所述网箱内设置有干燥剂,所述罩壳盖两侧壁上分别设置有安装槽,所述安装槽内设置有窗框,所述罩壳盖两侧壁内分别设置有支撑架,所述支撑架内设置有所述电热丝,所述罩壳盖底部靠近所述控制器处设置有湿度计。
有益效果在于:本实用新型平时利用干燥剂对配电箱中的空气进行干燥,当湿度增大后,利用电热丝将空气加热干燥后送入配电箱,无论下雨下雪始终保证配电箱中干燥,保护配电箱因受潮后水汽凝结而导致的短路。
申请人:北京亿策工程技术有限公司
地址:100000 北京市朝阳区望京北路9号2幢四层A402
国籍:CN
更多信息请下载全文后查看。
专利名称:智能安全用电服务装置
专利类型:发明专利
发明人:袁保平,徐毅,汪启旺,张磊,应健,陈浩,程思,刘谢东,汪洁宇
申请号:CN202011198011.7
申请日:20201031
公开号:CN112421561A
公开日:
20210226
专利内容由知识产权出版社提供
摘要:本发明公开了智能安全用电服务装置,包括下壳体和上壳体,上壳体与下壳体铰接,下壳体的一侧设有能够打开的门板,门板与下壳体的底部边缘铰接,在闭合时,上壳体的边缘能够与门板的上边缘卡合,使得上壳体和下壳体形成用于安装漏电保护器和主板的安装空间。
本发明提供的智能安全用电服务装置通过在下壳体的一侧设置能够打开门板,在需要进行检修时,只需要打开门板就可以将上壳体打开,使用方便,而且在门板打开时,下壳体的一侧是敞开的,便于从侧面将漏电保护器或者主板取出,避免了只能在上壳体打开时向上提起漏电保护器或者主板造成才能将漏电保护器或者主板取出时造成的线路混乱或者卡死的问题,操作方便,结构简单,使用方便。
申请人:国网安徽省电力有限公司休宁县供电公司
地址:245499 安徽省黄山市休宁县海阳镇黄山南路
国籍:CN
更多信息请下载全文后查看。
专利名称:一种能够智能调节的电器保护器装置专利类型:实用新型专利
发明人:江道德
申请号:CN201520143126.4
申请日:20150313
公开号:CN204595476U
公开日:
20150826
专利内容由知识产权出版社提供
摘要:本实用新型公开了一种能够智能调节的电器保护器装置,包括壳体、三脚插头与三脚插座;所述壳体设置在电器保护器装置的外侧;所述三脚插头设置在所述壳体的一个侧面上;所述三脚插座设置在所述壳体的另一个侧面上;所述三脚插头上安装有三个连接片;所述三脚插座上设置有插孔;所述壳体的上部安装有无线信号发射接收器;所述三脚插座的上侧设置有智能调节开关;所述智能调节开关的一侧设置有无线信息传输开关。
本实用新型可以对电器使用情况进行智能化分析,并且根据分析结果对其进行针对性的保护,能够有效增加电器使用的安全性。
申请人:温州冲亚电子科技有限公司
地址:325036 浙江省温州市瓯海梧田街道沙门北路2幢3号(第三层)
国籍:CN
更多信息请下载全文后查看。
专利名称:一种安全用电智能检测装置专利类型:实用新型专利
发明人:曾照兵
申请号:CN202122801922.0
申请日:20211116
公开号:CN216351151U
公开日:
20220419
专利内容由知识产权出版社提供
摘要:本实用新型提供一种安全用电智能检测装置,涉及安全用电智能检测技术领域,该一种安全用电智能检测装置,包括底座,所述底座的上表面开设有卡槽,所述卡槽的上表面固定连接有检测箱,所述底座的下表面固定连接有导电块,所述导电块的一端贯穿检测箱的底壁,所述导电块的一端固定连接有尖锐传感器,所述检测箱左右两内侧壁固定连接有搭块。
底座上的导电块帮助传导所漏电的电荷到尖锐传感器的顶端,通过检测仪的接收区检测是否属于漏电,并将信息转化传递给工作人员,及时修正防范漏电情况,整个过程中产生的热量,通过电机带动风扇进行散热,提高人们的生命财产安全的同时,也延长了检测装置的使用寿命,降低了资金损失。
申请人:山东英科物联网科技有限公司
地址:261100 山东省潍坊市寒亭区北海路2998号潍坊总部基地一期工程东区5号楼403-3号国籍:CN
代理机构:北京华沛德权律师事务所
代理人:曹洪进
更多信息请下载全文后查看。
(19)中华人民共和国国家知识产权局
(12)实用新型专利
(10)授权公告号 (45)授权公告日 (21)申请号 201920601172.2
(22)申请日 2019.04.28
(73)专利权人 西南科技大学城市学院
地址 621000 四川省绵阳市游仙区三星路
11号
(72)发明人 李娟 赵欣 杜娟 高虎 胡浚磊
文冬林
(74)专利代理机构 重庆市信立达专利代理事务
所(普通合伙) 50230
代理人 包晓静
(51)Int.Cl.
H02H 3/00(2006.01)
H02H 3/06(2006.01)
H02H 1/00(2006.01)
G01R 31/02(2006.01)
G01R 31/12(2006.01)G01R 31/28(2006.01)G01R 19/165(2006.01)(ESM)同样的发明创造已同日申请发明专利
(54)实用新型名称安全用电智能保护装置(57)摘要本实用新型公开了安全用电智能保护装置,涉及电力设备技术领域,其技术方案要点是:包括配电箱和上位机,配电箱内设有智能保护装置和断路器;智能保护装置设有电流传感检测模块和与电流传感检测模块连接的单片机;电流传感检测模块包括电流传感器、漏电流传感器和短路检测装置;电流传感检测模块连接有信号放大器;断路器连接有自动恢复供电模块;自动恢复供电模块包括中间继电器、时间继电器和桥形整流滤波电路。
具有能够实时监测供电电路的工作状态和迅速准确分析判断漏电、触电和短路电路故障,并根据电路故障控制断路器进行精准动作对供电电路实现有可靠的安全保护,且能够在故
障排除后控制供电系统恢复供电的效果。
权利要求书1页 说明书7页 附图2页CN 209709661 U 2019.11.29
C N 209709661
U
权 利 要 求 书1/1页CN 209709661 U
1.安全用电智能保护装置(3),其特征是:包括配电箱(1)和与配电箱(1)通讯连接的上位机(2),所述配电箱(1)内的供电电路连接有智能保护装置(3)和断路器(4),所述智能保护装置(3)与断路器(4)连接;所述智能保护装置(3)设有电流传感检测模块(5)和与电流传感检测模块(5)连接的单片机(6),所述单片机(6)与断路器(4)连接;所述电流传感检测模块(5)包括用于监测供电电路电流信息的电流传感器(7)、漏电流传感器(8)和短路检测装置(9);所述电流传感检测模块(5)连接有信号放大器(10);所述信号放大器(10)与单片机(6)连接;所述断路器(4)连接有自动恢复供电模块(11);所述自动恢复供电模块(11)包括与断路器(4)所在电路连接的中间继电器(12)、时间继电器(13)和用于给时间继电器(13)供电的桥形整流滤波电路(14),所述中间继电器(12)和时间继电器(13)与单片机(6)连接。
2.根据权利要求1所述的安全用电智能保护装置(3),其特征是:所述配电箱(1)外壁设有与单片机(6)连接的触控操作显示屏(15)。
3.根据权利要求1所述的安全用电智能保护装置(3),其特征是:所述配电箱(1)外壁设有与上位机(2)通讯连接的通讯天线(16);所述通讯天线(16)与单片机(6)连接。
4.根据权利要求1所述的安全用电智能保护装置(3),其特征是:所述短路检测装置(9)包括能够产生脉冲电流与脉冲磁场的脉冲电流发生器(17)和脉冲电流检测器(18);所述脉冲电流检测器(18)包括用于检测脉冲磁场的检测元件(19)和指示脉冲电流方向的指示元件(20)。
5.根据权利要求1所述的安全用电智能保护装置(3),其特征是:所述配电箱(1)设有接地监测系统;所述接地监测系统包括接地系统(21)和与接地系统(21)连接的接地系统(21)监测器;所述接地系统(21)监测器与单片机(6)连接。
6.根据权利要求1所述的安全用电智能保护装置(3),其特征是:所述配电箱(1)设有与单片机(6)连接的绝缘监测仪(23)。
7.根据权利要求1所述的安全用电智能保护装置(3),其特征是:所述配电箱(1)外壁设有与单片机(6)连接的报警模块(24);所述报警模块(24)包括与单片机(6)连接的报警器(25)、故障指示灯(28)、严重故障警示灯(26)和可延时运行故障警示灯(27)。
8.根据权利要求7所述的安全用电智能保护装置(3),其特征是:所述故障指示灯(28)包括短路指示灯(29)、漏电指示灯(30)和过载指示灯(34)。
9.根据权利要求1所述的安全用电智能保护装置(3),其特征是:所述配电箱(1)内设有与供电电路连接的备用电源(31);所述备用电源(31)连接有单片机(6)控制开关,所述单片机(6)控制开关与单片机(6)连接;所述智能保护装置(3)内设有与单片机(6)连接的计时器(33)。
2。