单层工业厂房屋盖结构:30米跨梯形钢屋架设计计算书
- 格式:doc
- 大小:1.20 MB
- 文档页数:27
钢结构设计计算书姓名:班级:学号:指导教师:一、设计资料:1.结构形式: 某厂房总长度108m,跨度为24m,纵向柱距6m,厂房建筑采用封闭结合。
采用钢筋混凝土柱,梯形钢屋架,柱的混凝土强度等级为C30,上柱截面400mm×400mm,屋面坡度i=1/10。
地区计算温度高于-200C,无侵蚀性介质,地震设防烈度为8度,屋架下弦标高为18m;厂房内桥式吊车为2台50/10t(中级工作制),锻锤为2台5t。
2. 屋架形式及荷载:屋架形式、几何尺寸及内力系数(节点荷载P=1.0作用下杆件的内力)如附图所示。
屋架采用的钢材为Q345A钢,焊条为E50型。
3.屋盖结构及荷载标准值(水平投影面计)无檩体系:采用1.5×6.0m预应力混凝土屋面板,屋架铰支于钢筋混凝土柱上。
荷载:①屋架及支撑自重:按经验公式q=0.12+0.011L,L为屋架跨度,以m为单位,q为屋架及支撑自重,以可kN/m2为单位;②屋面活荷载:施工活荷载标准值为0.7kN/m2,雪荷载的基本雪压标准值为S0=0.35kN/m2,施工活荷载与雪荷载不同时考虑,而是取两者的较大值。
积灰荷载标准值:0.5kN/m2。
③屋面各构造层的荷载标准值:三毡四油(上铺绿豆砂)防水层 0.40kN/m2水泥砂浆找平层 0.50kN/m2保温层 0.80kN/m2一毡二油隔气层 0.05kN/m2水泥砂浆找平层 0.40kN/m2预应力混凝土屋面板 1.50kN/m2④桁架计算跨度:02420.1523.7l=-⨯=m跨中及端部高度:桁架的中间高度: 3.490h=m在23.7m的两端高度:02.005h=m在30m轴线处的端部高度:01.990h=m 桁架跨中起拱50mm二、结构形式与布置图:桁架形式及几何尺寸如图1所示:图1 桁架形式及几何尺寸桁架支撑布置图如图2所示:图2三、荷载计算1、荷载计算:屋面活荷载与雪荷载不会同时出现,从资料可知屋面活荷载大于雪荷载,故取屋面活荷载计算。
钢结构课程设计所在学院:工程学院专业班级:09土木2班指导教师:******学号:***********钢结构课程设计一、课程设计介绍 (3)1、设计资料 (3)2、设计要求 (3)3、主要参考资料 (3)二、课程设计内容 (4)1、设计资料 (4)2、荷载计算 (4)3、几何尺寸及杆力系数图 (4)4、截面设计 (5)4.1上弦杆 (5)4.2下弦杆 (5)4.3腹杆 (6)5、屋架杆件选用表 (13)6、节点设计 (14)6.1下弦节点“C'” (14)6.2上弦节点“B” (15)6.3屋脊节点“K” (16)6.4普通节点“C” (17)6.5支座节点“A'” (17)三、钢结构施工图 (20)四、课程设计手算书 (21)钢屋盖设计任务书(梯形屋架)一、设计资料某车间(或厂房)跨度L,长度96m,柱距6m,屋盖采用梯形钢屋架,屋面材料为压型钢板复合板,檩条间距1.5m,屋面坡度i = 1/10,屋面活荷载标准值为0.5kN/m2,当地基本风压为0.55kN/m2,屋架简支于钢筋混凝土柱上,混凝土强度等级C30,柱截面400mm×400mm。
其他设计资料如下:二、设计要求计算书:内容应详尽,主要内容应包括:设计任务书,材料选择,屋架形式、几何尺寸,支撑布置,荷载汇集,杆件内力计算及组合,杆件截面选择,典型节点设计(屋脊、跨中拼接节点,上下弦节点)等。
图纸:应符合制图规范及要求,表达应完整;绘制要求:主要图面应绘制正面图、上下弦平面图,必要的侧面图、剖面图,以及某些安装节点或特殊零件的大样图;在图的左上角绘制屋架简图,并注明杆件几何长度(左半跨)及杆件内力设计值(右半跨),图面右侧应绘制材料表及编写有关文字说明,如钢材型号、(注:采用A1图纸594mm×841mm)附加说明、焊条型号、焊接方法、质量要求等。
三、主要参考资料1. 戴国欣主编.钢结构(第三版).武汉:武汉理工大学出版社,20072. 夏志斌,姚谏.钢结构—原理与设计.北京:中国建筑工业出版社,20043. 张耀春主编.钢结构设计原理.北京:高等教育出版社,20044. 汪一骏等.钢结构设计手册(第三版).北京:中国建筑工业出版社,20045. 建筑结构荷载规范(GB50009—2001 )6. 钢结构设计规范(GB50017—2003)7. 建筑结构制图标准(GB/T50105—2001)钢结构课程设计一、设计资料 1、结构形式某车间(或厂房)跨度30m ,长度96m ,柱距6m ,屋盖采用梯形钢屋架,屋面材料为压型钢板复合板,檩条间距1.5m ,屋面坡度i = 1/10,屋面活荷载标准值为0.5kN/m 2,当地基本风压为0.50kN/m 2,屋架简支于钢筋混凝土柱上,混凝土强度等级C30,柱截面400mm ×400mm 。
30m梯形钢屋架结构设计目录一、设计计算资料 (3)二、屋架几何尺寸的确定 (3)三、屋盖支撑布置 (5)四、荷载计算 (7)五、屋架杆件内力计算与组合 (7)六.屋架节点板厚度,杆件截面选择和填板设置。
(10)六、节点设计 (16)七、说明 (19)一、设计计算资料1. 车间平面尺寸为144m×30m ,柱距9m ,跨度为30m ,柱网采用封闭结合。
车间内有两台15t/3t 中级工作制软钩桥式吊车。
2. 屋面采用长尺复合屋面板,板厚50mm ,檩距不大于1800mm 。
檩条采用冷弯薄壁卷边槽钢C200×70×20×2.5,屋面坡度i =l /20~l /8。
3. 钢屋架简支在钢筋混凝土柱顶上,柱顶标高9.000m ,柱上端设有钢筋混凝土连系梁。
上柱截面为400mm×400mm ,所用混凝土强度等级为C30,轴心抗压强度设计值f c =14.3N /mm 2。
抗风柱的柱距为6m ,上端与屋架上弦用板铰连接。
4. 钢材用 Q235-B ,焊条用 E43系列型。
5. 屋架采用平坡梯形屋架,无天窗,外形尺寸如下图所示。
6. 该车间建于杭州近郊。
7. 屋盖荷载标准值:(l) 屋面活荷载 0.50 kN /m 2(2) 基本雪压 s 0 0.45 kN /m 2(3) 基本风压 w 0 0.45 kN /m 2 (4) 复合屋面板自重 0.15 kN /m 2 (5) 檩条自重 查型钢表 (6) 屋架及支撑自重 0.12+0. 01l kN /m 2 8. 运输单元最大尺寸长度为15m ,高度为4.0m 。
二、屋架几何尺寸的确定1.屋架杆件几何长度屋架的计算跨度mm L l 29700300300003000=-=-=,端部高度取mmH 15000=跨中高度为mm 2243H ,5.224220229700150020==⨯+=+=取mm L i H H 。
钢结构梯形屋架课程设计计算书淮阴工学院课程设计计算说明书课程名称:钢结构设计原理设计题目:某梯形钢屋架设计专业层次:土木工程(本科)班级:土木1081姓名:薛倩倩学号:1081401137指导老师:孙文彬2 0 1 0 年1 2 月1、设计资料1)某厂房跨度为24m,总长90m,柱距6m,屋架下弦标高为18m。
2)屋架铰支于钢筋混凝土柱顶,上柱截面400×400,混凝土强度等级为C30。
3)屋面采用1.5×6m的预应力钢筋混凝土大型屋面板(屋面板不考虑作为支撑用)。
4)该车间所属地区辽宁省阜新市。
5)采用梯形钢屋架。
考虑静载:①预应力钢筋混凝土屋面板(包括嵌缝)②二毡三油防水层③20mm厚水泥砂浆找④60mm泡沫混凝土保温层⑤支撑重量;考虑活载:①活载6)地震设防烈度为77)钢材选用Q235钢,焊条为E43型。
2、屋架形式和几何尺寸屋面材料为大型屋面板,故采用无檩体系平破梯形屋架。
屋面坡度i=1/10;屋架计算跨度L0=24000-300=23700mm;端部高度取H=1990mm,中部高度取H=3190mm(为L0/7.4)。
屋架几何尺寸如图1所示:拱50图1:24米跨屋架几何尺寸三、支撑布置由于房屋长度有60米,故在房屋两端及中间设置上、下横向水平支撑和屋架两端及跨中三处设置垂直支撑。
其他屋架则在垂直支撑处分别于上、下弦设置三道系杆,其中屋脊和两支座处为刚性系杆,其余三道为柔性系杆。
(如图2所示)上弦平面支撑布置屋架和下弦平面支撑布置垂直支撑布置4、设计屋架荷载屋面活荷载与雪荷载不会同时出现,从资料可知屋面活荷载大于雪荷载,故取屋面活荷载计算。
由于风荷载为0.35kN/m2 小于0.49kN/m2,故不考虑风荷载的影响。
沿屋面分布的永久荷载乘以1c o s11.004=换算为沿水平投影面分布的荷载。
桁架沿水平投影面积分布的自重(包括支撑)按经验公式(P=0.12+0.011?跨度)计算,跨度单位为m。
钢结构设计计算书姓名:班级:学号:指导教师:一、设计资料:1.结构形式: 某厂房总长度108m,跨度为24m,纵向柱距6m,厂房建筑采用封闭结合。
采用钢筋混凝土柱,梯形钢屋架,柱的混凝土强度等级为C30,上柱截面400mm×400mm,屋面坡度i=1/10。
地区计算温度高于-200C,无侵蚀性介质,地震设防烈度为8度,屋架下弦标高为18m;厂房内桥式吊车为2台50/10t(中级工作制),锻锤为2台5t。
2. 屋架形式及荷载:屋架形式、几何尺寸及内力系数(节点荷载P=1.0作用下杆件的内力)如附图所示。
屋架采用的钢材为Q345A钢,焊条为E50型。
3.屋盖结构及荷载标准值(水平投影面计)无檩体系:采用1.5×6.0m预应力混凝土屋面板,屋架铰支于钢筋混凝土柱上。
荷载:①屋架及支撑自重:按经验公式q=0.12+0.011L,L为屋架跨度,以m为单位,q为屋架及支撑自重,以可kN/m2为单位;②屋面活荷载:施工活荷载标准值为0.7kN/m2,雪荷载的基本雪压标准值为S0=0.35kN/m2,施工活荷载与雪荷载不同时考虑,而是取两者的较大值。
积灰荷载标准值:0.5kN/m2。
③屋面各构造层的荷载标准值:三毡四油(上铺绿豆砂)防水层 0.40kN/m2水泥砂浆找平层 0.50kN/m2保温层 0.80kN/m2一毡二油隔气层 0.05kN/m2水泥砂浆找平层 0.40kN/m2预应力混凝土屋面板 1.50kN/m2④桁架计算跨度:02420.1523.7l=-⨯=m跨中及端部高度:桁架的中间高度: 3.490h=m在23.7m的两端高度:02.005h=m在30m轴线处的端部高度:01.990h=m 桁架跨中起拱50mm二、结构形式与布置图:桁架形式及几何尺寸如图1所示:图1 桁架形式及几何尺寸桁架支撑布置图如图2所示:图2三、荷载计算1、荷载计算:屋面活荷载与雪荷载不会同时出现,从资料可知屋面活荷载大于雪荷载,故取屋面活荷载计算。
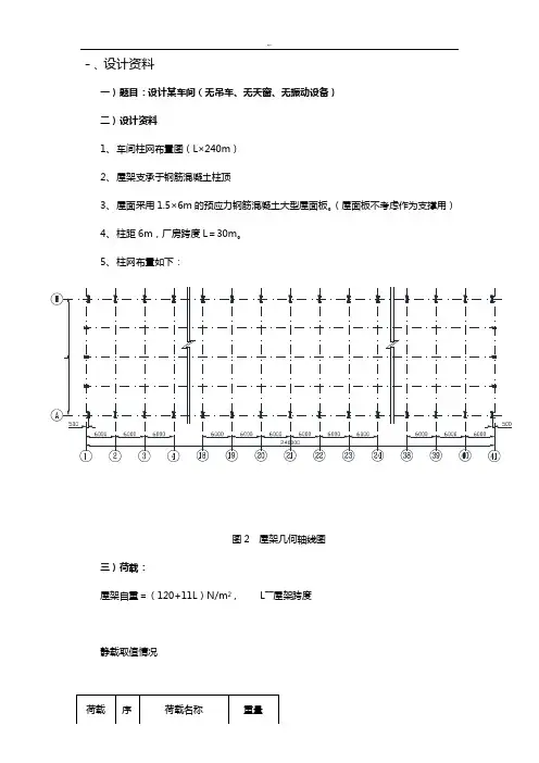
-、设计资料一)题目:设计某车间(无吊车、无天窗、无振动设备)二)设计资料1、车间柱网布置图(L×240m)2、屋架支承于钢筋混凝土柱顶3、屋面采用1.5×6m的预应力钢筋混凝土大型屋面板。
(屋面板不考虑作为支撑用)4、柱距6m,厂房跨度L=30m。
5、柱网布置如下:图2 屋架几何轴线图三)荷载:屋架自重=(120+11L)N/m2 , L――屋架跨度静载取值情况荷载内力系数图:四)设计要求(根据教师指定的一个题目)类型 号静载(Ⅰ)1预应力钢筋混凝土屋面板(包括嵌缝)1000N/m 2 2二毡三油加绿豆沙250N/m23找平层2cm 厚200N/m24保温层700N/m25 支撑重量 50N/m 2 活载(Ⅱ)a b活载 活载+积灰荷载300N/m2500N/m2类型 考虑荷载乙 Ⅰ-1,Ⅰ-2,Ⅰ-3,Ⅰ-4, I-51、屋面支撑布置图2、屋架内力计算3、设计杆件截面4、设计节点5、绘制屋架施工图(A1硫酸图纸或白纸图)二、结构形式与布置屋架形式及几何尺寸见图所示。
屋架支撑布置见下图所示。
屋架上弦支撑布置图符号说明:GWJ-(钢屋架);SC-(上弦支撑):XC-(下弦支撑);CC-(垂直支撑);GG-(刚性系杆);LG-(柔性系杆)图2 屋架支撑布置图三、荷载与内力计算1.荷载计算荷载与雪荷载不会同时出现,故取两者较大的活荷载计算。
永久荷载标准值三毡四油加绿豆沙0.25kN/㎡找平层(20mm厚水泥砂浆)0.2 kN/㎡保温层(120mm厚泡沫混凝土)0.70kN/㎡预应力混凝土大型屋面板 1. 0kN/㎡钢屋架和支撑自重0.05+0.12+0.011×30=0.5kN/㎡总计 2.65kN/㎡可变荷载标准值活荷载0.3kN/㎡总计0.30kN/㎡永久荷载设计值 1.35×2.65=3.577 kN/㎡(由可变荷载控制)可变荷载设计值 1.4×0.3=0.42kN/㎡2.荷载组合设计屋架时,应考虑以下三种组合:组合一全跨永久荷载+全跨可变荷载屋架上弦节点荷载P=(3.577+0.42) ×1.5×6=35.97 kN组合二全跨永久荷载+半跨可变荷载屋架上弦节点荷载P=3.577×1.5×6=32.19 kN1P=0.42×1.5×6=3.78 kN2组合三全跨屋架及支撑自重+半跨大型屋面板重+半跨屋面活荷载屋架上弦节点荷载P=0.5×1.2×1.5×6=5.4 kN3P=(1×1.35+0.42) ×1.5×6=15.59kN43.内力计算本设计采用程序计算杆件在单位节点力作用下各杆件的内力系数,见表1。
2010年1月一 、设计资料某厂房跨度30m ,总长90m ,柱距6 m ,采用梯形钢屋架、1.5×6.0m 预应力混凝土大型屋面板,屋架铰支于钢筋混凝土柱上,上柱截面400×400,混凝土强度等级为C30,屋面坡度为10:1=i 。
地区计算温度高于-200C ,无侵蚀性介质,抗震设防烈度为7度,屋架下弦标高为18m ;厂房桥式吊车为2台150/30t (中级工作制),锻锤为2台5t 。
① 永久荷载:三毡四油(上铺绿豆砂)防水层 0.4 KN/m 2水泥砂浆找平层 0.4 KN/m 2保温层 0.55 KN/m 2一毡二油隔气层 0.05 KN/m 2水泥砂浆找平层 0.3 KN/m 2预应力混凝土大型屋面板 1.4 KN/m2屋架及支撑自重:按经验公式q=0.12+0.011L 计算:0.45KN/m2悬挂管道: 0.15 KN/m 2② 可变荷载:屋面活荷载标准值: 0.7 kN/m 2雪荷载标准值: 0.35 kN/m2积灰荷载标准值: 1.0 KN/m 2钢材采用Q235-B 。
焊条采E43型,手工焊。
桁架计算跨度:l o =30-2⨯0.15=29.7m跨中及端部高度:桁架中间高度: h=3.490m 在29.7m 处的两端高度: h o =2.005m 在30m 处轴线处端部高度: h o =1.990m 桁架跨中起拱60mm (L/500)。
1. 结构形式与布置桁架形式及几何尺寸如图1所示。
桁架支撑布置如图2所示2、荷载计算由于i=1/10,则:α=5.71°,cosα=0.995。
计算竖向节点荷载时,按水平投影面计算。
节点荷载即为1.5m*6m的荷载。
桁架沿水平投影面积分布的自重(包括支撑)按经验公式(P W=0.12+0.011×跨度)计算,跨度单位为米。
恒载计算:防水层(三毡四油): 0.4/0.995=0.402 kN/m2预应力钢筋混凝土大型屋面板: 1.4/0.995=1.407 kN/m2隔气层、找平层: 0.35/0.995=0.3518 kN/m2保温层、找平层: 0.95/0.995=0.9548 kN/m2屋架自重: 0.12+0.011×30=0.45 kN/m2悬挂管道: 0.15/0.995=0.1508 kN/m2以上合计:3.7164kN/m2活载计算:屋面均布活荷载(上人屋面): 0.7 kN/m2积灰荷载: 1.0kN/m2共 1.7 kN/m2设计桁架应考虑以下三种组合:(1)全跨永久荷载+全跨可变荷载(按永久荷载为主控制的组合)全跨节点荷载设计值:F=(1.35×3.716+1.4×0.7×0.7+1.4×0.9×1)×1.5×6=62.6634 KN(2)全跨永久荷载+半跨可变荷载全跨节点永久荷载设计值:对结构不利时:F1,1 =1.35×3.716×1.5×6=45.1494 KN(按永久荷载为主的组合)F1,2 =1.2×3.7164×1.5×6=10.7032KN(按可变荷载为主的组合)对结构有利时:F1,3 =1.0×3.7164×1.5×6=33.4476KN半跨节点可变荷载设计值:F2,1=1.4×(0.7×0.7+0.9×1)×1.5×6=17.514KN(按永久荷载为主的组合) F2,2 =1.4×(0.7+0.9×1)×1.5×6=20.16KN(按可变荷载为主的组合)(3)全跨桁架包括支撑+半跨屋面板自重+半跨屋面活荷载(按可变荷载为主的组合)全跨节点桁架自重设计值:对结构不利时:F3,1 =1.2*0.45*1.5*6=4.86KN对结构有利时:F3,2 =1.0*0.45*1.5*6=4.05KN半跨节点屋面板自重及活荷载设计值:F4 =(1.2*1.4+1.4*.0.5)*1.5*6=21.42Kn(1),(2)为使用阶段荷载情况,(3)为施工阶段荷载情况。
目录1设计资料2结构形式与选型3荷载计算4内力计算5杆件设计6节点设计7 参考文献梯形钢屋架课程设计计算书一、设计资料:该课程设计题目为:普通梯形屋架。
车间柱网布置:长度150m ;柱距6m ;跨度27m1、屋面坡度:1:102、屋面材料:混凝土大型屋面板(包括灌浆)3、荷载标准值1)静载:屋架及支撑自重0.3KN/m²;SBS改性沥青油毛毡防水层0.4KN/m²;20厚水泥砂浆找平层0.4KN/m²;100厚水泥珍珠岩保温层0.4KN/m²冷底子油隔气层0.05KN/m²大型屋面板自重(包括灌缝) 1.4KN/m²管道设备自重0.1 KN/m²2)活载:屋面雪荷载或活荷载最大值0.65KN/m²;积灰荷载1KN/m²;屋面坡度不大,对荷载影响小,不予考虑。
风荷载对屋面为吸力,重屋盖可不考虑。
4、材质Q235B钢,焊条E43系列,手工焊。
二、结构形式与选型根据厂房长度(84m>60m)、跨度及荷载情况,设置上弦横向水平支撑3道,下弦由于跨度为18m故不设下弦支撑。
三、荷载计算荷载计算表:荷载组合方法:1、全跨永久荷载F+全跨可变荷载2F1F1+F2=(4.118+1.47)×1.5×6=50.292kN2、全跨永久荷载F+半跨可变荷载2F1F1=4.118×1.5×6=37.062 kNF2=1.47×1.5×6=13.23 kN3、全跨屋架(包括支撑)自重F+半跨屋面板自重4F+半3跨屋面活荷载F2F2=1.47×1.5×6=13.23 kNF3=0.405×1.5×6=3.645 kNF4=(1.85+0.91)×1.5×6=24.84 kN四、内力计算计算简图如下五、杆件设计:复杆最大内力为326.898 KN ,查课本表7.4,选用中间节点板厚为10mm ,支座板厚为12mm 。
单层工业厂房屋盖结构—30米跨梯形钢屋架设计1.设计资料:1.1由设计任务书的已知条件:某地一机械加工车间,长102m ,跨度30m ,柱距 6m ,车间内设有两台40/10T 中级工作制桥式吊车,轨顶标高18.5m ,柱顶标高27m ,地震设计烈度7度。
采用梯形钢屋架,封闭结合,1.5×6m 预应力钢筋混凝土大型屋面板(1.43/m kN ),上铺100mm 厚泡沫混凝土保温层(容重为13/m kN ),三毡四油(上铺绿豆砂)防水层(0.43/m kN ),找平层2cm 厚(0.33/m kN ),卷材屋面,屋面坡度i=1/10,屋架简支与钢筋混凝土柱上,混凝土强度等级C20,上柱截面400×400mm 。
钢筋选用Q235B ,焊条采用E43型。
屋面活荷载标准值0.73/m kN ,积灰荷载标准值0.63/m kN ,雪荷载为:0.353/m kN ,风荷载为:0.453/m kN 。
1.2屋架计算跨度:mm m m l 7.2915.02300=⨯-=1.3跨中及端部高度:本题设计为无檩屋盖方案,采用平坡梯形屋架,取屋架在30m 轴线处的端部高度mm h 990.1'0=,屋架的中间高度:mm h 490.3=(为5.8/0l ),则屋架在29.7处,两端的高度为mm h 005.20=。
屋架跨中起拱按500/0l 考虑,取60mm 。
屋架形式及几何尺寸如图所示:图1.梯形钢屋架形式和几何尺寸根据厂房长度(102m>60m)、跨度及荷载情况,设置三道上、下弦横向水平支撑。
因柱网采用封闭结合,厂房两端的横向水平支撑设在第一柱间,该水平支撑的规格与中间柱间支撑的规格有所不同。
在所有柱间的上弦平面设置了刚性与柔性系杆,以保证安装时上弦杆的稳定,在各柱间下弦平面的跨中及端部设置了柔性系杆,以传递山墙风荷载。
在设置横向水平支撑的柱间,于屋架跨中和两端各设一道垂直支撑。
1设计资料某单跨单层厂房,跨度L=30,长度54m,柱距6m,厂房内无吊车、无振动设备,屋架采用梯形钢桁架,铰接于混凝土柱上,上柱截面尺寸为400*400,屋面采用1.5×6.0m太空轻质大型屋面板。
屋面坡度i=1/11,雪荷载为0.30kN/m2,钢材采用Q235-BF,焊条采用E43型,手工焊。
柱网布置如图1所示。
图1 柱网布置图2屋架形式、尺寸、材料选择及支撑布置采用平坡梯形屋架,i=1/11,屋架计算跨度,端部高度取,中部高度取,根据荷载性质,钢材可采用Q235-BF,屋架连接方法采用焊接,焊条可选用E43型,手工焊。
根据车间长度、屋架跨度和荷载情况,设置上、下弦横向水平支撑、垂直支撑和系杆,如下图所示。
屋脊节点及屋架支座处沿厂房通长设置刚性系杆,屋架下弦沿跨中通长设一道柔性系杆。
凡与支撑连接的屋架可编号为GWJ—2,其它编号均为GWJ—l。
3荷载和内力计算3.1永久荷载标准值大型屋面板0.902 kN/m2防水层0.10kN/m212屋架及支撑自重 0.15kN/m 2 悬挂管道 0.05kN/m 2总计 1.202 kN/m 23.2 可变荷载标准值雪荷载 0.30 kN/m 2 屋面活荷载 0.54 kN/m 23.3 荷载组合3.3.1 全跨永久荷载+全跨可变荷载全跨节点永久荷载及可变荷载设计值: 按永久荷载效应控制的组合按可变荷载效应控制的组合永久荷载荷载分项系数 ;屋面活荷载或雪荷载,荷载分项系数;组合系数1 1.4Q γ=;组合系数10.7ψ=; 3.3.2全跨永久荷载+半跨可变荷载全跨永久荷载设计值: 对结构不利时对结构有利时半跨可变设计值:3.3.3 全跨屋架和支撑自重+半跨屋面板自重+半跨屋面活荷载全跨节点桁架自重设计值:对结构不利时 对结构有利时半跨节点屋面自重和屋面活荷载:综合以上三种组合,故节点荷载取19.8KN,支座反力为。
3.4内力计算用电算法可解出全跨荷载作用下屋架杆件内力,图2 屋架几何尺寸及内力图图3 上弦横向水平支撑布置图图4 屋架、下弦水平支撑布置图34图5 1-1、2-2剖面图4 杆件截面设计腹杆最大内力219.7KN ,查表7.4,选用节点板厚度为t=8mm ,支座节点板厚度10mm 。
钢结构课程设计梯形钢屋架计算书所在学院建筑工程学院所属专业土木工程班级学号土木10-3 24 学生姓名郑春旭指导教师黄雪芳王晓东设计时间-、设计资料1、某工厂车间,采用梯形钢屋架无檩屋盖方案,厂房跨度取27m,长度为102m,柱距6m。
采用×6m预应力钢筋混凝土大型屋面板,保温层、找平层及防水层自重标准值为m2。
屋面活荷载标准值为m2,雪荷载标准值m2,积灰荷载标准值为m2,轴线处屋架端高为,屋面坡度为i=1/12,屋架铰接支承在钢筋混凝土柱上,上柱截面400mm×400mm,混凝土标号为C25。
钢材采用Q235B级,焊条采用E43型。
2、屋架计算跨度:Lo=27m-2×=3、跨中及端部高度:端部高度:h′=1900mm(端部轴线处),h=1915mm(端部计算处)。
屋架中间高度h=3025mm。
二、结构形式与布置屋架形式及几何尺寸如图一所示:图一屋架形式及几何尺寸屋架支撑布置如图二所示:图二-1 屋架上弦支撑布置图图二-2 屋架下弦支撑分布图图二-3 屋架垂直支撑符号说明:GWJ-(钢屋架);SC-(上弦支撑);XC-(下弦支撑);CC-(垂直支撑);GG-(刚性系杆);LG-(柔性系杆)。
三、荷载与内力计算1、荷载计算荷载与雪荷载不同时考虑,故计算时取两者较大的荷载标准值计算。
由资料可知屋面活荷载等于雪荷载,所以取 kN/㎡计算。
标准永久荷载:防水层、找平层、保温层㎡预应力混凝土大型屋面板㎡钢屋架和支撑自重 +×27=㎡总计: ㎡`标准可变荷载:屋面活荷载 kN/㎡积灰荷载㎡总计: ㎡2、荷载组合设计桁架时,应考虑以下三种组合:①全跨永久荷载+全跨可变荷载 (按永久荷载为主控制的组合) :全跨节点荷载设计值:F=×+××+××××6=②全跨永久荷载+半跨可变荷载:全跨节点永久荷载设计值:对结构不利时:=×××6= kN(按永久荷载为主的组合)=×××6=(按可变荷载为主的组合)对结构有利时:=×××6=半跨节点可变荷载设计值:= ××+×××6=(按永久荷载为主的组合)=×(+×)××6=(按可变荷载为主的组合)③全跨屋架包括支撑自重+半跨屋面板自重+半跨屋面活荷载(按可变荷载为主的组合):全跨节点屋架自重设计值:对结构不利时:=×××6=对结构有利时:=×××6=半跨节点屋面板自重及活荷载设计值:F4=×+×××6=其中①②为使用阶段荷载情况,③施工阶段荷载情况。
钢结构设计计算书姓名:班级:学号:指导教师:一、设计资料:1.结构形式: 某厂房总长度108m,跨度为24m,纵向柱距6m,厂房建筑采用封闭结合。
采用钢筋混凝土柱,梯形钢屋架,柱的混凝土强度等级为C30,上柱截面400mm×400mm,屋面坡度i=1/10。
地区计算温度高于-200C,无侵蚀性介质,地震设防烈度为8度,屋架下弦标高为18m;厂房内桥式吊车为2台50/10t(中级工作制),锻锤为2台5t。
2. 屋架形式及荷载:屋架形式、几何尺寸及内力系数(节点荷载P=1.0作用下杆件的内力)如附图所示。
屋架采用的钢材为Q345A钢,焊条为E50型。
3.屋盖结构及荷载标准值(水平投影面计)无檩体系:采用1.5×6.0m预应力混凝土屋面板,屋架铰支于钢筋混凝土柱上。
荷载:①屋架及支撑自重:按经验公式q=0.12+0.011L,L为屋架跨度,以m为单位,q为屋架及支撑自重,以可kN/m2为单位;②屋面活荷载:施工活荷载标准值为0.7kN/m2,雪荷载的基本雪压标准值为S0=0.35kN/m2,施工活荷载与雪荷载不同时考虑,而是取两者的较大值。
积灰荷载标准值:0.5kN/m2。
③屋面各构造层的荷载标准值:三毡四油(上铺绿豆砂)防水层 0.40kN/m2水泥砂浆找平层 0.50kN/m2保温层 0.80kN/m2一毡二油隔气层 0.05kN/m2水泥砂浆找平层 0.40kN/m2预应力混凝土屋面板 1.50kN/m2④桁架计算跨度:02420.1523.7l=-⨯=m跨中及端部高度:桁架的中间高度: 3.490h=m在23.7m的两端高度:02.005h=m在30m轴线处的端部高度:01.990h=m 桁架跨中起拱50mm二、结构形式与布置图:桁架形式及几何尺寸如图1所示:图1 桁架形式及几何尺寸桁架支撑布置图如图2所示:图2三、荷载计算1、荷载计算:屋面活荷载与雪荷载不会同时出现,从资料可知屋面活荷载大于雪荷载,故取屋面活荷载计算。
钢结构课程设计-、设计资料1、已知条件:梯形钢屋架跨度30m,长度72m,柱距6m。
该车间内设有两台200/50 kN中级工作制吊车,轨顶标高为8.000 m。
冬季最低温度为-20℃,地震设计烈度为6度,设计基本地震加速度为0.1g。
采用1.5m×6m预应力混凝土大型屋面板,80mm厚泡沫混凝土保温层,卷材屋面,屋面坡度i=1/10。
屋面活荷载标准值为0.7 kN/m2,雪荷载标准值为0.65 kN/m2。
屋架铰支在钢筋混凝土柱上,上柱截面为400 mm×400 mm,混凝土标号为C25。
钢材采用Q235B级,焊条采用E43型。
2、屋架计算跨度:Lo=30-2×0.15=29.7m,3、跨中及端部高度:端部高度:h`=1900mm(轴线处),h=1915mm(计算跨度处)。
屋架的中间高度h=3400mm,屋架跨中起拱按Lo/500考虑,取60mm。
二、结构形式与布置图1 屋架形式及几何尺寸符号说明:GWJ-(钢屋架);SC-(上弦支撑):XC-(下弦支撑);CC-(垂直支撑);GG-(刚性系杆);LG-(柔性系杆)图2 屋架支撑布置图三、荷载与内力计算1.荷载计算荷载与雪荷载不会同时出现,故取两者较大的活荷载计算。
永久荷载标准值SBS改型沥青油毡防水层0.40kN/㎡找平层(20mm厚水泥砂浆)0.02×20=0.40kN/㎡保温层(100mm厚水泥珍珠岩)0.1×6=0.6kN/㎡隔气层(冷底子油)0.05 kN/㎡混凝土大型屋面板(包括灌浆) 1.40kN/㎡钢屋架和支撑自重0.12+0.011×30=0.45kN/㎡管道设备自重0.10 kN/㎡总计 3.23kN/㎡`可变荷载标准值屋面活荷载0.70 kN/㎡积灰荷载0.60kN/㎡总计 1.3kN/㎡永久荷载设计值 1.35×3.23=4.36kN/㎡可变荷载设计值 1.4×1.3=1.82kN/㎡2.荷载组合设计屋架时,应考虑以下三种组合:①全跨永久荷载+全跨可变荷载全跨节点永久荷载及可变荷载:F=(4.36+1.82) ×1.5×6=55.62kN②全跨永久荷载+半跨可变荷载全跨节点永久荷载:F1=4.36×1.5×6=39.24 kN半跨节点可变荷载:F2=1.82×1.5×6=16.38 kN③全跨屋架及支撑自重+半跨大型屋面板重+半跨屋面活荷载全跨节点屋架及支撑自重:F3 =0.45×1.35×1.5×6=5.47kN半跨大型屋面板重及活荷载:F4=(1.4×1.35+0.7×1.4) ×1.5×6= 25.83kN 3.内力计算四、杆件截面设计腹杆最大内力,N=-630.83KN ,由屋架节点板厚度参考可知:支座节点板刚度取14mm ;其余节点板与垫板厚度取12mm 。
-、设计资料1、某工厂车间,采用梯形钢屋架无檩屋盖方案,厂房跨度取27m,长度为102m,柱距6m。
采用1.5m×6m预应力钢筋混凝土大型屋面板,保温层、找平层及防水层自重标准值为1.3kN/m2。
屋面活荷载标准值为0.5kN/m2,雪荷载标准值0.5kN/m2,积灰荷载标准值为0.6kN/m2,轴线处屋架端高为1.90m,屋面坡度为i=1/12,屋架铰接支承在钢筋混凝土柱上,上柱截面400mm×400mm,混凝土标号为C25。
钢材采用Q235B级,焊条采用E43型。
2、屋架计算跨度:Lo=27m-2×0.15m=26.7m3、跨中及端部高度:端部高度:h′=1900mm(端部轴线处),h=1915mm(端部计算处)。
屋架中间高度h=3025mm。
二、结构形式与布置屋架形式及几何尺寸如图一所示:2、荷载组合设计桁架时,应考虑以下三种组合:①全跨永久荷载+全跨可变荷载 (按永久荷载为主控制的组合) :全跨节点荷载设计值:F=(1.35×3.12+1.4×0.7×0.5+1.4×0.9×0.6) ×1.5×6=49.122kN图三桁架计算简图本设计采用程序计算结构在单位节点力作用下各杆件的内力系数,见表一。
1、上弦杆:整个上弦杆采用相等截面,按最大设计内力IJ 、JK 计算,根据表得: N = -1139.63KN ,屋架平面内计算长度为节间轴线长度,即:ox l =1355mm ,本屋架为无檩体系,认为大型屋面板只起刚性系杆作用,不起支撑作用,根据支撑布置和内力变化情况,取屋架平面外计算长度oy l 为支撑点间的距离,即:oy l =3ox l =4065mm 。
根据屋架平面外上弦杆的计算长度,上弦截面宜选用两个不等肢角钢,且短肢相并,如图四所示:图四 上弦杆腹杆最大内力N =-574.7KN ,查表可知,中间节点板厚度取12mm ,支座节点板厚度取14mm 。
第一章:设计资料某单跨单层厂房,跨度L=24m,长度54m,柱距6m,厂房内无吊车、无振动设备,屋架铰接于混凝土柱上,屋面采用1.5*6.0m太空轻质大型屋面板。
钢材采用Q235-BF,焊条采用E43型,手工焊。
柱网布置如图2.1所示,杆件容许长度比:屋架压杆【λ】=150屋架拉杆【λ】=350。
第二章:结构形式与布置2.1 柱网布置图2.1 柱网布置图2.2屋架形式及几何尺寸由于采用大型屋面板和油毡防水屋面,故选用平坡梯形钢屋架,未考虑起拱时的上弦坡度i=1/10。
屋架跨度l=24m,每端支座缩进0.15m,计算跨度l0=l-2*0.15m=23.7m;端部高度取H0=2m,中部高度H =3.2m;起拱按f=l0/500,取50mm,起拱后的上弦坡度为1/9.6。
配合大型屋面板尺寸(1.5*6m),采用钢屋架间距B=6m,上弦节间尺寸1.5m。
选用屋架的杆件布置和尺寸如施工图所示。
图2.2 屋架的杆件尺寸2.3支撑布置由于房屋较短,仅在房屋两端5.5m开间内布置上、下弦横向水平支撑以及两端和中央垂直支撑,不设纵向水平支撑。
中间各屋架用系杆联系,上下弦各在两端和中央设3道系杆,其中上弦屋脊处与下弦支座共三道为刚性系杆。
所有屋架采用统一规格,但因支撑孔和支撑连接板的不同分为三个编号:中部6榀为WJ1a ,设6道系杆的连接板,端部第2榀为WJ1b,需另加横向水平支撑的的连接螺栓孔和支撑横杆连接板;端部榀(共两榀)为WJ1c。
图2.3 上弦平面12W J 1cW J 1bW J 1aW J 1aW J 1aW J 1aW J 1aW J 1b1W J 1c2W J 1a1---12---2图2.3下弦平面与剖面第三章:荷载计算及杆件内力计算 3.1屋架荷载计算表3.1 屋架荷载计算表 分类荷载项目名称荷载大小(KN/m 2)组合系数(KN/m 2) 组合值(KN/m 2)恒载1 太空轻质大型屋面板 0.85 1.351.148 2 防水层0.100.1353 屋架及支撑自重0.150.2034 悬挂管道 0.05 0.068 和 ――1.15 1.553 活载 屋面活荷载 0.5 1.4 0.70 总荷载――――――2.253.2屋架杆件内力系数屋架上弦左半跨单位节点荷载作用下的杆件内力系数经计算如图所示。
单层工业厂房屋盖结构—30米跨梯形钢屋架设计1.设计资料:1.1由设计任务书的已知条件:某地一机械加工车间,长102m ,跨度30m ,柱距 6m ,车间内设有两台40/10T 中级工作制桥式吊车,轨顶标高18.5m ,柱顶标高27m ,地震设计烈度7度。
采用梯形钢屋架,封闭结合,1.5×6m 预应力钢筋混凝土大型屋面板(1.43/m kN ),上铺100mm 厚泡沫混凝土保温层(容重为13/m kN ),三毡四油(上铺绿豆砂)防水层(0.43/m kN ),找平层2cm 厚(0.33/m kN ),卷材屋面,屋面坡度i=1/10,屋架简支与钢筋混凝土柱上,混凝土强度等级C20,上柱截面400×400mm 。
钢筋选用Q235B ,焊条采用E43型。
屋面活荷载标准值0.73/m kN ,积灰荷载标准值0.63/m kN ,雪荷载为:0.353/m kN ,风荷载为:0.453/m kN 。
1.2屋架计算跨度:mm m m l 7.2915.02300=⨯-=1.3跨中及端部高度:本题设计为无檩屋盖方案,采用平坡梯形屋架,取屋架在30m 轴线处的端部高度mm h 990.1'0=,屋架的中间高度:mm h 490.3=(为5.8/0l ),则屋架在29.7处,两端的高度为mm h 005.20=。
屋架跨中起拱按500/0l 考虑,取60mm 。
屋架形式及几何尺寸如图所示:图1.梯形钢屋架形式和几何尺寸根据厂房长度(102m>60m)、跨度及荷载情况,设置三道上、下弦横向水平支撑。
因柱网采用封闭结合,厂房两端的横向水平支撑设在第一柱间,该水平支撑的规格与中间柱间支撑的规格有所不同。
在所有柱间的上弦平面设置了刚性与柔性系杆,以保证安装时上弦杆的稳定,在各柱间下弦平面的跨中及端部设置了柔性系杆,以传递山墙风荷载。
在设置横向水平支撑的柱间,于屋架跨中和两端各设一道垂直支撑。
梯形钢屋架支撑布置如图下图所示:图2.桁架上弦支撑布置图桁图3.架下弦支撑布置图图4.垂直支撑1-1图5.垂直支撑2-2SC-上弦支撑;XC-下弦支撑;CC-垂直支撑;GC-刚性系杆;LG-柔性系杆3.荷载计算屋面和荷载与雪荷载不会同时出现,计算时,取较大的荷载标准值进行计算。
故取屋面活荷载0.7kN/2m 进行计算。
屋架沿水平投影面积分布的自重(包括支撑)按经验公式2l)kN/m 0.011(0.117g ⋅+=计算,跨度单位为m 。
表 1 荷 载 计 算 表荷载名称标准值(kN/2m ) 设计值(kN/2m ) 预应力混凝土大型屋面板 1.4 1.4×1.35=1.89 三毡四油防水层 0.4 0.4×1.35=0.54 找平层(厚2cm ) 0.3 0.3×1.35=0.405 10mm 厚泡沫混凝土保温层 0.10.1×1.35=0.35 屋架和支撑自重 0.117+0.011×30=0.447 0.447×1.35=0.603 永久荷载总和 2.647 3.573屋面活荷载 0.7 0.7×1.4=0.98 积灰荷载 0.6 0.6×1.4=0.84 可变荷载总和1.31.82设计屋架时,应考虑以下三种荷载组合:3.1.全跨永久荷载 + 全跨可变荷载全跨节点永久荷载及可变荷载:kN 47.78161.50.90.840.983.573 F =⨯⨯⨯++=)(3.2.全跨永久荷载 + 半跨可变荷载全跨节点永久荷载:kN 32.157 61.53.573 F 1=⨯⨯=半跨节点可变荷载:kN 16.3861.51.82 F 2=⨯⨯=3.3.全跨屋架(包括支撑)自重+半跨屋面板自重+半跨屋面活荷载:全跨节点屋架自重:kN 5.427 61.50.603 F 3=⨯⨯=半跨节点屋面板自重及活荷载:kN 25.8361.50.981.89 F 4=⨯⨯+=1、2为使用节点荷载情况,3为施工阶段荷载情况。
4.内力计算屋架在上述三种荷载组合作用下的计算简图如图所示:图6.屋架计算简图由图解法或数解法解得F=1的屋架各杆件的内力系数(F=1作用于全跨、左半跨和右半跨)。
然后求出各种荷载情况下的内力进行组合,计算结果见表2 屋 架 构 件 内 力 组 合 表5.杆件设计 5.1上弦杆:全跨①左半跨② 右半跨③1F ×①+2F ×② 1F ×①+2F ×③ 3F ×①+4F ×② 3F ×①+4F ×③上 弦 AB BC 、CD DE 、EF FG 、GH HI IJ 、JK 0 -11.35 -18.19 -21.53 -22.36 -22.73 0 -8.49 -13.08 -14.62 -13.98 -14.39 -0.01 -3.45 -6.25 -8.46 -10.25 -10.20 0 -542.31 -869.14 -1028.72 -1068.38 -1086.060 -504.05 -799.19 -931.82-948.02 -966.64-0.17 -421.49 -687.31 -830.92 -886.93 -898.01 0 -280.89 -436.57 -494.47 -482.45 -495.05 -0.26 -150.71 -260.16 -335.37 -386.11 -386.82 -0.26-542.31 -869.14 -1028.72 -1068.38 -1086.06 下弦abbc cd de ef 6.33 15.36 20.21 22.12 21.234.84 11.30 14.14 14.44 11.681.83 4.98 7.43 9.39 11.68 302.45 733.92 965.65 1056.92 1014.39 282.83 679.03 881.51 947.84 874.01 233.53 575.50 771.60 865.12 874.01159.37 375.24 474.92 493.03 416.9181.62 211.99 301.60 362.59 416.91302.45 733.92 965.65 1056.92 1014.39斜腹杆aB Bb bD Dc cF Fd dH He eg gK gI-11.34 8.81 -7.55 5.39 -4.23 2.62 -1.51 0.29 1.53 2.16 0.49 -8.66 6.47 -5.23 3.39 -2.25 0.88 0.22 -1.25 3.40 4.07 0.54-3.27 2.87 -2.84 2.44 -2.43 2.13 -2.12 1.89-2.28-2.32-0.06-541.84 420.95 -360.75 257.54 -202.11 125.19 -72.15 13.8673.10103.2123.41 -506.51 389.28 -328.45 228.85 -172.88 98.67 -44.95 -11.15104.89136.1324.60-418.22 330.31 -289.31 213.29 -175.83 119.14 -83.28 40.28 11.85 31.46 14.77 -285.23 214.93 -176.07 116.82 -81.07 36.95 -2.51 -30.71 96.13 116.85 16.61 -146.01 121.94 -114.33 92.28 -85.72 69.24 -62.95 50.39 -50.59 -48.20 1.11 -541.84 420.95 -360.75 257.54 -202.11 125.19 -83.28 50.39 -30.71 104.89 -50.59 136.13 -48.20 24.60 竖 杆 Aa Cb 、Ec Gd Jg Ie Kf -0.55 -1.00 -0.98 -0.85-1.42 0.02 -0.54 -0.99 -0.98 -0.90 -1.43 00 0 0 0 0 0-26.28 -47.78 -46.83 -40.61 -67.85 0.96-26.53 -48.37 -47.57 -42.08 -69.09 0.64-17.69 -32.16 -31.51 -27.33 -45.66 0.64-16.93 -31.00 -30.63 -27.86 -44.64 0.11-2.98 -5.43 -5.32 -4.61 -7.71 0.11-26.53 -48.37 -47.57 -42.08 -69.09 0.96整个上弦采用等截面,按IJ 、JK 杆件的最大设计内力设计。
N =-1086.06kN上弦杆计算长度:在屋架平面内:为节间轴线长度508.1l l o ==ox在屋架平面外:本屋架为无檩体系,并且认为大型屋面板只起到刚性系杆作用,根据支持布置和内力变化情况,取oy l 为支撑点间的距离,mm522.4508.12507.1l oy =+⨯=根据屋架平面外上弦杆的计算长度,上弦截面选用两个不等肢角钢,短肢相并。
腹杆最大内力N =-541.84kN ,查表得,中间节点板厚度选用12mm ,支座节点板厚度选用14mm 。
设60l =,查Q235钢的稳定系数表,可得0.807=ϕ(由双角钢组成的T 型和十字形截面均属于b 类),则需要的截面积:26259.5mm 215173.50506.1086N A =⨯==f ϕ需要的回转半径:2oxmm 1.5260508.1l i ===λx ,2oy mm 4.5760522.4l i ===λy根据需要A 、y x i i 、查角钢规格表,选用2L180×110×12,肢背间距a =12mm ,则 A =67.422cm ,cm 10.3 i x =,cm .748 i y =按所选角钢进行验算: 48.6531.01508i l ox ===x x λ 76.514.874522i l oy ===yy λ满足长细比≤][λ=150的要求。
由于x y λλ>,只需求y ϕ。
查表y ϕ=0.847,则a a a MP 215MP 19.901MP 7426847.01086060A N y <=⨯==ϕσ所选截面合适,上弦截面如图所示:图7.上弦截面5.2下弦杆:整个下弦杆采用同一截面,按最大内力所在的de 杆计算。
N kN 10569201056.92N ==3000mm l =ox ,mm 14850229700l l o ===oy(因跨中有通长系杆),所需截面积为:2249.16cmmm 91.9154215105690N A ====f选用2L180×110×10,因ox oy l l 〉〉,故用不等肢角钢,短肢相并。