钢结构屋架设计计算书Word 文档
- 格式:doc
- 大小:1.25 MB
- 文档页数:17
1 设计资料1.1 基本资料①某厂房总长度90m,纵向柱距6m,跨度L=18m,屋盖体系为无檩体系,纵向柱距6m。
②结构形式:钢筋混凝土柱,梯形钢屋架。
柱的混凝土强度等级为C30,屋面坡度i=L/10;屋架铰接于柱上。
地区计算温度高于-200C,无侵蚀性介质,地震设防烈度为8度,屋架下弦标高为10m;厂房内无吊车梁。
③屋盖结构为无檩体系:采用1.5×6.0m预应力混凝土屋板(考虑屋面板起系杆作用)。
荷载:屋架及支撑自重:按经验公式q=0.12+0.011L,L为屋架跨度,以m为单位,q为屋架及支撑自重,以kN/m2为单位;雪荷载的基本雪压标准值为S0=0.55kN/m2,不考虑施工活荷载,积灰荷载0.2kN/m21.2 荷载标准值屋面各构造层的荷载标准值:三毡四油(上铺绿豆砂)防水层0.4kN/m2保温层0.4kN/m2一毡二油隔气层0.1kN/m2水泥砂浆找平层0.1kN/m2预应力混凝土屋面板 1.45kN/m22 结构形式与布置2.1屋架形式屋面材料为预应力混凝土大型屋面板,采用无檩屋盖体系,梯形钢屋架,屋面坡度i=L/10 ,L为屋架跨度。
2.2屋架尺寸的确定屋架计算跨度。
mm L l 17700300180003000=-=-=屋架端部高度取:H O =19900mm,中部高度取H=2890mm屋架高跨比:16.01770028850==l H 。
屋架跨中起拱,36500/mm l f ==。
为了使屋架节点受荷,配合屋面板1.5m 宽,腹杆体系大部分采用下弦节间水平尺寸为3.0m 的人字形式,上弦节间水平尺寸为 1.5m ,屋架几何尺寸及内力值如图所示。
15图1 18m 跨屋架几何尺寸02.279图2 18m 跨屋架全跨单位荷载作用下各杆件的内力值A acege 'c 'a '+2.5370.000-4.371-5.636-4.551-3.357-1.8500.00-4.754-1.862+0.615+1.170+1.344+1.581+3.158+0.540-1.632-1.305-1.520-1.748-1.0-1.0+0.4060.000.00-0.5+5.325+5.312+3.967+2.637+0.933B C D E F G F 'E 'D 'C 'B 'A '0.51.01.01.01.01.01.0图3 18m 跨屋架半跨单位荷载作用下各杆件的内力值2.3钢材和焊条的选用根据计算温度、荷载性质和连接方法,屋架刚材采用 Q345沸腾钢,要求保证屈服强度 fy 、抗拉强度 fu 、伸长率δ和冷弯实验四项机械性能及硫(S )、磷(P )、碳(C )三项化学成分的合格含量。
一、结构形式及支撑布置桁架的几何尺寸如下图1.1所示:图1.1 桁架形式及几何桁架支撑布置如图1.2所示:二、荷载计算永久荷载:屋架及支撑自重:0.12+0.011*21=0.351压型钢板:檩条自重(间距1.5m ):0.333kn/2m 保温层荷载: 0.65 kn/2m 恒荷载总和: 1.485 kn/2m 可变荷载:屋面活荷载(雪荷载): 0.5 kn/2m 积灰荷载: 0.8 kn/2m 可变荷载总和: 1.3 kn/2m 风荷载:风压高度变化系数为1.0,迎风面体形系数为-0.6,背风面体形系数为-0.5,故负风设计值为(垂直屋面):迎风面: 1ω=-1.4*0.6*1.0*0.5=0.42 kn/2m 背风面: 2ω=-1.4*0.5*1.0*0.5=0.35 kn/2m 屋架计算跨度:030020.7l l m =-= 考虑以下两种荷载组合 ① 全跨永久荷载+全跨可变荷载由可变荷载控制的组合:(1.20.90.8)6=30.9kn F =⨯1.485+1.4⨯0.5+1.4⨯⨯⨯(21-0.3)/14⨯ 有永久荷载控制的组合:(1.350.90.8)6=15.2kn F =⨯1.485+1.4⨯0.5⨯0.7+1.4⨯⨯⨯(21-0.3)/14⨯ ② 全跨永久荷载+半跨可变荷载 永久荷载:1F =1.2⨯1.485⨯21-0.3)/14⨯6=15.8KN (可变荷载:2F 1.40.5+1.40.9210.3/14615.2KN =⨯⨯⨯0.8⨯-⨯=()()三、内力计算(e) 21米跨屋架全跨单位荷载几何尺寸作用下各杆件的内力值(f) 21米跨屋架半跨单位荷载作用下各杆件的内力值内力计算结果如表:四、杆件设计 ⑴上弦杆:整个上弦杆采用相等截面,max N =-378.8KN ox l =150.75cm oy l =2ox l =301.5cm 设λ=100,查表可知为b 类截面,,ϕ=0.422 需要截面积A=32378.829.00.422310N cm f ⨯10==ϕ⨯需要的回转半径:150.75 1.51100x ox l i cm ===λ 301.53.01100oy y l i cm ===λ 根据需要的A 、x i 、y i 查用钢规格表,选用2∟100×80×8(短边相并),A=227.8cm ,x i =2.37cm ,y i =4.66cm ,150.7563.62.37ox λλ==<[]=150 []301.564.71504.66oy λλ==<= 由10.5610012.516.98oy l btb ==<= 则近似64.7yz y λλ== 查表得ϕ=0.782 则3222378.810174.2/310/0.78227.810N N mm N mm f σ=ϕ⨯==<⨯⨯填板每个节间放一块,175.440 3.15126l cm cm =<⨯= ⑵下弦杆:整个下弦杆采用同一截面,max N =372.0KN ox l =300cm oy l =600cm 设λ=100,查表可知为b类截面,,ϕ=0.422 需要截面积A=3223721028.40.42231010N cm f ϕ⨯==⨯⨯ 需要的回转半径:3003100x ox l i cm ===λ 6006100oy y l i cm ===λ 根据需要的A 、x i 、y i 查用钢规格表,选用2∟100×110×10(短边相并),A=256.8cm ,x i =3.13cm ,y i =8.71cm ,300963.13x λλ==<[]=350 []60068.93508.71y λλ==<= 由10.561801818.710oy l btb ==<= 则近似68.9yz y λλ== 查表得ϕ=0.707 则32223721092.6/310/0.70756.810N N mm N mm f σ=ϕ⨯==<⨯⨯ 填板每个节间放一块,1300 5.8464l cm cm =<80⨯= ⑶斜腹杆①杆件aB :N=-239.0KN ox l =253cm oy l =253cm 设λ=100,查表可知为b类截面,,ϕ=0.422 需要截面积A=3222391018.30.42231010N cm f ϕ⨯==⨯⨯ 需要的回转半径: 2532.53100oy x y l i i cm ====λ根据需要的A 、x i 、y i 查用钢规格表,选用2∟100×63×6(长边相并),A=219.24cm ,x i =3.21cm ,y i =2.53cm ,25378.83.21x λλ==<[]=150 2531002.53y λλ==<[]=150由10.566.310.522.50.6oy l b tb ==<= 则近似 100yz y λλ== 查表得ϕ=0.555 则322223910223.8/310/0.55519.2410N N mm N mm f σ=ϕ⨯==<⨯⨯ 填板放两块, 184.3 3.21128.4l cm cm =<40⨯=②杆件gH :40.3N KN = 0.80.8339271.2ox l l cm ==⨯= 339oy l l == 设λ=100,查表可知为b类截面,,ϕ=0.422 需要截面积A=32240.310 3.10.42231010N cm f ϕ⨯==⨯⨯ 需要的回转半径: 271.2 2.71100x oxl i cm λ=== 3393.39100oy y l i cm ===λ 根据需要的A 、x i 、y i 查用钢规格表,选用2∟75×5,A=214.8cm ,x i =2.32cm ,y i =3.33cm ,271.211.72.32x λλ==<[]=150 []339101.81503.33y λλ==<= 由10.587.510.726.20.7oy l b t b ==<= 则近似4422220.4750.4757.51101.81104.53390.7yz y oy b l t λλ⎛⎫⎛⎫⨯=+=⨯+= ⎪ ⎪ ⎪⨯⎝⎭⎝⎭查表得ϕ=0.470则322240.31057.9/310/0.47014.810N N mm N mm f σ=ϕ⨯==<⨯⨯ 填板放三块, 184.8 2.392l cm cm =<40⨯=③杆件Gg:N=-31.1KN 0.80.8289231.2ox l l cm ==⨯= 289oy l l cm == 设λ=100,查表可知为b类截面,,ϕ=0.422 需要截面积A=32231.110 2.40.42231010N cm f ϕ⨯==⨯⨯ 需要的回转半径: 231.2 2.31100xoxl i cm λ=== 289 2.89100oy yl i cm ===λ 根据需要的A 、x i 、y i 查用钢规格表,选用2∟75×5,A=214.8cm ,x i =2.32cm ,y i =3.33cm ,231.299.72.32x λλ==<[]=350 []28986.83503.33y λλ==<=由 10.587.510.722.30.7oy l b t b ==<= 则近似 4422220.4750.4757.5186.81902890.7yz y oy b l t λλ⎛⎫⎛⎫⨯=+=⨯+= ⎪ ⎪ ⎪⨯⎝⎭⎝⎭查表得ϕ=0.621则σ=322231.31033.8/310/0.62114.810N N mm N mm f ϕ⨯==<⨯⨯ 填板放三块,172.25 2.392l cm cm =<40⨯=其余杆件截面选择见下表,需要注意的是连接垂直支撑的中央竖杆采用十字形截面,其斜截面计算长度0.9ox l l =,其余杆件除Aa 、Ba 、gH 外,0.8ox l l =。
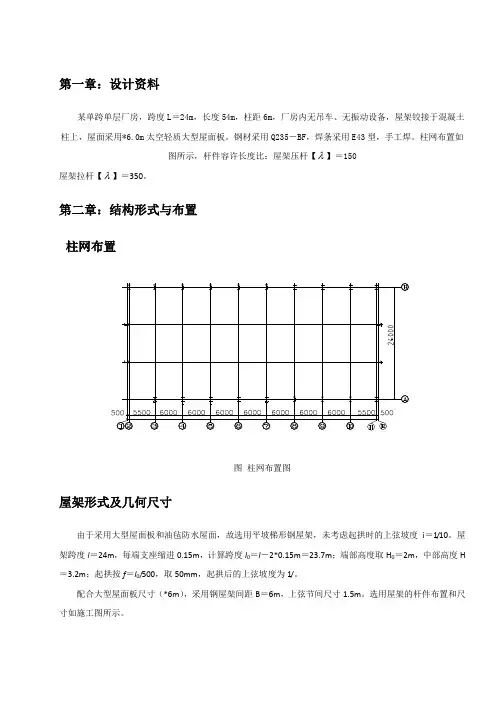
第一章:设计资料某单跨单层厂房,跨度L=24m,长度54m,柱距6m,厂房内无吊车、无振动设备,屋架铰接于混凝土柱上,屋面采用*6.0m太空轻质大型屋面板。
钢材采用Q235-BF,焊条采用E43型,手工焊。
柱网布置如图所示,杆件容许长度比:屋架压杆【λ】=150屋架拉杆【λ】=350。
第二章:结构形式与布置柱网布置图柱网布置图屋架形式及几何尺寸由于采用大型屋面板和油毡防水屋面,故选用平坡梯形钢屋架,未考虑起拱时的上弦坡度i=1/10。
屋架跨度l=24m,每端支座缩进0.15m,计算跨度l0=l-2*0.15m=23.7m;端部高度取H0=2m,中部高度H =3.2m;起拱按f=l0/500,取50mm,起拱后的上弦坡度为1/。
配合大型屋面板尺寸(*6m),采用钢屋架间距B=6m,上弦节间尺寸1.5m。
选用屋架的杆件布置和尺寸如施工图所示。
图屋架的杆件尺寸支撑布置由于房屋较短,仅在房屋两端5.5m开间内布置上、下弦横向水平支撑以及两端和中央垂直支撑,不设纵向水平支撑。
中间各屋架用系杆联系,上下弦各在两端和中央设3道系杆,其中上弦屋脊处与下弦支座共三道为刚性系杆。
所有屋架采用统一规格,但因支撑孔和支撑连接板的不同分为三个编号:中部6榀为WJ1a ,设6道系杆的连接板,端部第2榀为WJ1b,需另加横向水平支撑的的连接螺栓孔和支撑横杆连接板;端部榀(共两榀)为WJ1c。
图上弦平面12121---12---2图下弦平面与剖面第三章:荷载计算及杆件内力计算 屋架荷载计算表 屋架荷载计算表屋架杆件内力系数屋架上弦左半跨单位节点荷载作用下的杆件内力系数经计算如图所示。
屋架上弦左半跨单位节点荷载、右半跨单位节点荷载、全跨单位节点荷载作用下的屋架左半跨杆件的内力系数k L、k R、k(=k L+k R)按图所示,并已抄入表中。
图屋架内力系数图杆件内力组合○1组合一―――全部恒、活荷载全部恒、活荷载:q=m2,F=**6=,杆件组合内力N1=(KN)○2组合二―――全跨恒荷载、半跨活荷载(相应于全垮恒、活荷载减去半跨活荷载)活荷载:q=m2,F=**6=,杆件组合内力N2= N1-,R (KN)○3组合三―――全跨屋架和支撑重、半跨屋面板重和活荷载:屋架和支撑重:q=*=m2,F=**6=,活荷载:q=*+=m2,F=**6=,杆件组合内力N3= + k L,R(KN)杆件内力组合见表,其中第二、三组合对个别k L、k R正负号的杆件计算,因为这种情况下第二、三组合的弦杆左右节间内力差△N(设计弦杆焊缝用)将大于第一组合的△N。
一、设计资料天津某车间,屋架跨度为18m,房屋总厂为60m,屋架间距6m,屋面坡度i=1/10,屋面采用1.5m×6m的钢筋混凝土大型屋面板(1.4KN/m2),80mm厚泡沫混凝土(0.3KN/m2),20mm厚水泥砂浆(0.3KN/m2),二毡三油铺绿石砂(0.3KN /m2),屋面活荷载0.7KN/m2,雪荷载0.5KN/m2,积灰荷载0.5KN/m2,屋架端高1990mm,两端较之于钢筋混凝土柱上,柱混凝土强度C20。
二、屋架形式和几何尺寸屋架计算跨度l0=l-300=1800-300=17700mm屋架端部高度取h0=1990mm屋架跨中高度h=h0+i×l0/2=1990+0.1×17700/2=2875mm屋架高跨比l0/h=2.875/17.7=1/6.16为使屋架上弦节点受荷,腹杆采用人字式,上弦节点用平间距取1.5m。
三、屋盖支撑布置根据车间长度、跨度及荷载情况,设置三道上下弦横向水平支撑。
由于房间端部为山墙,第一柱间间距小于6m,因此该厂房两端的横向水平支撑设在第二间柱。
设置两道下弦纵向水平支撑。
在第一柱间的上弦设置刚性系杆保证安装时上弦的稳定,下弦设置刚性系杆以传递山墙的风荷载。
在设置水平支撑的柱间,在屋架跨中及两端,两屋架间共设置三道竖向支撑。
屋脊节点及屋架支座处延厂房通长设置刚性系杆,屋架下弦设置一道柔性系杆。
屋架支撑的布置如下图:四、荷载计算屋面活荷载与雪荷载不会同时出现,从资料可知屋面活荷载大雨雪荷载取屋面活荷载计算。
屋架沿水平投影面积分布的自重(包括支撑)按经验公式(P10=0.12+0.011×跨度)计算,跨度单位为米。
荷载:永久荷载:防水层(二毡三油铺绿石砂)0.3×1.2=0.36KN/m2找平层(20厚水泥砂浆)0.3×1.2=0.36KN/m2保温层(80厚泡沫混凝土)0.5×1.2=0.6KN/m2预应力钢筋混凝土大型屋面板(包括灌缝) 1.4×1.2=1.68KN/m2屋架及支撑自重(0.12+0.011×18)×1.2=0.38KN/m2恒载总和∑=3.38KN/m2可变荷载:屋面荷载0.7×1.4=0.98KN/m2积灰荷载0.5×1.4=0.7KN/m2活荷载总和∑=1.68KN/m2计算荷载时应考虑以下三种荷载组合:1、全跨永久荷载+全跨可变荷载P 恒=3.38×1.5×6=30.42KN P 活=1.68×1.5×6=15.12KN2、全跨永久荷载+半跨可变荷载P 恒=3.38×1.5×6=30.42KN P 活=1.68×1.5×6=15.12KN3、 全跨屋架包括自重+半跨屋面板自重+半跨屋面活载P 恒'=0.38×1.5×6=3.42KN P 活'=(1.68+0.98)×1.5×6=23.94KN1、2为使用阶段和在情况,3为施工阶段荷载情况,经过计算,第二种荷载组合所产生的杆件内力,对本题的杆件不起控制作用,所以不列入以下计算中。
一: 平面布置图二:内力计算1:钢材及焊条钢材选用Q235,要求保证抗拉强度,伸长率。
屋架采用焊接方法连接,焊条采用E43型,手工焊,根据结构的重要性,焊缝质量要求达到一级标准。
2:屋架形式及几何尺寸因屋架采用预应力混凝土大型屋面板,屋面坡度I=1/10,故采用梯形屋架。
屋架计算跨度L0=L-2×450/2=29550mm屋架端部高度H0=2000mm屋架中部高度H= H0 +i×1/2=3500mm3:荷载计算①永久荷载标准值:三毡四油防水层:0.35KN/m2 80mm厚泡沫混凝土保温层:0.08×6=0.48 KN/m2大型屋面板(含灌逢): 1.5 KN/m2屋架和支撑自重:0.12+0.11×30=0.45 KN/m2合计: 2.78 KN/m2②可变荷载标准值屋面活载:0.5 KN/m2积灰荷载:0.2 KN/m2合计:0.7 KN/m2③风荷载B类地形,取风压高度变化系数为:1.25,屋面迎风面的体型系数为-0.6,背风面为-0.5,风压设计值为:迎风面w1= -1.35×0.6×1.25×0.45=- 0.456 KN/m2背风面w2=-1.35×0.5×1.25×0.45=-0.380 KN/m2w1 ,w2垂直于水平面的分力已略超过或接近于分项系数取1.0时的永久荷载,故受拉杆件在永久荷载与风荷载联合作用下将受压,但此压力很小,这里不计算风荷载产生的内力,只将所有拉杆的长细比控制在250以内。
4:荷载组合恒载设计值: G=2.78×1.2=3.336 KN/m 2 取G=3.4 KN/m 2 可变荷载设计值:Q=0.7×1.35=0.945 KN/m 2 取Q=0.95 KN/m 2组合: ㈠ 全跨恒载+全跨可变荷载 P 全=(3.4+0.95)×1.5×6=39.15KN㈡全跨恒载+半跨可变荷载 P 全=3.4×1.5×6=30.6KN P 半=0.95×1.5×6=8.55KN ㈢全跨屋面支撑+半跨层面板+半跨屋面活载P 全=0.45×1.5×6×1.2=4.86 P 半=(1.5+0.7)×1.35×1.5×6=26.73KN12345617三:截面计算1:上弦计算整个上弦不改变截面,按最大内力设计。
1)设计资料某工业厂房,长90米,跨度21m,纵向柱距6m,柱的混凝土强度等级为C30。
柱顶标高10米,采用梯形钢屋架,采用1. 5x6. 0m预应力混凝土屋板,屋面坡度i =L/10;L为屋架跨度。
地区计算温度高于-20℃, 无侵蚀性介质,地震设防烈度为7度,设计基本地震加速度为0.1g,二类场地。
屋架下弦标高为18m;厂房内桥式吊车为2台150 / 30t中级工作制桥式吊车,屋架采用梯形钢屋架,锻锤为2台5t。
其两端简支于钢筋混凝土柱上。
车间地点:驻马店;保温层厚度:60mm;积灰厚度:0.6kN∕πT屋架钢材采用Q345钢,焊条采用E50型,手工焊。
桁架计算跨度:∕o = 21-2×0.15= 20.7m桁架的中间高度:/7 = 3.040/72在21m轴线处端部高度:瓦=1.990m桁架跨中起拱50mm ( ≈ L∕5(X) )o2)结构形式与布置桁架形式及几何尺寸如图1所示。
1)设计资料某工业厂房,长90米,跨度21m,纵向柱距6m,柱的混凝土强度等级为C30。
柱顶标高10米,采用梯形钢屋架,采用1. 5x6. 0m预应力混凝土屋板,屋面坡度i =L/10;L为屋架跨度。
地区计算温度高于-20℃, 无侵蚀性介质,地震设防烈度为7度,设计基本地震加速度为0.1g,二类场地。
屋架下弦标高为18m;厂房内桥式吊车为2台150 / 30t中级工作制桥式吊车,屋架采用梯形钢屋架,锻锤为2台5t。
其两端简支于钢筋混凝土柱上。
车间地点:驻马店;保温层厚度:60mm;积灰厚度:0.6kN∕πT屋架钢材采用Q345钢,焊条采用E50型,手工焊。
桁架计算跨度:∕o = 21-2×0.15= 20.7m桁架的中间高度:/7 = 3.040/72在21m轴线处端部高度:瓦=1.990m桁架跨中起拱50mm ( ≈ L∕5(X) )o2)结构形式与布置桁架形式及几何尺寸如图1所示。
鲤建2-2图2 桁架支撑布置符号说明:SC一上弦支撑;XC一下弦支撑;CC一垂直支撑:GG—刚性系杆;LG—柔性系杆3)屋盖结构及荷载:无橡体系,采用1.5x600加预应力混凝土层板荷载:1、屋架及支撑自重:按经验公式“ = (0.12 + 0.011x21)x1.35=0.474kN∕rriL为屋架跨度,以m为单位,q为屋架及支撑自重。
钢屋架设计计算书(总20页)--本页仅作为文档封面,使用时请直接删除即可----内页可以根据需求调整合适字体及大小--2010年1月一、设计资料某厂房跨度30m,总长90m,柱距6 m,采用梯形钢屋架、×预应力混凝土大型屋面板,屋架铰支于钢筋混凝土柱上,上柱截面400×400,混凝土强度等级为C30,屋面坡度为10:1i。
地区计算温度高于-200C,无侵蚀性介质,抗震设防烈度为7度,屋架下弦标高为18m;厂房内桥式吊车为2台150/30t(中级工作制),锻锤为2台5t。
①永久荷载:三毡四油(上铺绿豆砂)防水层 KN/m2水泥砂浆找平层 KN/m2保温层 KN/m2一毡二油隔气层 KN/m2水泥砂浆找平层 KN/m2预应力混凝土大型屋面板 KN/m2屋架及支撑自重:按经验公式q=+ 计算:m2悬挂管道: KN/m2②可变荷载:屋面活荷载标准值: kN/m2雪荷载标准值: kN/m2积灰荷载标准值: KN/m2钢材采用Q235-B。
焊条采E43型,手工焊。
桁架计算跨度:l o= =跨中及端部高度:桁架中间高度: h=在处的两端高度: h o=在30m处轴线处端部高度: h o=桁架跨中起拱60mm(L/500)。
1.结构形式与布置桁架形式及几何尺寸如图1所示。
桁架支撑布置如图2所示2、荷载计算由于i=1/10,则:α=°,cosα=。
计算竖向节点荷载时,按水平投影面计算。
节点荷载即为*6m内的荷载。
桁架沿水平投影面积分布的自重(包括支撑)按经验公式(P W=+×跨度)计算,跨度单位为米。
恒载计算:防水层(三毡四油): = kN/m2预应力钢筋混凝土大型屋面板: = kN/m2隔气层、找平层: = kN/m2保温层、找平层: = kN/m2屋架自重: +×30= kN/m2悬挂管道: = kN/m2以上合计:m2活载计算:屋面均布活荷载(上人屋面): kN/m2积灰荷载: m2共 kN/m2设计桁架应考虑以下三种组合:(1)全跨永久荷载+全跨可变荷载(按永久荷载为主控制的组合)全跨节点荷载设计值:F=(×+××+××1)××6= KN(2)全跨永久荷载+半跨可变荷载全跨节点永久荷载设计值:对结构不利时:F1,1 =×××6= KN(按永久荷载为主的组合)F1,2 =×××6=(按可变荷载为主的组合)对结构有利时:F1,3 =×××6=半跨节点可变荷载设计值:F2,1=××+×1)××6=(按永久荷载为主的组合)F2,2 =×(+×1)××6=(按可变荷载为主的组合)(3)全跨桁架包括支撑+半跨屋面板自重+半跨屋面活荷载(按可变荷载为主的组合)全跨节点桁架自重设计值:对结构不利时:F3,1 =***6=对结构有利时:F3,2 =***6=半跨节点屋面板自重及活荷载设计值:F4 =(*+*.)**6=(1),(2)为使用阶段荷载情况,(3)为施工阶段荷载情况。
钢结构课程设计钢屋架计算书.docx 范本一:1. 引言1.1 背景1.2 目的2. 钢结构设计基本要求2.1 荷载计算2.1.1 建筑荷载2.1.2 风荷载2.1.3 地震荷载2.2 材料选择2.2.1 钢材标号2.2.2 钢材强度2.3 结构计算2.3.1 根据荷载计算截面尺寸2.3.2 校核截面尺寸3. 钢屋架设计3.1 框架结构3.1.1 框架种类 3.1.2 框架构造 3.2 尺寸计算3.2.1 支撑尺寸 3.2.2 屋檐尺寸3.2.3 屋面坡度4. 结构连接4.1 螺栓连接4.1.1 螺栓种类 4.1.2 螺栓计算 4.2 焊接连接4.2.1 焊缝类型4.2.2 焊接计算5. 结构稳定性5.1 列向稳定性5.1.1 单列向稳定性5.1.2 多列向稳定性5.2 平面稳定性5.2.1 侧移稳定性5.2.2 扭转稳定性6. 结论6.1 设计结果6.2 设计建议6.3 风险评估7. 附录7.1 结构图纸7.2 荷载计算表格7.3 材料牌号表格附录:1. 附件:结构图纸、荷载计算表格、材料牌号表格。
2. 法律名词及注释:- 钢结构:指采用钢材制作的承载结构体系。
- 荷载计算:根据建筑用途、建筑地点,将各种荷载作用于结构上,并对结构产生的内力进行计算。
- 风荷载:指风对建筑物或结构的作用荷载。
- 地震荷载:指地震对建筑物或结构的作用荷载。
- 校核:对已计算出的截面尺寸进行核验,确保结构满足设计要求。
- 构件:指构成结构的单个元素,如柱、梁、板等。
范本二:1. 简介1.1 编制目的1.2 文档范围2. 钢屋架设计基本要求2.1 荷载计算2.1.1 建筑物荷载2.1.2 风荷载2.1.3 地震荷载2.2 结构分析2.2.1 框架结构2.2.2 支撑结构3. 钢屋架构造设计3.1 框架结构设计3.1.1 组成构件的选择 3.1.2 框架参数计算3.2 支撑结构设计3.2.1 支撑位置确定3.2.2 支撑构件尺寸计算4. 钢材选择与设备特殊要求4.1 钢材选择标准4.1.1 钢材强度标准4.1.2 钢材标号规范4.2 设备特殊要求4.2.1 防火涂料4.2.2 防腐蚀措施5. 结构连接设计5.1 螺栓连接5.1.1 螺栓选型5.1.2 螺栓连接计算 5.2 焊接连接5.2.1 焊接工艺选择5.2.2 焊接参数计算6. 结构稳定性分析6.1 列向稳定性6.1.1 建立稳定方程 6.1.2 列向稳定计算 6.2 平面稳定性6.2.1 建立稳定方程6.2.2 平面稳定计算7. 结论与建议7.1 结构计算结果7.2 设计建议8. 附录8.1 结构图纸8.2 荷载计算表格8.3 钢材标号表格附录:1. 附件:结构图纸、荷载计算表格、钢材标号表格。
-、设计资料1、某工厂车间,采用梯形钢屋架无檩屋盖方案,厂房跨度取27m,长度为102m,柱距6m。
采用1.5m×6m预应力钢筋混凝土大型屋面板,保温层、找平层及防水层自重标准值为1.3kN/m2。
屋面活荷载标准值为0.5kN/m2,雪荷载标准值0.5kN/m2,积灰荷载标准值为0.6kN/m2,轴线处屋架端高为1.90m,屋面坡度为i=1/12,屋架铰接支承在钢筋混凝土柱上,上柱截面400mm×400mm,混凝土标号为C25。
钢材采用Q235B级,焊条采用E43型。
2、屋架计算跨度:Lo=27m-2×0.15m=26.7m3、跨中及端部高度:端部高度:h′=1900mm(端部轴线处),h=1915mm(端部计算处)。
屋架中间高度h=3025mm。
二、结构形式与布置屋架形式及几何尺寸如图一所示:2、荷载组合设计桁架时,应考虑以下三种组合:①全跨永久荷载+全跨可变荷载 (按永久荷载为主控制的组合) :全跨节点荷载设计值:F=(1.35×3.12+1.4×0.7×0.5+1.4×0.9×0.6) ×1.5×6=49.122kN图三桁架计算简图本设计采用程序计算结构在单位节点力作用下各杆件的内力系数,见表一。
1、上弦杆:整个上弦杆采用相等截面,按最大设计内力IJ 、JK 计算,根据表得: N = -1139.63KN ,屋架平面内计算长度为节间轴线长度,即:ox l =1355mm ,本屋架为无檩体系,认为大型屋面板只起刚性系杆作用,不起支撑作用,根据支撑布置和内力变化情况,取屋架平面外计算长度oy l 为支撑点间的距离,即:oy l =3ox l =4065mm 。
根据屋架平面外上弦杆的计算长度,上弦截面宜选用两个不等肢角钢,且短肢相并,如图四所示:图四 上弦杆腹杆最大内力N =-574.7KN ,查表可知,中间节点板厚度取12mm ,支座节点板厚度取14mm 。
一:设计资料1、青岛地区某金属加工厂厂房总长度90m,跨度为18m。
,柱距6m,采用梯形角钢屋架,钢材Q235B,焊条E43型。
无檩无天窗屋盖体系,1.5×6.0m预应力混凝土屋面板,屋架铰支于钢筋混凝土柱上,上柱截面400x400,柱的混凝土强度等级为C30,屋面坡度i=1/10。
屋架下弦标高为18m;厂房内设A5级150/30t桥式吊车2台.几何尺寸及内力系数(节点荷载P=1.0作用下杆件的内力)如附图所示。
2. 屋架荷载标准值(水平投影面计)①屋架及支撑自重:按经验公式q=0.12+0.011L,L为屋架跨度,以m为单位,q为屋架及支撑自重,以KN/m2为单位;②可变荷载:查《建筑结构荷载规范GB50009—2012》,青岛市雪压标准值为0。
2 KN/m2,因不考虑积灰荷载和屋面不上人,故屋面活荷载取0。
5 KN/m2。
因为活荷载与雪荷载取较大值,故取可变荷载值为0.5 KN/m2。
③屋面各构造层的荷载标准值:三毡四油(上铺绿豆砂)防水层0。
4KN/m2水泥砂浆找平层0.4KN/m2保温层:0.4KN/m2一毡二油隔气层0。
05KN/m2水泥砂浆找平层0。
3KN/m2预应力混凝土屋面板1。
45KN/m2左侧为屋架杆件几何尺寸右侧为屋架全跨单位荷载作用下各杆件的内力值二:结构布置图屋架施工详图,支撑布置图见A3图纸.三:荷载于内力计算1.荷载计算活荷载与雪荷载不同时出现,故取两者较大值.永久荷载标准值:三毡四油(上铺绿豆砂)防水层0.4KN/m2水泥砂浆找平层0。
4KN/m2保温层0.4KN/m2一毡二油隔气层0。
05KN/m2水泥砂浆找平层0。
3KN/m2预应力混凝土屋面板1。
45KN/m2钢屋架和支撑自重0。
12+0.011*18=0.32 KN/m2总计:3.32 KN/m2可变荷载标准值:屋面活荷载0.5 KN/m2总计:0。
5 KN/m2永久荷载设计值1。
2*3。
32=3.98 KN/m2可变荷载设计值1。
钢结构屋架计算书一、工程概述本工程为_____钢结构屋架,用于_____建筑。
屋架跨度为_____m,长度为_____m,屋面坡度为_____。
屋架所承受的荷载包括恒载、活载、风载和雪载等。
二、设计依据1、《钢结构设计规范》(GB 50017-2017)2、《建筑结构荷载规范》(GB 50009-2012)3、《钢结构工程施工质量验收规范》(GB 50205-2020)三、荷载计算1、恒载屋面自重:包括屋面板、檩条、保温层等,取_____kN/m²。
屋架自重:根据所选屋架形式和尺寸,估算屋架自重为_____kN/m。
2、活载屋面活载:根据建筑使用功能,取_____kN/m²。
3、风载基本风压:根据当地气象资料,取_____kN/m²。
风荷载体型系数:根据屋架形状和屋面坡度,确定风荷载体型系数。
4、雪载基本雪压:根据当地气象资料,取_____kN/m²。
屋面积雪分布系数:根据屋面坡度和形状,确定屋面积雪分布系数。
四、内力计算1、采用结构力学方法,建立屋架计算模型,计算在各种荷载组合作用下屋架杆件的内力。
2、考虑恒载、活载、风载和雪载的最不利组合,计算屋架杆件的最大内力。
五、杆件截面选择1、根据杆件内力,选择合适的钢材型号和截面形式。
2、考虑强度、稳定性和刚度要求,对杆件截面进行验算。
强度验算:σ =N/A ≤ f,其中 N 为杆件内力,A 为杆件截面面积,f为钢材强度设计值。
稳定性验算:根据杆件的长细比和截面类型,查稳定系数,进行稳定性验算。
刚度验算:控制杆件的长细比在规范允许范围内。
六、节点设计1、节点形式的选择:根据杆件连接方式和受力特点,选择合适的节点形式,如焊接节点、螺栓连接节点等。
2、节点计算:对节点进行强度验算,确保节点能够可靠传递杆件内力。
七、屋架支撑设计1、为保证屋架的空间稳定性,设置上弦横向水平支撑、下弦横向水平支撑、纵向水平支撑和垂直支撑。
1.设计资料某车间厂房总长度约为108米,跨度为18m。
车间设有两台30吨中级工作制吊车。
车间无腐蚀性的介质。
该车间为单跨双坡封闭式厂房,屋架采用三角形豪式钢屋架。
屋面坡度为1:3,屋架间距为6m,屋架下弦标高为9米,其两端铰支于钢筋混凝土柱上,上柱截面尺寸为,混泥土强度等级为C20。
屋面采用彩色压型钢屋板加保温层屋面,C型檩条,檩距为1.5~2.1米。
结构的重要度系数为,屋面的恒荷载的标准值为。
屋面的活荷载为,雪荷载为,不考虑积灰荷载、风荷载,不考虑全跨荷载积雪不均匀分布状况。
屋架采用Q235B,焊条采用E43型。
2.屋架形式及几何尺寸屋架形式及几何尺寸如图檩条支承于屋架上弦节点。
屋架坡角为,檩距为1.866m。
图1 屋架形式和几何尺寸3.支撑的布置上、下弦横向水平支撑设置在厂房两端和中部的同一柱间,并在相应开间的屋架跨中设置垂直支撑,在其余开间的屋架上弦跨中设置一道通长的刚性细杆,下弦跨中设置一道通长的柔性细杆。
在下弦两端设纵向水平支撑。
支撑的布置见图2。
图2 支撑的布置图4.檩条布置檩条设置在屋架上弦的每个节点上,间距1.866m。
因屋架间距为6m,所以在檩条跨中设一道直拉条。
在屋脊和屋檐分别设置斜拉条和撑杆。
5.荷载标准值上弦节点恒荷载标准值上弦节点雪荷载标准值由檩条传给屋架上弦节点的恒荷载如图3图3 上弦节点恒荷载由檩条传给屋架上弦节点的雪荷载如图4图4 上弦节点雪荷载6.内力组合内力组合见表—1杆件名称杆件编号恒荷载及雪荷载半跨雪荷载内力组合最不利荷载(kN)内力系数恒载内力(kN)雪载内力(kN)内力系数半跨雪载内力(kN)1.2恒+1.4雪(kN)1.2恒+1.4半跨雪(kN)123452+32+5上弦杆1-2-14.23-75.56 -52.94 -10.28-38.24 -164.78 -144.21 -164.78 2-3-12.65-67.17 -47.06 -8.7-32.36 -146.49 -125.92 -146.49 3-4-11.07-58.78 -41.18 -7.11-26.45 -128.19 -107.57 -128.19 4-5-9.49-50.39 -35.30 -5.53-20.57 -109.89 -89.27 -109.89 5-6-7.91-42.00 -29.43 -3.95-14.69 -91.60 -70.97 -91.60下弦杆1-713.571.69 50.22 9.7536.27 156.33 136.8 156.33 7-813.571.69 50.22 9.7536.27 156.33 136.8 156.33 8-91263.72 44.64 8.2530.69 138.96 119.43 138.96 9-1010.555.76 39.06 6.7525.11 121.59 102.06 121.59 10-11947.79 33.48 5.2519.53 104.22 84.69 104.22竖直腹杆2-700 0 00 0 0 0 3-80.5 2.66 1.86 0.5 1.86 5.79 5.79 5.79 4-91 5.31 3.72 1 3.72 11.58 11.58 11.58 5-10 1.57.97 5.58 1.5 5.58 17.37 17.37 17.37 6-11421.24 14.88 27.44 46.32 35.90 46.32 斜腹杆2-8-1.58-8.39 -5.88 -1.58-5.88 -18.30 -18.30 -18.30 3-9-1.8-9.56 -6.70 -1.8-6.70 -20.84 -20.84 -20.84 4-10-2.12-11.26 -7.89 -2.12-7.89 -24.55 -24.55 -24.55 5-11-2.5-13.28 -9.3 -2.5-9.3 -28.95 -28.95 -28.957.截面的选择屋架杆件的选择验算表表-28.节点设计8.1杆件焊缝尺寸的计算杆件名称杆件编号截面规格(mm)杆件内力(kN)肢背焊缝尺寸肢背焊角长度肢尖焊角尺寸肢尖焊缝长度上弦杆1-22L90X8 -164.78 6100660下弦杆1-72L80X7 156.33 6100660竖腹杆2-7L56X4 0 540440 3-8L56X4 5.79 5404404-92L56X4 11.58 5404405-102L56X4 17.37 5404406-112L56X4 46.32 540440斜腹杆2-8L56X4 -18.30 540440 3-92L56X4 -20.84 5404404-102L56X4 -24.55 5404405-112L56X4 -28.95 540440注:表中焊缝的计算长度。
不小于和40mm其中较小值。
8.2 形心距离的确定屋架各杆件的角钢背面的距离如图表-4,表中为杆件重心线至角钢背面的距离。
屋架各杆件的角钢背面的距离表-4杆件名称杆件截面重心距离轴线距离备注上弦杆2L90X8 25.225下弦杆2L80X7 22.325腹杆2-7L56X4 15.3153-8L56X4 15.3154-92L56X4 15.3155-102L56X4 15.3156-112L56X4 15.3152-8L56X4 15.3153-92L56X4 15..3154-102L56X4 15.3155-112L56X4 15.3158.3节点的设计8.3.1支座节点图5 支座节点”1”(1)上弦杆的节点连接计算A.支座底板的计算支座反力设a,b取12cm,则底板的承压面积底板下的应力底板的最大弯矩 , 由于,则支座厚度B.加劲肋计算加劲肋厚度取与节点相同。
加劲肋与节点板的连接焊缝的计算:假定一块加劲肋承受屋架支座反力的四分之一,即焊缝受剪力,弯矩, 设焊缝, 焊缝计算长度:由焊缝的应力公式得==25.41<C.支座底板的连接焊缝假定焊缝传递全部支座反力设焊缝,支座底板的连接焊缝的长度为:==804由公式得,,满足要求。
D.上弦杆与节点板的连接焊缝上弦杆与节点板的连接焊缝: 节点板与上弦角钢肢背采用槽焊缝连接,假定槽焊缝只承受屋面的集中荷载.节点板与上弦角钢肢尖采用双面角焊缝连接,承担上弦的内力差。
节点1的槽焊缝,其中为节点板的厚度由公式,可见塞焊缝一般不控制,仅需验算肢尖焊缝。
角钢肢尖角焊缝的焊角尺寸,计算长度上弦杆的内力差N=-164.78KN,偏心距,则由公式得,他可见,肢尖焊缝满足要求。
(2)上弦弦间节点板的计算为便于上弦节点搁置屋面板,节点板的上边缘缩进肢背10mm,采用塞焊缝,按 2条角焊缝计算。
计算时可略去屋架上弦坡度的影响,而假定集中荷载与上弦垂直。
对于上弦节点”5”图6 上弦节点”5”A.上弦杆肢背与节点板的连接焊缝节点板与上弦角钢肢背采用塞焊缝连接,假定塞焊缝只承受屋面的集中荷载。
节点板与上弦角钢肢尖采用双面角焊缝连接,承担上弦的内力差。
节点1的槽焊缝,其中为节点板的厚度。
由公式可见塞焊缝一般不控制。
B.上弦杆肢尖与节点板的连接焊缝角焊缝的焊角尺寸,计算长度上弦杆的内力差N=-18.29KN,偏心距,则由公式得,可见,肢尖焊缝满足要求。
对于其他2,3,4,5上弦节点,由于节点板的尺寸长均不小于"5"号节点,而其所受的节点集中力和弦杆轴向内力差都相等,故其余上弦节点只要在上弦杆的肢背和肢间处采用满焊即可。
(3)下弦节点”10”图7 下弦节点”10”A.下弦杆与节点板的连接焊缝下弦与节点板连接的焊缝长度为300mm,, 内力差N=-17.37KN受力较大的肢背处焊缝应力为故按构造满焊即可。
由于下弦节点7,8,9的节点板尺寸长均不小于"10"号节点板,故其所受的弦杆轴向力内力差都相等, 故其余上弦节点只要在上弦杆的肢背和肢间处采用满焊即可。
(4)上弦节点”6”图8 上弦节点”6”A.上弦杆肢背与节点板的连接焊缝上弦杆与节点板的连接焊缝: 节点板与上弦角钢肢背采用塞焊缝连接,假定塞焊缝只承受屋面的集中荷载。
节点1的塞焊缝,其中为节点板的厚度。
由公式,可见塞焊缝一般不控制。
B.上弦杆肢尖与节点板的连接焊缝肢尖角焊缝的焊角尺寸, 计算长度上弦杆与节点板的连接焊缝计算按肢间焊缝承受上弦杆内力的15%计算。
内力差KN,偏心距, 则由公式得:可见,肢尖焊缝满足要求。
C.上弦拼接杆的计算上弦杆件与拼接角钢之间在接头一侧的焊缝长度为取60mm.则角钢长度为。
考虑到拼接节点的刚度,拼接角钢的长度取为600mm。
为了使拼接角钢的和弦杆之间能紧贴便于施焊,需将拼接角钢的棱角铲去, 把竖向肢切去,t为拼接角钢的厚度.拼接角钢的截面削弱,由节点板来补偿。
(5)下弦节点”11”图9下弦节点”11”A.下弦杆拼接焊缝计算拼接角钢与下弦杆用相同的规格,选用,下弦杆与拼接角钢之间的角焊缝的焊角尺寸采用。
根据公式得下弦杆件与拼接角钢之间在接头一侧的焊缝长度为,取145mm,拼接角钢的长度为2mm。
为使拼接角钢与弦杆之间密合,并便于是施焊,需将拼接角钢的尖角切除,且截取垂直肢的一部分宽度.拼接角钢的这部削弱,可靠节点板来补偿。
B.下弦杆与节点板的连接焊缝按杆件内力的15%计算,设肢背处的焊角尺寸为=5mm,则需要的焊缝长度为:设肢尖处的焊角尺寸为=5mm,则需要的焊缝长度为:(6)节点板在斜腹杆作用下的稳定计算对于有竖腹杆相连的节点板,选取2-8杆作用下的8号节点板的进行计算。
图10节点稳定计算中c值可不进行稳定计算。
其中,c为受压腹杆2-8连接肢端面中点沿腹杆轴线方向至弦杆的净距离。
由于8号节点板中斜腹杆的c 值是最大的,而t值都相等,故其他节点板的稳定性不需计算。
(7)节点板的强度计算选取5-11杆的作用下5号节点板进行计算。
图11 节点有效宽度“5”节点5-11杆的内力P=-28.95kN,板件的有效宽度=114mm,板件的厚度t=8mm,故节点板的强度满足要求。
因为其他节点板的均小于此值,故其他节点板的强度满足要求。
(8)填板的计算杆件名称杆件编号杆件长度(mm )i(回转半径)(cm)填板最大间距节点间填板个数填板间距(mm )拉杆压杆80 i(cm)40 i(cm)上弦杆1-21866 2.76110.42600 2-31866 2.76110.42600 3-41866 2.76110.42600 4-51866 2.76110.42600 5-61866 2.76110.42600下弦杆1-71770 2.46196.82600 7-81770 2.46196.82600 8-91770 2.46196.82600。