CJ交流接触器型图文稿
- 格式:docx
- 大小:356.91 KB
- 文档页数:14
C J交流接触器型 Revised by Liu Jing on January 12, 2021CJX2-0901 CJX2-0901 CJX2-1201 CJX2-1210 CJX2-1801 CJX2-1810 CJX 2-2501 CJX2-2510 CJX2-3201 CJX2-3210 CJX2-4011 CJX2-5011 CJX2-6 511C J X2-8011C J X2-9511交流接触器触点家用交流接触器一、适用范围CJX2-0901(LC1-0901)系列交流接触器(以下简称接触器)适用于交流50Hz或60Hz,电压至660V、电流95A的电路中,供远距离接通与分断电路及频繁起动、控制交流电动机,接触器还可组装积木式辅助触头组、空气延时头、机械联锁机构等附件,组成延时接触器、可逆接触器、星三角起动器,并且可以和热继电器直接插接安装组成电磁起动器。
本产品按 IEC60947-4-1、GB14048.4及JB/T7435 等标准设计、制造与检验。
注:3P:三对常开主触头,NO:一对常开辅助触头,NC:一对常闭辅助触头。
辅助触头的含空气延时头的型号含义三、主要技术参数表2接触器可与表3、表4中任一个附件组装辅助触头组使用类别额定工作电压(V)额定工作电流(A)控制容量约定发热电流A寿命接通分断AC-153800.953600VA360VA10同主触头DC-132200.1533W33W 表3空气延时头表4三、主要技术参数3.1电寿命曲线(见图1)3.2主电路技术参数(见表5)3.3负载能力(见表6)3.4线圈参数(见表7)四、外形尺寸与安装尺寸注:为了更方便用户对现有设备电器维修及更新,本公司特别设计了用CJX2系列交流接触器替代CJ10系列交流接触器的过渡安装板。
具体替代的规格型号及性能见表8表1六、工作条件和安装条件△周围空气温度-5℃~+40℃;△安装地点海拔不超过2000m;△最高温度为+40℃时,空气的相对湿度不超过50%,在较低温度下允许有较高的相对湿度,例如20℃时达到90%;对由于温度变化偶尔产生的凝露应采取特殊的措施;△污染等级为“污染等级3”;△安装类别为“安装类别Ⅲ”;△除用螺钉安装外,还可采用35mm、75mm标准卡轨安装。
CJ20交流接触器3.1 周围空气温度为:-5℃+40℃,24小时内其平均值不超过+35℃。
~3.2 海拔高度:不超过2000m。
3.3 大气条件:最高温度+40℃时,空气的相对湿度不超过50%;在较低温度下可以允许有较高的相对 湿度,例如20℃时达90%。
对由于温度变化偶尔产生的凝露应采取特殊的措施。
3.4 污染等级:3级。
3.5 安装类别:Ⅲ类。
3.6 安装条件:安装面与垂直面倾斜度不大于±5°。
3.7 冲击振动:产品应安装和使用在无显著摇动、冲击和振动的地方。
CJ20系列交流接触器(以下简称接触器),主要用于交流50Hz(或60Hz),额定工作电压至660V,额定工作电流至630A的电路中,供远距离接通和分断电路之用,并可与适当的热过载继电器组合,以保护可能发生操作过负荷的电路。
接触器符合IEC60947-4-1、GB14048.4标准。
CJ 20-□ □/□辅助规格代号:06表示660V 派生代号:Jz表示交直流通用节电型 (仅CJ20-63以上提供节电产品) (AC-3,380V时)额定工作电流(A) 设计序号 交流接触器4.1 线圈额定控制电源电压Us为:交流50Hz,110V、127V、220V、380V;直流:110V、220V4.2 机械寿命:CJ20-10、16、25、40、63、100、160为1000万次,CJ20-250、400、630为600万次。
4.3 节电产品节电率(见表1)。
表1产品型号节电率%CJ20-63160JZ ~90CJ20-250630JZ ~95适用范围1型号及含义23正常工作条件和安装条件4主要参数及技术性能系列BCJ20-16CJ20-25CJ20-40CJ20-63CJ20-10016325580125RT16-32RT16-25062/8.5570/611001201200690 4.55.51118287.51122305011132235504.4 接触器的主要参数及技术性能指标(见表2)。
交换接触器的型号寄义.构造示意图及对应符号解释接触器重要用于掌握电念头.电热装备.电焊机.电容器组等,能频仍地接通或断开交直流主电路,实现远距离主动掌握.它具有低电压释放呵护功效,在电力拖动主动掌握线路中被普遍运用.接触器有交换接触器和直流接触器两大类型.下面介绍交换接触器.下图所示为交换接触器的构造示意图及图形符号.1.交换接触器的构成部分(1)电磁机构:电磁机构由线圈.动铁心(衔铁)和静铁心构成.(2)触头体系:交换接触器的触头体系包含主触头和帮助触头.主触头用于通断主电路,有3对或4对常开触头;帮助触头用于掌握电路,起电气联锁或掌握感化,平日有两对常开两对常闭触头.(3)灭弧装配:容量在10A以上的接触器都有灭弧装配.对于小容量的接触器,常采取双断口桥形触头以利于灭弧;对于大容量的接触器,常采取纵缝灭弧罩及栅片灭弧构造.(4)其他部件:包含反感化弹簧.缓冲弹簧.触头压力弹簧.传念头构及外壳等.接触器上标有端子标号,线圈为A1.A2,主触头1.3.5接电源侧,2.4.6接负荷侧.帮助触头用两位数暗示,前一位为帮助触头次序号,后一位的3.4暗示常开触头,1.2暗示常闭触头.接触器的掌握道理很简略,当线圈接通额定电压时,产生电磁力,战胜弹簧反力,吸哄动铁心向下活动,动铁心带动绝缘连杆和动触头向下活动使常开触头闭合,常闭触头断开.当线圈掉电或电压低于释放电压时,电磁力小于弹簧反力,常开触头断开,常闭触头闭合.2.交换接触器的型号寄义交换接触器在电路图中的文字符号用KM暗示.接触器的图形符号如下图所示.接触器的型号寄义解释例如:CJl0Z-40/3 为交换接触器,设计序号10,重义务型,额定电流40A主触点为3极.CJl2T-250/3为改型后的交换接触器,设计序号12,额定电流250A,3个主触点.我国临盆的交换接触器经常运用的有CJl0,CJl2,CJX1,CJ20等系列及其派生系列产品,CJ0系列及其改型产品已慢慢被CJ20.CJX系列产品代替.上述系列产品一般具有三对常开主触点,常开.常闭帮助触点各两对.直流接触器常用的有CZ0系列,分单极和双极两大类,常开.常闭帮助触点各不超出两对.除以上经常运用系列外,我国近年来还引进了一些临盆线,临盆了一些知足IE尺度的交换接触器,下面作以简略介绍.CJl2B-S系列锁扣接触器用于交换50Hz,电压380V及以下.电流600A及以下的配电电路中,供远距离接通和分断电路用,并合适于不频仍地起动和停滞交换电念头.具有正常工作时吸引线圈不通电.无噪声等特色.其锁扣机构位于电磁体系的下方.锁扣机构靠吸引线圈通电,吸引线圈断电后靠锁扣机构保持在锁住地位.因为线圈不通电,不但无电力损耗,并且清除了磁噪音.由德国引进的西门子公司的3TB系列.BBC公司的B系列交换接触器等具有80年月初程度.它们重要供远距离接通和分断电路,并实用于频仍地起动及掌握交换电念头.3TB系列产品具有构造紧凑.机械寿命和电气寿命长.装配便利.靠得住性高级特色.额定电压为220~660V,额定电流为9~630A.3.接触器的重要技巧参数和类型(1)额定电压:接触器的额定电压是指主触头的额定电压.交换有220V.380V和660V,在特别场合运用的额定电压高达1140V,直流重要有110V.220V和440V.(2)额定电流:接触器的额定电流是指主触头的额定工作电流.它是在必定的前提(额定电压.运用类别和操纵频率等)下划定的,今朝经常运用的电流等级为10A~800A.(3)吸引线圈的额定电压:交换有36V.127V.220V和380V,直流有24V.48V.220V和440V.(4)机械寿命和电气寿命:接触器是频仍操纵电器,应有较高的机械和电气寿命,该指标是产品德量的重要指标之一.(5)额定操纵频率:接触器的额定操纵频率是指每小时许可的操纵次数,一般为300次/h.600次/h和1200次/h.(6)动作值:动作值是指接触器的吸合电压和释放电压.划定接触器的吸合电压大于线圈额定电压的85%时应靠得住吸合,释放电压不高于线圈额定电压的70%.经常运用的交换接触器有CJl0.CJl2.CJ10X.CJ20.CJXl.CJX2.3TB和3TD等系列.4.接触器的选择(1)依据负载性质选择接触器的类型.(2)额定电压应大于或等于主电路工作电压.(3)额定电流应大于或等于被控电路的额定电流.对于电念头负载,还应依据其运行方法恰当增大或减小.(4)吸引线圈的额定电压与频率要与地点掌握电路的选用电压和频率相一致.。
交流接触器工作原理及内部结构图解交流接触器是一种主触点常开的、三极的、以空气作灭弧介质的电磁式交流接触器。
其组成部分包括:线圈、短路环、静铁芯、动铁芯、动触头、静触头、辅助常开触头、辅助常闭触头、压力弹簧片、反作用弹簧、缓冲弹簧、灭弧罩等原件组成,交流接触器有CJO、CJIO、CJ12等系列产品,我国常用的CJO一20型交流接触器的外形结构如图其主要组成部分如下图所示:电磁系统:它包括线圈、静铁心和动铁心(又称衔铁)。
触点系统:它包括主触点和辅助触点。
主触点允许通过较大的电流,起接通和切断主电路的作用,通常以主触点允许通过的最大电流(即额定电流)作为接触器的技术参数之一。
辅助触点只允许通过较小的电流,使用时一般接在控制电路中。
交流接触器的主触点一般为常开触头,辅助触头有常开的也有常闭的。
额定电流较小的接触器,具有四个辅助触点;额定电流较大的,具有六个辅助触点。
CJ10-20型接触器的三个主触点是常开的;它有四个辅助触点,二个常开,二个常闭。
所谓常开、常闭是指电磁系统未通电动作前触头的状态,即常开触头是指线圈未通电时,其动、静触头是处于断开状态,线圈通电后就闭合,所以常开触头又称动合触头常闭触头是指线圈未通电时,其动、静触头是闭合的:.而线圈通电后,则断开,所以常闭触头又称动断触头。
灭弧装置灭弧装置的使用是迅速切断主触点开断时的电弧,可以看作是一个很大的电流,如不迅速切断,将发生主触点烧毛、熔焊等现象,因此交流接触器一般都有灭弧装置。
对于容量较大的交流接触器,常采用灭弧栅灾弧。
交流接触器的工作原理结构如右图所示,当线圈通电时,铁芯被磁化,吸引衔铁向下运动,使得常闭触头断开,常开触头闭合。
当线圈断电时,磁力消失,在反力弹簧的作用下,衔铁回到原来位置,即使触头恢复到原来状态。
老姚书馆馆提供。
>>让 电 尽 其 所 能B-091 1 适用范围CJ19 系列切换电容器接触器 CJ19系列切换电容器接触器(以下简称接触器)主要用于交流50Hz(或60Hz)、额定工作电压至690V的电力线路中,供低压无功功率补偿设备投入或切除低压并联电容器之用。
接触器带有抑制涌流装置,能有效地减小合闸涌流对电容的冲击和抑制开断时的过电压。
符合标准:GB/T 14048.4、IEC/EN 60947-4-13.1 周围空气温度为:-5℃~+40℃,24小时内其平均值不超过+35℃。
3.2 海拔高度:不超过2000m。
3.3 大气条件:最高温度+40℃时,空气的相对湿度不超过50%;在较低温度下可以允许 有较高的相对湿度,例如20℃时达90%。
对由于温度变化偶尔产生的凝露应采取特殊 的措施。
3.4 污染等级:3级。
3.5 安装类别:Ⅲ类。
3.6 安装条件:安装面与垂直面倾斜度不大于±5°。
3.7 冲击振动:产品应安装和使用在无显著摇动、冲击和振动的地方。
690690690690300/57660/91.2660/91.2660/91.2690300/5769020Ie110/14690110/14吸合:(85%~110%)Us;释放:(20%~75%)Us 70/9.5额定绝缘电压(V)抑制涌流能力动作条件线圈功率(VA) 起动/保持2 型号及含义3 正常工作条件和安装条件4 主要参数及技术性能CJ 19-□□/□□辅助触头数量,用数字表示20表示两常开,11表示一常开一常闭,02表示两常闭(25A~43A)21表示两常开一常闭,12表示一常开两常闭 (63A~95A)01表示一常闭,10表示一常开 (115A~170A)基本规格代号设计序号交流接触器让 电 尽 其 所 能 >> B-092控制电器接触器类B控制电器6 外形及安装尺寸接触器为直动式双断点结构,触头系统分上下两层布置,上层有三对限流触头与限流电阻构成的抑制涌流装置,当合闸时它先接通经数毫秒之后工作触头接通,限流触头中永久磁块在弹簧反作用力下释放,断开限流电阻,使电容器正常工作。
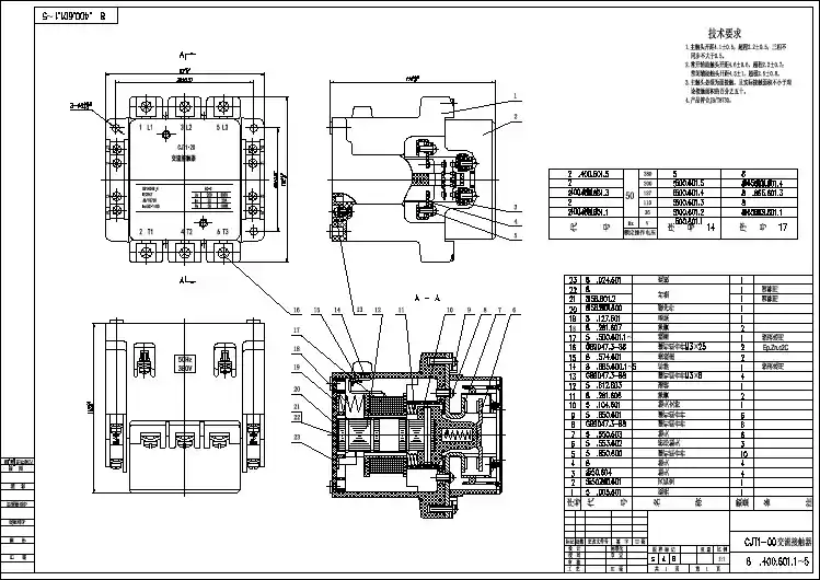
C J交流接触器型
文件管理序列号:[K8UY-K9IO69-O6M243-OL889-F88688]
CJX2-0901CJX2-0901CJX2-1201CJX2-1210CJX2-1801CJX2-1810CJX2-2501 CJX2-2510CJX2-3201CJX2-3210CJX2-4011CJX2-5011CJX2-6511CJX2-8011
C J X2-9511交流接触器触点家用交流接触器
一、适用范围
CJX2-0901(LC1-0901)系列交流接触器(以下简称接触器)适用于交流50Hz或60Hz,电压至660V、电流95A的电路中,供远距离接通与分断电路及频繁起动、控制交流电动机,接触器还可组装积木式辅助触头组、空气延时头、机械联锁机构等附件,组成延时接触器、可逆接触器、星三角起动器,并且可以和热继电器直接插接安装组成电磁起动器。
本产品按IEC60947-4-1、GB14048.4及JB/T7435等标准设计、制造与检验。
注:3P:三对常开主触头,NO:一对常开辅助触头,NC:一对常闭辅助触头。
辅助触头的含
空气延时头的型号含义
三、主要技术参数
表2
接触器可与表3、表4中任一个附件组装辅助触头组
使用类别额定工作电压
(V)
额定工作电流
(A)
控制容量约定发热电
流A
寿命
接通分断
AC-153800.953600VA360VA
10同主触头
DC-132200.1533W33W 表3
空气延时头
表4
三、主要技术参数
3.1电寿命曲线(见图1)3.2主电路技术参数(见表5)
3.3负载能力(见表6)
3.4线圈参数(见表7)
四、外形尺寸与安装尺寸
注:为了更方便用户对现有设备电器维修及更新,本公司特别设计了用CJX2系列交流接触器替代CJ10系列交流接触器的过渡安装板。
具体替代的规格型号及性能见表8
表1
六、工作条件和安装条件
△周围空气温度-5℃~+40℃;
△安装地点海拔不超过2000m;
△最高温度为+40℃时,空气的相对湿度不超过50%,在较低温度下允许有较高的相对湿度,例如20℃时达到90%;对由于温度变化偶尔产生的凝露应采取特殊的措施;
△污染等级为“污染等级3”;
△安装类别为“安装类别Ⅲ”;
△除用螺钉安装外,还可采用35mm、75mm标准卡轨安装。
六、.
七、结构特点
△动作机构为直动式,触头为双断点;
△组合功能,除安装面外,其余各面均能加装附件;
△两侧可加装辅助触头组或联锁机构;
△上方可加装辅助触头组或空气延时头;
△线圈接线端可加装时间延时器等各种功能模块。
七、安装使用及维护
1、安装前应检查有关的技术数据(如额定电压、电流、操作频率等是否符合要求)。
2、安装时,应该按规定条件安装,接触器线圈的接线端子A1符合应朝上方,符合人的视觉习惯。
3、对有金属安装底板的接触器要妥善接地。
4、接线端螺钉应拧紧,检查接线正确无误后,应在主触头不带电情况下,先使吸引线圈通电分合数次,试验动作可靠后,才能投入使用。
5、使用时如发现有不正常噪音,可能是铁芯极面上有污物,请擦净极面。
6、使用中,应定期检查产品各部件,要求可动部位不卡住,紧固件无松脱,零部件如有损坏,应及时更换。
接触器完整的名称型号;
线圈的额定工作电压、频率等;
例:交流接触器CJX2、CJX4-0610K交流220V50Hz300台;
直流操作接触器CJX2、CJX4-0601KZ直流220V300台;辅助触头组F3、F4-11K300台。
AC-1类接触器是用来控制无感或微感负载、电阻炉
AC-2类接触器是用来控制绕线式感应电动机的起动、分断
AC-3类接触器是用来控制笼型感应电动机的起动、运转中分断
AC-4类接触器是用来控制笼型感应电动机的起动、反接制动或反向运转、点动
AC-5a类接触器是用来控制放电灯的通断
AC-5b类接触器是用来控制白炽灯的通断
AC-6a类接触器是用来控制变压器的通断
AC-6b类接触器是用来控制电容器组的通断
AC-7a类接触器是用来控制家用电器和类似用途的低感负载
AC-7b类接触器是用来控制家用的电动机负载
AC-8a类接触器是用来控制具有手动复位过载脱扣器的密封制冷压缩机中的电动机
AC-8b类接触器是用来控制具有自动复位过载脱扣器的密封制冷压缩机中的电动机一交流接触器的选用方法
接触器的选用应按满足被控制设备的要求进行,除额定工作电压应与被控设备的额定电压相同外,被控设备的负载功率、使用类别、操作频率、工作寿命、安装方式及尺寸以及经济性等是选择的依据。
选择接触器时应从其工作条件出发,主要考虑下列因素:1、控制交流负载应选用交流接触器;2、接触器的使用类别应与负载性质相一致。
3、主触头的额定工作电流应大于或等于负载电路的电流;还要注意的是接触器主触头的额定工作电流是在规定的条件下(额定工作电压、使用类别、操作频率等)能够正常工作的电流值,当实际使用条件不同时,这个电流值也将随之改变。
4、主触头的额定工作电流应大于或等于负载电路的电压。
5、吸引线圈的额定电压应与控制回路电压相一致,接触器在线圈额定电压85%及以上时应能可靠地吸合交流接触器的选用,应根据负荷的类型和工作参数合理选用。
具体分为以下步骤:
1.选择接触器的类型
交流接触器按负荷种类一般分为一类、二类、三类和四类,分别记为AC1、AC2、AC3和AC4。
一类交流接触器对应的控制对象是无感或微感负荷,如白炽灯、电阻炉等;二类交流接触器用于绕线式异步电动机的起
动和停止;三类交流接触器的典型用途是鼠笼型异步电动机的运转和运行中分断;四类交流接触器用于笼型异步电动机的起动、反接制动、反转和点动。
2.选择接触器的额定参数
根据被控对象和工作参数如电压、电流、功率、频率及工作制等确定接触器的额定参数。
1)接触器的线圈电压,一般应低一些为好,这样对接触器的绝缘要求可以降低,使用时也较安全。
但为了方便和减少设备,常按实际电网电压选取。
2)电动机的操作频率不高,如压缩机、水泵、风机、空调、冲床等,接触器额定电流大于负荷额定电流即可。
接触器类型可选用CJl0、CJ20等。
3)对重任务型电机,如机床主电机、升降设备、绞盘、破碎机等,其平均操作频率超过100次/min,运行于起动、点动、正反向制动、反接制动等状态,可选用CJl0Z、CJl2型的接触器。
为了保证电寿命,可使接触器降容使用。
选用时,接触器额定电流大于电机额定电流。
4)对特重任务电机,如印刷机、镗床等,操作频率很高,可达600~12000次/h,经常运行于起动、反接制动、反向等状态,接触器大致可按电寿命及起动电流选用,接触器型号选CJl0Z、CJl2等。
5)交流回路中的电容器投入电网或从电网中切除时,接触器选择应考虑电容器的合闸冲击电流。
一般地,接触器的额定电流可按电容器的额定电流的1.5倍选取,型号选CJ10、CJ20等。
6)用接触器对变压器进行控制时,应考虑浪涌电流的大小。
例如交流电弧焊机、电阻焊机等,一般可按变压器额定电流的2倍选取接触器,型号选CJl0、CJ20等。
7)对于电热设备,如电阻炉、电热器等,负荷的冷态电阻较小,因此起动电流相应要大一些。
选用接触器时可不用考虑(起动电流),直接按负荷额定电流选取。
型号可选用CJl0、CJ20等。
8)由于气体放电灯起动电流大、起动时间长,对于照明设备的控制,可按额定电流1.1~1.4倍选取交流接触器,型号可选CJl0、CJ20等。
9)接触器额定电流是指接触器在长期工作下的最大允许电流,持续时间≤8h,且安装于敞开的控制板上,如果冷却条件较差,选用接触器时,接触器的额定电流按负荷额定电流的110%~120%选取。
对于长时间工作的电机,由于其氧化膜没有机会得到清除,使接触电阻增大,导致触点发热超过允许温升。
实际选用时,可将接触器的额定电流减小30%使用。