土建检验批(表格是GB50204-2002,楼层报验工序)
- 格式:doc
- 大小:434.00 KB
- 文档页数:12
砂和砂石地基检验批质量验收记录表地下防水混凝土检验批质量验收记录表GB50208-2002地下水泥砂浆防水层检验批质量验收记录表GB50208-2002地下防水细部构造检验批质量验收记录表GB50204-2002(Ⅲ)钢筋加工检验批质量验收记录表GB50204-2002(Ⅰ)钢筋安装工程检验批质量验收记录表混凝土原材料及配合比设计检验批质量验收记录表GB50204-2002(Ⅰ)混凝土施工检验批质量验收记录表GB50204-2002(Ⅱ)现浇结构外观及尺寸偏差检验批质量验收记录表GB50204-2002(Ⅰ)砖砌体(混水)工程检验批质量验收记录表填充墙砌体工程检验批质量验收记录表GB50203-2002(Ⅱ)基土垫层检验批质量验收记录表GB50209-2002(Ⅰ)砂垫层和砂石垫层检验批质量验收记录表GB50209-2002(Ⅲ)碎石垫层和碎砖垫层检验批质量验收记录表GB50209-2002(Ⅳ)水泥混凝土垫层检验批质量验收记录表GB50209-2002(Ⅶ)水泥砂浆找平层检验批质量验收记录表GB50209-2002(Ⅷ)水泥混凝土面层检验批质量验收记录表水泥砂浆面层工程检验批质量验收记录表普通水磨石面层检验批质量验收记录表瓷地砖砖面层检验批质量验收记录表石和花岗石面层检验批质量验收记录表GB50209-2002预制板块面层检验批质量验收记录表一般抹灰工程检验批质量验收记录表水刷石装饰抹灰工程检验批质量验收记录表清水砌体勾缝工程检验批质量验收记录表GB50210-2001普通木门窗制作工程检验批质量验收记录表普通木门窗安装检验批质量验收记录表钢门窗安装工程检验批质量验收记录表铝合金门窗安装工程检验批质量验收记录表涂色镀锌钢板门窗安装检验批质量验收记录表塑料门窗安装工程检验批质量验收记录表推拉自动门安装检验批质量验收记录表金属框架玻璃旋转门安装检验批质量验收记录表门窗玻璃安装工程检验批质量验收记录表GB50210-2001光面石材饰面板安装工程检验批质量验收记录表注:①定性项目符合要求打√,反之打×;②定量项目加○表示超出企业标准,加△表示超出国家标准。
混凝土施工检验批质量验收记录
南阳市建设工程质量监督检验站监制
混凝土施工检验批质量验收记录
A10-—2——12 GB50204——2002
混凝土施工检验批质量验收记录
南阳市建设工程质量监督检验站监制
混凝土施工检验批质量验收记录
南阳市建设工程质量监督检验站监制
混凝土施工检验批质量验收记录
南阳市建设工程质量监督检验站监制
混凝土施工检验批质量验收记录
南阳市建设工程质量监督检验站监制
混凝土施工检验批质量验收记录
南阳市建设工程质量监督检验站监制
混凝土施工检验批质量验收记录
南阳市建设工程质量监督检验站监制
混凝土施工检验批质量验收记录
南阳市建设工程质量监督检验站监制
混凝土施工检验批质量验收记录
南阳市建设工程质量监督检验站监制
混凝土施工检验批质量验收记录
南阳市建设工程质量监督检验站监制
混凝土施工检验批质量验收记录
南阳市建设工程质量监督检验站监制。
允许偏差(mm )
3
3中心线位置5外露长度+10,0中心线位置2外露长度+10,0中心线位置10尺 寸
+10,0
允许偏差(mm )
检验方法5
钢尺检查±5水准仪或拉线、钢尺检查基 础±10钢尺检查柱、墙、梁+4, -5钢尺检查不大于5m
6
经纬仪或吊线、钢尺检查大于5m
8经纬仪或吊线、钢尺检查2钢尺检查3
2m 靠尺和塞尺检查
允许偏差(mm )
检验方法板、梁±5薄腹梁、桁架
±10柱0,-10墙 板0,-5
板、墙板
0,-5
钢尺量一端及中部,取其梁、薄腹梁、桁架、柱
+2,-5中较大值板
+2,-3钢尺量一端及中部,取其
4.2.7 现浇结构模板安装的允许偏差及检验方法
项 目预埋螺栓预留洞
表4.2.6 预埋件和预留孔洞的允许偏差项 目预埋钢板中心线位置预埋管、预留孔中心线位置插 筋轴线位置底模上表面标高
高(厚)度
层高垂直度
相邻两板表面高低差
表面平整度
项 目
截面内部尺
寸
表4.2.8预制构件模板安装的允许偏差及检验方法
长 度
钢尺量两角边,取其中大值宽 度
墙板0,-5中较大值梁、薄腹梁、桁架、
柱
+2,-5
梁、板、柱l/1000且≤15
墙板、薄腹梁、桁架l/1500且≤15
32m靠尺和塞尺检查
1钢尺检查板7
墙板5
翘曲板、墙板l/1500调平尺在两端量测
设计起拱薄腹梁、桁架、梁±3拉线、钢尺量跨中
高(厚)度
对角线差钢尺量两个对角线
侧向弯曲拉线、钢尺量最大弯曲处
板的表面平整度相邻两板表面高低差。
注:①定性项目符合要求打√,反之打×;②定量项目加○表示超出企业标准,加△表示超出国家标准。
注:①定性项目符合要求打√,反之打×;②定量项目加○表示超出企业标准,加△表示超出国家标准。
砂和砂石地基检验批质量验收记录表注:①定性项目符合要求打√,反之打×;②定量项目加○表示超出企业标准,加△表示超出国家标准。
地下防水混凝土检验批质量验收记录表GB50208-2002注:①定性项目符合要求打√,反之打×;②定量项目加○表示超出企业标准,加△表示超出国家标准。
地下水泥砂浆防水层检验批质量验收记录表GB50208-2002注:①定性项目符合要求打√,反之打×;②定量项目加○表示超出企业标准,加△表示超出国家标准。
地下卷材防水层检验批质量验收记录表注:①定性项目符合要求打√,反之打×;②定量项目加○表示超出企业标准,加△表示超出国家标准。
地下涂料防水层检验批质量验收记录表注:①定性项目符合要求打√,反之打×;②定量项目加○表示超出企业标准,加△表示超出国家标准。
地下防水细部构造检验批质量验收记录表注:①定性项目符合要求打√,反之打×;②定量项目加○表示超出企业标准,加△表示超出国家标准。
模板安装工程检验批质量验收记录表注:①定性项目符合要求打√,反之打×;②定量项目加○表示超出企业标准,加△表示超出国家标准。
模板拆除工程检验批质量验收记录表GB50204-2002〔Ⅲ〕1注:①定性项目符合要求打√,反之打×;②定量项目加○表示超出企业标准,加△表示超出国家标准。
钢筋加工检验批质量验收记录表GB50204-2002〔Ⅰ〕注:①定性项目符合要求打√,反之打×;②定量项目加○表示超出企业标准,加△表示超出国家标准。
钢筋安装工程检验批质量验收记录表注:①定性项目符合要求打√,反之打×;②定量项目加○表示超出企业标准,加△表示超出国家标准。
预制构件检验批质量验收记录表GB50204-2002(Ⅰ)020106单位(子单位)工程名称分部(子分部)工程名称验收部位施工单位项目经理施工执行标准名称及编号施工质量验收规范的规定1构件标志和预埋件等主控项2外观质量严重缺陷处理目3过大尺寸偏差处理1外观质量一般缺陷处理监理( 建设) 单位施工单位检查评定记录验收记录第 9.2.1条第 9.2.2条第 9.2.3条第 9.2.4条2长度 (mm)宽度、高(厚)3度 (mm)4侧向弯曲 (mm)一般5预埋件项目6预留孔7预留洞主筋保护层厚8度 (mm)9对角线差 (mm)表面平整度10(mm)预应力构件预11留孔道位置(mm)12翘曲 (mm)板、梁柱墙板薄腹梁、桁架板、梁、柱、墙板、薄腹梁、桁架梁、柱、板墙板、薄腹梁、桁架中心线位置 (mm)螺栓位置 (mm)螺栓外露长度(mm)中心线位置 (mm)中心线位置 (mm)板梁、柱、墙板、薄腹梁、桁架板、墙板板、墙板、柱、梁梁、墙板、薄腹梁、桁架板墙板+10 ,-5+5, -10±5+15, -10±5L/750且≤20L/1000且≤20105+10, -5515+5, -3+10, -51053L/750L/1000专业工长(施工员)施工班组长施工单位检查评定结果项目专业质量检查员:年月日监理(建设)单位验收结论专业监理工程师:(建设单位项目专业技术负责人):年月日。
柱基土方开挖工程检验批质量验收记录表GB50202-2002柱基土方回填工程检验批质量验收记录表GB50202-2002砂和砂石地基检验批质量验收记录表GB50202-2002注:①定性项目符合要求打√,反之打×;②定量项目加○表示超出企业标准,加△表示超出国家标准。
地下防水混凝土检验批质量验收记录表GB50208-2002注:①定性项目符合要求打√,反之打×;②定量项目加○表示超出企业标准,加△表示超出国家标准。
地下水泥砂浆防水层检验批质量验收记录表GB50208-2002注:①定性项目符合要求打√,反之打×;②定量项目加○表示超出企业标准,加△表示超出国家标准。
地下卷材防水层检验批质量验收记录表GB50208-2002注:①定性项目符合要求打√,反之打×;②定量项目加○表示超出企业标准,加△表示超出国家标准。
地下涂料防水层检验批质量验收记录表GB50208-2002注:①定性项目符合要求打√,反之打×;②定量项目加○表示超出企业标准,加△表示超出国家标准。
地下防水细部构造检验批质量验收记录表注:①定性项目符合要求打√,反之打×;②定量项目加○表示超出企业标准,加△表示超出国家标准。
模板安装工程检验批质量验收记录表注:①定性项目符合要求打√,反之打×;②定量项目加○表示超出企业标准,加△表示超出国家标准。
模板拆除工程检验批质量验收记录表GB50204-2002(Ⅲ)010601注:①定性项目符合要求打√,反之打×;②定量项目加○表示超出企业标准,加△表示超出国家标准。
钢筋加工检验批质量验收记录表GB50204-2002(Ⅰ)注:①定性项目符合要求打√,反之打×;②定量项目加○表示超出企业标准,加△表示超出国家标准。
钢筋安装工程检验批质量验收记录表GB50204-2002注:①定性项目符合要求打√,反之打×;②定量项目加○表示超出企业标准,加△表示超出国家标准。
工程报验表
工程名称:XXXXXX工程编号:3-12-157
项、基础、主体、防水工程检查后,由报总监(代表)/驻地监理工程师签署审查意见,其他由专业监理工程师签署意见。
2、本表共三份由施工单位填报,建设单位、监理单位、施工单位各执一份。
工程报验表
项、基础、主体、防水工程检查后,由报总监(代表)/驻地监理工程师签署审查意见,其他由专业监理工程师签署意见。
2、本表共三份由施工单位填报,建设单位、监理单位、施工单位各执一份
工程报验表
说明:1、本工程报验表系指分部、分项、检验批及隐蔽工程报验;分部、分项、基础、主体、防水工程检查后,由报总监(代表)/驻地监理工程师签署审查意见,其他由专业监理工程师签署意见。
2、本表共三份由施工单位填报,建设单位、监理单位、施工单位各执一份。
混凝土原材料及配合比设计检验批质量验收记录表
GB50204-2002
(Ⅰ)
工程报验表
说明:1、本工程报验表系指分部、分项、检验批及隐蔽工程报验;分部、分项、基础、主体、防水工程检查后,由报总监(代表)/驻地监理工程师签署审查意见,其他由专业监理工程师签署意见。
2、本表共三份由施工单位填报,建设单位、监理单位、施工单位各执一份
模板拆除工程检验批质量验收记录表
GB50204-2002
(Ⅲ)。
文档来源为:从网络收集整理.word版本可编辑•欢迎下载支持柱基土方开挖工程检验批质量验收记录表GB50202-2002010101 丽注:①定性项目符合要求打V,反之打X;②定量项目加O表示超出企业标准,加△表示超出国家标准。
文档来源为:从网络收集整理.word版本可编辑•欢迎下载支持柱基土方回填工程检验批质量验收记录表GB50202-200201010丽01050评文档来源为:从网络收集整理.word版本可编辑•欢迎下载支持GB50208-20020105021]111010507帀GB50204-2002 01060耐02010帀GB50204-200201060匝02010匝文档来源为:从网络收集整理.word版本可编辑•欢迎下载支持GB50204-20020106021F] 02010轲文档来源为:从网络收集整理.word版本可编辑•欢迎下载支持单位(子单位)工程名称分部(子分部)工程名称施工单位GB50204-2002 漳州市华元小区5号楼混凝土结构子分部福建省南靖信达建筑工程有限公司施工执行标准名称及编号010602匝| 02010201]验收部位项目经理XDQB2002-08钢筋加工与安装施工工艺标准施工质量验收规范的规定施工单位检查评定记录①〜⑧轴二层楼板吴文山监理(建设)验收记录1纵向受力钢筋的连接方式第541条V 2机械连接和焊接接头的力学性能第5.4.2条V 3受力钢筋的品种、级别、规格和数量第 5.5.1条V 1接头位置和数量第5.4.3条V 2机械连接、焊接的外观质量第 5.4.4条V 3机械连接、焊接的接头面积百分率第 5.4.5条V 4绑扎搭接接头面积百分率和搭接长第 5.4.6条V 5搭接长度范围内的箍筋第 5.4.7条V6钢筋安装允许偏差绑扎钢筋网长、宽(mm)± 101-5-3984-18-15-9网眼尺寸(mm)± 2059746264-2211绑扎钢筋骨架长(mm)± 10-1-2467358-1411宽、高(mm)± 5-3-4324215-75力筋受钢间距(mm)± 10-5-3597-45-8-1511排距(mm)± 54357-3-535-7-2保护层厚度(mm基础± 10柱、梁± 543-25-463-2-72板、墙、壳± 3-1-2213-32-2-44绑扎箍筋、横向钢筋间距(mm)± 209-675-984-8-2511钢筋弯起点位置(mm)20-9-5834-95-83011预埋件中心线位置(mm)5—■.—__■水平咼差(mm)+3, 0——-L—主控符合要求项般符合要求项目专业工长(施工员)李文华施工班组长林志钦施工单位检查评定结果主控项目全部合格,一般项目满足施工规范规定要求。
GB50202-2002注:①定性项目符合要求打√,反之打×;②定量项目加○表示超出企业标准,加△表示超出国家标准。
GB50202-2002注:①定性项目符合要求打√,反之打×;②定量项目加○表示超出企业标准,加△表示超出国家标准。
砂和砂石地基检验批质量验收记录表GB50202-2002注:①定性项目符合要求打√,反之打×;②定量项目加○表示超出企业标准,加△表示超出国家标准。
地下防水混凝土检验批质量验收记录表GB50208-2002注:①定性项目符合要求打√,反之打×;②定量项目加○表示超出企业标准,加△表示超出国家标准。
地下水泥砂浆防水层检验批质量验收记录表GB50208-2002注:①定性项目符合要求打√,反之打×;②定量项目加○表示超出企业标准,加△表示超出国家标准。
地下卷材防水层检验批质量验收记录表GB50208-2002注:①定性项目符合要求打√,反之打×;②定量项目加○表示超出企业标准,加△表示超出国家标准。
地下涂料防水层检验批质量验收记录表GB50208-2002注:①定性项目符合要求打√,反之打×;②定量项目加○表示超出企业标准,加△表示超出国家标准。
地下防水细部构造检验批质量验收记录表GB50208-2002注:①定性项目符合要求打√,反之打×;②定量项目加○表示超出企业标准,加△表示超出国家标准。
模板安装工程检验批质量验收记录表注:①定性项目符合要求打√,反之打×;②定量项目加○表示超出企业标准,加△表示超出国家标准。
模板拆除工程检验批质量验收记录表GB50204-2002(Ⅲ)020101注:①定性项目符合要求打√,反之打×;②定量项目加○表示超出企业标准,加△表示超出国家标准。
钢筋加工检验批质量验收记录表GB50204-2002(Ⅰ)注:①定性项目符合要求打√,反之打×;②定量项目加○表示超出企业标准,加△表示超出国家标准。
建筑工程检验批质量验收记录表编号与分部(子分部)工程、分项工程划分对照表分部工程应用规范名称子分部工程分项工程编号名称编号名称编号名称编号名称编号名称01 地基与基础GB50202-2002建筑地基基础工程施工质量验收规范0101 无支护土方010101 土方开挖010102 土方回填0102 有支护土方010201 排桩(钢板桩Ⅰ、砼Ⅱ)010202 降水、排水010203 地下连续墙(钢筋笼Ⅰ、墙体Ⅱ)010204 锚杆、土钉墙010205 加筋水泥土桩010206 沉井与沉箱0103 地基处理010301 灰土地基010302 砂和砂石地基010303 土及合成材料地基010304 粉煤灰地基010305 重锤夯实地基、强夯地基010306 振冲地基010307 砂桩地基010308 预压地基010309 高压喷射注浆地基010310 土和灰土挤压桩地基010311 注浆地基010312 水泥粉煤灰碎石桩地基010313 夯实水泥土桩地基010314 水泥土搅拌桩地基0104 桩基010401 锚杆静压桩及静力压桩010402 预应力离心管桩010403 钢筋砼预制桩(钢筋骨架Ⅰ、桩身Ⅱ)010404 钢桩(成品Ⅰ、施工Ⅱ)010405 混凝土灌注桩(钢筋笼Ⅰ、桩身Ⅱ)GB50208-2002地下防水工程施工质量验收规范0105 地下防水010501 防水砼010502 水泥砂浆防水层010503 卷材防水层010504 涂料防水层010505 金属板防水层010506 塑料板防水层010507 细部构造010508 喷锚支护010509 复合式衬砌010510 地下连续墙010511 盾构法隧道010512 渗排水、盲沟排水010513 隧道、坑道排水010514 预注浆、后注浆010515 衬砌裂缝注浆GB50204-2002砼结构工程施工质量验收规范0106 混凝土基础010601 模板(安装Ⅰ、拆除Ⅱ)010602 钢筋(加工Ⅰ、安装Ⅱ)010603 砼(原材料Ⅰ、构件Ⅱ)010604 后浇带砼010605 砼结构缝处理GB50203-2002砌体工程施工质量验收规范0107 砌体基础010701 砖砌体(用020301□□表)010702 砼砌块砌体010703 配筋砌体010704 石砌体GB50205-2001钢结构工程施工质量验收规范0108劲钢(管)混凝土010801 劲钢(管)焊接010802 劲钢(管)与钢筋的连接010803 混凝土0109 钢结构010901钢结构制作(安装)焊接Ⅰ、焊钉(栓钉)Ⅱ010902栓接钢结构(普通紧固件Ⅰ、高强度螺栓Ⅱ)010903钢结构制作(零部件加工Ⅰ、钢网架制作Ⅱ)010904 钢结构安装010905 钢结构涂装(防腐Ⅰ、防火Ⅱ)分部工程应用规范名称子分部工程分项工程编号名称编号名称编号名称编号名称编号名称02 主体结构GB50204-2002《砼结构工程施工质量验收规范》0201 混凝土结构020101模板(现浇安装Ⅰ、预制安装Ⅱ、拆除Ⅲ)020102 钢筋(加工Ⅰ、安装连接Ⅱ)020103混凝土(原材料配合比Ⅰ、混凝土施工Ⅱ)020104预应力(原材料Ⅰ、制作安装Ⅱ、张拉法Ⅲ)020105现浇结构(外观尺寸Ⅰ、设备基础外观Ⅱ)020106装配式结构(预制构件Ⅰ、装配结构Ⅱ)0202劲钢(管)混凝土020201 劲钢Ⅰ(管Ⅱ)020202螺栓连接(普通螺栓Ⅰ、高强螺栓Ⅱ)020203 劲钢(管)与钢筋连接Ⅰ、Ⅱ020204劲钢(管)制作Ⅰ、Ⅱ;安装Ⅰ、Ⅱ020205混凝土(原材料配合比Ⅰ、混凝土施工Ⅱ)GB50203-2002《砌体工程施工质量验收规范》0203 砌体结构020301 砖砌体(混水)020302 砼小型空心砌块砌体020303 石砌体020304 填充墙砌体020305 配筋砖砌体GB50205-2002《钢结构工程施工质量验收规范》0204 钢结构020401 钢结构制作焊接Ⅰ、焊钉栓钉Ⅱ020402 紧固件连接Ⅰ、高强螺栓Ⅱ020403 钢零部件加工Ⅰ、钢网架制作Ⅱ020404 单层钢构件安装020405 多层及高层钢结构安装020406 钢构件组装020407 钢构件预拼装020408 钢网架结构安装020409 压型金属板020410 钢结构涂装(防腐Ⅰ、防火Ⅱ)GB50206-2002 0205 木结构020501 木屋盖(方木和原木结构)020502 胶合木结构020503 轻型木结构020504 木结构防护0206钢架和索膜结构020601 网架制作020602 网架安装020603 索膜安装020604 网架防火020605 防腐涂料03 建筑装饰装修GB50209-2002《建筑地面施工质量验收规范》0301 地面030101基层、基土垫层Ⅰ、灰土垫层Ⅱ、砂和砂石垫层Ⅲ、碎石或碎砖垫层Ⅳ、三合土垫层Ⅴ、炉渣垫层Ⅵ、水泥砼垫层Ⅶ、找平层Ⅷ、隔离层Ⅸ、填充层Ⅹ030102 水泥砼面层030103 水磨石面层030104 水泥钢屑面层030105 防油渗面层030106 不发火(防暴)面层030107 砖面层030108 大理石或花岗石面层030109 预制板面层030110 料石面层030111 塑料板面层030112 活动地板面层030113 地毯面层030114 实木地板面层030115 实木复合地板面层030116 中密度(强化)复合地板面层分部工程应用规范名称子分部工程分项工程编号名称编号名称编号名称编号名称编号名称03 建筑装饰装修GB50209-2002《建筑地面施工质量验收规范》030117 竹地板面层0302 抹灰030201 一般抹灰030202 装饰抹灰030203 清水砌体勾缝0303 门窗030301 木门窗制作Ⅰ、安装Ⅱ030302钢Ⅰ、铝合金Ⅱ、涂色镀锌钢板门窗安装030303 塑料门窗安装030304 特种门安装030305 门窗玻璃安装0304 吊顶030401 暗龙骨吊顶030402 明龙骨吊顶0305 轻质隔墙030501 板材隔墙030502 骨架隔墙030503 活动隔墙030504 玻璃隔墙0306 饰面板(砖)030601 饰面板安装030602 饰面砖粘贴0307 幕墙030701 玻璃幕墙主控项目Ⅰ、一般项目Ⅱ030702 金属幕墙主控项目Ⅰ、一般项目Ⅱ030703 石材幕墙主控项目Ⅰ、一般项目Ⅱ0308 涂饰030801 水性涂料涂饰030802 溶剂型涂料涂饰030803 美术涂饰0309 裱糊与软包030901 裱糊030902 软包0310 细部031001 橱柜制作与安装031002窗帘盒、窗台板和暖气罩制作与安装031003 门窗制作与安装031004 护栏和扶手制作与安装031005 花饰制作与安装04 建筑屋面GB50207-2002《屋面工程质量验收规范》0401 卷材防水屋面040101 屋面保温层040102 屋面找平层040103 卷材防水层040104 细部构造0402涂膜防水屋面040201 屋面保温层040202 屋面找平层040203 涂膜防水层040204 细部构造0403 刚性防水屋面040301 细石砼防水层040302 密封材料嵌缝040303 细部构造0404 瓦屋面040401 平瓦屋面040402 油毡屋面040403 金属板材屋面040404 细部构造0405 隔热屋面040501 架空屋面040502 蓄水、种植屋面040503 蓄水、种植屋面0501 室内给水系统050101 室内给水管道及配件安装050102 室内消火栓系统安装050103 给水设备安装0502 室内排水系统050201 排水管道及配件安装050202 雨水管道及配件安装分部工程应用规范名称子分部工程分项工程编号名称编号名称编号名称编号名称编号名称05 建筑给水、排水及采暖GB50242-2002《建筑给排水及采暖工程施工质量验收规范》0503室内热水供应系统050301 热水管道及配件安装050302 热水供应系统辅助设备安装0504 卫生器具安装050401 卫生器具及给水配件安装050402 卫生器具排水管道安装0505 室内采暖系统050501 室内采暖管道及配件安装050502室内采暖辅助设备及散器及金属辐射采暖安装050503 低温地板辐射采暖安装0506 室外给水管网050601 室外给水管道安装050602 消防水泵结合器及消火栓安装050603 管沟及井室0507 室外排水管网050701 室外排水管道安装050702 室外排水管沟及井池工程0508 室外供热管网050801 室外供热管道及配件安装0509建筑中水系统及游泳池水系统050901050902建筑中水系统及游泳池水系统安装0510供热锅炉及辅助设备安装051001 锅炉安装051002 锅炉辅助设备安装(Ⅰ)051002 工艺管道安装(Ⅱ)051003 锅炉安全附件安装051004 换热站安装06 建筑电气GB50303-2002《建筑电气工程施工质量验收规范》0601 室外电气060101架空线路及杆上电气设备安装060102 变压器、箱式变电所安装060103成套配电柜、控制柜(屏、台)和动力照明配电箱(盘)安装Ⅰ060104电线导管、电缆导管和线槽敷设(Ⅱ)060105 电线、电缆穿管和线槽敷线060106电缆头制作、接线和线路绝缘测试060107建筑物景观照明灯、航空障碍标志灯和庭院灯安装060108 建筑物照明通电试运行060109 接地装置安装0602 变配电室060201 变压器、箱式变电所安装060202成套配电柜、控制柜(屏、台)和动力、照明配电箱(盘)安装(Ⅰ)060203裸母线、封闭母线、插接式母线安装060204电缆沟内和电缆竖井内电缆敷设060205电缆头制作、接线和线路绝缘测试060206 接地装置安装060207避雷引下线和变配电室接地干线敷设(Ⅱ)分部工程应用规范名称子分部工程分项工程编号名称编号名称编号名称编号名称编号名称06 建筑电气GB50303-20020603 供电干线060301裸母线、封闭母线、插接式母线安装060302电缆桥架安装和桥架内电缆敷设(Ⅰ)060303电缆沟内和电缆竖井内电缆敷设060304电线导管、电缆导管和线槽敷设(Ⅰ)060305 电线、电缆穿管和线槽敷设060306电缆头制作、接线和线路绝缘测试0604 电气动力060401成套配电柜、控制柜(屏、台)和动力、照明配电箱(盘)安装(Ⅱ)060402低压电机、电加热器及电动执行机构检查接线060403低压电气动力设备试验和试运行060404电缆桥架安装和桥架内电缆敷设060405电线导管、电缆导管和线槽敷设060406 电线、电缆穿管和线槽敷设060407电缆头制作、接线和线路绝缘测试060408 开关、插座、风扇安装0605电气照明安装060501成套配电柜、控制柜(屏、台)和动力、照明配电箱(盘)安装060502电线导管、电缆导管和线槽敷设(Ⅰ)060503 电线、电缆穿管和线槽敷设060504 槽板配线060505 钢索配线060506电缆头制作、接线和线路绝缘测试060507 普通灯具安装050608 专用灯具安装060509建筑景观照明灯、航空障碍标志灯和庭院灯安装060510 开关、插座、风扇安装060511 建筑物照明通电试运行0606备用和不间断电源安装060601成套配电柜、控制柜(屏、台)和动力、照明配电箱(盘)安装(Ⅰ)060602 柴油发电机组安装060603 不间断电源安装060604裸母线、封闭母线、插接式母线安装060605电线导管、电缆导管和线槽敷设(Ⅰ)060606 电线、电缆穿管和线槽敷线060607电缆头制作、接线和线路绝缘测试060608 接地装置安装分部工程应用规范名称子分部工程分项工程编号名称编号名称编号名称编号名称编号名称0607 防雷及接地安装060701 接地装置安装060702避雷引下线和变配电室接地干线敷设(Ⅰ)060703 建筑物等电位联结060704 接闪器安装08 通风与空调GB50243-2002《通风与空调工程施工质量验收规范》0801 送排风系统080101 风管与配件制作(金属风管Ⅰ)、(非金属、复合材料风管Ⅱ)080103风管系统安装(送、排风、防排烟、除尘系统Ⅰ)080105 风管部件与消声器制作080107 通风机安装080100 工程系统调试验收记录表0802 防排烟系统080201 风管与配件制作(金属风管Ⅰ)、(非金属、复合材料风管Ⅱ)080203风管系统安装(送、排风、防排烟、除尘系统Ⅰ)080207 通风机安装080200 工程系统调试验收记录表0803 除尘系统080301 风管与配件制作(金属风管Ⅰ)、(非金属、复合材料风管Ⅱ)080303 风管系统安装(送、排风、防排烟、除尘系统Ⅰ)080304通风与空调设备安装(通风系统Ⅰ)080306 通风机安装080300 工程系统调试验收记录表0804 空调风系统080401 风管与配件制作(金属风管Ⅰ)、(非金属、复合材料风管Ⅱ)080403风管系统安装(送、排风、防排烟、除尘系统Ⅰ)080404通风与空调设备安装(通风系统Ⅱ)080405 风管部件与消声器制作080407 通风机安装080400 工程系统调试验收记录0805净化空调系统080501 风管与配件制作(金属风管Ⅰ)、(非金属、复合材料风管Ⅱ)080503 风管系统安装(送、排风、防排烟、除尘系统Ⅰ)080504通风与空调设备安装(净化空调系统Ⅲ)080505 风管部件与消声器制作080507 通风机安装080500 工程系统调试验收记录0806制冷设备系统080601 空调制冷系统安装080600 工程系统调试验收记录表0807 空调水系统080701 空调水系统安装(金属管道Ⅰ)、(非金属管道Ⅱ)、(设备Ⅲ)080700 工程系统调试验收记录表分部工程应用规范名称子分部工程分项工程编号名称编号名称编号名称编号名称编号名称09 GB50310-2002《电梯工程施工质量验收规范》0901电力驱动的曳引式或强制式电梯安装090101 电梯安装工程设备进场090102 电梯安装土建交接090103电梯驱动主轨安装(曳引式或强制式)090104 电梯导轨安装090105 电力液压电梯门系统安装090106 电梯轿箱及对重安装090107 电梯安全部件安装090108电力悬挂装置、随行电缆、补偿装置安装090109 电梯电器装置安装090110 电梯整机安装0902液压电梯安装090201 电梯安装工程设备进场090202 电梯安装土建交接090203 电梯液压系统安装090204 电梯导轨安装090204 电力液压电梯门系统安装090206 电梯轿箱及对重安装090207 电梯安全部件安装090208 液压电梯悬挂装置、随行电缆090209 电梯电气装置安装090210 液压电梯整机安装0903自动扶梯、自动人行道安装090301 设备进场验收090302 土建交接检验090302 整机安装验收。
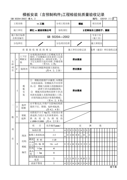
模板安装(含预制构件)工程检验批质量验收记录
注:L为构件长度(mm)。
技术复核记录
技术复核记录
工程名称:xx工程施工单位:浙江xx建设有限公司施工编号:
钢筋隐蔽工程验收记录
注:本表由施工项目专业质量检查员填写,监理工程师(建设单位项目技术负责人)组织项目专业质检员等进行验收
钢筋原材料检验批质量验收记录
钢筋安装检验批质量验收记录
混凝土原材料检验批质量验收记录
混凝土配合比设计检验批质量验收记录
混凝土施工检验批质量验收记录
模板拆除工程检验批质量验收记录
现浇结构外观质量检验批质量验收记录
现浇结构尺寸偏差检验批质量验收记录。
GB50202-2002GB50202-2002砂和砂石地基检验批质量验收记录表GB50202-2002地下防水混凝土检验批质量验收记录表GB50208-2002地下水泥砂浆防水层检验批质量验收记录表GB50208-2002GB50208-2002GB50208-2002地下防水细部构造检验批质量验收记录表GB50208-2002GB50204-2002(Ⅲ)010*********钢筋加工检验批质量验收记录表GB50204-2002(Ⅰ)注:①定性项目符合要求打√,反之打×;②定量项目加○表示超出企业标准,加△表示超出国家标准。
钢筋安装工程检验批质量验收记录表GB50204-2002注:①定性项目符合要求打√,反之打×;②定量项目加○表示超出企业标准,加△表示超出国家标准。
混凝土原材料及配合比设计检验批质量验收记录表GB50204-2002(Ⅰ)注:①定性项目符合要求打√,反之打×;②定量项目加○表示超出企业标准,加△表示超出国家标准。
混凝土施工检验批质量验收记录表GB50204-2002(Ⅱ)注:①定性项目符合要求打√,反之打×;②定量项目加○表示超出企业标准,加△表示超出国家标准。
现浇结构外观及尺寸偏差检验批质量验收记录表GB50204-2002(Ⅰ)注:①定性项目符合要求打√,反之打×;②定量项目加○表示超出企业标准,加△表示超出国家标准。
砖砌体(混水)工程检验批质量验收记录表GB50203-2002注:①定性项目符合要求打√,反之打×;②定量项目加○表示超出企业标准,加△表示超出国家标准。
填充墙砌体工程检验批质量验收记录表GB50203-2002(Ⅱ)注:①定性项目符合要求打√,反之打×;②定量项目加○表示超出企业标准,加△表示超出国家标准。
基土垫层检验批质量验收记录表GB50209-2002(Ⅰ)注:①定性项目符合要求打√,反之打×;②定量项目加○表示超出企业标准,加△表示超出国家标准。
前言 (3)1 总则 (4)2 术语 (6)3 基本规定 (7)4 模板分项工程 (10)4.1 一般规定 (10)4.2 模板安装 (10)4.3 模板拆除 (15)5 钢筋分项工程 (16)5.1 一般规定 (16)5.2 原材料 (17)5.3 钢筋加工 (19)5.4 钢筋连接 (20)5.5 钢筋安装 (23)6 预应力分项工程 (26)6.1 一般规定 (26)6.2 原材料 (27)6.3 制作与安装 (30)6.4 张拉和放张 (33)6.5 灌浆及封锚 (35)7 混凝土分项工程 (37)7.1 一般规定 (37)7.2 原材料 (39)7.3 配合比设计 (41)7.4 混凝土施工 (42)8 现浇结构分项工程 (46)8.1 一般规定 (46)8.2 外观质量 (47)8.3 尺寸偏差 (48)9 装配式结构分项工程 (51)9.1 一般规定 (51)9.2 预制构件 (52)9.3 结构性能检验 (54)9.4 装配式结构施工 (58)10 混凝土结构子分部工程 (60)10.1 结构实体检验 (60)10.2 混凝土结构子分部工程验收 (62)附录A 质量验收记录 (63)附录B纵向受力钢筋的最小搭接长度 (67)附录C 预制构件结构性能检验方法 (69)附录D 结构实体检验用同条件养护试件强度检验 (73)附录E 结构实体钢筋保护层厚度检验 (75)关于发布国家标准《混凝土结构工程施工质量验收规范》的通知建标[2002] 63号根据建设部《关于印发一九九八年工程建设国家标准制定、修订计划(第二批)的通知》(建标[1998] 244号)的要求,中国建筑科学研究院会同有关单位共同修订了《混凝土结构工程施工质量验收规范》。
我部组织有关部门对该规范进行了审查,现批准为国家标准,编号GB50204—2002,自2002年4月1日起施行。
其中4.1.1﹑4.1.3﹑5.1.1﹑5.2.1﹑5.2.2﹑5.5.1﹑6.2.1﹑6.3.1﹑6.4.4﹑7.2.1﹑7.2.2﹑7.4.1﹑8.2.1﹑8.3.1﹑9.1.1为强制性条文,必须严格执行。
模板安装(含预制构件)工程检验批质量验收记录20年月日施工单位检查结果评定项目专业质量检查员: 项目专业技术负责人:注:为构件长度技术复核记录工程名称:xx工程施工单位:浙江中凯建设有限公司施工编号:技术复核记录工程名称:XX工程施工单位:浙江XX建设有限公司施工编号:0201016钢筋隐蔽工程验收记录) 编号:检员等进行验收钢筋原材料检验批质量验收记录钢筋加工检验批质量验收记录钢筋连接检验批质量验收记录(GB50204-2002)表5.4 编号:020102 ( 3) 0|施工单位检查 结果评定 合格 项目专业 质量检查员: 项目专业 技术负责人:20年 月 日监理(建设) 单位验收结论 专业监理工程师: (建设单位项目专业技术负责人)20年 月 日钢筋安装检验批质量验收记录(GB50204-2002)表 5.5 编号:020102 (4) 0工程名称 xx 工程分项工程名称 钢筋项目经理施工单位 施工执行标准 名称及编号 分包单位 浙江xx 建设有限公司验收部位GB50204- 2002分包项目经理 2区转运台三层柱子、屋面专业工长(施工员)施工班组长钢筋安装时,受力钢筋的品种、 级别、规格和数量必须符合设计 要求。
符合要求钢筋安装位置的偏差项 目 允许 偏差 (mm )绑扎 钢筋网 长、宽 ± 10 8 -7 -5 6 9 -8 7 6 -5 -4网眼尺寸 ± 20 -15 12-10 12 -11 15 -16 ,17 14 -14绑扎钢 筋骨架长 ± 10宽、高 ± 5受力 钢筋间距 ± 10 -9 8 -7 6 -4 3-7 8 -9 5排距 ± 5 4-3 2 -53 0-3 2 -4保护 层厚 度基础 ± 10柱、梁± 5 3-2 5 -4 1 -3 0 -4 3 -2板、墙、壳 乖土 3 0-3 2 -3 20 -1 2 -1 0绑扎钢筋、横向钢筋间距± 20 -12 13-14 12-1(8 -9 7 -16>12钢筋弯起点位置 20 10912 16 18151614 13 17预埋件中心线位置 5水平咼差+3,0质量验收规范的规定 施工单位自检记录 监理(建设)单位验收记录般 项 目 施工操作依据 完 整主控项目质量检查记录混凝土原材料检验批质量验收记录表编号:( )混凝土配合比设计检验批质量验收记录验批质量验收记录编号:020103 ( 3) 0|凝土 施 工 检(GB50204-2002)表 7.4模板拆除工程检验批质量验收记录现浇结构外观质量检验批质量验收记录验批质量验收记录(GB50204-2002)表 8.3-1编号:020105 ( 2) 01浇结构尺寸偏差检。
柱基土方开挖工程检验批质量验收记录表柱基土方回填工程检验批质量验收记录表砂和砂石地基检验批质量验收记录表注:①定性项目符合要求打√,反之打×;②定量项目加○表示超出企业标准,加△表示超出国家标准。
地下防水混凝土检验批质量验收记录表GB50208-2002注:①定性项目符合要求打√,反之打×;②定量项目加○表示超出企业标准,加△表示超出国家标准。
地下水泥砂浆防水层检验批质量验收记录表GB50208—2002注:①定性项目符合要求打√,反之打×;②定量项目加○表示超出企业标准,加△表示超出国家标准.地下卷材防水层检验批质量验收记录表注:①定性项目符合要求打√,反之打×;②定量项目加○表示超出企业标准,加△表示超出国家标准。
地下涂料防水层检验批质量验收记录表注:①定性项目符合要求打√,反之打×;②定量项目加○表示超出企业标准,加△表示超出国家标准。
地下防水细部构造检验批质量验收记录表注:①定性项目符合要求打√,反之打×;②定量项目加○表示超出企业标准,加△表示超出国家标准。
模板安装工程检验批质量验收记录表注:①定性项目符合要求打√,反之打×;②定量项目加○表示超出企业标准,加△表示超出国家标准。
模板拆除工程检验批质量验收记录表GB50204—2002(Ⅲ)注:①定性项目符合要求打√,反之打×;②定量项目加○表示超出企业标准,加△表示超出国家标准。
钢筋加工检验批质量验收记录表GB50204—2002(Ⅰ)注:①定性项目符合要求打√,反之打×;②定量项目加○表示超出企业标准,加△表示超出国家标准.钢筋安装工程检验批质量验收记录表注:①定性项目符合要求打√,反之打×;②定量项目加○表示超出企业标准,加△表示超出国家标准.混凝土原材料及配合比设计检验批质量验收记录表GB50204—2002(Ⅰ)注:①定性项目符合要求打√,反之打×;②定量项目加○表示超出企业标准,加△表示超出国家标准。
土建检验批表格填写示范LG GROUP system office room 【LGA16H-LGYY-LGUA8Q8-LGA162】柱基土方开挖工程检验批质量验收记录表GB50202-2002注:①定性项目符合要求打√,反之打×;②定量项目加○表示超出企业标准,加△表示超出国家标准。
柱基土方回填工程检验批质量验收记录表GB50202-2002注:①定性项目符合要求打√,反之打×;②定量项目加○表示超出企业标准,加△表示超出国家标准。
砂和砂石地基检验批质量验收记录表GB50202-2002注:①定性项目符合要求打√,反之打×;②定量项目加○表示超出企业标准,加△表示超出国家标准。
地下防水混凝土检验批质量验收记录表GB50208-2002注:①定性项目符合要求打√,反之打×;②定量项目加○表示超出企业标准,加△表示超出国家标准。
地下水泥砂浆防水层检验批质量验收记录表GB50208-2002010502注:①定性项目符合要求打√,反之打×;②定量项目加○表示超出企业标准,加△表示超出国家标准。
地下卷材防水层检验批质量验收记录表GB50208-2002注:①定性项目符合要求打√,反之打×;②定量项目加○表示超出企业标准,加△表示超出国家标准。
地下涂料防水层检验批质量验收记录表GB50208-2002注:①定性项目符合要求打√,反之打×;②定量项目加○表示超出企业标准,加△表示超出国家标准。
地下防水细部构造检验批质量验收记录表GB50208-2002注:①定性项目符合要求打√,反之打×;②定量项目加○表示超出企业标准,加△表示超出国家标准。
模板安装工程检验批质量验收记录表GB50204-2002020101注:①定性项目符合要求打√,反之打×;②定量项目加○表示超出企业标准,加△表示超出国家标准。
模板拆除工程检验批质量验收记录表GB50204-2002(Ⅲ)020101注:①定性项目符合要求打√,反之打×;②定量项目加○表示超出企业标准,加△表示超出国家标准。
工程报验表
工程名称:XXXXXX工程编号:3-12-157
项、基础、主体、防水工程检查后,由报总监(代表)/驻地监理工程师签署审查意见,其他由专业监理工程师签署意见。
2、本表共三份由施工单位填报,建设单位、监理单位、施工单位各执一份。
工程报验表
项、基础、主体、防水工程检查后,由报总监(代表)/驻地监理工程师签署审查意见,其他由专业监理工程师签署意见。
2、本表共三份由施工单位填报,建设单位、监理单位、施工单位各执一份
工程报验表
说明:1、本工程报验表系指分部、分项、检验批及隐蔽工程报验;分部、分项、基础、主体、防水工程检查后,由报总监(代表)/驻地监理工程师签署审查意见,其他由专业监理工程师签署意见。
2、本表共三份由施工单位填报,建设单位、监理单位、施工单位各执一份。
混凝土原材料及配合比设计检验批质量验收记录表
GB50204-2002
(Ⅰ)
工程报验表
说明:1、本工程报验表系指分部、分项、检验批及隐蔽工程报验;分部、分项、基础、主体、防水工程检查后,由报总监(代表)/驻地监理工程师签署审查意见,其他由专业监理工程师签署意见。
2、本表共三份由施工单位填报,建设单位、监理单位、施工单位各执一份
模板拆除工程检验批质量验收记录表
GB50204-2002
(Ⅲ)。