多媒体LED大屏技术规格书
- 格式:doc
- 大小:98.00 KB
- 文档页数:5
诺瓦科技LED多媒体播放器TB4规格书多媒体播放器TB4规格书文档版本:V1.3.2文档编号:NS120000358版权所有 © 西安诺瓦电子科技有限公司 2018。
保留一切权利。
非经本公司书面许可,任何单位和个人不得擅自摘抄、复制本文档内容的部分或全部,并不得以任何形式传播。
i目录商标声明是诺瓦科技的注册商标。
声明欢迎您选用西安诺瓦电子科技有限公司(以下简称诺瓦科技)的产品,如果本文档为您了解和使用产品带 来帮助和便利,我们深感欣慰。
我们在编写文档时力求精确可靠,随时可能对内容进行修改或变更,恕不 另行通知。
如果您在使用中遇到任何问题,或者有好的建议,请按照文档提供的联系方式联系我们。
对您 在使用中遇到的问题,我们会尽力给予支持,对您提出的建议,我们衷心感谢并会尽快评估采纳。
目录目录 ..................................................................................................................................................... ii 1 概述 (1)1.1产品简介 (1)1.2应用场景 (2)2 产品特点 (3)2.1支持多屏播放同步机制 (3)2.2处理性能强大 (3)2.3全方位控制方案 (3)2.4支持同步异步双模式 (4)2.5支持WiFi AP 连接 (4)3 硬件结构 (6)3.1外观图 (6)3.1.1前面板 (6)3.1.2后面板 (7)3.2尺寸图 (8)4 软件结构 (9)4.1系统软件 (9)4.2相关配置软件 (9)5 产品规格 ........................................................................................................................................ 106 音视频解码规格. (11)6.1图片 (11)6.1.1解码器 (11)6.1.2编码器 (11)6.2音频 (12)6.2.1解码器 (12)6.2.2编码器 (12)6.3视频 (13)6.3.1解码器 (13)6.3.2编码器 (14)iiTaurus 系列多媒体播放器TB4 规格书1 概述1概述1.1产品简介Taurus系列产品为诺瓦科技针对中小型LED全彩显示屏推出的第二代多媒体播放器。
多媒体LED显示屏技术规格一、要求1必须达到可以满足环境的足够亮度;2照顾屏幕形象价值;3照顾投资性价比的科学性;二、建议种类及规格P6室内全彩视频显示屏(按16:9设计)整屏规格:27777点/ ㎡品牌要求为国内知名企业三、工艺显示部分为:32×16标准像素模组;边框材料为:采用不锈钢结构,耐磨、轻巧、坚固四、主控系统高配制4096级灰度,双γ曲线校正,600HZ。
五、质量保证5.1主要原器件的亮度一致,色度一致a、G/B Far Filed Pattern匹配.(如下图)R/G/B发光的视角图一致性好,且更为独特的是三种颜色产品的视角图离散小,一致性好.b 、SD性能强:c 、抗恶劣环境能力强.d、低衰减,按JESD11-A108-A(日本半导体信赖性标准)常温老化R/G/B亮度衰减不到10%,且衰减后一致性好.如下图1000Hrs常温老化曲线5.2系统结构包括基础设计、屏体骨架结构、密封与散热结构、安装方式与外装饰四部分内容,要求严格按照相关国标、军标要求,依据相关理论,合理选材。
5.2.1防静电设计5.2.2电磁屏蔽5.2.3接地系统5.2.3防锈六、相关标准:· SJ/T11141--1997 LED电子显示屏通用规范· GB191--90 包装、储存、图示标志· GB2423.1--89 电工电子产品基本环境实验规程实验A:低温试验方法· GB2423.2--89 电工电子产品基本环境实验规程实验B:高温试验方法· GB2423.3--89 电工电子产品基本环境实验规程实验Ca:恒温、湿热试验方法· GB4943--95 信息技术设备(包括电气事务设备)的安全· GB6388--86 运输包装收发货标志· GB6587.4--86 电子测量仪器振动试验· GB6587.6--86 电子测量仪器运输试验· GB6593--86 电子测量仪器质量检测规则· GB9813--88 微型数字电子计算机通用技术条件· GB11463--89 电子测量仪器可靠性试验· SJ/T10463--93 电子测量仪器包装、标志、贮存要求· ISO9001:2000质量认证体系七、主要技术参数。
LED显示屏技术规格书
1. 概述
LED显示屏采用8*8点阵3色LED模块显示文字,其中单字节文字采用8*16显示,双字节文字采用16*16显示。
字体大小,颜色可调。
当文字超过1屏时,采用滚动显示,滚动速度可通过软件设置。
2. 基本功能
➢根据串口或工业以太网接口数据,读取相应的文字图片,显示相应内容。
其中显示内容分为以下几块:
到站显示(包括预到站)第N站提示(包括到站提示和预到站或离站提示3种不同提示)+第N站站名+第N站开门侧内容+第N站特殊显示内容+第N站广告内容;
紧急广播内容:第N条紧急内容。
最多支持99站,99条紧急内容,99条广告,第条最多支持1024个字,支持6种语言同时显示。
➢通过串口修改显示文字图片功能。
➢通过串口设置显示参数功能。
包括:显示文字颜色、滚动速度,滚动类型(从左边开始滚动,还是从右边开始滚动)语言类型(可设置显示任意几种语言组合),总站数,总广告数,总紧急内容条数等。
➢日志功能,存储所有通信记录,显示记录,故障记录等。
➢开机知检功能。
(开机从左到右显示”/”,宽度为8*16)
3.基本尺寸
车头到站显示屏
车内显示屏
动态地图
外显屏
注意:安装耳朵可前后随意调节。
4.主要参数
➢可见度:室外侧面可见度10米,室外顶端可见度50米。
➢颜色:室外红色,室内3色。
➢防水防尘:IP65。
➢寿命:100000小时以上。
➢安规:参照IRIS标准。
深圳市亿光科技有限公司技术规
格书
P10LED显示屏技术规格书
产品说明:
LED显示屏是近年来应用十分广泛的高科技显示设备,具有清晰度高、质量稳定、寿命长、显示功能灵活多变的特点,十分适用于文字、图形和多媒体节目的播放宣传。
在户外的显示领域,它甚至占据了不可取代的地位。
产品选型
全彩LED显示屏可用于播放时事新闻、娱乐信息、商业广告、影视动画等各种多种媒体类型内容,从而达到视听一体的效果。
YG-P10是一款专为渠道项目设计,广泛应用各种工程及租赁项目,可随意播放视频、图文、图像并茂的节目,并以实时、同步、清晰的信息传播方式播放各种信息。
YG-P10全彩显示模组技术参数。
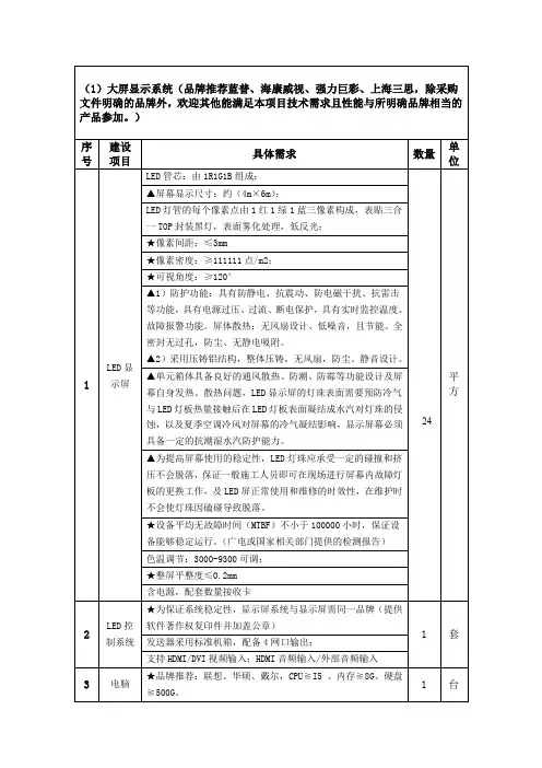
LED显示屏系统技术参数一、LED显示屏系统技术参数序号项目名称数量单位技术要求1 LED显示屏≥11.0592㎡一、屏体尺寸:长=5.76m;高=1.92m二、技术参数1、像素间距(mm) ≤P2.5;2、像素密度≥160000点/m2;3、模组平整度:≤0.15mm(提供CNAS认可实验室出具的检测报告)4、支持单点亮度和色度校正(提供CNAS认可实验室出具的检测报告)5、白平衡亮度600-800cd/㎡(6500K,校正后)(提供CNAS认可实验室出具的检测报告)6、色温可调范围:3000k~10000k,并可自定义色温值。
(提供CNAS认可实验室出具的检测报告)7、对比度5000:1(提供CNAS认可实验室出具的检测报告)8、视角:水平视角≥160°,垂直视角≥140°(提供CNAS认可实验室出具的检测报告)9、刷新频率≥3000HZ(提供CNAS认可实验室出具的检测报告)10、换帧频率:50&60HZ(提供CNAS认可实验室出具的检测报告)11、灰度:100%亮度 16bit灰度,20%亮度12bit灰度(提供CNAS认可实验室出具的检测报告)12、模组亮度均匀性≥98%(提供CNAS认可实验室出具的检测报告)13、峰值功耗≤330W/㎡,平均功耗≥110W/㎡(提供CNAS认可实验室出具的检测报告)14、寿命典型值≥50000小时(提供CNAS认可实验室出具的检测报告)15、产品满足盐雾10级要求(提供CNAS认可实验室出具的检测报告)16、在40℃80%RH恒定湿热环境下,工作正常。
(提供CNAS认可实验室出具的检测报告)17、按照SJ/T 11590-2016LED显示屏图像主观质量评价方法的要求,评价等级为优(提供CNAS认可实验室出具的检测报告)18、具有先进的除亮、暗线功能,从软、硬两方面彻底改善困扰小间距LED安装精度造成的亮、暗线问题(提供相应证书)2 控制系统1 套1、支持HDMI和DVI视频信号输入;2、支持外部音频/HDMI音频输入,通过网线同步传输;3、支持高位阶视频输入:12bit/10bit/8bit;4、输入分辨率:最大2560*1600像素,支持最大分辨率内的任意分辨率;先进设计,优质元器件,支持全系列接收卡。
1方案一 DLP高清屏多媒体互动系统效果图7页技术方案说明整个外框结构为大理石面,和大厅整体风格一致,正面采用高清大屏播放,背面采用投影放映的方式。
可两面观看。
设置红外动作捕捉系统,利用影像识别技术获取参观者的动作,并将该动作传输给计算机进行处理,计算机内的应用程序则根据所捕捉的信号驱动开始播放多媒体。
参观者只需要站在屏幕前方,伸出手臂,在空中做出左右挥动手臂的动作,则计算机就能识别出参观者的动作,做出相应的互动。
本方案电视墙屏幕大小为 3000*2000,系统包括拼接单元组合墙体、图像拼接控制器、大屏控制管理软件、线缆辅材等。
◆主要由以下部分构成:60"一体化投影单元 6套投影单元底座 3套图像拼接控制器 1台RGB矩阵 1套视频矩阵 1套控制电脑 1套大屏幕控制管理软件 1套红外动作捕捉感应器 1套互动多媒体软件 1套专用线缆 1套各主要组成部分说明如下:◆拼接单元组合墙体:由6套中达60″ DLP一体化背投显示单元DVS-60组成,组合方式为2×3(行 列);DVS-60单元屏幕尺寸:1219mm宽×914mm高;箱体厚度:753 mm ;整屏显示面积为(1219mm×3)×(914mm×2)=3657mm×1828mm≈6.68m2;单元底座高度1000mm,可根据用户场地调整;⏹核心部件为TI公司最新0.7英寸DMD,12°偏转角DDR机芯⏹单屏分辨率为1024×768,支持1600×1200;⏹整屏分辨率(1024×3)×(768×2)=3072×1536;⏹复合树脂屏幕,亮度一致性和均匀度均最佳;⏹120/132W UHP投影灯泡;⏹内置图像处理器, 可实现不依赖外部图像拼接控制器的图像分割,整屏显示;⏹无缝拼接组合方式,物理拼缝小于0.5mm。
ET4000多媒体播控系统规格书西安诺瓦星云科技股份有限公司更新记录产品简介ET4000是诺瓦星云科技针对多媒体展厅、宴会厅等固定安装应用的多媒体领域设计的一款集成播控服务器。
它不仅具备高质量的超大分辨率点对点显示,同时能够实现形式多样的创意拼接显示,具备专业的舞美演出的媒体编排功能。
同时为用户提供了便捷的舞台管理和可视化的人机交互。
可良好的服务于演艺、展览、大型建筑和各种创意显示应用。
认证CCC。
若该产品无所销往国家或地区的相关认证,请第一时间联系诺瓦星云确认或处理,否则,如造成相关法律风险,客户需自行承担或诺瓦星云有权进行追偿。
产品特性●单机最高支持8K×4K输出带载,同时支持超大分辨率的视频解码和点对点显示。
●支持多个输出口的拆分重组以及旋转、完成对不规则显示屏的带载,实现创意拼接显示。
●支持输出口最大拆分为64区域,满足超长屏和快速映射调节。
●支持8图层和1个音频图层同时播放。
●可视化节目列编排和管理。
●支持预编模式和实时模式支持编辑和播放分离,即实现控制、播放及素材画面的实时预览,也可实现后台编辑预览完成后再输出播放。
●媒体库管理,同时支持视频/图片/PPT/音频。
●媒体文件分组和排序。
●媒体文件夹批量导入。
●支持NDI源采集。
●支持网站输入源。
●支持采集卡输入源。
西安诺瓦星云科技股●支持流媒体输入源。
●支持配置播放合集。
●支持自定义文字输入源。
●PPT支持1080P大小。
●支持PPT通过翻页笔控制。
●播放进度管理。
●节目自动跳转播放。
●支持图层大小和优先级调节。
●支持主KV及主KV跳转。
●主媒体计时,节目按照主计时媒体自动切换。
●支持节目转场淡入淡出特效。
●支持图层遮罩、图层截取。
●支持抠像。
●支持图层模糊、不透明调节。
●支持硬解码。
●支持一键黑屏。
●支持开机软件自启动和自启动播放。
●支持星河可视化指控平台控制。
产品外观前面板瓦星云科技股份有限公司后面板可配置项可配置项中产品类型,需要单独下单购买。
多功能报告厅室内全彩P2.5LED显示屏技术参数、要求.doc多功能报告厅室内全彩P2.5LED显示屏技术参数、要求序号货物名称P2.5 室内1全彩 LED显示屏技术规格一、技术参数★1、净屏显示面积4.56(w) ×2.5 (H) =11.4 平方★2、扫描方式 32 扫★3、PCB采用四层 1.6 厚板, ICN2038S★4、每张模组使用 24 颗驱动 IC , 32 个行管控制,保证整屏的刷新和低灰均匀性,整屏效果好,不会出现扫描线、毛毛虫和鬼影。
★5、刷新频率:≥ 3800 帧/ 秒,效果非常好,手机、摄像机拍摄没有任何扫描线、鬼影、拖影现象,以保证直播时显示屏的效果。
★6、电源线: 35cm 红黑四线主线, 20cm 两线分线,接插件表面镀金,更耐拔插。
排线: 14cm 16PIN 排线,结构牢固,抗震抗拉能力强★7、每块模组独立控制,当其中一块模组不亮,不会影响后续模组造成整条不亮或整条闪。
二、功能要求★1. 视频播出功能:播放录像机、影碟机(VCD、DVD、LD) 等视频节目,满足文体活动的基本需求;播放摄像机,清晰、无闪烁的实进显示视频图像,实现各种节目的现场直播;亮度、对比度、饱和度、色度可以通过软件调节,调节范围为256 级 ;采用Line-Double功能将交错画面转换为非交错画面,进行移动补偿;可以播放AVI、 MOV、MPG、 DAT、VOB等多种格式的文件;具有 Video 影像压缩控制功能;具有重叠 (VGA+VIDE)、影像 (Video) 、 VGA三种显示模式 ;具有显示同步功能;有一路音频信号提供给功放使用,留有至少2 路摄像视频输入接口;★ 2.信息发布功能:全彩LED显示屏可以显示各种计算机信息、图形、图画及二、三维动画等,具有丰富的播放方式,显示滚动信息、通知等,存储数据信息容量大;播出系统具有多媒体软件,可灵活输入及播出多种信息 ; 可播放文本信息,播放形式可滚点、滚行、引入引出模式、可上移、左移,消息可循环播出。
2015年5月21日第一部分LED显示系统整体规划一、LED显示系统设计1、设计依据和标准11、显示屏系统设计原则实用性:满足半户外全天候条件下使用,能实现公文、图文信息、视频的播放以及大型活动显示信息的要求。
实现显示与音响同步。
兼容性:系统能够接入各种视频和计算机信号,能够与网络接口。
先进性:采用全彩色LED显示屏的先进技术和材料进行建设,保证显示屏系统的先进性,使之能满足实际应用并在一段时间内处于领先地位。
性能价格比:整个系统的性能价格比高。
系统操作简单维护量少,软件可以轻松升级并向下兼容。
有效降低系统的总体拥有成本(TCO)。
1.2、显示屏系统设计目的显示屏系统设计的目的:在充分了解、理解用户需求的基础上,利用本公司的世界领先的专业技术和丰富的经验为用户设计能够完全满足用户需求的,具有最高性能价格比高的显示屏系统方案。
1.3、显示屏系统设计依据和标准I LED显示屏通用规范SJ/T 11141-2003I LED显示屏检测方法SJ/T 11281-2003发光二极管固体显示器总规范GJB2146-1994单色显示管测试方法GB/T12571-1990 电光源的安全要求GB7248-1987中国电气装置安装工程施工及验收规范GBJ232-82LED显示屏技术方案书电工电子产品基本环境试验规程,试验A:低温试验方法GB2423.1-89电工电子产品基本环境试验规程,试验B:高温试验方法GB2423.2-89电工电子产品基本环境试验规程,试验Ca:恒定湿热试验方法GB2423.3-89建筑与建筑综合布线系统工程设计规范CECS 72.95电子测量仪器的安全要求GB4793-84电子测量仪器振动试验GB6587.4-86电子测量仪器运输试验GB6587.6-86电子测量仪器质量检验规则GB6593-86电子测量仪器可靠性试验GB11563-89电子测量仪器包装、标志、储存要求SJ/T10463-93建筑防雷设计规范GBJ 57-83钢结构设计规范GBJ17—88钢结构工程施工质量验收规范GB50205—2001IEC 60950CE 89/336/EEC, 92/31/EEC, 73/23/EEC, 93/68/EEC2、显示系统组成框图LED全彩屏系统部分主要包括全彩显示屏屏体、全彩显示屏控制器、控制电脑、配电设备、光纤或5类双绞线、音视频设备和控制、温度检测设备,图像监控设备、播放软件、控制软件、监控软件等组成,可以高质量地播放视频信号(全彩屏)、计算机信号。
多媒体LED显示屏
技术规格
一、要求
1必须达到可以满足环境的足够亮度;
2照顾屏幕形象价值;
3照顾投资性价比的科学性;
二、建议种类及规格
P6室内全彩视频显示屏(按16:9设计)
整屏规格:27777点/ ㎡
品牌要求为国内知名企业
三、工艺
显示部分为:32×16标准像素模组;
边框材料为:采用不锈钢结构,耐磨、轻巧、坚固
四、主控系统
高配制4096级灰度,双γ曲线校正,600HZ。
五、质量保证
5.1主要原器件的亮度一致,色度一致
a、G/B Far Filed Pattern匹配.(如下图)
R/G/B发光的视角图一致性好,且更为独特的是三种颜色产品的视角图离散小,一致性好.
b 、SD性能强:
c 、抗恶劣环境能力强.
d、低衰减,按JESD11-A108-A(日本半导体信赖性标准)常温老化R/G/B亮度衰减
不到10%,且衰减后一致性好.
如下图1000Hrs常温老化曲线
5.2系统结构
包括基础设计、屏体骨架结构、密封与散热结构、安装方式与外装饰四部分内容,要求严格按照相关国标、军标要求,依据相关理论,合理选材。
5.2.1防静电设计
5.2.2电磁屏蔽
5.2.3接地系统
5.2.3防锈
六、相关标准:
· SJ/T11141--1997 LED电子显示屏通用规范
· GB191--90 包装、储存、图示标志
· GB2423.1--89 电工电子产品基本环境实验规程实验A:低温试验方法
· GB2423.2--89 电工电子产品基本环境实验规程实验B:高温试验方法
· GB2423.3--89 电工电子产品基本环境实验规程实验Ca:恒温、湿热试验方法
· GB4943--95 信息技术设备(包括电气事务设备)的安全
· GB6388--86 运输包装收发货标志
· GB6587.4--86 电子测量仪器振动试验
· GB6587.6--86 电子测量仪器运输试验
· GB6593--86 电子测量仪器质量检测规则
· GB9813--88 微型数字电子计算机通用技术条件
· GB11463--89 电子测量仪器可靠性试验
· SJ/T10463--93 电子测量仪器包装、标志、贮存要求
· ISO9001:2000质量认证体系
七、主要技术参数。