金智保护装置调取信息调试软件使用方法
- 格式:doc
- 大小:21.15 KB
- 文档页数:1
ECM-5908通信装置生产调试作业指导书V1.01编制:审核:批准:江苏金智科技股份有限公司2009年09月目录1概述 (2)2装置型号 (2)3模件型谱 (2)4端子说明 (3)5调试方案 (4)5.1 调试方案 (4)5.2 调试工具 (5)6程序加载步骤 (5)6.1 Bootrom程序烧写 (5)6.2 VxWorks程序烧写 (5)7下装调试组态 (5)8调试测试步骤 (5)8.1 上电检查 (5)8.2 串口调试 (6)8.3 网口调试 (6)8.4 CAN口调试 (6)8.5 Profibus口调试 (7)8.6 辅助功能口调试 (7)8.7 跳线检查 (7)附录:BurnsT ool软件使用方法 (8)1概述ECM-5908通信装置主要应用于电厂ECS系统、电厂升压站、变电站综自系统等系统,同时适用于石化、钢铁等领域的自动化系统。
作为系统中的通信及规约转换设备,其主要功能是汇总电厂ECS、变电站综自等系统各种保护装置、测控装置及智能设备的数据,并将数据按照一定的要求上送后台系统、DCS或调度;同时接受后台系统、DCS或调度下发的遥控、遥调命令完成对现场各种设备的控制与调节。
ECM-5908可以提供多种通信接口:以太网(10/100Base-TX)接口、串行接口(RS-232/485),以及现场总线接口PROFIBUS、CAN接口,同时可以在这些接口上运行多种规约,实现与各种设备的互联。
2装置型号3模件型谱4端子说明●电源端子X1●辅助功能端子X2●网络通信端子●串口通信端子端子X3● CAN 通信端子端子X4● PROFIBUS 通信端子5 调试方案5.1 调试方案对于ECM5908通信装置调试,需要相应的保护测控装置来协助调试,并借助后台计算机调试软件来查看调试结果。
调试方案的结构图如下:通过以上方案,在测试与保护测控装置通信的同时,也测试了ECM 通信管理机的内部硬件及互联相关硬件是否正常工作,所以不再对通信管理机的某一硬件功能进行单独测试。
WDZ-5200B系列保护测控装置说明书金智科技股份有限公司前言非常感谢您选用江苏金智科技股份有限公司(简称金智科技,股票代码002090)生产的WDZ-5200B系列保护测控装置。
本手册是该系列保护测控装置说明书,期望它能为您的工作带来帮助。
本说明书仅供设计选型参考,与实际产品可能存在细微差别,因此不建议作为工程设计依据。
建议工程设计时向我公司设计人员索取相关设计图纸。
如需相关产品、服务和支持的更多信息,请访问金智科技网站/。
本公司有权对本说明书的内容进行定期变更,恕不另行通知。
变更内容将会补充到新版本的说明书中。
如您需要更新版本,敬请与我公司联系。
_____________________________________________________________版权所有,请勿翻印、复印说明书版本号:V1.12目录第一章WDZ-5200B系列保护测控装置综述第二章WDZ-5211B线路保护测控装置第三章WDZ-5215B短线路综合保护测控装置第四章WDZ-5231B电动机差动保护装置第五章WDZ-5232 B电动机保护测控装置第六章WDZ-5241B变压器差动保护装置第七章WDZ-5242B变压器保护测控装置第八章WDZ-5271B电压互感器保护测控装置第九章WDZ-5281B单线路测控装置第十章WDZ-5284B双母线测控装置第十一章WDZ-5285B单线路测控装置第十二章WDZ-5286B双线路测控装置第十三章WDZ-5287B多直流测控装置第十四章WDZ-5288B多电流测控装置WDZ-5200B系列保护测控装置综述1装置概述WDZ-5200B系列保护测控装置是在基于WDZ-5200系列装置基础上,进行部分修改,用于维护WDZ-400系列装置,安装尺寸和开孔尺寸和WDZ-400装置一致,通讯方式和点表和WDZ-400一致,但需要进行接线重新设计,从而实现现场装置的替换。
WDZ-5200B系列装置型号和WDZ-400系列装置对照表如下:WDZ-5200B系列装置 WDZ-400系列装置WDZ-5211B线路保护测控装置 WDZ-410线路综合保护测控装置WDZ-5215B短线路综合保护测控装置 WDZ-415短线路差动保护装置WDZ-5231B电动机差动保护装置 WDZ-431电动机差动保护装置WDZ-5232B电动机保护测控装置 WDZ-430电动机综合保护测控装置WDZ-5241B变压器差动保护装置 WDZ-441低压变压器差动保护装置WDZ-5242B变压器保护测控装置 WDZ-440低压变压器综合保护测控装置WDZ-5271B电压互感器保护测控装置 WDZ-491电压互感器综合保护测控装置WDZ-5281B单线路测控装置 WDZ-481单线路测控装置WDZ-5284B双母线测控装置 WDZ-488双母线测控装置WDZ-5285B单线路测控装置 WDZ-485单线路测控装置WDZ-5286B双线路测控装置 WDZ-486双线路测控装置WDZ-5287B多直流测控装置 WDZ-489多直流测控装置WDZ-5288B多电流测控装置 WDZ-487多电流测控装置2基本技术参数2.1额定参数直流电源:220V或110V±20%交流电源:220V±20%交流电流:5A或1A交流电压:100/3V或100V额定频率:50Hz2.2功率消耗直流电源回路:正常≤15W,跳闸≤25W交流电流回路:<0.5V A/相(额定5A时);<0.25V A/相(额定1A时)交流电压回路:<0.5V A/相(额定57.74V时)2.3过载能力2倍额定电流可连续运行10倍额定电流可连续运行10s40倍额定电流可连续运行1s1.5倍额定电压可连续运行2倍额定电压可连续运行10s2.4输出接点跳圈、合圈出口: 0.3~4A自适应(带操作板)跳、合闸出口(常开接点):5A ,DC220V(吸合)信号出口(常开接点):5A ,DC220V(吸合)开关量输入:直流220V或110V,导通电流<10mA2.5精确工作范围电流:0.05In~20In零序电流:10mA~6A电压:0.4V~120V频率:40Hz~65Hz2.6动作时间差动速断:≤20ms,施加二倍整定值比率差动:≤30ms,施加二倍整定值过流速断:≤35ms,施加二倍整定值2.7定值误差电流及电压定值误差:≤±2.5%整定值零序电流误差:≤±2.5%整定值或±1mA定时限定值误差:≤±1%整定时间+35ms反时限定值误差:≤±2.5%理论时间+50ms2.84~20mA测量接口输出范围:4mA~20mA输出精度:±0.5%外接电阻:小于500欧姆2.9测量元件的准确度电流、电压:±0.2%有功功率、无功功率、功率因数:±0.5%硬件电能:±0.5%频率:±0.01Hz直流量(4~20mA、0~5V):±0.2%2.10事件记录SOE分辨率:≤2msGPS对时精度:≤1ms2.11通信接口和规约RS485:通讯速率 9.6~115.2 Kbps可调,支持双网,通讯介质支持屏蔽电缆CAN:通信速率10K~1Mbps,支持双网,通信介质为屏蔽电缆2.12电磁兼容能承受GB/T 14598.14中规定的严酷等级为IV级的静电放电试验能承受GB/T 14598.10中规定的IV级的快速瞬变干扰试验能承受GB/T 14598.13中规定的III级的脉冲群干扰试验能承受GB/T 14598.9中规定的严酷等级为III级的辐射电磁场干扰试验能承受GB/T 17626.5中规定的严酷等级为IV级的浪涌(冲击)抗扰度试验装置应能承受GB/T 14598.17中规定的严酷等级为III级的射频场感应的传导骚扰抗扰度试验装置应能承受GB/T 14598.19中规定的严酷等级为A级的工频抗扰度试验装置应能承受GB/T 14598.16-2005中规定的A类设备辐射骚扰限值,测量距离3m 装置应能承受GB/T 14598.16-2005中规定的电源端口传导骚扰准峰值及平均值不超过相应限值2.13环境条件环境温度:-10℃~+55℃相对湿度:5%~95%大气压力:80kPa~110kPa极限温度:-25℃~70℃2.14绝缘性能绝缘电阻:≥100 M介电强度:能承受频率为50Hz,历时1min的工频耐压试验冲击电压:直流电源输入回路、交流输入回路、输出触点回路对地,以及回路之间,能承受冲击电压波形为标准雷电波,幅值为5kV、1kV的试验电压2.15机械性能能承受GB/T 7261-2000中规定的严酷等级为1级的振动耐久能力试验和1级的振动响应能力试验能承受GB/T 14537中规定的严酷等级为1级的冲击耐久能力试验和1级的冲击响应能力试验能承受GB/T 14537中规定的严酷等级为1级的碰撞试验2.16故障录波记录故障前5个周波,故障后200个周波,最多可存储16组录波数据。
金智科技110kV变压器成套保护装置PACS-5941T1-DG-N技术说明书V1.00符合《10 kV~110 kV元件保护技术规范(2018年试行版)》变压器保护相关要求江苏金智科技股份有限公司WISCOM SYSTEM CO.,LTD金智科技110kV变压器成套保护装置PACS-5941T1-DG-N技术说明书V1.00编制: 赵万云校核: 陈洪利审定: 高亮版本号: V1.00发布日期:2018年12月前言为了指导专业管理人员和整定人员,江苏金智科技股份有限公司技术支持部编写了《PACS-5941T1-DG-N变压器成套保护装置技术说明书》,本技术说明书力求实用,涵盖了设备的技术条件、软硬件原理、逻辑框图、定值清单及整定说明等。
编写本技术说明书的主要目的是为保护运维人员、整定人员、技术管理等人员提供一本实用工具书,当现场遇到疑问时能通过查找手册相关内容解决大部分的工程问题。
本技术说明书可能有些地方内容不够详尽或者存在错误,欢迎大家批评指正,我们将在今后继续完善,为工程的顺利实施及产品的安全、可靠运行提供技术保障。
最后,衷心感谢江苏金智科技股份有限公司相关部门在手册编制过程中给予帮助。
目录前言 (3)第一章概述 (1)1.1手册内容介绍 (1)1.1.1整套手册说明 (1)1.1.2技术说明书说明 (1)1.2适用范围及主要功能配置 (2)1.3产品版本历史 (3)第二章安全须知 (4)2.1安全标识符号 (4)2.2标识举例 (4)2.2.1当心触电标识 (4)2.2.2注意安全标识 (5)2.2.3静电敏感器件标识 (5)2.2.4必须接地标识 (5)2.2.5信息标识 (5)第三章装置介绍 (6)3.1概述 (6)3.2技术条件 (6)3.2.1环境条件 (6)3.2.2电气绝缘性能 (7)3.2.3机械性能 (7)3.2.4电磁兼容性 (7)3.2.5安全性能 (7)3.2.6热性能(过载能力) (7)3.2.7功率消耗 (8)3.2.8输出触点容量 (8)3.3装置主要技术参数 (8)3.3.1额定参数 (8)3.3.2交流回路精确工作范围 (8)3.4订货须知 (9)第四章装置硬件 (10)4.1装置功能组件概述 (10)4.2装置硬件系统框图 (11)4.3装置插件说明 (11)4.3.1交流插件 (12)4.3.2 CPU插件 (13)4.3.3开入插件 (13)4.3.4电源插件 (14)4.3.5人机接口(MMI) (15)4.3.6管理插件 (15)4.3.7 CH插件 (16)4.3.8 AS插件 (16)第五章装置软件及保护功能 (17)5.1保护程序整体结构 (17)5.2启动元件 (17)5.2.1差流启动元件 (18)5.2.2相电流启动元件 (18)5.2.3零序电流启动元件 (18)5.2.4零序电压启动元件 (18)5.2.5间隙电流启动元件 (18)5.2.6零序电流启动元件 (18)5.2.7相间电流变化量启动元件 (18)5.3主保护 (18)5.3.1比例差动保护 (18)5.3.2励磁涌流判别原理 (19)5.3.3 TA饱和的判别方法 (19)5.3.4差动速断保护 (20)5.3.5差流回路的异常情况判别 (20)5.3.6变压器各侧电流平衡处理 (21)5.3.7差动保护的动作逻辑 (22)5.4复合电压闭锁方向过流 (23)5.4.1方向元件 (23)5.4.2复合电压元件 (23)5.4.3 PT断线对方向元件的影响 (24)5.4.4“x侧电压投入”压板投退对方向元件的影响 (25)5.4.5复合电压闭锁方向过流逻辑框图 (25)5.5零序方向过流保护 (25)5.5.1方向元件 (25)5.5.2 PT断线对零序方向过流元件的影响 (26)5.5.3“x侧电压投入”压板投退对零序方向过流元件的影响 (26)5.5.4零序过流保护逻辑框图 (26)5.6间隙零序过流过压保护 (26)5.5.5“x侧电压投入”压板投退对间隙零序过流过压保护元件的影响 (27)5.5.6 PT断线对间隙零序过流和零序过压元件的影响 (27)5.5.7间隙零序过流过压保护逻辑图 (27)5.7PT断线异常判别原理 (27)5.8过负荷报警 (28)5.9启动风冷 (28)5.10闭锁调压 (28)5.11失灵联跳 (29)5.12零序过压报警 (29)5.13跳闸控制字 (29)5.14异常检测和其他判断 (30)第六章定值清单及整定计算说明 (31)6.1定值清单及整定计算说明 (31)6.1.1定值清单 (31)4.3.9保护整定计算说明 (44)附录 (47)附录1:字符和中文字符集 (47)附录2:交流插件原理图 (52)附录3:CPU简化原理图 (53)附录4:开入插件原理图 (54)附录5:开出插件原理图 (55)附录6:电源插件原理图 (56)附录7:管理插件简化原理图 (57)附件8:装置打印定值清单 (58)附件9:变压器保护装置虚端子表 (74)表9.1变压器保护装置虚端子表(GOOSE输入) (74)表9.2变压器保护装置虚端子表(GOOSE输出) (74)第一章概述摘要:本章向用户介绍手册内容。
iPACS-5761简易母差保护装置技术说明书版本:V2.04江苏金智科技股份有限公司iPACS-5761简易母差保护装置技术说明书(V2.04)目录1 概述 (1)1.1 应用范围 (1)1.2 保护配置和功能 (1)1.2.1 保护配置 (1)1.2.2 保护信息功能 (1)2 技术参数 (2)2.1 机械及环境参数 (2)2.1.1 工作环境 (2)2.1.2 机械性能 (2)2.2 电气参数 (2)2.2.1 额定数据 (2)2.2.2 功率消耗 (2)2.2.3 过载能力 (2)2.3 主要技术指标 (2)2.3.1 过流保护 (2)2.3.2 遥信开入 (3)2.3.3电磁兼容 (3)2.3.4 绝缘试验 (3)2.3.5 输出接点容量 (3)3 软件工作原理 (4)3.1 保护程序结构 (4)3.2 装置起动元件 (4)3.3 过流保护 (5)3.4 装置自检 (6)3.5 装置运行告警 (6)3.5.1 TV断线 (6)3.5.2 TA断线 (6)3.6 对时功能 (7)3.7 逻辑框图 (7)4 定值内容及整定说明 (8)4.1 系统定值 (8)4.2 保护定值 (8)4.3 通讯参数 (9)4.4 软压板 (9)5装置接线端子与说明 (10)5.1 模拟量输入 (10)5.2 背板接线说明 (10)5.3 装置结构及安装参考尺寸 (12)1 概述1.1 应用范围iPACS-5761适用于35kV以下电压等级的非直接接地系统或小电阻接地系统中的母线保护,可组屏安装,也可在开关柜就地安装。
1.2 保护配置和功能1.2.1 保护配置1)三段可经复压闭锁的过流保护。
1.2.2 保护信息功能1)装置描述的远方查看。
2)系统定值的远方查看。
3)保护定值和区号的远方查看、修改功能。
4)软压板状态的远方查看、投退、遥控功能。
5)装置保护开入状态的远方查看。
6)装置运行状态(包括保护动作元件的状态、运行告警和装置自检信息)的远方查看。
WDZ-5200系列保护测控装置调试指导版本:试用版编制:朱曙光黄庆建审核:批准:日期:金智科技股份有限公司2010-4-9调试操作流程一、检查接线,装置上电:1、先确保装置供电直流空开在分开位置。
.2、确保万用表的线头插在在公共和电压端,选用直流1000V档,测量装置供电端子之间以及端子和地之间是否存在电压。
并且测量空开电压是否负荷装置供电电压。
(DC110V或DC220V,根据装置选型而定)3、确保无电压后,万用表选用欧姆通档,测量装置电源端子之间及电源端子和地之间是否存在短路。
4、确保无短路情况后,装置可以安全上电。
二、软件版本和工程配置检查:1、软件版本检查:2、工程配置检查:说明:工程配置在出厂调试时已按照工程进行修改,在现场调试时只需进行检查是否符合现场需要,若不符合,则按照下面步骤修改:a、恢复出厂设置:(现场无需修改)主菜单→定值设置→恢复出厂设置,输入密码:2006。
b、工程配置主菜单→调试操作(输入密码2006)→厂家设置,对照工程配置表,对以下几项进行配置:1)I/O配置:配置操作板或I/O板型号。
2)工程选配:CT:5A、1A;现场总线:CAN、PROFIBUS、RS485、以太网;4-20mA输出:一路、二路;PT接入方式:线电压(默认选择)、相电压;CT接入方式:三相、二相;开关位置接入:双位置接入(默认选择)、跳位接入、合位接入。
c、系统设置主菜单→定值设置,对以下几项进行配置(输入密码0001):1)CAN/RS485:设置为接口检查;(用于方便出厂调试)2)4--20mA输出关联测值:设置为MIa。
d、设置装置时间主菜单→时间设置,修改正常时间即可。
e、检查运行灯:查看运行灯是否为灯常亮,其它灯不亮。
三、精度验证、电能验证、4-20mA调试、脉冲调试(以WDZ-5242带操作板装置为例)1、装置采样:分为两个步骤a、第一步判断电压、电流相序是否接反:Ua、Ub、Uc三相电压各相施加20V、30V、40V,高、低压侧电流IA、IB、IC各相电流施加1A、2A、3A,查看装置对应相测量电压、电流以及保护电压、电流是否跟施加的相同。
金智后台机iPACS5000系统(V3.26)简易说明开机:电脑开机→用户名“ipacs”密码:”111111”→桌面→双击“iPACS5000”。
关机:iPACS5000软件点击“退出”至软件全部退出后→点击主机右上角“iPACS”选择“退出”→“注销”点“是”→主机右下角“关闭选项”单击选择“关机”至屏幕黑屏态。
汉字输入:键盘:ctrl+空格,屏幕右上角出现“拼”即可。
运维操作注意事项:1、控制台的“Form1”“iPACS数据库服务器”“conscentre”菜单禁止在软件正常运行状态人为关闭。
2、操作遥控时禁止点击“站控层解锁”“间隔层解锁”防止遥控绕开五防各分菜单说明:退出系统:关闭软件控制台属性设置:控制台设置系统设置:软件系统设置,例如主备机操作员机设置、遥控设置、五防校验设置等权限设置:工程师操作员权限变更、密码变更等保护工程师:保护定值读取修改打印、波形文件分析等实时告警:站内实时信号查看历史事件浏览:站内历史信息时间调取浏览画面显示:站内后台画面显示数据库组态:全站后台库编辑包括三遥信息编辑、画面编辑、顺控部分编辑等总菜单:包括以上分菜单及其他如顺控库编辑菜单等历史信息调取:历史事件浏览→“检索”按需选择→按需点击左上角“打印”进行打印。
定值信息调取:保护工程师→左面对话框选择间隔保护装置后点击“运行定值”→“上装”自行选择打印。
定值修改:保护工程师→左面对话框选择间隔保护装置后点击“运行定值”→“上装”→“编辑定值”→修改完毕点击“下装”。
波形调取:保护工程师→左面对话框选择间隔保护装置后点击“故障报告”→“检索”条件自行选择→“故障报告选择”按需选择→“波形分析”→自行分析或打印。
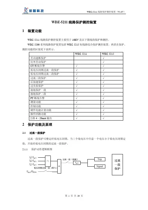
WDZ-5233电动机综合保护测控装置1装置功能WDZ-5233电动机综合保护测控装置主要用于10KV及以下2000KW及以上大型三相异步电动机的保护和测控。
2保护功能及原理WDZ-5233电动机综合保护测控装置具有WDZ-5231和WDZ-5232的所有功能,是差动保护和综合保护合一的装置,只是缺少了WDZ-5231中磁平衡差动保护功能。
保护功能参见WDZ-5231电动机差动保护装置和WDZ-5232电动机保护测控装置章节介绍。
2.1保护定值序号名称及含义符号单位整定范围1 电动机额定电流I e A 0.20In-1.20In2 差动速断电流I cdsd Ie 0.20-20.003 最小动作电流I cdqd Ie 0.20-20.004 比率制动系数 K 0.10-0.605 CT断线闭锁比率差动退出、投入6 速断电流高值I sdg A 0.20In-20.00In7 速断电流低值I sdd A 0.20In-20.00In8 速断动作时间t sd s 0.00-10.009 反向功率闭锁速断退出、投入10 负序过流一段电流I21dz A 0.05In-4.00In11 负序过流一段时间t21dz s 0.10-20.0012 负序一段方向判据退出、投入13 负序过流二段电流I22dz A 0.05In-4.00In14 负序过流二段时间t22dz s 0.10-100.0015 负序过流二段动作曲线定时限/正常反时限/非常反时限/超常反时限16 负序过流二段出口方式告警、跳闸17 负序二段方向判据退出、投入18 零序动作一段电流I01dz A 0.010-6.000①19 零序保护一段时间t01dz s 0.00-10.0020 接地一段出口方式告警、跳闸21 零序动作二段电流I02dz A 0.010-6.000②22 零序保护二段时间t02dz s 0.10-100.0023 接地二段出口方式告警、跳闸24 堵转保护电流I dz A 0.20In-20.00In25 堵转保护时间t dz s 0.10-100.0026 堵转保护出口方式告警、跳闸27 电动机额定起动电流I qde A 0.20In-20.00In28 电动机允许堵转时间t yd s 1.00-40.0029 长启动保护出口方式告警、跳闸30 正序过流动作电流I1gl A 0.20In-12.00In31 正序过流动作时间t1gl s 0.10-100.0032 正序过流出口方式告警、跳闸33 过负荷保护电流I gfh A 0.20In-20.00In34 过负荷动作时间t gfh s 0.10-650.0035 过负荷动作曲线定时限/正常反时限/非常反时限/超常反时限36 过负荷保护出口方式告警、跳闸37 过热告警定值θa0.50-1.0038 重起动过热闭锁值θb0.50-1.0039 发热时间常数T fr Min 1.00-100.0040 散热时间T sr Min 1.00-300.0041 过热保护出口方式告警、跳闸42 欠压保护动作值U qy V 10.00-100.0043 欠压保护动作时间t qy s 0.10-30.0044 FC过流闭锁电流值I fcbs A 1.00In-20.00In45 开关量保护一动作时间t KI1 S 0.10-650.0046 开关量保护一出口方式告警、跳闸47 开关量保护二动作时间t KI2 S 0.10-650.0048 开关量保护二出口方式告警、跳闸49 开关量保护三动作时间t KI2 S 0.10-650.0050 开关量保护三出口方式告警、跳闸41 电动机自起动功能退出、投入注:①②零序动作一段电流和零序动作二段电流定值的范围:在零序电流外接情况下为0.010~6.000A;在零序电流自产情况下为0.20In~20.00In。
第三章WDZ-430电动机综合保护测控装置1.菜单操作使用说明菜单采用树形结构,拥有多级子菜单。
在菜单操作时,用“←”、“→”、“↑”、“↓”键移动光标,按“确认”键进入相应的子菜单,按“取消”键退出相应的子菜单。
1.1.装置运行主画面保护实时时钟年 月 日 时 分 秒保护装置型号定值区号装置地址实时显示的交流量有效值~表示电动机停机状态^表示电动机启动中#表示电动机启动结束图3.1如图3.1所示,装置正常运行时,初始画面显示当前的日期、时间,该保护装置的型号,定值区号,装置地址,以及各交流量的有效值。
1.2.装置主菜单在显示主画面下按“确认”键进入主菜单,主菜单下有八个子菜单:●测值显示●报告显示●通讯监测●调试操作●版本信息●报告清除●时间设置●定值设置主菜单和下级子菜单的关系示意图见图3.2。
图3.21.3.测值显示测值显示菜单下有七个子菜单,子菜单的显示画面详见图3.3。
1.3.1.状态量显示实时的显示遥信等状态量变位的信息,相应的报告在报告显示里有详细记录。
1.3.2.测量量显示显示测量电压、测量电流、有功功率、无功功率、功率因素、频率。
1.3.3.电能脉冲显示显示有功电能脉冲、无功电能脉冲。
1.3.4.电能显示显示有功电度电能、无功电能电能。
1.3.5.复数显示显示电压、测量电流、保护电流的复数表示(前为实部,后为虚部)。
1.3.6.相角显示显示电压、测量电流、保护电流的相角。
1.3.7.保护量显示显示保护电压、保护电流、零序电流、正序电流、负序电流、过热比例系数、电动机启动过程中的最大启动电流。
图3.31.4.报告显示报告显示菜单下有七个子菜单,子菜单的显示画面详见图3.4。
图3.41.4.1.动作报告显示动作报告显示画面就是故障时的显示主画面,见图3.5。
动作元件的动作时刻年 月 日时 分 秒 毫秒动作保护事件动作报告序号故障相动作时的故障量图3.5如图3.5所示,装置故障的时候,动作报告画面显示动作的时间、保护事件、故障相、故障量等信息。
iPACS-5911C型高压输电线路成套保护装置技术说明书版本:V1.00江苏金智科技股份有限公司目录1 概述 (2)1.1 应用范围 (2)1.2 保护配置 (2)1.3 性能特征 (2)2 技术参数 (3)2.1 机械及环境参数 (3)2.2 额定电气参数 (3)2.3 主要技术指标 (3)3保护工作原理 (5)3.1装置告警 (5)3.2 手合判据 (6)3.3 起动元件 (6)3.4 电流差动保护 (7)3.5 距离保护 (8)3.6 过流保护 (17)3.7 不对称相继速动 (18)3.8 双回线相继速动 (18)3.9 低周保护 (19)3.10 跳闸逻辑 (20)3.10 重合闸逻辑 (21)4 硬件原理说明 (21)4.1 装置面板布置 (21)4.2 结构与安装 (22)4.3 装置接线端子 (23)4.4 各插件原理说明 (25)5 定值内容与整定说明 (31)5.1 系统定值与整定说明 (31)5.2 保护定值与整定说明 .......................................................................................... 错误!未定义书签。
5.3 压板定值 .............................................................................................................. 错误!未定义书签。
5.4 通讯定值 .............................................................................................................. 错误!未定义书签。
1 概述1.1 应用范围iPACS-5911C为由微机实现的数字式输电线路成套快速保护装置,可用作110kV输电线路的主保护及后备保护。
iPACS-5711A-G线路保护测控装置技术与使用说明书版本:V1.01江苏金智科技股份有限公司目录1. 概述 (1)1.1.应用范围 (1)1.2.保护配置和功能 (1)1.2.1. 保护配置 (1)1.2.2. 测控功能 (1)1.2.3. 保护信息功能 (1)2. 技术参数 (2)2.1.机械及环境参数 (2)2.1.1. 工作环境 (2)2.1.2. 机械性能 (2)2.2.电气参数 (2)2.2.1. 额定数据 (2)2.2.2. 功率消耗 (2)2.2.3. 过载能力 (2)2.3.主要技术指标 (2)2.3.1. 过流保护 (2)2.3.2. 零序保护 (3)2.3.3. 低频保护 (3)2.3.4. 低压保护 (3)2.3.5. 重合闸 (3)2.3.6. 遥信开入 (3)2.3.7. 遥测量计量等级 (3)2.3.8. 电磁兼容 (3)2.3.9. 绝缘试验 (4)2.3.10. 输出接点容量 (4)3. 软件工作原理 (4)3.1.保护程序结构 (4)3.2.装置起动元件 (5)3.2.1. 过电流起动 (5)3.2.2. 零序电流起动 (5)3.2.3. 低频起动 (5)3.2.4. 低压起动 (5)3.2.5. 位置不对应起动 (6)3.3.过流保护 (6)3.4.PT断线相过流保护 (6)3.5.零序保护(接地保护) (7)3.6.过负荷告警 (7)3.7.加速保护 (7)3.8.低频减载保护 (8)3.9.低压减载保护 (8)3.10.重合闸 (8)3.11.同期功能 (9)3.12.装置自检 (9)3.13.装置运行告警 (9)3.13.1. TWJ异常判别 (9)3.13.2. 交流电压断线 (9)3.13.3. 同期电压异常 (10)3.13.4. 频率异常判别 (10)3.13.5. 手合开入错 (10)3.13.6. GPS对时异常 (10)3.14.遥控、遥测、遥信功能 (10)3.15.对时功能 (10)3.16.逻辑框图 (11)4. 定值内容及整定说明 (12)4.1.设备参数定值 (12)4.2.保护定值 (12)4.3.软压板 (14)4.4.通讯参数 (14)4.5.测控参数 (14)4.6.装置设定 (15)5. 装置接线端子与说明 (17)5.1.模拟量输入 (19)5.2.装置结构及安装参考尺寸 (20)6. 使用说明 (22)6.1.指示灯说明 (22)6.2.命令菜单使用说明 (23)6.2.1. 装置整定 (24)6.2.2. 状态显示 (24)6.2.3. 报告打印 (25)6.2.5. 报告显示 (25)6.2.6. 报告清除 (25)6.2.7. 装置测试 (25)6.2.8. 版本信息 (26)6.3.装置的运行说明 (26)6.3.1. 装置正常运行状态 (26)6.3.2. 装置异常信息含义及处理建议 (26)6.3.3. 安装注意事项 (26)6.4.事故分析注意事项 (27)7. 装置调试大纲 (27)7.1.试验注意事项 (27)7.2.事故分析注意事项 (27)7.3.交流回路检查 (28)7.4.输入接点检查 (28)7.5.整组试验 (28)7.5.1. 过流Ⅰ段保护 (28)7.5.2. 过流Ⅱ段保护 (28)7.5.3. 过流Ⅲ段保护 (28)7.5.4. 零序Ⅰ段保护 (28)7.5.5. 零序Ⅱ段保护 (28)7.5.6. 重合闸保护 (28)7.5.7. 过流加速保护 (29)7.5.8. 零序加速保护 (29)7.5.9. 过负荷保护 (29)7.5.10. 低频保护 (29)7.6.运行异常报警试验 (29)7.6.1. 频率异常报警 (29)7.6.2. 接地报警 (29)7.6.3. PT断线报警 (29)7.6.4. 控制回路断线报警 (29)7.6.5. TWJ异常报警 (30)7.6.6. CT断线报警 (30)7.6.7. 弹簧未储能报警 (30)7.7.装置闭锁试验 (30)7.8.输出接点检查 (30)7.9.装置试验菜单的说明 (30)7.10.装置与监控后台联调的说明 (30)7.10.2. 遥测值系数的说明 (31)7.10.3. 装置与后台进行通讯联调时信息文本的说明 (31)1.概述1.1.应用范围iPACS-5711线路保护测控装置适用于110kV以下电压等级的非直接接地系统或小电阻接地系统中的线路保护及测控,可组屏安装,也可在开关柜就地安装。
金智5200系列保护装置调试软件使用方法
1、用U转232连接金智调试专用串口线
2、打开5200系列装置前面板,连接装置(调试线限位夹朝外)
3、5200系列装置规约改为调试规约(调试口/RS485)
4、连接成功后,点软件下载
5、端口默认识别,软件与装置的波特率、地址一致,点连接
6、可以在列表里选择录波,或者选择下载装置的点表
7、保存路径选择一个文件夹,导出来的是一个整体压缩文件,将防
在这个路径下的文件夹里。
8、下载完毕后,点击此软件的打开,打开此压缩文件
9、如果时录波文件,就在录波文件下选中所有波形后右键另存为,
存放在新建的文件夹里。
10、用另一个金智2008读取录波的软件打开这些解压后的波形。