标准减压孔板的水头损失计算
- 格式:xls
- 大小:32.00 KB
- 文档页数:3
浅析消防设备中减压孔板摘要:减压孔板的工作原理是对液体的动压力(不含静压力)进行减压。
目前,高层建筑由于层数较多,高层和低层所承受的静水压力不一样。
出水时,低层的水流动压力比高层的水流动压力大很多。
扑救火灾时,低层消防水带往往爆裂,本系列减压板对水流的动压力具有减压功能。
当流动的水经过减压孔板时,由于局部的阻力损失,在减压孔处产生压力降,从而满足消火栓的出口压力及流量的需要。
关键词:减压孔板;减压;水力计算;材质规格1.减压孔板的减压原理减压孔板利用孔板孔径小于设置安装管段的管径,增大管道内水流通过孔板的流速,增加局部阻力,从而消除一部分压力。
消防管道内水流速度不宜大于2m/s,而经过减压孔板时水流速度可达10m/s以上甚至更大;减压孔板因其易于安装,检修方便,制造工艺简单等诸多优点,从而在实际工程中得到越来越广泛地使用。
减压孔板、节流管一般设置在水流指示器后,而减压阀设置在报警阀之前,减压孔板只能减动压,不能减静压。
但减压阀既能减动压,也能减静压。
2.减压孔板的规格减压孔板应为无毛刺光面中心孔的黄铜板,其规格为:Φ50~Φ80毫米,δ=3毫米,Φ100~Φ150毫米,δ=6毫米,Φ200毫米及以上,δ=9毫米。
管径Φ50的孔板可以丝扣方式在管段内安装,其余规格的减压孔板一般都用法兰盘与管道连接。
《自动喷水灭火系统设计规范》GB50084要求减压孔板采用不锈钢制作。
从强度来讲,采用同一种材质,厚度为δ=3毫米减压孔板的强度比δ=2毫米减压孔板的强度要好;如采用丝扣方式在管段内安装,从加工工艺来讲,采用同一种材质,厚度为δ=3毫米减压孔板的边缘螺纹比δ=2毫米减压孔板的边缘螺纹更容易加工。
规格为Φ50~Φ80毫米减压孔板采用丝扣连接时,减压孔板的出口方向面宜加工有几个4×Φ6的圆坑,用于旋紧时工具的作力点。
大样图如图5.2-1:3.减压孔板的安装要求减压孔板的安装应符合:一、应设置在直径不小于50毫米的水平管段上;二、孔口直径不应小于设置安装管段直径的50%;三、孔板应安装在水流转弯处下游一侧的直管段上,与弯管的距离不应小于设置管段直径的两倍。
; FONT-SIZE: 20px; COLOR: #b0b41f">关于减压孔板的计算; LINE-HEIGHT: 36px" background=/img/bg3.gif>关于减压孔板的计算简介:在高层建筑的消火栓系统的设计中,必定会碰到系统分区的情况,按“高规”第7.4.6.5条“消火栓栓口的静水压力不应大于0.80MPa,当大于0.80MPa时,应采取分区给水系统。
消火栓栓口的出水压力大于0.50MPa 时,消火检处设减压装置”。
关键字:减压孔板计算在高层建筑的消火栓系统的设计中,必定会碰到系统分区的情况,按“高规”第7.4.6.5条“消火栓栓口的静水压力不应大于0.80MPa,当大于0.80MPa时,应采取分区给水系统。
消火栓栓口的出水压力大于0.50MPa时,消火检处设减压装置”。
通常所设的减压装置是减压孔板。
设置孔板,一是安装方便,二是便于调整。
孔板的大小可通过计算得到。
笔者经过对某工程的孔板设计计算,觉得通过以下几个步骤,能较准确地作出选择。
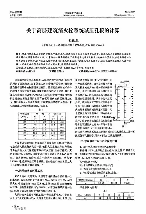
该工程的消火栓系统原理如附图所示。
在进行计算之前,首先要明确孔板将安装在何处。
由于现在有些建筑物中,有单出水消火栓,也有双出水消火栓,而两种类型的消火栓与立管的接口分别为DN65、DN80,其流量也不相同,因此,不先搞清楚孔板位置,会导致计算的错误。
在本工程中,笔者将孔板设于消火栓栓口,以方便计算。
按规定,为保证水枪的充实水拄13米的要求,DNl9喷嘴的流量为5.7L/S,压力为0.205MPa,按DN70查水力计算表,得到此时管内流速:V=1.62m/s根据《建筑给水排水设计手册》(P40 1.5—16)H′=H/V2×1=H/1.622×1=0.381H(m)其式中:H′——流速1m/s时的剩余水头(m)V ——水流通过孔板后的实际流速(m/s)H ——设计剩余水头,即须减去的多余水头(m)对系统中地下4至地上6层区域来讲,在7层设有可调式减压阀,井控制阀后压力H1=0.25MPa,以室内一层地坪为1.00米计,阀的安装标高H2=40.00米。
; FONT-SIZE: 20px; COLOR: #b0b41f">关于减压孔板的计算; LINE-HEIGHT: 36px" background=/img/bg3.gif>关于减压孔板的计算简介:在高层建筑的消火栓系统的设计中,必定会碰到系统分区的情况,按“高规”第7.4.6.5条“消火栓栓口的静水压力不应大于0.80MPa,当大于0.80MPa时,应采取分区给水系统。
消火栓栓口的出水压力大于0.50MPa 时,消火检处设减压装置”。
关键字:减压孔板计算在高层建筑的消火栓系统的设计中,必定会碰到系统分区的情况,按“高规”第7.4.6.5条“消火栓栓口的静水压力不应大于0.80MPa,当大于0.80MPa时,应采取分区给水系统。
消火栓栓口的出水压力大于0.50MPa时,消火检处设减压装置”。
通常所设的减压装置是减压孔板。
设置孔板,一是安装方便,二是便于调整。
孔板的大小可通过计算得到。
笔者经过对某工程的孔板设计计算,觉得通过以下几个步骤,能较准确地作出选择。
该工程的消火栓系统原理如附图所示。
在进行计算之前,首先要明确孔板将安装在何处。
由于现在有些建筑物中,有单出水消火栓,也有双出水消火栓,而两种类型的消火栓与立管的接口分别为DN65、DN80,其流量也不相同,因此,不先搞清楚孔板位置,会导致计算的错误。
在本工程中,笔者将孔板设于消火栓栓口,以方便计算。
按规定,为保证水枪的充实水拄13米的要求,DNl9喷嘴的流量为5.7L/S,压力为0.205MPa,按DN70查水力计算表,得到此时管内流速:V=1.62m/s根据《建筑给水排水设计手册》(P40 1.5—16)H′=H/V2×1=H/1.622×1=0.381H(m)其式中:H′——流速1m/s时的剩余水头(m)V ——水流通过孔板后的实际流速(m/s)H ——设计剩余水头,即须减去的多余水头(m)对系统中地下4至地上6层区域来讲,在7层设有可调式减压阀,井控制阀后压力H1=0.25MPa,以室内一层地坪为1.00米计,阀的安装标高H2=40.00米。
减压孔板在喷淋系统中的应用针对《自动喷水灭火系统设计规范》GB50084-2001第8.0.5条规定,“配水管道的布置,应使配水管入口的压力均衡。
轻危险级、中危险级场所中各配水管入口的压力均不宜大于0.40MPa”,这一要求本文对自动喷淋系统的减压方式做了简单归纳和对比,得出目前适合这一规范的减压方式只有减压孔板,并重点针对减压孔板减压的原理、安装要求及计算选型做了详细的阐述。
标签:喷淋;减压孔板;水头损失随着城市建筑高度的不断增加,建筑顶层自动喷淋系统入口压力越来越大,这就造成了建筑低层喷淋系统入口压力远远大于自身所需的入口压力,根据喷头流量计算公式[1] 可以看出,喷头的出流量受到压力的直接影响,压力过大,单个喷头流量就会随之增加,将导致消防水箱的水量不能满足火灾初期消防用水的要求。
因此,《自动喷水灭火系统设计规范》GB50084-2001第8.0.5条规定,“配水管道的布置,应使配水管入口的压力均衡。
轻危险级、中危险级场所中各配水管入口的压力均不宜大于0.40MPa。
这就需要在低层喷淋管道的配水管上设减压措施。
并且在规范第9.3条中,也列出了减压的措施:a、减压孔板;b、节流管;c、减压阀。
这三种减压措施中,减压阀在规范中已明确规定应设在报警阀组入口前,所以不适合配水管道的减压,而节流管由于长度要求不小于1m,对安装空间有一定的要求,并且30°的渐缩角和渐扩角市场也不易采购,因此在实际工程中也很少应用,而减压孔板由于造价低,安装方便,不占用空间,管理方便等优点被广泛应用于自动喷水灭火系统配水管需要减压的场所,本文将重点针对减压孔板进行说明。
1.减压孔板的原理:减压孔板的工作原理是对液体的动压力(不含静压力)进行减压。
高层建筑由于层数较多,高层和低层所承受的静水压力不一样。
出水时,低层的水流动压力比高层的水流动压力大很多。
当水流经过减压孔板时,流速发生突然变化,且在孔板前后产生许多涡流,引起很大的局部水头损失。
浅析减压孔板和节流管的减压设计计算与比较【摘要】根据某项目自动喷淋系统水力计算,比较两种减压措施的优劣。
【关键词】自动喷淋灭火系统;减压孔板;节流管;【Abstract】According to the calculation of hydraulic project of automatic sprinkling system,comparison of two kinds of relief measures of quality.【Key words】Sprinkler systems;Decompression orifice plate; Throttle pipe自动喷淋灭火系统,是当今世界上公认的最为有效的自救灭火设施,是应用最广泛、用量最大的自动灭火系统。
根据《自动喷水灭火系统设计规范》要求,使自动喷淋灭火系统充分达到预期灭火效果既要满足最不利点的压力和流量要求,同时又要满足配水管入口的压力平衡。
由于管道局部和沿程水头损失的存在,距离水泵越近,其配水管入口压将越大。
因此,在自动喷淋灭火系统中,减压措施的设计计算和选择显得尤为重要。
在管道中设计减压孔板和节流管,是最为常见的两种减压措施。
减压孔板和节流管减压的适用范围是对流体动力减压,其原理是当流动水经过减压孔板时,由于水头阻力损失,在减压孔板处或节流管处产生水头压力降(水头损失),从而可以降低底层的自动喷淋系统配水管和消火栓的出口压力。
高层建筑由于层数较多,高低层所承受的静水压力不一样,实际出水量相差很大,作用时底层的自动喷水设备和消火栓出水量远远超过顶层的设计流量和设计压力。
若不采取减压措施,将会造成同样的消防水量无法满足火灾持续时间,从而不能有效的起到灭火效果。
减压孔板和节流管相对于减压阀来说,系统比较简单,投资较少,管理方便。
因此本文着重介绍减压孔板和节流管的减压计算方法,减压阀减压不在讨论其中。
1规范对两种减压措施的有关规定《自动喷水灭火系统设计规范》对减压孔板与节流管两种减压措施的相关规定见表1:表1对过水管管径的要求对孔口直径的要求对管长的要求减压孔板应设在直径不小于50mm的水平直管段上孔口直径不应小于设置管段直径的30%,且不应小于20mm 前后管段的长度均不宜小于该管段直径的5倍节流管直径宜按上游管段直径的1/2确定节流管内水的平均流速不应大于20m/s 长度不宜小于1m2设计计算以珠江国际商贸中心中区6~11号楼工程为例,本工程为一类高层,建筑性质公寓式办公楼,本项目采用自动喷淋灭火系统,火灾危险等级地下车库按中危险II级,其消防水泵房位于地下二层,喷淋水泵扬程1.2MPa,流量35L/s,其地下二层喷淋配水管入口压力达到1.1MPa,规范要求不宜大于0.40MPa,远远超过规定值,因此需要采取减压措施。
减压孔板在喷淋系统中的应用针对《自动喷水灭火系统设计规范》GB50084-2001第8.0.5条规定,“配水管道的布置,应使配水管入口的压力均衡。
轻危险级、中危险级场所中各配水管入口的压力均不宜大于0.40MPa”,这一要求本文对自动喷淋系统的减压方式做了简单归纳和对比,得出目前适合这一规范的减压方式只有减压孔板,并重点针对减压孔板减压的原理、安装要求及计算选型做了详细的阐述。
标签:喷淋;减压孔板;水头损失随着城市建筑高度的不断增加,建筑顶层自动喷淋系统入口压力越来越大,这就造成了建筑低层喷淋系统入口压力远远大于自身所需的入口压力,根据喷头流量计算公式[1] 可以看出,喷头的出流量受到压力的直接影响,压力过大,单个喷头流量就会随之增加,将导致消防水箱的水量不能满足火灾初期消防用水的要求。
因此,《自动喷水灭火系统设计规范》GB50084-2001第8.0.5条规定,“配水管道的布置,应使配水管入口的压力均衡。
轻危险级、中危险级场所中各配水管入口的压力均不宜大于0.40MPa。
这就需要在低层喷淋管道的配水管上设减压措施。
并且在规范第9.3条中,也列出了减压的措施:a、减压孔板;b、节流管;c、减压阀。
这三种减压措施中,减压阀在规范中已明确规定应设在报警阀组入口前,所以不适合配水管道的减压,而节流管由于长度要求不小于1m,对安装空间有一定的要求,并且30°的渐缩角和渐扩角市场也不易采购,因此在实际工程中也很少应用,而减压孔板由于造价低,安装方便,不占用空间,管理方便等优点被广泛应用于自动喷水灭火系统配水管需要减压的场所,本文将重点针对减压孔板进行说明。
1.减压孔板的原理:减压孔板的工作原理是对液体的动压力(不含静压力)进行减压。
高层建筑由于层数较多,高层和低层所承受的静水压力不一样。
出水时,低层的水流动压力比高层的水流动压力大很多。
当水流经过减压孔板时,流速发生突然变化,且在孔板前后产生许多涡流,引起很大的局部水头损失。
水头损失计算公式引言:在液体管道中,流体在经过管道时会发生水头损失。
水头损失是指流体在管道中因为各种原因而丧失的能量。
准确计算水头损失对于设计和操作管道系统非常重要。
本文将介绍水头损失计算的公式和方法。
一、水头损失的定义水头损失是指流体在管道中由于摩擦、弯头、阀门等因素而丧失的能量。
水头损失通常以单位长度的压力损失来计算,单位为Pa/m 或m/m。
二、液体流体力学方程在计算水头损失之前,我们需要了解液体流体力学方程。
液体流体力学方程描述了流体在管道中流动时的基本性质。
根据液体流体力学方程,可以得到以下公式:1. 流量公式:Q = A * V其中,Q为流量,单位为m^3/s;A为管道的横截面积,单位为m^2;V为流速,单位为m/s。
2. 流速公式:V = Q / A3. 流体速度的变化公式:ΔV = (V2 - V1) / L其中,ΔV为速度变化,V1和V2分别为起始点和终点的流速,L 为两点之间的距离。
三、直管段水头损失计算对于直管段,水头损失可以通过以下公式计算:H = f * (L / D) * (V^2 / 2g)其中,H为水头损失,单位为m;f为阻力系数;L为管道长度,单位为m;D为管道直径,单位为m;V为流速,单位为m/s;g为重力加速度,单位为m/s^2。
阻力系数f可以根据管道的材质、粗糙度和雷诺数等因素确定。
常用的计算方法有:1. 弗朗西斯公式:f = (0.79 / (-1.8 * log((ε / (3.7 * D)) + (5.74) / (Re^0.9))))^2其中,ε为管道壁面相对光滑程度,单位为m;Re为雷诺数,单位为无量纲。
2. 柯克劳公式:f = (0.25 / (l og((ε / D) / 3.7 + 5.74 / Re^0.9)))^2四、弯头和阀门的水头损失计算对于弯头和阀门等管道附件,水头损失可以通过以下公式计算:H = K * (V^2 / 2g)其中,K为局部阻力系数。
减压孔板及其水头损失计算
林荣祖
【期刊名称】《施工技术》
【年(卷),期】1991(000)002
【总页数】5页(P40-44)
【作者】林荣祖
【作者单位】无
【正文语种】中文
【中图分类】TU976.5
【相关文献】
1.室内消火栓给水系统剩余水头计算及减压孔板设置 [J], 陈礼洪;程宏伟
2.减压孔板及其水头损失计算 [J], 林荣祖
3.低水头水电站水头损失计算中应注意的问题 [J], 张文青
4.T型阿牛巴流量计与孔板能耗损失计算 [J], 贺正勤;姚为奇
5.贵州山区输水管道局部水头损失计算方法探讨 [J], 徐言志
因版权原因,仅展示原文概要,查看原文内容请购买。
水头损失公式范文水头损失公式是指在管道输送水流过程中,由于摩擦、弯头、管道材质等因素造成的水压的降低。
水头损失是管流力学中的一个重要概念,它是水流过程中能量的损失,也可以理解为水压的降低。
在管道系统中,水头损失的大小直接影响到管道流量、水压和系统的运行效果。
为了准确地计算水头损失,需要根据具体的情况来确定所使用的公式。
在一般情况下,常用的水头损失公式有以下几种:1.流量公式:Q=V·A其中,Q表示流量,V表示流速,A表示管道的横截面积。
2.摩擦公式:Hf=λ(L/D)·(V^2/2g)其中,Hf表示摩擦水头损失,λ表示摩擦系数,L表示管道的长度,D表示管道的直径,V表示流速,g表示重力加速度。
3.弯头损失公式:Ht=Kt·(V^2/2g)其中,Ht表示弯头水头损失,Kt表示弯头系数,V表示流速,g表示重力加速度。
4.压力损失公式:Hr=ρgh其中,Hr表示压力水头损失,ρ表示水密度,g表示重力加速度,h表示管道两端的压力高差。
根据具体的情况和管道参数,可以选择适用的公式进行计算。
但需要注意的是,这些公式一般是基于一定的假设和经验得出的,并不能完全准确地描述实际情况。
因此,在计算水头损失时,应尽量考虑到实际情况,进行实测和合理估计,以提高计算的准确性。
例如,在给定的管道系统中,要计算总的水头损失,可以将摩擦损失、弯头损失和压力损失相加得到:H=Hf+Ht+Hr其中,H表示总的水头损失。
需要注意的是,水头损失公式中的各个参数的计算需要根据具体的情况来确定,如管道的材质、直径和长度等。
此外,公式中的系数如摩擦系数和弯头系数也是根据实验和经验得出的,所以在实际应用中需要根据经验来选择合适的数值。
总之,水头损失公式是计算管道系统水压降低的重要工具,能够帮助我们更好地了解管道系统的运行情况。
在实际应用中,根据具体情况选择合适的公式和参数,可以提高计算的准确性,保证管道系统的正常运行。
中华人民共和国国家标准GBPGB50084—2001自动喷水灭火系统设计规范(2005年版)2001-04-05发布2001-07-01实施国家质量技术监督局中华人民共和国建设部中华人民共和国国家标准自动喷水灭火系统设计规范CodeofdesignforsprinklersystemsGB50084—2001(2005年版)主编部门:中华人民共和国公安部批准部门:中华人民共和国建设部施行日期:2001年7月1日中国计划出版社2005北京中华人民共和国建设部公告第360号建设部关于发布国家标准《自动喷水灭火系统设计规范》局部修订的公告现批准《自动喷水灭火系统设计规范》GB50084-2001局部修订的条文,自2005年10月1日起实施。
其中:第5.0。
1、5.0。
1A、5。
0.5、5.0。
6、5.0.7、6.2。
7、6.5.1、7.1。
3、8。
0.2、10.3。
2、12.0。
1、12.0。
2、12.0。
3为强制性条文,必须执行。
经此次修改的原条文同时废止。
局部修订的条文及具体内容,将在近期出版的《工程建设标准化》刊物上登载。
中华人民共和国建设部二○○五年七月十五日关于发布国家关标准《自动喷水灭火系统设计规范》的通知建标[2001]68号〔1996〕4号的要求,由公安部会同有关部门共同修订的《自动喷水灭火系统设计规范》,经有关部门会审,批准为国家标准,编号为GB50084—2001,自2001年7月1日起施行。
其中:3。
0。
1、3。
0.2、4。
1。
2、4。
2.1、4.2。
2、4.2.5、4。
2。
6、4。
2.9、(1、3、4款)4.2.10、5。
0.1、5。
0。
2、5。
0。
3、5。
0。
4(1款)、5.0.5、5.0。
6、5。
0.7、5.0。
8、5.0。
9、5.0。
10、5。
0。
11、6.1。
1、6.1。
3、6。
2。
1、6.2.5、6.2.7、6.2。
8、6。
3.1、6。
3.2、6。
3.3、6。
5。
1、6。
关于减压孔板的计算简介:在高层建筑的消火栓系统的设计中,必定会碰到系统分区的情况,按“高规”第7.4.6.5条“消火栓栓口的静水压力不应大于0.80MPa,当大于0.80MPa时,应采取分区给水系统。
消火栓栓口的出水压力大于0.50MPa时,消火检处设减压装置”。
关键字:减压孔板计算在高层建筑的消火栓系统的设计中,必定会碰到系统分区的情况,按“高规”第7.4.6.5条“消火栓栓口的静水压力不应大于0.80MPa,当大于0.80MPa时,应采取分区给水系统。
消火栓栓口的出水压力大于0.50MPa时,消火检处设减压装置”。
通常所设的减压装置是减压孔板。
设置孔板,一是安装方便,二是便于调整。
孔板的大小可通过计算得到。
笔者经过对某工程的孔板设计计算,觉得通过以下几个步骤,能较准确地作出选择。
该工程的消火栓系统原理如附图所示。
在进行计算之前,首先要明确孔板将安装在何处。
由于现在有些建筑物中,有单出水消火栓,也有双出水消火栓,而两种类型的消火栓与立管的接口分别为DN65、DN80,其流量也不相同,因此,不先搞清楚孔板位置,会导致计算的错误。
在本工程中,笔者将孔板设于消火栓栓口,以方便计算。
按规定,为保证水枪的充实水拄13米的要求,DNl9喷嘴的流量为5.7L/S,压力为0.205MPa,按DN70查水力计算表,得到此时管内流速:V=1.62m/s根据《建筑给水排水设计手册》(P40 1.5—16)H′=H/V2×1=H/1.622×1=0.381H(m)其式中:H′——流速1m/s时的剩余水头(m)V ——水流通过孔板后的实际流速(m/s)H ——设计剩余水头,即须减去的多余水头(m)对系统中地下4至地上6层区域来讲,在7层设有可调式减压阀,井控制阀后压力H1=0.25MPa,以室内一层地坪为1.00米计,阀的安装标高H2=40.00米。
现以地下4层孔板计算为例:1、确定该层消火栓栓口标高H0=-13.60M;2、栓口的动压值(为方便计算,水头损失均按10米计)H=H1十(H2—H0)=25十(40十13.60)=68.6M3、栓口允许的最大动压:按规范压力控制在0.25MPa-0.5MPa,现按0.40MPa计。
1 总则1.0.1 为了正确、合理地设计自动喷水灭火系统,保护人身和财产安全,制定本规范。
1.0.2 本规范适用于新建、扩建、改建的民用与工业建筑中自动喷水灭火系统的设计。
本规范不适用于火药、炸药、弹药、火工品工厂、核电站及飞机库等特殊功能建筑中自动喷水灭火系统的设计。
1.0.3 自动喷水灭火系统的设计,应密切结合保护对象的功能和火灾特点,积极采用新技术、新设备、新材料,做到安全可靠、技术先进、经济合理。
1.0.4 设计采用的系统组件,必须符合国家现行的相关标准,并应符合消防产品市场准入制度的要求。
1.0.5 当设置自动喷水灭火系统的建筑或建筑内场所变更用途时,应校核原有系统的适用性。
当不适用时,应按本规范重新设计。
1.0.6 自动喷水灭火系统的设计,除应符合本规范的规定外,尚应符合国家现行有关标准的规定。
2 术语和符号2.1 术语2.1.1 自动喷水灭火系统 sprinkler systems由洒水喷头、报警阀组、水流报警装置(水流指示器或压力开关)等组件,以及管道、供水设施等组成,能在发生火灾时喷水的自动灭火系统。
2.1.2 闭式系统 close-type sprinkler system采用闭式洒水喷头的自动喷水灭火系统。
2.1.3 开式系统 open-type sprinkler system采用开式洒水喷头的自动喷水灭火系统。
2.1.4 湿式系统 wet pipe sprinkler system准工作状态时配水管道内充满用于启动系统的有压水的闭式系统。
2.1.5 干式系统 dry pipe sprinkler system准工作状态时配水管道内充满用于启动系统的有压气体的闭式系统。
2.1.6 预作用系统 preaction sprinkler system准工作状态时配水管道内不充水,发生火灾时由火灾自动报警系统、充气管道上的压力开关联锁控制预作用装置和启动消防水泵,向配水管道供水的闭式系统。