地下通道施工技术交底
- 格式:doc
- 大小:50.50 KB
- 文档页数:7
地下管道施工技术交底布置原则与施工要求地下管道施工技术交底是指在管道施工过程中,施工团队向相关人员交代施工技术要点、安全注意事项和工作要求的过程。
正确的技术交底布置以及严格遵守施工要求,对于保证管道施工质量、促进工作效率的提高至关重要。
本文将探讨地下管道施工技术交底布置原则以及施工要求。
一、技术交底布置原则1.明确交底内容在进行技术交底前,施工团队应对相关的技术要求进行全面了解,并准确把握施工图纸、标准规范、设计要求等文件的内容。
交底时,要明确交底的重点和难点,并重点强调对技术要点的理解和把握。
为了确保交底内容的准确性,施工团队可以事先准备交底书面材料,以便让参与交底的人员有一个清晰的了解。
2.分层次进行交底地下管道施工涉及的技术要求繁多,为了确保施工人员能够深入理解和掌握这些要求,交底应该分层次进行。
可以将交底内容按照重要性和难易程度划分为几个层次,分别向不同的人员进行交底。
这样可以让不同的人员根据自己的实际工作内容有针对性地学习和掌握相关知识,提高施工质量。
3.交底方式多样化为了满足不同人员对于知识学习的需求,交底方式应该多样化。
可以通过集中开展技术交底会议、组织相关培训、制定技术交底手册等方式进行交底。
此外,还可以利用现代信息技术手段,如视频会议、教学平台等,进行在线交底,提高交底效果。
二、施工要求1.严格遵守相关规范标准地下管道施工涉及到一系列的规范标准,如地质勘察规范、给水排水设计规范等。
施工人员在进行地下管道施工前,必须详细了解相关规范标准,并在施工过程中严格按照规范要求进行操作。
只有确保规范的正确落实,才能保证施工质量和施工安全。
2.建立科学的施工组织安排地下管道施工涉及到多个工种的密切配合,为了保证施工进度和质量,需要建立科学的施工组织安排方案。
在施工前,应根据施工图纸和工程要求,制定细致的施工计划,明确每个工序的具体内容和施工顺序,以便保证施工的连贯性和高效性。
3.加强施工现场管理地下管道施工工作面广、工程量大,为了确保施工质量,同时保证施工安全,需要加强施工现场管理。
地下管道施工安全技术交底文档一、施工安全概述地下管道施工是一项复杂而危险的工作。
为确保施工过程中的安全,施工人员必须熟悉并严格遵守相关安全技术要求。
二、施工前准备1. 确定施工地点:施工前需仔细勘测施工地点,确保无任何地下管道和设施,或者在施工前与相关部门协调解决并采取必要的隔离措施。
2. 掌握施工图纸:准备施工前的图纸,确保施工人员能够清晰了解管道的布置和设计。
3. 进行安全培训:所有参与施工的人员都需进行地下管道施工安全技术培训,包括了解相关法规和标准、掌握应急处理方法等。
三、施工过程安全要求1. 清除障碍物:在施工前清除施工区域内的障碍物,确保施工人员和设备的安全。
2. 管道定位:利用探测设备准确定位地下管道,并在管道周围作出标记,避免误伤管道。
3. 地面开挖:在施工区域进行地面开挖时,必须遵守相关规定,以确保施工安全并减少地质灾害的风险。
4. 安全通风:在需要进入封闭空间施工的情况下,必须提供足够的通风设备和防护措施,以确保施工人员的安全。
5. 防止地下水进入施工区域:采取必要措施,避免地下水浸入施工区域,确保施工人员的安全。
6. 使用合适的工具和设备:选择并使用适合的专业工具和设备,减少事故和伤害的风险。
7. 控制施工现场:施工现场应设置明显的警示标志,并控制好施工人员和非施工人员的进入,确保安全。
四、应急处理1. 发生意外情况时,施工人员应立即停止工作,采取相应的应急措施,并及时报告有关部门。
2. 在施工过程中,定期进行安全检查,确保施工的连续进行。
五、责任与追究施工人员需严格遵守相关法规和安全要求。
对于违反安全规定而导致事故的,将承担相应的法律责任和经济赔偿责任。
六、文档审核该文档应由相关部门进行审核,确保其准确、完整、可行,并按照规定保存。
以上是地下管道施工安全技术交底文档的内容,希望施工人员能够全面了解并严格遵守相关要求,确保施工过程的安全。
地下人行通道施工技术交底一、图纸设计参数交底二、开挖交底1、竖井开挖竖井开挖禁止爆破开挖,用小型挖掘机开挖,石方用挖掘机的破碎头开凿,部分挖掘机开挖不到的地方人工用风镐开挖,渣土运输采用人工配合挖掘机装碴,石碴经吊车提升到汽车内,运到弃碴场。
2、洞身开挖洞身禁止爆破开挖,开挖采取机械和人工用风镐凿除岩石,开挖前先进行测量放样,控制开挖的中线、水平引至开挖部位掌子面,确定开挖轮廓。
测量人员定出隧道中线和开挖轮廓线,用红油漆画出轮廓线,经检测合格后方可施工。
开挖循环进尺0.5米,开挖后马上进行支护。
3、出渣运输通道出渣采用60挖掘机装碴,运到竖井底部提升斗内,由吊车吊运到洞口自卸车内。
洞内开挖土石方的弃置,应符合设计要求和环境保护、水土保持的有关规定,不得影响既有建筑物的安全,并应采取挡护措施防止弃碴流失对自然环境造成不良影响。
通道弃碴不得随意在桥涵、构造物附近堆放,以免影响桥涵结构受力或破坏。
三、初期支护交底1、超前小导管根据设计要求,通道采用超前小导管支护,超前小导管外径42mm,壁厚4mm,长300m的热轧无缝钢管,钢管前端呈尖锥状;管壁四周钻注浆孔,孔径为8mm,孔间距10cm,呈梅花形布置,尾部30cm不钻注浆孔作为止浆段。
钢管与衬砌中线平行,以外插角1~3o打入拱部围岩;钢管拱部环向间距25cm,双层错开布置,边墙间距50cm,纵向搭接1.5米。
按设计要求,在掌子面上准确画出本循环需施设的小导管孔位。
小导管在打孔前,按设计要求划出小导管的位置,并标明清楚。
采用凿岩风钻打孔,成孔直径Φ53,孔口钻眼偏差小于50mm,孔眼长度大于小导管长度,然后将小导管打入,小导管打入后用高压风将小导管内砂石等吹出。
小导管尾部置于钢架腹部,增加共同支护能力。
小导管安装后用塑胶泥封堵导管外边的孔口及围岩裂隙。
钢管用钻机顶进,顶进钻孔长度不小于90%管长。
钢管末端除焊上挡圈外,再用胶泥麻筋缠箍成楔形,以便钢管顶进孔后其外壁与孔岩壁间隙堵塞严密。
地下人行通道工程施工安全技术交底一、背景介绍随着城市化进程的不断推进,地下人行通道工程的建设已经成为现代城市发展中重要的组成部分。
地下人行通道可以有效地分流行人流量,保证行人和交通的安全顺畅。
然而,在地下人行通道工程的施工过程中,安全风险和技术挑战也是不可忽视的。
因此,本文将围绕地下人行通道工程施工的安全技术交底展开讨论,旨在详细介绍施工过程中的安全措施和技术要点,以确保施工安全、提高工程质量。
二、施工前的准备工作1. 工程勘察和设计在地下人行通道工程施工前,必须进行充分的工程勘察和设计工作。
勘察和设计的目的是确定地下通道的地质情况、地下管线分布以及周边环境状况,以便合理规划施工方案和选择合适的施工技术。
2. 安全风险评估和控制措施在施工前,需要对地下人行通道工程进行全面的安全风险评估。
评估范围包括施工工艺、设备运行、劳动保护、材料质量等方面。
根据评估结果,制定详细的安全控制措施,确保施工过程中安全可控。
3. 施工组织和协调在施工前,需要对施工组织和协调进行充分的规划。
确定施工队伍的组织结构、工作任务和质量要求,合理分配人力资源和物资,确保施工的有序进行。
三、施工过程中的安全技术要点1. 地下通道支护技术地下通道支护技术是地下人行通道工程施工中的重要环节。
支护技术的选择应根据地质条件、施工进度和资源可行性等因素进行,可采用常见的支护方法,如钢支撑、混凝土喷射桩等。
同时,支护材料的质量要求和施工工艺也是关键因素,必须严格按照相关标准进行施工。
2. 安全通风和防护设备地下人行通道工程施工过程中,通风和防护设备的合理使用对工人的安全和健康至关重要。
施工现场必须安装通风设备,保证空气流通,排除有害气体。
同时,工人必须佩戴符合安全标准的防护装备,如安全帽、安全鞋、防尘口罩等,以降低事故发生的风险。
3. 施工工具和机械设备的操作技术在地下人行通道工程施工中,施工工具和机械设备的操作技术对施工安全和工程质量具有重要影响。
一、交底目的为确保通道涵洞施工过程中的安全,提高施工人员的安全意识,防止安全事故的发生,特进行安全技术交底。
二、交底内容1. 施工人员要求(1)所有施工人员必须具备一定的施工技能和安全知识,通过安全培训并考核合格后方可上岗。
(2)施工人员进入施工现场必须正确佩戴劳动保护用品,如安全帽、安全带、防护眼镜等。
(3)施工人员应严格遵守施工现场各项规章制度,服从现场管理人员的管理。
2. 施工现场安全措施(1)施工现场应设置明显的安全警示标志,如警示牌、安全警示灯等。
(2)施工现场应设立安全通道,保证施工人员安全通行。
(3)施工现场应设立临时围挡,防止非施工人员进入施工现场。
3. 施工设备安全操作(1)施工机械设备必须符合国家标准,并经过检测合格。
(2)机械设备操作人员必须具备相应的操作技能和证书。
(3)机械设备操作前应检查设备状况,确保设备运行正常。
4. 施工现场用电安全(1)施工现场用电设备必须符合国家标准,并经过检测合格。
(2)施工现场用电线路应定期检查,确保线路安全。
(3)施工现场用电设备操作人员必须具备相应的用电知识。
5. 施工现场防火安全(1)施工现场应配备足够的消防器材,如灭火器、消防水带等。
(2)施工现场应设立消防通道,保证消防器材的取用。
(3)施工现场严禁使用明火,如需动火作业,必须办理动火作业许可证。
6. 施工现场施工材料管理(1)施工现场施工材料应分类存放,标识清楚。
(2)施工材料应保持干燥、通风,防止受潮、变质。
(3)施工材料堆放应整齐,不得影响施工安全和通行。
7. 施工现场环境保护(1)施工现场应采取措施减少对环境的影响,如设置隔音、降噪设施。
(2)施工现场应加强废水、废气、噪声等污染物的处理。
(3)施工现场应合理规划施工场地,减少对周边环境的影响。
三、交底要求1. 施工单位应将本安全技术交底内容向施工人员进行详细讲解,确保施工人员充分了解并掌握。
2. 施工单位应定期对施工人员进行安全技术培训,提高施工人员的安全意识。
通道、涵洞施工安全交底一、安全工作责任制通道、涵洞施工安全交底,首先要明确安全工作责任制。
在施工前,必须要明确责任人员并签订责任状。
责任人员包括项目经理、安全员、质检员、监理工程师、施工单位负责人、机械设备管理员等。
要求每个责任人员在自己的职责范围内,严格执行安全制度、规程和操作规范。
同时,在安全工作方面,各责任人员还要加强沟通协调和合作配合,确保工程安全顺利进行。
二、现场管理安全交底1.施工准备在施工前,首先要对现场进行安全排查,确定施工现场的危险因素,并采取相应的措施进行整改,包括对劳动保护设施的设置、人员防护、机械设备的安全性检查等。
同时,还需确定施工方案及施工人员,保证施工人员配备到位。
在施工准备阶段,还要进行安全教育和培训,确保施工人员掌握相关安全知识,了解作业规程和操作规范。
2.施工过程在施工过程中,必须坚持“安全第一”的原则,严格按照施工方案、作业规程和操作规范执行。
要求施工人员佩戴个人防护用品,进行工具、设备、材料、场地等安全检查。
同时,还要定期进行安全专项检查,确保各项安全措施与规程的贯彻落实,及时发现和排除安全隐患,保障施工现场的安全生产。
3.施工收尾在施工结束后,必须要做好施工现场的清理和整顿工作。
需要对原料、垃圾等进行分类处理,确保施工现场的环境卫生和安全。
同时,还需要对机械设备、工具器材等进行检查、维护、保养和封存,保证其在下次施工时可以正常使用。
施工结束后还要进行总结和评估,从中发现存在的问题并加以改进。
三、岗前培训及安全教育1.岗前培训施工单位要对施工人员进行岗位培训,在保证施工人员技术能力的同时,加强安全培训,确保其了解安全作业规范和操作规程。
培训内容包括但不限于安全生产法律法规、安全生产意识、工作环境和设备操作规程、事故应急处置等。
2.安全教育安全教育是帮助施工人员认识安全生产的重要手段。
在施工现场中,要定期组织安全教育。
安全教育内容包括施工现场的安全要求、消防要求、应急预案、职业卫生等方面。
地下通道基坑开挖施工技术交底一、工程概述本次地下通道工程位于_____,通道的设计旨在改善周边区域的交通状况,提高行人的通行安全性和便利性。
基坑开挖是整个地下通道施工的关键环节,其施工质量和安全直接关系到后续工程的顺利进行。
二、施工准备1、技术准备熟悉施工图纸,了解地下通道的结构尺寸、基坑深度、地质情况等。
编制施工方案,明确开挖顺序、支护方式、降排水措施等。
进行技术交底,确保施工人员了解施工工艺和质量要求。
2、现场准备清理施工现场,拆除障碍物,平整场地。
测量放线,确定基坑开挖的边界和控制桩。
修筑临时道路,确保施工车辆通行顺畅。
3、材料准备准备好支护材料,如钢板桩、土钉、锚杆等。
准备好排水管材、水泵等降排水设备。
4、机械设备准备配备挖掘机、装载机、自卸汽车等土方开挖设备。
配备吊车、电焊机等支护施工设备。
三、施工工艺流程1、测量放线根据设计图纸和现场控制点,使用全站仪或 GPS 测量仪器,准确放出地下通道基坑的开挖边线和控制桩,并做好标记。
2、降排水根据地质勘察报告和现场实际情况,确定降水方案。
一般采用井点降水或集水井降水。
在基坑周边设置排水沟和集水井,及时排除雨水和地下水,确保基坑内干燥。
3、分层分段开挖按照施工方案确定的开挖顺序,分层分段进行开挖。
每层开挖深度不宜超过 2m,每段长度不宜超过 20m。
采用挖掘机进行开挖,配合装载机和自卸汽车运输土方。
4、支护施工在开挖过程中,及时进行支护施工,确保基坑边坡的稳定。
支护方式可根据地质情况选择钢板桩支护、土钉墙支护、锚杆支护等。
支护施工应严格按照设计要求和施工规范进行,保证支护结构的质量和强度。
5、基底处理当挖到设计基底标高时,应及时进行基底处理。
清除基底的浮土和杂物,对基底进行平整和夯实。
如基底地质情况与设计不符,应及时通知设计单位进行处理。
四、施工注意事项1、开挖过程中,应随时观察边坡的稳定性,如发现边坡有坍塌迹象,应立即停止开挖,并采取相应的支护措施。
地下综合管廊施工安全技术交底(通用)1. 前言本文档为地下综合管廊施工安全技术交底,旨在确保施工过程中的安全性,并提供必要的技术指导,以降低事故风险。
2. 施工前的准备工作在进行地下综合管廊施工前,必须做好以下准备工作:- 安全方案编制:根据工程特点和风险评估,制定详细的安全方案,并确保所有工作人员理解并遵守相关规定。
- 管理人员培训:对施工管理人员进行培训,使其具备足够的安全知识和应急处理能力。
- 施工现场清理:清理施工现场,确保无障碍物和潜在风险。
- 工器具检查:检查使用的工器具是否完好,确保其能正常工作。
- 安全设施设置:设置必要的警示标志和防护设施,提供应急救援设备。
3. 施工过程中的安全措施在地下综合管廊施工过程中,应采取以下安全措施:- 人员防护:施工人员应佩戴安全帽、防护鞋和防护手套,并遵守相关的个人防护要求。
- 通风控制:确保施工现场有良好的通风系统,并采取适当的通风措施,以降低有害气体的浓度。
- 操作规范:施工人员应严格按照工艺操作规范进行作业,禁止违规操作或使用不合适的工器具。
- 管道保护:在施工过程中,要保护周围现有管道的完整性,避免损坏或泄漏。
- 清洁卫生:保持施工现场的清洁卫生,避免杂物堆放和垃圾积聚。
4. 安全事故应急处理在施工过程中,如果发生安全事故,应按照以下步骤进行应急处理:1. 立即停止作业:发生事故后,首先要立即停止施工作业,确保人员安全。
2. 报告上级:将事故情况及时上报给上级管理人员,并寻求必要的支援与指导。
3. 救援伤员:如果有人员受伤,应立即进行救援,并及时送往医院进行治疗。
4. 保护现场:对事故现场进行保护,避免进一步扩大事故范围。
5. 事故调查:对事故原因进行调查,并及时采取纠正和改进措施,以防止类似的事故再次发生。
5. 结束语本文档对地下综合管廊施工安全技术交底进行了总结和说明,希望在施工过程中能得到广泛应用,确保施工安全,并减少安全事故的发生。
地下管道施工安全技术交底一、施工前的准备工作地下管道施工是一项繁琐而关键的任务,为了确保施工期间的安全,我们需要做好以下准备工作:1.项目概述在开始地下管道施工之前,必须明确项目的概述和目标。
这包括管道的类型、长度、直径以及施工所涉及的区域范围等信息。
施工人员需要对整个项目有清晰的了解,才能有针对性地进行安全技术交底。
2.施工方案在进行地下管道施工前,应制定详细的施工方案。
该方案应包括施工的步骤、施工过程中可能出现的问题以及相应的解决措施。
此外,还需要确定每个阶段的工作安排和所需的工程设备。
3.现场评估在着手施工之前,必须对施工现场进行评估。
该评估应包括地下管道附近的土质条件、潜在的危险源以及周围环境的影响等。
通过评估,可以对施工风险进行合理的预估,并做好相应的安全防护措施。
二、施工过程中的安全措施地下管道施工过程中,我们需要严格执行以下安全措施:1.人员培训施工人员必须经过专门的培训,并掌握相关的安全操作规程。
他们应了解各类工程设备的使用方法和注意事项,并熟悉施工现场的安全规定。
此外,还需要加强施工人员的安全意识,提醒他们时刻保持注意力。
2.现场标识施工现场应设置明确的标识,包括风险提示、禁止通行等标志。
这些标识应该易于识别,能够有效地提醒人们注意安全。
施工人员应在施工现场周围设立警示线,以避免无关人员的进入。
3.排查潜在风险施工前,应对施工区域进行详细的风险排查。
这包括地下管道、电缆、人孔盖等设施的检查。
如发现有损坏或老化的设备,应及时更换或修复,以防止意外事故的发生。
4.通风和防毒地下管道施工往往涉及到封闭空间,为了保障施工人员的安全,必须做好通风和防毒工作。
应在施工前确保通风设备的正常运行,并配备适当的防毒装备,以防止有毒气体的侵入。
5.设备维护与保养施工过程中使用的机械设备和工具必须经常检查和维护,以确保其正常运行。
施工人员应熟悉设备的使用方法,并在使用前进行检查,避免不必要的事故发生。
地下管道施工安全技术交底文档1. 介绍此文档旨在向施工人员介绍地下管道施工的安全技术要求,以确保施工过程中的安全性和有效性。
通过遵循本文档中的指导方针,有助于减少事故风险,并确保项目按计划进行。
2. 管道施工前的准备工作在开始地下管道施工之前,施工人员需要做以下准备工作:- 确定施工区域的地质条件及相关地下设施的位置。
- 准备必要的施工设备和工具,确保其正常运行。
- 清理施工现场,并确保周围区域的安全。
3. 施工过程中的安全技术要求在地下管道施工的过程中,施工人员需要遵守以下安全技术要求:- 在施工现场设置明显的警示标志,以提醒他人注意施工活动。
- 在施工区域附近设置围栏或临时隔离设施,以确保无关人员不会进入施工区域。
- 在开挖施工前确定地下管道的准确位置,避免损坏或破坏其他地下设施。
- 使用合适的施工工具和技术进行开挖,以确保地下管道的安全和稳定。
- 在施工现场配备足够的消防设备,并按需使用,以防止火灾事故的发生。
- 在施工现场设置紧急救援计划,并对施工人员进行紧急救援培训。
4. 施工后的清理与检查在地下管道施工完成后,施工人员需要进行清理和检查工作:- 清理施工现场,并确保无留下的垃圾和杂物。
- 检查地下管道的质量和安装情况,确保符合相关标准和要求。
- 关闭和密封施工现场,以防止未授权人员进入。
以上是地下管道施工安全技术交底文档的主要内容。
在地下管道施工过程中,施工人员应始终遵守相关的安全技术要求,并采取必要的预防措施,以确保施工过程的安全和顺利进行。
暗挖通道施工技术交底暗挖通道是指在地下或地面以下进行隧道施工,以实现交通运输、供水、通风、排水等目的。
暗挖通道施工技术交底是为了确保施工过程的安全、顺利进行,保证工程质量和进度。
下面是对暗挖通道施工技术的交底内容的详细说明。
一、施工准备工作1.掌握工程设计图纸,并与设计单位进行交流,确保施工方案符合设计要求。
2.完成地下或地面以下现场勘探和测量工作,明确施工区域的地质条件、地下水位、地下管线等情况,制定合理的安全措施。
3.进行占地及环境保护工作,保证施工期间对周围环境的影响最小化。
4.配备必要的机械设备、工具和安全设备,确保施工所需物资齐全,并进行检查和试运行。
二、暗挖通道施工技术要点1.地质勘探与处理:根据地质勘探结果,制定相应的处理方案,如岩石切割、控制地下水、处理软土等。
2.挖掘施工:采用机械掘进方式进行挖掘,确保施工速度和安全。
3.填充支护:在挖掘过程中,采取填充支护措施,防止地质灾害的发生。
4.表面沉降控制:通过监测仪器对施工区域地表沉降情况进行实时监测,及时采取措施,防止过大沉降导致地面塌陷。
5.施工导流与处理:针对地下水、地表水、降雨等因素,制定具体的导流和处理措施,确保施工现场排水顺畅。
6.隧道支护结构施工:按照设计要求进行隧道支护结构的施工,确保结构的稳定性和强度。
7.通风与安全施工:采取科学的通风设计和施工方案,保证施工现场的空气流通,排除有害气体和粉尘,保证工人的安全。
8.管线布设与安装:根据设计要求,对通风、供水、排水等管线进行布设和安装,并严格按照规范进行测试和验收。
三、施工安全保障1.制定安全生产规程和方案,明确施工期间的安全责任人及其职责,确保施工安全。
2.严格遵守安全操作规程,加强现场交通安全管理,确保施工人员的人身安全。
3.引进必要的安全监测技术和设备,对地压、温度、氧气含量等进行实时监测,确保施工时的安全。
4.加强施工场地的火灾防范、电气安全管理,做好应急救援措施的准备工作,确保火灾、电气事故的防范和处理能力。
地下通道施工安全交底1. 引言本文旨在对地下通道施工中的安全交底进行详细阐述和说明。
地下通道施工作为一项复杂而危险的工程,需要严格遵循安全规范和流程,确保工人和工地的安全。
通过本文可以使施工人员充分了解地下通道施工安全的重要性,掌握相关安全要求和处理方法,从而较好地保障施工过程中的安全。
2. 安全意识培养地下通道施工的安全意识培养是确保整个施工过程安全的前提和基础。
施工方应通过以下方式提高工人的安全意识:•建立安全意识培训制度,对每一位工人进行安全培训,注重宣传施工中的安全事项和风险预防措施。
•组织定期安全知识竞赛,增加工人对安全知识的关注和学习。
•资料散发,以安全标语、安全宣传品等形式提醒工人随时关注安全问题。
3. 安全管理措施地下通道施工涉及多个方面的安全问题,需要制定相关的管理措施以确保工地的安全。
下面是常用的安全管理措施:1.安全责任制:明确各岗位的安全责任,并建立健全的管理体系,推行安全责任到人的原则。
2.安全组织机构:设立安全管理部门,负责施工现场的安全管理工作,包括监督和检查。
3.安全技术措施:根据工程特点和施工环境,制定具体的安全技术措施,包括安全操作规程、防护装备和设施等。
4.安全检查和隐患排查:定期对施工现场进行安全检查,发现并及时排查隐患,确保施工过程中的安全。
5.安全教育和培训:组织安全培训和教育活动,提高工人的安全意识和技能,增强应对突发事件的能力。
4. 风险预防和处理地下通道施工过程中存在一些常见的风险,需要采取相应的预防和处理措施,以保障施工人员和工地的安全。
以下是一些常见的风险及对应的措施:1.塌方风险预防:对施工现场进行稳固处理,设置支撑结构,确保施工过程中的土体稳定。
2.爆破风险预防:制定爆破作业方案,合理安排时间和距离,并进行必要的防护措施。
3.电气安全:严格遵守电气安全规定,合理布置电缆和设备,定期检查维护电气设备。
4.暗挖施工风险预防:提前制定施工方案,合理利用监测装置,监控建筑物的稳定性。
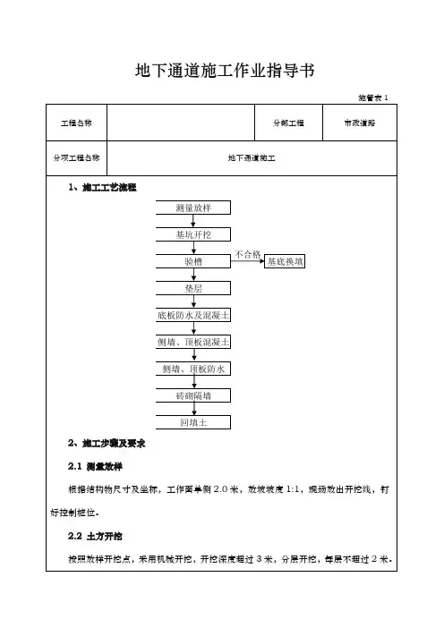
地下通道施工技术交底地下通道施工技术交底:打造稳固通道,保障交通安全随着城市的发展,地下通道已成为重要的交通设施之一。
为了确保地下通道的施工质量和安全,我们编写了本技术交底,旨在为施工团队提供全面、详细的施工技术指导。
一、施工准备在地下通道施工前,必须做好充分的准备工作。
首先,要制定详细的安全措施,确保施工期间不发生安全事故。
其次,进行质量控制,从材料采购到施工流程,每一个环节都要严格把关。
此外,还要对相关基础设施进行充分准备,如水电供应、通风设备等。
二、地下通道勘测在施工前,应对地下通道进行详细勘测。
勘测内容应包括地质状况、地下水位、周围建筑物基础等信息。
通过对这些信息的分析,可以评估施工对周围环境的影响,并采取相应措施。
三、地下通道施工1、机械设备选择与使用:根据工程需要,选择合适的机械设备,如挖掘设备、运输设备等。
使用机械设备时,应严格遵守操作规程,确保设备运行安全。
2、人员组织与分工:合理安排施工人员进行地下通道的挖掘、衬砌、装修等作业。
明确各岗位的职责和操作要求,确保施工顺利进行。
3、材料采购与运输:选择质量合格的建筑材料,如混凝土、钢筋等。
同时,合理安排材料的采购、运输和储存,确保施工进度不受影响。
4、安全施工:在施工过程中,要时刻关注安全问题,严格执行相关规定,确保施工安全。
同时,要加强施工现场的管理,保持整洁、有序的作业环境。
5、质量监控:在施工过程中,对每一道工序都要进行质量检查和控制,确保符合设计要求和相关规范。
质量监控应由专业技术人员进行,并做好相关记录。
四、验收与交付1、验收:在地下通道施工完成后,应组织专业团队进行验收,检查施工质量是否符合设计要求和相关规范。
对于存在的问题,要及时进行整改。
2、交付:验收合格后,将地下通道交付给相关部门或单位。
在交付过程中,要做好资料移交、使用说明等工作,确保使用方能够正确、安全地使用地下通道。
五、总结本技术交底提供了地下通道施工的主要步骤和注意事项,旨在为施工团队提供指导。
地下人行通道工程现浇溷凝土施工安全技术交底1、前言地下人行通道工程是现代城市建设一个不可或缺的基础设施。
在实际施工中,现浇混凝土是地下人行通道工程中最为关键的建筑材料之一。
现浇混凝土施工质量直接关系到工程的使用寿命、安全性和美观度。
本文主要介绍地下人行通道工程现浇混凝土施工的相关安全技术。
2、安全技术交底事项2.1、施工前应做到以下技术交底•整个施工过程应按照国家安全标准、施工规范和设计要求操作。
•施工人员应具备专业技能和操作资格证书,并接受必要的安全培训。
•配备必要的施工设备、工具和机器,并对其进行定期检查和维护,并保证其在施工现场符合相应的安全要求。
•研究地下人行通道工程的设计图纸、施工图纸和相关文件,明确施工要求、质量标准和安全要求。
•评估现场环境,了解地下人行通道工程建设的相关情况,确定适当的施工措施和防护措施。
2.2、现浇混凝土浇筑前应做到以下技术交底•研究设计图纸和施工图纸,确定混凝土拌合比、材料用量和浇筑方式。
•制定工作计划和投工量。
•计算混凝土浇筑的高度、体积和密度,以及浇筑过程中水泥凝固时间、施工缝控制和电线口位置等技术参数。
•确定浇筑的节奏和顺序,并确保施工人员合理摆放、储存、使用混凝土材料和砼自卸车。
2.3、现浇混凝土浇筑中应做到以下技术交底•组织好混凝土现浇施工队伍,做好现场协调工作,确保施工现场人员安全。
•做好混凝土拌和工作,包括检查机械设备的良好状态和混合材料的质量情况。
•按照设计图纸和施工图纸要求进行浇筑和卸料,并按照要求布设钢筋和加工缝。
•熟练使用各种施工工具,包括混凝土搅拌机、泵车、铲子、抹子等,保证施工质量和安全。
•监测浇筑过程中的混凝土温度、凝固时间和密度等参数,确保施工质量。
•根据现场情况,采取灵活的施工方式,并及时根据实际情况调整工作计划。
3、施工中的安全问题及解决办法3.1、设计方面•根据地下人行通道工程的特点,确定混凝土强度和抗压强度,以确保地下人行通道工程的安全稳定性。
一、交底目的为确保地下管廊施工过程中的安全,预防事故发生,提高施工人员的安全意识和操作技能,特进行本次安全技术交底。
二、工程概况1. 工程名称:XX市地下综合管廊建设工程2. 工程地点:XX市3. 施工单位:XX公司4. 分项工程名称:地下管廊主体工程三、安全注意事项1. 人员安全(1)施工人员必须佩戴安全帽、安全带、防尘口罩等个人防护用品。
(2)施工现场必须设置安全警示标志,明确警示内容。
(3)严禁酒后作业、疲劳作业,确保施工人员身体健康。
2. 施工现场安全(1)施工现场必须设置围挡,防止无关人员进入。
(2)施工现场应设置消防器材,确保消防通道畅通。
(3)施工现场应设置排水沟,防止积水。
(4)施工现场应设置安全警示标志,明确警示内容。
3. 机械设备安全(1)机械设备必须定期检查、保养,确保设备正常运行。
(2)机械设备操作人员必须持证上岗,严格遵守操作规程。
(3)机械设备操作前必须进行试运转,确保设备正常。
4. 防水、防漏电措施(1)管廊施工过程中,必须采取有效措施防止渗漏。
(2)施工现场应设置防漏电装置,确保施工人员安全。
(3)管廊施工完毕后,应进行防水、防漏电测试,确保符合要求。
5. 防坍塌、防坠落措施(1)管廊施工过程中,必须采取有效措施防止坍塌、坠落。
(2)施工现场应设置安全网、防护栏杆等安全设施。
(3)施工人员必须严格遵守操作规程,确保安全。
6. 环境保护(1)施工现场应设置环保设施,防止污染。
(2)施工过程中,应采取措施减少噪音、粉尘等污染。
四、应急措施1. 事故报告(1)发生事故后,立即停止施工,保护现场。
(2)及时上报事故情况,按照相关规定进行处理。
2. 应急救援(1)施工现场应设置急救箱,配备必要的急救药品。
(2)施工人员应掌握基本的急救技能。
(3)发生事故时,立即组织人员进行救援。
五、交底内容1. 施工人员必须熟悉本工程的安全技术交底内容。
2. 施工人员必须遵守施工现场的安全规定,确保施工安全。
(建筑工程安全)地下人行通道工程施工安全技术交底2.5.1地下人行通道工程施工安全通用技术交底1.高处作业必须支搭作业平台,且符合下列要求:(1)脚手架宽度应满足施工安全的要求;于平台宽度范围必须铺满、铺稳脚手板。
(2)木质栏杆上杆梢径不得小于7cm,下杆梢径不得小于6cm,栏杆柱梢径不得小于7.5cm,且以不小于12号的镀锌钢丝绑扎牢固,绑丝头应顺平向下;钢筋横杆上杆直径不得小于16mm,下杆直径不得小于14mm,栏杆柱直径不得小于18mm,采用焊接或镀锌钢丝绑扎牢固,绑丝头应顺平向下;钢管横杆、栏杆柱均应采用直径48mm×(2.75~3.5)mm 的管材,以扣件固定或焊接牢固。
(3)上下平台应设安全梯等设施供作业人员之用;作业中应随时检查,确认安全。
(4)于砌体上固定栏杆柱时,可预先砌入规格相适应的设预埋件的预制块,且按要求进行固定。
(5)栏杆的整体构造和栏杆柱的固定,应使防护栏杆于任何处能承受任何方向的1000N 外力。
(6)支搭、拆除脚手架应符合脚手架施工安全技术交底的具体要求。
(7)防护栏杆的底部必须设置牢固的、高度不低于18cm的挡脚板;挡脚板下的空隙不得大于1cm;挡脚板上有孔眼时,孔径不得大于2.5cm。
(8)于路堑、沟槽边缘固定栏杆柱时,可采用钢管且锤击沉入地下不小于50cm深;钢管离路堑、沟槽边沿的距离,不得小于50cm。
(9)于混凝土结构上固定栏杆柱时,采用钢质材料时可用预埋件和钢管或钢筋焊牢;采用木栏杆时可于预埋件上焊接30cm长的50×5角钢,其上、下各设壹孔,以直径10mm螺栓和木杆件拴牢。
(10)防护栏杆应由上、下俩道栏杆和栏杆柱组成,上杆离地高度应为1.2m,下杆离地高度应为50cm~60cm。
栏杆柱间距应经计算确定,且不得大于2m。
2.于现况道路上施工时,应于施工前根据施工安排、现场交通和环境情况,编制交通疏导方案,经道路交通管理部门批准后实施。